鲁JJ-052-钢筋隐蔽工程验收记录
- 格式:docx
- 大小:521.07 KB
- 文档页数:10
鲁JJ-052- 001 主要受力钢筋规格、型号:12、8
山东省建设工程质量监督总站监制
鲁JJ-052- 001 主要受力钢筋规格、型号:14、6
山东省建设工程质量监督总站监制
钢筋隐蔽工程验收记录
鲁JJ-052- 001 主要受力钢筋规格、型号:12、6
钢筋隐蔽工程验收记录
鲁JJ-052- 001 主要受力钢筋规格、型号:12、6
钢筋隐蔽工程验收记录
鲁JJ-052- 001 主要受力钢筋规格、型号:14、8
山东省建设工程质量监督总站监制
主要材料名称及规格、型号: 6
隐检内容:
砌体与构造柱连接沿墙高每隔500mm设26拉结筋,其他按图纸设计及图集要求施工。
山东省建设工程质量监督总站监制
主要材料名称及规格、型号: 6
隐检内容:
砌体与构造柱连接沿墙高每隔500mm设26拉结筋,其他按图纸设计及图集要求施工。
山东省建设工程质量监督总站监制
主要材料名称及规格、型号: 6
隐检内容:
砌体与构造柱连接沿墙高每隔500mm设26拉结筋,其他按图纸设计及图集要求施工。
山东省建设工程质量监督总站监制
检查结论:同意隐检不同意,修改后进行复查。
钢筋工程隐蔽检查验收记录简图:
钢筋工程隐蔽检查验收记录简图:
钢筋工程隐蔽检查验收记录
简图:
试验报告及出厂合格证直径
出厂合格
编号
实验报告编号直径
出厂合格
编号
试验报告编号
设计单位意见施工单位
自查意见
符合设计要求和《混凝土结构工程
施工质量验收规范》
(GB50204-2002)的规定
监理(建设)单
位意见
检
验
人
员
技术负责人
专业工长
质检员钢筋工程隐蔽检查验收记录
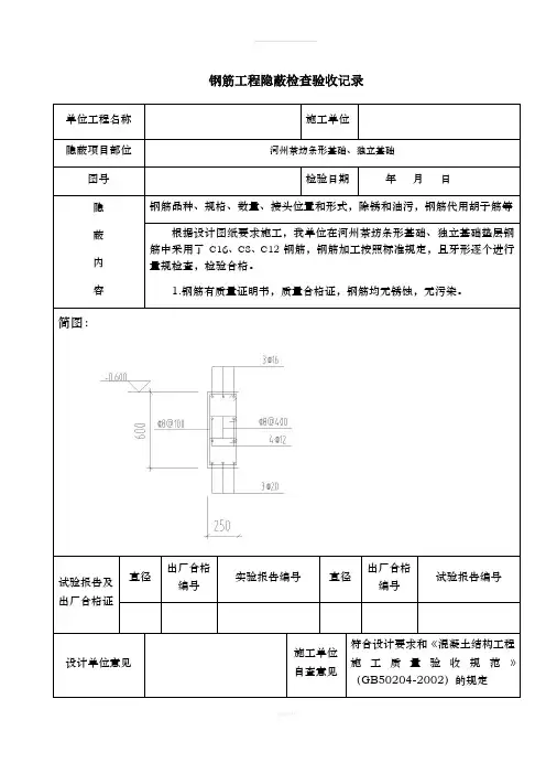
单位工程名称施工单位
隐蔽项目部位景观廊架基础
图号检验日期年月日
隐钢筋品种、规格、数量、接头位置和形式,除锈和油污,钢筋代用胡子筋等
简图:
钢筋工程隐蔽检查验收记录
简图:
钢筋工程隐蔽检查验收记录简图:。
钢筋隐蔽工程检查验收记录001钢筋隐蔽工程检查验收记录002钢筋隐蔽工程检查验收记录003钢筋隐蔽工程检查验收记录004钢筋隐蔽工程检查验收记录005钢筋隐蔽工程检查验收记录006钢筋隐蔽工程检查验收记录007钢筋隐蔽工程检查验收记录008钢筋隐蔽工程检查验收记录009钢筋隐蔽工程检查验收记录010钢筋隐蔽工程检查验收记录011钢筋隐蔽工程检查验收记录012钢筋隐蔽工程检查验收记录013钢筋隐蔽工程检查验收记录013钢筋隐蔽工程检查验收记录014钢筋隐蔽工程检查验收记录015钢筋隐蔽工程检查验收记录016钢筋隐蔽工程检查验收记录017钢筋隐蔽工程检查验收记录018钢筋隐蔽工程检查验收记录019钢筋隐蔽工程检查验收记录020钢筋隐蔽工程检查验收记录021钢筋隐蔽工程检查验收记录022钢筋隐蔽工程检查验收记录023钢筋隐蔽工程检查验收记录024钢筋隐蔽工程检查验收记录025钢筋隐蔽工程检查验收记录026钢筋隐蔽工程检查验收记录027钢筋隐蔽工程检查验收记录028钢筋隐蔽工程检查验收记录029钢筋隐蔽工程检查验收记录030钢筋隐蔽工程检查验收记录031钢筋隐蔽工程检查验收记录032钢筋隐蔽工程检查验收记录033钢筋隐蔽工程检查验收记录034钢筋隐蔽工程检查验收记录035钢筋隐蔽工程检查验收记录036。
鲁J J隐蔽工程验收记录 The latest revision on November 22, 2020鲁JJ —037山东省建设工程质量监督总站监制隐蔽工程验收记录鲁JJ —037山东省建设工程质量监督总站监制隐蔽工程验收记录鲁JJ —0370204山东省建设工程质量监督总站监制隐蔽工程验收记录鲁JJ —037山东省建设工程质量监督总站监制隐蔽工程验收记录山东省建设工程质量监督总站监制说明隐蔽工程检查记录为通用施工记录,试用于各专业。
按规范规定须进行隐检的项目,施工单位应填报《隐蔽工程检查记录》。
主要隐检项目及内容如下:1.地基基础工程与主体结构工程隐检①土方工程:基槽、房心回填前检查基底清理、基底标高情况等。
②支护工程:检查锚杆、土钉的品种、规格、数量、位置、插入长度、深底、垂直度,钢筋规格、位置、槽底清理、沉渣厚度等。
③桩基工程:检查钢筋笼规格、尺寸、沉渣厚度、清孔情况等。
④地下防水工程:检查混凝土变形缝、施工缝、后浇带、穿墙套管、埋设件等设置的形式和构造。
人防出口止水做法。
防水层基层、防水材料规格、厚度、铺设方式、阴阳角处理、搭接密封处理等。
⑤预应力工程:检查预留孔道的规格、数量、位置、形状、端部预埋垫板;预应力筋下料长度、切断方法、竖向位置偏差、固定、护套的完整性;锚具、夹具、连接点组装等。
⑥钢结构工程:检查地脚螺栓规格、位置、埋设方法、紧固等。
⑦外墙内、外保温构造节点做法。
2.建筑装饰装修工程隐检①地面工程:检查各基层(垫层、找平层、隔离层、防水层、填充层、地龙骨)材料品种、规格、铺设厚度、方式、坡度、标高、表面情况、密封处理、粘结情况等。
②抹灰工程:具有加强措施的抹灰应检查其加强构造的材料规格、铺设、固定、搭接等。
③门窗工程:检查预埋件和锚固件、螺栓等的规格、数量、位置、间距、埋设方式、与框的连接方式、防腐处理、缝隙的嵌填、密封材料的粘结等。
④吊顶工程:检查吊顶龙骨及吊件材质、规格、间距、连接方式、固定方法、表面防火、防腐处理、处理情况、接缝和边缝情况、填充和吸声材料的品种、规格、铺设、固定情况等。
钢筋隐蔽工程验收记录
工程名称工程部位
一、隐蔽工程的内容及见图
在本工程中所使用的各种钢材的合格证、复检报告的编号如下:
焊接报告编号钢筋规格及型号钢材合格证编号复检报告编号钢材数量(t)
二、隐蔽验收内容:
1、所用钢材品种、数量、质量等均符合设计及规范要求
2、钢材的表面无污迹,较清洁
3、钢材的制作及绑扎符合设计及规范要求
4、钢材的焊接质量、搭接方法符合设计及规范要求
自检结论监理验收结论
监理单位签章签章:
监理工程师:
施
工
单
位
签
章
施工负责人:
专业质量检查员:
年月日。
钢筋隐蔽工程检查验收记录
山东省建设工程质量监督总站监制
说明
钢筋隐蔽工程反映钢筋分项施工的综合质量,在浇筑混凝土之前验收是为了确保受力钢筋等的加工、连接和安装满足设计要求,并在结构中发挥其应有的作用。
《混凝土结构工程施工质量验收规范》GB 50204第5.1.2条规定:在浇筑混凝土之前,应进行钢筋隐蔽工程验收,其内容包括:
1、纵向受力钢筋的品种、规格、数量、位置等;
2、钢筋的连接方式、接头位置、接头质量、接头面积百分率、搭接长度、锚固方式及锚固长度;
3、箍筋、横向钢筋的牌号、规格、数量、间距、位置,箍筋弯钩的弯折角度及平直段长度;
4、预埋件的规格、数量和位置。
钢筋工程隐蔽检查验收记录表工程名称:济南军区总医院保健楼工程验收部位四层梁、顶板(东段) 验收日期 2011年05月19日检查项目施工单位自检建设(监理)复检钢筋材质试验或证明钢材质量控制资料符合设计要求质机械连接质量及试验连接试验资料符合设计和规范要求主筋规格数量及间距主筋制作与安装符合设计图纸要求量锚固和搭接长度钢筋锚固和搭接长度符合设计要求检接头部位钢筋接头部位符合设计和规范要求查保护层垫块梁板钢筋保护层均按要求垫置垫块情模板自检评定模板自检评定合格钢筋自检评定钢筋自检评定合格况预埋件预留洞位置有按设计图纸要求预埋并校对正确施工缝设置处理已按规范要求进行了留置工作监理单位验收意见施工单位自评: 监理(建设)单位评定:项目经理: 监理工程师:专职质检员:年月日年月日钢筋工程隐蔽检查验收记录表工程名称:××县工商局315消费者投诉中心大楼工程编号:2003-01验收部位一层框架柱验收日期 2003年04月20日检查项目施工单位自检建设(监理)复检钢筋材质试验或证明钢材质量控制资料符合设计要求经复检符合要求焊接质量及试验焊接试验资料符合设计和规范要求经复检符合要求质主筋规格数量及间距主筋制作与安装符合设计图纸要求经复检符合要求锚固和搭接长度钢筋锚固和搭接长度符合设计要求经复检符合要求量接头部位钢筋接头部位符合设计和规范要求经复检符合要求检保护层垫块柱侧钢筋保护层均按要求垫置垫块经复检符合要求查模板自检评定模板自检评定合格经复检符合要求情钢筋自检评定钢筋自检评定合格经复检符合要求承重墙柱自检评定况原材料试验及配比砂、石和水泥有试验,有砼配合比经复检符合要求预埋件预留洞位置施工缝设置处理柱施工缝留置在上端最大梁梁底平经复检符合要求简本钢筋检验批质量经施工单位自检合格后,向监理单位报验,经监理单位复检符合设计图纸要求,并同意施工单位进入隐蔽工序。
图或说明施工单位自评:合格监理(建设)单位评定:合格项目经理:卢小强监理工程师:林小亮专职质检员:卢大强 (建设单位代表)林大亮2003年04月20日 2003年04月21日注:表格内容要求用碳素墨水填写。
鲁J J-052-钢筋隐蔽工程验
收记录
鲁JJ-052- 001主要受力钢筋规格、型号:12、8
山东省建设工程质量监督总站监制
鲁JJ-052- 001主要受力钢筋规格、型号:14、6
山东省建设工程质量监督总站监制
钢筋隐蔽工程验收记录
鲁JJ-052- 001主要受力钢筋规格、型号:12、6
钢筋隐蔽工程验收记录
鲁JJ-052- 001主要受力钢筋规格、型号:12、6
钢筋隐蔽工程验收记录
鲁JJ-052- 001主要受力钢筋规格、型号:14、8
山东省建设工程质量监督总站监制
主要材料名称及规格、型号:6
隐检内容:
砌体与构造柱连接沿墙高每隔500mm设26拉结筋,其他按图纸设计及图集要求施工。
山东省建设工程质量监督总站监制
主要材料名称及规格、型号:6
隐检内容:
砌体与构造柱连接沿墙高每隔500mm设26拉结筋,其他按图纸设计及图集要求施工。
主要材料名称及规格、型号:6
隐检内容:
砌体与构造柱连接沿墙高每隔500mm设26拉结筋,其他按图纸设计及图集要求施工。
检查结论:同意隐检不同意,修改后进行复查。