安全检查表的编制方法及步骤
- 格式:doc
- 大小:15.00 KB
- 文档页数:3
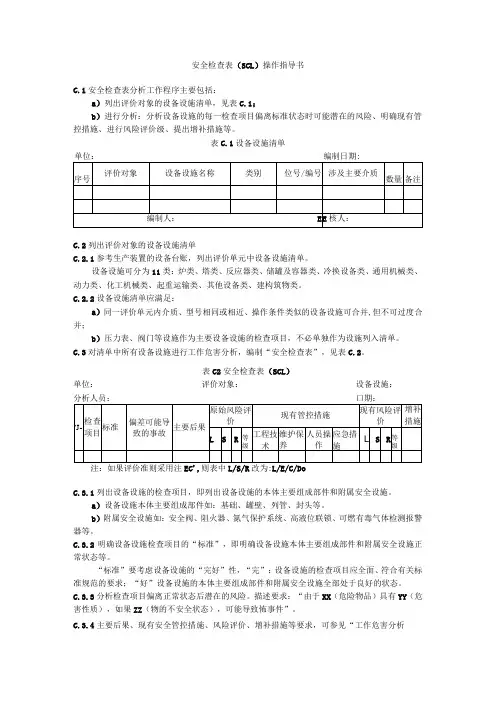
安全检查表(SCL)操作指导书C.1安全检查表分析工作程序主要包括:a)列出评价对象的设备设施清单,见表C.1;b)进行分析:分析设备设施的每一检查项目偏离标准状态时可能潜在的风险、明确现有管控措施、进行风险评价级、提出增补措施等。
表C.1设备设施清单C.2列出评价对象的设备设施清单C.2.1参考生产装置的设备台账,列出评价单元中设备设施清单。
设备设施可分为11类:炉类、塔类、反应器类、储罐及容器类、冷换设备类、通用机械类、动力类、化工机械类、起重运输类、其他设备类、建构筑物类。
C.2.2设备设施清单应满足:a)同一评价单元内介质、型号相同或相近、操作条件类似的设备设施可合并,但不可过度合并;b)压力表、阀门等设施作为主要设备设施的检查项目,不必单独作为设施列入清单。
C.3对清单中所有设备设施进行工作危害分析,编制“安全检查表”,见表C.2。
表C2安全检查表(SCL)单位:评价对象:设备设施:C.3.1列出设备设施的检查项目,即列出设备设施的本体主要组成部件和附属安全设施。
a)设备设施本体主要组成部件如:基础、罐壁、列管、封头等。
b)附属安全设施如:安全阀、阻火器、氮气保护系统、高液位联锁、可燃有毒气体检测报警器等。
C.3.2明确设备设施检查项目的“标准”,即明确设备设施本体主要组成部件和附属安全设施正常状态等。
“标准”要考虑设备设施的“完好”性,“完”:设备设施的检查项目应全面、符合有关标准规范的要求;“好”设备设施的本体主要组成部件和附属安全设施全部处于良好的状态。
C.3.3分析检查项目偏离正常状态后潜在的风险。
描述要求:“由于XX(危险物品)具有YY(危害性质),如果ZZ(物的不安全状态),可能导致怖事件”。
C.3.4主要后果、现有安全管控措施、风险评价、增补措施等要求,可参见“工作危害分析(JHA)操作指导书”的相关内容。
安全检查表法(SCL)1方法概述依据相关的标准、规范,对工程、系统中已知的危险类别、设计缺陷以及与一般工艺设备、操作、管理有关的潜在危险有害因素进行判别检查。
适用于对设备设施、建构筑物、安全间距、作业环境等存在的风险进行分析。
包括编制安全检查表、列出设备设施清单、进行危险源辨识等步骤。
2安全检查表编制依据有关法规、标准、规范及规定;国内外事故案例和企业以往事故情况;系统分析确定的危险部位及防范措施;分析人员的经验和可靠的参考资料;有关研究成果,同行业或类似行业检查表等。
3编制安全检查表确定编制人员。
包括熟悉系统的工段长、安全员、技术员、设备员等各方面人员。
熟悉系统。
包括系统的结构、功能、工艺流程、操作条件、布置和已有的安全卫生设施。
收集资料。
收集有关安全法律、法规、规程、标准、制度及本系统过去发生的事故事件资料,作为编制安全检查表的依据。
编制表格。
确定检查项目、检查标准、不符合标准的情况及后果、安全控制措施等要素(参照附录A5中表5-1或表5-2相关栏目内容,可单独编制或直接采用该表)。
4安全检查表分析评价列出《设备设施清单》(见附录A3);依据《设备设施清单》,按功能或结构划分为若干危险源,对照安全检查表逐个分析潜在的危害;对每个危险源,按照《安全检查表分析(SCL)评价记录》(见附录A5)进行全过程的系统分析和记录。
5检查表分析要求综合考虑设备设施内外部和工艺危害。
识别顺序:厂址、地形、地貌、地质、周围环境、周边安全距离方面的危害;厂区内平面布局、功能分区、设备设施布置、内部安全距离等方面的危害;具体的建构筑物等。
安全检查表的编制方法及步骤
1.安全检查表的编制方法
安全检查表的编制一般采用经验法和分析法:
经验法。找熟悉被检查对象的人员和具有实践经验的人员,以三结合的方式(工人、工程技术人员、管理人员)组成一个小组。依据人、物、环境的具体情况,根据以往积累的实践经验以及有关统计数据,按照规程、规章制度等文件的要求,编制安全检查表。
分析法。根据已编制的事故树的分析、评价结果来编制安全检查表。通过事故树进行定性分析,求出事故树中的最小割集,按最小割集中基本事件的多少,找出系统中的薄弱环节,以这些薄弱环节作为安全检查的重点对象,编制成安全检查表。还可以通过对事故树的结构重要度分析、概率重要度分析和临界重要度分析,分别按事故树中基本事件的结构重要度系数、概率重要度系数和临界重要度系数的大小,编制安全检查表。
2.安全检查表的编制步骤
确定被检查对象,组织有关人员;
熟悉被分析的系统;
调查不安全因素;
搜集与系统有关的规范、标准、制度等;
明确规定的安全要求;
根据具体情况和要求确定编制方法,编制安全检查表; 通过反复使用,不断修改、补充完善。。
安全检查表的编制方法及步骤编制安全检查表是为了确保工作场所的安全性,及时发现并解决存在的安全隐患。
以下是编制安全检查表的方法和步骤:第一步:确定检查范围首先,需要确定检查的范围。
根据工作场所的特点和需求,明确需要检查的区域、设施、设备和工作流程等,并确定每项检查的具体内容。
第二步:收集相关资料在确定检查范围后,需要收集相关的法律法规、行业标准和安全管理制度等资料,并了解国家、地区或行业的安全检查要求和常见的安全隐患,以便能够更全面地制定检查内容。
第三步:制定检查内容根据收集到的资料,结合工作场所的实际情况,制定具体的检查内容。
可以根据工作场所的不同区域、设备的不同类型或工作流程的不同环节,将检查内容分为多个模块,涵盖场所环境、设施设备、作业操作、应急措施等方面。
第四步:确定检查方法和标准在制定具体的检查内容后,需要确定相应的检查方法和标准。
可以采用现场巡检、台帐查阅、询问员工等方式进行检查,同时制定相应的评价标准,以便能够准确评估安全情况。
第五步:编制检查表格根据确定的检查内容、方法和标准,将其整理成表格形式,并按照模块分类。
表格应包括检查项、检查要点、检查方法和检查标准等内容,以便于检查人员在实施检查时能够清楚地了解需要注意的事项。
第六步:试行检查表编制完成后,对检查表进行试行检查。
可选取工作场所的一个区域或设备进行检查,根据检查表的内容,进行实际的检查操作,并对检查表的内容进行反馈和修改,以确保检查表的全面性和准确性。
第七步:修订和完善检查表根据试行检查的结果和反馈意见,对检查表进行修订和完善。
可以添加新的检查内容、改进检查方法或调整检查标准,以确保检查表与工作场所的实际情况相匹配。
第八步:培训检查人员在检查表修订完成后,需要对检查人员进行相关培训,使其了解检查表的编制目的、内容及使用方法,并熟悉各项检查标准和操作流程,以保证检查工作的准确性和有效性。
第九步:执行检查计划根据工作场所的安全管理要求,制定检查计划,明确检查的频次和时间节点,并按计划开展检查工作。
行业资料:________ 安全检查表的编制依据单位:______________________部门:______________________日期:______年_____月_____日第1 页共5 页安全检查表的编制依据实践证明,安全检查的最有效工具是安全检查表。
它是为检查某些系统的安全状况而事先制定的问题清单。
为了使检查表能全面查出不安全因素,又便于操作,根据安全检查的需要、目的、被检查的对象,可编制多种类型的相对通用的安全检查表,如项目工程设计审查用的安全检查表,项目工程竣工验收用的安全检查表,企业综合安全管理状况的检查表,企业主要危险设备、设施的安全检查表,不同专业类型的检查表,面向车间、工段、岗位不问层次的安全检查表等。
制订安全检查表的人员应当是熟悉该系统或该专业的安全技术法规。
标准和安全操作规程的工程技术人员、作业职工等。
按照安全检查表迸行安全检查,可提高检查质量,防止漏掉主要的不安全因素(危险因素)。
安全检查表的制订、使用、修改、完善的过程,实际是对安全工作的不断总结提高的过程。
安全检查表的编制依据1)国家、地方的相关安全法规、规定、规程、规范和标准,行业、企业的规章制度、标准及企业安全生产操作规程。
2)上级、行业和单位(企业)领导对安全生产的要求。
3)国内外问行业、企业事故统计案例,经验教训。
结合本企业的实际情况,有可能导致事故的危险因素。
4)行业及企业安全生产的经验,特别是本企业安全生产的实践经验,引发事故的各种潜在不安全因素及成功杜绝或减少事故发生的经验。
5)系统安全分析的结果,即是为防止重大事故的发生而采用事故树第 2 页共 5 页分析方法,对系统迸行分析得出能导致引发事故的各种不安全因素的基本事件,作为防止事故控制点源列入检查表。
安全检查表的编制方法及步骤经验法。
找熟悉被检查对象的人员和具有实践经验的人员,以三结合的方式(工人、工程技术人员、管理人员)组成一个小组。
安全检查表的编制范文《安全检查表编制范文》一、前言安全检查是企业安全管理中的重要环节,通过制定合理的安全检查表,可以全面、系统地检查各项安全工作的执行情况,及时发现问题,加强隐患排查和整改工作,确保企业的安全生产。
本文将以某企业为例,编制一份适用于该企业的安全检查表。
二、企业概况某企业是一家制造业企业,主要生产农业机械产品。
企业占地面积200亩,有员工200人,年产值达到5000万元。
企业高度重视安全生产工作,建立了完善的安全管理体系,并配备了专职安全管理人员,每年定期开展各类安全培训和演练。
三、安全检查表编制根据该企业的实际情况和安全管理要求,我们编制了以下安全检查表:安全生产管理制度1. 是否制定了《安全生产管理制度》?制度内容是否与现行法律法规相符?2. 是否建立了安全生产责任制?责任是否明确,到人到岗?3. 是否定期组织安全培训和演练?是否记录培训和演练情况并留存档案?生产设备安全1. 生产设备是否经过合格检验,并标识合格证明?2. 生产设备是否按照要求进行定期维护保养,保持良好的工作状态?3. 生产设备的操作人员是否持有效证书,是否按规定佩戴个人防护装备?4. 是否建立了设备故障隐患登记和整改制度?登记内容是否完整准确?现场安全1. 生产现场是否明确划定了安全警戒区域,并设置了警示标识?2. 现场作业人员是否按要求佩戴个人防护装备?3. 是否对危险品进行专门储存,并有专人管理和操作?4. 是否建立了消防安全制度和应急预案?应急救援设施是否齐备?5. 是否定期进行现场安全巡查和巡检报告记录?是否及时整改巡查中发现的问题?员工安全1. 是否建立了员工安全教育制度?是否为新员工提供安全教育培训?2. 入厂员工是否进行身体健康检查,并建立个人健康档案?3. 是否建立了安全奖惩制度,并落实到位?四、安全检查周期和责任根据该企业的实际情况和安全管理要求,安全检查表的周期为每月进行一次,并由公司安全管理部门负责组织实施。
安全检查表法(Safety Checklist Analysis,缩写SCA)是依据相关的标准、规范,对工程、系统中已知的危险类别、设计缺陷以及与一般工艺设备、操作、管理有关的潜在危险性和有害性进行判别检查。
适用于工程、系统的各个阶段,是系统安全工程的一种最基础、最简便、广泛应用的系统危险性评价方法。
安全检查表的编制主要是依据以下四个方面的内容:1、国家、地方的相关安全法规、规定、规程、规范和标准,行业、企业的规章制度、标准及企业安全生产操作规程。
2、国内外行业、企业事故统计案例,经验教训。
3、行业及企业安全生产的经验,特别是本企业安全生产的实践经验,引发事故的各种潜在不安全因素及成功杜绝或减少事故发生的成功经验。
4、系统安全分析的结果,如采用事故树分析方法找出的不安全因素,或作为防止事故控制点源列入检查表。
简介编辑安全检查表是进行安全检查、发现潜在危险、督促各项安全法规、制度、标准实施的一个较为有效的工具。
它是安全系统中最基本、最初步的一种形式。
历史编辑安全检查表是的产物。
当时,20世纪30年代工业迅速发展时期由于安全系统工程尚未出现,安全工作者为了解决生产中遇到的日益增多的事故,运用系统工程的手段编制了一种检验系统安全与否的表格。
系统工程广泛应用以后,安全系统工程开始萌芽时期,安全检查表的编制逐步走向理论阶段,使得安全检查表的编制越来越科学、全面和完善。
它们的内容基本相同,不同的是编制的依据和方法不同;前者运用系统工程手段,后者源于安全系统工程的科学分析。
定义编辑运用安全系统工程的方法,发现系统以及设备、机器装置和操作管理、工艺、组织措施中的各种不安全因素,列成表格进行分析。
优点编辑1.安全检查表能够事先编制,可以做到系统化、科学化,不漏掉任何可能导致事故的因素,为事故树的绘制和分析做好准备。
2.可以根据现有的规章制度、法律、法规和标准规范等检查执行情况,容易得出正确的评估。
3.通过事故树分析和编制安全检查表,将实践经验上升到理论,从感性认识到理性认识,并用理论去指导实践,充分认识各种影响事故发生的因素的危险程度(或重要程度)。
交通运输安全检查表编制方法及其具体流程下载温馨提示:该文档是我店铺精心编制而成,希望大家下载以后,能够帮助大家解决实际的问题。
文档下载后可定制随意修改,请根据实际需要进行相应的调整和使用,谢谢!并且,本店铺为大家提供各种各样类型的实用资料,如教育随笔、日记赏析、句子摘抄、古诗大全、经典美文、话题作文、工作总结、词语解析、文案摘录、其他资料等等,如想了解不同资料格式和写法,敬请关注!Download tips: This document is carefully compiled by theeditor.I hope that after you download them,they can help yousolve practical problems. The document can be customized andmodified after downloading,please adjust and use it according toactual needs, thank you!In addition, our shop provides you with various types ofpractical materials,such as educational essays, diaryappreciation,sentence excerpts,ancient poems,classic articles,topic composition,work summary,word parsing,copy excerpts,other materials and so on,want to know different data formats andwriting methods,please pay attention!交通运输安全检查表编制方法及其具体流程在交通运输行业中,安全始终是首要考虑的因素。
安全检查表的编制方法及步骤编制安全检查表的方法及步骤主要包括以下几个方面:1.明确目的和范围:首先要明确制定安全检查表的目的和范围。
目的是为了评估和监测工作环境的安全性,并识别潜在的安全风险。
范围是指需要进行安全检查的具体工作区域、设备或流程。
2.收集信息:需要收集相关的安全标准、规范和法律法规等文件,了解工作环境的相关要求和规定。
同时,需要与具体工作人员、管理层和安全专家进行沟通,了解工作现状和存在的安全问题。
3.确定检查项目:根据收集到的信息,结合工作环境的实际情况,确定需要检查的项目和内容。
这些项目可以包括工作场所的布局和安装、设备的维护和使用、安全操作规程和培训、应急设备和救援程序等。
4.制定检查标准:根据相关的安全标准、规范和法律法规,制定相应的检查标准。
这些标准应当具备可操作性,能够明确具体的要求和指标,以便进行后续的评估和比对。
5.编制检查表:根据确定的检查项目和标准,开始编制检查表。
检查表应当具备清晰的结构和条目,便于工作人员进行检查和记录。
每个检查项目应有明确的评估标准和操作指南,以便进行实地检查和评估。
6.验证和修订:编制完成的检查表需要与相关人员进行验证和修订。
验证过程中,可以邀请安全专家、工会代表和管理层人员参与,以确保检查表的准确性和可行性。
根据验证结果,及时对检查表进行修订和完善。
7.培训和推广:将制定好的检查表进行培训和推广。
培训可以包括对检查表的使用方法和目的进行介绍,以及实地演练和案例分析。
推广可以通过制定宣传策略,将检查表应用到具体的工作环境中,提高安全意识和行为的改善。
8.定期检查和改进:检查表应当定期进行检查和改进。
根据实际的工作情况和反馈信息,对检查项目和标准进行修订和完善,以保证安全检查持续有效,并不断提高工作环境的安全性。
总结:编制安全检查表的方法和步骤十分重要,可以帮助组织和单位全面了解工作环境的安全性,并及时发现和解决潜在的安全问题。
通过明确目的和范围、收集信息、确定检查项目、制定检查标准、编制检查表、验证和修订、培训和推广、定期检查和改进等步骤,可以确保编制出合理、准确和实用的安全检查表。
安全检查表实例)实例安全检查表法(SCL、目的:为了减少或消除危险化学品仓库的危害,降低安全风险,对危险化学1 品仓库进行风险分析。
2、成立仓库风险分析工作小组XXX(管理人员)组长:(员工代表)、)、XXX 员:XXX(工会代表)、XXX(专业技术人员成……XXX、XX )3、选择风险分析方法:安全检查表法(SCL 、风险分析过程4 检查表(见附表)制订风险分析SCL⑴在检查表中的“检查项目和内容”栏目,填写国家有关标准、法律法规中有关仓储方面的安全规定。
栏中填写依据标准或法律法规的标准号或法律法规的名称。
在“依据标准”在检查表中的“检查结果”一栏填写企业实际情况是否符合标准或法律法√”。
如果不相符合,就填“×”规的规定,如果相符合,就填“检查表的“备注”栏填写与标准、法律法规不相符合的具体情况。
“检查项目和内容”与企业实际情况相比较。
检验是否符合。
⑵检查分析,依据编制分析结果,总结所有的符合项和不符合项。
对于不符合项要安排专题研⑶究整改方案。
、编写风险分析报告。
5 参加风险分析的人员要在风险分析报告上手工签字。
检序查备注检查附表:危险化学品储存安全检查项目和内容依据标准结号果 1 安全间距GB50016-2006甲类仓库与重要 1.13.5.1公共建筑之间的.防火间距不应小于50.0m,甲、乙类液体储GB50016-2006罐距厂外道路4.2.9边2米;距内主要道路路1米;距厂次要道路路边1米1.2丙类液体储罐厂外道路路边米;距厂内11要道路路边米距厂内次要道米路边甲类仓库储存:GB50016-2006 ③常温下能自行分解或在空3.5.1 气中氧化能导致迅速自燃或 1.3 爆炸的物质。
④常温下受到水或空气中水蒸汽的作用,能产生可燃气.体并引起燃烧或爆炸的物质。
储量≤5吨时与明火防火间距≤30米;>5吨时与明火防火间距4米甲类仓库储存①②⑤⑥项险物品时,量1吨时明火防火间2米;1吨时与明火3米丙类物品仓库GB50160-2008乙类物品储存5.2.11.4米距明火1【石化2一般要贮存化学危险品的仓库,必须配GB15603-1995 备有专业知识的 2.14.4技术人员。
交通运输安全检查表编制方法及其具体流程1. 引言1.1 概述交通运输安全一直是社会发展和人们生活中不可忽视的重要问题。
随着交通事故的频发和交通运输工具的日益增多,保障交通运输安全已成为各级政府和相关部门亟需解决的难题。
为了提高交通运输安全管理水平,制定并执行有效的安全检查措施至关重要。
本文旨在介绍交通运输安全检查表的编制方法及其具体流程,以期帮助相关从业人员能够更加科学、规范地开展安全检查工作。
通过制定合理且有效的检查标准和流程,可以帮助公司或组织充分了解运输过程中存在的安全隐患,并及时采取措施进行修正与改善。
1.2 目的本文的主要目的是提供一个详尽的指南,介绍如何编制交通运输安全检查表,并说明其应用方法。
旨在引导读者了解该方法对于确保交通运输过程中人员、财产和环境等方面的安全所起到的重要作用。
通过使用交通运输安全检查表,公司或组织可以:- 提高对危险因素和不安全行为的识别和处理能力;- 保障交通运输过程中相关人员的生命安全;- 降低交通事故发生的风险,并减少潜在损失;- 遵守法律法规,满足政府监管要求。
1.3 文章结构本文共分为五个主要部分,其结构如下:1) 引言:简要介绍文章内容、目的和结构。
2) 交通运输安全检查表的重要性:详细说明交通运输安全检查表在保障交通运输安全方面的重要性,包括其在安全意义、法律规定和事故案例分析方面的作用。
3) 交通运输安全检查表编制方法:阐述制定交通运输安全检查表的具体步骤和方法,包括确定检查内容、制定检查标准和流程以及定期更新与完善等方面的内容。
4) 交通运输安全检查表的具体流程及应用:详细描述填写交通运输安全检查表时应注意的方式与要点,并通过实际操作步骤解析和示例分析与总结,加深读者对该方法应用方式与效果的理解。
5) 总结与展望:回顾研究内容及成果,展望未来研究方向和发展趋势,并给出结语以及对读者的建议或呼吁。
通过对文章结构的清晰划分和每个部分的详细阐述,本文旨在为读者提供一个全面、系统的交通运输安全检查表编制方法及其具体流程的指南。
安全检查表的编制方法及步骤安全检查表是一个很实用的工具,可以协助企业和组织了解和确保员工和设施的安全。
它通常包含设备、工具和物品的检查项目,以及相关的安全要求和行为准则。
编制安全检查表需要经过以下步骤:第一步:收集信息在编制安全检查表之前,需要收集相关信息,这包括对设备、工具和物品的了解,对安全法规和规定的了解,对行业标准的了解等等。
此外,还需要了解员工在进行某项工作时可能存在的相关危险和潜在风险。
第二步:制定检查项目根据收集到的信息和了解到的风险,需要制定与具体设备和工具有关的检查项目。
检查项目应该全面、准确,并覆盖所有可能相关的安全问题。
第三步:编制安全要求和行为准则在检查项目制定完成后,需要编制相关的安全要求和行为准则。
这些准则应该与多个方面有关,例如使用特定设备和工具之前的检查、员工使用特定设备和工具时应遵守的安全规则等等。
准则应该明确,详细,简明易懂,并配有对应的图表和图片。
第四步:设计表格设计表格时必须确保表格各个方面的内容清晰明了。
表格中应包含检查项目,安全要求和行为准则等内容,在格式和设计上应根据不同的设备和工具不同而有所变化。
此外,表格还应包含日期和签名栏,使得检查可以有记录和追踪。
第五步:测试和修正完成安全检查表后,需要进行测试和修正。
这个阶段最好由试用人员或测试人员来测试,以确认表格内存在的问题和修正需要进行的修改。
修正后的安全检查表应该可以被更广泛地使用。
第六步:发布和参考最后,在安全检查表的发布前,应该再一次评估所有的检查项目和安全要求,以确保它们与公司或组织的真实情况相符。
同时,发布后,安全检查表应该被保存在一个可以被广泛访问的位置,以及被作为内部培训或参考资料的一部分,以确保员工和管理人员的安全。
安全检查表的编制范文一、目的本安全检查表旨在提供一个全面而系统的安全检查工具,以确保工作场所的安全和员工的健康。
二、适用范围本安全检查表适用于各类工作场所,包括但不限于工厂、仓库、办公室等。
三、概述本安全检查表包括以下几个主要方面的检查内容:消防安全、电气安全、机械设备安全、危险品安全、个人防护装备等。
四、具体内容一、消防安全1. 紧急出口:紧急出口标识是否清晰可见,紧急出口是否畅通无阻。
2. 防火设施:是否配备灭火器,并定期进行检查和维护。
3. 火灾疏散路线:火灾疏散路线是否标识清晰并保持畅通。
4. 应急照明:应急照明是否正常工作,是否能够确保在火灾发生时提供足够的光线。
5. 告警设备:火灾报警器、烟雾探测器等是否安装齐全,并能够正常工作。
二、电气安全1. 电线电缆:电线电缆应铺设整齐,避免负荷过大、老化等问题。
2. 开关插座:开关插座是否定期检查,避免存在漏电、短路等问题。
3. 电气设备:电气设备是否定期检查,防止存在过载、过热等安全隐患。
三、机械设备安全1. 设备操作:员工是否接受过必要的设备操作培训,是否能够正确操作设备。
2. 安全防护措施:设备是否配备必要的安全防护措施,如安全阀、防护网等。
3. 维护保养:设备是否按照规定的维护保养周期进行检修,是否存在漏洞。
四、危险品安全1. 存储位置:危险品的存储位置是否明确标识,是否与易燃易爆品等分隔并采取相应的安全措施。
2. 防火设施:危险品存储区域是否配备灭火器、灭火器箱等防火设施。
3. 操作规程:员工是否接受过危险品操作培训,并严格按照操作规程进行操作。
五、个人防护装备1. 防护用具:员工是否配备必要的个人防护装备,如安全帽、防护眼镜等。
2. 使用情况:个人防护装备是否得到员工的正确使用,并定期检查和更换。
六、检查结果及处理1. 检查结果记录:对每次安全检查的结果进行详细记录,包括发现的问题和隐患。
2. 隐患处理:对于发现的问题和隐患,要及时进行整改,并跟踪处理情况。
仅供参考[整理] 安全管理文书
安全检查表的编制方法及步骤
日期:__________________
单位:__________________
第1 页共3 页
仅供参考[整理]
安全检查表的编制方法及步骤
经验法。
找熟悉被检查对象的人员和具有实践经验的人员,以三结合的方式(工人、工程技术人员、管理人员)组成一个小组。
依据人、物、环境的具体情况,根据以往积累的实践经验以及有关统计数据,按照规程、规章制度等文件的要求,编制安全检查表。
分析法。
根据已编制的事故树的分析、评价结果来编制安全检查表。
通过事故树进行定性分析,求出事故树中的最小割集,按最小割集中基本事件的多少,找出系统中的薄弱环节,以这些薄弱环节作为安全检查的重点对象,编制成安全检查表。
还可以通过对事故树的结构重要度分析、概率重要度分析和临界重要度分析,分别按事故树中基本事件的结构重要度系数、概率重要度系数和临界重要度系数的大小,编制安全检查表。
2.安全检查表的编制步骤
确定被检查对象,组织有关人员;
熟悉被分析的系统;
调查不安全因素;
搜集与系统有关的规范、标准、制度等;
明确规定的安全要求;
根据具体情况和要求确定编制方法,编制安全检查表;
通过反复使用,不断修改、补充完善。
第 2 页共 3 页
仅供参考[整理] 安全管理文书
整理范文,仅供参考!
日期:__________________
单位:__________________
第3 页共3 页。