风机定检文件包
- 格式:doc
- 大小:530.00 KB
- 文档页数:27
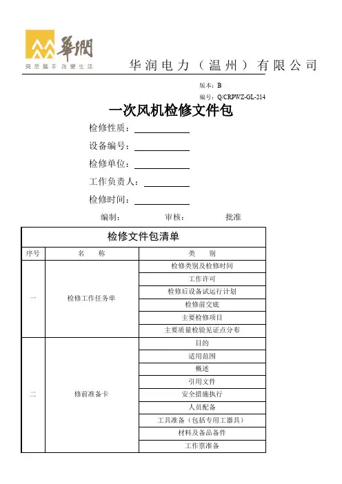
600MW机组检修文件包GHTD-GL-013# 机组引风机设备检修设备编码:设备负责人:检修专业主管:设备检修负责人:检修承包商:计划检修时间:年月日——年月日国华台山发电有限公司200 年月日版次:第2版检修文件包清单页码:3/26 序号类别名称页数一. 检修工作任务单检修计划 4工作许可 4主要检修项目 4修后目标 4质检点分布 5各方签字 5二. 修前准备设备基本参数6-7设备修前状况7人员准备8工具准备8-9材料准备;10备件准备10施工现场准备10三. 检修工序卡检修工序、质量标准、验收级别及签字;11-17四. 检修技术记录卡检修技术记录卡、数据记录质量签证表18-22五. 设备试运记录单试运行程序及措施、参数记录、试运情况记录23六. 完工报告单主要工作内容总结24目标指标完成情况24主要材料备件消耗统计24修后总体评价24确认完成工作24各方签字24七. ☐不符合项通知单附件一(可选)25八. ☐项目调整申请单附件二(可选)26九. ☐文件包修改记录附件三(可选)26版次:第2版一检修工作任务单页码:4/26设备名称# 机组引风机设备代码检修计划设备检修类别□A级检修□B级检修□C级检修□其它计划工作时间年月日至年月日计划工日主要检修项目☐1、拆卸风机大盖--工序1;☐2、解体前检查--工序2;☐3、风机转子的拆卸--工序3;☐4、轴承箱的解体--工序4;☐5、解体后清理检查测量--工序5;☐6、风机的组装--工序6;☐7、半联轴器装配--工序7;☐8、叶轮装配--工序8;☐9、中间轴半联轴器装配--工序9;☐10、联轴器找正(电机校中心) --工序10;☐11、电机轴瓦检修--工序11;☐12、机壳、整流导叶、扩压器、进口挡板检查--工序12;☐13、风机盖大盖--工序13;☐14、其它--工序14;☐15、试运行--工序15;工作许可□需单独办理工作票□该设备所属系统已办票,不需单独办理工作票□电气第一种工作票□电气第二种工作票□电气继保工作票□热机工作票□仪控工作票□工作风险预控票□其它工作许可条件□动火工作票□脚手架□拆除保温□封堵打开□围栏设置□安全网□其它修后目标1、风机在冷热态运行平稳;2、风机振动值小于0.05mm/s;3、轴承箱温度不超过90℃;4、风机本体及油站无渗点。
300MW一次风机A级检修文件包1本指导书涉及的资料和图纸下列文件中的条款通过本标准的引用而成为本标准的条款。
凡是注日期的引用文件,其随后所有的修改单或修订版均不适用于本标准,然而,鼓励根据本标准达成协议的各方研究是否可使用这些文件的最新版本。
凡是不注日期的引用文件,其最新版本适用于本标准。
密封风机设备技术标准2安全措施2.1严格执行《电业安全工作规程》。
2.2电气接线已拆除。
2.3清点所有专用工具齐全,检查合适,试验可靠。
2.4风机检修时严禁损伤设备及其部件。
2.5现场工具柜工具、零部件放置有序,风机拆下的零部件必须妥善保管好并作好记号以便回装。
2.6所带的常用工具、量具应认真清点,绝不许遗落在设备内。
2.7起吊重物前检查起重工具是否符合载荷要求。
2.8当天检修任务结束后一定要将检修所用照明电源断掉。
2.9参加检修的人员必须熟悉本作业指导书,并能熟记熟背本书的检修项目,工艺质量标准等。
2.10参加本检修项目的人员必需安全持证上岗,并熟记本作业指导书的安全技术措施。
2.11开工前召开专题会,对各检修参加人员进行组内分工,并且进行安全、技术交底。
3备品备件准备4现场准备及工具W14.2工作准备□工器具已准备完毕,材料、备品已落实。
□检修地面已经铺设防护胶片,场地已经完善隔离。
□作业文件已组织学习,工作组成员熟悉本作业指导书内容。
W24.3办理相关工作票□已办理工作票及开工手续。
□动火工作票办理完毕。
□检查验证工作票。
□工作人员的着装应符合《安规》要求,衣物中不准携带与工作无关的零星物件,带入的工具应做好记录,工作完须检查工具与记录是否相符。
项目签证程序W31.1联轴器解体检修(此数据根据成都电力机械厂产品说明书)□拆下联轴器保护罩,松下联轴器螺母与柱销。
摆放整齐。
□测量对轮的轴向间隙与径向误差,记录好,并做好回装标记。
两对轮轴向间距3—10mm,轴向、径向误差不大于0.08mm。
□检查对轮与轴的配合是否松动,对轮表面应无裂纹变形。
1X X X X X X XX修前准备页:3/17 设备编码:序 号准备项目名称及具体要求检査 结果项 目 负责 人 签 字人员准备序 号 工种 职称 名额1锅炉辅 机检修工高级 工1人□( ) 2锅炉辅 机检修工中级 工2人□( ) 3 焊 工2人□( ) 4起 重工2人□( )匸器具准备 序 号称规 格单 位 数 量1活扳手12 把 6□( ) 2螺 丝 刀300 mm把 2□( )一般工具注:本页由作业负责人填写,施工单位项H负责人验收,并在开工前逐页检查, 达到要求的在"内打",并标明日期和时间。
"()”内填写检查落实时间。
检修技术记录卡页:11/17 设备编码:质检点工序名称标准值修刖实际值或简图确认人确认人E注:根据需要可另附简图,也可采用其他形式(如试验报告)。
注:此单山施工方提岀申请,主要指山于客观原因无法达到技术标准和无法完全执 行作业标准的项LI 。
空试电机,测量振动:联轴器连接后,试运风机,测量轴承振动及轴承温度。
一、注意事项:1、设备确实已具备试运条件。
2、试运行时,设备启动时检修及运行人员必须到现场,待设备运行稳定后,交由运行人员定期检查检测。
试 运 行 范 及 注 意 事 项试运行情况:空试电机,测量振动;联轴器连接后,试运风机,测量轴承振动及轴承温度。
试运行:二、试运行前运行人员检查确认情况(确认打V):1、相关工作票已全部收回,设备均已送电。
()2、启动前的检查工作已结束,检查均合格,无影响设备启动和运行的缺陷。
()3、人员已全部撤离到安全场所。
()三、空试电机:电机运行方向是否与风机运行方向一致:_________ ;电流:___________ ;电机振动值:__________________________________ ,是否合格: ______ 。
试运行结果: □合格□不合格□让步需要改进的标准(包括丄时和消耗修理)(注:文档可能无法思考全面,请浏览后下载,供参考。
检修程序---维护记录
xx 风电
xx风机
定检工作文件包
版次:A
年月前检修使用有效
设备检修前状况
检修情况说明
设备检修异常情况描
述
检修专工意见
检修异常报告单
签名:
运行专工意见
签名:
报告人
报告人签名日期
班组
检修专工
检修异常报告关闭单
XX风机
定检工作文件包
版次:A
年月前检修使用有效
设备检修异常
处理措施
设备修后健康
状况分析
设备检修异常处理措施是否得当:是口,否口。
设备检修异常处理是否得当:是口,否口。
关闭人签名日期
检修班组
关闭人
设备检修质量后评估
xx 风电
XX 风机 定检工作文件包
版次:A
年 月前检修使用有效。
600MW机组检修文件包GL-049 气化风机大修检修单位负责人检修工作负责人检修单位技术负责人检修时间:年月日至年月日600MW 机组检修程序GL-049气化风机检修编制审核批准年月日版次1********辅助设备修后再鉴定申请表设备再鉴定组:今有所属工作负责人检修的设备已完成程序文件的要求的检修任务,设备已恢复至可以投入运行状态,文明生产工作已经做好,检修程序文件已填写齐全,可以进行修后再鉴定工作,请安排于进行再鉴定,我方设备检修工作负责人和质量控制人员将准时到达再鉴定现场。
请答复。
谢谢!检修单位:。
再鉴定组收到时间:,接收人:再鉴定组答复时间:,批准人:********辅助设备修后再鉴定申请表设备再鉴定组:今有所属工作负责人检修的设备已完成程序文件的要求的检修任务,设备已恢复至可以投入运行状态,文明生产工作已经做好,检修程序文件已填写齐全,可以进行修后再鉴定工作,请安排于进行再鉴定,我方设备检修工作负责人和质量控制人员将准时到达再鉴定现场。
请答复。
谢谢!检修单位:。
再鉴定组收到时间:,接收人:再鉴定组答复时间:,批准人:检修总结报告单位年月日,1检修工期:计划:年月日到年月日,共计:天实际:年月日到年月日,共计:天2人工:计划:工时,实际:工时。
3检修费用:计划:万元,实际:万元。
4备品备件、材料消耗情况:5检修中进行的主要工作:6检修中发现并消除的主要缺陷:7设备的变更或改进情况,8质量控制点执行情况:9尚未消除的缺陷及未消除原因:10验收意见和评价:11其他:不合格品报告处置单不合格品评审记录。