建筑工程质量验收标准及表格
- 格式:docx
- 大小:60.15 KB
- 文档页数:15
1 总则1.0.1 为了加强建筑工程质量管理,统一建筑工程施工质量的验收,保证工程质量,制定本标准。
1.0.2 本标准适用于建筑工程施工质量的验收,并作为建筑工程各专业验收规范编制的统一准则。
1.0.3 建筑工程施工质量验收,除应符合本标准外,尚应符合国家现行有关标准的规定。
2 术语2.0.1 建筑工程通过对各类房屋建筑物和附属构筑物设施的建造和与其配套线路、管道、设备等的安装所形成的工程实体。
2.0.2 检验对被检验项目的特征、性能进行量测、检查、试验等,并将结果与标准规定的要求进行比较,以确定项目每项性能是否合格的活动。
2.0.3 进场验收对进入施工现场的建筑材料、构配件、设备及器具,按相关标准的要求进行检验,并对其质量、规格及型号等是否符合要求做出确认的活动。
2.0.4 见证检测施工单位在工程监理单位或建设单位的见证下,按照有关规定从施工现场随机取样试样,并送至具备相应资质的检测机构进行检测的活动。
2.0.5 复验建筑材料、设备等进入施工现场后,在外观质量检查和质量证明文件核查符合要求的基础上,按照有关规定从施工现场抽取试样送至试验室进行检验的活动。
2.0.6 检验批按相同的生产条件或按规定的方式汇总起来供抽样检验用的,由一定数量样本组成的检验体。
2.0.7 验收建筑工程质量在施工单位自行检查合格的基础上,由工程质量验收责任方组织,工程建设相关单位参加,对检验批、分项、分部、单位工程及其隐蔽工程的质量进行抽样检验,对技术文件进行审核,并根据设计文件和相关标准以书面形式对工程质量是否达到合格作出确认。
2.0.8 主控项目建筑工程中的对安全、节能、环境保护和主要使用功能起决定性作用的检验项目。
2.0.9 一般项目除主控项目以外的检验项目。
2.0.10 抽样方案根据检验项目的特性所确定的抽样数量和方法。
2.0.11 计数检验通过确定抽样样本中不合格的个体数量,对样本总体质量做出判定的检验方法。
2.0.12 计量检验以抽样样本的监测数据计算总体均值、特征值或推定值,并以此判断或评估总体质量的检验方法。
建筑工程施工质量验收表格填写要求与范例说明:建筑工程执行的验收标准是《建筑工程施工质量验收统一标准》GB50300-2001,各省区根据此标准都制订了相应的建筑工程施工质量验收实施细则,俗称地方标准, 这些地方标准都是以国标为基础,彼此间大同小异,在实施过程中要注意区域转换,尤其在检验批的的内容上。
辽宁地区执行《辽宁省建筑工程施工资料表格填写范例》。
本文在检验批的项目上既给出了国家标准检验批表格填写范例,也给出了辽宁省地方标准检验批填写范例。
一、施工现场质量管理检查记录表本表是《建筑工程施工质量验收统一标准》GB50300-2001中第3.0.1条“施工现场质量管理应有相应的施工技术标准、健全的质量管理体系、施工质量检验制度和综合施工质量水平评定考核制度”在施工现场具体的体现,它是保证工程开工后施工顺利和保证工程质量的基础。
通常情况下一个标段或一个单位(子单位)工程检查一次,如果后续参建单位较多或人员频繁更换或管理不到位,也可多次检查,由监理或建设单位视工程的具体情况而定。
本表应在工程开工之前,由施工单位的项目经理和项目技术负责人根据本工程的特点以及表中所列相关内容的规定,由施工单位项目技术负责人组织填写相关的内容。
其内容不得填写“有、无”或“符合要求”等空洞无物的笼统内容,而应填写其相关制度的具体内容。
如“现场质量管理制度”栏,其内容应填写“技术交底制度、质量例会制度、质量检查评定制度”等等。
如果资料较多时,可以将有关资料进行编号,只需将编号填写上,注明份数。
同时提交相关的技术资料以及管理制度等文件的原件或复印件以备查。
监理单位的总监理工程师或建设单位的项目负责人应根据施工现场的具体情况逐项进行核查,认为其相关内容较为完整齐全,应在“检查结论”栏填写“通过上述项目的检查,项目部施工现场质量管理制度明确到位,质量责任制措施得力,主要专业工种操作上岗证书齐全,施工组织设计、主要施工方案逐级审批,现场工程质量检验制度制定齐全,现场材料、设备存放按施工组织设计平面图布置,有材料、设备管理制度。
建筑工程施工质量验收规范检验批填写全套表格(全国通用版)第一章建筑工程施工质量验收规范检验批检查用表填写说明建设部颁布的新版《建筑工程施工质量验收规范》定于2003年1月1日起执行。
为确保新版规范在我省全面贯彻实施,便于实际操作,根据新版规范的条文和建设部有关规定,我站组织专家编制了“建筑工程施工质量验收检验批检查用表汇编”。
它是与《建筑工程施工质量验收规范》配套使用的全省统一格式。
工程建设各方主体在施工质量验收过程中都应严格遵照执行。
填写检查用表时,除应符合省建设厅《关于执行建筑工程施工质量验收规范有关事项的通知》(浙建发[2002]193号)文件的规定外,尚应符合以下要求:1、当合同约定采用的企业标准规定的检查内容多于国家规范规定的检查内容时,应按企业标准的规定补充检查内容,并按此检查验收;2、当合同约定采用的企业标准规定的质量要求高于国家规范的规定时,应按企业标准的规定修改检查表内相应的质量要求指标,并按此检查验收;3、当检查表中某一检查项目的质量要求指标写明按“设计要求”时,应按本工程施工图设计文件的规定,明确填写本工程设计规定的具体的质量要求,并按此检查验收;4、当检查表中某一检查项目有多种检查内容时(仅限定量检查项目),应按相关专业规范或合同约定采用的企业标准规定的检查内容进行检查并另行形成“检查记录表”作为本表的附件。
填写本表时,按所附“检查记录表”中的合格检查结果,在本表相应栏目内填写“符合要求”或“抽样检验合格”等合适的结论性肯定用词;5、当同一检查表内的检查项目不能(或不应)在某一时间一次性检查验收时,施工、监理(建设)单位应按实际情况在过程前、过程中进行检查、控制、验收,并填写相应的检查(验收)栏目,但“验收结论”应在表列检查内容全部检查并填写完整后填写,日期以填写“验收结论”的日期为准;6、当检查表所列某一检查项目的检查(验收)记录栏分为10个小格时,并不表示只需抽查10个点,现场实际抽查点数应按施工组织设计中划分的检验批大小和相关专业规范(企业标准)或本表说明中规定的抽样方案(检查数量)确定的点数抽查。
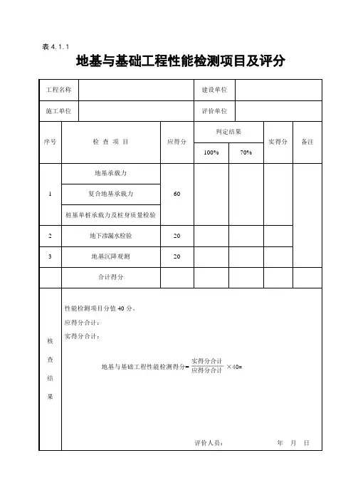
表4.1.1地基与基础工程性能检测项目及评分表4.2.1地基与基础工程质量记录项目及评分表4.3.1地基及基础工程允许偏差项目及评分表4.4.1地基与基础工程观感质量项目及评分表5.1.1混凝土结构工程性能检测项目及评分表5.1.3混凝土结构工程质量记录项目及评分表5.1.5混凝土结构工程允许偏差项目及评分表5.1.7混凝土结构工程观感质量项目及评分表5.2.1钢结构工程性能检测项目及评分表5.2.3钢结构工程质量记录项目及评分表5.2.5钢结构工程允许偏差项目及评分表5.2.7钢结构工程观感质量项目及评分表5.3.1砌体结构工程性能检测项目及评分表5.3.3砌体结构工程质量记录项目及评分表5.3.5砌体结构工程允许偏差项目及评分表5.3.7砌体结构工程观感质量项目及评分屋面工程性能检测项目及评分屋面工程质量记录项目及评分表6.3.1屋面工程允许偏差项目及评分屋面工程观感质量项目及评分表7.1.1装饰装修工程性能检测项目及评分表7.2.1装饰装修工程质量记录项目及评分表7.3.1装饰装修工程允许偏差项目及评分表7.4.1装饰装修工程观感质量项目及评分表8.1.1给水排水及供暖工程性能检测项目及评分表8.1.3给水排水及供暖工程质量记录项目及评分表8.1.5给水排水及供暖工程允许偏差项目及评分表8.1.7给水排水及供暖工程观感质量项目及评分表8.2.1电气工程性能检测项目及评分表8.2.3电气工程质量记录评分表表8.2.5电气工程允许偏差项目及评分表8.2.7电气工程观感质量项目及评分通风与空调工程性能检测项目及评分通风与空调工程质量记录项目及评分通风与空调工程允许偏差项目及评分通风与空调工程观感质量项目及评分电梯安装工程性能检测项目及评分电梯工程质量记录项目及评分表8.4.5电梯工程允许偏差项目及评分表8.4.7电梯工程观感质量项目及评分表8.5.1智能建筑工程性能检测项目及评分表8.5.3智能建筑工程质量记录项目及评分表8.5.5智能建筑工程允许偏差项目及评分智能建筑工程观感质量项目及评分燃气工程性能检测项目及评分表8.6.3燃气工程质量记录项目及评分表8.6.5燃气工程允许偏差项目及评分燃气工程观感质量项目及评分建筑节能工程性能检测项目及评分表9.2.1建筑技能工程质量记录项目及评分。
《建筑工程施工质量验收统一标准》GB50300-2013统一表格Word版本附录A施工现场质量管理检查记录施工现场质量管理检查记录应由施工单位按表填写,总监理工程师进行检查,并做出检查结论。
表施工现场质量管理检查记录开工日期:附录B建筑工程的分部工程、分项工程划分附录C室外工程的划分附录D—般项目止常检验一次、二次抽样判定D.对于计数抽样的一般项目,正常检验一次抽样可按表D.判定,正常检验二次抽样可按表D.判定,抽样方案应在抽样前确定。
D.样本容量在表D•或表D•给出的数值之间时,合格判定数可通过插值并四舍五入取整确定。
表一般项目正常检验一次抽样判定表一般项目正常检验二次抽样判定表注:单位工程验收时,验收签字人员应由相应单单位工程质量竣工验收记录位的法人代表书面授权。
表单位工程质量控制资料核查记录施工单位序项资料名称份数施工单位监理单位号目核查意见核查人核查意见核查人1图纸会审记录、设计变更通知单、工程洽商记录2工程定位测量、放线记录3原材料出厂合格证书及进场检验、试验报告4施工试验报告及见证检测报告5建筑与结构隐蔽工程验收记录6施工记录7地基、基础、主体结构检验及抽样检测资料8分项、分部工程质量验收记录9工程质量事故调查处理资料10新技术论证、备案及施工记录1图纸会审记录、设计变更通知单、工程洽商记录2原材料出厂合格证书及进场检验、试验报告3管道、设备强度试验、严密性试验记录4隐蔽工程验收记录5系统清洗、灌水、通水、通球试验记录6施工记录7分项、分部工程质量验收记录8新技术论证、备案及施工记录工程名称续表续表施工单位序号项目 称名料资份数位单理监见意査核人查核见意査核人查核会程纸工图、n □合告检□□ 4智能律 □ L录□ 建筑 、术技统□3 告m□□ 会程纸工图、□合告检□建□2 筑节能3告外告艮扌测检匕匕厶冃节统备设□□ U□□□工程名称主要功能抽查记录续表表单位工程观感质量检查记录续表2、观感质量现场检查原始记录应作为本表附表。
建筑工程验收表格一、建筑外观及结构完整性1. 建筑外观:检查建筑外观是否整洁、美观,有无损坏、变形、裂缝等现象。
2. 结构完整性:检查建筑结构是否稳固、安全,有无结构变形、裂缝、下沉等现象。
二、基础及地下设施1. 基础:检查基础是否稳固、无下沉现象,基础钢筋、混凝土等材料是否符合设计要求。
2. 地下设施:检查地下设施如排水管道、消防设施等是否畅通、完好,无堵塞、破损现象。
三、室内环境质量1. 室内空气质量:检查室内空气质量是否符合国家标准,无异味、无污染。
2. 室内温湿度:检查室内温湿度是否适宜,无过冷、过热现象。
3. 室内照明:检查室内照明设施是否完好,光线充足,无损坏现象。
四、给排水系统1. 给水系统:检查给水管道是否畅通,无漏水现象,水压是否稳定。
2. 排水系统:检查排水管道是否畅通,无堵塞现象,排水设施是否完好。
五、供暖、通风和空调系统1. 供暖系统:检查供暖设备是否正常工作,温度是否适宜,无漏水、漏气现象。
2. 通风系统:检查通风设备是否正常工作,通风效果是否良好。
3. 空调系统:检查空调设备是否正常工作,制冷、制热效果是否良好。
六、电气系统1. 电源及插座:检查电源及插座是否正常工作,电压稳定,无异常现象。
2. 照明及应急照明:检查照明及应急照明设施是否完好,光线充足。
3. 防雷及接地:检查防雷及接地设施是否完好,接地电阻符合要求。
七、消防系统1. 消防设施:检查消防设施如灭火器、喷淋系统等是否完好,消防通道畅通无阻。
2. 报警系统:检查火灾报警系统是否正常工作,无误报现象。
3. 安全出口:检查安全出口是否畅通无阻,指示标识清晰可见。
八、电梯和自动扶梯1. 电梯:检查电梯设备是否正常工作,运行平稳无异响。
2. 自动扶梯:检查自动扶梯设备是否正常工作,运行平稳无卡顿现象。
九、智能建筑系统1. 网络系统:检查网络系统是否稳定可靠,无断网现象。
2. 安全防范系统:检查安全防范系统如监控摄像头、门禁系统等是否正常工作。
建筑工程质量验收标准及表格一、基本规定1.施工现场质量管理应有相应的施工技术标准,健全的质量管理体系、施工质量检验制度和综合施工质量水平评定考核制度。
施工现场质量管理可按表1的要求进行检查记录.施工现场质量管理检查记录开工日期:表 1检查结论:总监理工程师(建设单位项目负责人)年月日2.建筑工程应按下列规定进行施工质量控制(1)建筑工程采用的主要材料、半成品、成品、建筑构配件、器具和设备应进行现场验收。
凡涉及安全、功能的有关产品,应按各专业工程质量验收规范规定进行复检,并应经监理工程师(建设单位技术负责人)检查认可。
(2)各工序应按施工技术标准进行质量控制,每道工序完成后,应进行检查.(3)相关各专业工种之间,应进行交接检验,并形成记录.未经监理工程师(建设单位技术负责人)检查认可,不得进行下道工序施工.3.建筑工程施工质量应按下列要求进行验收:(1)建筑工程施工质量应符合建筑工程施工质量验收统一标准和相关专业验收规范的规定.(2)建筑工程施工质量应符合工程勘察、设计文件的要求。
(3)参加工程施工质量验收的各方人员应具备规定的资格。
(4)工程质量的验收均应在施工单位自行检查评定的基础上进行。
(5)隐蔽工程在隐蔽前应由施工单位通知有关单位进行验收,并应形成验收文件.(6)涉及结构安全的试块、试件以及有关材料,应按规定进行见证取样检测。
(7)检验批的质量应按主控项目和一般项目验收.(8)对涉及结构安全和使用功能的重要分部工程应进行抽样检测.(9)承担见证取样检测及有关结构安全检测的单位应具有相应资质。
(10)工程的观感质量应由验收人员通过现场检查,并应共同确认。
4。
检验批的质量检验,应根据检验项目的特点在下列抽样方案中进行选择:(1)计量、计数或计量-计数等抽样方案。
(2)一次、二次或多次抽样方案.(3)根据生产连续性和生产控制稳定性情况,尚可采用调整型抽样方案.(4)对重要的检验项目当可采用简易快速的检验方法时,可选用全数检验方案。
建筑施工质量检查标准混凝土工程质量检查记录表(模板拆除后)56注:1、基础、地下室底层、地上首层、标准层第一层、顶层砼模板拆除后完成本表检查,检查部位不少于该层工作面的30%;2、表中未列出项在其他栏说明。
基础钢筋质量检查验收记录表56注:1、表中未列出项在其他问题栏说明,凡表中资料类“有□”“是□”的均须提供附件资料以便验证。
2、基础钢筋绑扎完成浇筑砼前,进行本表内容检查。
梁板钢筋质量检查验收记录表56注:1、表中未列出项在其他问题栏说明,凡表中资料类“有□”“是□”的均须提供附件资料以便验证。
2、地下室底层、地上首层、标准层第一层、顶层梁板钢筋绑扎完成,浇混凝土前进行本表内容检查。
基础模板质量检查验收记录表56注:1、表中未列出项在其他问题栏说明,凡表中资料类“有□”“是□”的均须提供附件资料以便验证。
2、基础模板完成,砼浇筑前进行本表内容检查。
56楼层模板质量检查验收记录表56注:1、表中未列出项在其他问题栏说明,凡表中资料类“有□”“是□”的均须提供附件资料以便验证。
2、地下室底层、地上首层、标准层第一层、顶层模板支设完成浇筑砼前,进行本表内容检查。
56砖砌体工程质量检查验收记录表(多层)56注:1、表中未列出项在其他栏说明,凡表中资料类“有□”“是□”的均须提供附件资料以便验证。
2、检查节点:一层砌体样板完成,三层、五层墙体砌筑完成一个单元后各检查一次;每次抽检一户,所有房间全检;每标段抽检楼栋不少于30%。
抹灰工程质量检查验收记录表(抹灰层作业前)56注:1、表中未列出项在其他栏说明,凡表中资料类“有□”“无□”的均须提供附件资料以便验证。
2、粉刷样板作业前完成本表第一次检查,以后对每栋多层大面积施工前、四层抹灰作业前至少抽查一户;对每栋高层建筑大面积施工前抽查一次,以后需保证每栋楼至少再抽查三次,每次一户。
抹灰工程质量检查验收记录表(抹灰层作业后)56抽查一户;对每栋高层建筑在大面积施工后在不同楼层至少再抽查三次,每次一户。
附录A 施工现场质量管理检查记录
A.0.1施工现场质量管理检查记录应由施工单位按表A.0.1填写,总监理工程师进行检查,并做出检查结论。
表A.0.1 施工现场质量管理检查记录开工日期:
附录B 建筑工程分部(子分部)工程、分项工程划分B.0.1 建筑工程的分部(子分部)工程、分项工程可按表B.0.1划分。
表B.0.1 建筑工程分部工程、分项工程划分
附录C 室外工程的单位工程、分部工程划分C.0.1室外工程的单位工程、分部工程可按表C.0.1划分。
E.0.1 检验批质量验收记录应由施工项目专业质量检查员填写,专业监理工程师组织项目专业质量检查员、专业工长等进行验收,并按表E.0.1记录。
表E.0.1 检验批质量验收记录
表F.0.1 分项工程质量验收记录
附录 G 子分部工程质量验收记录表
表 G 分部工程质量验收记录编号:
注:1、地基与基础分部工程的验收应由施工、勘察、设计单位项目负责人和总监理工程师参加并签字。
2、主体结构、节能分部工程的验收应由施工、设计单位项目负责人和总监理工程师参加并签字。
附录H 单位(子单位)工程质量竣工验收记录结论经参加验收各方共同商定,由建设单位填写,应对工程质量是否符合设计文件和相关标准的规定及总体质量水平做出评价。
表H.0.1-1 单位(子单位)工程质量竣工验收记录
注:单位工程验收时,验收签字人员应由相应单位的法人代表书面授权。
注:1。
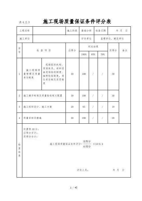
表4.2.3施工现场质量保证条件评分表表5.1.3地基及桩基工程性能检测评分表表5.2.3地基及桩基工程质量记录评分表表5.3.3地基及桩基工程尺寸偏差及限值实测评分表表5.4.3地基及桩基工程观感质量评分表表6.1.3结构工程性能检测评分表表6.2.3结构工程质量记录评分表结构工程质量记录评分续表6.2.3表6.3.3 结构工程尺寸偏差及限值实测评分表表6.4.3结构工程观感质量评分表表7.1.3屋面工程性能检测评分表表7.2.3屋面工程质量记录评分表表7.3.3屋面工程尺寸偏差及限值实测评分表表7.4.3屋面工程观感质量评分表表8.1.3装饰装修工程性能检测评分表表8.2.3 装饰装修工程质量记录评分表表8.3.3装饰装修工程尺寸偏差及限值实测评分表表8.4.3装饰装修工程观感质量评分表安装工程实际工作量分配表表9.1.3 建筑给水排水及采暖工程性能检测评分表表9.1.6建筑给排水及采暖工程质量记录评分表表9.1.9建筑给水排水及采暖工程尺寸偏差及限值实测评分表表9.1.12 建筑给水排水及采暖工程观感质量评分表表9.2.3建筑电气安装工程性能检测评分表表9.2.6 建筑电气安装工程质量记录评分表表9.2.9建筑电气安装工程尺寸偏差及限值实测评分表表9.2.12 建筑电气安装工程观感质量评分表表9.3.3通风与空调工程性能检测评分表表9.3.6通风与空调工程质量记录评分表表9.3.9通风与空调工程尺寸偏差及限值实测评分表表9.3.12通风与空调工程观感质量评分表表9.4.3电梯安装工程性能检测评分表表9.4.6电梯安装工程质量记录评分表表9.4.9电梯安装工程尺寸偏差及限值实测评分表表9.4.12电梯安装工程观感质量评分表表9.5.3智能建筑工程性能检测评分表表9.5.6智能建筑工程质量记录评分表表9.5.9智能建筑工程尺寸偏差及限值实测评分表表9.5.12智能建筑工程观感质量评分表表10.1.5工程结构质量综合评价表表10.2.5单位工程质量综合评价表表10.3.1单位工程质量各项目评价得分汇总表工程施工现场质量管理及质量责任制度审查表表3-1工程主要工序明细表表3-2地基及桩基工程性能检测评分表表4-17。
施工现场质量管理检查记录甘肃省工程质量监督总站编制001分项工程质量验收记录表E.0.1甘肃省工程质量监督总站编制(版权所有不准翻印)002分部(子分部)工程验收记录甘肃省工程质量监督总站编制(版权所有不准翻印)003单位(子单位)工程质量竣工验收记录表G.0.1—1甘肃省工程质量监督总站编制004单位(子单位)工程质量控制资料核查记录表G.0.1— 2 共2页甘肃省工程质量监督总站编制(版权所有不准翻印)005-1甘肃省工程质量监督总站编制(版权所有不准翻印)005-2单位(子单位)工程安全和功能检验资料核查及主要功能抽查记录表G.0.1—3甘肃省工程质量监督总站编制(版权所有不准翻印)006单位(子单位)工程观感质量检查记录注:质量评价为差的项目,应进行返修。
甘肃省工程质量监督总站编制007土方开挖工程检验批质量验收记录表GB50202—2002甘肃省工程质量监督总站编制(版权所有不准翻印)008土方回填工程检验批质量验收记录表GB50202—2002010102□□甘肃省工程质量监督总站编制(版权所有不准翻印)009排桩墙支护工程检验批质量验收记录表(重复使用钢板桩)GB50202—2002(Ⅰ)甘肃省工程质量监督总站编制(版权所有不准翻印)010排桩墙支护工程检验批质量验收记录表(混凝土板桩)GB50202——2002(Ⅱ)甘肃省工程质量监督总站编制(版权所有不准翻印)011降水与排水工程检验批质量验收记录表GB50202—2002甘肃省工程质量监督总站编制(版权所有不准翻印)012地下连续墙工程检验批质量验收记录表GB50202—2002甘肃省工程质量监督总站编制013锚杆及土钉墙支护工程检验批质量验收记录表GB50202—2002甘肃省工程质量监督总站编制014沉井与沉箱工程检验批质量验收记录表GB50202—2002甘肃省工程质量监督总站编制015灰土地基工程检验批质量验收记录表GB50202—2002甘肃省工程质量监督总站编制016砂和砂石地基工程检验批质量验收记录表GB50202—2002甘肃省工程质量监督总站编制017粉煤灰地基工程检验批质量验收记录表GB50202——2002010304□□甘肃省工程质量监督总站编制(版权所有不准翻印)018强夯地基工程检验批质量验收记录表GB50202—2002甘肃省工程质量监督总站编制019振冲地基工程检验批质量验收记录表GB50202-2002010306□□甘肃省工程质量监督总站编制020砂桩地基工程检验批质量验收记录表GB50202—2002甘肃省工程质量监督总站编制021高压喷射注浆地基工程检验批质量验收记录表GB50202-2002甘肃省工程质量监督总站编制022土和灰土挤密桩复合地基工程检验批质量验收记录表GB50202—2002甘肃省工程质量监督总站编制023混凝土预制桩(钢筋骨架)工程检验批质量验收记录表GB50202——2002(Ⅰ)甘肃省工程质量监督总站编制(版权所有不准翻印)024混凝土预制桩工程检验批质量验收记录表GB50202—2002(共2页)(Ⅱ)010403甘肃省工程质量监督总站编制025-1续表甘肃省工程质量监督总站编制025-2混凝土灌注桩(钢筋笼)工程检验批质量验收记录表GB50202—2002(Ⅰ)甘肃省工程质量监督总站编制026混凝土灌注桩工程检验批质量验收记录表GB50202—2002(Ⅱ)甘肃省工程质量监督总站编制(版权所有不准翻印)027防水混凝土工程检验批质量验收记录表GB50208—2002甘肃省工程质量监督总站编制028水泥砂浆防水层工程检验批质量验收记录表GB50208—2002甘肃省工程质量监督总站编制029卷材防水层工程检验批质量验收记录表GB50208—2002甘肃省工程质量监督总站编制030涂料防水层工程检验批质量验收记录表GB50208—2002甘肃省工程质量监督总站编制031细部构造检验批质量验收记录表GB50208—2002甘肃省工程质量监督总站编制032锚喷支护工程检验批质量验收记录表GB50208-2002010508□□甘肃省工程质量监督总站编制033复合式衬砌工程检验批质量验收记录表GB50208—2002甘肃省工程质量监督总站编制(版权所有不准翻印)034渗排水、盲沟排水工程检验批质量验收记录表GB50208—2002甘肃省工程质量监督总站编制(版权所有不准翻印)035隧道、坑道排水工程检验批质量验收记录表GB50208—2002甘肃省工程质量监督总站编制036预注浆、后注浆工程检验批质量验收记录表GB50208—2002甘肃省工程质量监督总站编制037衬砌裂缝注浆工程检验批质量验收记录表GB50208—2002甘肃省工程质量监督总站编制038模板安装工程检验批质量验收记录表GB50204—2002(共2页)(Ⅰ)甘肃省工程质量监督总站编制(版权所有不准翻印)039-1甘肃省工程质量监督总站编制(版权所有不准翻印)039-2预制构件模板工程检验批质量验收记录表GB50204—2002(共2页)(Ⅱ)020101□□甘肃省工程质量监督总站编制040-1续表注:L为构件长度(mm)甘肃省工程质量监督总站编制040-2模板拆除工程检验批质量验收记录表GB50204—2002(Ⅲ)。
表B.0.1 设备材料进场检验记录表B.0.2 隐蔽工程(随工检查)验收记录表 B.0.3 安装质量及观感质量验收记录表B.0.4 自检记录表B.0.5 分项工程质量验收记录表 B.0.6 试运行记录表 C.0.1 分项工程检测记录表C.0.2 智能化集成系统子分部工程检测记录表C.0.3 用户电话交换系统子分部工程检测记录表C.0.6 有线电视及卫星电视接收系统子分部工程检测记录表 C.0.7 公共广播系统子分部工程检测记录表 C.0.8 会议系统子分部工程检测记录表C.0.9 信息导引及发布系统子分部工程检测记录表C.0.10 时钟系统子分部工程检测记录表C.0.11 信息化应用系统子分部工程检测记录表C.0.12 建筑设备监控系统子分部工程检测记录表C.0.13 安全技术防范系统子分部工程检测记录表C.0.14 应急响应系统子分部工程检测记录表C.0.17 分部工程检测汇总记录表D.0.1______________分部(子分部)工程质量验收记录表D.0.2 工程验收资料审查记录表D.0.3 验收结论汇总记录资料目录1、开工资料及附属资料页2、施工资料及现场质量检验评定表页3盖板涵资料页4、验收资料(单位、分部、分项工程评定)页年月日工程交工验收证书工程名称:工程地址:年月日工程交工验收证书交工验收时间:合同段交工验收证书第号注:表中内容较多时,可用附件工程交工验收报告工程名称:工程地址:年月日工程交工验收报告()开工报告书年月日工程开工报告段项目部文件号关于段工程项目部主要成员名单的报告项目负责人项目经理技术负责人施工员资料员质安员材料员驾驶员年月日工程人员进场报验单承包单位:合同号:监理单位:编号:工程机械进场报验单承包单位:合同号:监理单位:编号:建筑材料进场报验单承包单位:合同号:监理单位:编号:施工放样报验单承包单位:合同号:监理单位:编号:工程分项开工申请批复单承包单位:合同号:监理单位:编号:检验申请批复单承包单位:合同号:监理单位:编号:中间计量表承包单位:合同号:监理单位:·编号:日期:日期:地基验槽(坑)记录承包单位:合同号:监理单位:编号:。
建筑工程质量验收标准及表格Corporation standardization office #QS8QHH-HHGX8Q8-GNHHJ8建筑工程质量验收标准及表格一、基本规定1.施工现场质量管理应有相应的施工技术标准,健全的质量管理体系、施工质量检验制度和综合施工质量水平评定考核制度。
施工现场质量管理可按表1的要求进行检查记录。
施工现场质量管理检查记录开工日期:表 1检查结论:总监理工程师(建设单位项目负责人) 年月日2.建筑工程应按下列规定进行施工质量控制(1)建筑工程采用的主要材料、半成品、成品、建筑构配件、器具和设备应进行现场验收。
凡涉及安全、功能的有关产品,应按各专业工程质量验收规范规定进行复检,并应经监理工程师(建设单位技术负责人)检查认可。
(2)各工序应按施工技术标准进行质量控制,每道工序完成后,应进行检查。
(3)相关各专业工种之间,应进行交接检验,并形成记录。
未经监理工程师(建设单位技术负责人)检查认可,不得进行下道工序施工。
3.建筑工程施工质量应按下列要求进行验收:(1)建筑工程施工质量应符合建筑工程施工质量验收统一标准和相关专业验收规范的规定。
(2)建筑工程施工质量应符合工程勘察、设计文件的要求。
(3)参加工程施工质量验收的各方人员应具备规定的资格。
(4)工程质量的验收均应在施工单位自行检查评定的基础上进行。
(5)隐蔽工程在隐蔽前应由施工单位通知有关单位进行验收,并应形成验收文件。
(6)涉及结构安全的试块、试件以及有关材料,应按规定进行见证取样检测。
(7)检验批的质量应按主控项目和一般项目验收。
(8)对涉及结构安全和使用功能的重要分部工程应进行抽样检测。
(9)承担见证取样检测及有关结构安全检测的单位应具有相应资质。
(10)工程的观感质量应由验收人员通过现场检查,并应共同确认。
4.检验批的质量检验,应根据检验项目的特点在下列抽样方案中进行选择:(1)计量、计数或计量-计数等抽样方案。
(2)一次、二次或多次抽样方案。
(3)根据生产连续性和生产控制稳定性情况,尚可采用调整型抽样方案。
(4)对重要的检验项目当可采用简易快速的检验方法时,可选用全数检验方案。
(5)经实践检验有效的抽样方案。
5.在制定检验批的抽样方案时,对生产方风险(或错判概率α)和使用方风险(或漏判概率β)可按下列规定采取:(1)主控项目:对应于合格质量水平的α和卢均不宜超过5%。
(2)一般项目:对应于合格质量水平的α不宜超过5%,β不宜超过10%。
二、建筑工程质量验收的划分建筑工程质量验收应划分为单位(子单位)工程、分部(子分部)工程、分项工程和检验批的质量验收。
1.单位工程的划分(1)具备独立施工条件并能形成独立使用功能的建筑物及构筑物为一个单位工程。
(2)建筑规模较大的单位工程,可将其能形成独立使用功能的部分划分为一个子单位工程。
2.分部工程的划分(1)分部工程的划分应按专业性质、建筑部位确定。
如建筑工程可划分为九个分部工程:地基与基础、主体结构、建筑装饰装修、建筑屋面、建筑给排水及采暖、建筑电气、智能建筑、通风与空调和电梯等分部工程。
(2)当分部工程规模较大或较复杂时,可按材料种类、施工特点、施工顺序、专业系统及类别等划分为若干个子分部工程。
如地基与基础分部工程可分为:无支护土方、有支护土方、地基及基础处理、桩基、地下防水、混凝土基础、砌体基础、劲钢(管)混凝土和钢结构等子分部工程。
3.分项工程的划分分项工程应按主要工种、材料、施工工艺、设备类别等进行划分。
如无支护土方子分部工程可分为土方开挖和土方回填等分项工程。
建筑工程分部(子分部)、分项工程如表2所列。
建筑工程分部、分项工程划分表 2续表续表续表4.检验批的划分所谓检验批是指按同一生产条件或按规定的方式汇总起来的供检验用的、由一定数量样本组成的检验体。
检验批由于其质量基本均匀一致因此可以作为检验的基础单位。
分项工程可由一个或若干个检验批组成,检验批可根据施工及质量控制和专业验收需要按楼层、施工段、变形缝等进行划分。
分项工程划分成检验批进行验收有助于及时纠正施工中出现的质量问题,确保工程质量,也符合施工的实际需要。
检验批的划分原则是:(1)多层及高层建筑工程中主体部分的分项工程可按楼层或施工段划分检验批,单层建筑工程中的分项工程可按变形缝等划分检验批;(2)地基基础分部工程中的分项工程一般划分为一个检验批,有地下层的基础工程可按不同地下层划分检验批;(3)屋面分部工程的分项工程中的不同楼层屋面可划分为不同的检验批;(4)其他分部工程中的分项工程,一般按楼层划分检验批;(5)对于工程量较少的分项工程可统一划分为一个检验批;(6)安装工程一般按一个设计系统或设备组别划分为一个检验批;(7)室外工程统一划分为一个检验批;(8)散水、台阶、明沟等含在地面检验批中。
5.室外工程可根据专业类别和工程规模划分单位(子单位)工程。
室外单位(子单位)工程、分部工程见表2所列。
室外单位工程划分表 2三、建筑工程质量验收标准1.检验批质量合格规定(1)主控项目和一般项目的质量经抽样检验合格。
(2)具有完整的施工操作依据、质量检查记录所谓主控项目是指建筑工程中的对安全、卫生、环境保护和公众利益起决定性作用的检验项目。
主控项目是对检验批的基本质量起决定性影响的检验项目,其不允许有不符合要求的检验结果,即这种项目的检查具有否决权。
因此,主控项目必须全部符合有关专业工程验收规范的规定。
所谓一般项目是指除主控项目以外的检验项目。
质量控制资料反映了检验批从原材料到最终验收的各施工工序的操作依据、检查情况以及保证质量所必须的管理制度等。
对其完整性的检查,实际是对过程控制的确认,这是检验批合格的前提。
2.分项工程质量验收合格规定(1)分项工程所含的检验批均应符合合格质量的规定。
(2)分项工程所含的检验批的质量记录应完整。
分项工程的验收是在检验批的基础上进行的。
一般情况下,两者具有相同或相近的性质,只是批量的大小不同而已。
3.分部(子分部)工程质量验收合格规定(1)分部(子分部)工程所含分项工程的质量均应验收合格。
(2)质量控制资料应完整。
(3)地基与基础、主体结构和设备安装等分部工程有关安全及功能的检验和抽样检测结果应符合有关规定。
(4)观感质量验收应符合要求。
4.单位(子单位)工程质量验收合格规定(1)单位(子单位)工程所含分部(子分部)工程的质量均应验收合格。
(2)质量控制资料应完整。
(3)单位(子单位)工程所含分部工程有关安全和功能的检测资料应完整。
(4)主要功能项目的抽查结果应符合相关专业质量验收规范的规定。
(5)观感质量验收应符合要求。
单位工程质量验收也称质量竣工验收,是施工项目投入使用前的最后一次验收,也是最重要的一次验收。
5.建筑工程质量验收记录的规定检验批、分项工程、分部(子分部)工程和单位(子单位)工程竣工的质量验收记录如表3、表4、表5、表6所示。
检验批质量验收记录表 3续表----分项工程质量验收记录表 4------分部(子分部)工程验收记录表 5单位(子单位)工程质量竣工验收记录表 6单位(子单位)工程质量控制资料核查记录、单位(子单位)工程安全和功能检验资料核查及主要功能抽查记录、单位(子单位)工程观感质量检查记录应按表7、8、9的要求进行填写。
单位(子单位)工程质量控制资料核查记录表 7续表总监理工程师施工单位项目经理年月日(建设单位项目负责人)年月日单位(子单位)工程安全和功能检验资料核查及主要功能抽查记录表 8续表总监理工程师施工单位项目经理年月日(建设单位项目负责人)年月日注:抽查项目由验收组协商确定。
单位(子单位)工程观感质量检查记录表 9续表注:质量评价为差的项目,应进行返修。
6.当建筑工程质量不符合要求时的处理(1)经返工重做或更换器具、设备的检验批,应重新进行验收。
在检验批验收时,其主控项目不能满足验收规范规定或一般项目超过偏差限值的子项不符合检验规定的要求时,处理后应重新进行检验;一般缺陷通过翻修或更换器具、设备,施工单位应在采取相应措施后重新验收。
(2)经有资质的检测单位检测鉴定能够达到设计要求的检验批,应予以验收。
这种情况是指当个别检验批发现如试块强度等质量不满足要求,难以确定是否验收时,应请具有资质的法定检测单位检测。
(3)经有资质的检测单位检测鉴定达不到设计要求,但经原设计单位核算认可能够满足安全和使用功能的检验批,可予以验收。
(4)经返修或加固处理的分项、分部工程,虽然改变外形尺寸但仍能满足安全使用要求,可按技术处理方案和协商文件进行验收。
(5)通过返修或加固处理仍不能满足安全使用要求的分部(子分部)工程、单位(子单位)工程,严禁验收。
四、建筑工程质量验收程序和组织1.所有检验批和分项工程均应由监理工程师(建设单位项目技术负责人)组织施工单位项目专业质量(技术)负责人等进行验收。
验收前,施工单位先填好“检验批和分项工程质量验收记录”,并由项目专业质量检验员和项目专业技术负责人分别在检验批和分项工程质量检验记录中相关栏目签字,然后由监理工程师组织。
2.分部工程由总监理工程师(建设单位项目负责人)组织施工单位项目负责人和技术、质量负责人等进行验收;地基与基础、主体结构分部工程的勘查、设计单位工程项目负责人和施工单位技术、质量部门负责人也应参加相关分部工程的验收。
3.单位工程完成后,施工单位首先要依据质量标准、设计图纸等组织有关人员进行自检,并对检查结果进行评定,符合要求后向建设单位提交工程验收报告和完整的质量资料,请建设单位组织验收。
4.建设单位收到工程验收报告后,应由建设单位(项目)负责人组织施工单位(含分包单位)、设计单位、监理单位等项目负责人进行单位(子单位)工程验收。
5.单位工程有分包单位施工时,分包单位对所承包的工程项目应按上述的程序进行检查验收,总包单位要派人参加。
分包工程完成后,应将工程有关资料交给总包单位。
6.当参加验收各方对工程质量验收意见不一致时,可请当地建设行政主管部门或工程质量监督机构协调处理。
7.单位工程质量验收合格后,建设单位应在规定时间内将工程竣工验收报告和有关文件,报建设行政管理部门备案。