《传感器技术与应用》期中考试题(含答案)
- 格式:doc
- 大小:141.00 KB
- 文档页数:6
一、填空题(每空1分,共30分)1、声波是一定频率范围内可以在弹性介质中传播的波,低于16 Hz的声波称为次声波,高于20k Hz的声波称为超声波。
2、超声波可分为纵波、横波、表面波。
3、超声波中的纵波能在固体、液体、气体中传播;横波只能在固体中传播。
4、在空气中传播的超声波,其频率应选得较低;在固体、液体中传播的超声波,其频率应选得较高。
5、光电元件的工作原理是基于不同形式的光电效应。
6、光敏电阻的相对光敏灵敏度与入射光波长的关系称为光谱特性,亦称为光谱响应。
7、光敏电阻的阻值与入射光量有关,而与电压、电流无关。
8、光敏晶体管的光电特性是指外加偏置电压一定时,光敏晶体管的输出电流与光照度之间的关系。
9、光电检测必须具备光源、被测物、和光敏元件。
10、光电开关可分为直射(透射)型和反射型两种。
11、光纤传感器主要由光导纤维、光源和光探测器组成。
12、光纤是利用光的完全内反射原理传输光波的一种媒质。
13、接触式码盘的码道数n越大,所能分辨的角度α越小,测量精度越高。
14、感应同步器利用定尺和滑尺的两个平面印刷电路绕组的互感随其相对位置变化的原理,将位移转换为电信号。
二、选择题(每小题2分,共30分)1、直探头可发射和接收 A 波,斜探头可发射和接收 B 波。
A 纵B横C表面2、超声波测厚常用C 法。
A穿透B反射C脉冲回波3、光敏二极管在测光电路中应处于 B 偏置状态;而光电池通常处于 A 偏置状态。
A 正向B反向C零4、温度上升,光敏电阻、光敏二极管、光敏三极管的暗电流 A 。
A上升B下降C不变5、普通型硅光电池的峰值波长为 B 。
A 0.8mmB 0.8µmC 0.8nm6、下列传感器中,不能直接用于直线位移测量的传感器是 C 。
A 长光栅B 感应同步器C 角编码器7、增量式位置传感器输出的信号是 C 。
A 电压信号B 电流信号C 脉冲信号8、某直线光栅每毫米刻线数为50线,采用四细分技术,则该光栅的分辨力为 A µm。
《传感器技术与应用》试卷及答案一、单项选择题(在每小题的四个备选答案中,选出一个正确答案,并将正确答案的序号填在题后的括号内。
) (每小题2分,共20分)1.按照工作原理分类,固体图象式传感器属于( A )A.光电式传感器B.电容式传感器C.压电式传感器D.磁电式传感器2.影响压电式加速度传感器低频响应能力的是( D )A.电缆的安装与固定方式 B.电缆的长度C.前置放大器的输出阻抗 D.前置放大器的输入阻抗3.固体半导体摄像元件CCD是一种( C )A.PN结光电二极管电路 B.PNP型晶体管集成电路C.MOS型晶体管开关集成电路 D.NPN型晶体管电路4.将电阻R和电容C串联后再并联到继电器或电源开关两端所构成的RC吸收电路,其作用是(D)A.抑制共模噪声B.抑制差模噪声C.克服串扰D.消除电火花干扰5.属于能量转换型的传感器是( C )A.电阻应变传感器B.电容传感器C.压电式传感器D.热阻式传感器6.动态测试中,电桥的输出量通常采用(B)A.电阻量 B.电压量 C.电流量 D.电感量7.为消除压电传感器电缆分布电容变化对输出量灵敏度的影响,可采用(A)A.电荷放大器 B.电压放大器 C.功率放大器D.前置放大器8.用于检查应变片绝缘电阻的兆欧表,电压一般不应高于( B )A.220V B.250V C.300V D.350V9.压电式加速度计,其压电片并联时可使( B )A.电压灵敏度提高,电荷灵敏度不变。
B.电荷灵敏度提高,电压灵敏度不变。
C.电压与电荷灵敏度均提高。
D.电压与电荷灵敏度均保持不变。
10.金属丝应变片在测量构件的应变时,决定电阻相对变化的因素主要是(C)A.贴片位置的变化 B.贴片温度的变化C.电阻丝几何尺寸的变化 D.电阻丝材料的电阻率变化二、多项选择(在每小题列出的五个备选项中至少有两个是符合题目要求的,请将其代码填写在题后的括号内,错选、多选、少选或未选均无分。
‥‥‥‥‥‥‥‥‥‥‥‥‥‥密‥‥‥‥‥‥‥‥‥‥‥‥封‥‥‥‥‥‥‥‥‥‥‥‥线‥‥‥‥‥‥‥‥‥‥‥‥‥‥传感器技术与应用试卷及答案注意:1、本试卷共 2 页; 2、姓名、学号必须写在指定地方; 3、考试时间: 120 分钟; 4、考试形式: 闭卷;一、单项选择题(在每小题的四个备选答案中,选出一个正确答案,并将正确答案的序号填在题后的括号内。
) (每小题 2分,共 20分)1.属于传感器动态特性指标的是( )A .重复性B .线性度C .灵敏度D .固有频率 2.( )传感器可用于医疗上-50℃~150℃之间的温度测量。
A.金属辐射式 B.热电偶 C.半导体三极管 D.比色计 3.信号传输过程中,产生干扰的原因是( ) A.信号是缓变的 B.信号是快变的 C.干扰的耦合通道 D.信号是交流的 4. 非线性度是表示校准曲线( )的程度。
A.接近真值 B.偏离拟合直线 C.正反行程不重合 D.重复性 5.莫尔条纹光栅传感器的输出是( )A.数字脉冲式B.调幅式C.调频式D.正弦波 6.半导体应变片的工作原理是基于半导体材料的( ) A.压阻效应 B.应变效应 C.压电效应 D.霍尔效应 7.常用于测量大位移的传感器有( )A.感应同步器B.应变电阻式C.霍尔式D.涡流式 8.将电阻应变片贴在( )上,就可以分别做成测力、位移、加速度等参数的传感器。
A.质量块B.导体C.弹性元件D.机器组件 9.半导体热敏电阻随着温度上升,电阻率( )A.上升B.迅速下降C.保持不变D.归零10.下列被测物理量适合于使用红外传感器进行测量的是( ) A .压力 B .力矩 C .温度 D .厚度二、多项选择(在每小题列出的五个备选项中至少有两个是符合题目要求的,请将其代码填写在题后的括号内,错选、多选、少选或未选均无分。
)(每小题 2分,共10分)1.应变片的主要参数包括( )A.应变化电阻值B.绝缘电阻C.灵敏参数D.允许电流E.应变极限 2.影响热电效应的相关因素有:( )A .电感B .电阻C .温度D .自由电子E .电容 3.组成光纤传感器的器体有:( )A .光导纤维B .振荡器C .光源D .光源探测器E .电桥 4.图像传感器可应用于:( )A .光学信息处理装置的输入环节B .自动流水线装置中的敏感元件C .尺寸测量D .工件伤痕测试E .表面测试 5.选作感温元件的材料应满足的要求包括:( )A .材料的温度系数 要大B .测温范围内,材料的物理,化学性质要稳定C .测温范围内, 保持常数D .具有较大电阻率E .特性复现性好三、填空题(每小题2分,共20分)1.如果仅仅检测是否与对象物体接触,可使用 作为传感器。
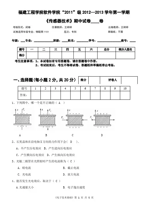
福建工程学院软件学院“2011”级2012—2013学年第一学期《传感器技术》期中试卷____卷考核形式:闭卷 任课教师:王婷婷 出卷教师:王婷婷试卷适用年级专业:物联网1101 层次:专科 草稿纸:不需年级:___专业:_____________班级:____姓名:________学号:________________座号:____2、考试结束后,考生不得将试卷、答题纸和草稿纸带出考场。
一、选择题(每小题2分,共201、下列图中,哪一个是不正确的( A )A B C D 2、石英晶体在沿电轴X 方向的力作用下会( D )。
A 、不产生压电效应 B 、产生逆向压电效应 C 、产生横向压电效应 D 、产生纵向压电效应 3、光敏二极管在光照射时产生的电流称为( C )A .暗电流B .截止电流C .光电流D .放大电流 4、能否发生光电效应,取决于( C )A.光通量大小B. 电子逸出速度C.光子能量是否大于电子逸出功D.光子具有初始动能 5、利用外光电效应原理制成的光电元件是( B )A .光敏电阻B .光电管C .光电池D .光敏晶体管 6、SnO 2和ZnO 半导体材料常用于( A )A .气敏传感器B .电感式传感器C .光电传感器D .电阻式传感器7、半导体热敏电阻率随着温度上升,电阻率( B ) A.上升 B.迅速下降 C.保持不变 D.归零8、下图为N 型半导体吸附气体时器件阻止变化图,其中图中A 、B 处应为( C )型气体。
A.还原型、氧化型 B.还原型、还原型 C .氧化型、还原型 D.氧化型、氧化型9、当超声波在一种介质中传播到界面或遇到另一种介质,其方向不垂直于界面时,将产生声波的反射、折射及 现象。
( D )A.表面波B.兰姆波C.驻波D.波型转换 10、将超声波(机械振动波)转换成电信号是利用压电材料的( C )A 、应变效应 B.电涡流效应 C.压电效应 D.逆压电效应二、填空题(每空2分,共30分)1、传感器由 敏感元件 、 转换元件 、 辅助元件 三部分组成。
综合练习 一. 填空题1.根据传感器的功能要求,它一般应由三部分组成,即.敏感元件、转换元件、转换电路。
2.传感器按能量的传递方式分为有源的和无源的传感器。
3. 根据二阶系统相对阻尼系数ζ的大小,将其二阶响应分成三种情况. 1ζ>时过阻尼;1ζ=时临界阻尼;1ζ<时欠阻尼。
4. 应变计的灵敏系数k 并不等 于其敏感栅整长应变丝的灵敏度系数0k ,一般情况下,0k k <。
5. 减小应变计横向效应的方法.采用直角线栅式应变计或箔式应变计。
6. 应变式测力与称重传感器根据结构形式不同可分为:柱式﹑桥式﹑轮辐式﹑梁式和环式等。
7. 半导体材料受到应力作用时,其电阻率会发生变化,这种现象就称为压阻效应。
8. 光电传感器一般由光源、光学通路和光电元件三部分组成。
9. 光电效应是光照射到某些物质上,使该物质的电特性发生变化的一种物理现象,可分为外光电效应和内光电效应两类。
10. 基于外光电效应的光电敏感器件有光电管和光电倍增管。
基于光电导效应的有光敏电阻。
基于势垒效应的有光电二极管和光电三极管。
基于侧向光电效应的有反转光敏二极管。
11. 光电倍增管是一种真空器件。
它由光电发射阴极(光阴极)和聚焦电极、电子倍增极及电子收集极(阳极)等组成。
12. 光敏电阻器是利用半导体光电导效应制成的一种特殊电阻器,对光线十分敏感,它的电阻值能随着外界光照强弱(明暗)变化而变化。
它在无光照射时,呈高阻状态;当有光照射时,其电阻值迅速减小。
13. 光电二极管与光电三极管外壳形状基本相同,其判定方法如下.遮住窗口,选用万用表R*1K 挡,测两管脚引线间正、反向电阻,均为无穷大的为光电三极管。
14. 光电耦合器是发光元件和光电传感器同时封装在一个外壳内组合而成的转换元件。
以光为媒介进行耦合来传递电信号,可实现电隔离,在电气上实现绝缘耦合,因而提高了系统的抗干扰能力。
15. 电荷藕合器件图像传感器CCD (Charge Coupled Device ),它使用一种高感光度的半导体材料制成,能把光线转变成电荷。
传感器原理、技术与应用考试试题一、选择题1. 磁致伸缩材料是一种同时兼具正、逆磁一机械耦合特性的功能材料,当受到外加()作用时,便会产生弹性形变。
[单选题]应力温度电场磁场√2. 纳米技术的中级目标是把纳米粉体制成敏感体,形成敏感体的关键工艺是:() [单选题]纳米粉体的制备成型和烧结√烧结和装配成型和装配3. 下列()是典型的高分子离子选择膜。
[单选题]SiO2聚苯胺可塑性聚氯乙烯膜√聚吡咯4. 许多含有离子单体成分或无机盐成分的有机高分子材料可以展示出()导电性,因而它们分别称为高分子电解质和聚合高分子电解质。
[单选题]电子空穴离子√中子5. 电量型传感器输出量为电量,即电压、()、电荷等。
[单选题]电阻电流√脉冲频率6. 使用传感器图形符号时,表示被测量的限定符号应写在() [单选题]正方形中正方形旁三角形内√引线旁7. 传感器的代号依次为() [单选题]主称,转换原理,被测量,序号主称,被测量,序号,转换原理序号,主称,被测量,转换原理主称,被测量,转换原理,序号√8. 能将力、力矩、压力、温度等物理量变换成位移、转角或应变的弹性元件,称为()元件。
[单选题] 温度敏感湿度敏感惰性敏感9. 传感器的线性度、迟滞、重复性、分辨率、稳定性等为()。
[单选题]动态特性静态特性√动态响应静态响应10. 电桥式位移传感器灵敏度计算中还要考虑单位电源的作用。
如若电源电压为10V,则位移传感器在位移变化1mm时输出电压变化有300mV,则其灵敏度为()。
[单选题]300mV/mm√30mV/mm3000mV/mm3mV/mm11. 对具有电压输出和电流输出的传感器接口电路对输入阻抗的要求是()。
[单选题]电压输出的要高阻抗,电流输出的要低阻抗√电压输出的要低阻抗,电流输出的要高阻抗都要高阻抗都要低阻抗12. 传感器是利用多种物理效应、()以及生物效应实现非电量转换的装置。
[单选题]热效应光电效应化学效应√13. ()信号方式采用闭环式传感器结构。
总分:班级: 姓名: 学号: 考场 密 封 线《传感器及其应用》期中考试卷一、填空题(每空2分,共20分)1、检测包含检查和测量两个方面,检查是获取 信息,测量是获 取 信息。
2、传感器由 、 和 组成。
3、金属丝在外力作用下发生机械形变时,它的电阻值将发生变化,这种现象 称 效应。
电阻应变式传感器的传感元件为_________,应变片又分两种,分别是_________和__________。
4、用电涡流式速度传感器测量轴的转速,当轴的转速为50r/min 时,输出的感应电动势的频率为50Hz ,则测量齿轮的齿数为 。
二、单项选择题(每题3分,共27分)1、 传感器采用( )形式可提高灵敏度和抗干扰能力,改善非线性。
A 、直接式 B 、差分式 C 、补偿式 D 、串联式2、 我国电工仪表精度等级共分7级,下列不属于该等级的是( )A 、0.1级B 、0.3级C 、0.5级D 、5.0级3、 在电桥测量中,由于电桥接法不同,输出电压的灵敏度也不同,( )接法可以得到最大灵敏度输出。
A 、单臂桥B 、对臂桥C 、第一类差动桥D 、全桥 4、 因偶然因素的影响而引起的且难以估计,总体符合一定的分布规律,不能通过实验方法消除的误差是( )A 、动态误差B 、随机误差C 、粗大误差D 、系统误差 5、 日常生活中电子称应用广泛,利用电阻应变片和相应的敏感元件结合,可构成称重传感器,下列哪种敏感元件可用于称重?( ) A 、悬臂梁 B 、波纹管 C 、波纹膜盒 D 、薄壁圆筒 6、 气敏电阻形式繁多,可用于检测各种特定对象的气体。
气敏电阻工作时必须加热到200℃~300℃,其目的为( )A 、气敏电阻温度高B 、加速被测气体的化学吸附盒和电离C 、烧去表面污物D 、B 和C7、 为了辨别差分变压器衔铁的移动方向,可采用( )电路。
A 、调制 B 、滤波 C 、相敏检波 D 、放大 8、 下图为采用电涡流传感器测量不同非电量的示意图。
传感器技术与应用习题答案【篇一:传感器原理及应用习题及答案】可能出现的最大误差为:=40?2%=0.8(mv) 当使用在1/2和1/8满量程时,其测量相对误差分别为:0.81100%4%40? 0.82100%16%40?结论:测量值越接近传感器(仪表)的满量程,测量误差越小。
1.7 有两个传感器测量系统,其动态特性可以分别用下面两个微分方程描述,试求这两个系统的时间常数?和静态灵敏度k。
1)式中, y——输出电压,v;t——输入温度,℃。
30dy3y1.5105tdt2)式中,y——输出电压,?v;x——输入压力,pa。
k=9.6/4.2=2.29(?v/pa)。
1.8 已知一热电偶的时间常数?=10s,如果用它来测量一台炉子的温度,炉内温度在540℃至500℃之间接近正弦曲线波动,周期为80s,静态灵敏度k=1。
试求该热电偶输出的最大值和最小值。
以及输入与输出之间的相位差和滞后时间。
解:依题意,炉内温度变化规律可表示为x(t) =520+20sin(?t)℃由周期t=80s,则温度变化频率f=1/t,其相应的圆频率 ?=2?f=2?/80=?/40;温度传感器(热电偶)对炉内温度的响应y(t)为y(t)=520+bsin(?t+?)℃热电偶为一阶传感器,其动态响应的幅频特性为ab?20121110??4021.4dy4.2y9.6xdt0.786因此,热电偶输出信号波动幅值为b=20?a(?)=20?0.786=15.7℃由此可得输出温度的最大值和最小值分别为y(t)|max=520+b=520+15.7=535.7℃ y(t)|min=520﹣b=520-15.7=504.3℃输出信号的相位差?为8042.388.4s360t =1.9 一压电式加速度传感器的动态特性可以用如下的微分方程来描述,即式中,y——输出电荷量,pc;x——输入加速度,m/s2。
试求其固有振荡频率?n和阻尼比?。
解: 由题给微分方程可得d2y3dy10103.0102.2510y11.010x2dtdtn2.25?10/1?1.5?10?rad/s?1053.0?1032?2.25?10?1100.011-10 用一个一阶传感器系统测量100hz的正弦信号时,如幅值误差限制在5%以内,则其时间常数应取多少?若用该系统测试50hz的正弦信号,问此时的幅值误差和相位差为多解: 根据题意12215%(取等号计算)111.05261?5%0.95所以当用该系统测试50hz的正弦信号时,其幅值误差为0.3287/10.32870.523103s21002112500.523103211.32%相位差为1-11 一只二阶力传感器系统,已知其固有频率f0=800hz,阻尼比?=0.14,现用它作工作频率f=400hz的正弦变化的外力测试时,其幅值比a(?)和相位角?(?)各为多少;若该传感器的阻尼比?=0.7时,其a(?)和?(?)又将如何变化?2?ff?4000.52?f0f0800解: ?na111?0.52n222242n?22140.140.521.312n?1??n??12?0.14?0.5rad10.60.184521?0.50.97522a1?0.52240.70.51-12 用一只时间常数?=0.318s的一阶传感器去测量周期分别为1s、2s和3s的正弦信号,问幅值相对误差为多少?解:由一阶传感器的动态误差公式arctan2?0.7?0.5?0.75rad??431?0.52由于?=0.318s1210.318s,1t1s2t2s3t3sf?1hz2??rad1?1?2??0.3182155.2%f?0.5hzrad???2??29.3%f?12hzrad???3??16.8%331-13 已知某二阶传感器系统的固有频率f0=10khz,阻尼比?=0.1,若要求传感器的输出幅值误差小于3%,试确定该传感器的工作频率范围。
传感器技术与应用考试试卷(答案见尾页)一、选择题1. 什么是传感器?它的主要功能是什么?A. 传感器是一种检测装置,能够感知和测量物理量并将其转换为电信号。
B. 传感器是一种存储设备,用于保存数据和程序。
C. 传感器是一种计算设备,用于处理和分析数据。
D. 传感器是一种通信设备,用于传输信息。
2. 以下哪个不是常见的传感器类型?A. 温度传感器B. 光电传感器C. 振动传感器D. 计算机传感器3. 传感器在嵌入式系统中的作用是什么?A. 数据采集B. 控制系统C. 通信D. 所有以上功能4. 以下哪个是模拟传感器的工作原理?A. 将物理量转换为数字信号B. 将数字信号转换为物理量C. 直接输出模拟信号D. 通过算法转换信号5. 以下哪个是数字传感器的工作原理?A. 将物理量转换为数字信号B. 将数字信号转换为物理量C. 直接输出数字信号D. 通过算法转换信号6. 以下哪个是常见的传感器应用领域?A. 汽车制造B. 航空航天C. 医疗设备D. 所有以上领域7. 在设计嵌入式系统时,选择传感器时应考虑哪些因素?A. 精度B. 价格C. 功耗D. 所有以上因素8. 以下哪种传感器通常用于测量温度?A. 光学传感器B. 热敏传感器C. 光电传感器D. 压力传感器9. 以下哪种传感器通常用于测量位置或速度?A. 光学传感器B. 磁性传感器C. 光电传感器D. 压力传感器10. 在嵌入式系统中,传感器数据通常如何处理?A. 直接输出到显示器或其他设备B. 首先进行滤波处理,然后输出C. 首先进行校准,然后输出D. 首先进行加密处理,然后输出11. 以下哪些属于常见的传感器类型?A. 温度传感器B. 压力传感器C. 光电传感器D. 速度传感器E. 加速度传感器12. 在选择合适的传感器时,需要考虑哪些因素?A. 测量范围B. 精度C. 响应时间D. 抗干扰能力E. 电源需求13. 以下哪些是传感器应用中的常见场景?A. 智能家居B. 工业自动化C. 医疗设备D. 汽车电子E. 能源管理14. 传感器在智能家居中的应用有哪些?A. 智能照明B. 室内空气质量监测C. 智能安防系统D. 智能家电控制E. 以上都是。
安徽三联学院201 3 —201 4 学年度第二学期《传感器原理及应用》课程期中考试闭卷(开、闭卷)该试卷使用范围:11 年级电科、电信、电气专业一、单选题(本大题共5小题,每小题2分,共10分)。
1、属于传感器动态特性指标的是( D )。
A.重复性B.线性度C.灵敏度D.固有频率2、电桥测量电路的作用是把传感器的参数转换为( B )的输出。
A.电阻B.电压C.电容D.电荷3、传感器能感知的输入变化量越小,表示传感器的( D )。
A.线性度越好B.迟滞越小C.重复性越好D.分辨力越高4、按照依据的基准线不同,下面那种线性度是最常用的( D )。
A.理论线性度B.端基线性度C.独立线性度D.最小二乘法线性度5、下列哪种温度补偿方法是常用和效果较好的补偿方法:( A )。
A.电桥补偿法B.辅助测温元件微型计算机补偿法C.应变计自补偿法D.热敏电阻补偿法二、填空题(本大题共20空,每空1.5分,共30分)。
1、灵敏度是描述传感器的输出量对输入量敏感程度的特性参数。
其定义为:传感器输出量的变化值与相应的被测量的变化值之比,用公式表示 k(x)=Δy/Δx 。
2、测量仪表的功能包括变换、选择、比较和显示四种功能。
3、传感器的静态特性有灵敏度、线性度、分辨力、迟滞和稳定性等。
4、传感器按输出量是模拟量还是数字量,可分为模拟式传感器和数字式传感器。
5、根据传感器的工作原理,可以将传感器分成应变式、电容式、压电式、热电式等。
6、一个高阶系统的传感器总可以看成是由若干个零阶系统、一阶和二阶系统组合而成的。
7、依据传感器的工作原理,传感器分敏感元件、转换元件两个部分组成。
三、判断题(对的打√,错的打×,每小题2分,总分10分)。
1、传感器的输出--输入校准曲线与理论拟合直线之间的最大偏差与传感器满量程输出之比,称为该传感器的“非线性误差”。
(√)2、一阶装置动态特性的主要参数是时间常数,一般希望它越大越好。
《传感器技术与应用》科期考试题考试类型:理论考试时间:90分钟出题老师:韦艳云考试班级:考生姓名:考生学号:卷面成绩:一、填空题(每空2分,共20分)1、传感器的静态特性指标有灵敏度、线性度、迟滞性和重复性。
2、利用电涡流位移传感器测量转速时,被测轴齿盘的材料必须是金属_ ______。
3、导体的电阻率随温度变化而变化的物理现象为导体的热阻效应。
金属热电阻就是基于这一效应测量温度的。
热电阻主要有铂热电阻和铜热电阻。
4、已知某传感器的灵敏度为K0,且灵敏度变化量为△K0,则该传感器的相对灵敏度误差计算公式为r s= (△K0/K0)×100%。
5、电阻应变片在应力作用下电阻率发生变化,这种现象称为____应变_______效应。
6、电阻应变片的测量电路主要有直流电桥和交流电桥,其中直流电桥中又有单臂电桥、半桥和全桥。
7、光纤的核心是由折射率较大的光纤和折射率较小的包层构成的双层同心圆柱结构。
8、用于制作压电传感器的常用压电材料是石英晶体、压电陶瓷。
二、判断题(对的打“√”,错的打“×”,每题2分,共20分)1、压电式传感器具有体积小、结构简单等优点,适合于频率较低的被测量的测量,甚至是静态量的测量。
(×)2、光敏电阻的暗电阻越大越好,而亮阻越小越好,也就是说暗电流要小,亮电流要大。
这样光敏电阻的灵敏度就高。
(√)3、真值是指一定的时间及空间条件下,某物理量体现的真实数值。
真值是客观存在的,而且是可以测量的。
(×)4、置信系数取不同典型值时,具有不同的置信概率。
置信系数越高,置信水平则越低,表明对测量精度的要求越低。
(√)5、一阶装置动态特性的主要参数是时间常数τ,一般希望它越大越好。
(×)6、差动变压器式传感器的两个次级线圈在联接时反向串联。
(√)7、LTI系统的灵敏度是时间的线性函数。
(×)8、涡流传感器一般采用高频投射式或低频反射式两种方式测量。
传感器应用技术理论考试试题一、选择题1.传感器能感知的输人量越小,说明()。
[单选题]*A.线性度越好B.迟越小C.重复性越好D.分辨率越高√2.在传感器的分类中,按输人量来分,免疫传感器属于()。
[单选题]*A.物理传感器B.化学传感器C.生物传感器√D.数字传感器3.传感器的输出对随时间变化的输入量的响应称为传感器的()。
[单选题]*A.动态响应√B.线性度C.重复性D.稳定性4.下列选项中,主要完成传感器输出信号处理的是()。
[单选题]*A.传感器接口电路B.信号转换电路√C.放大器D.编码器5.属于传感器动态特性指标的是()。
[单选题]*A.重复性B.固有频率√C.灵敏度D.漂移6.传感器的主要功能是()。
[单选题]*A.检测和转换√B.滤波和放大C.调制和解调D.传输和显示7.传感器应具有比较高的()尽量减少从外界引入的干扰信号。
[单选题]*A.灵敏度B.信噪比√C.稳定性D.线性范围8.精度较高的传感器都需要定期校准,一般每()校准一次。
[单选题]*A.1~2个月B.3~6个月√C.1年D.2年9.基于外光电效应工作的器件有()。
[单选题]*A.光电管√B.光电池C.光敏电阻D.光电倍增管10.光电感器的基本理物质的()。
[单选题]*A.压电效应B.光电效应√C.磁电效应D.热电效应11.红外辐射是由物体内部分子运动产生的,这类运动和物体的()有关。
[单选题]*A.密度B.温度√C.质量D.体积12.热释电型红外线传感器工作时,当辐射到热释电件上的红外线忽强忽弱,使两个热释电元件的温度变化不一致时,就会有()输出。
[单选题]*A.直流电压B.交变电压C.直流电流D.交变电流√13.下列选项中,不属于量子型红外线传感器的是()。
[单选题]*A.光电导式传感器B.光生伏特效应式传感器C.光磁电式传感器D.热释电式传感器√14.红外线遥控的接收装置不包括()。
[单选题]*A.光滤波器B.编码调制放大电路C.光敏二极管D.微处理器√15.光纤通信中,与射光纤耦合的光元件()。
《传感器技术与应用》期中试题班级:姓名:学号:_____________题目一二三四总分登分签名得分一、填空题:(每空2分,共20分)1、传感器的动态特性越好,则能测的信号频率越(宽、窄)。
2、已知一米尺的修正值为-2mm,现用该米尺测得某物体长度为32.5cm,则该物体长度为。
3、测50mm 的物体,测得结果为50.02mm,则相对误差为。
4、相敏检波电路与差动变压器配合使用是为了。
5、电阻式传感器是将被测非电量转换为的变化的装置。
6、在差动变压器的实验中,观察到的现象是。
7、在某些晶体物质的极化方向上施加电场时,这些晶体物质会产生变形,这种现象称为。
8、电容式传感器存在的边缘效应可以通过或来减小。
9、差动变压器是属于信号调制中的类型(调幅、调频、调相)。
二、判断题(正确的打√,错误的打×。
每小题1分,共10分)1、差动结构从根本上解决了非线性误差的问题。
()2、为了使压电陶瓷具有压电效应,必须在一定温度下通过强电场作用对其作极化处理。
()得分评卷员得分评卷员装订线3、变间隙型的电感式传感器初始间隙越大,灵敏度越低,非线性误差越小,量程越大。
()4、变面积型的电容式传感器输出与输入之间的关系是线性的。
()5、压电式传感器只能进行动态测量。
()6、随机误差可以通过系统校正来减小或消除。
()7、求和取平均是为了减小系统误差。
()8、电涡流式传感器不仅可以用于测量金属,还可以测量非金属。
()9、石英晶体沿任意方向施加力的作用都会产生压电效应。
()10、电容传感器采用运算放大器测量电路则从原理上解决了单个变间隙型电容传感器输出特性非线性问题。
()三、计算题(每小题10分,共50分)得分评卷员1、将一电阻应变片接入电桥电路中,已知电阻应变片在无应变时的电阻值为80欧,R3=40欧,R4=100欧。
运算放大器的电压增益为20。
问R2选取多大合适?如果该电阻应变片的灵敏度为4,受力的作用后发生变形其应变为2×10-3,电阻值变化为多少?受到该力的作用后输出电压U为多少?R1R35VUR4R22、一电容测微仪,其传感器的平板面积为20mm 2.工作初始间隙δ=0.4mm,介电常数ε=8×10-12F/m,试求:(1)该电容器的灵敏度为多少?(2)工作中,若传感器与工件的间隙变化量△δ=2um,电容变化量是多少?(3)若测量电路的灵敏度S1=200mV/pF,读数仪表的灵敏度S2=5格/mV,当△δ=2um 时,读数仪表示值变化多少格?3、电阻应变片的灵敏度系数K=1.6,沿纵向粘贴于直径为0.05m 的圆形钢柱表面,钢材的弹性模量E=2×1011N/㎡,求钢柱受10t 拉力作用时,应变片电阻的相对变化量?装订线4、已知某一被测电压约12V,现有两块电压表:①100V,0.5级;②15V,2.5级。
一、填空题:(每空2分,共20分)1、传感器的动态特性越好,则能测的信号频率越宽(宽、窄)。
2、已知一米尺的修正值为-2mm,现用该米尺测得某物体长度为32.5cm,则该物体长度为 32.3 。
3、测50mm的物体,测得结果为50.02mm,则相对误差为 0.04% 。
4、相敏检波电路与差动变压器配合使用是为了辨别方向。
5、电阻式传感器是将被测非电量转换为电阻的变化的装置。
6、在差动变压器的实验中,观察到的现象是在一定范围内呈线性。
7、在某些晶体物质的极化方向上施加电场时,这些晶体物质会产生变形,这种现象称为逆压电效应。
8、电容式传感器存在的边缘效应可以通过初始电容量c0 或加装等位环来减小。
9、差动变压器是属于信号调制中的调幅类型(调幅、调频、调相)。
二、判断题(正确的打√,错误的打×。
每小题1分,共10分)1、差动结构从根本上解决了非线性误差的问题。
( x )2、为了使压电陶瓷具有压电效应,必须在一定温度下通过强电场作用对其作极化处理。
( Y )3、变间隙型的电感式传感器初始间隙越大,灵敏度越低,非线性误差越小,量程越大。
( Y )4、变面积型的电容式传感器输出与输入之间的关系是线性的。
( Y )5、压电式传感器只能进行动态测量。
( Y )6、随机误差可以通过系统校正来减小或消除。
( X )7、求和取平均是为了减小系统误差。
( X )8、电涡流式传感器不仅可以用于测量金属,还可以测量非金属。
( X )9、石英晶体沿任意方向施加力的作用都会产生压电效应。
( X )10、电容传感器采用运算放大器测量电路则从原理上解决了单个变间隙型电容传感器输出特性非线性问题。
( Y )三、计算题(每小题10分,共50分)1、将一电阻应变片接入电桥电路中,已知电阻应变片在无应变时的电阻值为80欧,R3=40欧,R 4=100欧。
运算放大器的电压增益为20。
问R 2选取多大合适?如果该电阻应变片的灵敏度为4,受力的作用后发生变形其应变为2×10-3,电阻值变化为多少?受到该力的作用后输出电压U 为多少?、一电容测微仪,其传感器的平板面积为20mm 2.工作初始间隙δ=0.4mm,ε=8×10-12F/m,试求:(1) 该电容器的灵敏度为多少?(2) 工作中,若传感器与工件的间隙变化量△δ=2um,电容变化量是多少? U(3)若测量电路的灵敏度S1=200mV/pF,读数仪表的灵敏度S2=5格/mV,当△δ=2um时,读数仪表示值变化多少格?3、电阻应变片的灵敏度系数K=1.6,沿纵向粘贴于直径为0.05m的圆形钢柱表面,钢材的弹性模量E=2×1011N/㎡,求钢柱受10 t拉力作用时,应变片电阻的相对变化量?4、已知某一被测电压约12V,现有两块电压表:①100V,0.5级;②15V,2.5级。
学习必备欢迎下载安徽师范大学2010- 2011 学年第二学期2008级电子信息工程专业《传感器原理与应用》期中考试试卷参考答案(A)1根据二阶环节的幅频特性与相频特性图,分析固有频率和阻尼比的关系。
答:从图中分析可看出,当w/wn<<1 时, A(w) K , (w) 0,近似于零阶环节。
要使频带加宽,关键是提高无阻尼固有频率w0 。
当阻尼比趋于 0 时,幅值比在固有频率附近( w/w0=1 )变化很大,系统发生谐振。
为了避免这种情况,可增大值。
当0.707 时,谐振就不会发生了。
当0.7 时,幅频特性的平坦段最宽,而且相频特性接近于一条斜直线,故在检测复合周期振动时,能保证有较宽的频响范围且幅值失真与相位失真较小。
所以0.7 称为最佳阻尼。
2 一台用等强度梁作为弹性元件的电子秤,在梁的上、下面各贴两片相同的电阻应变片 (K=2)4 2个应变片接入图 (b) 如图所示。
已知 l=100mm , b=11mm, t=3mm , E=2 × 10 N/mm。
现将 4的直流桥路中,电桥电源电压U=6V 。
当力 F=0.5kgf 时,求电桥输出电压U 0=?6Fl 6 (0.5 10) (100 10 3) 0.00152( )解:bh 2 E (11 10 3) (3 10 3)2 (2 104E 106 )R/ R KU 0 UR UK6 2 0.00152 0.0182(V )R3 传感器不失真检测的条件是什么?答:希望传感器能具有良好的响应特性,输出波形无失真地复现输入波形, y(t)=A 0x(t- τ 0),则频域内传感器无失真检测条件是:幅频特性应当是常数, 即 A( ω )=A 0=常数 (即水平直线 );相频特性则是线性关系即 φ (ω )=-τ 0ω 。
4 根据电容传感器的工作原理说明它的分类,电容传感器能够测量哪些物理参量?答:原理:由物理学知,两个平行金属极板组成的电容器。
《传感器原理与应用》期中考查试题(100分,120分钟)一、选择题(每题1分,共10 分)1. 按敏感元件与被测对象之间的能量关系,传感器可分为(D )传感器。
A.温度型和速度型B.物性型和结构型C.机械型和电子型D.能量转换型和能量控制型2. 二阶传感器系统中,属于其动态特性的表征参数是(C )。
A.线性度B.灵敏度C.超调量D.漂移3. 为了减小非线性误差,采用差动变隙式电感传感器,其灵敏度和单线圈式传感器相比,( D )。
A. 降低二倍B. 降低一倍C. 提高二倍D. 提高一倍4. 电感式传感器采用变压器式交流电桥作为测量电路时,如想分辨出衔铁位移的方向,则应在电路中加( C )电路。
A.加法器B.检波C.相敏检波D.鉴频5. 若两个应变量变化完全相同的应变片接入测量电桥的相对桥臂,则电桥的输出将(A )。
A.增大B.减小C.不变D.可能增大,也可能减小6. 电涡流在金属导体中的形成范围为(D )A.传感器线圈外径附近B.传感器线圈内径附近C.表面D.表面且传感器线圈外径附近7. 应变式传感器用电桥做转换电路,理论上电桥输出带有非线性误差的是(A )A.单臂电桥B.半桥C.全桥D.半桥和全桥8. 在差动变压器实验中,当衔铁过零位时,输出电压( D )。
A. 幅值:变小,相位:不变B. 幅值:大→小→大,相位:不变C. 幅值:变大,相位:反相D. 幅值:大→小→大,相位:反相9、影响金属导电材料应变灵敏度k 的主要因素是(B)A 、导电材料电阻率的变化B 、导电材料几何尺寸的变化C 、导电材料物理性质的变化D 、导电材料化学性质的变化10、用电容式传感器测量固体或液体物位时,应该选用(B )A 、变间隙式B 、变介电常数式C 、变面积式D 、空气介质变间隙式二、填空题(每题1分,共10分)1.传感器的输入输出特性指标可分为静态和动态指标两大类,线性度和灵敏度是传感器的静态指标,而频率响应特性是传感器的动态指标。
一、填空题:(每空2分,共20分)
1、传感器的动态特性越好,则能测的信号频率越宽(宽、窄)。
2、已知一米尺的修正值为-2mm,现用该米尺测得某物体长度为32.5cm,则该物体长度为 32.3 。
3、测50mm的物体,测得结果为50.02mm,则相对误差为 0.04% 。
4、相敏检波电路与差动变压器配合使用是为了辨别方向。
5、电阻式传感器是将被测非电量转换为电阻的变化的装置。
6、在差动变压器的实验中,观察到的现象是在一定范围内呈线性。
7、在某些晶体物质的极化方向上施加电场时,这些晶体物质会产生变形,这种现象称为逆压电效应。
8、电容式传感器存在的边缘效应可以通过初始电容量c0 或
加装等位环来减小。
9、差动变压器是属于信号调制中的调幅类型(调幅、调频、调相)。
二、判断题(正确的打√,错误的打×。
每小题1分,共10分)
1、差动结构从根本上解决了非线性误差的问题。
( x )
2、为了使压电陶瓷具有压电效应,必须在一定温度下通过强电场作用对其作极化处理。
( Y )
3、变间隙型的电感式传感器初始间隙越大,灵敏度越低,非线性误差越小,量程越大。
( Y )
4、变面积型的电容式传感器输出与输入之间的关系是线性的。
( Y )
5、压电式传感器只能进行动态测量。
( Y )
6、随机误差可以通过系统校正来减小或消除。
( X )
7、求和取平均是为了减小系统误差。
( X )
8、电涡流式传感器不仅可以用于测量金属,还可以测量非金属。
( X )
9、石英晶体沿任意方向施加力的作用都会产生压电效应。
( X )
10、电容传感器采用运算放大器测量电路则从原理上解决了单个变间隙型电容传感器输出特性非线性问题。
( Y )
三、计算题(每小题10分,共50分)
1、将一电阻应变片接入电桥电路中,已知电阻应变片在无应变时的电阻值为80欧,R3=40欧,R4=100欧。
运算放大器的电压增益为20。
问R2选取多大合适?如果该电阻应变片的灵敏度为4,受力的作用后发生变形其应变为2×10-3,电阻值变化为多少?受到该力的作用后输出电压U为多少?
U
2、一电容测微仪,其传感器的平板面积为20mm2.工作初始间隙δ=0.4mm,介电常数ε=8×10-12F/m,试求:
(1)该电容器的灵敏度为多少?
(2)工作中,若传感器与工件的间隙变化量△δ=2um,电容变化量是多
少?
(3)若测量电路的灵敏度S1=200mV/pF,读数仪表的灵敏度S2=5格/mV,
当△δ=2um时,读数仪表示值变化多少格?
3、电阻应变片的灵敏度系数K=1.6,沿纵向粘贴于直径为0.05m的圆形钢柱表面,钢材的弹性模量E=2×1011N/㎡,求钢柱受10 t拉力作用时,应变片电阻的相对变化量?
4、已知某一被测电压约12V ,现有两块电压表:①100V ,0.5级;②15V ,
2.5级。
问选用那一块表测量误差较小?
四、简答题(每题5分,共20分)
1、差动变压器与一般变压器的区别是什么?
差动变压器中两个次级线圈反向串联
2、差动结构的电感式传感器与简单的相比有何优点? 装
订
线
差动式为简单式电感传感器灵敏度的两倍
非线性减少
克服温度等外界共模信号
3、请任意给出三种测位移的方法,并简要说明其工作原理。
(1)电位器式传感器;工作原理:将机械位移信号转换成电信号。
(2)变磁阻式传感器;工作原理:利用线圈电感或互感的改变实现非电量的测量。
(3)光电式传感器;工作原理:将光量的变化转化为电量变化。
4、压电式传感器测量电路中为什么要加前置放大器,其作用是什么?
压电式传感器本身内阻抗很高,而输出能量较少
作用
把高输出阻抗变为地输出阻抗
放大传感器输出的微弱信号。