传感器技术与应用第3版习题答案
- 格式:doc
- 大小:221.00 KB
- 文档页数:26
传感器原理及工程应用第三版课后题答案传感器原理及工程应用第三版课后题答案
传感器原理及工程应用(第三版)课后题答案
2-1什么叫做传感器?它由哪几部分共同组成?它们的促进作用及相互关系如何?【请问】
1、传感器是能感受规定的被测量并按照一定的规律转换成可用输出信号的器件或装置。
2、传感器由:敏感元件、转换元件、信号调理与转换电路和辅助的电源组成。
3、它们的作用是:
(1)敏感元件:就是指传感器中能轻易体会或积极响应被测量的部分;
(2)转换元件:是指传感器中能将敏感元件感受或响应的被测量转换成适于传输或测量的电信号部分;
(3)信号调理与切换电路:由于传感器输入信号通常都很些微,须要存有信号调理与切换电路,展开压缩、运算调制等;
(4)辅助的电源:此外信号调理转换电路以及传感器的工作必须有辅助的电源。
2-5当被测介质温度为t1,测温传感器示值温度为t2时,存有以下方程式设立:
t1t20
当被测介质温度从25℃忽然变化至300℃时,测温传感器的时间常数,先行确认经过300s后的动态误差。
25(t0)dt2
未知:t1t20,t1,0120s
d300(t0)
谋:t=350s时,t1t2?
解:对已知方程式进行拉斯变换得:
t1(s)0t2(0)
t(s)2(4分)0s1。
第二章2-1 什么叫传感器?它由哪几部分组成?它们的作用及相互关系如何? 【答】1、传感器是能感受规定的被测量并按照一定的规律转换成可用输出信号的器件或装置。
2、传感器由:敏感元件、转换元件、信号调理与转换电路和辅助的电源组成。
3、它们的作用是:(1)敏感元件:是指传感器中能直接感受或响应被测量的部分;(2)转换元件:是指传感器中能将敏感元件感受或响应的被测量转换成适于传输或测量的电信号部分;(3)信号调理与转换电路:由于传感器输出信号一般都很微弱,需要有信号调理与转换电路,进行放大、 运算调制等;(4)辅助的电源:此外信号调理转换电路以及传感器的工作必须有辅助的电源。
2-5 当被测介质温度为t1,测温传感器示值温度为t2时,有下列方程式成立:ττd dt t t 2021+=当被测介质温度从25℃突然变化到300℃时,测温传感器的时间常数 ,试确定经过300s 后的动态误差。
已知:2120dt t t d ττ=+ ,125(0)300(0)t t t ≤⎧=⎨>⎩, 0120s τ=求:t=350s 时, 12?t t -=解:解:对已知方程式进行拉斯变换得:(4分) 由题意知:带入得:10220()(0)()1T s t T s s ττ-+=+拉斯反变换得:350s 后的动态误差为:2-6 已知某传感器属于一阶环节,现用于测量100Hz 的正弦信号,如幅值误差限制在±5%以内,时间常数 应取多少?若用该传感器测量50Hz 的正弦信号,问此时的幅值误差和相位误差各为多少? 解:一阶传感器的幅频特性为:()()211ωτω+=A因为幅值误差限制在±5%以内,即 ()95.0>ωA 当Hz f 100= 时,有 s 00052.0max =τ 。
若用此传感器测量 Hz f 50=的信号,其幅值误差为: ()()()%3.1987.0100052.0502111111122=-=⋅⋅+=s Hz A πωτω+-=--相位误差为:()()︒-=-=Φ28.9ωτωarctg第三章3-5 题3-5 图为一直流电桥,图中E=4V ,R 1= R 2= R 3= R 4=120Ω,试求:(1)R 1 为金属应变片,其余为外接电阻,当R 1 的增量为ΔR 1=1.2Ω时,电桥输出的电压U 0=?(2)R1 、R2 都是金属应变片,且批号相同,感应应变的极性和大小都相同,其余为外接电阻,电桥输出的电压U0=?(3)题(2)中,如果R2 与R1 感受应变的极性相反,且ΔR1=ΔR2=1.2Ω,电桥输出的电压U0=?【解】1、电桥输出电压为:2、电桥输出电压为:3、当R1 受拉应变,R2 受压应变时,电桥输出电压为:当R1 受压应变,R2 受拉应变时,电桥输出电压为:3-6题3-6 图为等强度梁测力系统,R1 为电阻应变片,应变片灵敏度系数K=2.05,未受应变时,R1=120Ω。
传感器原理及应用第三版课后答案1. 答案:传感器是一种能够感知环境变化并将其转化为可识别的信号的装置。
它通过使用特定的物理效应或工作原理来感知和测量环境中的物理量或特定的参数。
2. 答案:传感器的应用非常广泛,涵盖了许多不同的领域。
以下是几个常见的传感器应用示例:- 温度传感器:用于监控和控制温度,例如室内温度控制、工业加热系统等。
- 压力传感器:用于测量液体或气体的压力,例如汽车轮胎压力监测、压力容器监控等。
- 光学传感器:用于检测光照强度和颜色,例如光电开关、自动亮度调节系统等。
- 气体传感器:用于检测和测量空气中的气体成分,例如二氧化碳传感器、氧气传感器等。
- 加速度传感器:用于测量物体的加速度和震动,例如运动传感器、汽车碰撞传感器等。
- 湿度传感器:用于测量空气中的湿度水份,例如室内湿度控制、大气湿度监测等。
3. 答案:传感器的工作原理有很多种,常见的包括:- 电阻效应传感器:基于电阻值的变化来感知和测量物理量,例如温度传感器和应变传感器。
- 电容效应传感器:基于电容值的变化来感知和测量物理量,例如湿度传感器和接近传感器。
- 电感效应传感器:基于电感值的变化来感知和测量物理量,例如金属检测传感器和霍尔效应传感器。
- 光学效应传感器:基于光学特性的变化来感知和测量物理量,例如光电传感器和光纤传感器。
- 声波效应传感器:基于声波信号的变化来感知和测量物理量,例如声波距离传感器和声速传感器。
4. 答案:传感器的选择取决于具体的应用需求和要测量的物理量。
需要考虑以下几个方面:- 测量范围:传感器是否能够覆盖所需的测量范围,以及是否有足够的灵敏度和精度。
- 工作环境:传感器是否适用于所需的工作环境,例如温度、湿度、压力等。
- 响应时间:传感器的反应速度是否满足实际要求,是否能够快速响应变化的物理量。
- 成本和可靠性:传感器的价格是否适宜,并且能够稳定可靠地工作。
- 安装和维护:传感器的安装和维护是否方便,是否需要额外的设备或配件。
光勇 0909111621 物联网1102班《传感器技术》作业第一章习题一1-1衡量传感器静态特性的主要指标。
说明含义。
1、线性度——表征传感器输出-输入校准曲线与所选定的拟合直线之间的吻合(或偏离)程度的指标。
2、回差(滞后)—反应传感器在正(输入量增大)反(输入量减小)行程过程中输出-输入曲线的不重合程度。
3、重复性——衡量传感器在同一工作条件下,输入量按同一方向作全量程连续多次变动时,所得特性曲线间一致程度。
各条特性曲线越靠近,重复性越好。
4、灵敏度——传感器输出量增量与被测输入量增量之比。
5、分辨力——传感器在规定测量围所能检测出的被测输入量的最小变化量。
6、阀值——使传感器输出端产生可测变化量的最小被测输入量值,即零位附近的分辨力。
7、稳定性——即传感器在相当长时间仍保持其性能的能力。
8、漂移——在一定时间间隔,传感器输出量存在着与被测输入量无关的、不需要的变化。
9、静态误差(精度)——传感器在满量程任一点输出值相对理论值的可能偏离(逼近)程度。
1-2计算传感器线性度的方法,差别。
1、理论直线法:以传感器的理论特性线作为拟合直线,与实际测试值无关。
2、端点直线法:以传感器校准曲线两端点间的连线作为拟合直线。
3、“最佳直线”法:以“最佳直线”作为拟合直线,该直线能保证传感器正反行程校准曲线对它的正负偏差相等并且最小。
这种方法的拟合精度最高。
4、最小二乘法:按最小二乘原理求取拟合直线,该直线能保证传感器校准数据的残差平方和最小。
1—4 传感器有哪些组成部分?在检测过程中各起什么作用?答:传感器通常由敏感元件、传感元件及测量转换电路三部分组成。
各部分在检测过程中所起作用是:敏感元件是在传感器中直接感受被测量,并输出与被测量成一定联系的另一物理量的元件,如电阻式传感器中的弹性敏感元件可将力转换为位移。
传感元件是能将敏感元件的输出量转换为适于传输和测量的电参量的元件,如应变片可将应变转换为电阻量。
项目单元55,6霍尔传感器1. 选择题。
1)属于四端元件的传感器是_ CA.应变片B.压电片C.霍尔元件D.热敏电阻.2)霍尔元件采用恒流源激励是为了_ BA.提高灵敏度B.克服温漂C.减小不等位电势3)减小霍尔元件的输出不等位电势的方法是。
CA.减小激励电流B. 减小磁感应强度C.使用电桥调零电位器2.什么是霍尔效应?霍尔电势的大小与方向和哪些因素有关?将金属或半导体薄片置于磁场中,磁场方向垂直于金属或半导体薄片,当有电流流过半导体薄片时,在垂直于电流和磁场的方向上将会产生电势,这种现象称为霍尔效应.霍尔电势的大小正比于控制电流I和磁感应强度B,方向与控制电流I和磁感应强度B的方向有关,当控制电流I和磁感应强度B的方向改变时,霍尔电势的方向也随之改变。
但当控制电流I和磁感应强度B的方向同时改变时, 霍尔电势的方向不变。
3.影响霍尔电势的因素有哪些?用霍尔元件可测量哪些物理量?试举例说明。
在实际使用中,由于霍尔式传感器的精度受各种因素的影响,所以在霍尔电势中存在多种误差,这些误差产生的原因主要是制造工艺的缺陷和半导体本身的固有特性。
其中,不等位电势和温度是影响霍尔式传感器误差的两个主要因素。
霍尔元件根据霍尔效应原理用于测量电流、电压、磁场强度、位移、角度、等等磁场测量,将霍尔元件做成探头,测量时,将探头置于待测磁场中,并使探头的磁敏感面垂直于磁场。
控制电流可由恒流源(或恒压源)供给,用电表或电位差计来测量霍尔电势。
根据Uq=K_IB,若控制电流I不变,则输出电势Uq正比于磁场B,故可以利用电表来显示待测的磁场。
4.霍尔式传感器的灵敏度与霍尔元件的厚度之间有什么关系?霍尔灵敏度与霍尔元件厚度成反比,5.什么是霍尔元件的温度特性?如何进行温度补偿?答:霍尔元件的温度特性是指元件的内阻及输出与温度之间的关系。
与一般半导体一样,由于电阻率、迁移率以及载流子浓度随温度变化,所以霍尔元件的内阻、输出电压等参数也将随温度而变化。
传感器技术与应用第3版习题答案-标准化文件发布号:(9456-EUATWK-MWUB-WUNN-INNUL-DDQTY-KII《传感器技术与应用第3版》习题参考答案习题11.什么叫传感器它由哪几部分组成2.答:传感器是能感受规定的被测量并按照一定的规律转换成可用输出信号的器件或装置。
传感器通常由敏感元件和转换元件组成。
其中敏感元件是指传感器中能直接感受或响应被测量的部分;转换元件是指传感器中能将敏感元件感受或响应的被测量转换成适于传输或测量的电信号部分。
2. 传感器在自动测控系统中起什么作用?答:自动检测和自动控制技术是人们对事物的规律定性了解、定量分析预期效果所从事的一系列技术措施。
自动测控系统是完成这一系列技术措施之一的装置。
一个完整的自动测控系统,一般由传感器、测量电路、显示记录装置或调节执行装置、电源四部分组成。
传感器的作用是对通常是非电量的原始信息进行精确可靠的捕获和转换为电量,提供给测量电路处理。
3. 传感器分类有哪几种各有什么优、缺点答:传感器有许多分类方法,但常用的分类方法有两种,一种是按被测输入量来分,如温度传感器、湿度传感器、压力传感器、位移传感器、流量传感器、液位传感器、力传感器、加速度传感器、转矩传感器等;另一种是按传感器的工作原理来分,如电学式传感器、磁学式传感器、光电式传感器、电势型传感器、电荷传感器、半导体传感器、谐振式传感器、电化学式传感器等。
还有按能量的关系分类,即将传感器分为有源传感器和无源传感器;按输出信号的性质分类,即将传感器分为模拟式传感器和数字式传感器。
按被测输入量分类的优点是比较明确地表达了传感器的用途,便于使用者根据其用途选用;缺点是没有区分每种传感器在转换机理上有何共性和差异,不便使用者掌握其基本原理及分析方法。
按工作原理分类的优点是对传感器的工作原理比较清楚,有利于专业人员对传感器的深入研究分析;缺点是不便于使用者根据用途选用。
4. 什么是传感器的静态特性?它由哪些技术指标描述?答:传感器测量静态量时表现的输入、输出量的对应关系为静态特性。
项目单元44.6 习题答案1.选择题1)在电容传感器中,若采用调频法测量转换电路,则电路中______C___。
A. 电容和电感均为变量B. 电容是变量,电感保持不变C. 电容保持常数,电感为变量D. 电容和电感均保持不变2)在两片间隙为1mm的两块平行极板的间隙中插入____C_____,可测得最大的电容量。
A. 塑料薄膜B. 干的纸C. 湿的纸 D .玻璃薄片2.电容式传感器有几种类型?各有什么特点?试举出你所知道的电容传感器的实例。
答案:电容式传感器有三种基本类型:变极距型电容传感器、变面积型电容传感器和变介电常数型电容传感器。
电容式传感器的特点:结构简单,性能稳定,可在恶劣环境下工作;动态响应好、灵敏度高,阻抗高,功率小,没有由于振动引起的漂移。
但测试时导线的分布电容对测量误差影响较大。
电容式传感器主要能测量荷重、位移、振动、角度、加速度等机械量。
3. 电容式传感器常用的转换电路有哪些?答案:1.桥式电路2.调频电路3.脉冲宽度调制电路4.运算放大器式测量电路。
4.粮食部门在收购、存储粮食时,需测定粮食的干燥程度,以防霉变。
请你根据已学过的知识设计一个粮食水份含量测试仪(画出原理图、传感器简图,并简要说明它的工作原理及优缺点)答案:略。
5.为什么说变间隙型电容传感器特性是非线性的?采取什么措施可提高灵敏度、改善其非线性特征?答案:变间隙型电容传感器原理如图4.3(a)所示。
图中极板1是固定不动的,极板2为可动的,一般称为动极板。
当动极板受被测物作用引起位移时,就改变了两极板之间的距离d,从而使电容量发生变化。
设传感器初始时的电容量为Co(Co=εA/do),当动极板位移使极板间距减小x值后,其电容值为:)1(000x d x C x d AC -+=-=ε (4-4)由上式可见,电容量C 与x 不是线性关系,其灵敏度也不是常数。
在实际应用中,为了提高传感器的灵敏度,减小非线性,常常把传感器做成差动形式6.有一平面直线位移型差动电容传感器其测量电路采用变压器交流电桥,结构组成如图所示。
项目单元2课后习题参考答案1.选择题C A CD C A C B D B2. 电阻温度系数 膨胀系数3. 电阻值的变化4. 相对桥臂阻值乘积相等5. 没有关系6. 温度误差 灵敏度7. 应变片,压阻效应8. 形变,电阻9. 答:导体、半导体材料在外力作用下发生机械形变, 导致其电阻值发生变化的物理现象称为应变效应。
对金属材料而言, k0的大小以 (1 + 2μ) 为主; 而对于半导体材料, k0的大小以l l //∆∆ρρ为主。
金属材料应变片其灵敏度较为稳定,而半导体材料的灵敏度受多种因素影响,呈非线性,波动较大。
10. 一是电阻式应变片的阻值变动较小,很难用一般的电阻测量仪器测量;二是实际测量系统中,需要把电阻变化转换为电压的变化。
故实际一般使用电桥电路进行测量。
11. 平衡电桥可以实现温度自补偿功能,所以只需要调节零点补偿即可,而不平衡电桥既需要零点补偿也需要温度补偿电路。
12. 单臂电桥在温度补偿中需要在相邻桥臂加装补偿片或者采用应变片自补偿,自补偿可以采用相同规格应变片对应补偿,补偿片则是用另一块和被测试件结构材料相同而不受应力的补偿块上贴上和工作片规格完全相同的补偿片, 使补偿块和被测试件处于相同的温度环境, 工作片和补偿片分别接入电桥的相邻两臂。
13. 动态电阻应变仪组成框图14电阻式传感器,主要包括电阻应变片、电位器、测温热电阻、热敏电阻、湿敏电阻等传感器。
利用电阻传感器可以测量力、压力、位移、应变、荷重、转矩、加速度、温度、湿度、气体成份及浓度等非电量参数。
电阻式传感器结构简单,性能稳定,灵敏度较高,有的还可用于动态测量。
15. 热敏电阻是一种新型的半导体测温元件,它是利用半导体的电阻随温度变化的特性而制成的测温元件。
按温度系数不同可分为正温度系数热敏电阻(PTC )和负温度系数热敏电阻(NTC )和临界温度系数热敏电阻(CRT )3种。
主要特点:灵敏度高,稳定性好,过载能力强,寿命长。
传感器技术习题解答第一章传感器的一般特性1-1:答:传感器在被测量的各个值处于稳定状态时,输出量和输入量之间的关系称为传感器的静态特性;其主要指标有线性度、灵敏度、精确度、最小检测量和分辨力、迟滞、重复性、零点漂移、温漂。
1-2:答:(1)动态特性是指传感器对随时间变化的输入量的响应特性;(2)描述动态特性的指标:对一阶传感器:时间常数对二阶传感器:固有频率、阻尼比。
1-3:答:传感器的精度等级是允许的最大绝对误差相对于其测量范围的百分数,即A=ΔA/Y FS*100%1-4;答:(1):传感器标定曲线与拟合直线的最大偏差与满量程输出值的百分比叫传感器的线性度;(2)拟合直线的常用求法有:端基法和最小二5乘法。
1-5:答:由一阶传感器频率传递函数w(jw)=K/(1+jωη),确定输出信号失真、测量结果在所要求精度的工作段,即由B/A=K/(1+(ωη)2)1/2,从而确定ω,进而求出f=ω/(2π).1-6:答:若某传感器的位移特性曲线方程为y1=a0+a1x+a2x2+a3x3+…….让另一传感器感受相反方向的位移,其特性曲线方程为y2=a0-a1x+a2x2-a3x3+……,则Δy=y1-y2=2(a1x+a3x3+ a5x5……),这种方法称为差动测量法。
其特点输出信号中没有偶次项,从而使线性范围增大,减小了非线性误差,灵敏度也提高了一倍,也消除了零点误差。
1-7:解:Y FS=200-0=200由A=ΔA/Y FS*100%有A=4/200*100%=2%。
精度特级为2.5级。
1-8:解:根据精度定义表达式:A=ΔA/Ay FS*100%,由题意可知:A=1.5%,Y FS=100所以ΔA=A Y FS=1.5因为 1.4<1.5所以合格。
1-9:解:Δhmax=103-98=5Y FS=250-0=250故δH=Δhmax/Y FS*100%=2%故此在该点的迟滞是2%。
1-10:解:因为传感器响应幅值差值在10%以内,且Wη≤0.5,W≤0.5/η,而w=2πf,所以 f=0.5/2πη≈8Hz即传感器输入信号的工作频率范围为0∽8Hz1-11解:(1)切线法如图所示,在x=0处所做的切线为拟合直线,其方程为:Y =a0+KX,当x=0时,Y=1,故a0=1,又因为dY/dx=1/(2(1+x)1/2)|x=0=1/2=K故拟合直线为:Y=1+x/2最大偏差ΔYmax在x=0.5处,故ΔYmax=1+0.5/2-(1+0.5)1/2=5/4-(3/2)1/2=0.025Y FS=(1+0.5/2)-1=0.25故线性度δL=ΔYmax/ Y FS*100%=0.025/0.25*100%=0.10*100%=10%(2)端基法:设Y的始点与终点的连线方程为Y=a0+KX因为x=0时,Y=1,x=0.5时,Y=1.225,所以a0=1,k=0.225/0.5=0.45而由 d(y-Y)/dx=d((1+x)1/2-(1+0.45x))/dx=-0.45+1/(2(1+x)1/2)=0有-0.9(1+x)1/2+1=0(1/0.9)2=1+xx=0.234ΔYmax=[(1+x)1/2-(1+0.45x)]|x=0.234=1.11-1.1053=0.0047Y FS=1+0.45*0.5-1=0.225δL端基=ΔYmax/ Y FS*100%=0.0047/0.225*100%=2.09%(3)最小二*法由公式()()xykninkniaxxyxxyxxxyxyxaiiiiiiiiiii*4695.00034.14695.005.1506.100365.1055.0*625.2751.1*65.1*691.60034.105.168.36265.255.0*625.255.0*691.65.1*751.1)**)22222((+==--=--==--=--=-∑∑-∑=-∑-∑=∑∑∑∑∑∑由d(y-Y)/dx=d((1+x)1/2-(1.0034+0.4695*x))/dx=-0.4695+1/(2(1+x)1/2)=0有x=1/(0.939)2-1=0.134ΔYmax=[(1+x)1/2-(1.0034+0.4695x)]|x=0.234=1.065-1.066=-0.001Y FS =1.0034+0.4695x-1.0034=0.235 δL 二*法=ΔYmax/ Y FS *100%=0.001/0.235*100%=0.0042*100%=0.42%1-12:解:此为一阶传感器,其微分方程为a 1dy/dx+a 0y=b 0x 所以 时间常数η=a 1/a 0=10sK=b 0/a 0=5*10-6V/Pa1- 13:解:由幅频特性有:()=+=⎪⎪⎭⎫⎝⎛⎪⎪⎭⎫ ⎝⎛⎪⎪⎭⎫ ⎝⎛-ωωξωωω04021/2221K A ()()3125.1arctan 36.016.0*7.0*2arctan 012arctan 947.07056.01*42120222264.010006007.010006001-=--=-⎪⎪⎭⎫⎝⎛-==+=+⎪⎪⎭⎫⎝⎛⎪⎭⎫ ⎝⎛⎪⎪⎭⎫⎝⎛⎪⎭⎫ ⎝⎛-ωωωωξωϕ1- 14:解:由题意知:()()()max minmax3%H j H j H j ωωω-<因为最小频率为W=0,由图1-14知,此时输出的幅频值为│H (jw )│/K=1,即│H (jw )│=K()maxmax 013%0.9719.3620.97KK kHz H j ωωω∴-<<<⎛<= ⎝1- 15解:由传感器灵敏度的定义有: K =m mv mmv x y μμ/51050==∆∆ 若采用两个相同的传感器组成差动测量系统时,输出仅含奇次项,且灵敏度提高了2倍,为20mv/μm.第二章 应变式传感器2-1:答:(1)金属材料在受到外力作用时,产生机械变形,导致其阻值发生变化的现象叫金属材料的应变效应。
模块一传感器的基本知识课题1 传感器的认识一、填空题1.传感器技术2.非电量信息3.敏感元件;传感器元件;测量电路4.物理效应5.传感器二、判断题1.√2.√3.×4.×5.√三、名词解释1.敏感元件是传感器中将被测量转换成与其有确定关系的、更易于转换的非电量的元件。
如很多称重传感器,先将重力转化成位移,位移更易于转换和检测。
2.传感元件是将传感器中的敏感元件转换的非电量进一步转换成电量,便于信号采集的元件。
如很多称重传感器,敏感元件先将重力转换成位移,传感元件再将位移转换成电阻变化,经检测电路成为便于测量的电压信号或电流信号。
四、简答题1.在信号检测和自动化控制系统中,传感器用于接收各种外部环境信息,其作用类似于人的感官,例如光敏传感器的作用类似视觉器官,气敏传感器的作用类似嗅觉器官。
2.传感器种类多种多样,比较常用的分类方法有三种:○1按传感器测量的物理量分类,可分为温度传感器、压力传感器、流量传感器、位移传感器等。
○2按传感器工作原理分类,可分为电阻传感器、电容传感器、电感传感器、光电传感器等。
○3按传感器输出信号的性质分类,可分为开关型传感器、模拟型传感器、数字型传感器。
3.传感器测量转换电路将传感元件输出的幅度很小且混杂有干扰信号的信号转换成为具有最佳特性的、线性化的电信号,并放大成易于测量、处理的电信号,如电压、电流、频率等。
五、综合应用题1.答案要点:一辆中级轿车中装有上千种传感器,以保证汽车的动力性、安全性、舒适性等。
当速度传感器感受到汽车速度为零时,输出信号使得汽车刹车启动,实现自动启停功能;汽车碰撞时,冲击传感器感受到冲击,输出信号将气囊打开,保护驾驶员的安全性。
温度传感器能够使汽车内部环境舒适宜人,保证驾驶员及乘坐人员的舒适性。
2.答案要点:机器人能看到障碍物,它可能用了图像传感器,类似于相机中的图像传感器,可以记录图像、可以识别图像。
课题2 传感器的技术指标一、填空题1.真实值2.线性度;迟滞;重复性3.最小变化4.动态响应时间;频率响应范围5.线性度;迟滞;重复性二、判断题1.×2.√3.√4.√5.√三、名词解释1.传感器的静态特性是指传感器的输入信号不随时间变化,或随时间缓慢变化时,传感器的输入与输出的对应关系。
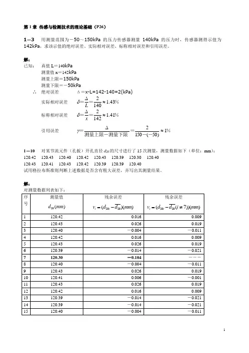
第1章 传感与检测技术的理论基础(P26)1-3 用测量范围为-50~150kPa 的压力传感器测量140kPa 的压力时,传感器测得示值为142kPa ,求该示值的绝对误差、实际相对误差、标称相对误差和引用误差。
解:已知: 真值L =140kPa 测量值x =142kPa 测量上限=150kPa测量下限=-50kPa∴ 绝对误差Δ=x-L=142-140=2(kPa) 实际相对误差 %==43.11402≈∆L δ 标称相对误差 %==41.11422≈∆x δ引用误差%--=测量上限-测量下限=1)50(1502≈∆γ1-10对某节流元件(孔板)开孔直径d 20的尺寸进行了15次测量,测量数据如下(单位:mm ):120.42 120.43 120.40 120.42 120.43 120.39 120.30 120.40120.43 120.41 120.43 120.42 120.39 120.39 120.40试用格拉布斯准则判断上述数据是否含有粗大误差,并写出其测量结果。
解:对测量数据列表如下: 序号 测量值20()d m m残余误差 2020()()i i v d d mm =-残余误差2020((7))()i i v d d i mm =-≠1 120.42 0.016 0.009 2 120.43 0.026 0.019 3 120.40 -0.004 -0.011 4 120.42 0.016 0.0095 120.43 0.026 0.019 6 120.39 -0.014 -0.0217 120.30 -0.104 ―――8 120.40 -0.004 -0.0119 120.43 0.026 0.019 10 120.41 0.006 -0.001 11 120.43 0.026 0.019 12 120.42 0.016 0.009 13 120.39 -0.014 -0.021 14 120.39 -0.014 -0.021 15120.40-0.004-0.01120120.404d mm = 20(7)120.411d i mm ≠=2015210.0327151ii dvm m σ===-∑ 200.0788()d G m m σ= 20270.0161141ii d vm m σ≠==-∑200.0382()d G m m σ=当n =15时,若取置信概率P =0.95,查表可得格拉布斯系数G =2.41。
项目单元99.6 习题1. 晒太阳取暖利用了 C ;人造卫星的光电池板利用了 A ;植物的生长利用了 B ;A、光电效应B、光化学效应C、光热效应D、感光效应。
2. 光敏二极管属于 B ;光电池属于 C。
A、外光电效应B、内光电效应C、光生伏特效应3. 光敏二极管在测光电路中应处于 B 偏置状态,而光电池通常处于 C 偏置状态。
A、正向 B、反向 C、零4. 光纤通信中,与出射光纤耦合的光电元件应选用 C 。
A、光敏电阻B、PIN光敏二极管C、APD光敏二极管D、光敏三极管5. 温度上升时,光敏电阻、光敏二极管,光敏三极管的暗电流 A 。
A、上升B、下降C、不变6. 欲精密测量光的照度,光电池应配接 D 。
A、电压放大器B、A/D转换器C、电荷放大器D、I/U转换器7. 欲利用光电池驱动电动车,需将数片光电池, A以提高输出电压,再将几组光电池 A 起来,以提高输出电流。
A、串联,并联B、串联,串联C、并联,串联D、并联,并联8. 普通型硅光电池的峰值波长为 C ,落在 E 区域。
A、0.8mB、8mmC、0.8μmD、可见光E、近红外光F、紫外光G、远红外光9. 光敏电阻是用半导体材料制成的,如图9.25所示,将一个光敏电阻与多用电表联成一电路,此时选择开关放在欧姆挡,照射在光敏电阻上的光强逐渐增大,则欧姆表指针的偏转角度A ,若将选择开关放在电压档,同样增大照射光强度,则指针偏转角度 C 。
图9.25A、变大B、变小C、不变10. 用遥控器调换电视机频道的过程,实际上就是传感器把光信号转化为电信号的过程。
下列属于这类传感器的是 A 。
A.红外报警装置 B.走廊照明灯的声控开关C.自动洗衣机中的压力传感装置 D.电饭煲中控制加热和保温的温控器11. 在如图9.29的电路中,电源两端的电压恒定,L为小灯泡,R为光敏电阻,D为发光二极管(电流越大,发出的光越强),且R与D间距不变,下列说法正确的是 A 。
《传感器技术与应用第3版》习题参考答案习题11.什么叫传感器?它由哪几部分组成?答:传感器是能感受规定的被测量并按照一定的规律转换成可用输出信号的器件或装置。
传感器通常由敏感元件和转换元件组成。
其中敏感元件是指传感器中能直接感受或响应被测量的部分;转换元件是指传感器中能将敏感元件感受或响应的被测量转换成适于传输或测量的电信号部分。
2. 传感器在自动测控系统中起什么作用?答:自动检测和自动控制技术是人们对事物的规律定性了解、定量分析预期效果所从事的一系列技术措施。
自动测控系统是完成这一系列技术措施之一的装置。
一个完整的自动测控系统,一般由传感器、测量电路、显示记录装置或调节执行装置、电源四部分组成。
传感器的作用是对通常是非电量的原始信息进行精确可靠的捕获和转换为电量,提供给测量电路处理。
3. 传感器分类有哪几种?各有什么优、缺点?答:传感器有许多分类方法,但常用的分类方法有两种,一种是按被测输入量来分,如温度传感器、湿度传感器、压力传感器、位移传感器、流量传感器、液位传感器、力传感器、加速度传感器、转矩传感器等;另一种是按传感器的工作原理来分,如电学式传感器、磁学式传感器、光电式传感器、电势型传感器、电荷传感器、半导体传感器、谐振式传感器、电化学式传感器等。
还有按能量的关系分类,即将传感器分为有源传感器和无源传感器;按输出信号的性质分类,即将传感器分为模拟式传感器和数字式传感器。
按被测输入量分类的优点是比较明确地表达了传感器的用途,便于使用者根据其用途选用;缺点是没有区分每种传感器在转换机理上有何共性和差异,不便使用者掌握其基本原理及分析方法。
按工作原理分类的优点是对传感器的工作原理比较清楚,有利于专业人员对传感器的深入研究分析;缺点是不便于使用者根据用途选用。
4. 什么是传感器的静态特性?它由哪些技术指标描述?答:传感器测量静态量时表现的输入、输出量的对应关系为静态特性。
它有线性度、灵敏度、重复性、迟滞现象、分辨力、稳定性、漂移等技术指标。
《传感器原理与应用》习题集与部分参考答案——第1章教材:传感器技术(第3版)贾伯年主编,及其他参考书绪论0-1 综述你所理解的传感器概念。
0-2 何谓结构型传感器?何谓物性型传感器?试述两者的应用特点。
0-3 一个可供实用的传感器由哪几部分构成?各部分的功用是什么?试用框图示出你所理解的传感器系统。
答:传感器一般由敏感元件、转换元件和转换电路(或其它辅助器件)三部分组成。
组成框图如下:(1)敏感元件:是直接感受被测量,并输出与被测量成确定关系的某一物理量的元件,如波纹膜盒、光敏电阻等。
(2)转换元件:敏感元件的输出就是它的输入,其把输入转换成电路参数量。
(3)转换电路:上述电路参数接入转换电路,便可转换成电量输出。
0-4 就传感器技术在未来社会中的地位、作用及其发展方向,综述你的见解。
答:(1)社会对传感器需求的新动向:社会需求是传感器技术发展的强大动力,随着现代化科学技术,特别是大规模集成电路技术的飞速发展和电脑的普及,传感器在新的技术革命中的地位和作用将更为突出。
(2)传感器技术的发展趋势:当前,人们在充分利用先进的电子技术条件,研究和采用合适的外部电路以及最大限度地提高现有传感器的性能价格比的同时,正在寻求传感器技术发展的新途径。
如:1)开发新型传感器,从原有的工作机理启发人们进一步探索具有新效应的敏感功能材料,并以此研制出具有新原理的新型物性型传感器件,这是发展高性能、多功能、低成本和小型化传感器的重要途径;2)传感器的集成化和多功能化,固态功能材料——半导体、电介质、强磁体的进一步开发和集成技术的不断发展,为传感器集成化开辟了广阔的前景;3)传感器的智能化,“电五官”与“电脑”的结合,就是传感器的智能化;4)研究生物感官,开发仿生传感器。
0-5 简述自动检测系统组成。
答:自动检测系统由被检测量、敏感元件(测检元件)、电子测量(转换)电路、输出单元组成。
0-6 什么是传感器、自动检测技术?答:传感器是信息采集系统的首要部件,是实现现代化测量和自动控制的主要环节,是现代信息产业的源头,其广义定义为:能够感受规定的被测量并按照一定的规律转换成可用输出信号的器件和装置,通常由敏感元件和转换元件组成;其狭义定义为:一种以一定的精确度将被测量(非电信号)转换为与之有确定对应关系、便于应用的电量的测量装置,通常由敏感元件、转换元件和转换电路组成。
[整理版]传感器原理与应用习题_第6章压电式传感器《传感器原理与应用》习题集与部分参考答案教材:传感器技术(第3版)贾伯年主编,及其他参考书第6章压电式传感器6-1 何谓压电效应,何谓纵向压电效应和横向压电效应,答:一些离子型晶体的电介质不仅在电场力作用下,而且在机械力作用下,都会产生极化现象。
且其电位移D(在MKS单位制中即电荷密度σ)与外应力张量T成正比: D = dT 式中 d—压电常数矩阵。
当外力消失,电介质又恢复不带电原状;当外力变向,电荷极性随之而变。
这种现象称为正压电效应,或简称压电效应。
若对上述电介质施加电场作用时,同样会引起电介质内部正负电荷中心的相对位移而导致电介质产生变形,且其应变S与外电场强度E成正比: S=dE 式中 d——逆压电常数矩阵。
这种现象称为逆压电tt效应,或称电致伸缩。
6-2 压电材料的主要特性参数有哪些,试比较三类压电材料的应用特点。
答:主要特性:压电常数、弹性常数、介电常数、机电耦合系数、电阻、居里点。
压电单晶:时间稳定性好,居里点高,在高温、强辐射条件下,仍具有良好的压电性,且机械性能,如机电耦合系数、介电常数、频率常数等均保持不变。
此外,还在光电、微声和激光等器件方面都有重要应用。
不足之处是质地脆、抗机械和热冲击性差。
压电陶瓷:压电常数大,灵敏度高,制造工艺成熟,成形工艺性好,成本低廉,利于广泛应用,还具有热释电性。
新型压电材料:既具有压电特性又具有半导体特性。
因此既可用其压电性研制传感器,又可用其半导体特性制作电子器件;也可以两者合一,集元件与线路于一体,研制成新型集成压电传感器测试系统。
6-3 试述石英晶片切型()的含意。
yxlt,50:/45:6-4 为了提高压电式传感器的灵敏度,设计中常采用双晶片或多晶片组合,试说明其组合的方式和适用场合。
答:(1)并联:C′,2C,q′=2q,U′=U,因为输出电容大,输出电荷大,所以时间常数,适合于测量缓变信号,且以电荷作为输出的场合。
项目单元33.6 习题参考答案1.电感式传感器分为哪几种类型?各有何特点?答:电感式传感器是利用线圈自感和互感的变化实现非电量电测的一种装置,传感器利用电磁感应定律将被测非电量转换为电感或互感的变化。
电感式传感器种类:自感式、互感式、涡流式、压磁式、感应同步器。
工作原理:自感、互感、涡流、压磁。
2.比较差动式电感传感器和差动变压器式传感器在结构和工作原理上的异同。
答:自感式传感器与差动变压器式传感器相同点:工作原理都是建立在电磁感应的基础上,都可以分为变气隙式、变面积式和螺旋式等。
不同点:结构上,自感式传感器是将被测量的变化转化为电感线圈的电感值变化。
差动变压器式电感式传感器是把被测量的变化转换为传感器互感的变化,传感器本身是互感系数可变的变压器。
3.说明差动变隙式电感传感器的主要组成和工作原理,采用差动变隙式电感传感器有何优点。
答:差动变隙式电感传感器的主要由两个结构对称的电感线圈组成,电气参数相同,共用一个衔铁,当衔铁发生位移时,一个线圈的电感量增加,一个电感量减小,电感量的变化反应了位移的大小。
采用差动变隙式电感传感器优点:1)差动变隙式电感传感器灵敏度是单个电感传感器的两倍,2)可以改善电感传感器的线性。
4.差动变压器式传感器的零点残余电压产生的原因是什么?答:零点残余电压产生原因:主要是由传感器的两次级绕组的电气参数和几何尺寸不对称,以及磁性材料的非线性等引起的。
零点残余电压的波形十分复杂,主要由基波和高次谐波组成。
基波产生的主要原因是:传感器的两次级绕组的电气参数、几何尺寸不对称,导致它们产生的感应电势幅值不等、相位不同,因此不论怎样调整衔铁位置,两线圈中感应电势都不能完全抵消。
高次谐波(主要是三次谐波)产生原因:是磁性材料磁化曲线的非线性(磁饱和、磁滞)。
零点残余电压一般在几十毫伏以下,在实际使用时,应设法减小Ux,否则将会影响传感器的测量结果。
5.什么是电涡流效应?怎样利用电涡流效应进行位移测量?答:电涡流效应是指金属导体置于交变磁场中会产生电涡流,且该电涡流所产生磁场的方向与原磁场方向相反的一种物理现象。
《传感器原理与应用》习题集与部分参考答案教材:传感器技术(第3版)贾伯年主编,及其他参考书第6章 压电式传感器6-1 何谓压电效应?何谓纵向压电效应和横向压电效应?答:一些离子型晶体的电介质不仅在电场力作用下,而且在机械力作用下,都会产生极化现象。
且其电位移D(在MKS 单位制中即电荷密度σ)与外应力张量T 成正比: D = dT 式中 d —压电常数矩阵。
当外力消失,电介质又恢复不带电原状;当外力变向,电荷极性随之而变。
这种现象称为正压电效应,或简称压电效应。
若对上述电介质施加电场作用时,同样会引起电介质内部正负电荷中心的相对位移而导致电介质产生变形,且其应变S 与外电场强度E 成正比: S=d t E 式中 d t ——逆压电常数矩阵。
这种现象称为逆压电效应,或称电致伸缩。
6-2 压电材料的主要特性参数有哪些?试比较三类压电材料的应用特点。
答:主要特性:压电常数、弹性常数、介电常数、机电耦合系数、电阻、居里点。
压电单晶:时间稳定性好,居里点高,在高温、强辐射条件下,仍具有良好的压电性,且机械性能,如机电耦合系数、介电常数、频率常数等均保持不变。
此外,还在光电、微声和激光等器件方面都有重要应用。
不足之处是质地脆、抗机械和热冲击性差。
压电陶瓷:压电常数大,灵敏度高,制造工艺成熟,成形工艺性好,成本低廉,利于广泛应用,还具有热释电性。
新型压电材料:既具有压电特性又具有半导体特性。
因此既可用其压电性研制传感器,又可用其半导体特性制作电子器件;也可以两者合一,集元件与线路于一体,研制成新型集成压电传感器测试系统。
6-3 试述石英晶片切型(︒︒+45/50yxlt )的含意。
6-4 为了提高压电式传感器的灵敏度,设计中常采用双晶片或多晶片组合,试说明其组合的方式和适用场合。
答:(1)并联:C ′=2C ,q ′=2q,U ′=U,因为输出电容大,输出电荷大,所以时间常数,适合于测量缓变信号,且以电荷作为输出的场合。
《传感器技术与应用第3版》习题参考答案习题11.什么叫传感器它由哪几部分组成答:传感器是能感受规定的被测量并按照一定的规律转换成可用输出信号的器件或装置。
传感器通常由敏感元件和转换元件组成。
其中敏感元件是指传感器中能直接感受或响应被测量的部分;转换元件是指传感器中能将敏感元件感受或响应的被测量转换成适于传输或测量的电信号部分。
2. 传感器在自动测控系统中起什么作用答:自动检测和自动控制技术是人们对事物的规律定性了解、定量分析预期效果所从事的一系列技术措施。
自动测控系统是完成这一系列技术措施之一的装置。
一个完整的自动测控系统,一般由传感器、测量电路、显示记录装置或调节执行装置、电源四部分组成。
传感器的作用是对通常是非电量的原始信息进行精确可靠的捕获和转换为电量,提供给测量电路处理。
3. 传感器分类有哪几种各有什么优、缺点答:传感器有许多分类方法,但常用的分类方法有两种,一种是按被测输入量来分,如温度传感器、湿度传感器、压力传感器、位移传感器、流量传感器、液位传感器、力传感器、加速度传感器、转矩传感器等;另一种是按传感器的工作原理来分,如电学式传感器、磁学式传感器、光电式传感器、电势型传感器、电荷传感器、半导体传感器、谐振式传感器、电化学式传感器等。
还有按能量的关系分类,即将传感器分为有源传感器和无源传感器;按输出信号的性质分类,即将传感器分为模拟式传感器和数字式传感器。
按被测输入量分类的优点是比较明确地表达了传感器的用途,便于使用者根据其用途选用;缺点是没有区分每种传感器在转换机理上有何共性和差异,不便使用者掌握其基本原理及分析方法。
按工作原理分类的优点是对传感器的工作原理比较清楚,有利于专业人员对传感器的深入研究分析;缺点是不便于使用者根据用途选用。
4. 什么是传感器的静态特性它由哪些技术指标描述答:传感器测量静态量时表现的输入、输出量的对应关系为静态特性。
它有线性度、灵敏度、重复性、迟滞现象、分辨力、稳定性、漂移等技术指标。
5. 为什么传感器要有良好的动态特性什么是阶跃响应法和频率响应法答:在动态(快速变化)的输入信号情况下,要求传感器能迅速准确地响应和再现被测信号的变化。
因此,需要传感器具有良好的动态特性。
测试和检验传感器的动态特性有瞬态响应法和频率响应法。
阶跃响应法即瞬态响应法,是给传感器输入一个单位阶跃函数的被测量,测量其输出特性。
动态特性优良的传感器的输出特性应该上升沿陡,顶部平直。
频率响应法是给传感器输入各种频率不同而幅值相同,初相位为零的正弦函数的被测量,测量其输出的正弦函数输出量的幅值和相位与频率的关系。
动态特性优良的传感器,输出的正弦函数输出量的幅值对于各频率是相同的,相位与各频率成线性关系。
6. 传感器的性能指标有哪些设计、制造传感器时应如何考虑试举例说明答:传感器有基本参数指标,例如量程、灵敏度、精度以及动态特性的频率特性、上升时间、过冲量等;有环境参数指标,例如温度、气压、湿度等;有可靠性指标,例如寿命、平均无故障时间、绝缘电阻、耐压等;还有供电方式、外形尺寸、重量、安装方式等性能指标。
在设计、制造传感器时应根据实际的需要与可能,在确保主要性能指标实现的基础上,放宽对次要性能指标的要求,以求得高的性能价格比。
例如:测量体温的温度表用的是水银材料(精度高,水银低温时要冻结),而家庭使用测量室内温度的温度计用的是染色酒精(低温时不冻结,价格便宜)。
习题21. 用K型(镍铬—镍硅)热电偶测量炉温时,自由端温度t0=30℃,由电子电位差计测得热电势E(t,30℃)=,求炉温t。
答:参考端(自由端)温度t0=30℃,由分度表2-1可查得 E(30℃,0℃)=,若测得热电势E(t,30℃)= ,则可得E(t,0℃)=E(t,30℃+E(30℃,0℃)= +=再查分度表可知炉温t=940℃。
2. 热电偶主要分几种类型,各有何特点。
我国统一设计型热电偶有哪几种答:热电偶主要分普通型热电偶、铠装热电偶和薄膜热电偶。
普通型热电偶由热电极、绝缘套管、保护管和接线盒组成,是工业测量上应用最多的热电偶;铠装热电偶耐高压、反应时间短、坚固耐用;薄膜热电偶适用于各种表面温度的测量。
我国指定S、B、E、K、R、J、T七种标准化热电偶为我国统一设计型热电偶。
3. 利用分度号Pt100铂电阻测温,求测量温度分别为t1=-100℃和t2=650℃的铂电阻Rt1、Rt2值。
答:在-100℃铂电阻的电阻—温度特性方程为:R t=R O[1+At+Bt2+Ct3(t-100)]将R0=100Ω、t1=-100℃、A= ×10-3/℃、B= ×10-7/℃2、C= ×10-12/℃4代入,可计算得到R t=100[1+×10-3×(-100)+(×10-7)×(-100)2+(×10-12)×(-100)3×(-100-100)]=Ω在+650℃铂电阻的电阻—温度特性方程为:R t=R O(1+At+Bt2)将R0=100Ω、t2=650℃、A= ×10-3/℃、B= ×10-7/℃2代入,可计算得到R t=100(1+×10-3×650+×10-7×6502)=333Ω4. 利用分度号Cu100的铜电阻测温,当被测温度为50℃时,问此时铜电阻Rt值为多大答: R t≈R0(1+αt)R0为温度为0℃时铜电阻值,Cu100为100Ω,α1为常数;α1=×10-3 ℃-1。
代入算得R t≈100×(1+×10-3×50)=Ω5. 画出用四个热电偶共用一台仪表分别测量T1、T2、T3和T4的测温电路。
若用四个热电偶共用一台仪表测量T1、T2、T3和T4的平均温度,电路又应怎样连接答:(1)四个热电偶分别接电子开关,再接同一台测量仪表,通过选通电子开关的办法,实现分别测量T1、T2、T3和T4的温度。
(电子开关可以采用DG801/802超导通电阻(最大导通电阻为Ω)电子开关, S端输入,D端输出,C端高电平时选通。
)(2)四个热电偶并联再接测量仪表,可以实现共用一台仪表测量T1、T2、T3和T4的平均温度。
图略,可参照图2-12。
6. 硅二极管测温电路,如图2-25所示。
当被测温度t为30℃时,输出电压为5V,当输出电压为10V时,问被测温度为多大答:温度每变化1℃,输出电压变化量为。
输出电压为10V时,被测温度为80℃。
7. 利用如图2-28所示集成温度传感器测量温度,如果被测温度为30℃时,输出电压为303mV,问被测温度为120℃时,输出电压U R为多大答:温度每变化1℃,输出电压变化量为1mV(每1度K与每1℃相同)。
被测温度为120℃时,输出电压U R为303mV+90mV,即393mV。
8. 分析图2-29所示热电偶参考端温度补偿电路工作原理。
答:集成温度传感器AD590应紧贴热电偶参考端,处于同一温度下。
AD580是一个三端稳压器,提供稳定输出电压U0=。
电路工作时,调整电阻R2使得集成温度传感器AD590的随温度变化的输出电流的I1分量为I1=t0×10-3I1的单位是mA,即1μA/K的电流。
这样在电阻R1上产生一个随参考端温度t0变化的补偿电压U1=I1R1。
选择R1使U1与E AB(t0,0℃)近似相等。
U1与热电偶输出电压E AB(t, t0)串联相加后输入测量仪表,起参考端温度补偿作用,测量仪表显示的为实际测量温度值。
9. 正温度系数热敏电阻和负温度系数热敏电阻各有什么特性各有哪些用途哪一种热敏电阻可以做“可恢复熔丝”答:正温度系数热敏电阻随温度升高阻值增大,阻值随温度的变化有线性型和突变型。
负温度系数热敏电阻随温度升高阻值降低,,阻值随温度的变化有突变型和负指数型。
线性型正温度系数热敏电阻和负指数型负温度系数热敏电阻适用于温度测量。
突变型正温度系数热敏电阻和突变型负温度系数热敏电阻适用于温控开关和温度保护电路。
突变型正温度系数热敏电阻可以做“可恢复熔丝”。
温度升高到突变值,电阻陡然升高,相当于保险丝熔断。
当温度降低时,电阻陡然变小,相当于保险丝又恢复接通了。
10. 参照冰箱热敏电阻温控电路,用热水器专用温度传感器设计热水器温度控制电路答:如图,温度降低到一定值,继电器K接通,电加热器加热。
温度升高到一定值,继电器K 断开,电加热器停止加热。
习题31. 弹性敏感元件的作用是什么有哪些弹性敏感元件如何使用答:弹性敏感元件把力或压力转换成了应变或位移,然后再由传感器将应变或位移转换成电信号。
有变换力的弹性敏感元件,例如等截面柱式、圆环式、等截面薄板、悬臂梁及轴状等结构。
有变换压力的弹性敏感元件,例如弹簧管、波纹管、波纹膜片、膜盒和薄壁圆筒等,它可以把流体产生的压力变换成位移量输出。
应仔细分清不同弹性敏感元件的性能,根据测量物理量的性质、大小、测量条件和测量精度,选用合适的弹性敏感元件。
2. 电阻应变片是根据什么基本原理来测量应力的简述图3-9所示不同类型应变片传感器的特点。
答:电阻应变片是把导体的机械应变转换成电阻应变,通过电阻测量来测量所受的应力。
金属电阻应变片分体型和薄膜型。
属于体型的有电阻丝栅应变片、箔式应变片、应变花等。
图3-9所示丝绕式应变片粘贴性能好,能保证有效地传递变形,性能稳定,且可制成满足高温、强磁场、核辐射等特殊条件使用的应变片。
缺点是U 型应变片的圆弧型弯曲段呈现横向效应,H 型应变片因焊点过多,可靠性下降。
箔式应变片优点是粘合情况好、散热能力较强、输出功率较大、灵敏度高等。
在工艺上可按需要制成任意形状,易于大量生产,成本低廉。
半导体应变片灵敏系数大、机械滞后小、频率响应快、阻值范围宽(可从几欧~几十千欧),易于做成小型和超小型;但热稳定性差,测量误差较大。
3. 图3-11(d )为应变片全桥测量电路,试推导其输出电压U 0表达式。
答:图3-11(d )是四个桥臂均为测量片的电路,且互为补偿,有应变时,必须使相邻两个桥臂上的应变片一个受拉,另一个受压。
443344221111)()(R R R R R R u R R R R R R u u i i o ∆-+∆+∆--∆-+∆+∆+= 可以计算输出电压为 R R u u i o 1∆⋅=4. 利用图3-12分析石英晶体的压电效应。
答:当在X 轴向施加压力时,如图3-12(b )所示,各晶格上的带电粒子均产生相对位移,正电荷中心向B 面移动,负电荷中心向A 面移动,因而B 面呈现正电荷,A 面呈现负电荷。
当在X 轴向施加拉伸力时,如图3-12(c)所示,晶格上的粒子均沿X 轴向外产生位移,但硅离子和氧离子向外位移大,正负电荷中心拉开,B 面呈现负电荷,A 面呈现正电荷。