形位公差的代号讲解
- 格式:doc
- 大小:568.00 KB
- 文档页数:15
形位公差符号大全形位公差是机械制造中常见的一种公差,它用来描述零件的形状和位置的偏差范围,是保证零件装配和工作精度的重要手段。
形位公差的表示方法主要有两种,一种是采用ISO标准的形位公差符号,另一种是采用国家标准的形位公差符号。
在实际的工程设计和制造中,了解和掌握形位公差符号的含义和应用是非常重要的。
本文将对形位公差符号进行全面详细的介绍,希望能够为广大工程技术人员提供一些帮助和参考。
1. 直线度公差。
直线度公差是用来描述直线轴线的偏离程度的公差,其符号为⊥。
在图纸上表示为⊥0.1,表示直线轴线的偏差范围为0.1。
直线度公差的应用范围非常广泛,特别是在需要保证零件装配精度和工作精度的场合,直线度公差的控制显得尤为重要。
2. 平面度公差。
平面度公差是用来描述平面表面的偏离程度的公差,其符号为△。
在图纸上表示为△0.05,表示平面表面的偏差范围为0.05。
平面度公差在机械制造中也是一种常见的公差,尤其是对于需要保证平面密封性和工作精度的零件,平面度公差的控制至关重要。
3. 圆度公差。
圆度公差是用来描述圆形轴线的偏离程度的公差,其符号为◎。
在图纸上表示为◎0.02,表示圆形轴线的偏差范围为0.02。
圆度公差在轴类零件的制造中非常常见,对于需要保证轴类零件的转动精度和配合精度的场合,圆度公差的控制尤为重要。
4. 同轴度公差。
同轴度公差是用来描述轴线同一直线上的偏离程度的公差,其符号为∥。
在图纸上表示为∥0.03,表示轴线同一直线上的偏差范围为0.03。
同轴度公差在需要保证零件装配精度和工作精度的场合也是一种常见的公差。
5. 同心度公差。
同心度公差是用来描述轴孔中心和轴线中心的偏离程度的公差,其符号为⊙。
在图纸上表示为⊙0.04,表示轴孔中心和轴线中心的偏差范围为0.04。
同心度公差在需要保证轴类零件的配合精度和工作精度的场合也是一种常见的公差。
6. 垂直度公差。
垂直度公差是用来描述两个垂直面的偏离程度的公差,其符号为⊥。
形位公差字母图形代号名称图形字母含义直线度u 直线度:是表示零件上的直线要素实际形状保持理想直线的状况。
也就是通常所说的平直程度。
直线度公差:是实际线对理想直线所允许的最大变动量。
平面度c 平面度:是表示零件的平面要素实际形状,保持理想平面的状况。
平面度公差:是实际表面对平面所允许的最大变动量。
圆度e 圆度:是表示零件上圆的要素实际形状,与其中心保持等距的情况。
圆度公差:是在同一截面上,实际圆对理想圆所允许的最大变动量。
圆柱度r 圆柱度:是表示零件上圆柱面外形轮廓上的各点,对其轴线保持等距状况。
圆柱度公差:是实际圆柱面对理想圆柱面所允许的最大变动量。
线轮廓度k 线轮廓度:是表示在零件的给定平面上,任意形状的曲线,保持其理想形状的状况。
线轮廓度公差:是指非圆曲线的实际轮廓线的允许变动量。
面轮廓度d 面轮廓度:是表示零件上的任意形状的曲面,保持其理想形状的状况 面轮廓度公差:是指非圆曲面的实际轮廓线,对理想轮廓面的允许变动量。
平行度f 平行度:是表示零件上被测实际要素相对于基准保持等距离的状况。
也就是通常所说的保持平行的程度。
平行度公差是:被测要素的实际方向,与基准相平行的理想方向之间所允许的最大变动量。
垂直度b 垂直度:是表示零件上被测要素相对于基准要素,保持正确的90°夹角状况。
也就是通常所说的两要素之间保持正交的程度 垂直度公差:是被测要素的实际方向,对于基准相垂直的理想方向之间,所允许的最大变动量。
倾斜度a 倾斜度:是表示零件上两要素相对方向保持任意给定角度的正确状况 倾斜度公差:是被测要素的实际方向,对于基准成任意给定角度的理想方向之间所允许的最大变动量。
圆跳动h 圆跳动:是表示零件上的回转表面在限定的测量面内,相对于基准轴线保持固定位置的状况。
圆跳动公差:是被测实际要素绕基准轴线,无轴向移动地旋转一整圈时,在限定的测量范围内,所允许的最大变动量。
全跳动t 全跳动:是指零件绕基准轴线作连续旋转时,沿整个被测表面上的跳动量。
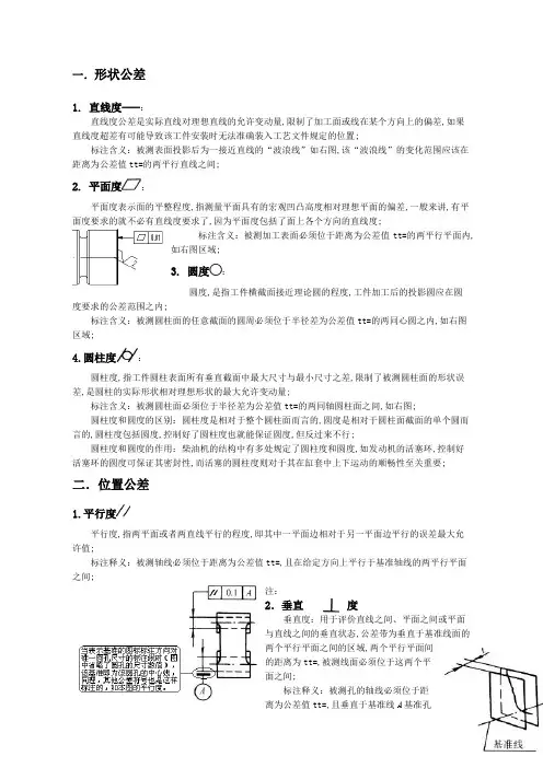
一.形状公差1. 直线度:直线度公差是实际直线对理想直线的允许变动量,限制了加工面或线在某个方向上的偏差,如果直线度超差有可能导致该工件安装时无法准确装入工艺文件规定的位置;标注含义:被测表面投影后为一接近直线的“波浪线”如右图,该“波浪线”的变化范围应该在距离为公差值tt=的两平行直线之间;2. 平面度:平面度表示面的平整程度,指测量平面具有的宏观凹凸高度相对理想平面的偏差,一般来讲,有平面度要求的就不必有直线度要求了,因为平面度包括了面上各个方向的直线度;标注含义:被测加工表面必须位于距离为公差值tt=的两平行平面内,如右图区域;3. 圆度:圆度,是指工件横截面接近理论圆的程度,工件加工后的投影圆应在圆度要求的公差范围之内;标注含义:被测圆柱面的任意截面的圆周必须位于半径差为公差值tt=的两同心圆之内,如右图区域;4.圆柱度:圆柱度,指工件圆柱表面所有垂直截面中最大尺寸与最小尺寸之差,限制了被测圆柱面的形状误差,是圆柱的实际形状相对理想形状的最大允许变动量;标注含义:被测圆柱面必须位于半径差为公差值tt=的两同轴圆柱面之间,如右图;圆柱度和圆度的区别:圆柱度是相对于整个圆柱面而言的,圆度是相对于圆柱面截面的单个圆而言的,圆柱度包括圆度,控制好了圆柱度也就能保证圆度,但反过来不行;圆柱度和圆度的作用:柴油机的结构中有多处规定了圆柱度和圆度,如发动机的活塞环,控制好活塞环的圆度可保证其密封性,而活塞的圆柱度则对于其在缸套中上下运动的顺畅性至关重要; 二.位置公差1.平行度平行度,指两平面或者两直线平行的程度,即其中一平面边相对于另一平面边平行的误差最大允许值;标注释义:被测轴线必须位于距离为公差值tt=,且在给定方向上平行于基准轴线的两平行平面之间;注:2.垂直度垂直度:用于评价直线之间、平面之间或平面与直线之间的垂直状态,公差带为垂直于基准线面的两个平行平面之间的区域,两个平行平面间的距离为tt=,被测线面必须位于这两个平面之间;标注释义:被测孔的轴线必须位于距离为公差值tt=,且垂直于基准线A基准孔轴线的两平行平面之间,其公差带是距离为公差值t,且垂直于基准线的两平行平面之间的区域; 3.倾斜度倾斜度,与垂直度相似;标注释义:被测孔的轴线必须位于距离为公差值tt=,且与A-B公共基准线成一理论正确角度αα=60°的两平行平面之间,即如右图所示两平行平面之间的区域;4.位置度位置度,用于形容测量点或线与其理论所在位置的偏差,公差带即为该偏差的大小;标注释义:左图中表示位置度的箭头所指点必须位于以公差值为直径的圆内φt=φ,该圆的圆心位于相对基准A和B基准直线所确定的点的理想位置上,即距A面68,距B面100,公差带范围如右图;5.同轴度同心度同轴度,指工件要求的轴线偏离基准线所在直线的程度,即理论上应在同一直线上的两根轴线,他们发生了偏离,规定该偏离的最大值为t/2;标注释义:图中有同轴度要求的大圆的轴线必须位于以公共基准轴线A-B为轴线,以公差值tt=为直径的圆柱内,其公差带范围如右图;6.对称度对称度,指加工两表面的中心平面偏离基准的程度,即要求的对称中心与实际对称中心保持在同一平面内的状况;标注释义:图中对称度图标所要表示的面为两加工面的中心平面,该中心平面必须位于距离为公差值,且相对于基准中心平面A对称分布的两平行平面之间7.圆跳动圆跳动,指工件绕基准旋转一周,测量器具在固定位置的显示值的变动范围;⑴.径向圆跳动标注释义:当被测圆柱表面绕基准线A-B公共基准轴线旋转一周时,圆柱表面任一截面圆的径向跳动量均不得大于tt=;⑵.端面圆跳动标注释义:被测端面绕基准D图中零件的轴线旋转一周时,端面的任一点的轴向跳动量均不得大于,如右图所示,端面的移动范围必须在相距为tt= 的两面之间;区别:径向圆跳动测量的是圆柱外表面随圆柱绕基准的转动产生的径向跳动,而端面圆跳动测量的是圆柱的端面产生的轴向跳动;。
形位公差代号形位公差代号是用来描述特定物体形状和尺寸的一种表示方式。
它是一种非常精确的技术,可以帮助制造商制造出符合规定尺寸的零件。
形位公差代号是非常复杂的,它由两部分组成,分别是基本尺寸和公差尺寸。
基本尺寸指的是物体的原始尺寸,它是在加工或制造时确定的。
公差尺寸是物体上各个尺寸允许的误差范围。
例如,一个把手的基本尺寸为100mm,公差尺寸可能会是 + /- 5mm,这意味着把手尺寸范围分别为95mm到105mm之间。
形位公差代号中基本尺寸代号由一系列字母和数字构成,其中字母表示物体的形状,数字表示物体的尺寸。
小数位可以指定尺寸的精度,数字前后的符号可以指定物体尺寸的正负偏差范围。
公差代号的一般格式为:(字母/数字)+(正/负)+(精度)。
例如,一个圆柱形零件的公差代号可能为H7/M4+/-0.2,其中H7表示零件的形状为圆柱形,M4表示零件的尺寸为4mm,精度为 0.2mm,正负符号表示该尺寸允许的偏差范围分别为 3.8mm和4.2mm。
形位公差代号可以有效地指定物体形状和尺寸,并且可以确保制造出的零件能够达到规定的尺寸要求。
它也可以作为机械零件和工件质量的重要检查标准,可以帮助检查者了解零件的具体尺寸,从而达到确保质量的目的。
形位公差代号在机械行业中非常普遍,一些专业的设计师和工程师都必须精通它。
形位公差代号学习有一定的难度,但只要勤加学习,通过对尺寸、正负偏差、加工精度等概念的理解,就能学会正确记录和读写形位公差代号。
综上所述,形位公差代号是一种非常有效的技术,能够有效地指定零件的尺寸和形状,也可以作为机械零件和工件质量的重要参照标准。
它的学习难度比较大,但只要努力学习,就能学会正确记录和读写形位公差代号。
形位公差符号大全及解释
一、大圆角:R
R表示表面“大圆角”,即曲率半径大于最小粗糙度的圆角半径,表示加工表面的圆
角的最大半径。
三、椭圆:A
A表示“椭圆”,即a>b,表示椭圆曲率半径的上限和下限值。
五、普通公差:+/-
“+/-”表示普通公差,通常用于表示加工工件的一般尺寸公差。
六、深度公差:h
“h”表示深度公差,表示形位加工工件的深度公差和深度最大值,一般用于表示开槽、镗孔的深度。
七、直线偏差:T
T表示“直线偏差”,主要用于表示工件的某部分的直线,要求工件的某部分必须保
持端面直线,此类型的形位公差符号。
八、轴向偏差:K
K表示“轴向偏差”,也称“轴向公差”,主要用于表示轴心与孔轴之间的间隙,或
用于表示圆形表面之间5轴心向偏差。
九、端面偏差:S
S表示“端面偏差”,主要用于表示两个底面之间的间隙和端面的垂直度,是端面加
工的关键表示参数。
十、粗糙度:Ra
Ra表示“粗糙度”,即表面的表面粗糙度,是用于表示加工表面平滑程度的参数,Ra 越小,表面越平整光滑,加工品质就越高。
十一、对角线大小:D
D也可以表示对角线大小,表示物体表角线的大小公差,在一些特殊部件的加工上也有很多应用。
十二、棱口大小:V
V表示“棱口大小”,也称“棱口公差”,棱口大小就是一个特殊部件的棱口两条棱角,在实有部件上应当保持规定的棱角和棱口的大小,以确保部件的完整性和单元的连接力,合格的棱角也能降低活动部件的摩擦力等。
、形位公差的代号(GB/T 1182-1996)
注:形位公差符号的线型宽度为b/2~b(b为粗实线宽),但跳动符号的箭头外的线是细实线。
二、形状、位置公差带的定义和图例说明GB/T 1182-1996
1 直线度
a. 在给定平面内的公差带定义——公差带是距离为公差值t的两平行直线之间的区域。
b. 在给定方向上的公差带定义——当给定一个方向时,公差带是距离为公差值t的两平行平面之间的区域;当给定互相垂直的两个方向时,公差带是正截面尺寸为公差值t1×t2的四棱柱内的区域。
c. 在任意方向上的公差带定义——公差带是直径为公差值t的圆柱面内的区域。
2. 平面度
公差带定义——公差带是距离为公差值t的两平行平面之间的区域。
3. 圆度
公差带定义——公差带是在同一正截面上半径差为公差值t的两同心圆之间的区域。
4.圆柱度
公差带定义——公差带是半径差值t的两同轴圆柱面之间的区域。
5. 线轮廓度
公差带定义——公差带是包络一系列直径为公差值t的圆的两包络线之间的区域,诸圆圆心应位于理想轮廓线相对基准有位置要求时,其理想轮廓线系指相对基准为理想位置的理想轮廓线。
6.面轮廓度
公差带定义——公差带是包络一系列直径为公差值t的球的两包络面间的区域,诸球球心应位于理想轮廓面上。
注:当被测轮廓面相对基准有位置要求时,其理想轮廓面系指相对于基准为理想位置的理论轮廓面。
7. 平行度
a. 在给定的方向上的公差带定义——当给定一个方向时,公差带是距离为公差值t,且平行于基准平面(或直线、轴线)的两平行面之间的区域;当给定相互垂直的两个方向时,是正截面尺寸为公差值t1×t2,且平行于基准轴线的四棱柱内的区域。
b. 在任意方向的公差带定义——公差带是直径为公差值t,且平行于基准轴线的圆柱面内的区域。
8. 垂直度
a. 在给定方向上的公差带定义——当给定一个方向时,公差带是距离为公差值t,且垂直于基准平面(或直线、轴线)的两平行平面(或直线)之间的区域;当给定两个互相垂直的方向时,是正截面为公差值t1×t2,且垂直于基准平面的四棱柱内的区域。
b. 在任意方向上的公差带定义——公差带是直径为公差值t,且垂直于基准平面的圆柱面内的区域。
9. 同轴度
公差带定义——公差带是直径为公差值t,且与基准轴线同轴的圆柱面内的区域。
10. 对称度
公差带定义——公差带是距离为公差值t,且相对基准中心平面(或中心线、轴线)对称配置的两平行平面(或直线)之间的区域,若给定互相垂直的两个方向,则是正截面为公差值t1×t2的四棱柱内的区域。
11. 位置度
a. 点的位置度公差带定义——公差带是直径为公差值t,且以点的理想位置为中心的圆或球内的区域。
b. 线的位置度在给定方向的公差带定义——当给定一个方向时,公差带是距离为公差值t,且以线的理想位置为中心对称配置的两平行平面(或直线)之间的区域;当给定互相垂直的两个方向时,则是正截面为公差值t1×t2,且以线的理想位置为轴线的四棱柱内的区域。
c. 线的位置度在任意方向上的公差带定义——公差带是直径为公差值t,且以线的理想位置为轴线的圆柱面内的区域。
12. 圆跳动
a. 径向圆跳动的公差带定义——公差带是在垂直于基准轴线的任一测量平面内,半径差为公差值t,且圆心在基准轴线上的两个同心圆之间的区域。
b. 端面圆跳动的公差带定义——公差带是在与基准轴线同轴的任一直
径位置的测量圆柱面上沿母线方向宽度为t的圆柱面区域。
13. 全跳动
a. 径向全跳动的公差带定义——公差带是半径差为公差值t,且与基准轴线同轴的两圆柱面之间的区域。
b. 端面全跳动的公差带定义——公差带是距离为公差值t,且与基准轴线垂直的两平行平面之间的区域。
三、被测要素的标注方法(GB/T 1182—1996)
将这些框格绘制一起,并引用一根指引线。
当多个被测要素有相同的形位公
差(单项或多项)要求时,可以在从框格引出的指引线上绘制多个指标箭头
加文字说明;属于被测要素数量的说明,应写在公差框格的上方,属于解释性
与尺寸线的箭头重叠
时,则指引线的箭头
可以代替尺寸线箭
四、公差数值和有关符号的标注方法
中公差值后分别加注符号
(
、当最大实体原则应用于被测要素时,将符号
、当最大实体原则应用于被测要素时,将符号
基准要素时,将符号
则可将符号
当图样中未注出符号、
平行度、垂直度、倾斜度公差(GB/T 1184-1996)μm
同轴度、对称度、圆跳动和全跳动(GB/T 1184-1996)μm
圆度、圆柱度公差 (GB/T 1184-1996) μm
主参数d、(D)及图例
直线度、平面度公差 (GB/T 1182-1996) μm
主参数L 及图例
注:表中的表面粗糙度Ra值和应用举例仅供参考。
锥度和角度公差(JB1-59)
注:1. 本表适合于配合的锥体和角度零件。
2. 表中公称尺寸对锥度公差按锥体母线长度决定,对角度公差按角度短边长度决定。
3. 公差对于零线为对称分布,即公差数值为±。
4. 不标注精度等级及公差的锥体零件,按10级精度制造。