材料力学实验指导书
- 格式:doc
- 大小:923.00 KB
- 文档页数:15
实验1 拉伸实验一、实验目的1、观察拉伸过程中的各种现象(包括屈服、强化、颈缩及断裂)。
2、测定低碳钢在拉伸时的屈服极限σs、强度极限σb、延伸率δ和断面收缩率Ψ。
3、测定铸铁的强度极限σb。
4、比较低碳钢(塑性材料)和铸铁(脆性材料)机械性质的特点。
二、实验设备1、万能材料试验机2、游标卡尺三、试件为了避免试件尺寸和形状对实验结果的影响,且便于各种材料的机械性质间的互相比较,应采用国家标准GB 6228一76所规定的试件,通常采用的是低碳钢和铸铁圆棒试件,其直径d和试验段长度(标距)l满足l/d=10或5,例如:可采用d=10mm的圆棒试件。
四、实验原理材料的力学性能指标屈服极限、强度极限、延伸率、断面收缩率是由拉伸破坏实验来确定的。
实验时,利用试验机的自动绘图器可绘出低碳钢和铸铁的拉伸图。
由自动绘图器绘出的拉伸图中、拉伸变形是整个试件的伸长(不只是标距部分的伸长),并且包括机器本身的弹性变形和试件头部在夹板中的滑动等。
试件开始受力时,头部在夹头内的滑动很大,故绘出的拉伸图最初—般是曲线。
对于低碳钢材料,屈服阶段(B-C)常成锯齿形,上屈服点B受到变形和试件形状等的影响较大,下屈服点B则比较稳定,故工程上均以B点对应的载荷作为材料屈服时的载荷P。
确定屈服载荷Ps时,必须注意观察指针的转动情况,一般规定测力指示首次回转后所指示的最小载荷即为屈服载荷。
试件拉伸达到最大载荷Pb以前,在标距范围内的变形是均匀的.从最大载荷开始,产生局部伸长和颈缩.细颈出现后,横截面面积迅速减少,继续拉伸所需的载荷也变得小了,直至E点断裂为止.最初在对试件加载时,主动针即随载荷的增加向前转动,同时它还推动另外—个指针(副针)前进。
当达到最大载荷P时,主动指针开始后退,而副针则停留在载荷最大值的刻度上,副针给出的读数即为最大载荷。
铸铁试件在承受拉力变形极小时,就达到最大载荷而突然发生断裂.它没有屈服和颈缩现象,其强度极限远小于低碳钢的强度极限。
材料力学试验指导书一、引言材料力学试验是评估材料力学性能的重要手段,通过对材料进行不同的试验,可以获取材料的力学性能参数,为工程设计和材料选择提供依据。
本指导书旨在提供材料力学试验的详细步骤和操作要点,以确保试验结果的准确性和可靠性。
二、试验设备1. 材料力学试验机:型号XYZ-1000,最大载荷1000kN,精度等级为0.5级。
2. 试样制备设备:包括切割机、砂轮机、磨床等。
3. 试验测量设备:包括应变计、位移计、力传感器等。
三、试验准备1. 材料选择:选择符合试验要求的材料,例如钢材、铝合金等。
2. 样品制备:根据试验要求,制备符合标准尺寸的试样,并进行必要的表面处理。
3. 试验环境:确保试验室环境温度恒定,并消除外部干扰因素。
四、试验步骤1. 弹性模量试验a. 安装试样:将试样放置在试验机上,确保试样与试验机夹具接触良好。
b. 施加载荷:以恒定速度施加载荷,记录载荷和相应的应变。
c. 计算弹性模量:根据施加的载荷和应变数据,计算试样的弹性模量。
2. 屈服强度试验a. 安装试样:将试样放置在试验机上,确保试样与试验机夹具接触良好。
b. 施加载荷:以恒定速度施加载荷,记录载荷和相应的应变。
c. 确定屈服点:根据载荷-应变曲线,确定试样的屈服点。
3. 拉伸强度试验a. 安装试样:将试样放置在试验机上,确保试样与试验机夹具接触良好。
b. 施加载荷:以恒定速度施加载荷,记录载荷和相应的应变。
c. 计算拉伸强度:根据最大载荷和试样的原始横截面积,计算试样的拉伸强度。
4. 断裂韧性试验a. 安装试样:将试样放置在试验机上,确保试样与试验机夹具接触良好。
b. 施加载荷:以恒定速度施加载荷,记录载荷和相应的位移。
c. 计算断裂韧性:根据载荷-位移曲线,计算试样的断裂韧性。
五、数据处理与分析1. 数据记录:将试验过程中的载荷、应变、位移等数据记录下来。
2. 数据处理:对试验数据进行处理,包括计算平均值、标准差等统计参数。
实验一材料在轴向拉伸、压缩时的力学性能一、实验目的1.测定低碳钢在拉伸时的屈服极限σs、强度极限σb、延伸率δ和断面收缩率 。
2.测定铸铁在拉伸以及压缩时的强度极限σb。
3.观察拉压过程中的各种现象,并绘制拉伸图。
4.比较低碳钢(塑性材料)与铸铁(脆性材料)机械性质的特点。
二、设备及仪器1.电子万能材料试验机。
2.游标卡尺。
图1-1 CTM-5000电子万能材料试验机电子万能材料试验机是一种把电子技术和机械传动很好结合的新型加力设备。
它具有准确的加载速度和测力范围,能实现恒载荷、恒应变和恒位移自动控制。
由计算机控制,使得试验机的操作自动化、试验程序化,试验结果和试验曲线由计算机屏幕直接显示。
图示国产CTM -5000系列的试验机为门式框架结构,拉伸试验和压缩试验在两个空间进行。
图1-2 试验机的机械原理图试验机主要由机械加载(主机)、基于DSP的数字闭环控制与测量系统和微机操作系统等部分组成。
(1)机械加载部分试验机机械加载部分的工作原理如图1-2所示。
由试验机底座(底座中装有直流伺服电动机和齿轮箱)、滚珠丝杠、移动横梁和上横梁组成。
上横梁、丝杠、底座组成一框架,移动横梁用螺母和丝杠连接。
当电机转动时经齿轮箱的传递使两丝杠同步旋转,移动横梁便可水平向上或相下移动。
移动横梁向下移动时,在它的上部空间由上夹头和下夹头夹持试样进行拉伸试验;在它的下部空间可进行压缩试验。
(2)基于DSP的数字闭环控制与测量系统是由DSP平台;基于神经元自适应PID算法的全数字、三闭环(力、变形、位移)控制系统;8路高精准24Bit 数据采集系统;USB1.1通讯;专用的多版本应用软件系统等。
(3) 微机操作系统试验机由微机控制全试验过程,采用POWERTEST 软件实时动态显示负荷值、位移值、变形值、试验速度和试验曲线;进行数据处理分析,试验结果可自动保存;试验结束后可重新调出试验曲线,进行曲线比较和放大。
可即时打印出完整的试验报告和试验曲线。
材料力学实验指导书福建工程学院土木工程系目 录 第一章 绪论§1—1 材料力学实验的作用§1—2 实验须知§1—3 实验报告的书写第二章 基本实验§2—1 钢材拉伸与压缩实验§2—2 弹性模量E和泊松比υ测定实验§2—3 材料扭转实验§2—4 纯弯曲正应力实验§2—5 弯扭组合变形实验§2—6 压杆稳定实验第一章 绪 论§1—1 材料力学实验的作用材料力学实验是材料力学课程的组成部分之一,材料的力学性能测定,材料力学的结论和理论公式的验证,都有赖于实验手段。
工程上,有很多实际构件的形状和受载荷情况较为复杂,此时,应力分析在理论上难以解决,也需通过实验手段来解决。
材料力学的发展历史就是理论和实验两者最好的融合。
材料力学实验课的目的是:1.熟悉了解常用机器、仪器的工作原理和使用方法,掌握基本的力学测试技术;2.测定材料的力学性能,观察受力全过程中的变形现象和破坏特征,以加深对建立强度破坏准则的认识;3.验证理论公式,巩固和深刻理解课堂中所学的概念;4.对实验应力分析方法有一个初步的了解。
§1—2 实验须知1.实验前,必须认真预习,了解本次实验的目的、内容、实验步骤和所使用的机器、仪器的基本原理以及对课堂讲授的理论应理解透彻。
2.要按课程表指定的时间进入实验室,完成规定的实验项目,因故不能参加者应取得教师同意后安排补做。
3.在实验室内,应自觉地遵守实验室规则及机器仪器的操作规程,非指定使用之机器、仪器,不能任意乱动。
4.实验时要严肃认真,相互配合,密切注意观察实验现象,记录下全部所需测量的数据.5.按规定日期,携同原始记录,每人交实验报告一份。
字迹要求整齐、清晰,数据书写要求用印刷体,问题回答要独立思考完成,不允许抄袭。
§1—3 实验报告的书写实验报告是实验者最后交出的成果,是实验资料的总结。
土木工程学院(部)《材料力学》课程实验指导书适用专业:土木工程贵州理工学院2015 年3月目录引言 (3)一、材料力学实验的重要性 (3)二、材料力学实验的内容 (3)三、材料力学实验的要求 (3)实验一拉伸实验 (5)一、实验目的 (5)二、试验内容 (5)三、实验原理、方法和手段 (5)四、试验组织运行要求 (6)五、实验条件 (6)六、实验步骤 (8)七、思考题 (10)八、实验报告 (10)九、其它说明 (10)实验二压缩试验 (11)一、实验目的 (11)二、实验内容 (11)三、实验原理、方法和手段 (11)四、实验组织运行要求 (11)五、实验条件 (12)六、实验步骤 (13)七、思考题 (13)八.实验报告 (13)九.其它说明 (13)试验三扭转试验 (14)一、实验目的 (14)二、实验内容 (14)三、实验原理、方法和手段 (14)四、实验组织运行要求 (17)五、实验条件 (17)六、实验步骤 (18)七、思考题 (19)八、实验报告 (19)九、其它说明 (19)实验四直梁弯曲正应力测定 (20)一、实验目的 (20)二、实验内容 (20)三、实验原理、方法和手段 (20)四、实验组织运行要求 (21)五、实验条件 (21)七、思考题 (25)八、实验报告 (25)九、其它说明 (25)实验五弯扭组合变形主应力测试实验 (26)一、实验目的 (26)二、实验内容 (26)三、实验原理、方法和手段 (27)四、实验组织运行要求 (28)五、实验条件 (28)六、实验步骤 (28)七、思考题 (29)八、实验报告 (29)九、其它说明 (29)实验六压杆稳定实验 (30)引言一、材料力学实验的重要性材料力学是研究工程实际问题中构件的强度、刚度和稳定性的学科。
其研究方法一般是先进行实验,然后根据实验中的现象,做出一些假设并加以简化。
最后再进行理论分析,得出公式和结论。
但所推导出的一般性公式是否正确,还要用实验验证。
第一部分 材料的力学性能测试任何一种材料受力后都有变形产生,变形到一定程度材料就会降低或失去承载能力,即发生破坏,各种材料的受力——变形——破坏是有一定规律的。
材料的力学性能(也称机械性能),是指材料在外力作用下表现出的变形和破坏等方面的性能,如强度、塑性、弹性和韧性等。
为保证工程构件在各种负荷条件下正常工作,必须通过试验测定材料在不同负荷下的力学性能,并规定具体的力学性能指标,以便为构件的强度设计提供可靠的依据。
材料的主要力学性能指标有屈服强度、抗拉强度、材料刚度、延伸率、截面收缩率、冲击韧性、疲劳极限、断裂韧性和裂纹扩展特性等。
金属材料的力学性能取决于材料的化学成分、金相结构、表面和内部缺陷等,此外,测试的方法、环境温度、周围介质及试样形状、尺寸、加工精度等因素对测试结果也有一定的影响。
材料的力学性能测试必修实验为4学时,包括:轴向拉伸实验、轴向压缩实验、扭转实验。
§1-1 轴向拉伸实验一、实验目的1、 测定低碳钢的屈服强度eL R (s σ)、抗拉强度m R (b σ)、断后伸长率A 11.3(δ10)和断面收缩率Z (ψ)。
2、 测定铸铁的抗拉强度m R (b σ)。
3、 比较低碳钢(塑性材料)和铸铁(脆性材料)在拉伸时的力学性能和断口特征。
注:括号内为GB/T228-2002《金属材料 室温拉伸试验方法》发布前的旧标准引用符号。
二、设备及试样1、 液压式万能材料试验机。
2、 0.02mm 游标卡尺。
3、 低碳钢圆形横截面比例长试样一根。
把原始标距段L 0十等分,并刻画出圆周等分线。
4、 铸铁圆形横截面非比例试样一根。
注:GB/T228-2002规定,拉伸试样分比例试样和非比例试样两种。
比例试样的原始标距0L 与原始横截面积0S 的关系满足00S k L =。
比例系数k 取5.65时称为短比例试样,k 取11.3时称为长比例试样,国际上使用的比例系数k 取5.65。
非比例试样0L 与0S 无关。
工程力学实验指导书主讲:林植慧机械与汽车工程学院SCHOOL OF MECHANICAL AND AUTOMOTIVE ENGINEERING实验一, 二 低碳钢(Q235钢)、铸铁的轴向拉伸试验一、实验目的与要求1.观察低碳钢(Q235钢)和铸铁在拉伸试验中的各种现象。
2.测绘低碳钢和铸铁试件的载荷―变形曲线(F ―Δl 曲线)及应力―应变曲线(σ―ε曲线)。
3.测定低碳钢拉伸时的比例极限P σ,屈服极限s σ、强度极限b σ、伸长率δ、断面收缩率ψ和铸铁拉伸时的强度极限b σ。
4.测定低碳钢的弹性模量E 。
5.观察低碳钢在拉伸强化阶段的卸载规律及冷作硬化现象。
6.比较低碳钢(塑性材料)和铸铁(脆性材料)的拉伸力学性能。
二、实验设备、仪器和试件1.微机控制电子万能试验机。
2.电子式引伸计。
3.游标卡尺。
4.低碳钢、铸铁拉伸试件。
三、实验原理与方法材料的力学性能主要是指材料在外力作用下,在强度和变形方面表现出来的性质,它是通过实验进行研究的。
低碳钢和铸铁是工程中广泛使用的两种材料,而且它们的力学性质也较典型。
试验采用的圆截面短比例试样按国家标准(GB/T 228-2002《金属材料 室温拉伸试验方法》)制成,标距0l 与直径0d 之比为51000或=d l ,如图1-1所示。
这样可以避免因试样尺寸和形状的影响而产生的差异,便于各种材料的力学性能相互比较。
图中:0d 为试样直径,0l 为试样的标距。
国家标准中还规定了其他形状截面的试样。
图 1-1金属拉伸试验在微机控制电子万能试验机上进行,在实验过程中,与电子万能试验机联机的计算机显示屏上实时绘出试样的拉伸曲线(也称为F ―l ∆曲线),如图1-2所示。
低碳钢试样的拉伸曲线(图1-2a)分为弹性阶段,屈服阶段,强化阶段及局部变形阶段。
如果在强化阶段卸载,F ―l ∆曲线会从卸载点开始向下绘出平行于初始加载线弹性阶段直线的一条斜直线,表明它服从弹性规律。
材料力学实验指导书1000字一、实验目的1、了解力学性质的测试与测量2、掌握基本的测力与测长仪器的使用方法3、掌握单轴拉伸实验的操作方法与数据处理二、实验仪器与设备1、材料试验机2、应变计与测长仪3、称量设备4、电子计算器三、实验步骤1、准备工作A、计算标称断面积S0B、提取试样C、安装应变计与测长仪2、测量伸长量与负载A、启动材料试验机B、设定实验参数C、调整实验仪器D、按压测试按钮3、实验数据处理A、绘制应力—应变曲线B、获取张应力—伸长率数据四、实验操作规范1、实验师必须熟悉操作手册与工作规程2、操作人员必须了解实验步骤与流程3、操作时必须戴上手套与护目镜4、操作人员对试样的获取、切割及其尺寸要求必须熟悉5、实验计算时必须准确获得数据6、操作人员对于材料题材知识必须有一定了解7、试验操作结束之后必须将设备归位。
五、安全事项1、实验时要始终戴上护目镜2、机器启动前要动手检查是否安装好所有设备3、试样必须安全固定4、试验中不能随意调整测试参数5、实验结束后要关闭所有设备六、注意事项1、测试数据必须准确、详尽、真实2、试验过程必须认真、仔细、谨慎3、要了解材料性质与特性4、应邀请专业人士协助5、对试质不能过度使用七、结果1、应研究数据并得出结果2、结果表明了材料的性质与特征3、结果应反映材料的本质属性本实验实验中心客户向其技术支持人员提供了材料性能测试的详细信息以及试样。
本试验旨在帮助学生了解材料性质和特性,并掌握现代测力测量工具的基本使用。
实验计算的要求是准确和实际的,并反映材料的属性,而不是表面现象。
材料力学实验指导书实验一 拉伸实验拉伸实验是测定材料力学性能的最基本最重要的实验之一。
由本实验所测得的结果,可以说明材料在静拉伸下的一些性能,诸如材料对载荷的抵抗能力的变化规律、材料的弹性、塑性、强度等重要机械性能,这些性能是工程上合理地选用材料和进行强度计算的重要依据。
一、实验目的要求1.测定低碳钢的流动极限S σ、强度极限b σ、延伸率δ、截面收缩率ψ和铸铁的强度极限b σ。
2.碳钢和铸铁在拉伸过程中表现的现象,绘出外力和变形间的关系曲线(L F ∆-曲线)。
3.较低碳钢和铸铁两种材料的拉伸性能和断口情况。
二、实验设备和仪器材料试验机、游标卡尺、两脚标规等三、拉伸试件金属材料拉伸实验常用的试件形状如图所示。
图中工作段长度l 称为标距,试件的拉伸变形量一般由这一段的变形来测定,两端较粗部分是为了便于装入试验机的夹头内。
为了使实验测得的结果可以互相比较,试件必须按国家标准做成标准试件,即d l 5=或d l 10=。
对于一般板的材料拉伸实验,也应按国家标准做成矩形截面试件。
其截面面积和试件标距关系为A l 3.11=或A l 65.5=,A 为标距段内的截面积。
四、实验方法与步骤1、低碳钢的拉伸实验:1)试件的准备:在试件中段取标距d l 10=或d l 5=在标距两端用脚标规打上冲眼作为标志,用游标卡尺在试件标距范围内测量中间和两端三处直径d (在每处的两个互相垂直的方向各测一次取其平均值)取最小值作为计算试件横截面面积用。
2)机的准备;首先了解材料试验机的基本构造原理和操作方法,学习试验机的操作规程。
根据低碳钢的强度极限b σ及试件的横截面积,初步估计拉伸试件所需最大载荷,选择合适的测力度盘,并配置相应的摆锤,开动机器,将测力指针调到“零点”,然后调整试验机下夹头位置,将试件夹装在夹头内。
3)进行实验:试件夹紧后,给试件缓慢均匀加载,用试验机上自动绘图装置,绘出外力F 和变形L ∆的关系曲线(L F ∆-曲线)如图所示。
实验一 拉伸试验一、目的1、测定低碳钢的流动极限(屈服极限)s σ,强度极限b σ,延伸率δ和面积收缩率ϕ。
2、测定铸铁的强度极限b σ。
3、观察拉伸过程中的各种现象,并绘制拉伸图(l P ∆-曲线)。
4、比较低碳钢(塑性材料)与铸铁(脆性材料)机械性质的特点。
二、设备1、液压式万能试验机。
2、游标卡尺。
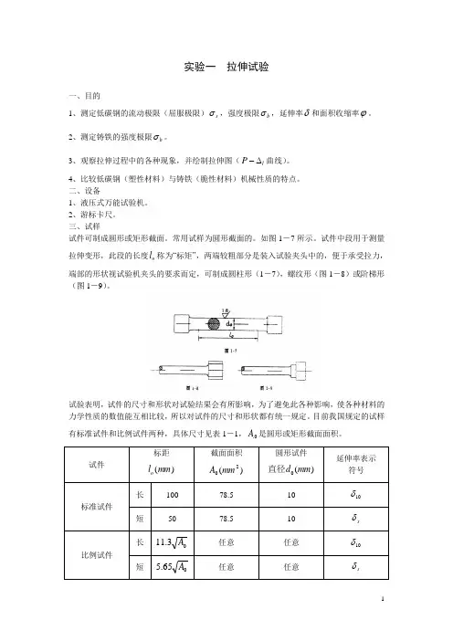
三、试样试件可制成圆形或矩形截面。
常用试样为圆形截面的。
如图1-7所示。
试件中段用于测量拉伸变形,此段的长度o l 称为“标矩”,两端较粗部分是装入试验夹头中的,便于承受拉力,端部的形状视试验机夹头的要求而定,可制成圆柱形(1-7),螺纹形(图1-8)或阶梯形(图1-9)。
试验表明,试件的尺寸和形状对试验结果会有所影响,为了避免此各种影响,使各种材料的力学性质的数值能互相比较,所以对试件的尺寸和形状都有统一规定。
目前我国规定的试样有标准试件和比例试件两种,具体尺寸见表1-1,0.A 是圆形或矩形截面面积。
四、原理材料的力学性质s σ、b σ、δ和ϕ是由拉伸破坏试验来确定的,试验时,利用试验机的自动绘图器绘出低碳钢拉伸图(图-10)和铸铁拉伸图(图1-11)。
对于低碳材料,图1-10上的B -C 为流动阶段,B 点所对应的应力值称为流动极限。
确定流动载荷s p 时,必须缓慢而均匀地使试件产生变形,同时还需要注意观察。
测力盘主针回转后所指示的最小载荷(第一次下降的最小载荷)即为流动载荷s p ,继续加载,测得最大载荷b P 。
试件在达到最大载荷前,伸长变形在标距范围内均匀分布的。
从最大载荷开始,产生局部伸长和颈缩。
颈缩出现后,截面面积迅速减小,继续拉伸所需的载荷也变小了,直至E 点断裂。
铸铁试件在变形极小时,就达到最大载荷,而突然发生断裂。
没有流动和颈缩现象,如图1-11所示。
其强度极限远低于碳钢的强度极限。
五、试验步骤(一)低碳钢试验(1)用游标卡尺在试件的标距范围内测量三个截面的直径,每个截面测量互相垂直两个方向,取其平均值,填入记录表内。
《材料力学》实验指导书适用专业:建筑工程技术实验项目一:低碳钢的拉伸实验一、实验目的1、了解微机控制万能材料试验机的工作原理,演示试验机的基本操作方法;2、测定低碳钢的抗拉强度σb 、屈服强度σS 、伸长率δ及截面收缩率ψ;3、观察低碳钢在拉伸过程中的现象和试样的破坏特征,分析断口破坏原因,绘制拉伸曲 线图及断口示意图。
二、实验设备万能材料试验机、游标卡尺、直尺。
三、实验原理根据国标GB228-99的试件形状如图1-1所示,图中L 0所说试件的变形就是指这一段的变形。
L c 两端是试验机夹持的部分。
试件在拉伸时,其尺寸、较,必须按国家标准GB6397-99分为比例和定标距两种试样,表1-1L=11.3A (长试件)或5.65A (短试件)。
将低碳钢试件置于试验机中拉伸,其拉伸图如图1-2所示:A 点以前,杆件仅有弹性变形,且P 和L 成线性关系,即遵守虎克定律:试件断裂后,用游标卡尺量得标距间长度L1和试件收缩处面积A1,则可得试件的塑性性能:δ=010 L LL-×100% (1-3)ψ=010 A AA-×100% (1-4)四、实验步骤1、试件准备1)在试件中段取标距L=10d(100mm)(低碳钢试件),用试样划线机将其划分为10等份。
2)在试件标距范围内用游标卡尺测量中间和两端三处直径,每处在互相垂直的两个方向上个测量直径一次,选取平均直径最小的一组作为计算截面面积用。
3)根据P MAX=σb·A,估计拉断试件所需要的最大载荷。
2、试验机的准备1)学习试验机的操作规程2)根据估算的最大载荷选用相应的测力度盘和摆锤,开机将试验机上工作台上升10mm左右,把试件安装在试验机的上夹头上,调整指针对零点。
3)移动下工作台,安装好试件(注意,如果试件被夹紧后,对于30吨以上的试验机,不可再按动下工作台的上升或下降按钮,否则回烧坏下工作台的控制电机)。
4)安装好自动绘图装置。
材料力学实验指导书目录序言0 实验一金属材料拉伸实验 2 实验二金属材料扭转实验9 实验三纯弯曲梁正应力电测实验16 附件:1、实验报告册封面2、材料力学实验要求3、实验报告要求序言材料力学实验是材料力学的重要支柱之一。
材料力学从理论上研究工程结构构件的应力分析和计算,并对构件的强度、刚度和稳定性进行设计或校核其可靠性。
材料力学实验从实验角度为材料力学理论和应用提供实验支持。
一、材料力学实验由三部分组成:1、材料的力学性能测定。
材料的力学性能是指在力的作用下,材料的变形、强度等方面表现出的一些特征,如弹性模量、弹性极限、屈服极限、强度极限、疲劳极限、冲击韧度等。
这些强度指标或参数是构件强度、刚度和稳定性计算的依据,而他们一般通过实验来测定。
此外,材料的力学性能测定又是检验材质、评定材料热处理工艺、焊接工艺的重要手段。
随着材料科学的发展,各种新型材料不断涌现,力学性能测定是研究新型材料的重要手段。
材料的力学性能测定一般是通过对标准试样加载至破坏,记录其应力-应变关系曲线(扭转破坏时记录其扭矩-扭转角或剪应力-剪应变曲线),测定材料的一些力学性能特征指标,如弹性模量、弹性极限、屈服极限、强度极限、冲击韧度等;因此,学会记录材料的应力-应变关系曲线成为材料力学性能实验的一项重要任务。
2、验证已建立的理论。
材料力学的一些理论是以某些假设为基础的,例如杆件的弯曲理论是以平面假设为基础。
用实验验证这些理论的正确性和适用范围,有助于加深对理论的认识和理解。
实验是验证、修正、发展理论的必要手段,是揭示材料受力、变形过程本质的重要方法。
3、应力分析实验。
某些情况下,如因构件形状不规则、受力复杂或精确地边界条件难以确定等,应力分析计算难以获得准确结果。
这时,采用如电测实验应力分析方法可以直接测定构件的应力。
应力分析实验主要是对构件形状不规则、受力复杂或边界条件很难确定、计算法难以得到准确结果的情况,用实验方法测定构件的应力。
材料力学实验指导书湖北工业大学目录实验一低碳钢和铸铁的拉伸实验 (8)一、实验目的要求 (8)二、实验设备和仪器 (8)三、拉伸试件 (9)四、实验原理和方法 (10)五、实验方法与步骤 (13)六、实验结果处理 (14)七、思考题 (15)八、实验报告格式(仅供参考) (15)实验二低碳钢和铸铁的压缩实验 (17)一、实验目的 (17)实验仪器和设备 (17)三、试件介绍 (17)四、实验原理及方法 (19)五、实验步骤 (19)六、实验结果 (19)七、思考题 (20)实验三低碳钢和铸铁的扭转实验 (21)一、实验目的 (21)二、实验设备 (21)三、实验试样 (21)四、实验原理与方法 (23)五、实验方法与步骤 (28)六、实验注意事项 (28)七、实验报告要求:参考下表并回答思考题 (29)实验一 低碳钢和铸铁的拉伸实验一、实验目的要求1.测定低碳钢的流动极限S σ、强度极限b σ、延伸率δ、截面收缩率ψ和铸铁的强度极限b σ。
2.低碳钢和铸铁在拉伸过程中表现的现象,绘出外力和变形间的关系曲线(L F ∆-曲线)。
3.比较低碳钢和铸铁两种材料的拉伸性能和断口情况。
二、实验设备和仪器CMT5504/5105电子万能试验机、游标卡尺等三、拉伸试件金属材料拉伸实验常用的试件形状如图所示。
图中工作段长度l 称为标距,试件的拉伸变形量一般由这一段的变形来测定,两端较粗部分是为了便于装入试验机的夹头内。
为了使实验测得的结果可以互相比较,试件必须按国家标准做成标准试件,即d l 5或图1-1 CMT5504/5105电子万能试验机图1-2 拉伸试件d l 10=。
对于一般板的材料拉伸实验,也应按国家标准做成矩形截面试件。
其截面面积和试件标距关系为A l 3.11=或A l 65.5=,A 为标距段内的截面积。
低碳钢拉伸铸铁拉伸四、实验原理和方法1.低碳钢拉伸实验低碳钢试件在静拉伸试验中,通常可直接得到拉伸曲线,如图1—3所示。
测量材料弹性模量E实验一、实验名称测定材料的弹性模量。
二、实验目的1.掌握测定Q235钢弹性模量E的实验方法;2.熟悉CEG-4K型测E试验台及其配套设备的使用方法。
三、实验设备及仪器1.CEG-4K型测E试验台2.球铰式引伸仪四、试样制备1. 试样:Q235钢,如图所示,直径d=10mm,标距L=100mm。
2、载荷增重ΔF=1000N(砝码四级加载,每个砝码重25N,初载砝码一个,重16N,采用1:40杠杆比放大)五、实验原理实验时,从F0到F4逐级加载,载荷的每级增量为1000N。
每次加载时,记录相应的长度变化量,即为ΔF引起的变形量。
在逐级加载中,如果变形量ΔL 基本相等,则表明ΔF与ΔL为线性关系,符合胡克定律。
完成一次加载过程,将得到ΔL的一组数据,实验结束后,求ΔL1到ΔL4的平均值ΔL平,代入胡克定律计算弹性模量。
即EA lF l ∙∆=⨯∆001.0备注:引伸仪每格代表0.001mm。
六、实验步骤及注意事项1.调节吊杆螺母,使杠杆尾部上翘一些,使之与满载时关于水平位置大致对称。
2.把引伸仪装夹到试样上,必须使引伸仪不打滑。
注意:对于容易打滑的引伸仪,要在试样被夹处用粗纱布沿圆周方向打磨一下。
引伸仪为精密仪器,装夹时要特别小心,以免使其受损。
采用球铰式引伸仪时,引伸仪的架体平面与试验台的架体平面需成45°左右的角度。
3.挂上砝码托。
4.加上初载砝码,记下引伸仪的初读数。
5.分四次加等重砝码,每加一次记录一次引伸仪的读数。
注意:加砝码时要缓慢放手,以使之为静载,防止砝码失落而砸伤人、物。
6.实验完毕,先卸下砝码,再卸下引伸仪。
七、数据处理1. 记录相关数据分级加载初载一次加载二次加载三次加载四次加载引伸仪读数L0= L1= L2= L3= L4=2.计算(1)各级形变量的计算分级加载一次加载二次加载三次加载四次加载平均值形变量ΔL1= ΔL2= ΔL3= ΔL4= ΔL平=(2)材料面积的计算 4d 4π=A(3)弹性模量的计算(弹性模量单位MPa )EAlF l ∙∆=⨯∆001.0平 八、实验作业1.说明测定弹性模量E 的实验原理、步骤及注意事项; 2.根据实验过程中记录的原始数据,计算材料的弹性模量E 。
实验一材料力学万能试验机的认识一、液压式材料万能试验机图1为油压式万能试验机,利用油压加力,可作拉伸、压缩、剪切、弯曲等实验。
1.构造原理:图1为万能试验机的构造原理图,分为加力、测力、自动绘图三个部分。
(1) 加载系统:加载系统由油箱、油缸、工作台、机座等组成。
机座14、光滑立柱7及上横梁6固定不动,开动马达后,油泵将油经过送油阀17和油管③送至工作油缸内,推动活塞5带动工作台11上升。
若试件放在工作台11上,则受压缩。
试件受力的大小与油压的大小成正比关系。
(2) 测力系统:测力为重摆平衡式。
试件受力后,油缸内油压逐渐增加,高压油经油管④⑤进入到测力油缸(28)内,使测力活塞(27)向下移动,通过连杆(26),使摆锤摆起,推动齿杆(21)带动齿轮(15),即可使指针转动,从而由示力盘上得到相应的载荷.更换摆锤重量,即可得到不同的测力范围。
(3)绘图系统:记录仪。
图1 万能试验机结构原理图1.马达2。
上支架3。
螺杆4。
工作油缸5.活塞6。
上横梁7。
光滑立柱8。
压板9.支座10。
夹头11.工作台12.夹头 1 3 . 手柄1 4 。
机座1 5 。
齿轮1 6 . 指针 1 7 . 送油阀1 8 . 油泵1 9 . 马达2 0 . 度盘 2 1 . 齿杆22。
推杆23。
回油阀24。
摆杆25.平衡锤26。
连杆27。
测力活塞28。
测力油缸29。
油箱30.摆锤2.操作方法:①选择力盘。
根据试件尺寸和实验要求,选择合适的测力范围,加上相应的摆锤。
②选择合适的夹具及其附件。
③调整零点:开启马达,将油打入工作油缸,使工作台稍微升起,以平衡掉工作台自重,然后旋转齿杆21,使示力盘指针指零。
④安装试件。
作压缩实验,试件放在工作台的中心;如果作拉伸实验,则将试件夹入上、下夹头12、10中。
⑤调整好自动绘图装置。
⑥加载实验.加载前检查各油阀是否关闭,然后开动马达,微开送油阀,缓慢加载。
⑦卸载。
实验完毕后,打开回油阀退油,关闭电门。
材料力学实验指导书实验一拉伸和压缩实验(一)实验目的1、了解万能材料试验机的工作原理、构造和操作方法;2、测定低碳钢在拉伸时的,,和。
3、测定低碳钢在压缩时的。
4、测定铸铁在拉伸和压缩时的。
(二)实验仪器及设备1、万能材料试验机2、游标卡尺(三)实验步骤1、首先用游标卡尺分别量测出低碳钢拉伸试件、低碳钢压缩试件、铸铁拉伸试件、铸铁压缩试件的直径尺寸,再用游标卡尺量测出低碳钢拉伸试件拉伸前平直段的标距L 0 。
并将以上数据分别填入下列表一、表二中。
表一低碳钢拉伸试件尺寸表二铸铁拉压试件和低碳钢压缩试件的直径尺寸2、用万能材料试验机分别测试出低碳钢拉伸试件在拉伸时的屈服荷载P S 、强度荷载P b ;低碳钢压缩试件在压缩时的屈服荷载P S。
铸铁拉伸试件在拉伸时的强度荷载P b、铸铁压缩试件在压缩时的强度荷载P b。
(四)实验数据处理及计算1、低碳钢在拉伸时的屈服极限 = .2、低碳钢在拉伸时的强度极限 = .3、低碳钢在压缩时的屈服极限 = .4、低碳钢的延伸率δ =5、低碳钢的截面收缩率Ψ =6、铸铁在拉伸时的强度极限 =7、铸铁在压缩时的强度极限 =(五)、实验操作要点及注意事项1、选定适合的万能材料试验机测力度盘的量程,并配备相应的砝码;2、万能材料试验机开机前其送油阀和回油阀一定要处于关闭状态。
3、将万能材料试验机测力指针调零、开机并打开送油阀,对试件进行连续,均匀,缓慢地加载;4、注意观察实验现象并注意记录实验数据;5、实验时,如发现异常现象,马上停机检查。
(六)实验结果分析及讨论实验二 冲击韧性实验指导书(一)﹑实验目的测定低碳钢和铸铁两种材料的冲击韧度,观察破坏情况,并进行比较。
(二)﹑实验设备1. 冲击试验机2. 游标卡尺图2-26 冲击试验机结构图(三)﹑试样的制备若冲击试样的类型和尺寸不同,则得出的实验结果不能直接比较和换算。
本次试验采用U 型缺口冲击试样。
其尺寸及偏差应根据GB/T229-1994规定,见图2-27。