继电保护测试仪检验报告
- 格式:doc
- 大小:5.12 MB
- 文档页数:4
JL5005微机继电保护测试仪出厂试验报告
出厂编号:
一、电压输出
4、保护功能
1)输出57.73V,用导线短接输出端口,面板对应故障指示灯亮。
,要求≥10S
输出电流接滑线电阻,用万用表交流电压档监测输出端口电压值,同时用示波器监测端口负载波形,取最大电压且波形不畸变时计算功率,计算公式:P=I*U
5、保护功能
1)输出端口开路,面板对应故障指示灯亮。
三、直流输出
1、直流电压输出
进入交流试验程序,选择“自动”输出,用导线短接开入量端口,观察软件是否计时并
五、开关量输出检测
进入交流试验程序,依次选择各开出量并点击软件输出,用万用表二极管档检测开出量端口是否导通。
六、整机输出检测
短接电流输出端口,同时输出电流5A,电压57.73V, 二小时后开主机箱检测温度是否正常。
检验结论:合格
检验员:
扬州金力电气有限公司
年月日。
继电保护检验报告标准1. 引言继电保护是电力系统中非常重要的一项安全措施,用于检测电力系统中的故障,并在故障发生时及时地切除故障部分,以保护电力设备的安全运行。
为了确保继电保护装置的可靠性和正确性,对其进行定期的检验和测试是必要的。
本文档旨在制定继电保护检验报告的标准,以确保检验报告的准确性和可读性。
2. 检验报告的组成继电保护检验报告应包括以下几个主要部分:2.1 检验报告概述在检验报告的开头,应对该次检验的背景和目的进行简要介绍。
同时,还应列出本次检验的基本信息,如检验日期、检验人员、被检继电保护装置的基本信息等。
2.2 检验结果总结该部分应对本次检验的结果进行总结,简要说明继电保护装置的工作状况是否正常,是否存在故障或问题。
如果存在问题,应详细描述问题的性质和严重程度。
2.3 检验过程描述该部分应详细描述本次检验的具体过程,包括使用的测试仪器、测试方法、测试参数等。
同时还应记录任何测试中的异常情况和操作问题。
2.4 效果验证继电保护检验报告中应包括继电保护装置的效果验证结果。
通过对电力系统中模拟或实际故障的检验,验证继电保护装置的动作准确性和响应速度。
具体的验证方法和效果评估标准应在该部分进行详细描述。
2.5 问题与建议如果在检验过程中发现了问题或存在改进的建议,应在此部分进行详细说明。
对于存在的问题,应提出解决方案或改进措施,并给出改进的优先级和时间表。
3. 报告编写要求继电保护检验报告的编写应符合以下要求:3.1 格式要求检验报告应以Markdown文本格式编写,便于版本管理和阅读。
应使用合适的标题、字体和格式,使报告内容易于理解和查找。
3.2 文字描述报告中的文字描述应准确明了,排版整齐有序。
对于检验过程中的问题和异常情况,应提供详细的描述和分析。
对于效果验证的结果,应包括数据和图表,以便更直观地展示检验结果。
3.3 结论明确报告的结论部分应对本次检验的结果进行明确的陈述,确保读者能够清楚地理解继电保护装置的状况和存在的问题。
继电保护实验报告
继电保护实验报告
一、实验目的
本实验的主要目的是了解继电保护的原理,运用继电保护系统,对电力系统中的电力设备进行有效的保护,保证电力系统的安全稳定运行。
二、实验内容
1. 综述继电保护的基本原理及功能。
2. 搭建、设置、测试继电保护实验仪器,分别熟练操作和应用它们。
3. 了解继电保护装置的种类、接线及作用原理,以及各种保护动作的原理。
4. 熟练掌握继电保护装置的作用及保护试验的实施方法,并且能够对电力系统中的电力设备进行有效的保护。
5. 熟练掌握继电保护装置的维护与检查,并能够找出系统中存在的负荷覆盖不足、响应时间过长等问题。
三、实验结果
1. 实验中熟练掌握了继电保护装置的作用及保护试验的实施方法,完成了对电力系统中的电力设备进行有效的保护的任务。
2. 熟悉了继电保护装置的维护与检查,了解了电力系统中存在的负荷覆盖不足、响应时间过长等问题,并可以采取相应的措施来解决。
四、结论
本次实验对继电保护的理论基础、原理及其应用有了更加深入的了解,掌握了电力系统中电力设备的保护原理,以及对继电保护的维护与检查等工作的熟练运用。
继电保护试验报告摘要:继电保护是电力系统中非常重要的一项技术,它能够及时检测故障和异常情况,并采取保护措施,使电力系统保持稳定运行。
本试验报告主要介绍了继电保护试验的目的、方法和结果分析。
试验目的是验证继电保护装置的可靠性和准确性,通过模拟各种故障情况,检测继电保护装置的动作和判别能力。
一、试验目的1.验证继电保护装置是否符合设计要求,是否能够在故障情况下快速切除故障线路;2.检测继电保护装置的判别和动作能力,评估其可靠性和准确性;3.分析继电保护装置在各种故障情况下的动作特性和动作时间,为系统的故障排除提供参考。
二、试验方法1.根据电力系统的拓扑结构和故障类型,制定试验方案,确定试验对象和试验参数;2.利用模拟设备和实际硬件进行试验,根据试验方案进行故障模拟,并记录继电保护装置的动作和判别情况;3.根据试验结果进行数据分析和处理,评估继电保护装置的性能和可靠性。
三、试验结果分析1.故障判据能力:在各种故障情况下,继电保护装置能够准确判别故障位置和类型,能够迅速切除故障线路,保证电力系统的稳定运行。
2.动作时间:试验结果表明,继电保护装置的动作时间符合设计要求,能够在短时间内响应故障信号并切除故障线路,最大限度地减少电力系统的损坏。
3.可靠性评估:根据试验数据分析,继电保护装置的误动率非常低,能够在故障情况下稳定工作,并可靠地切除故障线路。
四、存在问题及改进措施根据试验结果分析,本次试验中继电保护装置的性能表现较好,但仍存在以下问题:1.动作时间略长:尽管继电保护装置的动作时间符合设计要求,但仍可以通过优化硬件和软件的结构,进一步缩短动作时间,提高故障切除的效率。
2.对复杂故障情况的判别能力有待提高:在复杂故障情况下,继电保护装置的判别能力有一定的局限性,需要进一步优化算法和数据处理方法,提高判别的准确性。
改进措施:1.更新继电保护装置的硬件和软件版本,采用先进的算法和数据处理方法,提高故障判别的准确性;2.加强继电保护装置的定期维护和检修,确保其正常运行和可靠工作。
电力系统继电保护实验实验报告一、实验目的电力系统继电保护是保障电力系统安全稳定运行的重要技术手段。
本次实验的目的在于通过实际操作和观察,深入理解继电保护的原理、功能和动作特性,掌握继电保护装置的调试和测试方法,提高对电力系统故障分析和处理的能力。
二、实验设备1、继电保护测试仪2、模拟电力系统实验台3、各种类型的继电保护装置,如过流继电器、差动继电器、距离继电器等4、示波器、万用表等测量仪器三、实验原理1、过流保护过流保护是根据线路或设备中的电流超过预定值时动作的保护原理。
当电流超过整定值时,过流继电器启动,经过一定的延时后,发出跳闸信号,切断故障线路或设备。
2、差动保护差动保护是基于被保护设备两端电流的差值来判断是否发生故障。
正常运行时,两端电流差值很小;当发生内部故障时,差值会显著增大,超过整定值时,差动继电器动作。
3、距离保护距离保护是根据测量故障点到保护安装处的阻抗来确定保护动作的。
通过测量电压和电流的比值,计算出阻抗值,与整定值比较,判断是否动作。
四、实验内容及步骤1、过流保护实验(1)按照实验接线图将过流继电器、模拟负载和电源连接好。
(2)设置过流继电器的整定值,例如 12 倍额定电流。
(3)逐渐增加负载电流,观察过流继电器的动作情况,记录动作电流和动作时间。
2、差动保护实验(1)将差动继电器与模拟变压器的两侧绕组连接。
(2)在变压器正常运行和内部故障情况下,测量两侧电流,观察差动继电器的动作情况。
3、距离保护实验(1)在模拟电力系统实验台上设置不同的故障点和故障类型。
(2)使用继电保护测试仪向距离保护装置施加电压和电流信号。
(3)观察距离保护装置的动作情况,记录动作距离和动作时间。
五、实验数据及分析1、过流保护实验数据|负载电流(A)|动作电流(A)|动作时间(s)|||||| 10 |未动作||| 12 | 125 | 05 || 15 | 152 | 03 |分析:实验结果表明,过流继电器在电流超过整定值时能够可靠动作,动作时间符合设定的延时要求。
继电保护测试仪检验报告
内容充实,质量毋庸置疑。
技术检验报告
一、鉴定机型
本次技术检验为XXX型号继电保护测试仪(以下简称“测试仪”)的检验工作。
二、主要技术参数
XXXXXXX
三、检验项目
1、安全性检查:检查测试仪的外观是否符合安全要求;
2、电气性能检查:通过实际测试检查测试仪的电气性能,并将测试结果与技术文件中的指标进行比较;
3、结构完整性检查:检查测试仪的外壳、连接器及其它部件及其结构的完整性;
4、功能检查:检查测试仪的主要功能是否正常。
四、检验结果
1、安全性检查:合格;
2、电气性能检查:合格,所有参数均符合技术要求;
3、结构完整性检查:合格,外壳、连接器及其它部位均完整;
4、功能检查:合格,主要功能均正常。
五、结论
本次检验结果表明,XXX型号继电保护测试仪的安全性、电气性能、结构完整性及功能均符合技术要求,给予合格评定。
六、批准
此报告经审查有效,特此批准。
电力系统继电保护试验报告继电保护是电力系统中重要的安全保障,其作用是在电网故障发生时作出保护行动,以避免故障扩大损失和保护设备,保证电网的安全运行。
本文旨在介绍电力系统继电保护试验的相关内容及结果分析。
一、试验目的本次试验的主要目的是验证电力系统继电保护的安全可靠性和性能。
为确保电力系统的稳定运行,提高供电质量,在试验中我们将对继电保护设备进行精确的功能测试和性能检查,以评估其在售电业务中的具体应用效果,为保证客户利益提供重要保障。
二、试验内容本次试验主要对继电保护系统的保护范围、敏感度、速动性、稳定性等方面进行检验,涉及继电保护设备、电源系统、接地系统、信号传输系统等相关试验。
针对不同的检验目标,我们采用了多种试验方法,例如“母线/馈线跳闸试验”、“线路保护试验”、“变压器保护试验”、“发电机保护试验”、“母差保护试验”等多种试验手段,难度较大的试验项目我们还采用了仿真试验等虚拟手段来进行验证。
三、试验过程试验过程中,我们对设备进行了逐一检修,并对试验过程逐一记录,以确保检验数据的准确性和有效性。
试验过程中,我们严格按照试验计划进行,为了减少人为操作的影响,我们采用了计算机辅助操作,确保试验过程规范、简便和高效。
在试验过程中,我们发现了许多问题,例如部分继电设备的性能不佳、信号传输延迟等,我们立即进行了排除并进行了调试,确保了试验的顺利进行。
试验过程中我们还进行了真实场景模拟试验,通过对不同电网故障的模拟,进行故障检测和隔离,以确保电力系统的正确运行。
四、试验结果试验结果表明,继电器保护设备的响应速度和保护范围等性能得到了充分的验证和检测,试验目标得到了较好的实现。
其中,我们对少数设备进行了更换和优化,以确保前期存在的缺陷被及时消除。
在试验过程中,我们还发现了一些新的问题,例如部分信号传输设备的传输延迟过长、数字保护设置不当等,将进行进一步的分析和解决。
总体来说,本次试验的结果表明,电力系统继电保护设备的性能稳定可靠,能够在实际生产中提供良好的保护作用,符合电力系统运行的要求。
继电保护及微机保护实验报告实验一 DL-31型电流继电器特性实验一、实验目的:1、了解常规电流继电器的构造及工作原理。
2、掌握设置电流继电器动作定值的方法。
3、学习微机型继电保护试验测试仪的测试原理和方法,并测试DL-31型电流继电器的动作值、返回值和返回系数。
二、实验方法: (1)、按照实验指导接好连线; (2)、打开测试仪,在PC 机上运行“继电保护特性测试”系统软件; (3)、设置测试仪的控制参数,本实验是动态改变I a 的幅值,以“I a 幅值”为控制量,步长 设置为0.05A ,整定值为3A ,起始值设置为0A 。
(4)、重复手动测试继电器动作值及返回值,记录数据。
三、实验结果四、思考题 1、电磁型电流继电器的动作电流与电流的整定值有关,也就是舌片的上方的止位螺钉的位置有关系,动作电流也与舌片的Z 字型的舌片的Z 的角度有关。
还与铁芯上的线圈的粗细,匝数、游丝的松紧程度有关。
2、返回系数的大小主要是继电器断开的时间长断,返回系数是指返回电流re I 与动作电流OP I 的比值称为返回系数re K ,即: 。
OPrere I IK实验二 DY-36型电压继电器特性实验一、实验目的:1、了解常规电压继电器的构造及工作原理。
2、掌握设置电压继电器动作定值的方法。
3、测试DY-36型电压继电器的动作值、返回值和返回系数 二、 实验方法: (1)、按照实验指导接好连线; (2)、打开测试仪,在PC 机上运行“继电保护特性测试”系统软件; (3)、设置测试仪的控制参数,本实验是动态改变U a 的幅值,以“U a 幅值”为控制量,步长设置为0.5v ,整定值为50v ,起始值设置为40v 。
4)、重复手动测试继电器动作值及返回值,记录数据。
三、实验结果四、思考题1、电磁型电压继电器的动作电压与电压的整定值有关,和相关磁路的磁阻有关(具体包括铁芯材料的磁导率、铁芯的尺寸、空气气隙的长度),也和线圈的匝数有关。
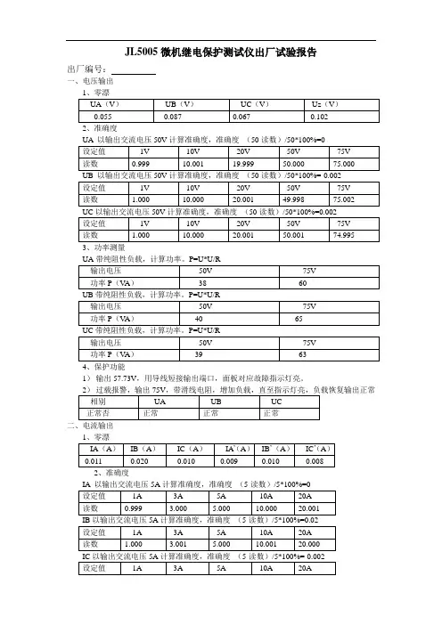
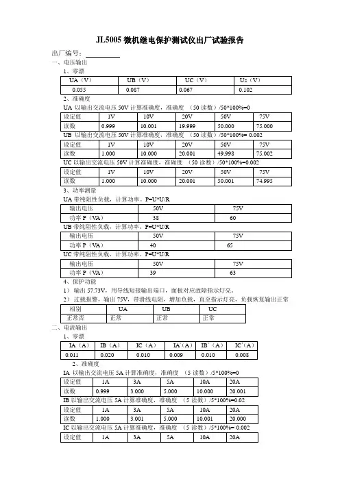
JL5005微机继电保护测试仪出厂试验报告
出厂编号:
一、电压输出
4、保护功能
1)输出57.73V,用导线短接输出端口,面板对应故障指示灯亮。
2、准确度
10S
4、功率测量
输出电流接滑线电阻,用万用表交流电压档监测输出端口电压值,同时用示波器监测端口负载波形,取最大电压且波形不畸变时计算功率,计算公式:P=I*U
5、保护功能
1)输出端口开路,面板对应故障指示灯亮。
三、直流输出
1、直流电压输出
进入交流试验程序,选择“自动”输出,用导线短接开入量端口,观察软件是否计时并
五、开关量输出检测
进入交流试验程序,依次选择各开出量并点击软件输出,用万用表二极管档检测开出量端口是否导通。
六、整机输出检测
短接电流输出端口,同时输出电流5A,电压57.73V, 二小时后开主机箱检测温度是否正常。
检验结论:合格
检验员:
扬州金力电气有限公司
年月日。
一、前言为确保电力系统的安全稳定运行,提高电力设备的可靠性,本部门在近期对110kV级和10(6)kV级微机综合继电保护装置进行了全面检测。
现将本次继电保护试验工作总结如下:二、试验目的1. 检测110kV级和10(6)kV级微机综合继电保护装置的定值测试及工作是否正常;2. 发现潜在的安全隐患,提高电力系统的安全稳定性;3. 优化继电保护装置的配置,确保电力设备的可靠运行。
三、试验过程1. 准备阶段:根据试验要求,准备所需设备,包括继电保护测试仪一台、试验负责人及操作人员共3名。
同时,对试验人员进行技术培训,确保试验顺利进行。
2. 试验实施阶段:(1)对110kV系统及与之相关的6或10kV进线的综合保护继电器(线路保护、母联保护、变压器高、低备保护、差动保护、电压保护、接地变保护、备自投保护、常规过流、速断、零序保护)进行保护定值调试;(2)试验人员认真做好调试记录,及时解决调试中出现的问题;(3)试验管理员负责出具调试报告,参与各调试项目的试验人员对调试数据(动作值和时间)与定值单进行核准;(4)对继电保护装置中相关保护功能的定值按照定值单中的计算定值进行整定。
3. 试验总结阶段:对试验过程中发现的问题进行汇总,分析原因,提出改进措施。
四、试验结果1. 继电保护装置的定值测试及工作均符合要求,装置运行正常;2. 发现并消除了部分潜在的安全隐患,提高了电力系统的安全稳定性;3. 优化了继电保护装置的配置,确保了电力设备的可靠运行。
五、存在问题及改进措施1. 存在问题:部分继电保护装置的调试过程中,发现部分保护功能定值与实际运行值存在偏差;2. 改进措施:针对存在问题,对继电保护装置的定值进行重新整定,确保保护功能正常;加强试验人员的技术培训,提高试验准确性。
六、结论本次继电保护试验工作取得了圆满成功,为电力系统的安全稳定运行提供了有力保障。
在今后的工作中,我们将继续加强继电保护试验工作,不断提高电力系统的安全稳定性,为我国电力事业的发展贡献力量。
继电保护检验报告管理制度一、引言继电保护检验报告是对电力系统继电保护装置的性能进行评估和检验的重要文件,为保证电力系统的安全运行起到了关键的作用。
为了规范和提高继电保护检验报告的质量,确保其真实、准确、可靠,特制定本管理制度。
二、目的和适用范围本管理制度的目的是规范和统一继电保护检验报告的编写、审核、归档和管理流程,确保继电保护检验报告的质量和准确性。
本管理制度适用于电力系统各级供电企业和继电保护检验机构。
三、报告编写1. 报告名称应准确反映其内容,包括被检继电保护装置的名称、型号、检验日期等关键信息。
2. 报告应按照统一的格式编写,包括引言、目的和适用范围、主要技术指标、检验结果、结论和建议等内容。
3. 报告中的内容应真实、准确、完整,不得夸大或隐瞒检验结果。
4. 报告应使用简明扼要的语言,不得使用模棱两可或含糊其辞的措辞。
5. 报告中的数据和图表应清晰可读,必要时应标注单位和相关说明。
四、报告审核1. 报告编写人员应将编写好的报告提交给专门负责审核的人员审核。
2. 审核人员应详细审查报告的内容,包括技术指标、检验结果和结论等,确保其准确性和一致性。
3. 审核人员应在审核过程中及时发现并指正报告中的错误和不足之处,确保报告的真实性和可靠性。
4. 审核人员应及时向报告编写人员反馈审核结果,并提出修改意见和建议。
五、报告归档和管理1. 完成编写和审核后的继电保护检验报告,应按照统一的文件编号和归档系统进行归档。
2. 归档人员应将报告按照电力系统的不同级别和装置进行分类存档,并建立维护相应的档案目录和档案清单。
3. 对于重要的继电保护检验报告,应加强保密措施,确保其安全性和机密性。
4. 归档人员应定期审查和更新档案目录和清单,确保其及时性和正确性。
5. 档案的保管应采取相应的措施,确保其不受损坏和丢失。
六、报告查询和使用1. 有关部门和人员需要查询继电保护检验报告时,应向归档部门提出书面申请,并注明查询的目的和范围。
继电保护检验报告管理制度一、总则继电保护检验报告是指对继电保护设备进行检验后所形成的报告。
为了规范继电保护检验报告的编写、审核、归档和使用等工作,保证报告的准确性和可靠性,特制定本管理制度。
二、编写程序1.继电保护检验报告的编写应按照国家标准和相关规定进行,确保报告的科学性、规范性和完整性。
2.编写人员应具备较高的专业技术水平和丰富的实践经验,具备报告编写能力。
3.编写前,应对继电保护设备进行全面检查,确保设备的运行和配置正常,并记录检查结果。
4.继电保护检验报告应包括以下内容:(1)检验单位名称、地址、联系方式;(2)检验时间和地点;(3)被检继电保护设备的详细信息,包括设备名称、型号、生产厂家等;(4)检验方法和步骤的详细介绍;(5)检验结果的报告和分析;(6)存在的问题和改进建议;(7)检验人员的签字和日期;(8)报告的编号和页数。
三、审核程序1.继电保护检验报告的审核由具备较高的专业技术水平和丰富的实践经验的人员进行,确保报告的准确性和可靠性。
2.审核程序包括对报告的内容、结论和建议进行全面细致的检查,并核对相关数据和信息的准确性。
3.审核过程中,应记录审核人员的姓名、审核时间和审核意见。
四、归档程序1.经审核通过的继电保护检验报告应及时归档。
2.归档前,应先对报告进行格式化处理,使其符合归档要求。
3.报告归档时应按照一定的分类标准进行,建立相应的档案库,方便查阅和使用。
4.归档记录中应包括报告的编号、归档日期、存放位置和保管责任人等信息。
五、使用程序1.使用继电保护检验报告时,需填写相关表单并注明使用目的和日期。
2.使用人员应具备一定的专业知识和技术要求,确保对报告的正确理解和应用。
3.对于查阅和使用过的报告,应及时归还并填写归还记录表。
六、报告的保密1.继电保护检验报告属于重要技术文档,应严格保守机密。
2.报告的印发和传递需经过授权,并在传递时注明传递目的和接收单位。
3.不得擅自复制、截取或泄露报告的内容。
继电保护检验报告管理制度范文一、背景继电保护检验报告是电力系统中重要的文件,它记录了电力系统的继电保护设备的检验情况,对电力系统的安全稳定运行具有重要意义。
为了规范继电保护检验报告的管理工作,保证继电保护检验报告的质量和准确性,制定本管理制度。
二、目的本管理制度的目的是为了规范继电保护检验报告的管理流程,明确各个环节的责任和职责,确保继电保护检验报告的及时、准确和可靠。
三、适用范围本管理制度适用于电力系统中继电保护设备的检验工作,并涉及继电保护检验报告的编制、审核、发放、保管及归档等各个环节。
四、管理流程4.1 继电保护设备检验报告的编制4.1.1 检验人员在完成继电保护设备检验后,按照相关规定填写继电保护检验报告。
4.1.2 继电保护检验报告包括但不限于以下内容:(1)检验日期、地点及检验人员信息;(2)被检继电保护设备的基本信息,包括型号、编号等;(3)继电保护设备的检验结果,包括功能、性能等方面的评估;(4)继电保护设备的存在问题及处理意见;(5)继电保护设备的检验结论。
4.2 继电保护检验报告的审核4.2.1 继电保护检验报告由专门负责审核的人员进行审核。
4.2.2 审核人员应按照相关规定对继电保护检验报告的完整性、准确性和可靠性进行审核。
4.2.3 审核人员应及时将审核结果以书面形式反馈给检验人员,并在继电保护检验报告上签字确认。
4.3 继电保护检验报告的发放4.3.1 经过审核的继电保护检验报告应及时发放给有关单位和人员。
4.3.2 发放继电保护检验报告应确保报告的准确性和完整性,防止信息的泄露和被篡改。
4.3.3 发放继电保护检验报告的方式可以采用纸质版、电子版或其他合适的方式。
4.4 继电保护检验报告的保管4.4.1 接收继电保护检验报告的单位应做好报告的保管工作,确保报告的机密性和安全性。
4.4.2 继电保护检验报告的保管应按照一定的分类和编号方式进行,使得报告能够方便查阅和使用。
继电保护检验报告管理制度一、制度目的本制度的目的是为了规范企业继电保护检验报告的管理,确保继电保护设备的正常运行和安全稳定,减少事故发生的风险。
二、适用范围本制度适用于企业所有继电保护设备检验报告的管理工作。
三、管理标准3.1 继电保护检验报告的编制1.继电保护检验报告由继电保护检验工程师负责编制,报告应具备真实性、准确性、完整性。
2.报告内容应包括但不限于:–继电保护设备的基本信息,包括设备名称、型号、生产厂家等;–检验的具体内容和方法,包括设备的主要功能测试、定值参数测试、设备运行状态检测等;–检验结果的分析和总结,包括设备的合格性评定、存在的问题和缺陷等;–继电保护设备维护和维修建议。
3.2 继电保护检验报告的存档和管理1.继电保护检验报告应按照规定的格式存档,包括电子版和纸质版两种形式,确保报告的保密性和可追溯性。
2.报告的存档应按照设备所属部门及管理单位进行分类管理,方便查阅和追溯。
3.纸质版报告应保存至少五年,电子版报告应保存至少十年。
4.报告存档管理员应定期检查报告存档的完整性和规范性,并及时补充缺失或不完整的报告。
3.3 继电保护检验报告的审批和签发1.继电保护检验报告应经过继电保护检验工程师审查和主管领导审批,确保报告的准确性和可靠性。
2.审查内容包括但不限于:–报告的编制是否符合规定的格式和标准;–检验过程是否完整记录;–检验结果是否准确可靠;–存在的问题和缺陷是否得到合理的解决和建议。
3.经审查和审批后,报告由主管领导签发,并加盖企业公章。
3.4 继电保护检验报告的传达和使用1.继电保护检验报告应及时传达给设备所属部门,以便其针对问题和缺陷进行及时整改和维护。
2.设备所属部门应对继电保护检验报告进行详细的研究和分析,并制定相应的维护和维修计划。
3.相关人员在使用继电保护设备时,应详细阅读继电保护检验报告,并按照报告的建议进行操作和维护,确保设备的正常运行和安全可靠。
四、考核标准4.1 继电保护检验报告的准确性和完整性1.报告中的内容应真实准确,符合现场检验的结果和实际情况;2.报告应包含所需的全部信息,包括细节的检测数据和分析结论。
2024年继电保护检验报告管理制度范文1目的检验报告是保证检验质量的最后一关,因此及时整理完整的检验报告,并经相关的专业技术人员进行审核签名,一旦发现有怀疑和错误之处应立即重做或补做相应的检验项目是十分必要的。
为了进一步加强检验报告的规范性、严谨性,特制定《继电保护检验报告管理制度》。
2适用范围本制度适用于____水力发电厂继电保护及安全自动装置、直流系统的定期检验、全部检验、部分检验。
3检验报告执行程序3.1检验报告的填写3.1.1检验报告的内容必须真实有效,所有数据必须依据现场试验的真实记录按标准格式填写。
3.1.2检验报告需由试验记录人员进行填写,工作负责人进行复查,工作负责人须对试验报告所书写的内容负全部责任。
3.1.3报告字体统一用宋体,一级标题用小三号字体,其余用小四号字体并加黑,报告具体内容为小四号字,报告内的图,统一用CAD 制图。
3.1.4检验报告封面标题统一用二号字体加黑,编号为小五,其余为小三号字体。
检验报告封面左上角为华能图标,从上到下的内容按审核批准的手续依次排列。
3.1.5检验报告编号的编制方法:3.2检验报告的验收3.2.1三级验收是防止误检验和检验漏项的好办法,严格执行三级验收:①班组验收;②部门技术人员验收;③生技部二次专责或主管验收。
3.2.2检验报告的审核、批准。
3.2.2.1电压等级在10kV及10kV以下保护装置的检验报告需班组技术员、部门专责、生技部主管、主任进行审核、批准手续。
3.2.2.2电压等级在220kV及220kV以上的保护装置的检验报告需班组技术员、部门专责、生技部主管、主管生产的厂领导进行审核、批准手续。
3.2.2.3凡与外厂或与电网有关的检验报告(不分电压等级)必须有主管生产的厂领导进行审核、批准手续。
3.2.2.4所有试验报告在审核时必须提供相应的现场记录本。
3.3检验报告的保存3.3.1检验报告经过各级审批后,由工作负责人放入班组资料柜内,班级技术员进行归档。
继电保护检验报告第号1、检验类别:定期检验2、设备名称:开关间隔:执行定值单编号:3、试验仪器:4、保护装置外部检查、上电检查、逆变电源检查(1)保护装置外观良好□(2)液晶显示清晰□(3)各插件板无过热、无元件开焊松脱、无螺丝及芯片松动□(4)保护装置时钟正确□(5)逆变电源检查正常□5、开关量输入、输出检查要求:模拟所有开关量通断状态,检查保护装置开关量变位情况结论:6、模拟量检查(1)综保装置电流量采样值检查要求:零漂及采样值误差应小于±5%结论:(2)综保装置电压量采样值检查要求:零漂及采样值误差应小于±5%结论:(3)综保装置4~20mA输出检查要求:误差小于0.5%结论:7、整定值检查及保护检验(1)保护装置整定值与定值单核对情况:(2)保护动作值校验要求:(1)动作值应重复3次,记录平均值。
每次测试值与整定值误差不大于±3%(2)接地保护必须采用一次通流法进行测试,检验零序CT二次回路完好。
结论:8、二次回路检查(1)检查电流互感器、电压互感器所有二次绕组接线(含CT、PT根部)及所有二次回路接线正确,端子排引线压接可靠。
检查结果:(2)测量电流互感器二次绕组直阻要求:通过测量电流互感器二次绕组直阻,判断互感器有无内部断线、开路、短路或端子引线压接不牢现象。
检查结果:(3)检查各电流互感器、电压互感器二次回路保护柜内一点可靠接地检查结果:(4)二次回路绝缘检查要求:将所有电流、电压、直流控制回路、信号回路外部接线拆开,并将电流、电压回路接地点拆开,用1000V兆欧表测量回路对地绝缘电阻,其阻值应大于1MΩ。
检查结果:9、传动试验(1)带开关传动。
从端子排上加入故障电流,保护动作后,断路器应正确跳闸。
查看保护装置动作报文、指示灯及DCS画面状态。
传动结果:(2)断路器防跳跃回路传动。
模拟发出断路器合闸指令,同时从端子排上加入故障电流,保护动作跳闸后,断路器应不发生跳跃现象。
继电保护测试仪检验报告
DEJB-H全自动继电保护测试仪是鼎升电力早期根据现场继电保护的测试要求以及GB7261-2008,DL/T995- 2006标准支持,研发的一款全自动智能化继电保护校验测试仪。
全自动继电保护测试仪采用单片微机技术,由自动同期数字毫秒表,逻辑控制单元,多功能数显单元,高精度数据采集及处理单元,电流、电压输出单元,继保测试仪具有过载及超量程保护单元部分组成,自动显示打印,测试过程中只需正确接好测试线,便可自动测试,整机精度≤1%是校验继电保护装置理想的测试仪。
技术参数
1.交流电压输出:
0~250V连续可调,最大输出容量600VA,过量程保护260V,误差为±1% 2.交流电流输出:
0~50A,0~100A连续可调,误差为±1%
0~50A时,开路电压5V
0~100A时,开路电压10V。
过载保护动作电流120A
3.直流电压输出:
0~250V连续可调,最大电流2A,过量程保护260V,过载保护动作电流
2.1A±5%。
误差为±1%
4.直流电流输出
0~200mA 0~5 A连续可调,误差为±1%
0~200mA时,开路电压48V,过载保护动作电流230mA
0~5A时,开路电压24V,过载保护动作电流5.2A
5.直流电压固定输出
单独输出110V或220V时,电流可达2.5A,但和交流电压电流,直流电
压同时输出时。
其总容量不能超过600VA
6.数字毫秒表
最大量程:999秒
分辨率:0.1毫秒
精度:0.1%±1个字
以下为继电保护测试仪省级计量测试研究院检验报告。