《空气呼吸器佩戴操作评分表》
- 格式:doc
- 大小:55.00 KB
- 文档页数:2
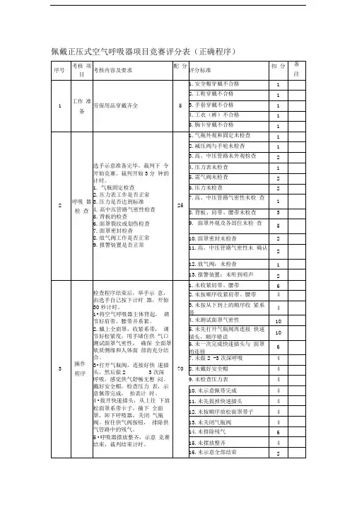
佩戴正压式空气呼吸器项目竞赛评分表(正确程序)考核序号项目工作1准备呼吸2器检查操作3程序考核内容及要求劳保用品穿戴齐全选手示意准备完毕。
裁判下令开始竞赛。
裁判开始3 分钟的计时。
1.气瓶固定检查2.压力表工作是否正常3.压力是否达到标准4.高中压管路气密性检查5.背板的检查6.面罩裂纹或划伤检查7.面罩密封检查8.放气阀工作是否正常9.报警装置是否正常检查程序结束后,举手示意,由选手自己按下计时器,开始 30秒计时。
1.将空气呼吸器主体背起,调节好肩带、腰带并系紧。
配评分标准分1.安全帽穿戴不合格2.工鞋穿戴不合格53.手套穿戴不合格4.工衣(裤)不合格5.胸卡穿戴不合格1.气瓶外观和固定未检查2.减压阀与手轮未检查3.高、中压管路未外观检查4.压力表未检查5.需气阀未检查6.压力未检查7.高、中压管路气密性未检25查8.背板、肩带、腰带未检查9.面罩外观及各部位未检查10.面罩密封未检查11.高、中压管路气密性未确认12.放气阀:未检查13.报警装置:未听到哨声1.未收紧肩带、腰带2.未按顺序收紧肩带、腰带703.未按从下到上的顺序收紧系带4.未测试面罩气密性扣备分注111111121221352212644102.戴上全面罩,收紧系带,调节好松紧度,用手堵住供气口测试面罩气密性,确保全面罩软质侧缘和人体面部的充分结合。
3.打开气瓶阀,连接好快速插头,然后做 2-3 次深呼吸,感觉供气舒畅无憋闷。
戴好安全帽,检查压力表,示意佩带完成,拍表计时。
4.拔开快速插头,从上往下放松面罩系带卡子,摘下全面罩,卸下呼吸器 ,关闭气瓶阀。
按住供气阀按钮,排除供气管路中的残气。
5.呼吸器摆放整齐,示意竞赛结束,裁判结束计时。
1.全部操作程序在 3 分钟内完成,进行到 3 分钟,停止竞赛。
未完成程序不得分。
4备注2.背戴呼吸器在30 秒内完成。
超时将从总分中扣除相当分数。
合计100 5.未先打开气瓶阀再连接快速插头,顺序错误6.未一次完成快速插头与面罩的连接7.未做 2- 3 次深呼吸8.未戴好安全帽9.未检查压力表10.未示意佩带完成11.未先拔掉快速插头12.未按顺序放松面罩带子13.未关闭气瓶阀14.未排除残气15.未摆放整齐16.未示意全部结束超时 1 秒超时 2 秒超时 3 秒背戴30超时 4 秒秒,超时超时 5 秒情况超时 6-10 秒超时 11-20 秒超时 20 秒以上106444444464212345102040。
北京处空气呼吸器佩戴比赛评分标准
序号演练步骤要点分值
1.打开存储箱1)打开迅速。
2)无严重磕碰箱体。
(作为检查呼吸器外观的一个过程)
10
2.检查呼吸器密封性3)确认复位杆被按下。
4)打开气瓶阀。
(开启两圈以上)
5)观察压力表示值。
15
3.检查报警哨6)关闭气瓶阀。
7)用手掌盖住LDV出口,按压LDV的中心,缓慢排气。
8)观察气压表,报警哨应在50-60bar时发出报警。
9)打开气瓶阀。
20
4.背上装置10)呼吸器上肩动作顺畅。
11)身体前倾,调节肩带,直到感觉舒适。
12)扣好腰带并调节松紧。
15
5.佩戴呼吸面罩13)检查面罩完整性。
14)挂上颈带。
15)佩戴呼吸面罩。
16)调整勒紧带。
17)用手堵住进气口检查面罩密封性。
25
6.连接呼吸面罩18)将需气阀LDV连接到面罩上(快速插接)。
19)正常呼吸,LDV被激活,屏住呼吸,应无泄漏声。
20)正常呼吸2次,无异常后举手示意。
15
1、3名评委分别按照参赛员工演练步骤中具体得分要点完成标准程度打分,要点不达标的,以5分为单位进行扣分。
2、3名评委中的评分总和为员工实操规范程度得分。
3、如出现分数相同的情况,则用时最短的排名靠前。