经纬仪导线测量水平角测量记录表
- 格式:docx
- 大小:15.26 KB
- 文档页数:4
井下经纬仪导线测量手簿计算方法
井下经纬仪导线测量的手簿计算方法通常包括以下几个步骤:
1. 数据整理:首先,将测量得到的各个角度和边长的数据整理在手簿上。
每个角度应记录其度、分、秒的数值。
2. 角度计算:对于两个相邻的导线点,需要计算它们之间的水平角。
水平角的计算公式为:$\text{水平角} = \text{后视点角度} - \text{前视点角度}$。
注意,角度需要转换为同一度数单位(如度、分、秒),以便进行计算。
3. 边长测量:使用测距仪或钢卷尺测量两个相邻导线点之间的距离,并记录在相应位置。
4. 坐标计算:根据测量的角度和边长,以及已知的起始点的坐标,使用三角函数计算每个导线点的坐标。
常用的三角函数包括正弦、余弦、正切等。
5. 精度计算:根据测量的数据和计算的坐标,检查并计算导线的精度,以确保测量结果的准确性。
6. 手簿填写:将以上所有计算和检查结果填入手簿的相应位置,并确保所有数据准确无误。
7. 复核与审查:完成手簿填写后,进行复核和审查,确保所有数据和计算准确无误。
以上步骤是井下经纬仪导线测量手簿计算的基本方法。
具体的计算方法和公式可能因井下条件、测量精度要求等因素而有所不同,因此在实际操作中,应参考相关的测量规范和操作指南,以确保测量结果的准确性和可靠性。
工程测量实训水利水电工程技术学期 20 年期20 年月日0目录学生实训守则 ............................................................................. 2实训一水准仪的使用与检验 ................................................ 3实训二普通水准测量.............................................................. 7实训三四等水准测量.............................................................. 9实训四经纬仪的使用...........................................................12实训五水平角观测...............................................................13实训六竖直角观测及视距测量 .............................................17实训七小范围控制测量外业 ...............................................20实训八控制测量内业工作 ...................................................22实训九碎部测量外业工作 ...................................................25实训十碎部测量内业工作 .................................................27实训十一测设的基本工作 ...................................................29实训十二圆曲线测设及纵横断面测量................................30实训十三建筑物的轴线放样 ...............................................32工程测量综合实训指导书.......................................................33学生实训守则一、严格遵守各项规章制度与操作规程二、必须在规定的时间内参加实训,原则上不准请假和迟到、早退,实训室必须保持安静,不准高声喧哗,不准乱扔纸屑、杂物。
《经纬仪实验》实验指导书实验课仪器使用及安全须知1、严格遵守“1米原则”、“一臂原则”!2、严禁在道路中间安置测站!3、严禁坐仪器箱子及其他实验器材!4、长距离搬运仪器应装箱,短距离搬运严禁扛在肩上、不加任何防护!装箱仪器拿起前,务必检查箱盖是否紧闭!5、严禁将水准尺靠着树干、路灯或墙柱上!水准尺不用时,应顺着放在路边。
6、仪器取用及装箱,严禁在手托或怀抱仪器箱的情况下进行!仪器装箱前务必将所有制动螺旋松开,光学经纬仪须将竖盘指标补偿器关闭。
7、仪器安置前,务必检查三脚架是否安装稳固!在光滑地面上,必须做好相应防护措施!8、安置仪器时,在旋紧连接螺旋前绝对不能松手!9、使用钢尺严禁遭车辆碾压!钢尺使用完毕应做擦拭处理。
10、三脚架、仪器上所有螺旋的使用宜用力适度,严禁用力过猛!严禁用手、手帕等物擦拭目镜、物镜等光学部件!11、实验/实习完成后,收工时务必清点仪器和工具,以防丢失!尤其是测钎、尺垫等工具,应派专人负责看守与携带。
经纬仪实验1 经纬仪的认识与使用一、实验目的1、根据测角原理掌握经纬仪的构造特点。
2、认识DJ6光学经纬仪的基本结构、主要部件名称和作用、轴系关系。
3、学会经纬仪的基本操作和读数方法。
二、实验内容1、认识DJ6经纬仪各部件的名称;熟悉经纬仪各螺旋的作用及操作方法。
2、了解经纬仪上主要轴线的名称及应满足的条件。
3、练习经纬仪的基本操作和读数。
三、实验步骤1、认识DJ6光学经纬仪的各操作部件,掌握其使用方法。
将经纬仪三脚架架腿张开安放在地面上,使架头大致水平,三个脚尖插入地面使之稳定。
开箱取出经纬仪放在架头上,一手扶住经纬仪,一手旋紧脚架中心连接螺旋,将经纬仪与三脚架稳固连接。
逐一认识经纬仪的各操作部件,了解其作用及使用方法。
2、掌握经纬仪的基本操作。
经纬仪的基本操作步骤可分为:对中、整平、瞄准和读数。
1)对中和整平——光学对中、整平(1)目估法对中、整平(未放仪器的情况)使三脚架的中心位于测站点的铅垂线上(丢石子);目估法使架头保持水平(2)前后左右移动两个脚法对中(已安放仪器的情况)固定三脚架一脚;双手持脚架另二脚并不断调整其位置;同时观测光学对点器十字分划,使对点器十字分划基本对准测站标志,踩实脚架(3)旋动脚螺旋精确对中:调节脚螺旋(三个脚螺旋同时转动),使光学对点器精确对准测站标志(4)伸缩架腿法粗略整平:伸缩三脚架的两条腿,调平仪器,使圆气泡居中(5)旋动脚螺旋精确整平(左手拇指法则):转动照准部使管水准轴与两脚螺旋连线方向平行;以相反的方向转动两脚螺旋使管水准器气泡居中;转动照准部90°,使水准管与原来的方向垂直;转动第三只脚螺旋使管水准器气泡居中(6)检查对中,平移仪器,再次精确整平检查光学对中器,若分划圈中心偏离测站点标志,则稍松中心连接螺旋,前后左右平行移动基座,使之精确对中。
测绘行业特有工种职业技能鉴定江西站职业技能鉴定模拟试卷中级工程测量员操作技能考核模拟试卷姓名: 准考证号:一、考试素材1.任务描述按三级导线的要求,测量一条闭合路线,路线长0.15-0.5km左右。
2.人员组织及要求每个鉴定小组由4人组成。
每个人必须独立完成三个测站的观测、记录,竖立反光镜共同完成。
成果处理每人一份。
二、考试技术要求1.技术要求1)观测要求观测等级:三级观测条件:观测在室外进行,观测路线及坐标起算点、未知导线点均由鉴定站考评员事先布置给定。
导线长度:小于1.2km平均边长:0.1km仪器整置:仪器和反光镜对中误差:≤2mm,照准部水准管偏离:≤1个格值。
(1)角度测量:观测方法:测回法。
测回数:1个测回。
测角中误差≤12″一测回内2C互差:≤18″。
2.闭合导线计算要求采用近似平差方法。
起算数据:给定已知点的坐标。
坐标方位角闭合差限差:≤±(n为测站数)3.考核时间:120分钟(每人30分钟),最多延长10分钟。
4.应提交的成果1)观测略图(四份/每人一份)2)观测记录(四份/每人一份)3)导线方位角计算表(四份/每人一份)5.考核点与权重1)观测数据(40%)2)计算(50%)3)用时(10%)三、考试需要的仪器设备、物品(1)测角精度2秒及以上全站仪1套(2)反光镜及脚架2套(3)记录夹4块(4)非程序型函数计算器4个(5)3H绘图铅笔4支(6)绘图三角板4付四、三级导线测量评分测试知识点及考试评分标准水平角观测记录七、导线方位角计算表导线方位角计算表鉴定者姓名:。
导线测量平差最近更新导线测量平差最近发布4.2版,主要增加或更新了以下功能:(如表格显示不正常,请刷新)一、表格输出。
表格输出到WORD,支持表格中的列向下错开半行(如方位角、边长),所有表格输出到WORD后与软件中显示的样式一样。
如下表:导线严密平差计算表工程名称:附合及水准示例等级:城市二级计算者:杨运英校核者:日期:2003.08.28二、导线采用近似平差且方位角边长不进行反算时的表格样式。
原表格中显示的是坐标增量改正数,现增加了一个选项,可以选择显示改正后的坐标增量,以满足一些工程要求格式统一的要求。
导线平差计算表工程名称:附合及水准示例等级:城市二级计算者:杨运英校核者:日期:2003.08.28、坐标导线平差。
指使用全站仪直接观测坐标、高程的闭、附合导线,其中平面坐标完全差的分配方式可以选用“按边长”、“按坐标增量”、“坐标转换”等方式。
坐标导线平差计算表工程名级:城市二级:杨运英校核者:日期:200四、单面单程水准记录计算已知点较密时线路中间也可以穿过已知点。
当含有中视时可以用于中平测量等,表格形式如下:水准测量记录计算表测线:仪器:观测:天气:地点:记录:计算者:校核者:日期:不含有中视时可用于五等、等外水准等的记录、计算。
表格形式如下:水准测量记录计算表测线:仪器:观测:天气:地点:记录:计算:校核:日期:部测量知点设站,后视另一已知点,观测各碎部点,计算其坐标、高程,绘制图形并可输出到CAD。
方式可以选用“斜距+天顶距”、“平距+高差”或“视距+天顶距”。
距+高差”方式表格如下:碎部测量记录后视:B 测站高程:仪高:气:复核:距”(或“斜距+天顶距”)表格如下:碎部测量记录后视:B 测站高程:指标差:0" 天气:记录:日期:坐标转换于同椭球的不同坐标系间进行转换。
比如同椭球的国家坐标系与工程独立坐标系的转换。
坐标转换计算表工程名第页计算:复核:日期:支导线计算里指输入方位角与边长计算坐标的支导线,如需输入水平角、边长计算各点坐标,请使用“平差计算”模块中的支导线进行计算。
表3-2 水平角观测记录(方向观测法)仪器型号_____________日期________年_____月_____日天气__________观测者__________记录者__________测站目标水平度盘读数2c=左-(右+180°)盘左、盘右平均值2180)(右左归零方向值各测回归零方向平均值水平角值盘左盘右1 2 3 4 5 6 7 8 9°′″°′″″(0°00′26)″°′″°′″°′″0(1)A 0 00 00 179 59 25 -35 0 00 17 0 00 00 0 00 00105 06 18 B 105 01 00 285 01 03 -3 105 01 02 105 01 28 105 06 18180 54 21C 180 59 10 359 59 00 10 180 59 05 180 59 31 180 54 2173 59 21A 359 59 45 179 59 05 40 0 00 35 0 00 00 0 00 00(0 00 26)(90 01 10)0(2)A 90 01 02 270 01 00 2 90 01 01 0 00 00B 195 12 00 15 12 00 0 195 12 00 105 10 50C 270 50 00 90 50 00 0 270 50 00 180 48 50 A 90 01 40 270 01 00 40 90 01 20 0 00 00(90 01 10)表3-3 水平角观测记录(测回法)仪器型号_____________日期________年________月________日天气________观测者________记录者________测站目标竖盘位置水平读盘读数半测回角值一测回角值一测回角值备注°′″°′″°′″°′″O(1) A左0 00 0060 28 2560 28 3060 28 32B 60 28 25A右180 00 2560 28 35B 240 29 00O(2) A左90 00 5060 28 3060 28 35B 150 29 20A右170 01 2060 28 40B 330 30 00表3-3 竖直角观测记录仪器型号_____________日期________年________月________日天气________观测者________记录者________测站目标竖盘位置竖直读数半测回竖直角一测回竖直角备注°′″°′″°′″A B 盘左96 32 00 -6 32 00-6 32 11瞄准目标测杆底部盘右263 27 38 -6 32 22A C 盘左58 31 30 +31 28 30+31 28 37瞄准目标电线杆顶端盘右301 28 45 +31 28 45。
任务1 经纬仪导线测量一、目的掌握经纬仪导线外业观测和内业计算、展点的方法。
二、内容若有实训基地,可利用所选闭合导线的已有数据,即实训一(各边距离)、实训二(起始边磁方位角)、实训六(各点内角)、实训四(高程)或实训七(高差),直接进行内业计算。
否则,应准备下列器材进行外业观测及内业计算。
三、仪器及工具DJ 6经纬仪1台,罗盘仪1台,水准尺2根,标杆2根,钢尺1副,测钎1组,斧子1把,木桩及小钉若干,油漆1小瓶,毛笔1只,计算器1台,坐标纸1张,三棱尺1把;自备铅笔、小刀、记录表格等。
四、方法提示(一)外业观测1.选点 根据选点注意事项,在测区内选定4~6个导线点组成闭合导线,在各导线点打下木桩,钉上小钉或用油漆标定点位,绘出导线略图(如实训一)。
2.量距 用钢尺往、返丈量各导线边的边长(读至mm ),若相对误差小于1/3000,则取其平均值。
3.测角 采用经纬仪测回法观测闭合导线各转折角(内角),每角观测一个测回,若上、下半测回差不超±40″,则取平均值。
若为独立测区,则需用罗盘仪观测起始边的磁方位角。
4.测高差 经纬仪测角的同时用视距法观测各相邻导线点间的高差,若高差闭合差不超限,则将其调整后,根据起点高程(可假定)计算其它各导线点的高程。
5.计算角度闭合差和导线全长相对闭合差。
外业成果合格后,内业计算各导线点的坐标。
(二)内业计算1.检查核对所有已知数据和外业数据资料。
2.角度闭合差的计算和调整 角度闭合差:()︒⋅--∑=1802n f ββ 限差:n f 04''±=容β 3.坐标方位角的推算右后前βαα-︒+=180;若逆时针编号时:︒-+=180左后前βαα 由起始边AB α算起,应再算回AB α,并校核无误。
4.坐标增量计算AB AB AB D X αcos ⋅=∆AB AB AB D Y αsin ⋅=∆5.坐标增量闭合差的计算和调整纵坐标增量闭合差: 测X f X ∆∑=横坐标增量闭合差: 测Y f Y ∆∑= 导线全长绝对闭合差: 22Y X f f f +=导线全长相对闭合差: Df K ∑=若K <20001,符合精度要求,可以平差。
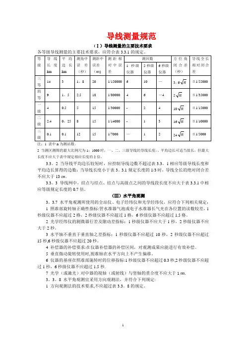
导线测量规范(Ⅰ)导线测量的主要技术要求各等级导线测量的主要技术要求,应符合表3.3.1的规定。
注:1 表中n为测站数。
2 当测区测图的最大比例尺为1:1000时,一、二、三级导线的导线长度,、平均边长可适当放长,但最大长度不应大于表中规定相应长度的2倍。
3.3。
2 当导线平均边长较短时,应控制导线边数不超过表3.3。
1相应等级导线长度和平均边长算得的边数;当导线长度小于表3。
3.1规定长度的1/3时,导线全长的绝对闭合差不应大于13㎝.3.3。
3 导线网中,结点与结点、结点与高级点之间的导线段长度不应大于表3.3.1中相应等级规定长度的0.7倍。
(Ⅲ)水平角观测3。
3.7 水平角观测所使用的全站仪、电子经纬仪和光学经纬仪,应符合下列相关规定:1 照准部旋转轴正确性指标:管水准器气泡或电子水准器长气光在各位置的读数较差,1秒级仪器不应超过2格,2秒级仪器不应超过1格,6秒级仪器不应超过1.5格。
2 光学经纬仪的测微器行差及隙动差指标:1秒级仪器不应大于1秒,2秒级仪器不应大于2秒。
3 水平轴不垂直于垂直轴之差指标;1秒级仪器不应超过10秒,2秒级仪器不应超过15秒,6秒级仪器不应超过20秒。
4 补偿器的补偿要求:在仪器补偿器的补偿区间,对观测成果应能进行有效补偿。
5 垂直微动旋转使用时,视准轴在水平方向上不产生偏移。
6 仪器的基座在照准部施转时的位移指标:1秒级仪器不应超过0.3秒,2秒级仪器不应超过1秒,6秒级仪器不应超过1.5秒.7 光学(或激光)对中器的视轴(或射线)与竖轴的重合度不应大于1㎜.3。
3。
8 水平角观测宜采用方向观测法,并符合下列规定:1 方向观测法的技术要求,不应超过表3.3。
8的规定。
表3.3。
8水平角方向观测法的技术要求注;1 全站仪、电子经纬仪水平角观测时不受光学测微器两次重合读数之差指标的限制.2 当观测方向的垂直角超过±30的范围时,该方向2C互差可按相邻测回同方向进行比较,其值应满足表中一测回内2C互差的限值。