质量管理成熟度评价的五个阶段
- 格式:ppt
- 大小:576.00 KB
- 文档页数:73
质量管理成熟度评价的五个阶段质量管理成熟度评价模型是指对组织的质量管理体系进行评估及分类的一种方法。
其目的是为了帮助组织了解自身在质量管理方面的成熟程度,并为改进和提升质量管理水平提供指导。
在质量管理成熟度评价模型中,通常将质量管理分为五个阶段,分别为初级阶段、可管理阶段、可预测阶段、高成熟阶段和优秀阶段。
下面将详细介绍每个阶段的特点和评价指标。
1.初级阶段:初级阶段是组织质量管理的起始阶段,其特点是质量管理工作非常基础和初级,缺乏系统性和规范性。
在这个阶段,组织常常只重视外部用户对产品的满意度和质量问题的处理,而忽视了预防性的质量管理措施。
评价指标包括质量管理的基础要素是否得到重视,质量控制的有效性和稳定性等。
2.可管理阶段:可管理阶段是组织质量管理的进一步发展阶段,其特点是质量管理工作开始具有系统性和规范性,组织对质量管理有一定的认识和运作方式。
在这个阶段,组织开始关注质量管理的过程,制定了一些基本的质量管理流程和规范。
评价指标包括质量管理的规范性、符合性和适用性等。
3.可预测阶段:可预测阶段是组织质量管理的进一步完善阶段,其特点是质量管理工作开始按照计划和目标进行,并形成了一套可预测的质量管理过程。
在这个阶段,组织开始建立质量管理的指标体系,对质量管理过程进行量化和分析。
评价指标包括质量管理的目标达成度、预测能力和改善措施的有效性等。
4.高成熟阶段:高成熟阶段是组织质量管理的进一步提升阶段,其特点是质量管理工作已经形成一套成熟和稳定的管理体系,并对质量管理进行持续不断的改进和优化。
在这个阶段,组织始终保持对质量管理的关注,并不断引入新的方法和技术来提升质量管理水平。
评价指标包括质量管理的持续改进、创新能力和卓越绩效等。
5.优秀阶段:优秀阶段是组织质量管理的最高境界阶段,其特点是质量管理已经达到了最高水平,并赢得了行业和用户的一致认可。
在这个阶段,组织具有卓越的质量管理文化和系统,质量管理已经成为整个组织的核心价值和竞争力。
质量管理成熟度模型评价在当今这个瞬息万变的社会中,质量管理的重要性日益突出。
提高企业的质量水平,有助于提高企业的竞争力,增加企业的收入和利润,建立良好的企业声誉,提高企业的生产效率。
因此,如何管理质量成为众多企业关注的话题。
在这种情况下,质量管理成熟度模型评价成为近年来受到广泛关注的重要研究课题。
质量管理成熟度模型评价,是根据国际质量管理体系模型(CMM),运用综合评价法以及多源信息收集方法,对企业的质量管理水平进行综合评价的一种模型。
该模型对企业进行定性、定量的分析,发现企业质量管理存在的问题,为企业指出趋势及改进方向,从而实现质量管理的优化。
质量管理成熟度模型评价的基本过程一般由四部分组成:第一部分是建立评价模型,确定评价指标,该模型以要素-指标-标准结构为基础,是衡量质量管理成熟度的必要环节;第二部分是调研和评价,主要是采用实地考察、调查和问卷调查等方式,采集数据,通过统计分析定量评价;第三部分是分析与实践,根据评价结果,分析企业质量管理存在的问题,形成管理建议;第四部分是改进与咨询,根据评估和分析结果,采取有效措施,调整和完善质量管理体系,以提高企业质量管理水平。
质量管理成熟度模型评价特别关注质量管理活动的实施和管理,不仅反映企业现有质量管理的水平,还反映企业质量管理的发展方向。
它的特点在于:其一,对企业现有质量管理水平进行定量测量,提出改进建议;其二,以企业管理为对象,强调全面解决质量问题,而不是解决现存各部分的质量管理问题;其三,重视企业内部活动的管理,重视实施质量管理的流程,以保证质量管理的成功;其四,总结质量管理经验,重视人文因素和管理环境的影响,以促进全面质量管理的发展。
然而,质量管理成熟度模型评价也存在一定的局限性:其一,质量管理成熟度模型评价基本上是以定性方法实施的,一些客观的因素没有纳入该评价模型;其二,质量管理工具的使用及实施的程度难以衡量;其三,评价标准经常受制于主观性比较大,缺乏统一;其四,工作量大,耗费大量时间成本,活动耗费较大,效果不易测量。
质量管理成熟度方格质量管理成熟度方格分为5个成熟阶段,每一个阶段都对应6个管理领域。
你必须一一研究这些领域,才能完成这项测验。
表格内的每一个方块区域都有一段浓缩的经验,阅读这些经验可以让你了解自己目前的情况。
所有这些自我检测的工作都必须理智地完成,也别怕他人会知道,即使你的自尊心使你不太愿意承认所处的阶段,不过你最多也只能含混过一个阶段,除非你完全在欺骗自己,否则这仍然意味着改进是必须的。
当你达成这种改进的时候,你将能体会出来。
要熟悉“成熟度方格”你必须仔细研究每一成熟阶段的内容。
我们在下面各章中,将会叙述一些故事和个案历史来帮助你了解,不过你只要从每一栏由上往下浏览一遍,便可以看出每一个阶段都有一个明确而可辨认的模式。
因此,我要把每一阶段的行为模式,用该阶段的名称来命名。
阶段一:不确定期(Uncertainty)这一阶段的特征就是混乱而没有目标。
管理层不知道质量可以作为一项积极的管理工具,只不过他们时常把质量的功能视为像警察一样,其任务就是在犯罪现场抓罪犯。
他们认为如果要求没有被符合,乃是由于对那些坏蛋不够严厉的缘故。
这些人的管理控制方法都是从克林伊斯威特的电影中学来的。
处于这一不确定阶段的管理层,偶而会把质量功能深入地放进某一营运部门的某个层次,比如制造、行政、操作、工程等等。
检验工作对他们而言,有时候是一项独立的工作,并且通常被他们交给生产工作人员,因为“他们有做这项工作的工具”。
这些限制,造成一种“自我应验的预言”(Self-fulfillingProphecy)的情况,那就是无法解决的问题总是到处都有。
每一个问题都被视为是独特的,即使以前曾经碰到过的同样如此。
问题滋生问题,而缺乏一套有培训而可以公开改正这些问题的方法,从而造就了更多的问题,结果在管理层造成情绪问题。
大家的问题如今变成对人而非对事,造成困难重重,个性变成解决问题的最主要因素。
这种情形有时会造成不合理的开除和辞职,因为大家已经无法有系统地研究状况和解决问题了。
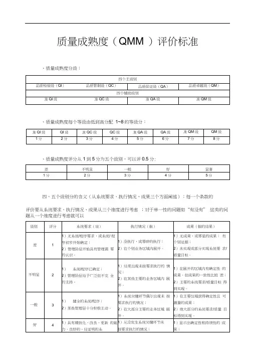
质量成熟度(QMM)评价标准
一、质量成熟度分级:
二、质量成熟度每个等级由低到高分配1~8的等级分:
三、质量成熟度评分从1到5分为五个级别,可以评0.5分:
四、五个级别分的含义(从系统要求、执行情况、成果三个方面阐述):每一个条款的评价要从系统要求、执行情况、成果从三个维度进行考虑;对于单一性的问题如“有没有”这类的问题从一个维度进行考虑就可以。
五、结合检查表的得分情况,对每个关键过程进行等级评估。
1、某过程在QI、QC、QA、QM四个等级下的评价变量分别设为I、C、A、M;
2、若I≤0.4,则过程属于准QI级;若0.4≤I≤0.8,则过程属于QI级;若0.8≤I,C≤ 0.4,则过程属于准QC级;若0.8≤I,0.4≤C≤0.8,则过程属于QC级,以此类推。
3、在确定过程等级的基础上确定综合等级。
过程等级确定后,会得到相应的等级分,计算所有评估过程等级分的平均分,四舍五入后即为综合等级分,即可确定综合等级。
六、质量成熟度模型等级综述:
七、品质检验级过程及评价指标
八、品质管制级过程及评价指标:
九、品质保证级过程及评价指标
十、品质卓越级过程及评价指标:。
822卓越准则送审稿 国家绩效标准2ICS 03.120.10 A 00 CAQ/T 007—2016 基于GB/T 19001的质量管理成熟度评价准则Criteria for quality management maturity based on GB/T 19001 (20160306征求意见稿) 2016-XX -XX 发布 2016-XX -XX 实施目次前言 (II)引言 (III)1 范围 (4)2 规范性引用文件 (4)3 术语和定义 (4)4 成熟度评价方法 (4)4.1 评价要素和模型 (4)4.2 额定分值分配 (5)4.3 定量和定性评价 (7)4.4 合议 (8)4.4 整体成熟度星级 (8)5评价流程和步骤 (5)附录A(资料性附录)成熟度评分指南 (7)参考文献 (20)前言本标准依据GB/T 1.1—2009给出的规则起草。
本标准由中质协质量保证中心提出。
本标准由中国质量协会归口。
本标准由中质协质量保证中心负责起草。
本标准起草单位:中质协质量保证中心、卓越国际质量科学研究院、兖矿集团有限公司、河南新科隆电器有限公司、无限极中国有限公司、徐工集团本标准主要起草人:龚晓明、吕福满、崔立松、姚圣鸿、赵建坤、张国梁、孙兴锁、徐远、吉莉、马良、王奕引言0.1 总则组织实施GB/T19001具有两方面的期望:a)证实其具有持续地提供满足顾客要求和适用法律法规要求的产品和服务的能力;b)通过体系的有效应用,包括体系改进的过程,以及保证符合顾客和适用的法律法规要求,增强顾客满意。
为了更好地在“证实”的基础上增进“有效应用”,组织在实施内外部体系审核的同时,还常常会提出质量管理体系应用的增值需求。
然而,在日益复杂的动态环境中,如何增进满足顾客要求和持续成功的能力,并针对未来需求和期望采取适当行动,无疑是组织面临的一项挑战。
为了实现这一目标,组织可能会发现,有必要更加系统地结合组织的内外部环境,识别改进和创新机会,实施各种形式的改进和创新。
CMMI 等级的含义五个成熟度级别之间的比较如下:1,初始级特征:(1)软件过程的特点是杂乱无章,有时甚至混乱.几乎没有定义过程的规则或步骤.(2)过分的尽诺.常做出良好的承诺:如"按照软件工程方式,有序的工程过程来工作";或达到高目标的许诺.但实际上却出现一系列危机.(3)遇到危机就放弃原计划过程,反复编码和测试.(4)成功完全依赖个人努力和杰出的专业人才,取决于超常的管理人员和杰出有效的软件开发人员.具体的表现和成果都源于或者说是决定于个人的能力和他们先前的经验,知识以及他们的进取心和积极程度.(5)能力只是个人的特性,而不是开发组织的持性.依靠着个人的品质或承受着巨大压力,或找窍门取得成果.但此类人一旦离去,对组织的稳定作用也消失.(6)软件过程是不可确定的和不可预见的.软件成熟性程度处于第一级的软件组织的软件过程在实际的工作过程中被经常的改变(过程是随意的).这类组织也在开发产品,但其成果是不稳定的,不可预见的,不可重复的.也就是说,软件的计划,预算,功能和产品的质量都是不可确定和不可预见的.过程:(1)极少存在或使用稳定的过程.(2)所谓"过程",往往是"就这么干"而言. (3)各种条例,规章制度互不协调,甚至互相矛盾人员:(1)依赖个人努力和杰出人物.一旦优秀人物离去,项目就无法继续(2)人们的工作方式如同"救火".就是在开发过程中不断地出现危机,以及不断的"救火".技术: 引进新技术是极大风险度量: 不收集数据或分析数据改进方向:(1)建立项日管理过程.实施规范化管理.保障项目的承诺.(2)首要任务是进行需求管理,建立客户与软件项目之间的共同理解,使项目真正反映客户的要求.(3)建立各种软件项目计划.如软件开发计划,软件质量保证计划,软件配置管理计划,软件测试计划,风险管理计划及过程改进计划.(4)开展软件质量保证活动(SQA).2,可重复级特征(1)进行较为现实的求诺,可按以前在同类项目上的成功经验建立的必要过程准则来确保再一次的成功.(2)主要是逐个项目地建立基本过程管理条例来加强过程能力.(3)建立了基本的项目管理过程来跟踪成本,进度和功能.(4)管理工作主要跟踪软件经费支出,进度及功能.识别在承诺方面出现的问题.(5)采用基线(BASELINE)来标志进展,控制完整性.(6)定义了软件项目的标准,并相信它,遵循它.(7)通过于合同建立有效的供求关系.过程(1)软件开发和维护的过程是相对稳定的,但过程建立在项目一级.(2)有规则的软件过程是在一个有效的工程管理系统的控制之下,先前的成功经验可以被重复.(3)问题出现时.有能力识别及纠正.其承诺是可实现的.人员(1)项目的成功依赖于个人的能力以及管理层的支持.(2)理解管理的必要性及对管理的承诺.(3)注意人员的培训问题, 技术建立技术支持活动,并有稳定的计划. 度量每个项目建立资源计划.主要是关心成本,产品和进度.有相应的管理数据.改进方向(1)不再按项目制定软件过程,而是总结各种项目的成功经验,使之规则化,把具体经验归纳为全组织的标准软件过程.把改进组织的整体软件过程能力的软件过程活动,作为软件开发组织的责任.(2)确定全组织的标准软件过程,把软件工程及管理活动集成到一个稳固确定的软件过程中.从而可以跨项目改进软件过程效果,也可作为软件过程剪裁的基础.(3)建立软件工程过程小组(SEPG)长期承担评估与调控软件过程的任务,以适应未来软件项目的要求.(4)积累数据:建立组织的软件过程库及软件过程相关的文档库(5)加强培训.3,确定级特征:(1)无论管理方面或工程方面的软件过程都已文件化,标准化,并综合成软件开发组织的标准软件过程.(2)软件过程标准被应用到所有的工程中,用于编制和维护软件.有的项目也可根据实际情况,对软件开发组织的标准软件过程进行剪裁.(3)在从事一项工程时,产品的生产过程,花费,计划以及功能都是可以完全控制的,从而软件质量也可以控制.(4)软件工程过程组(SEPG)负责软件过程活动.(5)在全组织范围内安排培训计划.过程:(1)整个组织全面采用综合性的管理及工程过程来管理.软件工程和管理活动是稳定的和可重复的,具有连续性的.(2)软件过程起了预见及防范问题的作用,能使风险的影响最小化人员:(1)以项目组的方式进行工作.如同综合产品团队.(2)在整个组织内部的所有人对于所定义的软件过程的活动,任务有深入理解.大大加强了过程能力.(3)有计划地按人员的角色进行培训技术在定性基础上建立新的评估技术.度量:(1)在全过程中收集使用数据.(2)在全项目中系统性地共享数据改进方向(1)开始着手软件过程的定量分析,以达到定量地控制软件项目过程的效果.(2)通过软件的质量管理达到软件的质量目标.4,管理级特征:(1)制定了软件过程和产品质量的详细而具体的度量标准.软件过程和产品的质量都可以被理解和控制.(2)软件组织的能力是可预见的.原因是软件过程是被明确的度量标准所度量和操作.不言而喻.软件产品的质量就可以预见和得以控制.(3)组织的度量工程保证所有项目对生产率和质量进行度量,并作为重要的软件过程活功.(4)具有良好定义及一致的度量标服来指导软件过程,并作为评价软件过程及产品的定量基础.(5)在开发组织内已建立软件过程数据库,保存收集到的数据,可用于各项目的软件过程. 过程:(1)开始定量地认识软件过程.(2)软件过程的变化小.一般在可接受的范围内.(3)可以预见软件过程中和产品质量方面的一些趋势.一旦质量经度量后超出这些标准或是有所违反.可以采用一些方法去改正,以达到良好的日标.人员:每个项目中存在强烈的群体工作意识,因为每人都了解个人的作用与组织的关系,因此能够产生这种群体意识. 技术不断的在定量基础上评估新技术.度量:(1)在全组织内进行数据收集与确定.(2)度量标准化.(3)数据用于定量地理解软件过程及稳定软件过程.改进方向:(1)缺陷防范.不仅仅在发现了问题时能及时改进,而且应采取特定行动防止将来出现这类缺陷.(2)主动进行技术变动管理,标识,选择和评价新技术.使有效的新技术能在开发组织中施行,(3)进行过程变动管理.定义过程改进的目的,经常不断地进行过程改进.5,优化级特征:(1)整个组织特别关注软件过程改进的持续性,顶见及增强自身.防止缺陷及问题的发生.不断地提高他们的过程能力.(2)加强定量分析,通过来自过程的质量反馈和吸收新观念,新科技,使软件过程能不断地得到改进,(3)根据软件过程的效果,进行成本/利润分析,从成功的软件过程实践中吸取经验,加以总结.把最好的创新成绩迅速向全组织转移.对失败的案例,由软件过程小组近行分析以找出原因.(4)组织能找出过程的不足并预先改进.把失败的教训告知全体组织以防止重复以前的错误.(5)对软件过程的评价相对标准软件过程的改进,都在全组织内推广.过程:(1)不断地系统地改进软件过程(2)理解并消除产生问题的公共根源.在任何一个系统中都可找到:由于随机变化造成重复工作,进而导致时间浪费.为了防止浪费人力可能导致的系统变化.要消除"公共"的无效根源,防止浪费发生.尽管所有级别都存在这些问题,但这是第五级的焦点.人员:(1)整个组织都存在自觉的强烈的团队意识.(2)每个人都致力于过程改进.人们不再以达到里程碑的成就而满足,而要力求减少错误率. 技术基于定量的控制和管理,事先主动考虑新技术,追求新技术,利用新技术.可以实现软件开发中的方法和新技术的革新,以防止出现错误,不断提高产品的质量和生产率.度量:利用数据来评估,选择过程改进. 改进方向保持持续不断的软件过程改进.二,敏捷开发和高级别CMMI 关键字:高级别CMMI 敏捷开发我经常和别人一起讨论敏捷开发过程的知识,并且我们也会经常争论结合使用敏捷开发过程和CMMI 高级别的话题.他们两个是否能够结合使用?或者他们两个只是向相反的方向发展?带着这个疑问,下面我们一起来探讨. "这个问题可以说是老生常谈,但是我对第 5 级别中的那个基本差异有一个疑问,这个疑问会使人产生不安的情绪.CMMI1.2 强调了想在组织中控制结果的变更, 进而将其重心转移到了个人的身上.敏捷开发在意义上说不单单是为了让每个项目能在应对各种各样的环境中都拥有灵活的能力,并且可以让他们在这个环境中尽其所能表现的最好.我们并没有特别关注在所有项目中要规范行为以便可以预知结果是"可靠的". 但是,我并不清楚我现在尽力想说明的这种区别,是否确实是敏捷开发和CMMI 的基本概念中的一个基础的区别,还是只是组织如何解释和执行CMMI 第 5 级别的一个结果.当然,敏捷开发团队在过程模型和过程实践资产中拥有的信任似乎要比CMMI 团队中的要少――虽然在敏捷中没有方法可以规范这些事情即便他们是低成本的,但是没有假设说明这就是组织要走的路.事实上,敏捷开发支持者偏向于这样的想法, 在任何形式的可遇见的过程模型中快速地建立起逐渐减少的成果.是否这就是等同说敏捷开发支持者相信特殊原因会影响执行效果是如此的普遍,以至在组织中试图建立预见性的模型是无用的?" CMMI 第4 级别: QPM(量化项目管理):主要关注懂得过程行为变更的个别项目,他们认为这些变更影响着他们的成功和如何处理事情――或者至少影响着完成产品发展或者达成目标.组织单位(EPG)必须要监控成果. OPP(组织过程实践):主要关注集成模型,项目可以使用模型来规范他们想要达到成功的方面,比如说质量,进度表,预算,维护以及其他任何事情.诀窍就是项目在过程执行中以这些模型为基础,控制QPM 中的行为.比较典型的是,这些模型可能是基于相似的项目中的重复的结果不断建立起来的,虽然可能并没有这样的需求. 在个别项目级别中模型应该先被改进以便使用,所以在CMMI 模型中使用基于一个项目的历史数据(比如说,增量)或者20 个项目的历史数据是没有区别的,虽然这可能对使用者来说是有区别的. CMMI 第5 级别: CAR(原因分析与解决方法):主要关注引起问题的主要原因,过失,管理问题或者其他一切需要解决的问题.项目,EPG 或者其他任何人是否可以应用,是作为解决问题的方法.EPG 在OPP 中监控结果,或者得到别的经验.(敏捷开发是否在增量开始点或者结束点不建议进行类似的行为?我不清楚我所知道的术语是否正确) OID(组织创新与推展):完全非项目特点.关注基于个体,CAR,模型使用,外界因素等的组织改进.你是否会收集并且使用所有这些学到的经验?你进入企业后是否会寻求新的或者更好的做生意的方法(其中敏捷开发可能只是一个例子)?在组织中又该如何处理证明,分析(职业),和使用(结构请参照第 4 级别中的模型和过程控制)这些改进. 我个人认为CMMI 高级别和敏捷开发应该结合起来工作.敏捷可以帮助CMMI 高级别更容易实现短期的转变,并且它在处理事情的发展上起了很重要的作用.我的经验基本是从第5 级别得来的,有部分来自第4 级别.许多组织怀着"每个人都必须如此做"的想法而通过了第3 级别,但是他们却反对在第4,5 级别中有着同样的想法.就像我曾经提到的,敏捷开发是使用CMMI 第4,5 级别来改进如何发展产品的完美例子. CMMI 是Capability Maturity Model Integration(能力成熟度模型集成)的缩写, 是在CMM(Capability Maturity Model 能力成熟度模型)的基础上发展而来三,CMMI 实施现在很多企业因某种原因想做CMMI 了,大体做法1,决定实施CMMI 2,EPG 接受培训,理解CMMI 3,EPG 根据自己理解的CMMI 和实际情况开发一大堆漂漂亮亮的过程文档,流程图,表格,模板,检查单,作业指南. 4,大家边听着EPG 的解释(包括培训,答疑),边执行这些过程标准,然后审计(内,外) 将目前的最佳实践记录下来,写下来,文档化下来. 很多新的EPG 在做了一段时间后无奈的发现自己居然沦落成了一个过程标准解说员,甚至文档管理员.自己工作大部分时间是面对文档,或者督促别人写文档我到觉得EPG 最主要的工作应该深入到研发第一线,帮助研发人员解决研发过程中面临的最严重的实际问题(当然是解决方案要上升到过程高度,而不应是单个问题或个人),甚至哪怕是一些不严重但以你的项目经验知道该如何解决的问题上.总体说来就是掌握项目进展中的任何细微的技术难点要点,并主动记录下来. 为什么这么说呢?CMMI 实施的主要宗旨就是以每个项目为采集数据的源头,达到企业整体效益提升和资源重用.真正有价值的东西,是需要一线人员在实际工作中遇到问题,解决问题,并总结问题,不是一个一线工作的流水帐.就象一份研发人员的日报.写了上午做什么,下午做什么.这对企业的积累有什么用处呢?他工作过程中, 遇到什么问题,他是怎么解决的,走过什么弯路,实验过几种方法,失败了,失败的原因是什么,最后选择了什么方法,可能不是最好的,但完成了任务,达到了效率和资源分配的平衡.这些东西才可能是未来类似项目中,遇到类似问题时,可能有参考价值的.通常也是EPG 个人职业生涯的技术积累.只有公司里每个员工,把自己认为最有价值的积累贡献出来.才可能达到公司有价值的积累.而决不是形式上写的上午下午每个小时的流水帐. 明白了上面的说的CMMI 的目的,做为一个合格的EPG,就应该具备以下的素质: 1,明白什么是有价值的积累,先是对你个人,然后才是顺便帮公司做了积累. 2,深入一线,发现她们并忠实地记录她们.CMMI 里的SP,GP,只是帮助你,提醒你在哪个环节,哪些东西可能是有价值了.你去收集一下,别视而不见了.因为还有一个企业和你个人的角度不同,立场不同的问题.例如,REQM 里收集需求,对个人技术方面的积累虽然不多,但对企业是至关重要的,一次需求变更,没详细写清楚, 忘记了到客户那里去签字落实,可能就会给企业造成很大的损失.做为一个合格的EPG,是需要有这份责任和义务把每个环节都做到最好,这是职业道德所在.同时也是对自我延伸的一个好机会,学会一些和人的沟通,倾听,把专业的东西以平易的方式表达.这些也都算是EPG 额外的收获. 通常情况下,为了按时按量完成项目,一线的骨干,对写日报,周报,文档都很不屑.EPG 也很迁就,事后再补,这也不失为一个提高效率的好办法.但过去一个月半年了,我们正常人的记忆都能想象,很难记住细节.无非就是敷衍.这也在情理之中.你总不能让一个明天就要交东西的小组,今天晚上在通宵努力解决BUG 的同时, 还写什么报告,这也不尽人情.但作为EPG 不能只把眼光集中在这妇人之心上.要想的更远.为什么会把项目推到这么晚,BUG 还没解决完?难道要永远这样下去吗?项目中是有很多不可预测的因素,甚至是开发人员常说的"手气问题","人品问题".但这些是需要控制的,也是通过经验可以控制的,所谓艺高人胆大.艺的高低,就是经验的积累决定的. 那怎么解决这种两难的问题呢?逼着技术骨干写心水,人家没时间也的确压力很大.不写,公司又得不到有效积累,积累的都是垃圾流水.有个公司的办法和经验到可以借鉴一下: 公司内部搞了个BBS,把不同类型的工作分成不同的组,有纯技术的,JAVA 组, C++组等,也有PPT 组,甚至动画组,界面组.大家把自己平时的工作积累FTP 上去,甚至制作方法,遇到问题和解决方法的文档都丢上去,开始怎么想,用了多少套方案,最后选择了什么.自我感觉如何.把这些心路历程都写成文档.丢到阳光下, 大家评论.用点击率和"顶"的人数来说明谁写的是心水,谁在写垃圾.大家都是一个公司的,很容易实名.直接纳入考核机制中.做为一线人员,大家也有动力来写,自己的聪明才智有了展现的平台,虚荣心和荷包都得到了相应的满足.何乐而不为呢? EPG 适时的评估大家的成果,并把他们分到项目里.帮助项目总结,甚至在平时遇到问题时,直接帮助技术人员做必要记录.项目进度松时,再督促项目人员完善内容.以达到对个人和公司积累的最大化. EPG 应该明白学习和积累是个终身的过程,对公司如此,对个人也是如此.CMMI 是个辅助,辅助我们对公司做积累,也帮助我们个人做必要的积累.公司需要逐步走向更高的管理水平,发展平台. 四,CMMI 实施之核心关键字:CMMI,SCAMPI,过程改进,能力成熟度,EPG,PA,过程域在上一章节中,我们谈到了关于过程改进团队的组建方法及在组建过程中需要注意的问题,在本节中我们将继续探讨EPG 过程改进的另一个更为重要的一环——定义过程文档. 曾经有一位评估师开玩笑说,三级是写文档,四级是写文档的文档,五级是写文档的文档的文档.由此可见,文档贯穿于整个CMMI,在过程改进中起着举足轻重的作用.那么如何才能写出既符合CMMI 又立足于企业本身实际情况的文档呢?这就是本文将要探讨的问题——定义过程文档. 在定义过程文档时,首先,应该进行企业的习惯表述与CMMI 术语和语言间的映射.特别是组织结构中的一些术语,角色,组织内部之间关系以及过程活动的表述方式都需要映射到其组织的相应部分,以防止别人无法理解. 定义过程文档的一般步骤是: (1)先确定并描述产品的生命周期. 一般来说,产品生命周期可以划分为 6 个阶段,即产品概念阶段,产品定义阶段, 产品开发阶段, 产品测试阶段,用户验收阶段,产品维护阶段. (2)根据产品生命周期的各个阶段确定需要改进的过程域(PA)活动. "过程域"用于描述CMMI 标准定义的软件过程能力评估模型中的一种部件.在该模型中,"过程域"是最大的的构造块,每个"过程域"由一组目标构成,每个目标得到一组实践支持.模型中描述的过程是参考模板,用"过程域"来表示.不能与实际过程混淆."过程域"不是实际的过程,它是模型中的模板. (3)针对某一个PA 过程活动,完成PA 的数据流程图. (4)准备相应的模板,检查表或者方法附件定义过程文档.再在EPG 内部讨论修改,然后拿给评审人员阅读,最后是进行正式评审.进一步修订,再评审直到大家认可为止,再进入下一个PA 过程.(或者也可以评审通过后进行试点,试点成功再进入下有个PA 过程.) 根据自己多年的咨询经验,总结了在定义过程文档时一般容易出现的问题. 1,"本地化做得不够" 咨询顾问常常在项目进行中发现这样的问题:在定义某个PA 过程时,客户会过于依赖咨询公司提供的其他一些企业的过程文档,并将这些文档梢作调整成为其自己的过程文件.由于每个软件企业的情况是不一样,流程,规范,记录应该根据公司实际情况来制定,参照CMMI 框架,制定适合公司本身情况的"本地化"过程体系,这样的效果会更好. (2)总体把握,逐步细化在定义第一个PA 过程时,如果没有考虑它跟其它PA 之间的关系就直接参照CMMI 的此PA 的目标和实践完成了过程文件,可能发生的结果要么是无法通过评审, 要么就是通过了之后再返回进行修改.由于各PA 间关系密切,息息相关,因此在实际的定义过程中,先要从总体上把握住各PA 间关系,完成整个过程的数据流程图的基础上再进行逐步细分,否则即是"只见树木不见森林". (3)多交流,多总结由于在项目初期,EPG 小组对于CMMI 的理解不够透彻,大家也没什么经验,这就需要EPG 成员,QA,管理人员,开发人员之间多多交流,在定义过程文档时多讨论,集众人之智慧,随着过程定义的进展,EPG 小组对CMMI 的理解加深,就需要总结经验,避免将来在遇到类似问题的时候多走弯路.。
质量成熟度(QMM )评价标准、质量成熟度分级:
、质量成熟度每个等级由低到高分配1~8的等级分:
、质量成熟度评分从1到5分为五个级别,可以评0.5分:
四、五个级别分的含义(从系统要求、执行情况、成果三个方面阐述):每一个条款的
评价要从系统要求、执行情况、成果从三个维度进行考虑;对于单一性的问题如“有没有” 这类的问题从一个维度进行考虑就可以
五、结合检查表的得分情况,对每个关键过程进行等级评估。
1、某过程在QI、QC、QA、QM四个等级下的评价变量分别设为I、C、A、M ;
2、若I < 0.4则过程属于准QI级;若0.4 < I < 0•测过程属于QI级;若0.8 <,, C< 0.4, 则过程属于准QC级;若0.8 <,, 0.4 < C< 0,8则过程属于QC级,以此类推。
3、在确定过程等级的基础上确定综合等级。
过程等级确定后,会得到相应的等级分,
计算所有评估过程等级分的平均分,四舍五入后即为综合等级分,即可确定综合等级。
六、质量成熟度模型等级综述:
七、品质检验级过程及评价指标。
CMMI 等级的含义五个成熟度级别之间的比较如下:1,初始级特征:(1)软件过程的特点是杂乱无章,有时甚至混乱.几乎没有定义过程的规则或步骤。
(2)过分的尽诺.常做出良好的承诺:如"按照软件工程方式,有序的工程过程来工作";或达到高目标的许诺。
但实际上却出现一系列危机.(3)遇到危机就放弃原计划过程,反复编码和测试.(4)成功完全依赖个人努力和杰出的专业人才,取决于超常的管理人员和杰出有效的软件开发人员.具体的表现和成果都源于或者说是决定于个人的能力和他们先前的经验,知识以及他们的进取心和积极程度.(5)能力只是个人的特性,而不是开发组织的持性.依靠着个人的品质或承受着巨大压力,或找窍门取得成果.但此类人一旦离去,对组织的稳定作用也消失。
(6)软件过程是不可确定的和不可预见的。
软件成熟性程度处于第一级的软件组织的软件过程在实际的工作过程中被经常的改变(过程是随意的).这类组织也在开发产品,但其成果是不稳定的,不可预见的,不可重复的.也就是说,软件的计划,预算,功能和产品的质量都是不可确定和不可预见的.过程:(1)极少存在或使用稳定的过程。
(2)所谓"过程”,往往是”就这么干"而言. (3)各种条例,规章制度互不协调,甚至互相矛盾人员:(1)依赖个人努力和杰出人物。
一旦优秀人物离去,项目就无法继续(2)人们的工作方式如同"救火".就是在开发过程中不断地出现危机,以及不断的”救火”.技术: 引进新技术是极大风险度量:不收集数据或分析数据改进方向:(1)建立项日管理过程。
实施规范化管理。
保障项目的承诺。
(2)首要任务是进行需求管理,建立客户与软件项目之间的共同理解,使项目真正反映客户的要求.(3)建立各种软件项目计划.如软件开发计划,软件质量保证计划,软件配置管理计划,软件测试计划,风险管理计划及过程改进计划。
(4)开展软件质量保证活动(SQA)。
新时代质量管理体系成熟度评价一、什么是质量管理体系成熟度呢?哎呀,质量管理体系成熟度就像是一个人的成长阶段啦。
刚建立质量管理体系的时候呢,就像是个小婴儿,啥都不太懂,可能就只有一些最基本的规则和流程。
随着不断发展,它就慢慢长大,变得越来越成熟。
就好比一个人从只会哭哭啼啼的小娃娃,变成能独当一面的大人一样。
质量管理体系成熟度就是衡量这个体系在各方面发展到什么程度的一个概念。
比如说,它在管理流程、人员素质、应对问题的能力等方面是个什么水平。
二、评价质量管理体系成熟度为啥这么重要呢?这可太重要啦!就像我们参加考试要知道自己的分数一样。
对于一个企业或者组织来说,如果不知道自己质量管理体系的成熟度,就不知道自己做得好不好,还有哪些地方需要改进。
要是不评价,就可能一直在错误的道路上走下去,生产出不合格的产品或者提供糟糕的服务。
就像厨师做菜,如果不知道自己厨艺的水平,做出来的菜可能就一直不好吃,顾客肯定都跑光啦。
而且通过评价成熟度,还能让不同的企业或者部门之间进行比较,互相学习,共同进步呢。
三、质量管理体系成熟度评价都有哪些方面呢?1. 流程方面。
这就好比是一个游戏的规则。
如果流程混乱,那肯定不行。
比如从原材料采购到产品生产再到销售,每个环节的流程是不是清晰合理。
要是采购的时候没有严格的标准,那可能买到劣质的原材料,最后产品质量肯定差。
2. 人员素质。
这就像一个团队里每个队员的能力一样。
如果员工都不了解质量管理的重要性,也不知道自己该做什么,那质量管理体系肯定成熟不了。
员工得知道怎么检测产品质量,怎么发现问题并且解决问题。
3. 数据管理。
现在可是大数据时代啦。
如果一个企业不能好好管理质量方面的数据,就像一个人丢三落四的,不记得自己做过什么,有哪些问题出现过。
数据能帮助我们分析质量问题出现的规律,要是数据管理一团糟,就没办法找到问题的根源,也就没法提高质量管理体系的成熟度。
四、那具体怎么进行质量管理体系成熟度评价呢?其实也没有那么神秘啦。
质量成熟度(QMM)评价标准
一、质量成熟度分级:
二、质量成熟度每个等级由低到高分配1~8的等级分:
三、质量成熟度评分从1到5分为五个级别,可以评0.5分:
四、五个级别分的含义(从系统要求、执行情况、成果三个方面阐述):每一个条款的评价要从系统要求、执行情况、成果从三个维度进行考虑;对于单一性的问题如“有没有”这类的问题从一个维度进行考虑就可以。
五、结合检查表的得分情况,对每个关键过程进行等级评估。
1、某过程在QI、QC、QA、QM四个等级下的评价变量分别设为I、C、A、M;
2、若I≤0.4,则过程属于准QI级;若0.4≤I≤0.8,则过程属于QI级;若0.8≤I,C≤ 0.4,则过程属于准QC级;若0.8≤I,0.4≤C≤0.8,则过程属于QC级,以此类推。
3、在确定过程等级的基础上确定综合等级。
过程等级确定后,会得到相应的等级分,计算所有评估过程等级分的平均分,四舍五入后即为综合等级分,即可确定综合等级。
六、质量成熟度模型等级综述:
七、品质检验级过程及评价指标
八、品质管制级过程及评价指标:
九、品质保证级过程及评价指标
十、品质卓越级过程及评价指标:。
质量管理成熟度评价等级再往上走,就是中级阶段。
这个时候的企业有点上路了,开始注重流程管理,然而呢,还是难免会犯一些低级错误。
就像一只学会游泳的小鸭子,虽然在水里呆得不错,可偶尔也会被浪打得东摇西摆。
这个阶段的企业开始重视质量培训,搞些学习班,听听外面的成功故事,结果呢?听是听了,但真正落实上去就有点像吃了个半生不熟的蛋,心里还是不踏实。
对质量的理解逐渐深入,但就算是步履稳健,还是难免会有个别小问题跑出来。
毕竟,追求完美可不是一件容易的事。
到了高级阶段,企业已经是个老手了,开始玩得风生水起。
质量管理已经不仅仅是个口号,而是实实在在的日常工作了。
大家伙都懂得如何分工协作,甚至连工艺流程也精雕细琢。
就像老妈的拿手好菜,总是能在关键时刻拿出来,吃得人满嘴流油。
企业通过数据分析来预测问题,提前做好准备。
这种感觉就像在打游戏时,知道敌人要来攻击,提前设好防线。
可是,再厉害的企业也难免遇到麻烦,有时候也会碰上突发事件。
生活就是这样,永远充满了惊喜和挑战。
再上一个阶段,那就是最终成熟的境界。
这个阶段的企业几乎无懈可击,质量管理成了他们的DNA。
就好比一个大师级的厨师,不仅会做饭,还懂得调味。
这样的企业在市场上就像一颗璀璨的明珠,客户一眼就能认出来,简直是质量的代名词。
各项指标都达到或超过行业标准,真正实现了“过程控制”,质量问题几乎不再是个事。
企业的员工也都特别有干劲,大家伙儿的心齐了,目标一致,工作起来就像一支训练有素的乐队,配合得天衣无缝。
此时此刻,企业在市场中的竞争力也变得更为强大,客户也更愿意与他们长期合作。
质量管理成熟度评价等级就是个有趣的过程。
每个阶段都有自己的特点,也有各自的挑战。
就像人生的旅途,起起伏伏,关键在于如何面对。
企业在成长的过程中,学会了从失败中吸取教训,最终才能走向成熟。
不光是企业,咱们每个人在生活中也是如此,跌倒了再爬起来,才能看到更广阔的天地。
质量管理的世界,虽然看似复杂,但只要用心去做,就一定能有所收获。
质量管理的发展阶段质量管理经过了质量检验阶段、统计质量控制阶段、全面质量管理阶段以及质量管理成熟度模型阶段,每个阶段都有其独特的特征和贡献。
一、质量检验阶段质量检验阶段是最初的质量管理阶段,其主要特征是质量检验员对产品进行逐个检验,确保不合格的产品被淘汰。
这种方法的优点是可以确保产品的基本质量,但是效率低下,且不能预防质量问题再次出现。
在此阶段,质量检验员通常是唯一的控制质量的人员。
二、统计质量控制阶段随着工业生产的规模不断扩大,单纯依靠质量检验无法满足生产效率和质量的要求。
因此,统计质量控制应运而生。
这个阶段的主要特征是利用统计方法来对生产过程进行控制,如应用概率统计、质量控制图等。
这种方法不仅可以提高生产效率,还能更好地预防和减少质量问题。
在此阶段,质量控制团队开始形成,并开始利用数据来指导生产过程的改进。
三、全面质量管理阶段全面质量管理是质量管理发展的第三个阶段,其主要特征是强调全面性,即全员、全过程、全企业的质量管理。
这个阶段强调质量的重要性不仅在于产品本身,还在于整个生产过程和企业的整体表现。
全面质量管理注重预防质量问题的出现,强调从设计到生产的整个过程中质量的重要性。
在此阶段,质量管理成为企业战略的重要组成部分,全员参与和持续改进成为主要理念。
四、质量管理成熟度模型阶段质量管理成熟度模型是一种评估和管理质量的方法,其特征是将质量管理视作一种过程,并使用模型来评估和改进企业的质量管理水平。
这种方法不仅可以评估企业的质量管理水平,还可以为企业提供改进的路径和方向。
在质量管理成熟度模型中,通常包括五个级别:初始级、可重复级、已定义级、已管理级和优化级。
每个级别都代表了企业在质量管理方面的能力和成熟度。
在初始级,企业可能没有正式的质量管理过程,或者其过程是零散和不一致的。
在可重复级,企业开始建立一致性的质量管理过程,并能够重复实现相同的质量结果。
在已定义级,企业已经明确其质量管理过程和目标,并能够有效地管理和控制这些过程。