镇江市高等专科学校考场情况记录表教师调课申请表
- 格式:doc
- 大小:43.00 KB
- 文档页数:4
关于加强试卷审核严格调课管理工作的通知
各院(部):
为提高试卷质量,严格调课管理,落实期中教学检查中教师座谈会意见和建议,提高办事效率,减少教师办事环节,强化系部教学管理职能,经研究,就加强考试试卷审核,严格调课管理,提出如下意见,从即日起试行,过去发布的相关规定凡与本规定不符的,一律按本规定执行。
一、考试试卷审批
1、考试试卷审批流程
院部指定教师出试卷→教研室主任审查→院长审批→直接交院部教学秘书妥善保管→教务处随机抽查。
2、责任划分
教师:按出试卷要求,在考试前4周出A、B试卷和标准答案;。
对试卷质量、题量、考试答题时间等负责。
教研室主任:审查试卷,重点审查试卷是否符合大纲要求,试题覆盖程度,试题难易程度,题量大小、A、B卷的试题重复率等,对试卷整体质量负责。
院长:审批试卷,重点审查试卷的是否符合教学计划要求,是否符合《镇江高专考试管理办法》及其补充规定要求,对出试卷教师资格和试卷整体情况负责。
教务处:随机抽查试卷,重点审查试卷是否执行审批程序,考试安排时间是否合适,是否有A、B卷等,对试卷程序运行负责。
教务处对抽查中发现的问题将在全校通报,并层层追究责任。
考试试题由系部分管教学的领导抽取,在考试前由院部教学秘书严格封存。
二、教师临时调课
(一)为维护稳定的教学秩序,每学期课表排定下达后,一般不得随意变动。
如遇特殊情况必须变动课表时,须按下列规定程序申请,
即教师向所在教研室提出申请,由教研室写出书面报告,经院部主管教学的副院长签字同意,报教务处批准,经批准后,方可执行。
教务处不接受任何教师个人的课表更改申请。
(二)全校性课程调整由校长办公室或教务处下达调整通知,各院
(三)
(四)教师个人无权擅自调课,如遇特殊情况必须变动时,在能满足教学要求、不违背教学规律、不影响学生学习效果且教室等设施条件允许的情况下,方能予以调课,按以下权限与程序报批:
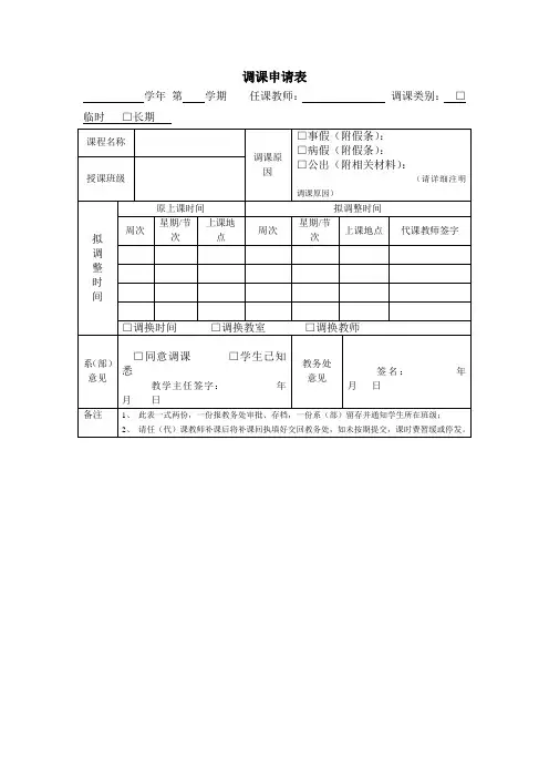
1、由授课教师提前两天填写《镇江高专教师调课申请表》。
1)调课时数在4学时内(含4学时),由所在教研室签署意见报学院分管领导同意,学院教学秘书在一周内送教务
处教务科备案。
2)调课时数为4学时以上(不含4学时),由所在教研室、学院签署意见后报教务处分管领导批准、备案。
3)调课时数为10学时以上(含10学时),由教研室、学院、教务处签署意见后报分管校长批准。
2、临时调课通知由申请院(部)通知学生所在学院和班级,保证按时上课。
3、严格控制调课。
为保证正常的教学秩序,各系要严格控制不必要的调课,能不调则不调,能代课则不上自习,教师调课时要安排好补课时间。
学院和教务处要随机抽查,发现未经批准的调课,将通报批评并追究当事人的责任。
调课时数原则上不能超过该课程本学期总时数的10%。
一周内只能办理一次调课申请。
每学期教务处将统计公布各学院教师调课情况。
(五)教师必须认真按照课程表安排,按时上、下课。
凡未履行
(六)教师确因突发的不可克服的原因而不能上课时,教师应及时告知学生所在学院和教师本人所在学院,学生所在学院要及时通知学生,教师所在学院要及时报教务处教务科(电话:88962173)备案,并最迟在事发第二天按调课规定办理手续,并通知有关学院和班级。
教务处
2008年5月22日
镇江高专教师调课申请表
注:此表一式二份,教研室或院(部)和教务处各一份。