技术图纸编号及管理规定
- 格式:doc
- 大小:13.00 KB
- 文档页数:1
图纸编码及管理制度第一章总则第一条为了规范图纸编码及管理工作,提高工程施工效率,保证工程质量,制订本制度。
第二条本制度适用于所有涉及图纸编码及管理的工程项目,适用范围包括设计、施工、监理等各个环节。
第三条图纸编码及管理应遵循合理性、规范性、实用性和完备性的原则,确保图纸信息的准确性和一致性。
第四条各项目部门应根据工程实际情况,结合本制度制定相应的操作规程,并严格执行。
第五条图纸编码及管理工作应由专人负责,确保图纸的准确性和保密性。
第二章图纸编码第六条图纸编码是根据工程项目的实际需求对图纸进行编号管理的过程。
第七条图纸编码应遵循“工程代号+年份+编码”的原则,确保图纸编码的唯一性和规范性。
第八条图纸编码的规则包括以下几个方面:(一)工程代号:由工程项目的类型、地点、项目名称等信息组成,用于区分不同的工程项目。
(二)年份:表示图纸编码的年份,以便对图纸进行分类和管理。
(三)编码:根据工程建设的不同阶段、不同专业等信息对图纸进行分类编号。
第九条图纸编码应在图纸制作阶段确定,由专人负责统一管理,确保图纸编码的正确性和有效性。
第十条图纸编码应根据项目的实际情况进行调整,确保图纸信息的及时更新和管理。
第三章图纸管理第十一条图纸管理是指对图纸进行收集、整理、存档、传递等管理活动的过程。
第十二条图纸管理应遵循“一图一档、分类存档、保密存储、定期更新”的原则,确保图纸信息的安全性和可靠性。
第十三条各项目部门应制定相应的图纸管理规程,明确图纸管理人员的职责和权限,实行专人管理。
第十四条图纸管理包括以下几个方面:(一)图纸收集:在图纸制作阶段对图纸进行收集整理,并按照编码进行分类存放。
(二)图纸传递:确保图纸信息的传递顺畅,及时传达给相关部门或人员。
(三)图纸存档:对图纸进行规范存放,确保图纸信息的安全性和完整性。
(四)图纸更新:定期对图纸进行检查和更新,确保图纸信息的及时更新和管理。
第十五条图纸管理应定期开展检查和评估工作,确保图纸管理工作的有效性和规范性。
浙江鼎美电器有限公司电机事业部技术图纸图号现行编号规定办法编制:审核:批准:浙江鼎美电器有限公司电机事业部20212年12月发布2013年1月实施目的:为了确保生产、质检、技术、财务、销售各部门对电机型号,以及各个零部件的区分和正确认识。
为此,根据电机行业惯例及公司的实际情况,对电机的型号、零部件图号进行统一编号。
范围:适用于本公司电机事业部,电机成品、半成品、零部件识别类码以及其图纸编号。
一、图纸的代号组成:1.1:普通图纸图号的组成:厂名标识符(DM)+图纸特征码+图纸编号1.2:一般特殊图纸图号组成:厂名标识符(DM)+图纸特征码+T图纸编号+客户名。
1.3:直接由客户命名的图号+客户名,如陈北平的换气扇图纸图号是客户直接命名的。
1.4:端盖毛坯图纸图号为其对应加工图纸图号末尾加M。
例:某端盖精加工图号为8DM·013·T001李军,其对应的毛坯图则8DM·013·T001M李军。
二、特征码代号的规定:单(三)相异步电机明细表:客户名+MX·单(三)相异步电机电气原理接线图:0DM·383·单(三)相异步电机装配图:1DM·050·有绕组定子铁芯:5DM·680·定子线圈:5DM·524·定子铁芯:5DM·663·定子:5DM·671·转子:5DM·674·电机前端盖:8DM·013·电机后端盖:8DM·014·轴:8DM·200·无轴转子:8DM·670·轴夹:8DM·432·轴盖:8DM·434·轴套:8DM·304·橡胶减振垫片:8DM·305·石墨垫片:8DM·306·出线护套:8DM·308·定子冲片:8DM·660·转子冲片:8DM·662·定子前挡风板:8DM·862·定子后挡风板:8DM·864·槽绝缘纸:8DM·760·槽盖纸:8DM·762·相间纸:8DM·764·槽楔:8DM·766·铭牌:8DM·860·合格证:8DM·862·三、实行方法:根据实际情况,技术部门以后发放的图纸特殊均要按以上的方式填写代号,每个客户图纸编号从1开始一直往后延续,普通图纸有时间统一编好图号后与各部门调换图纸。
图纸编号管理制度一、总则为规范图纸编号的管理,提高图纸管理效率,保障项目建设质量,特制定本制度。
二、适用范围本制度适用于公司内所有项目的图纸编号管理工作。
三、图纸编号的原则1、唯一性原则:每份图纸应有唯一的编号,不得重复。
2、规范性原则:图纸编号应符合公司规定的格式和规范。
3、一致性原则:同一项目内的图纸编号应保持一致。
四、图纸编号管理责任1、工程部门负责图纸的编制、审批和管理工作。
2、项目经理负责对项目内图纸编号的监督和检查。
3、公司管理部门负责制定和修订相关的图纸编号管理制度。
五、图纸编号的编制规范1、图纸编号由字母和数字组成,例如:TD001、TD002等。
2、字母部分代表项目名称,如“TD”代表某个项目的图纸。
3、数字部分代表图纸的顺序,按照编制顺序递增。
4、图纸编号应在图纸上清晰标注,不得模糊不清。
5、新建项目的图纸编号应从001开始,后续顺序递增。
六、图纸编号管理流程1、图纸编制:工程部门根据项目需求编制图纸,并填写编号。
2、审批签发:项目经理审查图纸并签发,确认编号正确。
3、备案存档:公司管理部门将图纸编号记录并存档,备查。
4、使用管理:工程部门使用图纸时应核对编号是否正确。
5、变更管理:如有图纸变更,应及时调整图纸编号。
七、图纸编号管理制度的执行1、所有项目部门应遵守本制度,并严格执行图纸编号管理规定。
2、如有违反本制度的行为,将进行相应的处理,严肃负责。
3、在实际应用中如有需要修改的地方,应及时向管理部门提出,经批准后方可执行。
八、附则本制度经公司领导小组审定,并于XX年XX月XX日正式执行。
以上为图纸编号管理制度的详细内容,希望各部门遵守执行,确保项目的顺利进行和质量保障。
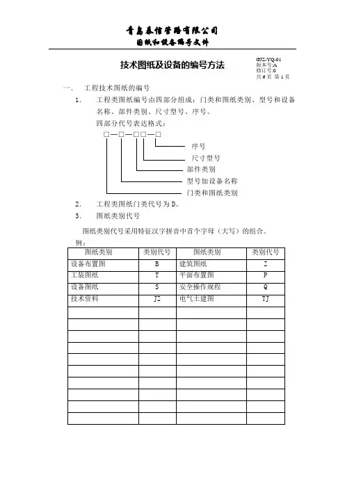
GJZ-YQ-01 版本号:A 修订号:0 共6页 第1页技术图纸及设备的编号方法一. 工程技术图纸的编号1.工程类图纸编号由四部分组成:门类和图纸类别、型号和设备名称、部件类别、尺寸型号、序号。
四部分代号表达格式:□─□─□□─□序号 尺寸型号部件类别 型号加设备名称 门类和图纸类别2. 工程类图纸门类代号为D 。
3.图纸类别代号图纸类别代号采用特征汉字拼音中首个字母(大写)的组合。
GJZ-YQ-01版本号:A 修订号:0共6页 第2页4.部件类别代号和序号部件类别代号采用特征汉字拼音中首个字母(大写)的 组合。
管路空视图的部件类别代号按管道仪表流程图介 质代号表示。
5. 没有填写的部分自动略过 6.图纸编号举例:(1)114推制机装置(一号)图 DS —114TZ —Z01组装和序号 机器型号 工程类和图纸类别(2)114推制机装置零件(一号)图 DS —114TZ —LJ01零件和序号 机器型号工程类和图纸类别GJZ-YQ-01 版本号:A 修订号:0共6页 第3页(3)114推制机夹具(一号)图DT —114TZ —JX4"-01序号 零件和尺寸 机器型号工程类和图纸类别二.指导书的编号1.规范图纸编号由四部分组成:门类、规格和壁厚、坡口和 特殊要求。
四部分代号表达格式:□─□□─□坡口和特殊要求 壁厚规格 门类2. 工艺指导书、工艺流程图和检验指导书门类代号分别为GY 、GL 和JY 3.图纸类别代号图纸类别代号采用特征汉字拼音中首个字母(大写)的组合。
4.部件类别代号部件类别代号采用特征汉字拼音中首个字母(大写)的组合。
5.没有填写的部分自动略过GJZ-YQ-01 版本号:A 修订号:0共6页 第4页6. 图纸编号举例:(4)4寸STDP 普通坡口的工艺指导书 GY —4STD —PP普通破口 机械滤器 规范设计图三.生产图的编号1.生产图的编号由三部分组成:生产图代号和尺寸、角度 和半径、壁厚系列。
技术图纸管理制度一、背景技术图纸是企业在产品开发和生产过程中不可或缺的重要文档。
有效的技术图纸管理制度对于提高工程质量、降低成本、加强沟通协调具有重要意义。
为了规范技术图纸的编制、审批、发布和变更流程,确保技术图纸的准确性和可靠性,制定本技术图纸管理制度。
二、适用范围本制度适用于企业内部所有与技术图纸编制、审批、发布和变更相关的部门和人员。
三、技术图纸编制1.技术图纸的编制由专业的技术人员负责,确保技术图纸的准确性和规范性。
2.技术图纸应按照标准格式进行编制,包括图纸编号、名称、版本号、日期等基本信息,符号、尺寸、材料等详细规范。
3.技术图纸应根据实际需要设定图框和图幅,确保图纸的清晰易读。
四、技术图纸审批1.技术图纸的审批由专门的审批人员进行,确保技术图纸的合规性和可行性。
2.技术图纸的审批流程应明确,包括审批人员及其权限、审批意见记录、审批结果等内容。
3.技术图纸应经过逐级审批,确保每一级审批人员都对图纸内容进行仔细审核。
审批人员对图纸内容有异议时,应提出修改意见或反馈意见,并及时沟通解决。
五、技术图纸发布1.技术图纸的发布应由专门的发布人员进行,确保技术图纸的有效传达和使用。
2.技术图纸应在适当的平台上进行发布,确保相关人员可以方便地查看和下载图纸。
3.技术图纸的发布应及时更新,确保使用的是最新版本的图纸。
六、技术图纸变更1.在产品开发和生产过程中,技术图纸可能需要进行变更,变更应由专门的变更人员进行。
2.技术图纸的变更应经过严格的流程,包括变更申请、变更审批、变更发布等环节。
3.技术图纸的变更应及时通知相关人员,确保变更后的图纸能够及时被采用并替代原有图纸。
七、技术图纸存档1.已经发布和废弃的技术图纸应进行存档,确保技术资料的完整性和可追溯性。
2.存档的技术图纸应分类清晰,包括原始图纸、修改图纸、废弃图纸等不同类型。
3.存档的技术图纸应采取适当的措施进行保护,防止遭到不良环境或非授权人员的损害和篡改。
技术部图纸管理办法1、目的为了进一步加强对公司技术图纸的管理,最大限度的发挥图纸在生产经营工作中的作用,提高图纸利用率,减少图纸差错率,方便相关人员的使用,规范图纸使用、分发、传递、分类、归档流程,并确保公司对技术图纸的所有权,使技术图纸管理规范化、程序化,特制定办法;2、适用范围公司技术部所出全部产品图纸;3、图纸设计流程项目确定后,技术主管召集相关人员商讨设计方案,并指定项目设计负责人;项目设计负责人根据设计方案及客户技术要求进行三维总装设计,设计完成后向技术主管申请会审;由技术主管召集商讨设计方案的有关人员对三维总装设计进行审核,填写项目设计会审记录表见附表一;设计人员按照会审记录表对三维图纸予以修改完善后,转为CAD零件图,要求图档格式一致;4、图纸设计基本要求总装图的设计:需要提供设备3D总装设计图、安装平面布置图、气动原理图,并标识设备需要整理处理的颜色、接地标识和电气源接口位置;部装图的设计:要求能够体现出单个零件之间的装配关系、各个连接件之间的紧固与配合关系以及需要特别注意的问题;CAD图纸必须按照机械设计及制图标准标注尺寸、公差、光洁度,重要位置要标注形位公差,技术要求需详细注明材质、数量、热处理工艺及硬度要求,其它公差等级、倒角、表面处理等要求;对于图纸的绘制要求严格按照图样比例制作,严禁不改图样就修改标注尺寸有遮断线的除外,以备修改与查询;图号编写,按照产品类别、名称、型号和更新版本编写图号,方便生产加工使用和存档,参照公司产品图纸编号办法执行;同类产品优先借用通用件;设计人员在设计时,应充分考虑加工工艺、加工成本和安装维护方便;5、图纸存档、发放和使用规定设计人员在完成本项目图纸设计和制图工作后,应全面校对CAD图纸尺寸、零件数量是否有误;列出图纸清单,注明项目产品名称、型号、零件图号、数量、加工方式机加、钣金、修改记录,清单后面需设计人员、主管审核及领用人的签字和日期见附表二,清单一式两份,领用人一份,存档一份;领用时,拷用电子版本,领用人在清单上签字;根据产品类别建档,统一存档,专人保管;存档时间,项目加工组装完成后由设计人员将修改完善后的电子版本图纸及纸质清单交付管理员存档;6、图纸修改变更第一台或第一批产品在加工和组装过程中由车间现场技术主管记录图纸设计错误,通知相关该项目设计人员现场落实修改方案,并迅速更改相关图纸,交给生产单位返工或重做,同时在图纸清单中记录修改日期并签字,更改图纸必须按执行,更改要求在标注栏或图样其他位置中标识;因机构或方案导致设备加工或操作不便,由技术主管召集相关人员商讨后才能更改,任何人不得擅自更改设备机构及方案;7、图纸的保密除公司外协主管外,任何部门、个人不得擅自打印、复制和拷贝成套图纸;若遗失或泄露公司图纸,造成公司利益损失,公司将根据损失大小给予责任人相应处罚,情节严重者公司将保留追究法律责任的权利;8、附则本办法自批准发布之日起执行;株洲盈定自动化设备科技有限公司2017年2月23日附件一:项目设计会审记录表附表二图纸清单产品名称:型号:。
图纸管理制度1. 无论电脑还是手工绘制的图纸,必须详细标明技术参数、材质等技术、加工要求,并标明绘制人和绘制日期。
技术文件标题栏中的编号、名称、日期,设计、校对、审核、批准等栏中应签署齐全,签署不全的技术文件不得投放到生产车间。
2. 绘制的图纸必须经审核人审核和加盖审核章并标明审核日期方能为有效图纸。
3. 生产内部派工,必须用文件套套好图纸,随派工单派工,操作员工交工时必须将图纸和派工单一并上交。
4. 生产部外协加工,由外协负责人将有效图纸交给外协单位,待外协完工交检验时一并交回。
下批生产时重新发图,以避免因图纸改动而造成零件不合格。
5. 生产部和品管办有权拒绝使用无效图纸。
6. 收回作废的图纸要由开辟部标明作废日期,加盖作废章,保管12 个月再行销毁。
7. 新试制产品图纸的管理对试制中的不定型产品的零部件,生产试制人员可会同技术人员共同商讨、绘制,暂不做严格规定。
但须在图纸上注明“试制”。
定型后由技术人员绘图存档,执行审核管理。
8. 未经整理的图纸,参照试制产品图纸的管理办法实行。
9. 技术文件、技术标准及图纸资料的形成应严格执行设计(编制)、校对、审核三级把关制度;明确各级的责、权、利。
10. 技术文件的修改必须按级、按各职能部门的业务分管范围执行;技术文件修改前,负责修改部门要提出修改理由及具体内容,交有关领导审批。
11. 修改后的技术文件必须重新履行会审、会签及批准手续,填发更改通知书。
12. 技术文件是公司进行生产和各项管理工作共同的技术依据,必须加强管理,各部门应指定一位专职或者兼职资料员负责各种技术文件的登记、保管、复制、收发、注销、归档和保密工作,保证技术文件的完整,准确清晰、统一等。
若暂时未指定资料员,则由部门经理暂行代理。
部门经理和资料员负责本部门技术文件的保密、发放与归档。
13. 每一项目完工后,该项目的项目负责人应在半月内完成技术资料整理,并交资料员刻制光盘,备份、存档。
GJZ-YQ-01 版本号:A 修订号:0 共6页 第1页技术图纸及设备的编号方法一. 工程技术图纸的编号1.工程类图纸编号由四部分组成:门类和图纸类别、型号和设备名称、部件类别、尺寸型号、序号。
四部分代号表达格式:□─□─□□─□序号 尺寸型号部件类别 型号加设备名称 门类和图纸类别2. 工程类图纸门类代号为D 。
3.图纸类别代号图纸类别代号采用特征汉字拼音中首个字母(大写)的组合。
例:GJZ-YQ-01版本号:A 修订号:0共6页 第2页4.部件类别代号和序号部件类别代号采用特征汉字拼音中首个字母(大写)的 组合。
管路空视图的部件类别代号按管道仪表流程图介 质代号表示。
5. 没有填写的部分自动略过 6.图纸编号举例:(1)114推制机装置(一号)图 DS —114TZ —Z01组装和序号 机器型号工程类和图纸类别(2)114推制机装置零件(一号)图 DS —114TZ —LJ01零件和序号 机器型号工程类和图纸类别GJZ-YQ-01 版本号:A 修订号:0共6页 第3页(3)114推制机夹具(一号)图DT —114TZ —JX4"-01序号 零件和尺寸 机器型号工程类和图纸类别二.指导书的编号1.规范图纸编号由四部分组成:门类、规格和壁厚、坡口和 特殊要求。
四部分代号表达格式:□─□□─□坡口和特殊要求 壁厚规格 门类2. 工艺指导书、工艺流程图和检验指导书门类代号分别为GY 、GL 和JY 3.图纸类别代号图纸类别代号采用特征汉字拼音中首个字母(大写)的组合。
4.部件类别代号GJZ-YQ-01 版本号:A 修订号:0共6页 第4页部件类别代号采用特征汉字拼音中首个字母(大写)的组合。
5.没有填写的部分自动略过 6. 图纸编号举例:(4)4寸STDP 普通坡口的工艺指导书 GY —4STD —PP普通破口 机械滤器 规范设计图三.生产图的编号1.生产图的编号由三部分组成:生产图代号和尺寸、角度 和半径、壁厚系列。
设计图纸及卷册编号规定在工程项目的设计过程中,设计图纸和卷册的编号是一项重要的管理工作。
它不仅有助于提高设计文件的管理效率,方便查找和使用,还能确保设计文件的准确性和完整性。
为了规范设计图纸及卷册的编号,特制定以下规定。
一、编号的基本原则1、唯一性每一份设计图纸和卷册都应有唯一的编号,不得重复。
这样可以避免混淆和错误,确保每份文件都能被准确识别和追踪。
2、系统性编号应按照一定的系统和逻辑进行编排,以便于理解和记忆。
通常可以采用分类、分级的方式,使编号能够反映出设计文件的所属项目、专业、阶段等信息。
3、稳定性一旦确定了编号规则,应尽量保持稳定,避免频繁更改。
否则会给文件管理带来混乱,增加查找和使用的难度。
4、可扩展性考虑到项目的发展和变化,编号规则应具有一定的可扩展性,能够容纳新增的设计文件和卷册。
二、编号的组成要素1、项目代码用于标识特定的工程项目,通常由几个字母或数字组成。
项目代码应具有明确的含义和唯一性,能够与其他项目区分开来。
2、专业代码表示设计文件所属的专业领域,如建筑、结构、电气、给排水等。
专业代码应采用统一的标准,便于识别和分类。
3、阶段代码反映设计文件所处的阶段,如初步设计、施工图设计等。
阶段代码可以帮助区分不同阶段的设计成果。
4、卷册序号表示同一专业、同一阶段内的卷册顺序号。
卷册序号一般采用数字编码,从 1 开始递增。
5、修订版本号当设计文件需要修改时,应增加修订版本号。
版本号可以用字母或数字表示,如 A、B、C 或 1、2、3 等。
三、编号的具体格式1、常见的编号格式为:项目代码专业代码阶段代码卷册序号修订版本号例如:PJ01 AR SD 05 A其中,“PJ01”表示项目代码,“AR”表示建筑专业,“SD”表示施工图设计阶段,“05”表示卷册序号为 5,“A”表示修订版本号为 A。
2、项目代码的确定项目代码可以根据项目的名称、地点、合同编号等因素来确定。
例如,可以使用项目名称的首字母加上数字,如“XX 小区项目”可以表示为“XX01”。
技术图纸编号管理规定
1.0目的
为规范公司技术图纸文件的编号,使其符合企业规范管理的要求,特制定本规定。
2.0范围
本规定适用于公司所生产的产品的图纸以及生产使用的模具、夹具编号及模具、夹具、工装等的图纸编号管理。
3.0职责
3.1工程部负责产品项目编号。
3.2工程部负责对产品的图纸进行编号。
3.3工模部负责对该部门设计、管理的产品模具、生产夹具的图纸进行编号。
3.4 工程部工程组负责对该部门设计、管理的工装、夹具的图纸的编号。
3.5工程部、工模部负责外发加工模具、夹具等的图纸的收集和编号。
4.0工作内容
4.1产品项目编号
4.1.1由项目工程部在编制产品开发任务书时,负责填写产品项目编号。
4.1.2编号规则:项目编号由五位阿拉伯数字构成(即等于产品报价编号末尾5位阿拉伯数字)。
4.2产品型号
编号规则:由两位产品类型代码+项目号构成
□□□□□□□
项目编号
产品类型代码(如表一)
4.3产品零件图纸编号
图纸的编号规则:图纸的编号由七位产品型号+序列号构成。
4.4模具和夹具的编号
4.4.1模具、夹具编号:由模具类型代号+10位零件图号+序列号组成。
4.4.2模具、夹具图纸编号:由16位模具或夹具编号+图纸序号组成。
图纸怎么编号管理制度第一章总则第一条为规范图纸编号管理工作,提高图纸管理效率,保证图纸管理工作的准确性和可靠性,根据相关法律法规,制定本制度。
第二条本制度适用于全公司所有部门的图纸编号管理工作。
第三条公司内部图纸编号管理的具体任务由设立图纸管理工作小组负责,个部门要加强与图纸管理工作小组的协作。
第二章图纸编号的原则第四条图纸编号应具有唯一性和顺序性,且易于管理和查找。
第五条图纸编号采用数字和字母的组合方式进行编制,以便于记录和查询。
第六条图纸编号的编制应符合公司内部相关规范,并由图纸管理工作小组统一制定。
第三章图纸编号的编制和管理第七条新建图纸的编号应在图纸完成前确定,并按照规定的格式进行编制和登记。
第八条图纸编号的编制原则上应遵循“大系统-子系统-分系统-图幅-版本号”的结构。
第九条图纸编号的管理应建立图纸档案,确保图纸的完整性和正确性。
第十条图纸编号一旦确定,不得擅自更改,如有特殊情况需更改,应报告图纸管理工作小组,经批准后方可更改。
第四章图纸编号的使用第十一条所有参与图纸管理的人员都应遵守图纸编号管理制度,严禁私自更改图纸编号。
第十二条在图纸变更或更新时,应及时调整图纸编号,确保图纸的连贯性和统一性。
第十三条图纸编号应在图纸上清晰可见,并在相关档案中备查。
第五章图纸编号的监督和检查第十四条每月图纸管理工作小组应对图纸编号管理情况进行检查和评估,及时发现问题并加以解决。
第十五条定期对图纸档案进行检查,确保图纸的存储和管理符合规范要求。
第十六条如发现图纸编号管理不当的情况,应及时整改,并对责任人进行追究。
第六章附则第十七条本制度自颁布之日起生效,如有进一步修改,应经公司领导同意后方可生效。
第十八条违反本制度规定的,将依据公司相关规章制度进行处理。
第十九条本制度解释权归公司图纸管理工作小组所有。
以上就是图纸编号管理制度的内容,希望公司全体员工能够认真遵守,确保图纸管理工作的顺利进行。
工程技术部图纸管理制度一、总则为了规范工程技术部的图纸管理工作,提高图纸管理的效率和质量,特制订本制度。
二、管理范围本制度适用于工程技术部管理的所有图纸。
三、图纸登记1. 所有图纸必须按照规定进行登记,包括图纸的名称、编制单位、编制日期、图纸编号等信息。
登记后必须在电子文档中进行备份。
2. 每份图纸必须有唯一的图纸编号,并且在修改时必须及时更新编号。
3. 图纸的登记和备份工作由技术部负责人负责。
四、图纸存档1. 工程技术部必须建立专门的图纸存档室,确保存档的图纸安全。
2. 图纸必须按照系统建立的存档目录进行分类存放,方便查阅。
3. 图纸存档室必须定期检查,确保图纸的安全和整洁。
五、图纸借阅1. 图纸的借阅必须经过审批,由技术部负责人签字批准后方可借阅。
2. 借阅图纸必须按照规定的流程操作,不得私自调取图纸。
3. 借阅期限不得超过规定的时间,逾期必须及时归还。
六、图纸修改1. 所有对图纸进行修改的工作必须按照规定的流程进行,修改前必须经过相关人员的审核。
2. 修改后的图纸必须及时更新备份,保留修改记录。
3. 对于涉及重要信息变更的图纸修改,必须经过技术部领导的批准。
七、图纸复印1. 对于需要复印的图纸,必须经过审批,由技术部负责人签字批准后方可复印。
2. 复印图纸的质量必须符合规定的标准,不得出现失真或缺失的情况。
3. 复印后的图纸必须及时归档,不得私自传播。
八、违规处理1. 对工程技术部图纸管理制度的违规行为必须进行处理,严重者将受到相应的处罚。
2. 对于严重违规者,将进行记过、降职或开除等处理。
3. 对于轻微违规者,将进行警告、通报批评等处理。
九、附则本制度最终解释权归工程技术部相关负责人所有。
以上就是工程技术部图纸管理制度,希望全体工程技术人员认真遵守,确保图纸管理工作的顺利进行。
技术部设计图纸管理制度一、目的与依据为了规范技术部门的设计图纸管理,提高设计效率和质量,保证项目顺利进行,特制订本管理制度。
本制度依据公司的相关制度和规定,结合技术部门的实际情况制定。
二、责任部门技术部是设计图纸的制定和管理部门,负责统筹设计图纸的制作、审查、存档和使用工作。
三、设计图纸的分类和编号1.设计图纸按照不同的项目进行分类,每个项目都有一个唯一的项目编号。
2.每份设计图纸都有一个唯一的编号,编号由“项目编号-设计图纸序号”组成。
3.设计图纸的编号必须清晰明确,便于查找和管理。
四、设计图纸的制作1.设计图纸必须由具有相关专业资质和经验的设计人员完成。
2.设计图纸必须符合相关标准和规范,严格按照项目要求进行制作。
3.在制作设计图纸时,需要所涉及的相关方进行确认和审查。
五、设计图纸的审查与修改1.设计图纸完成后,必须由专业人员进行审查,确保设计图纸的准确性和合理性。
2.若设计图纸有错误或需要修改,必须及时进行修改并重新审查。
3.设计图纸的修改必须记录下来,便于追溯和查证。
六、设计图纸的存档与归档1.设计图纸必须做好存档工作,存放在专门指定的存储空间中。
2.设计图纸在存档时必须要有相关的备份措施,避免丢失和损坏。
3.设计图纸的归档必须按照规定的时间进行,过期的设计图纸必须进行处理。
七、设计图纸的使用1.设计图纸仅供指定的人员使用,未经允许不得擅自使用或传播。
2.使用设计图纸时必须保证设计图纸的完整性和准确性,避免出现错误。
3.设计图纸使用后必须及时归还,并做好记录。
八、违规处理1.对于违反设计图纸管理制度的行为,技术部门将按照公司相关规定进行处理。
2.对于严重违规行为,将依法依规进行处理。
九、附则本管理制度自颁布之日起生效,如有需要修改,必须经过技术部门主管领导批准。
以上内容为技术部设计图纸管理制度的主要内容,技术部门全体员工必须遵守并执行该制度,以确保设计工作的顺利进行。
图纸编码及管理制度规范一、背景随着现代化建设的不断推进,图纸编码及管理成为建设工程管理中不可或缺的一部分。
准确、规范的图纸编码及管理能够提高施工效率,确保工程质量,减少施工中的错误和纠纷。
因此,建立一套科学、规范的图纸编码及管理制度对于建设工程管理至关重要。
二、目的本制度的目的是明确图纸编码及管理的流程和责任,确保图纸的准确性和时效性,保证工程建设的顺利进行。
通过制度规范,最大限度地减少图纸管理过程中出现的问题和错误,提高管理效率和工程质量。
三、适用范围本制度适用于所有建设工程项目的图纸编码及管理,包括设计单位、施工单位、监理单位等相关部门。
四、图纸编码规范1. 图纸编码应采用统一的格式,包括项目名称、工程名称、图纸编码等内容,同时应遵循工程设计规范的相关要求进行编码。
2. 不同类型的图纸应设立不同的编码,如结构图、设备图、布置图等,以便于管理和查找。
3. 图纸编码中应包含图纸的版本信息,以便及时了解图纸的更新情况。
4. 每份图纸都应进行编号,确保图纸的唯一性,便于追溯和查询。
五、图纸管理流程1. 图纸的接收:设计单位将编制完成的图纸传递给相关施工单位,并进行登记备案。
2. 图纸的分发:施工单位按照工程进度和各分工程需求,将图纸传达给相关施工人员和技术人员。
3. 图纸的使用:施工人员应严格按照图纸进行施工,确保施工质量和安全。
4. 图纸的归档:施工单位应进行图纸归档管理,确保图纸的安全和完整性。
5. 图纸的更新:设计单位应定期对图纸进行更新和修订,并及时通知相关单位。
六、责任分工1. 设计单位负责编制和更新图纸,确保图纸的准确性和完整性。
2. 施工单位负责接收和管理图纸,保证图纸的正确使用和保存。
3. 监理单位负责监督和检查图纸的使用情况,确保工程建设的合法性和规范性。
七、处罚机制对于违反图纸管理规定的单位或个人,将根据具体情况给予相应的处罚,包括警告、通报批评、扣分等。
八、附则1. 本制度经主管部门审批后正式实施,如有需要调整,应经相关单位协商一致。
常用图纸编号规则及图纸要求一、图纸编号规则简介:——说明:1、产品类型:由产品名称的几个主要字母组成;2、产品型号:由产品的主要特征参数+产品型号区分码(A 、B 、C.......Z )组成; 例:“20”其后面没有区分码表示基本型,“20A ”表示A 型;3、一级装配件:总机装配下的第一级子装配件,可编范围“01.....99”;例:“CNFSQH20-010000-0000”表示总机装配下的第一个子装配件;4、二级装配件:一级装配件下的子装配件,可编范围“1.....9”;例:“CNFSQH20-011000-0000”表示总机装配下第一个子装配件下的第一个子装配件; 5、一级焊接件:总机装配或一级、二级装配件下的第一级子焊接件,可编范围“01.....99”; 例:“CNFSQH20-010010-0000”表示总机装配下第一个子装配件下的第一个子焊接件;6、二级焊接件;一级焊接件下的子焊接件,中编范围“1.....9”;例:“CNFSQH20-010012-0000”表示总机装配下第一个子装配件下的第一个子焊接件的 第二个子焊接件;7、零部件区分代码:当该图表示的为零件时用“1”表示,当该图表示的为装配件或焊接件 时用“0”表示;8、零件代码:各装配件或焊接件下的零件,可编范围“01.....99”;例:“CNFSQH20-010000-1010”表示总机装配下的第一个子装配件下的第一个零件;9、版本代码:产品定型后有部件或零件需要进行设计更改时,通过改变该数字进行区分, 可编范围“1.....9”例:“CNFSQH20-010000-1011”表示总机装配下的第一个子装配件下的第一个零件的第 一次更改版本;二、图纸要求;CNFSQH 20 00 0 00 0 0 00 0 产品类别代码 产品类别代码 一级装配件代码 二级装配件代码 一级焊接件代码 二级焊接件代码 零部件区分代码零件代码 版本代码1、图框要求a、标题栏b、阶加栏c、代号栏d、分区e、装订线2、标题栏要求a、企业名称:兴之源环保科技有限公司b、图号:左上角、右下角均有图号c、名称d、材料e、比例f、重量3、明细栏要求a、材料b、名称c、重量d、数量e、外购件备注栏内注明“品牌”,借用件备注栏内注明“借用”,无图件在备注栏内注明“无图”4、其他要求a、字体:GB宋体b、各线条颜色:待定c、版本:CAD 2004版欢迎您的下载,资料仅供参考!致力为企业和个人提供合同协议,策划案计划书,学习资料等等打造全网一站式需求d、e、。
为了更好管理公司的产品及模具图纸在生产过程中更好配合生产及以后图纸更改发挥作用,特制定技术图纸编号及管理的办法。
1、产品图纸编号:
说明:××:表示客户的编号,以客户名称前两个汉语拼音字母表示。
××:产品类别用产品名称的两个汉语拼音字母表示。
×:图纸的类型:
A:为技质部制作产品图纸 B:为外来产品图纸
×××:图纸的编号,产品的图纸编号:如;001、002、003……;(×)表示图纸的版式本 1、模具图纸编号:
说明:××:表示客户名称,以客户名称前两个汉语拼音字母表示(如:MD表示美的)。
××:模具编号(如:2004001表示2004年第1套模具)×:图纸的类型(如:装配图用P,散件图用S)××:图纸的版本号(如:A-00(01、02))
2、图纸修改状态的规定: 2.1每个产品都只需一个图纸编号。
3、 3、技术图纸管理办法及要求
3.1 图纸按一定比例绘制,图面应保持清晰、整洁、完整,不能无数据或数据不清楚或者图纸在复印时造成图面不详、数据不明时,生产部或外加工方应及时向技质部索取完整的图纸。
3.2 图纸应包括如下的资料:
3.2.1制作的公差大小及零部件表面粗糙度。
3.2.2制作的要求应明确。
3.2.3图纸必须用三视图绘制,特殊符号应清晰、符合标准。
3.2.4标题栏应注明零件的规格,绘制的日期,图纸的名称、用量、比例、材质及表面处理、热处理,图纸编号及页数等一些相关内容。
3.2.5标题栏的左边应有设计人、审核人、批准人的签名处。
4、图纸的发放及生效:
4.1图纸发放之前应由技质部加盖受控章以后方可生效。
由技质部分发给各部门;
4.2图纸发到各部门后,当各部门需再一次复印分发给部门的人员使用时,各部门必须向技质部报告复印的数量,再分发下去,并做好相关的记录。
当图纸修改后,各部门必须将已更改的图纸交技质部,技质部要核实发放与收回份数一致,统一进行作废和销毁。
5、技术图纸的运作:
5.1生产部门收到相关技术图纸以后,应对图纸作详细的了解,方可投入生产。
5.2生产部门不准使用无受控章,无签名的图纸。
5.3生产部门当发生模具与图纸不符合时,应及时报告技质部。
技质部应查明原因,并作出正确的答复。
5.4外加工图纸由采购部以传真、快递等方式给予供应商加工,如有图纸更改时,采购部应及时传递给供方。
5.5如生产部或外加工方发现图纸有问题时,应及时向技质部提出,及时更正。
6、图纸的储存及作废。
6.1电脑中的图纸备份保留,图纸的正版由技质部保存,封面盖正版受控文件章。
6.2对更改图纸的原图和失效图纸由技质部收回,统一销毁,如有参考价值可以保留正版,由技质部在正版各页盖上“作废保留”章。