通风与空调设备安装细则
- 格式:doc
- 大小:64.50 KB
- 文档页数:16
建筑物通风与空调设备安装维护规范在现代社会中,建筑物通风与空调设备对于人们的居住和办公环境十分重要。
良好的通风和空调系统可以提供舒适的室内环境,保护人们的健康和生活品质。
为了确保建筑物通风与空调设备的安装和维护达到标准化,以下是一些相关规范和要求。
1. 设计与安装标准在建筑物通风与空调设备的设计和安装过程中,应遵循相关的国家标准和规范。
这些标准侧重于建筑物的结构、空气流通、温度和湿度控制等方面。
设计工程师应根据具体需求和建筑物的类型,确保系统的设计和布置合理、高效,并提供充足的空气流通和温度调节效果。
2. 材料与设备选择在通风与空调设备安装过程中,合适的材料和设备的选择至关重要。
这些材料和设备应符合相关行业的标准和规定,并且经过严格测试和质量检查。
使用合格的材料和设备能够提高系统的性能和可靠性,减少故障发生的可能性。
3. 安全与可靠性在通风与空调设备的安装、操作和维护过程中,安全性和可靠性是至关重要的考虑因素。
施工人员应遵守相关安全规定和操作流程,确保工作场所的安全。
设备维护人员应定期进行系统检查和维修,以确保其正常运行,并防止潜在的故障和事故发生。
4. 节能与环保在建筑物通风与空调设备的设计、使用和维护过程中,节能和环保应该是重要的考虑因素。
选择高效的设备、合理的操作和维护措施可以减少能源消耗和环境污染。
此外,应注意噪音和振动的排放,并采取相应的措施以降低对周围环境和居民的影响。
5. 维护与管理为了确保通风与空调设备的长期使用效果,建筑物管理者应建立健全的维护和管理体系。
定期检查和清洁设备,更换老化和损坏的部件,保证设备的正常运行。
此外,建筑物管理者还应制定相应的应急预案和维修计划,以应对突发故障和紧急情况。
总结起来,建筑物通风与空调设备的安装和维护应遵循相关的规范和标准。
良好的设计、合适的材料和设备、安全可靠的操作以及节能环保的考虑是确保系统运行效果的关键。
此外,建筑物管理者的维护和管理对于设备的长期使用和性能保证也非常重要。
通风与空调工程监理实施细则通风与空调工程监理实施细则是指在建筑物建设过程中,对于通风与空调工程的建设监督与管理的一种方案。
该实施细则包括了通风与空调工程的设计、施工、建设、验收、维护等方面的具体内容,旨在保障建筑物通风与空调系统的安全、可靠、高效运行。
一、通风与空调设计的监管通风与空调系统的设计是保障工程质量和设备运行效率的关键环节。
监理人员应对工程设计方案进行审查,确保工程设计符合国家相关标准和规范,符合建筑结构的实际情况,工程设计的技术指标能够满足建筑物群众的生活、工作的需求,确保通风与空调系统在使用中能够顺畅运行。
二、施工管理通风与空调系统施工过程中的监督与管理需要严格执行国家有关法律、法规和标准、技术规程,确保施工质量,减少施工安全事故的发生。
监理人员在施工过程中应密切关注通风与空调系统工程的实施进度、质量、安全情况等方面,确保施工按照设计方案顺利进行,设备安装到位,电气和管道布置合理,施工质量符合相关标准。
三、验收管理通风与空调系统工程的验收时监理人员应严格按照施工规范和接受标准进行验收。
监理人员应认真审核验收资料,确保通风与空调系统全部达到设计要求,安装设备符合相关标准,电气、管道布置合理,系统运行安全可靠,通风与空调系统能够顺利运行。
四、维护管理通风与空调系统的维护管理需要对通风与空调系统的设备进行巡检、清洗、保养、维护,确保通风与空调系统的设备始终处于良好状态。
监理人员应指导建设方加强设备管理,定期对通风与空调系统进行巡检和保养,及时排除系统设备的故障,确保系统长时间运行效果稳定。
五、监理人员的职责通风与空调工程监理人员应遵守国家有关规定,认真履行职责,依法纠正违法行为,及时反馈监理信息,保证监理工作的正常运行。
监理人员应认真执行监理计划,按照监理协议中规定,认真审核监测报告和施工记录,提出建议性意见,确保通风与空调工程的质量安全。
在通风与空调工程监理实施细则的制定和执行过程中,需要监理人员严格遵守国家有关规定、法律法规和技术规程,认真负责履行监理工作,保证监理工作的高效运行,确保通风与空调系统在使用过程中始终保持良好的运行状态,从而为工程建设提供有力的技术保障。
通风与空调设备安装安全要求
①搬动和安装大型通风空调设备,应与起重工协作进行,并设专人指挥,统一行动。
所用工具、绳索必需符合平安要求。
②整装设备在起吊和下落时,要缓慢行动,并要留意四周环境,不能破坏其他建筑物、设备和砸伤作业人员的手、脚。
③分段装配式空调机组拼装时,要留意防止板缝夹伤手指。
紧固螺栓用力要适度。
安装盖板时作业人员要相互协作,防止物件坠落伤人。
④禁止危害环境的污染废水未经处理直接排入城市排水系统和河流。
⑤不得在施工现场焚烧涂料等可能产生有毒有害烟尘和恶臭气体的物质。
⑥使用密封式的圈筒或者实行其他措施处理施工中的废弃物,以爱护环境。
⑦实行洒水等有效措施掌握施工中产生的扬尘,使施工工地处于干净状态。
- 1 -。
xx市地铁5号线工程5204监理标段监理实施细则(通风与空调安装工程)编制人:审核人:编制单位: xx建设监理有限责任公司xx地铁5号线工程5204监理部编制时间: 二〇一〇年三月目录一、本标段通风与空调安装工程的概况及特点 (3)二、通风与空调安装工程监理工作依据 (3)三、通风与空调监理工作范围及目标 (4)四、通风与空调工程监理工作流程 (4)五、工程质量控制 (13)1、第一节监理工作的方法及措施 (13)2、第二节监理工作控制要点及目标值 (16)3、第三节通风与空调系统与各专业接口关系 (40)4、第四节工程技术资料的整理 (41)5、第五节各关键分部分项样板段工程 (41)六、施工进度控制 (42)七、工程造价控制 (42)八、施工安全控制 (43)九、调试及分部工程验收 (46)十、附则 (46)第一章本标段通风与空调安装工程的概况及特点1.1本标段3站4区间,其中民治站为一般中间站,位于龙华拓展区民治路和平南铁路交口处,为地下二层岛式站台;五和站位于既有布龙公路和五和大道交口附近,沿布龙公路设置,该站为与地铁16号线的换乘站,地下二层岛式站台;坂田站为一般中间站,地下二层岛式站台,位于坂雪岗大道和布龙公路交口处。
1.2本工程为地铁车站、区间通风与空调系统安装。
1.3地铁工程是一个系统的工程,地铁要达到运营条件,不仅是车站常规机电设备安装工程和土建工程要优质按期的完成,而且还有许多其他的系统承包商进场施工。
如:精装修、供电系统、FAS(火灾自动报警)系统、AFC(自动售检票)系统、ISCS系统、通信、信号、移动商业通信、电梯、屏蔽门、人防系统等系统承包商都要或前或后或同时进场施工;且各专业之间接口多。
而地下车站空间相对狭小,工程线性分布跨越距离较长、工作量大、工期短而且要求严格、施工交叉点多、协调管理面大、社会影响大、技术程度高、安全质量要求严格、调试要求高等。
1.4、工程名称:xx地铁5号线5504标常规设备安装及装修工程。
通风空调安装工程监理细则一、工程概况二、通风空调安装工程的主要内容三、监理的基本程序1、审查施工单位的资质和管理人员及技术工人的上岗证。
2、组织图纸会审和设计交底。
3、审查施工组织设计方案和施工进度计划。
4、审查施工单位严格按国家规范、标准和管理程序施工,控制工程质量和进度。
5、审查工程所使用的材料及设备订货,核定其性能是否符合规范及设计要求,杜绝不合格材料进入施工现场。
6、按时参加每周工程例会,指出安装工程存在的问题,做好例会记录,收集整理好本专业工程技术资料。
7、平时做好施工监理日志,定期向总监汇报。
8、对施工阶段的分部分项工程验收做到及时、客观,做好施工隐蔽验收记录,组织好竣工初验。
9、重点工序、关键控制点实行旁站,经常巡视施工现场,及早发现质量问题并责成施工方及时整改。
10、督促施工队配合甲方抓好工程进度,落实施工进度计划按时完成。
四、制定本监理细则依据1、粤财大厦通风空调设计图纸(修改图)和有关图纸会审记录;2、《通风与空调工程施工及验收规范》GB50243-97;3、《通风与空调工程质量检验评定标准》GBJ304-88;4、《采暖与卫生工程施工及验收规范》GBJ242-82;5、《制冷设备安装工程施工及验收规范》GBJ66-84;6、《机械设备安装工程施工及验收规范》TJ231(一)(五)-78。
五、各分项工程质量控制要点(一)金属风管与部件制作工程工艺监理1、风管制作工程工艺流程:展开咬口风管⌫下料⌫剪切⌫倒角⌫制作⌫折方⌫成型方法兰打眼领料⌫下料⌫焊接⌫冲孔⌫⌫圆法兰划线找平打眼卷圆⌫下料⌫找正⌫冲孔成品⌫铆法兰⌫翻边⌫喷漆⌫检验⌫出厂注:无设计要求时,镀锌风管成品不喷漆。
(1)镀锌钢板、型钢等主材应具出厂合格证明书及质量鉴定文件,表面不得有裂纹结疤,要有镀锌结晶花纹。
(2)制作风管及配件的钢板厚度应符合设计及规范要求。
(3)风管法兰的规格、尺寸要符合设计要求。
(4)风管咬缝要紧密,宽度均匀,无孔洞、半咬口或胀裂现象,直管纵向咬缝错开,出现孔洞用密封胶堵严。
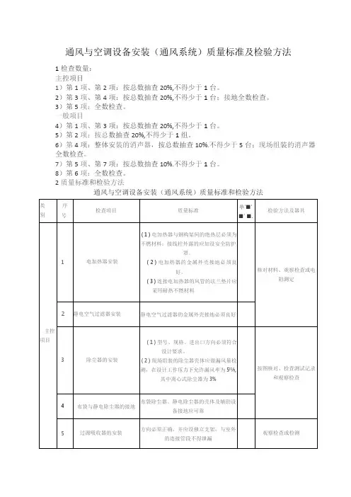
通风与空调设备安装(通风系统)质量标准及检验方法
1检查数量:
主控项目
1)第1项、第2项:按总数抽查20%,不得少于1台。
2)第3项、第4项:按总数抽查20%,不得少于1台;接地全数检查。
3)第5项:全数检查。
一般项目
4)第1项、第3项:按总数抽查20%,不得少于1台。
5)第2项:按总数抽查20%,不得少于1组。
6)第4项:整体安装的消声器,按总数抽查10%.不得少于5台;现场组装的消声器全数检查。
7)第5项、第7项:按总数抽查10%.不得少于1台。
8)第6项:全数检查。
2质量标准和检验方法
通风与空调设备安装(通风系统)质量标准和检验方法。
7通风与空调设备安装7.1一般规定7.1.2通风与空调设备应有装箱清单、设备说明书、产品质量合格证书和产品性能检测报告等随机文件,进口设备还应具有商检合格的证明文件。
7.1.3设备安装前,应进行开箱检查,并形成验收文字记录。
参加人员为建设、监理、施工和厂商等方单位的代表。
7.1.4设备就位前应对其基础进行验收,合格后方能安装。
7.1.5设备的搬运和吊装必须符合产品说明书的有关规定,并应做好设备的保护工作,防止因搬运或吊装而造成设备损伤。
7.2主控项目7.2.1冷却塔的安装应符合下列规定:1型号、规格应符合设计规定,其出口方向应正确;2固定通风机的地脚螺栓应拧紧,并有防松动措施。
检查数量:全数检查。
检查方法:依据设计图核对、观察检查。
7.2.3空调机组的安装应符合下列规定:1型号、规格、方向和技术参数应符合设计要求;2现场组装的组合式空气调节机组应做漏风量的检测,其漏风量必须符合现行国家标准的规定。
检查数量:按总数抽检20%,不得少于1台。
净化空调系统的机组,全数检查。
检查方法:依据设计图核对,检查测试记录。
7.3一般项目7.3.15风机盘管的安装应符合下列规定:1机组安装前宜进行单机三速试运转及水压检漏试验。
试验压力为系统工作压力的1.5倍,试验观察时间为2min,不渗漏为合格;2机组应设独立支、吊架,安装的位置、高度及坡度应正确、固定牢固;3机组与风管、回风箱或风口的连接,应严密、可靠。
检查数量:按总数抽查10%。
检查方法:观察检查、查阅检查试验记录。
7.3.16转轮式换热器安装的位置、转轮旋转方向及接管应正确,运转应平稳。
检查数量:按总数抽查20%,且不得少于1台。
检查方法:观察检查。
8空调制冷系统安装8.1一般规定8.1.2制冷设备、制冷附属设备、管道、管件及阀门的型号、规格、性能及技术参数等必须符合设计要求。
设备机组的外表应无损伤、密封应良好,随机文件和配件应齐全。
8.1.3与制冷机组配套的供应系统和蓄冷系统的安装,还应符合设计文件、有关消防规范与产品技术文件的规定。
通风安装管理制度第一章总则第一条为规范通风设备的安装管理,确保通风设备的正常运行,保障员工的健康和生产安全,制定本管理制度。
第二条本制度适用于公司内所有通风设备的安装管理工作。
第三条通风设备包括通风管道、排风扇、新风系统等。
第四条本制度的制定、执行、调整和废止由公司人力资源部门负责。
第五条公司全体员工都有义务严格遵守本制度。
第六条违反本制度的员工,公司将按照公司相关规定进行处理。
第二章安装前准备第七条在进行通风设备安装前,需做好以下准备工作:1. 制定详细的安装方案,包括通风设备的型号、数量、规格等信息,以及安装位置、布局、管道走向等。
2. 确定安装人员,要求安装人员必须具备相关的技术资质和经验。
3. 准备必要的工具和材料,保证安装过程的顺利进行。
4. 检查通风设备的质量和完整性,对于有损坏或缺陷的设备,及时进行更换或修理。
第八条安装人员在进行通风设备安装前,需做好相关安全措施,包括佩戴个人防护装备、遵守安全操作规程等。
第九条安装人员需对安装现场进行全面的安全检查,确保安装现场的安全和整洁。
第十条安装人员需在安装前进行相关设备的检测及试运行,确保设备的性能和运行正常。
第三章安装过程管理第十一条安装人员在安装通风设备时,需按照相关安装方案和规范进行操作,保证设备的安装质量。
第十二条安装人员必须遵守安全操作规程,禁止在无关人员的情况下进行高空作业和其他危险操作。
第十三条安装人员需做好通风设备的防腐、防霉、防水等工作,确保设备的使用寿命和安全性。
第十四条安装人员在安装过程中,若发现安装方案有任何问题或不合理之处,需及时向主管领导或相关部门提出并进行调整。
第十五条安装人员需对安装过程中的废弃物、材料进行分类收集、清理,保证安装现场的整洁。
第四章安装验收及记录第十六条安装完成后,需进行相关部门的验收,确认通风设备的安装质量和运行正常。
第十七条安装人员需及时对通风设备的安装记录进行归档,并报告给相关部门。
第十八条安装人员需对安装过程中的经验和技术进行总结和分享,并不断改善和优化工作流程。
通风与空调(监理细则)一、前言为确保建筑工程质量,保障工程建设各方的权益,建立监理机构并制定监理细则是必不可少的。
本文详细介绍了通风与空调监理的要点和细节,力争为建筑工程监理提供参考和指导。
二、通风监理要点1.通风方式建筑通风方式分为自然通风和强制通风两种。
监理人员应对建筑通风方式进行评估,并根据建筑结构和环境要求确定通风方式。
2.通风机组选型规范建筑通风机组的选型应符合国家有关标准规范,监理人员应对选型进行审核和确认,确保选型合理、稳定。
3.通风设备安装通风设备的安装应符合国家有关标准和规范。
监理人员应对设备的安装进行现场检查和评估,确定设备安装符合要求。
4.通风空气品质检测建筑通风空气品质检测应符合国家有关标准和规范。
监理人员应对检测结果进行评估和确认,确保空气品质符合规定要求。
三、空调监理要点1.空调系统设计建筑空调系统的设计应符合国家有关标准和规范,监理人员应对设计方案进行审核和确认,确保系统设计合理、安全。
2.空调机组选型规范建筑空调机组选型应符合国家有关标准和规范,监理人员应对选型进行审核和确认,确保选型合理、稳定。
3.空调设备安装空调设备的安装应符合国家有关标准和规范,监理人员应对设备的安装进行现场检查和评估,确定设备安装符合要求。
4.空调制冷剂使用监测建筑空调制冷剂使用应符合国家有关标准和规范,监理人员应对制冷剂的使用进行现场监测和评估,确保制冷剂使用符合规定要求。
四、监理工作对保证建筑工程质量和安全起着至关重要的作用。
通风与空调作为建筑中不可或缺的部分,监理人员必须深入了解并认真执行相应的监理要点和细则,确保通风与空调设备安装和使用符合国家标准和规范,保证建筑空气质量和空调系统的安全稳定。
大学学生宿舍安装空调实施细则1. 引言随着气候变暖和大学生活的要求提高,为了提高大学学生宿舍的舒适度和生活品质,安装空调已经成为了一个不可或缺的需求。
本文档旨在规划和描述大学学生宿舍安装空调的具体实施细则,以确保学生宿舍空调安装的方便性、安全性和有效性。
2. 安装空调的条件为了保障安装空调的顺利进行,学生宿舍必须满足以下条件:•每个宿舍房间的电力供应需稳定,并能够满足空调的额定功率要求;•宿舍楼外墙结构和窗户要能够承受空调的重量和振动;•宿舍楼外墙电源线路要能够满足空调的额定电压和电流需求;•宿舍楼管理方和学校相关部门要支持空调的安装。
3. 安装空调的申请流程学生宿舍安装空调的申请应经过以下流程:1.学生向所在的宿舍楼管理方提出书面申请,说明安装空调的原因和需求,并提供相关宿舍信息和联系方式;2.宿舍楼管理方收到申请后,应及时回复学生,并核实宿舍是否符合安装要求;3.如果申请获得宿舍楼管理方的认可,学生需要向学校有关部门提交正式的安装申请,同时提供宿舍楼管理方的认可函件;4.学校有关部门对申请进行审批,并根据学校规定的程序和要求向学生反馈审批结果;5.如果申请获得学校有关部门的批准,学生可以按照规定的程序和时间安装空调。
4. 空调安装细则在安装空调的过程中,需要考虑以下细则:4.1 安装位置选择空调的安装位置需经过合理考虑,以确保空调的使用效果和安全性。
具体要求包括:•安装位置应在宿舍房间的墙面上,高度应适中,便于使用和维护;•安装位置应避免阳光直射,保持充足的通风;•安装位置应避免遮挡室内通道、窗户和门。
4.2 安装工作规范为确保空调安装符合标准和要求,安装人员需按照以下规范进行工作:•安装人员应为具备相关资质和经验的专业人员;•安装人员应使用专业工具和设备,确保安装质量;•安装人员应遵循相关安装操作手册和安全操作规程。
4.3 安全考虑在学生宿舍安装空调时,需要特别注意以下安全考虑:•安装空调需符合国家安全标准和行业规范;•安装空调时需确保电力线路的安全性,防止电路过载和漏电;•安装空调时需确保空调室外机与室内机之间的管道连接安全可靠;•安装空调时需考虑到防火和防盗安全要求。
空调使用管理细则一、安装与使用原则空调设备的安装应由专业人员进行,确保设备安全稳固,符合相关安装规范。
使用者必须熟悉空调设备的基本操作,遵循操作指南,避免误操作导致的损坏或事故。
二、节能措施使用空调时,应根据天气情况和室内温度合理调节设定温度,避免过度制冷或制热。
当室内无人时,应及时关闭空调,避免不必要的能源消耗。
定期清洗空调滤网,确保空调运行效率,减少能源浪费。
三、安全事项使用空调时,应保持室内通风良好,避免空气不流通导致的健康问题。
禁止在空调周围放置易燃、易爆物品,确保设备安全。
遇到空调设备故障或异常情况,应立即停止使用,并及时联系专业人员进行维修。
四、节假日使用规定在节假日期间,办公室、会议室等公共场所的空调使用需遵循节能原则,合理安排使用时间。
节假日期间如需使用空调,应提前向管理部门申请,并严格按照批准的时间使用。
五、温度设定标准夏季室内温度设定不得低于26℃,冬季室内温度设定不得高于20℃。
特殊情况下,如需调整温度设定,需提前向管理部门申请,经批准后方可执行。
六、使用时间与条件工作日内,空调使用时间应控制在每日8:00至18:00之间。
在满足工作需要的前提下,应尽量减少空调使用时间,鼓励开窗通风。
七、设备维护与保养定期对空调设备进行维护保养,包括清洗滤网、检查制冷剂等,确保设备运行正常。
如发现设备故障或异常情况,应及时报修,由专业人员进行维修。
八、违规处理与责任追究对于违反空调使用管理细则的行为,如私自调整温度设定、长时间无人使用时不关闭空调等,将视情节轻重给予口头警告、书面通报等处理。
对于因违规使用空调导致设备损坏、能源浪费等严重后果的,将追究相关责任人的责任,并视情况给予经济处罚或其他相应处理。
以上空调使用管理细则旨在规范空调设备的使用和维护行为,促进节能减排、保障设备安全、提高工作效率。
请广大员工自觉遵守并互相监督执行。
LOGO通风与空调设备安装质量标准通风与空调设备安装质量标准4.7 质量标准4.7.l 主控项目(1)通风机的安装应符合下列规定:l)型号、规格应符合设计规定,其出口方向应正确;2)叶轮旋转应平稳,停转后不应每次停留在同一位置上;3)固定通风机的地脚螺栓应拧紧,并有防松动措施。
检查数量:全数检查。
检查方法:依据设计图核对、观察检查。
(2)通风机传动装置的外露部位以及直通大气的进、出口,必须装设防护罩(网)或采取其他安全措施。
检查数量:全数检查。
检查方法:依据设计图核对、观察检查。
(3)空调机组的安装应符合下列规定:1)型号、规格、方向和技术参数应符合设计要求;2)现场组装的组合式空气调节机组应做漏风量的检测,其漏风量必须符合现行国家标准《组合式空调机组》(GB/T14294)的规定。
检查数量:按总数抽检20%,不得少于1 台。
净化空调系统的机组,1~5 级全数检查,6~9 级抽查50%。
检查方法:依据设计图核对,检查测试记录。
(4)除尘器的安装应符合下列规定:1)型号、规格、进出口方向必须符合设计要求;2)现场组装的除尘器应做漏风量的检测,在设计工作压力下允许漏风率为5%,其中离心式除尘器为3%。
3)布袋除尘器、电除尘器的壳体及辅助设备接地应可靠。
检查数量:按总数抽查20%,不得少于1 台;接地全数检查。
检查方法:按图核对、检查测试记录和观察检查。
(5)高效过滤器应在洁净室及净化空调系统进行全面清扫和系统连续试车12h 以上后,在现场拆开包装并进行安装。
安装前需进行外观检查和仪器检漏。
目测不得有变形、脱落、断裂等破损现象;仪器抽查检漏应符合产品质量文件的规定。
合格后立即安装,其方向必须正确,安装后的高效过滤器四周及接口应严密不漏;在调试前应进行扫描检漏。
检查数量:高效过滤器的仪器抽检检漏按批抽5%,不得少于1 台。
检查方法:观察检查、按规定扫描检测或查看检测记录。
(6)净化空调设备的安装还应符合下列规定:l)净化空调设备与洁净室围护结构相连的接缝必须密封;2)风机过滤器单元(FFU 与FMU 空气净化装置)应在清洁的现场进行外观检查,目测不得有变形、锈蚀、漆膜脱落、拼接板破损等现象;在系统试运转时,必须在进风口处加装临时中效过滤器作为保护。
通风与空调安装工程(一)、金属风管制作工程1.材料要求:A.所使用板材、型钢的主要材料应具有出厂合格证明书或质量鉴定文件B.制作风管及配件的钢板厚度应符合下表:C.镀锌薄钢板表面不得有裂纹、结疤及印等缺陷,应有镀锌层结晶花纹2.作业条件A.集中加工应具有宽敞、明亮、洁净、地面平整、不潮湿的厂房。
B.现场分散加工应具有能防雨雪、大风及结构牢固的设施。
C.作业地点要有相应加工工艺的基本机具、设施及电源和可靠的安全防护装臵。
并配有消防器材。
D.风管制作应有批准的图纸,经审查的大样图、系统图,并有施工员书面的技术质量及安全交底。
3.操作方法工艺流程:① 划线的基本线有:直角线、垂直平分线、平行线、角平分线、直线等分、圆等分等。
展开方法宜采用平行线法、放射线法和三角线。
根据图及大样风管不同的几何形状和规格,分别进行划线展开。
② 板材剪切必须进行下料的复核,以免有误。
按划线形状用机械剪刀和手工剪刀进行剪切。
③ 剪切时,手严禁伸入机械压板空隙中,上刀架不准放臵工具等物品,调整板料时,脚不准放在踏板上。
使用固定式震动剪两手要稳钢板,手离刀口不得小于5cm ,用力均匀适当。
④ 金属薄板制作的风管采用咬口连接、铆钉连接、焊接等不同方法。
不同板材咬接或焊接界限按施工规范规定。
⑤矩形风管法兰加工A.方法兰,由四根角钢组焊而成,划线下料时应注意使焊成后的法兰内径不能小于风管的外径,用型钢切割机按线切断。
B.下料调直后放在冲床上冲击铆钉孔及螺栓孔,孔距不应大于150mm,如采用8501阻燃密封胶条做垫料时,螺栓孔距可适当增大,但不符超过300mm。
C.冲孔后的角钢放在焊接平台上进行焊接,焊接时按各规格模具卡紧。
4.质量标准①保证项目A.风管的规格,尺寸及使用的材料,规格,质量必须符合设计要求。
B.风管咬缝必须紧密,宽度均匀,无孔洞、半咬口和胀裂等缺陷,直管纵向咬缝错开。
C.风管焊缝严禁有烧穿,漏焊和裂纹等缺陷,纵向焊缝必须错开。
通风与空调工程设备安装的要求主要包括以下几点:
1. 设备基础:设备基础应平整、坚实,有足够的承载力。
设备底座与基础之间应接触良好,无松动现象。
2. 设备位置:设备的位置应符合设计要求,安装方向正确。
设备之间的距离应符合设计要求,以保证设备的正常运行和维护。
3. 设备固定:设备应牢固地固定在基础上,防止因振动或其他原因而移动或倾斜。
设备的固定螺栓应均匀拧紧,无松动现象。
4. 管道连接:管道的连接应严密,无泄漏现象。
管道的支吊架应安装牢固,位置正确。
管道的坡度和坡向应符合设计要求。
5. 阀门操作:阀门的操作应灵活,无卡滞现象。
阀门的开闭方向应符合设计要求。
阀门的密封性能应良好,无泄漏现象。
6. 电气接线:电气接线应符合设计要求和国家标准。
电缆线应固定在专用的电缆槽内,电缆槽应安装牢固,位置正确。
电缆线的接头应做防水处理,无漏电现象。
7. 安全防护:设备安装过程中应注意安全防护,防止发生意外事故。
设备安装完成后,应进行安全检查,确保设备的安全运行。
8. 试运行:设备安装完成后,应进行试运行,检查设备的运行状态和性能参数是否符合设计要求。
试运行过程中如发现异常情况,应及时排除故障。
9. 维护保养:设备安装完成后,应制定维护保养计划,定期对设备进行检查、维修和保养,确保设备的正常运行和使用寿命。
10. 质量验收:设备安装完成后,应进行质量验收,验收合格后方可投入使用。
验收过程中应对设备的安装质量、运行性能和安全性能进行全面检查。
通风与空调工程施工风机与空气处理设备安装7.1一般规定7.1.1风机与空气处理设备应附带装箱清单、设备说明书、产品质量合格证书和性能检测报告等随机文件,进口设备还应具有商检合格的证明文件。
7.1.2设备安装前,应进行开箱检查验收,并应形成书面的验收记录。
7.1.3设备就位前应对其基础进行验收,合格后再安装。
7.2主控项目7.2.1风机及风机箱的安装应符合下列规定:1产品的性能、技术参数应符合设计要求,出口方向应正确。
2叶轮旋转应平稳,每次停转后不应停留在同一位置上。
3固定设备的地脚螺栓应紧固,并应采取防松动措施。
4落地安装时,应按设计要求设置减振装置,并应采取防止设备水平位移的措施。
5悬挂安装时,吊架及减振装置应符合设计及产品技术文件的要求。
检查数量:按Ⅰ方案。
检查方法:依据设计图纸核对,盘动,观察检查。
7.2.2通风机传动装置的外露部位以及直通大气的进、出风口,必须装设防护罩、防护网或采取其他安全防护措施。
检查数量:全数检查。
检查方法:依据设计图纸核对,观察检查。
7.2.3单元式与组合式空气处理设备的安装应符合下列规定:1产品的性能、技术参数和接口方向应符合设计要求。
2现场组装的组合式空调机组应按现行国家标准《组合式空调机组》GB/T 14294的有关规定进行漏风量的检测。
通用机组在700Pa静压下,漏风率不应大于2%;净化空调系统机组在1000Pa静压下,漏风率不应大于1%。
3应按设计要求设置减振支座或支、吊架,承重量应符合设计及产品技术文件的要求。
检查数量:通用机组按Ⅱ方案,净化空调系统机组N7级~N9级按Ⅰ方案,N1级~N6级全数检查。
检查方法:依据设计图纸核对,查阅测试记录。
7.2.4空气热回收装置的安装应符合下列规定:1产品的性能、技术参数等应符合设计要求。
2热回收装置接管应正确,连接应可靠、严密。
3安装位置应预留设备检修空间。
检查数量:按Ⅰ方案。
检查方法:依据设计图纸核对,观察检查。
四川省精正建设咨询监理有限公司通风与空调设备安装工程质量控制作业指导书(监理实施细则)批准:审核:编制:文件编号:SCJZ-QC08-82-2003 受控状态:通风与空调设备安装工程监理实施细则1.编制目的为了指导和规范本公司专业监理人员的现场监理活动,确保监理工程的实体质量符合GB50300-2001《建筑工程施工质量验收统一标准》系列标准之规定,特制定本实施细则。
细则将表明,本公司具有满足顾客要求的技术水平和能力,在建设项目施工阶段监理过程中,能够使承揽的工程项目实体质量得到有效控制。
2.适用范围本细则适用于工作压力不大于5Kpa的通风机与空调设备的安装,包括通风机、空调机组、除尘器、过滤器、加热器、消声器、空气处理室及风机盘管等。
3.引用标准GB50300-2001《建筑工程施工质量验收统一标准》GB50243-2002《通风与空调工程施工质量验收规范》4.监理职责安装专业监理工程师负责本细则的实施,总监理工程师负领导和监督责任。
5.工作程序施工准备阶段监控熟悉施工设计图纸和相关资料,认真准备和参加图纸会审,充分了解设计意图和施工重点与难点。
施工前的准备工作施工前应具备:施工设计图纸,所采用的标准图集,施工工艺标准,施工质量验收规范;经审批的施工组织设计或施工方案;原材料供应、持证上岗人员安排,工机具配备;经定期检验的计量器具;安全措施等条件。
进场原材料监控1.通风与空调设备应有装箱清单、设备说明书、产品质量合格证书和产品性能检测报告等随机文件;2.设备安装前应由建设、监理、施工和厂商等方代表共同进行开箱检查,并形成验收记录;3.设备搬运吊装必须符合产品说明书的有关规定,注意做好设备的保护工作,防止因搬运或吊装而造成设备的损伤;4.所有安装用辅助材料均应符合相应设备的安装要求,有相应的质量保证文件。
安装过程监控安装条件1.安装现场应具备足够的运输空间与场地;设备安装地点已清理干净;安装位置无障碍物或无关的管道、设备、设施;2.设备型号、设备基础尺寸及位置应符合设计要求并应相互符合;3.开箱检验已完成,设备所带技术资料和产品合格证等齐备、随机各配件齐备有效;4.有书面的技术、质量、安全交底文件并经过审批。
严格安装程序基础验收开箱检查现场运输安装、找平找正,固定试运转检查验收重要设备安装旁站监理,监理部位按监理规划确定内容实施。
协调甲乙方之间、各施工单位之间、各工种之间的关系,给安装作业创造条件,抓好进度控制。
对施工的全过程进行巡视、监督检查,确保安装质量。
在安装过程中如果出现质量问题,根据出现问题的严重程度,监理工程师可分别采取口头提出和必要时按程序下达JL-B003《监理工程师通知单》、JL-B002《监理备忘录》直至JL-B001《工程暂停令》,要求施工单位整改;在发出停工令的状况下,应待整改结束,经施工单位自检合格,报监理和甲方检查确认,签发JL-A009《复工申请表》后方可继续安装。
对设计中的遗漏、设计变更、原材料代用等,应以设计变更通知单为依据。
实体质量监控主控项目1.通风机安装1)型号、规格符合设计规定,出口方向正确;2)叶轮旋转平稳,停转后不应多次停留在同一位置;3)地脚螺栓拧紧,有防松动措施。
检查方法:核对设计图纸,观察检查。
检查数量:全数检查。
2.通风机转动装置外露部位以及直通大气的进出口,必须装设防护网(罩)或采取其他安全设施。
检查方法:核对设计图纸,观察检查。
检查数量:全数检查。
3.空调机组安装1)空调机组的型号、规格、方向和技术参数符合设计要求;2)现场组装的组合式空调机组,安装完毕后进行漏风量检测并符合国家标准GB/T14294《组合式空调机组》的规定。
检查方法:依据设计图检查,检查测试记录。
检查数量:抽查20%,不少于1台;净化空调系统的机组,1~5级全数检查,6~9级抽查50%。
4.除尘器安装1)除尘器的型号、规格、进出口方向必须符合设计要求;2)现场组装的除尘器壳体应做漏风量检测,在设计工作压力下允许漏风率5%,其中离心式除尘器为3%;3)布袋除尘器、电除尘器的壳体及辅助设备接地应可靠。
检查方法:按图核对,检查测试记录、观察检查。
检查数量:抽查20%,不少于1台;接地全数检查。
5.高效过滤器安装1)高效过滤器应在洁净室及净化空调系统全面清扫并连续试运行12小时以上后,在现场拆开包装并进行安装;2)安装前高效过滤器应进行检查:目测不得有变形、脱落、断裂等破损现象;仪器抽检检漏应符合产品质量文件的规定;3)检查合格后立即安装,方向必须正确,四周及接口严密不漏。
调试前应进行扫描检漏。
检查方法:观察检查,扫描检测或查看检测记录。
检查数量:按批抽检5%,不少于1台。
6.净化空调设备安装1)净化空调设备安装与洁净室围护结构相连的接缝必须密封;2)风机过滤器单元应在清洁的现场进行外观检查,目测不得有变形、锈蚀、漆膜脱落、拼接板破损等现象;系统试运转时,必须在进风口处加装临时中效过滤器保护。
检查方法:按设计图核对,观察检查。
检查数量:全数检查。
7.静电空气过滤器:金属外壳接地必须良好。
检查方法:核对材料、观察检查或电阻测定。
检查数量:抽查20%,不少于1台。
8.电加热器安装1)与钢构件间的绝热层必须为不燃材料;接线柱外露的必须加设安全罩;2)金属外壳接地必须良好;3)连接电加热器的风管的法兰垫片,应采用耐热不燃材料。
检查方法:核对材料、观察检查或电阻测定。
检查数量:抽查20%,不少于1台。
9.干蒸汽加湿器安装,蒸汽喷管不应朝下。
检查方法:观察检查。
检查数量:全数检查。
10.过滤吸收器的安装,方向必须正确,设独立支架,与室外的连接管段不得泄漏。
检查方法:观察或检测。
检查数量:全数检查。
一般项目1.通风机安装1)通风机的叶轮转子与机壳的组装位置应正确,叶轮进风口插入风机机壳进风或密封圈的深度应符合设备技术文件的规定或为叶轮外径的1/100;通风机安装的允许偏差见下表:序号项目允许偏差检查方法1 中心线的平面位移10㎜经纬仪或拉线和尺量检查2 标高±10㎜水准仪或水平仪、直尺、拉线和尺量检查3 皮带轮轮宽中心平面偏移1㎜在主、从动皮带轮端面拉线和尺量检查4 转动轴水平度纵向1000横向1000 在轴或皮带轮0°和180°的两个位置上,用水平仪检查5 联轴器两轴芯径向位移两轴线倾斜㎜1000在联轴器互相垂直的四个位置上,用百分表检查。
2)现场组装的轴流风机叶片安装角度应尽一致,叶轮与筒体之间的间隙应均匀,水平度允许偏差1/1000;3)安装隔振器的地面应平整,各组隔振器高度误差小于2㎜;4)安装风机的隔振钢支吊焊接应牢固,焊缝饱满均匀,其结构形式与外形尺寸应符合设计文件或设备技术文件的规定。
检查方法:尺量、观察检查或检查施工记录。
检查数量:抽查20%,不少于1台。
2.组合式空调机组及柜式空调机组安装1)组合式空调机组各功能段的组装,应符合设计规定的顺序和要求,各功能段之间的连接应严密,整体平直;2)机组与供回水管的连接应正确,机组下部冷凝水排放管的水封高度符合设计要求;3)机组应清扫干净,箱体内应无杂物,垃圾和积尘;4)机组内空气过滤器(网)和空气热交换器翅片应清洁、完好。
检查方法:观察检查。
检查数量:抽查20%,不少于1台。
3.空气处理室安装1)金属空气处理室壁板及各段的组装位置应正确,表面平整,连接严密、牢固;2)喷水段的本体及其检查门不得漏水,喷水管和喷嘴的排列、规格应符合设计规定;3)表面式换热器的散热器应保持清洁完好,用于冷却空气时,在下部应设有排水装置,冷凝水的引流管或槽应畅通,冷凝水不外溢;4)表面式换热器之间以及与围护结构间的缝隙,应封堵严密;5)换热器与系统供回水管的连接应正确,严密不漏。
检查方法:观察检查。
检查数量:抽查20%,不少于1台。
4.单元式空调机组安装1)分体式空调机组的室外机和风冷整体式空调机组的安装,固定应牢固、可靠;2)分体式空调机组的室内机组位置应正确,保持水平,冷凝水排放畅通。
管道穿墙处必须密封,不得有雨水渗入;3)整体式空调机组管道的连接应严密、无渗漏,四周留有相应的维修空间。
检查方法:观察检查。
检查数量:抽查20%,不少于1台。
5.除尘设备安装1)安装位置正确、牢固平稳,允许误差如下表:序号项目允许偏差检验方法1 平面位移≤10㎜用经纬仪或拉线、尺量检查2 标高±10㎜用水准仪、直尺、拉线和尺量检查3 垂直度每米总偏差≤2㎜≤10㎜吊线和尺量检查2)活动或转动部件的动作灵活、可靠,符合设计要求;3)排灰阀、卸料阀、排泥阀的安装应严密,便于操作与维护管理。
检查方法:尺量、观察检查及检查施工记录。
检查数量:抽查20%,不少于1台。
6.现场组装的静电除尘器安装1)允许偏差:阳极板组合后阴极排平面度5㎜,其对角线允许偏差10㎜;阴极小框架组合后主平面的平面度5㎜,对角线10㎜;阳极大框架整体平面度15㎜,整体对角线10㎜;阳极板高度≤7m时,阴阳极间距5㎜;阳极板高度>7m时,阴阳极间距10㎜。
2)振打锤装置固定可靠,转动灵活。
锤头方向正确,振打锤头与振打砧之间保持良好的线接触状态,接触长度大于锤头厚度的倍。
检查方法:尺量、观察检查及检查施工记录。
检查数量:抽查20%,不少于1组。
7.现场组装布袋除尘器安装1)外壳严密不漏,布袋接口牢固;2)分室反吹袋式除尘器滤袋安装必须平直,每条滤袋的拉紧力保持25~35N/m;与滤袋连接接触的短管和袋帽无毛刺;3)机械回转扁袋袋式除尘器的旋臂转动灵活可靠;净气室上部顶盖密封不漏气,旋转灵活,无卡阻;4)脉冲袋式除尘器的喷吹孔应对准文氏管中心,同心度允许偏差2㎜。
检查方法:尺量、观察检查及检查施工记录。
检查数量:抽查20%,不少于1组。
8.洁净室空气净化设备安装1)带有通风机的气闸室、吹淋室与地面间应有隔振垫;2)机械式余压阀阀体、阀板的转轴均应水平,允许偏差2/1000。
余压阀的安装位置应在室内气流的下风侧,并不在工作面高度范围内;3)传递窗的安装应牢固、垂直,与墙体连接处密封。
检查方法:尺量、观察检查。
检查数量:抽查20%,不少于1件。
9.装配式洁净室安装1)顶板和壁板(包括夹芯材料)应为不燃材料;2)地面应干燥平整,平整度允许偏差1/1000;3)壁板构配件和辅助材料应在清洁的室内开箱,严格检查其规格和质量。
壁板垂直安装,底部宜采用圆弧或钝角交接;安装后的壁板之间、壁板与顶板间的拼缝应平整严密,墙板垂直允许偏差2/1000,顶板水平度和每个单间的几何尺寸的允许偏差均为2/1000;4)吊顶在受荷载后应保持平直,压条全部紧贴。
上下槽形板壁板接头应平整严密,包括与建筑的接缝在内的所有拼接缝均应采取密封措施,不脱落,密封良好。