(完整版)腻子、涂料工程施工方案
- 格式:docx
- 大小:49.95 KB
- 文档页数:7
内墙涂料及内墙腻子施工方案一、施工前准备1.确定施工区域和施工时间,保证在干燥通风的环境下进行施工。
2.清理施工区域,包括清除灰尘、油污、杂物等。
3.对墙面进行检查,修补裂缝、开裂、起皮等问题。
4.如果有旧漆,需进行处理,可砂磨或使用油漆清洗剂进行清洗。
5.确保施工区域没有风沙,否则需要搭建临时屏障。
二、腻子工艺1.将腻子粉末按照说明书的比例与水混合,搅拌均匀,以免出现结块。
2.将腻子涂刀深入到壁面裂缝中,进行刮涂,刮涂过程中注意按照多次往返的原则,确保腻子的均匀性和密实性。
3.需要注意的是,每次涂腻子后应等待腻子干燥后再进行下一次涂刮。
4.对于较大的裂缝或洞眼,可以使用腻子填塞或配合增强网进行处理。
5.腻子干燥后需使用砂纸进行打磨,使表面光滑,无明显凸凹。
三、涂料工艺1.选择合适的内墙涂料,根据需求和风格选择颜色。
2.使用滚筒或刷子对墙面进行涂刷,切忌厚涂,应保持均匀的厚度。
刷涂过程中要注意力度,以免造成涂层不均匀。
3.涂刷过程中要避免涂料流淌和飞溅到其他地方,可以使用胶带或塑料薄膜进行遮挡保护。
4.第一道涂料干燥后,可进行第二道涂料的施工,以提升涂层的质感和覆盖性。
5.涂料施工完毕后,等待涂料干燥后进行查漏补缺,对涂层进行检查,如有需要可进行修补处理。
四、施工注意事项1.施工过程中应保持通风良好,避免涂料的气味对施工者健康的影响。
2.施工时应注意安全,避免高空作业,严禁在施工区域吸烟或使用明火。
3.施工前应为周边物体进行有效的保护措施,以防涂料溅落。
4.施工现场应保持整洁,结束施工后及时清理工具和材料。
5.涂料施工完毕后,应等待足够的时间使涂料干燥,以免影响下一道工序的进行。
五、施工结果的保养1.完成后的施工需要等待一段时间以保证干燥,避免人为损坏。
2.在日常保养中,避免使用刺激性、腐蚀性强的清洁剂,以避免对涂层造成伤害。
3.如发现有局部裂缝、起皮等问题,及时进行维修处理,以保持内墙涂料的整体美观。
第1篇一、工程概况1. 施工部位:本工程内墙面涂料施工包括住宅、办公楼等建筑物的内墙及顶棚。
2. 施工要求:确保施工质量,达到设计要求,确保涂料涂刷均匀、平整、无气泡、无漏涂。
二、施工准备1. 材料准备:(1)涂料:选用环保、耐水、耐碱、耐温、耐腐蚀、耐老化、易清洗的内墙涂料。
(2)底漆:选用与涂料相匹配的底漆,增强涂料附着力。
(3)腻子:选用环保、耐水、耐碱、易打磨的内墙腻子。
(4)辅助材料:砂纸、刷子、滚筒、塑料薄膜、防护罩等。
2. 人员准备:组织具有丰富经验的施工队伍,进行专业培训,确保施工人员掌握涂料施工技术。
3. 工具准备:准备施工所需的工具,如腻子刮板、砂纸、刷子、滚筒等。
三、施工工艺1. 基层处理:(1)清理墙面:将墙面起皮、松动处清除干净,并用水泥砂浆补抹。
(2)修补墙面:用水石膏将墙面磕碰处及坑洼缝隙等处找平,干燥后用砂纸磨掉凸出处,将浮尘扫净。
(3)打磨墙面:将墙面磨平,确保墙面平整、无凸凹。
2. 刮腻子:(1)刮第一遍腻子:用腻子刮板横向满刮,一刮板紧接着一刮板,接头不得留槎,每刮一刮板最后收头要干净利落。
(2)干燥后磨砂纸:将浮腻子及斑迹磨光,再将墙面清扫干净。
(3)刮第二遍腻子:用腻子刮板竖向满刮,所用材料及方法同第一遍腻子。
(4)干燥后磨砂纸:将浮腻子及斑迹磨光,再将墙面清扫干净。
(5)刮第三遍腻子:用腻子刮板找补腻子或用钢片刮板满刮腻子,将墙面刮平刮光。
(6)干燥后磨砂纸:用细砂纸磨平磨光,不得遗漏或将腻子磨穿。
3. 涂刷底漆:(1)将底漆搅拌均匀,用刷子或滚筒均匀涂刷在墙面上。
(2)待底漆干燥后,检查墙面是否有漏刷、气泡等现象,如有,及时修补。
4. 涂刷涂料:(1)将涂料搅拌均匀,用刷子或滚筒均匀涂刷在墙面上。
(2)待涂料干燥后,检查墙面是否有漏涂、气泡等现象,如有,及时修补。
5. 清理现场:施工完成后,清理现场,保持环境整洁。
四、施工注意事项1. 施工过程中,注意保持施工现场通风良好,避免涂料挥发造成室内空气污染。
墙面涂料工程施工方案三篇篇一: 墙面涂料工程施工方案一、编制依据1.《建筑装饰装修工程质量验收规范》GB50210—20XX2.《建筑工程施工质量验收统一标准》GB50300—20XX3.《建筑施工手册》二、施工准备1.技术准备了解设计要求, 熟悉现场实际情况。
施工前对施工班组进行书面技术和安全交底。
2.材料要求(1)涂料:各色油性调和漆(酯胶调和漆、酚醛调和漆、醇酸调和漆等), 或各色无光调和漆等。
(2)填充料: 大白粉、滑石粉、石膏粉、光油、清油、地板黄、红土子、黑烟子、立德粉、羧甲基纤维素、聚醋酸乙烯乳液等。
(3)稀释剂: 汽油、煤油、松香水、酒精、醇酸稀料等与油漆性能相应配套的稀料。
(4)各色颜料: 应耐碱、耐光。
(5)质量要求: 见表5.6.3.2。
3.机具准备高凳子、脚手板、半截大桶、小油桶、铜丝箩、橡皮刮板、钢皮刮板、笤帚、腻子槽、开刀、刷子、排笔、砂纸、棉丝、擦布、空气压缩机、喷枪、挡板、塑料布等。
4.作业条件(1)墙面必须干燥, 基层含水率不得大于6%~8%。
(2)墙面的设备管洞应提前处理完毕, 为确保墙面干燥, 各种穿墙孔洞都应提前抹灰补齐。
(3)门窗要提前安装好玻璃。
(4)先做好样板, 经检查鉴定合格后, 再组织班组进行大面积施工。
(5)作业环境应通风良好, 湿作业已完成并具备一定的强度, 周围环境比较干燥。
三、关键质量要点1.材料的关键要求(1)应有使用说明、储存有效期和产品合格证, 品种、颜色应符合设计要求。
(2)油漆、填充料、催于剂、稀释剂等材料选用必须符合《民用建筑工程室内环境污染控制规范》(GB50325—20XX—3.3.2)和《室内装饰装修材料溶剂型木器涂料中有害物质限量》G1B18581要求。
并具备有关国家环境检测机构出具的有关有害物资限量等级检测报告。
2.技术关键要求(1)基层腻子应刮实、磨平达到牢固、无粉化、起皮和裂缝。
(2)应涂刷均匀、粘结牢固, 无透底、起皮和反锈。
腻子涂料工程施工方案
一、工艺流程
1、清理地面处理
(1)现场检测:检查房屋的屋面、墙体、地面、洞口等部位的墙面中是否有漏水、渗水、裂痕、旧粉刷脱落、产生渗漏等,如有,则应采取相应的技术措施来修补和处理。
(2)处理表面不平:检查表面不平,用石膏粉批平并涂刷防霉剂;
(3)清理表面:在表面层上清理灰尘、杂物和污物,使表面表面圆润、光滑、洁净;
(4)拆除旧腻子:用软锤在旧型腻子上凿出凹槽,使之易于拆除,然后用专业拆除机拆除旧腻子,将拆除出来的腻子蒙口,在拆前的滑面上抹上1CM厚的胶土,使其平整;
2、腻子施工
(1)涂刷基层:将基层涂刷底漆,但应注意涂刷层厚,不得超过0.2mm,越重应清除;
(2)腻子胶的配制:用按料量用量的轻质预涂胶,加入调节剂搅拌均匀;
(3)施工:将腻子胶施工在涂刷基层上,用模具将腻子胶压实,并且要求腻子均匀、缝隙均匀;
3、涂料施工
(1)涂刷底漆:将施工表面进行刷白,保证施工表面的质量;
(2)涂刷涂料:使用专用涂料,将涂料按施工要求涂刷在表面上,要求涂刷层厚度要符合规定,尽量涂刷均匀。
腻子乳胶漆施工方案腻子乳胶漆施工方案一、施工前的准备工作:1. 确定施工区域:根据装修设计图纸,确认需要进行腻子乳胶漆施工的区域,并进行标识和划定施工范围。
2. 清理施工区域:清理施工区域的灰尘、杂物和污物,确保施工基面的干净。
3. 检查施工基面:检查需要进行腻子乳胶漆施工的墙面、天花板等基面的平整度和牢固程度,如有问题需要进行修复。
4. 补充装修材料:根据施工量确定需要的腻子和乳胶漆的数量,并做好充足的准备。
二、腻子施工:1. 搅拌腻子:将腻子倒入容器中,适量加入清水,然后用批刀或搅拌器进行搅拌至均匀,以避免出现结块现象。
2. 均匀涂抹腻子:使用批刀或刮板将腻子均匀地涂抹在施工基面上,注意腻子的厚度要均匀一致。
3. 进行修补:在施工过程中,遇到墙面或天花板上的凹坑、裂缝等问题,可以适当进行修补,确保基面平整。
4. 平整处理:腻子涂抹完毕后,使用抹光刀或抹刀将腻子表面进行平整处理,使腻子与基面之间的过渡自然、平整。
5. 等待干燥:腻子施工完毕后,需要等待足够的时间让腻子完全干燥,一般需要24小时以上。
三、乳胶漆施工:1. 搅拌乳胶漆:将乳胶漆倒入容器中,根据需要调整乳胶漆的稠度,并进行充分的搅拌,以保证颜色均匀。
2. 涂抹乳胶漆:使用刷子或滚筒将乳胶漆均匀地涂抹在已经干燥的腻子表面上,注意保持涂抹的力度和方向一致。
3. 多遍涂抹:为了达到较好的效果,通常要进行两遍或以上的乳胶漆涂抹,每次涂抹之间要等待乳胶漆充分干燥。
4. 修饰处理:对于施工过程中出现的涂胶不均匀、线条不清晰等问题,可以用细刷进行修饰处理,提高施工质量。
5. 清理整理:乳胶漆施工完毕后,要及时清理施工工具和杂物,保持施工现场的干净整洁。
实施上述施工方案,可以保证腻子乳胶漆施工的质量和效果,使墙面和天花板具有平整、光滑、美观的外观。
施工过程中需注意安全,避免尘埃、涂料溅到其他区域或设备上,确保施工区域的环境卫生。
同时也建议施工前进行实地勘测,根据具体情况进行调整和补充方案。
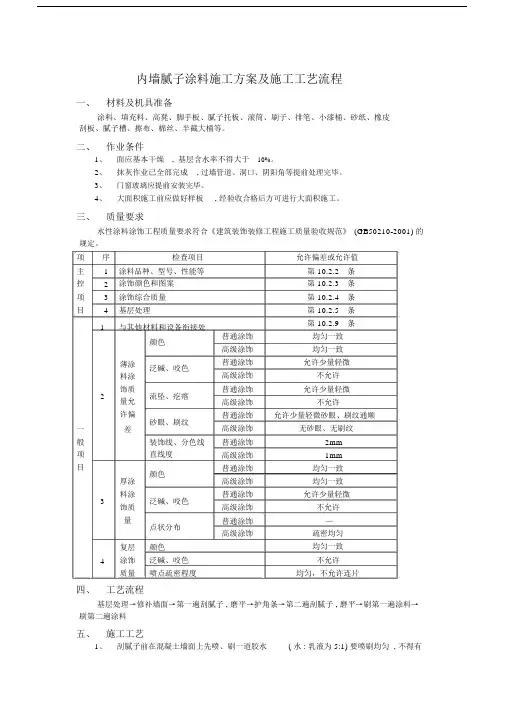
内墙腻子涂料施工方案及施工工艺流程一、材料及机具准备涂料、填充料、高凳、脚手板、腻子托板、滚筒、刷子、排笔、小漆桶、砂纸、橡皮刮板、腻子槽、擦布、棉丝、半截大桶等。
二、作业条件1、面应基本干燥,基层含水率不得大于10%。
2、抹灰作业已全部完成, 过墙管道、洞口、阴阳角等提前处理完毕。
3、门窗玻璃应提前安装完毕。
4、大面积施工前应做好样板, 经验收合格后方可进行大面积施工。
三、质量要求水性涂料涂饰工程质量要求符合《建筑装饰装修工程施工质量验收规范》(GB50210-2001) 的规定。
项序检查项目主1涂料品种、型号、性能等控2涂饰颜色和图案项3涂饰综合质量目4基层处理1与其他材料和设备衔接处颜色薄涂泛碱、咬色料涂2饰质流坠、疙瘩量允许偏砂眼、刷纹一差般装饰线、分色线项直线度目颜色厚涂3料涂泛碱、咬色饰质量点状分布复层颜色4涂饰泛碱、咬色质量喷点疏密程度允许偏差或允许值第 10.2.2条第 10.2.3条第 10.2.4条第 10.2.5条第 10.2.9条普通涂饰均匀一致高级涂饰均匀一致普通涂饰允许少量轻微高级涂饰不允许普通涂饰允许少量轻微高级涂饰不允许普通涂饰允许少量轻微砂眼、刷纹通顺高级涂饰无砂眼、无刷纹普通涂饰2mm高级涂饰1mm普通涂饰均匀一致高级涂饰均匀一致普通涂饰允许少量轻微高级涂饰不允许普通涂饰—高级涂饰疏密均匀均匀一致不允许均匀,不允许连片四、工艺流程基层处理→修补墙面→第一遍刮腻子 , 磨平→护角条→第二遍刮腻子 , 磨平→刷第一遍涂料→刷第二遍涂料五、施工工艺1、刮腻子前在混凝土墙面上先喷、刷一道胶水( 水 : 乳液为 5:1) 要喷刷均匀 , 不得有遗漏。
2、满刮腻子 , 刮腻子时应横竖刮 , 即第一遍腻子横向刮 , 第二遍腻子竖向刮。
注意按搓和收头时腻子要刮净, 每道腻子干燥后应用砂纸打磨, 将腻子磨平后并将浮尘擦净。
3、护角条,用腻子制作膏状桨料,搅拌均匀,将桨料抹在墙角的两边,并且保持一定的厚度 ; 将护角条紧贴墙角,找准水平垂直,刮去孔洞溢出的桨料;干燥后用砂纸打磨。
墙面批腻子、刷乳胶漆施工方案一、墙面装饰工程墙面装饰工程包括:墙面乳胶漆,墙面刮白、墙裙刷漆。
二、墙面乳胶漆1、工艺流程清理墙面→修补墙面→刮腻子→刷第一遍乳胶漆(底漆)→刷第二遍乳胶漆(面漆)2、施工方法①清理墙面:将墙面起皮及松动处清除干净,应用水泥砂浆补平,将残留灰渣铲干净,然后将墙面扫净。
②修补墙面:用水石膏将墙面磕碰处及坑洼缝隙等处找平,干燥后用砂纸将凸出处磨掉,将浮尘扫净。
③刮腻子:刮腻子遍数可由墙面平整程度决定,一般情况为三遍,用聚醋酸乙烯乳液:水泥:水=1:5:1耐水性腻子。
④刷第一遍乳胶漆:涂刷顺序是先刷顶板后刷墙面,墙面是先上后下。
干燥后复补腻子,干燥后用砂纸磨光,清扫干净。
⑤刷第二遍乳胶漆:操作要求同第一遍,使用前充分搅拌,如不很稠,不宜加水,以防透底。
漆膜干燥后,用细砂纸将墙面小疙瘩和排笔毛打磨掉,磨光滑后清扫干净。
同第二遍乳胶漆。
由于乳胶漆膜干燥较快,应连续迅速操作,涂刷时从一头开始,逐渐刷向另一头,要上下顺刷互相衔接,后一排笔紧接前一排笔,避免出现干燥后接头。
3、成品保护1)施工前应将不覆盖的门窗及墙面保护遮挡好;2)腻子及涂料施工时,地面要求随施工部位的变化及时铺设彩条布或塑料布,防止污染地面。
3)完成后及时用木板将口、角保护好,防止碰撞损坏;4)拆架子时严防碰损墙面涂层;5)严禁蹬踩已施工完部位,并防止将油罐碰翻,涂料污染墙面;6)施工完毕后,所有材料人工搬运到另一待施工部位,搬运时注意不要碰到已经做好的成品墙面,并教育工人不准在成品墙面上刻画。
三、质量要求:1、执行GB50210-2001、《建筑装饰装修工程质量验收规范》2、执行GB50222-95(2001)、《建筑内部装修设计防火规范》3、执行GB50016-2014《建筑设计防火规范》4、执行其它有关国家及地方的现行规程、规范及标准执行。
5、工程所涉及各类材料、配件达到国家或行业规定的标准。
6、要求施工单位做到安全文明施工,遵守国家相关法律法规及施工单位现场各项管理规定。
腻子涂料工程施工方案一、施工概况腻子涂料工程是建筑装饰工程中非常重要的一环,它不仅可以修补和填充表面缺陷,还可以提高表面的平整度和美观度。
腻子涂料工程的质量关系到整个装饰工程的成败,因此在施工过程中需要严格按照施工方案进行操作,以确保施工质量和工期的顺利完成。
二、施工前准备1. 设计方案确认:在进行腻子涂料工程之前,需要确认施工设计方案,包括腻子涂料的材料种类、用量和施工工艺等内容。
2. 施工材料准备:根据设计方案,准备好腻子涂料所需的原材料和辅助工具,包括腻子粉、填充料、混合器、刮板、批刀、砂纸等。
3. 检查施工现场:在正式施工之前,需要对施工现场进行全面检查,确保墙面是否干燥、平整、无裂缝,以及周围环境是否合适施工。
4. 工人培训:对参与腻子涂料工程的施工人员进行培训,包括施工流程、操作规范、施工安全等内容。
5. 施工计划制定:根据设计方案和实际情况,制定腻子涂料工程的施工计划,包括施工流程、工期安排、质量要求等内容。
三、施工步骤1. 墙面处理:首先对待施工的墙面进行处理,包括清除墙面上的杂物、尘土和涂层,修补墙面的小缺陷,确保墙面平整、干燥和清洁。
2. 腻子涂料调配:根据设计方案中的比例和要求,将腻子粉和填充料与适量的清水放入混合器中进行搅拌,直至达到均匀、细腻的状态。
3. 腻子涂料施工:将调配好的腻子涂料均匀地涂刷在待施工的墙面上,利用批刀或刮板将其均匀地抹平,确保涂层厚度和平整度的一致性。
4. 涂料干燥:待腻子涂料施工完成后,需要等待一定的时间让涂料充分干燥,通常情况下需要等待24小时。
5. 精细打磨:待腻子涂料干燥后,使用砂纸对涂料表面进行精细的打磨,确保墙面的平整度和光滑度。
6. 清理施工现场:对施工现场进行清理,清除墙面上的碎屑和杂物,并将施工工具和材料妥善收纳。
四、施工质量要求1. 平整度:腻子涂料施工后的墙面必须平整、光滑,不得有突起、凹凸或悬空的情况。
2. 附着强度:腻子涂料与墙面的附着强度必须符合国家标准,不得出现开裂、脱落等情况。
第1篇一、工程概况本工程为XX项目,工程地点位于XX市XX区,总建筑面积为XX平方米。
工程包括住宅、商业、办公等多种业态。
本次施工方案针对腻子涂料施工进行编制。
二、施工准备1. 材料准备(1)腻子:选用环保型腻子,具有优良的粘结力、抗裂性、抗老化性等性能。
(2)涂料:选用知名品牌涂料,具有耐候性、耐水性、耐碱性、易清洁等特点。
(3)辅助材料:砂纸、刮板、滚筒、刷子、腻子批刀、胶带等。
2. 工具准备(1)电动搅拌机、电动打磨机、喷枪、高压清洗机等。
(2)手动工具:刮板、腻子批刀、砂纸、滚筒、刷子等。
3. 人员准备(1)施工人员:熟练掌握腻子涂料施工工艺,具备一定的施工经验。
(2)质量检查人员:负责对施工过程进行监督检查,确保施工质量。
三、施工工艺流程1. 基层处理(1)清理墙面:清除墙面上的油污、灰尘、浮土等杂物。
(2)修补裂缝:对墙面的裂缝、孔洞等进行修补,确保墙面平整。
(3)找平处理:对墙面进行找平处理,确保墙面平整度达到要求。
2. 腻子施工(1)刮底腻子:按照腻子施工要求,刮涂底腻子,确保腻子均匀。
(2)打磨:待腻子干燥后,用砂纸进行打磨,确保墙面平整光滑。
(3)刮面腻子:在底腻子干燥后,刮涂面腻子,确保腻子均匀。
(4)打磨:待面腻子干燥后,用砂纸进行打磨,确保墙面平整光滑。
3. 涂料施工(1)底漆施工:在腻子干燥后,刷涂底漆,确保底漆均匀。
(2)面漆施工:在底漆干燥后,刷涂面漆,确保面漆均匀。
四、施工注意事项1. 施工前,对施工人员进行技术交底,确保施工人员掌握施工工艺和质量要求。
2. 施工过程中,严格按照施工工艺进行操作,确保施工质量。
3. 施工现场保持整洁,及时清理施工垃圾,确保施工环境。
4. 施工过程中,注意防火、防电、防坠落等安全措施。
5. 施工完成后,进行质量检查,确保施工质量达到要求。
五、施工进度安排1. 基层处理:2天2. 腻子施工:5天3. 涂料施工:3天4. 质量检查:1天总计:11天六、质量保证措施1. 严格按照施工规范和施工工艺进行施工,确保施工质量。
第1篇一、工程概况本项目为XX涂料工程,位于XX市XX区,占地面积约为XX平方米。
工程主要包括室内外墙面、地面、天花板的涂料施工。
施工内容涉及墙面涂料、地面涂料、天花板涂料等多种涂料类型。
为了保证施工质量,提高施工效率,特制定本施工方案。
二、施工准备1. 材料准备:根据工程需求,提前采购各种涂料、腻子、底漆、填缝剂等材料,确保材料质量符合国家标准。
2. 工具准备:准备施工所需的各种工具,如刷子、滚筒、刮刀、砂纸、剪刀、水平尺、卷尺等。
3. 人员准备:组织施工队伍,明确各工种人员职责,确保施工人员具备相应的专业技能和操作经验。
4. 现场准备:清理施工现场,确保施工环境整洁,对施工区域进行围挡,设置安全警示标志。
三、施工工艺流程1. 基层处理:对施工面进行打磨、清洗,去除油污、浮尘、裂缝等,确保基层平整、干净。
2. 刷底漆:根据涂料要求,选择合适的底漆,对基层进行均匀涂刷,提高涂料附着力。
3. 刷腻子:根据墙面情况,选择合适的腻子,对墙面进行填补、打磨,确保墙面平整。
4. 刷涂料:按照涂料要求,选择合适的涂料,对墙面进行均匀涂刷,确保涂料厚度一致。
5. 检查验收:施工过程中,对涂料施工质量进行检查,确保符合设计要求。
四、施工要点1. 基层处理:确保基层平整、干净,无油污、浮尘、裂缝等,以提高涂料附着力。
2. 刷底漆:底漆涂刷均匀,无漏刷、流挂现象,确保涂料附着力。
3. 刷腻子:腻子填充均匀,表面平整,无裂缝、凹陷等缺陷。
4. 刷涂料:涂料涂刷均匀,无漏刷、流挂现象,涂层厚度一致。
5. 施工环境:保持施工现场整洁,避免涂料污染。
五、施工进度安排1. 基层处理:2天2. 刷底漆:1天3. 刷腻子:2天4. 刷涂料:3天5. 检查验收:1天总计:9天六、质量保证措施1. 严格把控材料质量,确保所用材料符合国家标准。
2. 加强施工人员培训,提高施工技能和责任心。
3. 施工过程中,严格按照施工工艺流程进行操作,确保施工质量。
腻子涂料工程施工方案一、工程概述本工程是指对建筑物内墙进行腻子、涂料工程施工。
主要任务是对墙面进行腻子处理和涂料施工,使其具有良好的装饰性和保护性。
二、施工准备1.施工单位需组织工程技术人员进行现场勘察,熟悉施工现场地理环境和施工条件。
2.确定施工方案,根据项目要求确定腻子和涂料产品的种类和用量。
3.根据设计要求,制定完善的施工组织设计和安全措施。
4.配置所需施工人员和施工机械设备,并进行必要的培训和检修。
5.准备施工材料,包括腻子、涂料、刮板、喷枪等。
6.对施工设备和材料进行验收,并按照合同要求备齐施工材料的证书和合格证明。
三、施工流程1.墙面准备工作(1)清除墙面灰尘和杂物,确保墙面干净整洁。
(2)用刮刀修补裂缝和凹坑。
(3)对墙面进行打磨,去除旧涂层和不平整部分。
2.腻子处理(1)根据墙面情况和设计要求,选择适当的腻子种类。
(2)将腻子与适量清水混合均匀,保持腻子的充分湿润。
(3)用刮板将腻子均匀涂抹在墙面上,顺着纹理方向进行刮平,确保腻子与墙面充分贴合。
(4)腻子固化后,用砂纸或磨石对墙面进行打磨,使其光滑平整。
3.涂料施工(1)根据设计要求和涂料种类确定涂布方式(滚涂、喷涂等)。
(2)将涂料与适量稀释剂混合均匀,并搅拌均匀。
(3)根据涂布方式,选取合适的施工工具(滚筒、刷子、喷枪等)。
(4)将涂料均匀地涂抹在墙面上,确保涂料的厚度均匀,且不得漏涂或滴落。
(5)待第一遍涂料干燥后,进行第二遍涂料施工。
四、质量控制1.施工过程中,应监测墙面厚度、平整度等关键指标,确保施工质量。
2.涂料施工过程中,应注意涂布厚度,避免涂料过薄或过厚。
3.严格按照规定比例配制腻子和涂料,并注意储存条件,避免质量变化。
4.施工结束后,对施工质量进行检查,修正和补救不合格部分。
五、安全措施1.工程施工过程中,工人必须佩戴防护用品,如安全帽、防尘口罩、手套等。
2.确保施工现场通风良好,避免有毒气体或有害颗粒物对工人健康造成影响。
建筑工程腻子油漆施工方案一、施工前的准备工作1. 前期准备在正式进行腻子油漆施工之前,首先需要对施工现场进行细致的准备工作。
包括清理施工面,处理墙面裂缝和洞眼,修补墙面损坏等。
2. 材料准备确保所有施工所需的腻子、底漆、面漆等材料准备充足,质量合格,符合规定标准。
3. 设备准备确保工具设备完善,包括滚筒、刷子、批刀、砂纸、搅拌器等,都应该保持干净、整洁、工作正常。
4. 安全准备提前进行安全防护工作,包括施工现场的环境检查、安全警示牌的设置、施工人员的安全教育等,确保施工过程中的安全。
二、腻子施工阶段1. 墙面清洁在进行腻子施工之前,必须确保施工面的干净整洁。
清除墙面上的浮灰、油污、灰尘等杂物,以保证腻子施工的粘结牢固。
2. 腻子施工(1)墙面处理首先对墙面上的裂缝、洞眼进行处理,使用专用的填缝膏进行修补。
(2)腻子施工使用刮刀将合适的腻子涂抹到施工面上,注意施工层厚度的均匀性,充分填充裂缝和洞眼,确保表面平整光滑。
(3)腻子修整待腻子干燥后,使用砂纸对施工面进行打磨,去除表面的凹凸不平,使之更加光滑。
三、油漆施工阶段1. 底漆施工在进行油漆施工之前,需要先进行底漆的施工。
底漆的作用是增加墙面的附着力,平均吸收面漆的色泽,提高油漆的附着力。
2. 面漆施工在底漆干燥后,可以进行面漆的施工。
面漆的选择应根据设计要求和实际需要来确定,施工时应注意涂抹的厚度和均匀性。
3. 涂刷工艺在进行面漆施工时,需要掌握好涂刷的技巧。
使用刷子或滚筒进行均匀的涂刷,确保施工效果的一致性。
四、施工后的整理工作1. 清理施工现场腻子油漆施工完成后,需要对施工现场进行清理,清除残留的腻子和油漆,保持施工现场的整洁。
2. 检查工程质量完成施工后,需要进行工程质量的检查,这包括对墙面平整度、颜色一致性等进行检验,确保施工质量符合设计要求。
3. 安全交底在施工结束后,需要对施工现场进行安全交底,告知相关人员施工过程中的安全注意事项及施工现场安全情况。
第1篇一、工程概况1. 工程名称:某住宅小区涂料工程施工2. 工程地点:某市某区某住宅小区3. 工程规模:本工程总面积为10000平方米,包括住宅楼、车库、公共设施等。
4. 工程内容:本工程主要包括外墙涂料、内墙涂料、顶棚涂料等。
5. 工程工期:预计60天。
二、施工准备1. 施工人员:根据工程规模,组建专业的涂料施工队伍,包括项目经理、技术负责人、施工员、质检员等。
2. 施工材料:根据设计要求,采购符合国家标准的涂料、基层处理剂、界面剂、填缝剂等材料。
3. 施工机具:准备涂料搅拌机、滚筒、刷子、刮刀、高压喷枪、电动搅拌器、清洁工具等。
4. 施工方案:制定详细的涂料工程施工方案,明确施工工艺、质量控制、安全措施等。
三、施工工艺1. 基层处理(1)检查基层平整度、垂直度,如有凹凸不平、裂缝、蜂窝、麻面等缺陷,应进行处理。
(2)清理基层表面的灰尘、油污、锈蚀等杂质。
(3)对基层进行打磨、修补,使其平整、坚实。
2. 界面剂涂刷(1)根据基层情况,选择合适的界面剂。
(2)将界面剂搅拌均匀,用刷子或滚筒均匀涂刷在基层上。
(3)界面剂干燥后,进行打磨处理。
3. 涂料涂刷(1)根据设计要求,选择合适的涂料。
(2)将涂料搅拌均匀,用刷子或滚筒均匀涂刷在基层上。
(3)涂料涂刷时,注意涂刷均匀,避免出现流淌、漏涂、气泡等现象。
4. 顶棚涂料施工(1)根据设计要求,选择合适的顶棚涂料。
(2)将涂料搅拌均匀,用刷子或滚筒均匀涂刷在基层上。
(3)顶棚涂料涂刷时,注意涂刷均匀,避免出现流淌、漏涂、气泡等现象。
5. 外墙涂料施工(1)根据设计要求,选择合适的外墙涂料。
(2)将涂料搅拌均匀,用高压喷枪均匀喷涂在外墙上。
(3)外墙涂料喷涂时,注意喷涂均匀,避免出现流淌、漏涂、气泡等现象。
四、质量控制1. 材料质量:严格把控涂料、基层处理剂、界面剂等材料的质量,确保符合国家标准。
2. 施工工艺:严格按照施工方案进行施工,确保施工质量。
内墙腻子涂料施工方案一、施工前准备。
在进行内墙腻子涂料施工前,首先需要对施工现场进行清理和整理,确保墙面干净整洁。
同时,要对墙面进行检查,确保墙面没有裂缝和凹凸不平的情况。
如果有裂缝,需要先进行修补,确保墙面平整。
另外,还需要准备好腻子涂料、刮刀、砂纸、扇形砂轮机等施工工具和材料。
二、腻子涂料施工步骤。
1. 墙面打磨处理。
首先,对墙面进行打磨处理,去除墙面的浮灰和松散的底材,确保墙面干净平整。
可以使用砂纸或扇形砂轮机进行打磨,打磨后用清洁布擦拭墙面,确保墙面无灰尘。
2. 腻子涂料调制。
将腻子涂料倒入容器中,加入适量清水进行搅拌,直至腻子涂料呈现出均匀的稠度。
注意,搅拌时要均匀用力,确保腻子涂料的质地均匀。
3. 腻子涂料施工。
将调制好的腻子涂料涂抹在墙面上,用刮刀均匀地刮开,形成一层薄薄的腻子层。
在施工过程中,要注意力度的掌握,确保腻子层的厚度均匀一致。
4. 腻子层打磨。
待腻子层干燥后,使用砂纸对腻子层进行打磨,去除表面的粗糙和不平整,使墙面更加光滑平整。
打磨后,用清洁布擦拭墙面,确保墙面干净。
5. 腻子涂料二次施工。
根据需要,可以进行腻子涂料的二次施工,重复以上的施工步骤,直至墙面达到所需的效果为止。
在施工过程中,要注意腻子涂料的厚度和均匀度,确保墙面的质地一致。
6. 防水处理(可选)。
如果需要对墙面进行防水处理,可以在腻子涂料施工完成后,进行防水涂料的涂刷,确保墙面具有良好的防水性能。
三、施工注意事项。
1. 施工环境要求干燥通风,避免施工过程中墙面受潮或受阳光直射。
2. 施工时要注意保护好施工现场周边的物品,避免腻子涂料溅落到其他物品上造成污染。
3. 施工完毕后,要对施工工具进行清洗,确保下次使用时工具干净。
四、施工完成后的验收。
施工完成后,要对墙面进行仔细的验收,确保墙面平整光滑,无裂缝和凹凸不平的情况。
同时,要检查墙面的颜色和质地是否符合要求,确保施工效果达到预期。
以上就是内墙腻子涂料施工方案的全部内容,希望能对您有所帮助。
外墙腻子施工方案模板一、工程概况本工程涉及外墙腻子的施工,旨在提升建筑外立面的美观性、防水性及耐久性。
施工范围包括建筑外墙的全部或部分区域,具体施工面积以实际测量为准。
预计工期为XX天,如遇不可抗力因素,工期可相应顺延。
二、材料准备外墙腻子:选用符合国家标准的优质腻子,具有良好的附着力、抗渗性、耐候性等特点。
底漆、面漆:选用与腻子相配套的底漆、面漆,确保涂层系统的整体性能。
施工工具:包括腻子刮板、批刀、搅拌器、滚筒、喷枪等,要求质量稳定、操作便捷。
三、施工条件天气条件:施工期间应避开雨雪、大风等恶劣天气,确保墙体干燥、清洁。
环境要求:施工现场应无扬尘、无污染源,确保施工质量及环境安全。
基层处理:施工前应对基层进行清理、找平、打磨,确保基层平整、干燥、无油污。
四、施工流程基层处理:清理基层表面的油污、浮尘等杂物,对凹凸不平处进行找平处理。
底漆涂刷:按照产品说明书要求,将底漆均匀涂刷在基层表面,待底漆干燥后进行下一道工序。
腻子批刮:将腻子按照产品说明书要求进行搅拌,然后用刮板或批刀将其批刮在基层上,确保腻子层平整、无气泡。
腻子层一般需批刮两遍,两遍之间需间隔24小时以上。
面漆涂刷:腻子层干燥后,按照产品说明书要求,将面漆均匀涂刷在腻子层表面,确保涂层均匀、光滑。
五、质量标准平整度:腻子层表面应平整,无明显凹凸、波浪等现象。
附着力:腻子层与基层之间应有良好的附着力,无空鼓、脱落等现象。
耐候性:涂层系统应具有良好的耐候性,能长期保持色泽稳定、无龟裂、剥落等现象。
验收标准:按照国家标准《建筑工程施工质量验收统一标准》进行验收,确保工程质量符合要求。
六、安全措施施工现场应设置安全警示标志,确保施工区域的安全隔离。
施工人员应佩戴安全防护用品,如安全帽、防护眼镜、手套等。
施工设备应定期检查、维护,确保设备安全运行。
施工现场应配置消防器材,确保施工过程中的消防安全。
七、环境保护施工过程中应减少扬尘污染,及时清理施工垃圾。
刮腻子乳胶漆施工方案一、施工准备1.预估材料用量:根据实际墙面面积估算所需的腻子和乳胶漆的用量。
2.准备工具:批刀、抹刀、批钉刀、打孔机、刷子、滚筒、电风扇等。
3.墙面处理:检查墙面是否有裂缝、松动的腻子、挂钉等问题,如有需要事先修复。
二、材料准备1.腻子:选择质量好、粘度合适的腻子,按照包装说明调配。
2.布卷:将布卷用适量的水浸泡,扭干后备用。
3.底漆:选择适用于腻子墙面的底漆,可提升乳胶漆的附着力。
4.乳胶漆:选择环保、质量好的乳胶漆,根据需要选择颜色。
5.防护材料:铺设防护纸或塑料薄膜,避免漆沾染到其他区域。
三、施工步骤1.基层处理:清理墙面的灰尘、油污等杂质,用批刀将墙上的凸起物刮平,如有裂缝可以使用批钉刀打开后填补。
2.弥补洞眼:用腻子将墙面的洞眼、裂缝等细微问题填补平整,注意厚度要均匀。
3.第一次刮腻子:将腻子涂抹在墙面上,采用横平竖垂的方法刮平,避免出现挂刀和起皮的现象。
每刮完一层腻子后,用抹刀批平。
4.第二次刮腻子:等第一次腻子干燥后,使用同样的方法进行第二次刮腻子,以填平细微的凹凸、砂眼等问题。
5.第三次刮腻子:等第二次腻子干燥后进行第三次刮腻子,重点处理之前遗留的细微问题。
6.打磨:等腻子完全干燥后,使用打磨机进行打磨,以去除表面的凹凸不平。
7.底漆涂刷:将底漆涂刷在墙面上,以增强乳胶漆的附着力,提高色泽的还原度。
8.乳胶漆施工:选用刷子或滚筒将乳胶漆均匀涂刷在墙面上,注意不要漏刷、滴漏和起泡。
9.第一遍乳胶漆:等第一遍乳胶漆干燥后,进行第二遍乳胶漆施工,以弥补可能存在的色差和不均匀。
10.清理收尾:施工完成后,清理工具,并检查墙面是否满足要求,如有问题及时修复。
四、施工注意事项1.施工环境:避免施工环境过干燥或过潮湿,保证施工的温度和湿度适宜。
2.施工时间:选择在阳光充足、通风良好的时间段进行施工,有利于腻子和乳胶漆的干燥和附着。
3.施工顺序:按照上述步骤进行施工,严格按照腻子干燥时间来控制施工进度。
墙面涂料粉刷工程施工方案一、前期准备工作1、材料准备:墙面涂料、腻子、底漆、工具(刷子、滚筒、刷辊、扒刀、磨刀、批刀等)、脚手架。
2、施工环境准备:清洁施工现场,确保没有障碍物。
保护地面和附近的物品,以防止涂料飞溅。
确保有足够的通风和光线。
二、表面处理1、检查墙面:仔细检查墙面,发现龟裂、空鼓、起泡等问题,及时修补处理。
2、清洁墙面:清除墙面上的尘埃、灰尘、油污等杂质。
可以使用清洁剂和水进行清洁,确保墙面干净。
三、腻子处理1、选择腻子:根据实际墙面情况选择合适的腻子,通常有内墙腻子和外墙腻子之分。
2、腻子施工:将腻子按照一定比例与水拌合,使用批刀、磨刀等工具将腻子均匀地涂抹在墙面上,封闭墙面的瑕疵和孔洞,形成平整的基层。
四、底漆处理1、选择底漆:根据墙面材质和涂料的要求选择合适的底漆,通常有吸水底漆、防水底漆等。
2、底漆施工:在腻子干透后,涂刷一层底漆。
底漆要均匀地涂抹在墙面上,保证底漆的附着力和渗透力。
五、墙面涂料处理1、选择涂料:根据墙面的材质和涂装效果的要求,选择适合的墙面涂料。
2、涂料施工:在底漆干透后,涂刷一层墙面涂料。
根据涂料的特性选择合适的刷子或滚筒,均匀地涂抹在墙面上,确保涂料的平整和美观。
六、施工注意事项1、施工环境:施工时要保持室内通风良好,尽量避免雨天或潮湿天气施工,以确保施工质量。
2、施工工具:施工过程中要保持施工工具的清洁和整洁,避免工具上的杂质或污渍对墙面的影响。
3、施工质量:施工时要注意墙面的平整度和一致性,避免涂料的起泡、流痕等质量问题。
4、安全施工:施工人员要佩戴安全帽、手套、口罩等防护用具,确保施工安全。
七、验收和保养1、验收:施工完成后,对墙面进行质量验收,检查墙面的平整度、颜色和光泽度等,确保施工质量符合要求。
2、保养:墙面施工完成后,要做好墙面的保养工作,避免墙面被刮伤或污染,延长墙面的使用寿命。
以上就是墙面涂料粉刷工程的施工方案,希望可以对相关人员有所帮助。
目录1、编制依据 (1)2、工程概况 (2)3、施工准备及部署 (2)3.1材料准备 (2)3.2施工工具准备 (3)3.3施工作业面准备 (3)4、耐擦洗内墙涂料施工工艺 (3)4.1工艺流程 (3)4.2施工要点 (3)4.3特殊部位施工注意事项 (6)5、质量标准 (6)5.1主控项目 (6)5.2一般项目 (6)6、成品保护 (7)7、施工中容易出现的质量问题及预防措施 (7)8、安全防护要求 (7)1、编制依据1.1《建筑装饰装修施工质量验收规范》GB50210-20011.2《建筑工程施工质量验收统一标准》GB50300-20011.3《建筑机械使用安全技术规程》JGJ33-20011.4《高级建筑装饰工程质量检验评定标准》DBJ01-27-961.5《北京市建筑工程施工安全操作规程》DBJ01-62-20021.6《建筑安装分项工程施工工艺规程》DBJ/T 01-26-20031.7《建筑构造通用图集》88J1-11.8《建筑施工手册》第四版1.9中国生物技术学术中心一期Ⅰ标段(1#楼)设计图纸1.10中国生物技术学术中心一期Ⅰ标段(1#楼)工程施工组织设计及设计变更2、工程概况本工程结构形式为现浇框架剪力墙结构,抗震烈度为8 度,总建筑面积67812 平方米,地下四层,地上十四层,建筑檐高53.2m。
地下一、二层为展厅,地下三、四层为车库,地上为办公区。
本工程腻子、耐擦洗内墙涂料,使用范围:车库、汽车坡道、设备泵房、消防泵房、冷冻机房、中水机房、给水机房、软化水机房、工具间、电热锅炉房、值班室、后勤走道、楼梯间、前室合用前室、设备管井、强弱电竖井、变配电室,设备用房走道、电梯机房、卫星电视前端机房、消防水箱间。
3、施工准备及部署3.1材料准备3.1.1材料介绍本工程涂料工程采用耐水腻子及水性耐擦洗涂料、玻纤布、纸胶带。
3.1.2材料进场要求指定的材料进场后,直接放入事先指定好的库房,要求码放整齐,以防丢失,堆放高度不超过5 层,现场要有标识。
库房须干燥、通风,不得日光照射或冰冻,储存温度为5~40℃为宜。
腻子等需防潮的材料要垫高存放。
3.2施工工具准备内墙腻子涂料施工工具:刮刀、钢丝刷、扫帚、腻子刮板、油刷、排笔、羊毛辊3.3施工作业面准备墙面基本干燥,基层含水率不得大于10%。
抹灰作业已全部完成,过墙管道、洞口、阴阳角等应提前处理完毕,为确保墙面干燥,各种穿墙孔洞都应提前抹灰补齐。
门窗玻璃要提前安装完毕。
地面已施工完,管道设备安装基本完成。
大面积施工前应事先做好样板间,经甲方、监理及质量总监检查鉴定合格后,方可组织班组进行大面积施工。
冬期施工室内涂料工程,应在采暖条件下进行,室内温度保持均衡,施工的环境温度应在5oC ~35oC 之间,相对湿度为60%,不得突然变化。
同时应设专人负责测试和开关门窗,以利通风排湿气。
4、耐擦洗内墙涂料施工工艺4.1工艺流程4.2施工要点4.2.1基层清理:a. 对基层的要求:基层的碱度PH值应在10 以下,含水率应在10%以下。
基层表面应平整,阴、阳角及角线应密实,轮廓分明。
基层应坚固,如有空鼓、酥松、起泡、孔洞、起砂、裂缝等缺陷,应进行处【腻子涂料工程施工方案】表面应无油污、灰尘、溅沫及砂浆流痕等杂物。
b. 基层处理方法:(1) 清理:用扫帚、毛刷等清扫灰尘及其他附着物;砂浆溅物、流痕等可用铲刀、开刀、钢丝刷等清理;用5%-10%的氢氧化钠水溶液洗刷油污及脱模剂等污垢,然后用清水冲洗干净;基层反碱的表面,可用3%的草酸水溶液进行中和,然后用清水冲洗干净;空鼓、酥松、起皮、起砂等,应先用錾子等清理,用清水冲洗后,再进行修补;基层上有油漆的先用稀料溶解油漆,再用用5%-10%的氢氧化钠水溶液洗刷干净;(2) 找平与修补:如有大面积空鼓,可将空鼓部位全部铲除,清理干净,重新做基层细小的裂缝,根据不同的部位,采用腻子嵌平,干后用砂纸打平基层表面3mm以下的孔洞,可用聚合物水泥腻子找平;3mm以上的孔洞应用水泥砂浆修补;如有露出钢筋头的部位需将周围的混凝土凿除10mm左右,将钢筋头去除,再用水泥砂浆找平。
表面不平整或错台处,先将凸出部位凿平,平整度偏差5mm以内的,以腻子找平,平整度偏差5mm~10mm的, 用粘接石膏处理,平整度偏差大于10mm的,表面凿毛,抹灰处理;阴、阳角用阳角抹子和1:3 的水泥砂浆做局部处理,阴、阳角的抹灰必须密实;踢脚线、吊顶边龙骨等重点部位必须用3m靠尺检查,平整度偏差不得大于3mm;基体或基层的缺棱掉角处,用1:3 的水泥砂浆(或聚合物水泥砂浆) 修补完毕;主体结构与二次结构接缝处,先以粘接石膏嵌缝,再粘一层玻纤布,【腻子涂料工程施工方案】腻子找平;4.2.2修补腻子用粘接石膏将墙面等基层上磕碰的坑凹、缝隙等处分遍找平,干燥后用细砂纸打磨平整,并将浮尘等扫净。
4.2.3刮腻子:刮腻子的遍数可由基层或墙面的平整度来决定,一般为两遍,腻子施工安排在湿作业完成以后。
第一遍用胶皮刮板横向满刮,一刮板紧接着一刮板,接头不得留槎,每刮一板最后收头时,注意收的要干净利落。
干燥后用40#砂纸打磨,将浮腻子及斑迹磨平磨光,再将墙面清扫干净。
第二遍用胶皮刮板竖向满刮,一刮板紧接着一刮板,接头不得留槎,每刮一板最后收头时,注意收的要干净利落,干燥后用400#砂纸打磨并清扫干净,注意不要漏磨或将腻子磨穿。
第三遍用胶皮板找补腻子,用钢片刮板满刮腻子,将墙面等基层刮平刮光,干燥后用细砂纸磨平磨光,注意不要漏磨或将腻子磨穿。
刮腻子时要注意每遍刮的不得过厚,每遍不得超过2mm,必须用清水拌制腻子干料,每遍腻子刮完后,都要注意成品保护,不得用脏手触摸。
墙面腻子的施工高度以高出吊顶标高5cm为宜。
4.2.4施涂第一遍涂料施涂顺序是先顶板后墙面,施涂墙面时应先上后下。
施涂前先将墙面清扫干净,再用布将墙面粉尘擦净,滚涂耐擦洗涂料,使用前应搅拌均匀,有必要时适当加水稀释,将辊筒在盘中蘸取涂料,滚动辊筒使所蘸涂料均匀适量附于辊筒上,在墙上涂饰,先使辊筒按W 形运动,将涂料大致涂在墙面上,然后按着辊筒在墙面上,上下左右平稳地来回滚动,使涂料均匀展开,最后用辊筒按一定方向满滚一遍,阴阳角及上下口仍用毛刷、排笔涂刷找齐,滚涂至接茬部位或达到一定段落时,应用不沾涂料的辊子滚压一遍,以免接茬部位不匀而露明显痕迹。
待干燥后复补腻子,待复补腻子干燥后用砂纸磨光,并清扫干净。
4.2.5施涂最后遍涂料:操作要求同第一遍,由于漆膜干燥较快,应连续迅速操作,滚涂时从一头开始,逐渐滚向另一头,要注意上下相衔接,后一滚压前一滚,避免出现干燥后再处理接头。
注意所有滚涂时,匀速滚涂,避免快慢不均造成涂料薄厚不一致。
为不破坏成品,施涂最后一遍涂料安排地面工程及门窗工程完成后进行。
4.3 特殊部位施工注意事项4.3.1墙裙、踢脚线、边龙骨、门窗套部位:在涂料与其它材料相交处,如墙裙、踢脚线、边龙骨、门窗套部位,在涂料施工至此处时,应先在相交处贴纸胶带,注意粘贴时应使胶带尽量贴直,然后用毛刷对相交部位收口。
施工完毕后将纸胶带撕去,从而使涂料的收口顺直。
4.3.2地下三、四层车库顶棚:地下三层层高较高,需搭设独立架施工,施工过程注意安全。
由于机电管线已经基本安装完成,在腻子及涂料施工过程中注意成品保护,施工前必须用塑料布将机电管线包裹保护。
4.3.3特殊使用功能房间施工安排:对于管线及设备较多的房间,如配电室、及其它设备用房,涂料施工应尽量安排在管线施工前,确保施工所需的操作面,对于已经完成的管道应注意成品保护,对管线进行适当的遮盖。
5、质量标准5.1主控项目5.1.1所用的涂料的品种、型号和性能应符合设计要求。
5.1.2涂料工程的图案、颜色应符合设计要求。
5.1.3涂饰工程应涂饰均匀、粘结牢固、不得漏涂、透底、起皮和掉粉。
5.2一般项目6、成品保护施涂前应首先清理好周围环境,防止尘土飞扬,影响涂料质量。
施涂墙面涂料时,地面要铺塑料布或报纸,不得污染地面、踢脚线、阳台、窗台、门窗及玻璃等已完成的分布分项工程。
最后一遍涂料施涂完成后,室内空气要流通,预防漆膜干燥后表面无光或光泽不足。
涂料未干前,不应打扫室内地面,严防灰尘等污染墙面涂料。
涂料墙面完工后要妥善保护,不得磕碰及污染墙面。
滚筒、毛刷在每天使用完之后要及时用清水浸泡。
7、施工中容易出现的质量问题及预防措施8、安全防护要求施工现场应有良好的通风条件,如在通风条件不好的场地施工时,必须安置通风设备,方能施工。
在用钢丝刷、板锉及电动工具清除铁锈、铁麟时为避免眼睛沾污和受伤,需带上防护眼镜。
高空作业必须佩戴安全带,挂点要牢固可靠,正确使用,高挂低用。
使用任何电器机具时,必须做到安全用电,严禁非电工接电。
涂刷大面积场地时,(室内)照明和电器设备必须按防爆等级规定进行安装。
操作人员在施工时感觉头痛、心悸或恶心时,应立即离开工作地点,到通风处换换空气,如仍不舒服,应去医院治疗。