施工常用符号和代号
- 格式:doc
- 大小:937.00 KB
- 文档页数:28
水电施工图中符号表示SC:钢管PC VC聚乙烯阻燃性塑料管CT:桥架WC:沿墙暗敷设WS:沿墙明敷设CC:沿顶板暗敷设F:暗敷在地板内CE:沿顶板明敷YJV:电缆SYV:电视线PE:接地(黄绿相兼PEN:接零(蓝色3项线(火线:A项(黄B项(绿 C项(红KV电压千伏BV:散线MEB:总等电位LEB:局部等电位线路敷设方式代号PVC——用阻燃塑料管敷设DGL——用电工钢管敷设VXG——用塑制线槽敷设GXG——用金属线槽敷设KRG——用可挠型塑制管敷设⑦线路明敷部位代号LM—沿屋架或屋架下弦敷设ZM——沿柱敷设QM——沿墙敷设PL——沿天棚敷设③线路暗敷部位代号LA——暗设在梁内ZA—暗设在柱内QA—暗设在墙内PA——暗设在屋面内或顶棚内DA——暗设在地面或地板内PNA—暗设在不能进入的吊顶内④照明灯具安装方式代号D——吸顶式L——链吊式G———管吊式B——壁装式R———嵌入式BR———墙壁内安装(4设备标注方法’⑦配电线路的标注方法a——b(c×de——f其中:a--回路编号b--导线型号c--导线根数d--导线截面e--敷设方式及穿管管径f--敷设部位表示2根导线表示3根导线表示n根导线⑦照明灯具标注方法一般标注方法:灯具吸顶安装标注方法:其中:a--灯数b--型号或编号c--每盏照明灯具的灯泡个数d--灯泡容量,We--灯泡安装高度,mf--安装方式L--光源种类,白炽灯或荧光灯PC:PVC聚乙烯阻燃性塑料管CT:桥架 WC:沿墙暗敷设WS:沿墙明敷设 CC:沿顶板暗敷设F:暗敷在地板内 CE:沿顶板明敷YJV:电缆 SYV:电视线PE:接地(黄绿相兼 PEN:接零(蓝色3项线(火线:A项(黄 B项(绿 C项(红 KV:(电压千伏 BV:散线MEB:总等电位 LEB:局部等电位线路敷设方式代号PVC——用阻燃塑料管敷设DGL——用电工钢管敷设VXG——用塑制线槽敷设GXG——用金属线槽敷设KRG——用可挠型塑制管敷设⑦线路明敷部位代号LM—沿屋架或屋架下弦敷设ZM——沿柱敷设 QM——沿墙敷设 PL——沿天棚敷设③线路暗敷部位代号LA——暗设在梁内 ZA—暗设在柱内 QA—暗设在墙内PA——暗设在屋面内或顶棚内 DA—暗设在地面或地板内PNA—暗设在不能进入的吊顶内④照明灯具安装方式代号D——吸顶式 L——链吊式 G———管吊式B——壁装式 R———嵌入式 BR———墙壁内安装(4设备标注方法’⑦配电线路的标注方法a——b(c×de——f其中:a--回路编号 b--导线型号 c--导线根数d--导线截面 e--敷设方式及穿管管径 f--敷设部位表示2根导线表示3根导线表示n根导线⑦照明灯具标注方法一般标注方法:灯具吸顶安装标注方法:其中:a--灯数 b--型号或编号c--每盏照明灯具的灯泡个数 d--灯泡容量,We--灯泡安装高度, m f--安装方式L--光源种类,白炽灯或荧光灯一、室内电气工程的组成:指供电和用电工程外线工程、变配电工程、室内配线工程、电力工程、照明工程、防雷工程、接地工程、发电工程和弱点工程(消防报警|广播、电话|闭路电视、互联网等)二、室内电气施工图的作用、组成、特点1、图纸的作用:说明电气工程的构成和功能,描述电气工程的工作原理,提供安装技术数据和使用维护的依据。
强电平面图纸符号大全字符,符号SC:钢管PC:PVC聚乙烯阻燃性塑料管CT:桥架WC:沿墙暗敷设WS:沿墙明敷设CC:沿顶板暗敷设F:暗敷在地板内CE:沿顶板明敷YJV:电缆SYV:电视线PE:接地(黄绿相兼) PEN:接零(蓝色)3项线(火线):A项(黄) B项(绿) C项(红) KV:(电压)千伏 BV:散线MEB:总等电位 LEB:局部等电位线路敷设方式代号PVC——用阻燃塑料管敷设DGL——用电工钢管敷设VXG——用塑制线槽敷设GXG——用金属线槽敷设KRG——用可挠型塑制管敷设⑦线路明敷部位代号LM—沿屋架或屋架下弦敷设ZM——沿柱敷设QM——沿墙敷设 PL——沿天棚敷设③线路暗敷部位代号LA——暗设在梁内 ZA—暗设在柱内QA—暗设在墙内PA——暗设在屋面内或顶棚内 DA—暗设在地面或地板内PNA—暗设在不能进入的吊顶内④照明灯具安装方式代号D——吸顶式L——链吊式 G———管吊式B——壁装式R———嵌入式BR———墙壁内安装(4)设备标注方法’⑦配电线路的标注方法a——b(c×d)e——f其中:a--回路编号 b--导线型号c--导线根数d--导线截面e--敷设方式及穿管管径f--敷设部位表示2根导线表示3根导线表示n根导线⑦照明灯具标注方法一般标注方法:灯具吸顶安装标注方法:其中:a--灯数 b--型号或编号c--每盏照明灯具的灯泡个数d--灯泡容量,We--灯泡安装高度, m f--安装方式L--光源种类,白炽灯或荧光灯一、室内电气工程的组成:指供电和用电工程外线工程、变配电工程、室内配线工程、电力工程、照明工程、防雷工程、接地工程、发电工程和弱点工程(消防报警|广播、电话|闭路电视、互联网等)二、室内电气施工图的作用、组成、特点1.图纸的作用:说明电气工程的组成和作用,描述电气工程的工作原理,为安装技术资料和使用维护提供依据。
2.图纸的构成:设计说明、电气系统图、电气平面图、设备布置图、安装接线图、电气原理图、详图等。
工程图纸名词大全建筑图纸符号大全在建筑设计图中,l表示是梁、ll表示是连续梁、ql表示圈梁、jl表示基础梁、tl 表示是梯梁、dl表示是地梁,z表示柱、gz表示构造柱、kz表示框架柱,m表示是门、c表示是窗。
@表示钢筋间距Φ表示钢筋型号,下面谈谈一些经验,1、正规的建筑设计,要有设计者签名,建筑图纸负责人签名,审定者签名,校对人签名,并加盖出图章,注册执业章。
2、建筑设计图纸中,长度一般以mm为,有加以说明的除外;看图时注意结合“建筑用料说明”与其他图纸进行综合。
“建筑用料说明”中,在各小项的前面有打上“√”的,为该设计所采用的做法。
没有打勾的,非该设计所采用的做法。
3、如在建筑设计图中:“c20钢筋砼jl(240400)配4φ16络φ6@200箍。
”解读为:强度为c的钢筋混凝土结构的基础梁,宽240mm,高400mm,配4条直径16厘(16mm)螺纹的主钢筋,每间隔200mm箍一个直径6厘的钢筋长方形环络。
(长方形环络长约340--350 mm ,宽约180mm--190mm)。
4、如在建筑设计图中:“c20砼小柱(240240)配4φ12箍]6@200。
”其中,“]6@200”为不规范标注,应为“φ6@200”。
解读为:强度为c20的钢筋混凝土结构的小梁,截面为长240mm,宽240mm,配4条直径12厘(12mm)螺纹的主钢筋,每间隔200mm箍一个直径6厘钢筋的长方形络。
小柱高度看该工程所标示的层高减去圈梁的高度后加上板面的厚度,因为圈梁与板面是浇筑在一起。
5、如在建筑设计图中:m5水泥砂浆砌mu10贝灰砂砖。
“m5”表示水泥砂浆的强度等级,“mu10”表示贝灰砂砖的强度等级。
mu10代表贝灰砂砖的抗压强度平均值≥10mpa。
6、ql表示圈梁,圈梁的做法,通常用于砖混房屋建筑结构(混合结构),即先砌墙,后用钢筋混凝土浇筑圈梁及板面。
7、框架结构的做法,即先浇筑柱体,大梁、小梁、板面等。
待拆掉模板后再砌墙体。
建筑图集代号大全代号大全以下是柱、梁和板的代号大全:柱的代号大全:1.框架柱:KZ2.转换柱:ZHZ3.芯柱:XZ4.XXX:LZ5.剪力墙柱:QZ6.构造柱:GZ7.构造边缘柱:GBZ8.构造角柱:GJZ9.约束边缘柱:YBZ10.普通柱:Z11.暗柱:AZ12.扶壁柱:FBZ13.约束边缘端柱:YDZ14.约束边缘暗柱:YAZ15.约束边缘翼墙柱:XXX16.约束边缘角柱:YJZ17.构造边缘端柱:GDZ18.构造边缘暗柱:GAZ19.构造边缘翼墙柱:GYZ20.构造边缘转角柱:GJZ21.梯柱:TL22.框支柱:KZZ各种梁代号大全:1.连梁:LL2.暗梁:AL3.悬挑梁:XL4.框架梁:KL5.框支梁:KZL6.边框梁:BKL7.跨高比不小5的梁:LLK8.框扁梁:KBL9.屋框梁:XXX10.XXX:JZL11.梯梁:TL12.基础梁:JL13.现浇过梁:XGL14.门过梁:MGL15.板梁:BL16.梁:L17.承台梁:CTL18.圈梁:QL19.单轨吊车梁:DDL20.吊车梁:DL21.基础次梁:JCL22.梁垫:LD23.地下框梁:DKL24.基础主梁:JZL板的代号大全:由于文章中明显有问题的段落较多,我们在这里不再给出改写后的文章。
本文介绍了建筑中常见的不同种类的板材、基础和构件的代号。
建筑中常见的板材包括楼板(LB)、屋面板(WB)、悬挑板(XTB)、折板(ZB)、梯板(TB)、平台板(PTB)、柱上板(ZSB)、跨中板带(KZB)、升降板(SJB)、后浇带(HJD)、板开洞(BD)、板翻边(FB)、板加腋(JY)、纵筋加强带(JQD)、柱帽(ZM)、板挑檐(TY)、角部加强筋(Crs)、悬挑阳角放射筋(Ces)、悬挑阴角放射筋(Cis)、抗冲切箍筋(Rh)、抗冲切弯起筋(Rb)、密肋板(MB)、天沟板(TGB)、阳台栏板(YB)、条形基础底板(TJB)和梁板式筏型基础平板(LPB)等。
水电图纸上各种符号的意义SC:钢管PC: PVC聚乙烯阻燃性塑料管CT:桥架WC:沿墙暗敷设WS:沿墙明敷设CC:沿顶板暗敷设F:暗敷在地板内CE:沿顶板明敷YJV:电缆SYV:电视线PE:接地(黄绿相兼)PEN:接零(蓝色)3项线(火线):A项(黄) B项(绿) C项(红)KV: (电压)千伏BV:散线MEB:总等电位LEB:局部等电位线路敷设方式代号PVC——用阻燃塑料管敷设DGL——用电工钢管敷设VXG--用塑制线槽敷设GXG——用金属线槽敷设KRG——用可挠型塑制管敷设线路明敷部位代号LM—沿屋架或屋架下弦敷设ZM——沿柱敷设QM-—沿墙敷设PL—-沿天棚敷设线路暗敷部位代号LA-—暗设在梁内ZA—暗设在柱内QA—暗设在墙内PA——暗设在屋面内或顶棚内DA-—暗设在地面或地板内PNA—暗设在不能进入的吊顶内照明灯具安装方式代号:D——吸顶式L——链吊式G-—管吊式B——壁装式R-—嵌入式BR—墙壁内安装配电线路的标注方法:a—-b(c×d)e—-f其中:a--回路编号b--导线型号c——导线根数d—-导线截面e-—敷设方式及穿管管径f-—敷设部位灯具吸顶安装标注方法:其中:a--灯数b——型号或编号c—-每盏照明灯具的灯泡个数d--灯泡容量,We—-灯泡安装高度,mf-—安装方式L-—光源种类,白炽灯或荧光灯如何识别配电图以及上面电器符号配电系统图怎么看,符号,字母含义等配电系统图上的符号系统图中某线路上标有:ZR-YJV—4*25+1*16-CT—SC80—ACCZR 表示阻燃YJV——交联聚乙烯绝缘低卤、阻燃、耐火型电力电缆4*25+1*16是线的平方数SC是表示水煤气钢管CT是表示电缆桥架敷设80说的是公称直径既不是外径也不是内径ACC是表示:暗敷设在不能进人的吊顶内BV(2*6+E6)SC20-C:BV:是聚氯乙烯绝缘电线2*6+E6):是表示两根6平方毫米的电源线,加一根6平方毫米的接地保护线SC20-C :是说明使用DN20的水煤气管做穿线管,暗敷“LGJ185/25"LGJ是钢芯铝绞线的意思,185是指导线的截面积,25是指的是钢芯的截面积,这种型号应该是用于110KV的输电线路在插座中:L—-—-火线、N——-—零线、G——-地线、插座内部有此符号标识。
水电施工图中符号表示水电施工图中符号表示SC:钢管PC VC 聚乙烯阻燃性塑料管CT:桥架WC:沿墙暗敷设WS:沿墙明敷设CC:沿顶板暗敷设F:暗敷在地板内CE:沿顶板明敷YJV:电缆SYV:电视线PE:接地(黄绿相兼) PEN:接零(蓝色)3 项线(火线):A 项(黄)KV 电压)千伏B 项(绿)C 项(红)BV:散线MEB:总等电位LEB:局部等电位线路敷设方式代号PVC——用阻燃塑料管敷设DGL——用电工钢管敷设VXG--用塑制线槽敷设GXG-—用金属线槽敷设KRG——用可挠型塑制管敷设⑦线路明敷部位代号LM-沿屋架或屋架下弦敷设ZM——沿柱敷设QM—-沿墙敷设PL——沿天棚敷设③线路暗敷部位代号LA——暗设在梁内ZA—暗设在柱内QA—暗设在墙内PA——暗设在屋面内或顶棚内DA-—暗设在地面或地板内PNA-暗设在不能进入的吊顶内④照明灯具安装方式代号D——吸顶式L-—链吊式G———管吊式B—-壁装式R———嵌入式BR—--墙壁内安装(4)设备标注方法’ ⑦配电线路的标注方法a-—b(c×d)e——f 其中:a--回路编号b——导线型号c-—导线根数d-—导线截面e—-敷设方式及穿管管径f-—敷设部位表示2 根导线表示3 根导线表示n 根导线⑦照明灯具标注方法一般标注方法:灯具吸顶安装标注方法:其中:a-—灯数b—-型号或编号c—-每盏照明灯具的灯泡个数d——灯泡容量,W e—-灯泡安装高度,m f--安装方式L—-光源种类,白炽灯或荧光灯PC:PVC 聚乙烯阻燃性塑料管CT:桥架WC:沿墙暗敷设WS:沿墙明敷设CC:沿顶板暗敷设F:暗敷在地板内CE:沿顶板明敷YJV:电缆SYV:电视线PE:接地(黄绿相兼)PEN:接零(蓝色) 3 项线(火线):A 项(黄) B 项(绿) C 项(红) KV:(电压)千伏BV:散线MEB:总等电位LEB:局部等电位线路敷设方式代号PVC——用阻燃塑料管敷设DGL——用电工钢管敷设VXG-—用塑制线槽敷设GXG——用金属线槽敷设KRG——用可挠型塑制管敷设⑦线路明敷部位代号LM—沿屋架或屋架下弦敷设ZM-—沿柱敷设QM——沿墙敷设PL——沿天棚敷设③线路暗敷部位代号LA——暗设在梁内ZA—暗设在柱内QA—暗设在墙内PA--暗设在屋面内或顶棚内DA—暗设在地面或地板内PNA—暗设在不能进入的吊顶内④照明灯具安装方式代号D——吸顶式L——链吊式G———管吊式B——壁装式R———嵌入式BR———墙壁内安装(4)设备标注方法’ ⑦配电线路的标注方法a——b(c× d)e——f 其中:a-—回路编号b—-导线型号c——导线根数d—-导线截面e--敷设方式及穿管管径f--敷设部位表示2 根导线表示3 根导线表示n 根导线⑦照明灯具标注方法一般标注方法:灯具吸顶安装标注方法:其中:a—-灯数b—-型号或编号c--每盏照明灯具的灯泡个数d——灯泡容量,W e--灯泡安装高度,m f--安装方式L--光源种类,白炽灯或荧光灯一、室内电气工程的组成:指供电和用电工程外线工程、变配电工程、室内配线工程、电力工程、照明工程、防雷工程、接地工程、发电工程和弱点工程(消防报警|广播、电话|闭路电视、互联网等)二、室内电气施工图的作用、组成、特点1、图纸的作用:说明电气工程的构成和功能,描述电气工程的工作原理,提供安装技术数据和使用维护的依据。
沥青路面工程术语符号代号1.1术语1.1.1沥青结合料 asphalt binder,asphalt cement在沥青混合料中起胶结作用的沥青类材料(含添加的外掺剂、改性剂等)的总称。
1.1.2乳化沥青emulsified bitumen(英), asphalt emulsion,emulsified asphalt(美)石油沥青与水在乳化剂、稳定剂等的作用下经乳化加工制得的均匀的沥青产品,也称沥青乳液。
1.1.3液体沥青liquid bitumen(英), cutback asphalt(美)用汽油、煤油、柴油等溶剂将石油沥青稀释而成的沥青产品,也称轻制沥青或稀释沥青。
1.1.4改性沥青modified bitumen(英) , modified asphalt cement(美)掺加橡胶、树脂、高分子聚合物、天然沥青、磨细的橡胶粉或者其他材料等外掺剂(改性剂),使沥青或沥青混合料的性能得以改善而制成的沥青结合料。
1.1.5 改性乳化沥青modified emulsified bitumen (英), modified asphalt emulsion(美)在制作乳化沥青的过程中同时加入聚合物胶乳,或将聚合物胶乳与乳化沥青成品混合,或对聚合物改性沥青进行乳化加工得到的乳化沥青产品。
1.1.6 天然沥青natural bitumen (英)natural asphalt(美)石油在自然界长期受地壳挤压、变化,并与空气、水接触逐渐变化而形成的、以天然状态存在的石油沥青,其中常混有一定比例的矿物质。
按形成的环境可以分为湖沥青、岩沥青、海底沥青、油页岩等。
1.1.7透层 prime coat为使沥青面层与非沥青材料基层结合良好,在基层上喷洒液体石油沥青、乳化沥青、煤沥青而形成的透入基层表面一定深度的薄层。
1.1.8粘层 tack coat为加强路面沥青层与沥青层之间、沥青层与水泥混凝土路面之间的粘结而洒布的沥青材料薄层。
建筑电气施工图纸中符号全解析(干货)初次接触建筑电气施工图的小伙伴,有没有这么一种经历,被图纸上一大堆的英文符号搞得晕头转向,一会BV BVV一会TC SC还有很多其他奇奇怪怪的组合.今天就大家一起学习一下建筑电气施工图的一些基础知识,希望今天的内容可以为你一解所惑.1.常用电线⑴裸导线:一般为架空线路的主体,输送电能.①裸单线:TY铜质圆单线LY铝质圆单线②裸绞线:TJ铜绞线LJ铝绞线LGJ钢芯铝绞线⑵绝缘电线;种类很多,一般明明规则都是如下图所示:BV:铜芯塑料绝缘线BX:铜芯橡胶绝缘线BLV:铝芯塑料绝缘线BVV:铜芯塑料绝缘护套线BLVV:铝芯塑料绝缘护套线BV:铜芯塑料绝缘线BVV:铜芯塑料绝缘护套线例:BV—2.5BVV—4ZRBLV—25NHBX—102.电缆:多芯导线,在电路中起着输送和分配电能的作用,电气装备用电线电缆及电力电缆的型号主要由以下七部分组成:1.类别、用途代号2.导体代号3.绝缘层代号4.护层代号5.特征代号6.铠装层代号7.外护层代号[1]1.绝缘种类:V代表聚氯乙烯;X代表橡胶;Y代表聚乙烯;YJ代表交联聚乙烯;Z代表纸.2.导体材料:L代表铝;T(省略)代表铜.3.内护层:V代表聚氯乙烯护套;Y聚乙烯护套;L铝护套;Q铅护套;H橡胶护套;F氯丁橡胶护套.4.特征:D不滴流;F分相;CY充油;P贫油干绝缘;P屏蔽;Z直流.5.铠装层:0无;2双钢带;3细钢丝;4粗钢丝.6.外被层:0无;1纤维外被;2聚氯乙烯护套;3聚乙烯护套.7.阻燃电缆在代号前加ZR;耐火电缆在代号前加NH;防火电缆在代号前加DH.电缆的组成:线芯、绝缘层、保护层.电缆按用途可分为:⑴电力电缆:用来输送和分配大功率电能a、聚氯乙烯绝缘聚氯乙烯护套电力电缆VV VLV例:VV22-4×120+1×50表示4根截面为120mm2和1根截面为50mm2的铜芯聚氯乙烯绝缘,钢带铠装聚氯乙烯护套五芯电力电缆.VV电缆b、交联聚乙烯绝缘聚氯乙烯护套电力电缆YJV YJLV例:YJV22-4×120表示4根截面为120mm2的铜芯交联聚乙烯绝缘,钢带铠装聚氯乙烯护套四芯电力电缆.YJV电缆⑵控制电缆:用于传输控制电流常用控制电缆:KVV KVLVKVV⑶通信电缆:用于传输信号和数据①电话电缆:HYY HYV②同轴射频电缆:STV-75-4电缆按绝缘层可分为:油浸纸绝缘Z橡皮绝缘X塑料绝缘V、Y⑷电缆附件电缆终端头:电缆与配电箱的连接处,一根电缆两个电缆头电缆中间头:用于电缆的延长,隔250m设一个3.母线⑴软母线:用于35kV以上的高压配电装置中⑵硬母线:用于高低压配电所TMY:硬铜母线LMY:硬铝母线4、线路敷设方式代号TC:用电线管敷设SC:用焊接钢管敷设SR:用金属线槽敷设CT:用桥架敷设PC:用硬塑料管敷设PEC:用半硬塑料管敷设5、线路敷设部位代号WE:沿墙明敷WC:沿墙暗敷CE:沿顶棚明敷CC:沿顶棚暗敷BE:沿屋架明敷BC:沿梁暗敷CLE:沿柱明敷CLC:沿柱暗敷FC:沿地板暗敷SCC:在吊顶内敷设6、线路在平面图上的表示a-b(c×d)e-fa:线路编号b:导线型号c:导线根数d:导线截面e:线路敷设方式f:线路敷设部位例:N1BV-3×4SC20–FC表示:N1回路,3根4mm2的铜芯聚氯乙烯塑料绝缘线,穿DN20的焊接钢管沿地板敷设7、灯具在平面图上的表示a:灯具数量b:灯具型号c:灯泡数量d:灯泡容量,W e:灯具安装高度f:灯具安装方式(X吸顶,B壁安,G吊杆式,L吊链式,R:嵌入式)L:光源种类例:8、电气工程系统图的识读⑴识读程序:先看图纸目录,再看施工说明,了解图例符号,系统结合平面.⑵识读要点:①供电方式和相数:高压还是低压供电,单相还是三相②进户方式:电杆进户、沿墙边埋角钢进户、地下电缆进户③线路分配情况④线路敷设方式:绝缘子布线、管子布线、线槽布线、电缆布线等⑤照明设备器具的布置:安装高度及平面位置⑥接地防雷情况⑶识读脉络:进户线—总配电箱—干线—分配电箱—支线—用电设备更深入的内容需要专业知识的储备了,作为一般现场的普通非安装施工员,熟悉上述内容就可以应该简单应付着看图了,剩下的就靠自己的积累了.。
工程图纸基础(名词、符号、代号大全)各位读友大家好,此文档由网络收集而来,欢迎您下载,谢谢篇一:图纸名词、符号、代号大全工程图纸名词大全建筑图纸符号大全在建筑设计图中,l表示是梁、ll表示是连续梁、ql表示圈梁、jl表示基础梁、tl表示是梯梁、dl表示是地梁,z表示柱、gz表示构造柱、kz表示框架柱,m表示是门、c表示是窗。
@表示钢筋间距Φ表示钢筋型号,下面谈谈一些经验,1、正规的建筑设计,要有设计者签名,建筑图纸负责人签名,审定者签名,校对人签名,并加盖出图章,注册执业章。
2、建筑设计图纸中,长度一般以mm为,有加以说明的除外;看图时注意结合“建筑用料说明”与其他图纸进行综合。
“建筑用料说明”中,在各小项的前面有打上“√ ”的,为该设计所采用的做法。
没有打勾的,非该设计所采用的做法。
3、如在建筑设计图中:“c20钢筋砼jl(240400)配4φ16络φ6@200箍。
”解读为:强度为c的钢筋混凝土结构的基础梁,宽240mm,高400mm,配4条直径16厘(16mm)螺纹的主钢筋,每间隔200mm箍一个直径6厘的钢筋长方形环络。
(长方形环络长约340--350 mm ,宽约180mm--190mm)。
4、如在建筑设计图中:“c20砼小柱(240240)配4φ12箍]6@200。
”其中,“]6@200”为不规范标注,应为“φ6@200”。
解读为:强度为c20的钢筋混凝土结构的小梁,截面为长240mm,宽240mm,配4条直径12厘(12mm)螺纹的主钢筋,每间隔200mm箍一个直径6厘钢筋的长方形络。
小柱高度看该工程所标示的层高减去圈梁的高度后加上板面的厚度,因为圈梁与板面是浇筑在一起。
5、如在建筑设计图中:m5水泥砂浆砌mu10贝灰砂砖。
“m5”表示水泥砂浆的强度等级,“mu10”表示贝灰砂砖的强度等级。
mu10代表贝灰砂砖的抗压强度平均值≥10mpa。
6、ql表示圈梁,圈梁的做法,通常用于砖混房屋建筑结构(混合结构),即先砌墙,后用钢筋混凝土浇筑圈梁及板面。
电气管线敷设字母代号符号名称符号解释一、电线穿线管一般有PC PVC管SC焊接钢管KBG扣压式镀锌薄壁电线管JDG紧定式镀锌薄壁电线管二、电气设计施工图中常用线路敷设方式SR沿钢线槽敷设BE沿屋架或跨屋架敷设CLE沿柱或跨柱敷设WE沿墙面敷设CE沿天棚面或顶棚面敷设ACE在能进入人的吊顶内敷设BC暗敷设在梁内CLC暗敷设在柱内WC暗敷设在墙内CC暗敷设在顶棚内ACC暗敷设在不能进入的顶棚内FC暗敷设在地面内SCE吊顶内敷设,要穿金属管三、导线穿管表示SC焊接钢管MT电线管PC-PVC塑料硬管FPC阻燃塑料硬管CT桥架MR金属线槽M钢索CP金属软管PR塑料线槽RC镀锌钢管四、导线敷设方式的表示DB直埋TC电缆沟BC暗敷在梁内CLC暗敷在柱内WC暗敷在墙内CE沿天棚顶敷设CC暗敷在天棚顶内SCE吊顶内敷设F地板及地坪下SR沿钢索BE沿屋架,梁WE沿墙明敷五、灯具安装方式的表示CS链吊DS管吊W墙壁安装C吸顶R嵌入S支架CL柱上SR沿钢线槽BE沿屋架或跨屋架CLE沿柱或跨柱SC穿焊接钢管敷设MT穿电线管敷设PC穿硬塑料管敷设FPC穿阻燃半硬聚氯乙烯管敷设CT电缆桥架敷设MR金属线槽敷设PR塑料线槽敷设M用钢索敷设KPC穿聚氯乙烯塑料波纹电线管敷设CP穿金属软管敷设DB直接埋设TC电缆沟敷设六、导线敷设部位的标注AB沿或跨梁(屋架)敷设BC暗敷在梁内AC沿或跨柱敷设CLC暗敷设在柱内WS沿墙面敷设WC暗敷设在墙内CE沿天棚或顶板面敷设CC暗敷设在屋面或顶板内SCE吊顶内敷设FC地板或地面下敷设塑壳断路器(英文简称为MCCB)。
建筑电气符号与代号大全
建筑电气符号与代号是在建筑电气工程中用于表示电气设备、线路和电气元件的图形符号和标记。
它们是建筑电气工程设计、施工和维护中非常重要的一部分,能够帮助工程师和技术人员准确地理解和识别电气设备和线路。
下面是一些常见的建筑电气符号与代号:
1. 电源符号:
- 交流电源:表示为一个波浪线,上面标有字母“AC”。
- 直流电源:表示为一条平行线,上面标有字母“DC”。
2. 开关符号:
- 单刀单掷开关:表示为一个带有一个移动触点的开关。
- 双刀双掷开关:表示为一个带有两个移动触点的开关。
3. 灯具符号:
- 白炽灯:表示为一个带有一个填充的圆圈,圆圈上方有一个波浪线。
- 荧光灯:表示为一个带有两个填充的圆圈,圆圈上方有一个波浪线。
4. 插座符号:
- 墙壁插座:表示为一个带有两个平行线的矩形,线的末端有一个小圆圈。
- 地面插座:表示为一个带有一个填充的矩形,矩形上方有一个波浪线。
5. 电缆符号:
- 电力电缆:表示为一条平行线,线上有一个波浪线。
- 通信电缆:表示为一条平行线,线上有一个小圆圈。
6. 保护装置符号:
- 断路器:表示为一个带有一个弯曲箭头的矩形。
- 熔断器:表示为一个带有一个填充的圆圈,圆圈上方有一个波
浪线。
这些只是建筑电气符号与代号中的一小部分,实际上还有很多其他
的符号和代号。
在进行建筑电气工程设计和施工时,工程师和技术
人员需要根据具体的项目要求和标准,选择合适的符号和代号进行
标记和绘制图纸。
这样可以确保电气设备和线路的安全运行和维护。
电气敷设符号一、电线穿线管的表示:PVC管:PC20、焊接钢管:SC20、扣压式镀锌薄壁电线管:KBG20、紧定式镀锌薄壁电线管:JDG20、二、电气设计施工图中常用线路敷设方式:SR:沿钢线槽敷设BE:沿屋架或跨屋架敷设CLE:沿柱或跨柱敷设WE:沿墙面敷设CE:沿天棚面或顶棚面敷设ACE:在能进入人的吊顶内敷设BC:暗敷设在梁内CLC:暗敷设在柱内WC:暗敷设在墙内CC:暗敷设在顶棚内ACC:暗敷设在不能进入的顶棚内FC:暗敷设在地面内SCE:吊顶内敷设,要穿金属管一,导线穿管表示SC-焊接钢管MT-电线管PC-PVC塑料硬管FPC-阻燃塑料硬管CT-桥架MR-金属线槽M-钢索CP-金属软管PR-塑料线槽RC-镀锌钢管二,导线敷设方式的表示DB-直埋TC-电缆沟BC-暗敷在梁内CLC-暗敷在柱内WC-暗敷在墙内CE-沿天棚顶敷设CC-暗敷在天棚顶内SCE-吊顶内敷设F-地板及地坪下SR-沿钢索BE-沿屋架,梁WE-沿墙明敷三,灯具安装方式的表示CS-链吊DS-管吊W-墙壁安装C-吸顶R-嵌入S-支架CL-柱上沿钢线槽:SR沿屋架或跨屋架:BE沿柱或跨柱:CLE穿焊接钢管敷设:SC穿电线管敷设:MT穿硬塑料管敷设:PC穿阻燃半硬聚氯乙烯管敷设:FPC电缆桥架敷设:CT金属线槽敷设:MR塑料线槽敷设:PR用钢索敷设:M穿聚氯乙烯塑料波纹电线管敷设:KPC穿金属软管敷设:CP直接埋设:DB电缆沟敷设:TC导线敷设部位的标注沿或跨梁(屋架)敷设:AB暗敷在梁内:BC沿或跨柱敷设:AC暗敷设在柱内:CLC沿墙面敷设:WS暗敷设在墙内:WC沿天棚或顶板面敷设:CE暗敷设在屋面或顶板内:CC吊顶内敷设:SCE地板或地面下敷设:FCHSM8-63C/3P DTQ30-32/2P 这两个应该是两种塑壳断路器的型号,HSM8-63C/3P 适用于照明回路中,为 3 极开关,额定电流为 63A(3 联开关)DTQ30-32/2P 也是塑壳断路器的一种,额定电流 32A,2 极开关导线敷设方式的标注名称旧代号新代号用瓷瓶或瓷柱附设CPK用塑料线槽附设XCPR用钢线槽附设SR穿水煤气管附设RC穿焊接钢管附设GSC穿电线管附设DGTC穿聚氯乙烯硬质管附设VGPC穿聚氯乙烯半硬质管附设RVGFPC穿聚氯乙烯塑料波纹电线管附设KPC 用电缆桥架附设CT用瓷夹附设CJPL用塑料夹附设VJPCL用金属软管附设SPGCP沿钢索附设SSR沿屋架或跨屋架附设LMBE沿柱或跨柱附设ZMCLE沿墙面附设QMWE沿天棚面或顶板面附设PMCE在能进人的吊顶内附设PNMACE暗敷设在梁内LABC 暗敷设在柱内ZACLC暗敷设在墙内QAWC暗敷设在地面内DAFC暗敷设在顶板内PACC暗敷设在不能进人的吊顶内PNAACC 导线敷设方式的标注名称旧代号新代号线吊式CP自在器线吊式XCP固定线吊式XCP防水线吊式XCP吊线器式XCP链吊式LCH管吊式GP壁装式BW吸顶式或直附式DS嵌入式RR顶棚内安装DRCR墙壁内安装BRWR台上装TT支架上安装JSP柱上安装ZCL座装ZHHM。
管材符号及敷设⽅式代号管路敷设标注⽅法sc:焊接钢管tc:电线管薄钢管pc:硬质塑料管ct:电缆桥架cp:⾦属软管SR:钢线槽RC:⽔煤⽓管导线敷设部位:CT:电缆桥架敷设SR:沿钢索敷设CLE:沿柱或跨柱敷设WE:沿墙⾯敷设CC:沿现浇板内暗敷设CE:沿天棚⾯或顶棚⾯敷设AC:吊顶内敷设ACE:在能进⼊的吊顶在敷设BC:暗敷设在梁内CLC:暗敷设在柱⼦内wc:暗敷设在墙内WE:沿墙明敷设FC:预埋在地⾯内cc:暗敷设在顶板内⼀下是我收集的电⽓设计施⼯图中常⽤线路敷设⽅式:SR:沿钢线槽敷设BE:沿屋架或跨屋架敷设CLE:沿柱或跨柱敷设WE:沿墙⾯敷设CE:沿天棚⾯或顶棚⾯敷设ACE:在能进⼊⼈的吊顶内敷设BC:暗敷设在梁内CLC:暗敷设在柱内WC:暗敷设在墙内CC:暗敷设在顶棚内ACC:暗敷设在不能进⼊的顶棚内FC:暗敷设在地⾯内SCE:吊顶内敷设,要穿⾦属管⼀,导线穿管表⽰SC-焊接钢管MT-电线管PC-PVC塑料硬管FPC-阻燃塑料硬管CT-桥架MR-⾦属线槽M-钢索CP-⾦属软管PR-塑料线槽RC-镀锌钢管⼆,导线敷设⽅式的表⽰DB-直埋TC-电缆沟BC-暗敷在梁内CLC-暗敷在柱内WC-暗敷在墙内CE-沿天棚顶敷设CC-暗敷在天棚顶内SCE-吊顶内敷设F-地板及地坪下SR-沿钢索BE-沿屋架,梁WE-沿墙明敷三,灯具安装⽅式的表⽰CS-链吊DS-管吊W-墙壁安装C-吸顶R-嵌⼊S-⽀架CL-柱上沿钢线槽:SR沿屋架或跨屋架:BE沿柱或跨柱:CLE穿焊接钢管敷设:SC穿电线管敷设:MT穿硬塑料管敷设:PC穿阻燃半硬聚氯⼄烯管敷设:FPC 电缆桥架敷设:CT⾦属线槽敷设:MR塑料线槽敷设:PR⽤钢索敷设:M穿聚氯⼄烯塑料波纹电线管敷设:KPC穿⾦属软管敷设:CP直接埋设:DB电缆沟敷设:TC导线敷设部位的标注沿或跨梁(屋架)敷设:AB暗敷在梁内:BC沿或跨柱敷设:AC暗敷设在柱内:CLC沿墙⾯敷设:WS暗敷设在墙内:WC沿天棚或顶板⾯敷设:CE暗敷设在屋⾯或顶板内:CC吊顶内敷设:SCE地板或地⾯下敷设:FCHSM8-63C/3PDTQ30-32/2P 这两个应该是两种塑壳断路器的型号,HSM8-63C/3P 适⽤于照明回路中,为3极开关,额定电流为63A(3联开关)DTQ30-32/2P 也是塑壳断路器的⼀种,额定电流32A,2极开关其他那些符号都是关于导线穿管和敷设⽅式的⼀些表⽰⽅法,你对照着查⼀下。
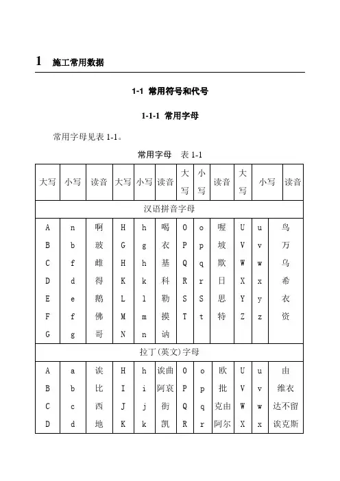
现行有效的“五强两比”检测标准及取样方法 页脚内容1 1 施工常用数据 1-1 常用符号和代号 1-1-1 常用字母 常用字母见表1-1。 常用字母 表1-1
注:读音均系近似读音。 现行有效的“五强两比”检测标准及取样方法
页脚内容2 1-1-2 常用符号 1-1-2-1 数学符号 数学符号见表1-2。 数学符号 表1-2 现行有效的“五强两比”检测标准及取样方法
页脚内容3 1-1-2-2 法定计量单位符号 我国法定计量单位(以下简称法定单位)包括: 1.国际单位制(SI)的基本单位(见表1-3) 现行有效的“五强两比”检测标准及取样方法 页脚内容4 国际单位制(SI)的基本单位 表1-3 量的名称 单位名称 单位符号 长度 米 m 质量 千克(公斤) kg 时间 秒 s 电流 安[培] A 热力学温度 开[尔文] K 物质的量 摩[尔] mol 发光强度 坎[德拉] cd
注:1.圆括号中的名称,是它前面的名称的同义词。 2.无方括号的量的名称与单位名称均为全称。方括号中的字,在不致引起混淆、误解的情况下,可以省略。去掉方括号中的字即为其名称的简称。下同。 3.人民生活和贸易中,质量习惯称为重量。 2.国际单位制(SI)的辅助单位(见表1-4) 国际单位制(SI)的辅助单位 表1-4 量的名称 单位名称 单位符号 平面角 弧度 rad 立体角 球面度 sr
3.国际单位制(SI)中具有专门名称的导出单位(见表1-5) 国际单位制(SI)中的导出单位 表1-5 量的名称 单位名称 单位符号 其他表示式例 频率 赫[兹] Hz s-1 力;重力 牛[顿] N kg·m/s2 压力;压强;应力 帕[斯卡] Pa N/m2 能量;功;热 焦[耳] J N·m 功率;辐射通量 瓦[特] W J/s 电荷量 库[仑] C A·s 电位;电压;电动势 伏[特] V W/A 电容 法[拉] F C/V 电阻 欧[姆] Ω V/A 电导 西[门子] S A/V 磁通量 韦[伯] Wb V·s 磁通量密度;磁感应强度 特[斯拉] T Wb/m2 电感 亨[利] H Wb/A 摄氏温度 摄氏度 ℃ 光通量 流[明] lm cd·sr 光照度 勒[克斯] lx 1m/m2 放射性活度 贝可[勒尔] Bq s-1 吸收剂量 戈[瑞] Gy J/kg 剂量当量 希[沃特] Sv J/kg 现行有效的“五强两比”检测标准及取样方法 页脚内容5 4.国家选定的非国际单位制单位(见表1-6) 国家选定的非国际单位制单位 表1-6
注:1.平面角单位度、分、秒的符号,在组合单位中应采用(°)、(')、(")的形式。例如,不用°/s而用(°)/s。 2.升的符号中,小写字母l为备用符号。 3.公顷的国际通用符号为ha。 4.r为“转”的符号。 5.用于构成十进倍数和分数单位的词头(见表1-7 ) 构成十进倍数和分数单位的词头 表1-7 现行有效的“五强两比”检测标准及取样方法
页脚内容6 注:104称为万,108称为亿,1012称为万亿,这类数词的使用不受词头名称的影响,但不应与词头混淆。
1-1-2-3 文字表量符号 文字表量符号见表1-8。 文字表量符号 表1-8 现行有效的“五强两比”检测标准及取样方法
页脚内容7 现行有效的“五强两比”检测标准及取样方法
页脚内容8 现行有效的“五强两比”检测标准及取样方法
页脚内容9 现行有效的“五强两比”检测标准及取样方法
页脚内容10 1-1-2-4 化学元素符号 化学元素符号见表1-9。 化学元素符号 表1-9
1-1-2-5 常用构件代号 常用构件代号见表1-10。 常用构件代号 表1-10 现行有效的“五强两比”检测标准及取样方法
页脚内容11 注:1.预制钢筋混凝土构件、现浇钢筋混凝土构件、钢构件和木构件,一般可直接采用本附录中的构件代号。在绘图中,当需要区别上述构件的材料种类时,可在构件代号前加注材料代号,并在图纸中加以说明。 2.预应力钢筋混凝土构件的代号,应在构件代号前加注“Y”,如Y-DL表示预应力钢筋混凝土吊车梁。
1-1-2-6 塑料、树脂名称缩写代号 塑料、树脂名称缩写代号见表1-11。 塑料、树脂名称缩写代号 表1-11 现行有效的“五强两比”检测标准及取样方法
页脚内容12 现行有效的“五强两比”检测标准及取样方法
页脚内容13 1-1-2-7 常用增塑剂名称缩写代号 常用增塑剂名称缩写代号见表1-12。 常用增塑剂名称缩写代号 表1-12
1-1-2-8 建筑施工常用国家标准编号 标准编号中,凡有“T”符号的标准,均为推荐性标准。建筑施工常用国家标准见表1-13。 建筑施工常用国家标准 表1-13 序号 标准编号 标准名称
1 GB/T 50001-2001 房屋建筑制图统一标准
2 GBJ 2-86 建筑模数协调统一标准
3 GB 50003-2001 砌体结构设计规范
4 GB 50005-2002 木结构设计规范
5 GBJ 6-86 厂房建筑模数协调标准
6 GB 50007-2002 建筑地基基础设计规范
7 GB 50009-2001 建筑结构荷载规范
8 GB 50010-2002 混凝土结构设计规范
9 GB 50011-2001 建筑抗震设计规范
10 GBJ 13-86 室外给水设计规范
11 GBJ 14-87 室外排水设计规范
12 GBJ 15-88 建筑给水排水设计规范
13 GBJ 16-87 建筑设计防火规范
14 GB 50017-2002 钢结构设计规范
15 GBJ 18-87 冷弯薄壁型钢结构技术规范
16 GBJ 19-87 采暖通风和空气调节设计规范 现行有效的“五强两比”检测标准及取样方法 页脚内容14 17 GB 50021-2001 岩土工程勘察规范
18 GB 50023-95 建筑抗震鉴定标准
19 GBJ 25-90 湿陷性黄土地区建筑规范
20 GB 50026-93 工程测量规范
21 GBJ 27-88 供水水文地质勘察规范
22 TJ 32-78 热力工程抗震设计规范
23 GB 50034-92 工业企业照明设计标准
24 GB 50037-96 建筑地面设计规范
25 GB 50038-94 人民防空地下室设计规范
26 GBJ 39-90 村镇建筑设计防火规范
27 GB 50040-96 动力机器基础设计规范
28 GB 50041-92 锅炉房设计规范
29 GBJ 42-81 工业企业通信设计规范
30 GBJ 43-82 室外给水排水工程设施抗震鉴定标准
31 GBJ 44-82 室外煤气热力工程设施抗震鉴定标准
32 GB 50045-95 高层民用建筑设计防火规范
33 GB 50046-95 工业建筑防腐蚀设计规范
34 GBJ 51-83 烟囱设计规范
35 GB 50052-95 供配电系统设计规范
36 GB 50053-94 10kV及以下变电所设计规范
37 GB 50054-95 低压配电装置及线路设计规范
38 GB 50055-93 通用用电设备配电设计规范
39 GB 50056-93 电热设备电力装置设计规范
40 GB 50057-94 建筑物防雷设计规范
41 GB 50058-92 爆炸和火灾危险环境电力装置设计规范
42 GB 50061-97 66kV及以下架空电力线路设计规范
43 GB 50062-92 电力装置的继电保护和自动装置设计规范
44 GBJ 65-83 工业与民用电力装置的接地设计规范
45 GBJ 66-84 制冷设备安装工程施工及验收规范
4GB 50068-2001 建筑结构可靠度设计统一标准 现行有效的“五强两比”检测标准及取样方法 页脚内容15 6 47 GBJ 75-84 建筑隔声测量规范
48 GBJ 77-85 钢筋混凝土筒仓设计规范
49 GBJ 78-85 烟囱工程施工及验收规范
50 GBJ 79-85 工业企业通信接地设计规范
51 GBJ 80-85 普通混凝土拌合物性能试验方法
52 GBJ 81-85 普通混凝土力学性能试验方法
53 GBJ 82-85 普通混凝土长期性能和耐久性能试验方法
54 GB/T 50083-97 建筑结构设计术语和符号标准
55 GB 50086-2001 锚杆喷射混凝土支护技术规范
56 GBJ 87-85 工业企业噪声控制设计规范
57 GBJ 50092-96 沥青路面施工及验收规范
58 GBJ 93-86 工业自动化仪表工程施工及验收规范
59 GB 50094-98 球形储罐施工及验收规范
60 GB/T 50100-2001 住宅建筑模数协调标准
61 GBJ 101-87 建筑楼梯模数协调标准
62 GB/T 50103-2001 总图制图标准
63 GB/T 50104-2001 建筑制图标准
64 GB/T 50105-2001 建筑结构制图标准
65 GB/T 50106-2001 给水排水制图标准
66 GBJ 107-87 混凝土强度检验评定标准
67 GB 50108-2001 地下工程防水技术规范
68 GBJ 112-87 膨胀土地区建筑技术规范
69 GB/T 50114-2001 采通空调制图标准
70 GBJ 117-88 工业构筑物抗震鉴定标准
71 GBJ 118-88 民用建筑隔声设计规范