刨花板生产含水率在线检测
- 格式:docx
- 大小:23.66 KB
- 文档页数:6
人造板材刨花板检验标准
人造板材刨花板是一种常见的建筑和家具材料,通常用于地板、墙板、家具等领域。
以下是一般的人造板材刨花板的检验标准:
1. 外观质量:包括表面平整度、色泽、疵点、裂纹、凹凸等外观质量的检验。
2. 尺寸和平直度:检验刨花板的长度、宽度、厚度以及平直度等尺寸和几何参数。
3. 密度和含水率:测定刨花板的密度和含水率,以评估其质量和稳定性。
4. 强度和硬度:包括静曲强度、抗弯强度、抗压强度、硬度等力学性能的检验。
5. 吸水性能:测定刨花板的吸水率和膨胀率,以评估其对水的稳定性。
6. 粘接强度:检验刨花板的板芯与面板之间的粘接强度,以评估其结构的牢固程度。
7. 甲醛释放量:测定刨花板中甲醛的释放量,以评估其环保性能。
8. 其他特殊性能:根据实际需要,还可以包括耐火性能、耐磨性能、耐腐蚀性能等特殊性能的检验。
以上是一般的人造板材刨花板的检验标准,具体的标准和检测方法可能会因地区、行业和产品要求的不同而有所差异。
在进行检验时,应当参考具体的国家标准、行业标准或企业标准进行操作。
含水率的测定方法
含水率的测定方法可以有多种,以下是常用的几种方法:
1. 烘干法:将样品在一定温度下加热,使水分蒸发,并通过称量样品质量的变化计算含水率。
常用的烘干温度为105,烘干至质量基本稳定。
2. 卡尔费伍尔试剂滴定法:将样品与卡尔费伍尔试剂反应生成酮衍生物,然后使用标准物质滴定至颜色改变,通过计算滴定液用量获取含水率。
3. 密度法:测量含水率对密度的影响。
通过测量样品的湿密度和干密度,然后使用公式计算含水率。
4. 法伊维特称重法:将样品浸入水中,并使用一根悬挂在样品上面的称重传感器测量其重量,通过测定的重量变化计算含水率。
5. 近红外光谱法:使用近红外光谱仪测量样品在特定波长的光强,通过建立含水率与光谱特征之间的关系模型,进行含水率的测定。
以上的方法仅为常用方法之一,选择适当的测定方法需要根据待测样品的性质和要求来确定。
刨花板1.什么叫刨花板?根据不同的分类依据对刨花板进行分类。
定义:利用施加胶料和辅料或未施加胶料和辅料的木材或非木材植物制成的刨花材料(如木材刨花、亚麻屑、甘蔗渣等)压制成的板材。
分类:a.按原料分:木质刨花板和非木质刨花板b.按胶粘剂分:有机胶粘剂刨花板和无机胶粘剂刨花板c.按结构的刨花长度方向分:定向刨花板和非定向刨花板;d.按结构的断面刨花分布分:单层结构刨花板、三层结构刨花板、多层结构刨花板和渐变结构刨花板e.按刨花形状分:普通刨花板、定向刨花板和华夫板f.按刨花板形状分:平面刨花板和异形刨花板g.按制造方法分:平压法、挤压法和辊压法h.按用途分:家具和室内装修、建筑在干燥状态下使用的普通用板;在干燥状态下使用的家具及室内装修用板;在干燥状态下使用的结构用板;在潮湿状态下使用的结构用板;在干燥状态下使用的增强结构用板;在潮湿状态下使用的增强结构用板。
2.谈谈刨花板的吸湿膨胀与木材的区别。
刨花板的吸湿膨胀率大于木材。
原因:应力释放,部分胶结破坏。
刨花板的不可逆吸湿膨胀。
原因:应力释放,部分胶结破坏。
3.谈谈刨花板吸水厚度膨胀率与密度的关系。
刨花板的吸水厚度膨胀率与密度、时间有关(浸水)。
时间短时,先与密度正相关而后负相关;时间长时,与密度正相关。
4.制造刨花时,原料含水率应控制在多少较好?为什么?制造刨花时,原料含水率应控制在40%-60%较为理想。
原因:(1)含水率过低,原料刚性大,发脆,易碎易裂。
(2)含水率过高,切削质量受到影响,而且增加干燥的负荷。
5.刨花有哪几种类型?其制备工艺有几种?刨花分特质刨花和废料刨花,其中特质刨花分为:窄长平刨花、宽平刨花、木片(削片刨花)、棒状刨花、针状(微型刨花)、纤维刨花;废料刨花分为:颗粒状刨花及木粉、工厂刨花。
刨花制备工艺包括直接刨片和先削片后刨片两种。
6.刨花的尺寸对刨花板的性能有何影响?如何确定其形状系数?刨花尺寸对板材性能的影响:(1)刨花长度:刨花最适宜的长度取决于刨花本身的强度和刨花之间的接触面积,过长会造成分布和施胶不均。
木材含水率(水分)的测试1、什么是木材的含水率?正常状态下的木材及其制品,都会有一定数量的水分。
我国把木材中所含水分的重量与绝干后木材重量的百分比,定义为木材含水率。
含水率可以用全干木材的重量作为计算基准,算出的数值叫做绝对含水率,并简称为含水率(W,%)。
计算公式:W=(Gs-Ggo)/ Ggo×100%其中:W——木材绝对含水率;Gs——湿木材重量;Ggoo——绝干材重量。
2、掌握木材含水率的重要性为什么有些木门、木地板、木制家具等木制品销售出去以后会出现开裂、变形等质量问题呢?怎样减少这些问题对木业企业的损失呢?木制品制作完成后,造型、材质都不会再改变,此时决定木制品内在质量的关键因素主要就是木材含水率和干燥应力。
生产制造企业需要正确掌握木制品的含水率。
当木制品使用时达到平衡含水率以后,这个时候的木材最不容易开裂变形。
3、木材干燥,越干越好吗?应该干燥到什么程度呢?木材置于一定的环境下,在足够长的时间后,其含水率会趋于一个平衡值,称为该环境的平衡含水率EMC。
当木材含水率高于环境的平衡含水率时,木材会排湿收缩,反之会吸湿膨胀。
例如,广州地区年平均的平衡含水率为15.1%,北京地区却为11.4%。
干燥到11%的木材用于北京是合适的,可用于广州将会吸湿膨胀,产生变形。
所以说,木材干燥要适当,并非越干越好。
不同地区、不同用途,对木材含水率的要求也是不一样的。
4、木材平衡含水率:木材在一定的空气状态下,最后达到的吸湿稳定含水率或解吸稳定含水率,叫做木材的平衡含水率(木材水分稳定状态)。
5、我国主要城市木材平衡含水率年平均值:。
纸张、纸板和纸箱水分测量、含水率检测的
四种方法
在造纸厂纸张、纸板和纸箱的生产工艺环节或实验室测样环节,都需要纸张、纸板和纸箱的水分含量、含水率进行测量,作为改进生产工艺水平的重要依据。
目前,比较常用的纸张、纸板和纸箱的水分含量、含水率检测方法主要有在线近红外纸张水分测量仪、便携式快速水分检测仪、实验室水分测定仪、卤素快速水分测试仪等四种,分别应用于不同现场水分测量需求。
1、造纸生产工艺纸张实时在线连续测量
德国默斯MS-580 在线近红外纸张水分测量仪,是一款非接触式的近红外水分仪,能够满足客户对于纸张水分分析的所有要求,实时监测,精度高,稳定性好,无需经常标定,对纸张颜色变化不明显,而且能够同现有系统实现无缝对接,无需增加其他硬件,安装、维护都很简单。
这款在线纸张水分测量仪,适用于各类造纸厂生产线上对纸张的水分含量进行在线动态连续测量,并可与其它设备方便连接组成纸张定量、水分监测系统或自动控制系统,实现自动化控制。
2、造纸生产现场纸张水分快速测量
便携式快速水分检测仪,高周波测试,便携式。
3、实验室纸张水分快速测量(国标烘干法)
实验室水分测定仪,,经济型,测试时间较长。
4、实验室纸张水分快速测量(卤素高效)
卤素快速水分测试仪,测试精度高,测试时间3~5分钟。
含水率检测方法含水率检测方法可是个很实用的东西呢!对于烘干法来检测含水率。
先取一定量的样品,这样品得有代表性呀,可不能随便抓一把就了事。
把样品放到干燥箱里,设置好合适的温度,一般来说像测定土壤含水率,105℃就挺合适。
就这么烘呀烘,一直烘到样品的重量不再变化为止。
这时候可一定要小心,干燥箱的温度设置错了那可就糟糕啦!像烤蛋糕温度错了蛋糕就失败了一样,这烘干的温度不对,检测结果肯定也是错得离谱。
安全性方面,只要按照操作规范来,干燥箱正常使用,就不会有什么危险,而且这种方法挺稳定的,只要操作准确,结果是很可靠的。
它的应用场景可多啦,像建筑工程里检测建筑材料的含水率,农业里检测土壤的含水率。
优势就是简单直接,结果比较准确。
比如说在建筑工程里,检测木材的含水率,要是含水率太高,木材容易变形腐烂,用烘干法一测,就能知道木材合不合格,多棒啊!还有电容法检测含水率。
通过测量样品的电容值来推断含水率。
这就需要用到专门的电容式含水率测定仪啦。
把仪器的探头和样品接触好,就能读出含水率的值。
这过程要注意仪器的校准,不然就像近视眼不戴眼镜看东西,结果肯定模模糊糊不准确。
在安全性上,只要仪器没故障,不存在什么安全隐患。
稳定性也不错,仪器正常的话,多次测量结果偏差不会太大。
应用场景呢,在食品加工行业检测食品的含水率就很合适。
比如说检测面包的含水率,这面包含水率合适口感才好呀。
优势就是快速,不像烘干法要等那么久。
这就好比坐高铁和坐普通火车的区别,电容法就是那高铁,快速得出结果。
再说说红外线干燥法。
利用红外线的能量使样品中的水分蒸发,同时检测水分蒸发的量来计算含水率。
操作的时候要把样品放在合适的位置,让红外线能均匀照射到。
这就像晒太阳,要晒得均匀才行呢。
安全性方面,红外线如果功率太大可能会有一定的热辐射风险,所以要按照规定使用设备。
稳定性还好,只要设备正常运行,结果比较稳定。
它在工业生产中应用比较多,比如检测纸张的含水率。
纸张含水率合适才能保证纸张的质量啊。
刨花板检验报告范文刨花板是一种用于室内装修和家具制造的常用建材,具有平滑、结实、耐用等特点。
为了确保刨花板的质量和安全性,需要经过严格的检验和测试。
以下是对刨花板的检验报告。
一、材料检验1.刨花板的原材料应为天然木材,并符合国家相关标准。
对刨花板的原材料进行取样,检测其湿度、含水率、木材种类等指标。
2.通过人工观察和试验分析,对刨花板的纹理、颜色、密度等进行检查。
确保其外观没有明显变形、裂纹、腐朽等缺陷。
二、物理性能检验1.密度测试:利用密度计对刨花板进行密度测试,确保其密度符合国家标准。
2.强度测试:通过拉伸、压缩等试验,测试刨花板的强度、抗冲击力、弹性模量等物理性能,确保其具备足够的承重能力和抗变形能力。
3.耐热性测试:将刨花板暴露在高温条件下,测试其耐热性能,确保刨花板不会变形或起泡。
4.耐潮湿性测试:将刨花板暴露在高湿度条件下,测试其耐潮性能,确保刨花板不会受潮、腐朽或发霉。
5.耐磨性测试:通过磨损试验,测试刨花板的耐磨性能,确保其表面不易破损或磨损。
三、环境检验1.甲醛释放量测试:采用国家标准方法,测试刨花板释放的甲醛含量是否符合安全标准,以确保刨花板不对人体健康造成损害。
2.环保标志检验:刨花板是否符合国家相关环保标志要求,有无违规添加有害物质等。
检查刨花板的环保认证证书和检验报告。
四、外观检验1.检查刨花板的表面光滑度,确保其表面平整、无明显凹凸感。
2.检查刨花板的棱角是否完整,确保无明显破损或毛刺。
3.通过目测和手摸,检查刨花板的颜色、纹理、质地等是否符合要求。
4.检查刨花板的尺寸精度,确保长度、宽度、厚度的差异在允许范围内。
综上所述,通过对刨花板的材料检验、物理性能检验、环境检验和外观检验,能够全面检测刨花板的质量和安全性。
同时,建议生产商在生产过程中加强质量控制,确保产品符合国家相关标准,并注重环保要求,提高消费者对产品的满意度和安全性的信任。
本标准参照采取国际ISO820-1975《刨花板定义和分类》;ISO9247-1989《人造板密度的测定》;ISO9425-1989《人造板含水率的测定》。
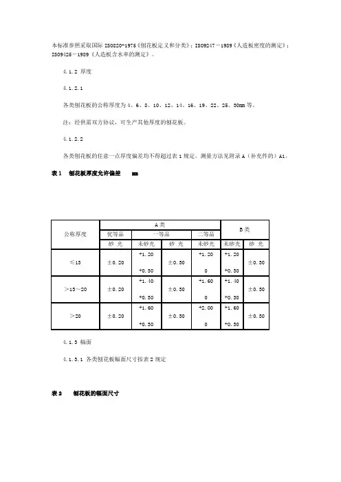
4.1.2 厚度4.1.2.1各类刨花板的公称厚度为4、6、8、10、12、14、16、19、22、25、30mm等。
注:经供需双方协议,可生产其他厚度的刨花板。
4.1.2.2各类刨花板的任意一点厚度偏差均不得超过表1规定。
测量方法见附录A(补充件的)A1。
表1刨花板厚度允许偏差mm4.1.3 幅面4.1.3.1 各类刨花板幅面尺寸按表2规定表2 刨花板的幅面尺寸注:经供需双方协议,可生产其他幅面尺寸的刨花板。
4.1.3.2 长度和宽度允许偏差为0~5mm 。
测量方法见附录A (补充件)的A2。
4.1.4 刨花板边缘不直度不超过1/1000(mm/mm )。
测量方法见附录A (补充件)的A3。
4.1.5 刨花板两对角线之差允许值按表3规定。
表3 刨花板两对角线差 mm4.1.6 刨花板翘曲度允许值按表4规定。
测量方法见附录A (补充件)的A4。
表4 刨花翘曲度4.1.7 刨花板的外观质量应符合表5规定。
表5 刨花板外观质量要求注:断痕、透裂、压痕计算方法见附录A(补充件)的A5、A6。
4.1.8 刨花板最低物理力学性能要求见表6-9。
表6 A类刨花板优等品物理力学性能指标表7A类刨花板一等品物理力学性能指标表8A类刨花板二等品物理力学性能指标表9A类刨花板二等品物理力学性能指标4.2 统计计算4.2.1 平均值一块板的平均值是由该板内n个试件的测试值的算术平均值,按式(1)计算:ˉX=1/n(X1+X2+......Xn)=1/n(n∑i=1)Xi (1)4.2.2 找出一张板的几个试件中最小值(静曲强度、内结合强度、表面结合强度)或最大值(吸水厚度膨胀率)。
4.3 性能值判定方法4.3.1 一张板的静曲强度、内结合强度、表面结合强度的平均值和任一试件的最低值必须满足:ˉX≥Su (2)Xmin≥0.8Su (3)式中:Su――表6、7、8、9中规定值。
1刨花板生产工艺参数的在线检测是提高生产过程透明度,帮助操作工人提高产品质里的十分必要的辅助手段,也里刨花饭生产线实施生产过程自动化监控系统(PCS)的最重要的技术基础。
现将一些与经最终产品质量有重要关系的参数的检侧技术及其发展作一个综合性的介绍1砚有的检测技术1.1板坯合水率检测板坯的含水率对其在压机中的热压过程有直接的影响。
热能的传递、木材流变学的变化过程、板坯中蒸汽的压力大小与排出.均与板坯中的含水量和含水位置有直接关系。
板坯的含水率受到下列几个因素的影响::木材原科本身的合水率.堆放的条件.干燥过程、胶水配方及拌胶方式进入压机前板坯表面是否喷水等。
最近几年在线含水率检测仪表主要采用下列检测位术:电阻针量伎术、红外线反射技术.微波技术应用这些技术必须注意下列的情况:电阻测湿表不能精确地测量板坯的含水率数值误差达6%以上,并且刨花含胶对电阻测量的精度也有一定影响。
采用红少线技术只能测量刨花板表面的合水率并且刨花的表而形状和颜色影响测量值的准确性。
采用微波技术检测的原理是,在同一个点场中木材与水呈现不同的介电常数〔特性).在电场中对几厘未厚的饭坯只是测量其平均的含水率。
通常微波发射器和接收器分别装在被测物的两边,而新型的微波测湿装置可将发生器与接收器组装在一起,安装在掌近被测物的支承架上,比如刨花料仓的仓壁上。
被测材料密度的变化对介电常数有较大的影响.对于被测物密度的变化.可以用射线技术检侧.修止和补偿.其它方法是利用电场的两个不同的特性参数(频率的衰减和移相)进行检侧,它们均与密度和含水率有关。
因为微波检测装置价格昂贵.直到现在它们很少用于人造板工业。
但是随着现代硬软件的发展·不久的将来这种状况可能将会改变。
所有的这些检测仪表,都需要定期的调校,到现在为止均无法做到全自动校准。
12成型扳坯密度检测板坯纵向与横向的密度变化将导致刨花板厚度.密度和机械性能的偏差。
几年来采用射线吸收的方法,侧定密度变化巳经取得良好的效果。
一些新的检测装置已经采用x射线源(伦琴射线管)代替r射线源。
当设备电源关晰断时.X射线停止发射,这祥就便于在生产线上安装检侧设备使原来采用的恒发射射线变为可控地发射.如果板坯成型采用多层铺坯方式,各层的铺装厚度是制板的关健.不同层之间只有对称铺装才能使3 月终的成品板达到期里的稳定性和坚固性才能达到要求的帆械甘能。
如果表层与芯层各自铺袭为达到对称翻瑕,可以在各层铺装处采用皮帝称或者卜述的丫尉线检侧设备进行植酗。
践至目前为十,板厚度方向上的对科胜.主要用成板的断面留度检侧来进行评九濡要注惫的是对这神对称性的评判还必须注意到其它方面因素的彭咆比如不间木材原科混合的均匀性$7lj板任热压过程的6侧压机是刨花板生产级中的关决设备其沮度.压力、压饭之间开伶的距离、加压时间或〔连续式压机〕钢带的慈度等都是影响刨花板质量和产量的里要因索在豆个压制过程中,这些因索都可以被役测和控制仑在连续式任机中无论长度方向的各个框架或宽度方向的各个油缸都可以检侧压力和温度.在压机生产过程中蠕的大里的M制祀序,现在都已经可以设计井可正常运行4j月压机之后板的质里控制当毛板离开压视之1} I终端产品的质目眺可以得列初始的信息后处理工段的加工可能只会使几个性能产生变化,主要有:板的厚度的变化.板纵横向密度的变化板断面(厚度方向j密及的空化、弹性模量的变化.表面质亘的变化等板厚的检浏方法有接肥祖测.如带传感器压辊;非接触式性酗.如橄光厚度月函仪对板中豉泡的检侧.通过探测右声波信号在板厚度方向上的衰渡来性侧采用这种装盆甚至可以侧出通常无法位侧到的小汽饱,也能探侧在饰面」艺加工叫呼理的许多特殊的映陷。
一仲称之为趋势分析,的技术。
可以显示非常小的汽饱,成为娘高板的内在质且的指示器,但是至今对欲饱还设有什么直佳的克服手段或纠正措施市场h提供的新的俭洲装皿往往把侧厚与检酗鼓泡分层结合在起.成者起安旅在同一个支架上这样做可以节省安簇空问.降低成本,成品饭重量的冲妾侧通过安装在运输饥上的重且称来执行成品板宽度方向密度变化的检侧如同成皿之后的板址~禅采用核于妇线发射器来渔d'显近,Yr业的在线断面臼度俭溅没各巳经问世,其中有一种设备是来用伦琴射线发射器,通过x_朗被吸收的多少夹评估检侧结梁它安盔在冷却翻板旅之前在板5停.卜运动的端口上另一种也是利用X一月」续砚,但它采用厦普菠艘射效应来评估栓侧给果当扳遇过检侧机构时便可连续检次L密度分布扫描能够无砂揭不板的断面招度是否匀称.且有匀称的断面密度对刚花板的加工应用,f常重要。
断面密度检洲可I,% t更换舰格生产的召动试机周朗,在较短的时阅内使成品板达到期雯的性能容数.断面密度分布与施胶因宜无关,但与木材的种塑或创花的形态等有关与压实致去的相关因索有关通常无庆扭测板的断面密度分布与板的内结合特性之间的关系。
月前最新的裳里已掩盈光侧厚与断面密度粗侧组裘在一走直到现在,无沦是砂光或不砂究硕的表面都是靠目幽检验的最近钟检查饭裹面质且的技术设备已经投放市场.板表面卜的油边砂光过旦的痕进.帕尘和过大的刨花它都可以检测出来在I常的情况下可以说因为受制于当前的技术扣知识背景,所有的检测装I在各种应用场合中都难免存在一些局限。
值得注意的是在监视牛产过程的参数变化e".是否确实得到期望的搜术参盆并不一定重要,能够得到牛产讨I念胶的空化与发属趋势目就足够了。
62有里开发的断住术介日前为止」现有的在续脸侧技术仍然存在着一些空档尤其是生产绷的备科工段缺少得力的桂洲设备。
这些空档有必要场』检侧设备以提高生产过程的进明度么】木材堆场通常认为生产线第一道工序的技术奋触的交化对后遭工序所引起的作用是不可忽略的.但是目前只能到阵低其影响。
正常的生产条行应从木材堆场杯起.其柑关的技术参歌对盛个生产过程是重要的即使有的厂商能够采用单一的木材原拼但仍然存在一些可变的因众影响到后道下序。
这些因萦包恬;木材原料的吉水甲生物降解总量、pH值、服木直径或本片的短」合残舀和例农的含量导。
还有个重要的悄况是,原料骨由几种不同的木材混合在一拐而且回收的旧木材所占比翻履来越多所有这此困索都直度地影响到后道工序比如刨片的生产过程.且终它将影响成品板的性能至今还浸刁争种设备能留用来相洲和描绘生产原村的混合与厕量的状况但是有一种方祛能够也定生产廿界和终端产品的后奋那献是拼人侧片机的木断7.原科要保持恒定的台鲤的配比。
木材堆场的存作工人应该艘得术材原科混合对生产的班响.应该知遣不同的板型来用哪一种木讨最好以及生产线将要生产的足哪一种板型木衍堆场应留有足够的场地.存贮无足的原科,以均衡供应商无规岸的列材2z创片刨花的质皿如细匕比.尺寸或树皮含量等部夏接影响到成品板的物理力学性能和衷面质且为了改进胡花板的品质,人们作了许多努力.例如改变明片帆和打王帆的设汁采用新的筛选方式.分离出尺寸不合格的木片,水洗及剔除金属物等但是至今还没有一种设备能郎完成对刨花质旦的监找只能通过时刨片机电能消死的盈视寮觉刀片的磨恨,从而闻接地监径创花的质且r其它的方法是抽取样品在实骏室进行筛分试骑在役恻的花的尺寸方面.目前正在开发两种图象分析位甜系统一种系统是将刨花片品敖布在灯泡下的桌子上,用致码相砚拍照再由专门的软件未出刨花J吧寸的分布情况;另一种系统足让刨花在摄像机前临下检侧其尺寸大小后一种系统可在单位时间内脸侧更多的刨花a由于随机定向地让朋花出现在摄像饥前,其长宽的磨确信息只能采用数理统计方法来计算但是其中成团的创花可能分不并,从而月莽响脸绷的结果直到现在两种枪侧系统只肥检酗刨花的2个尺寸筛分法和成份分析法的物理琢班尼不同的因此难于对比它们的检侧结果8丈」施胶(井胶)施胶月的多少PLM影响到的花板的最终性能,同时它也是近几年彬响刨花扳成本的主要因承。
借助于01花物科的皮带佛施胶竣可以极据酮花压按比例计算控制为了降低脸耗.胶在刨花上的分布必须优化和H制但时至今9仍M没有买现这一相侧的工几目前正在开发的这一份侧工具的技术与N9花尺寸检翻差不多.是采用成像分析技术.但这里是利用胶水分布在刨花上引起的着色$化来分析汁算的另一种正在开发的方法是应用近红外的滋术,有点象合水率的检侧但是采用的颇满范圈不同,之4板还成吧板的厚H方问上叨花尺寸大小的分布是一十影rtl创花板强度的重耍因衷只有不同层对称铺狡,才能实理最终产品尺寸的倪定〔不变形)和砚d十能的对9称。
目前,只能it断面击度分布检酗实际上还应考虑材科种类等篆些形喇#素检侧板坯1度和!5度方向侧花分布的信息.可以据助找们理立成型工段的闭环控制。
舫后处理质且监控直到现在板的机拓性能.如内结合力.弹性樱量.舒曲强度还不能在线趋侧现在有」呱技术正在开发有的采用检测名声渡在板的月巨方向的传播速度来神沾产品性能.超声谧的传播速度可以很好地预洲板的V3结合力有的用棍子传感头来发射和搜收昭声波汉堡大学木材拍术不正在研究用3气作为检侧姐介8免发It与接收留声波时传感器与板接触这种技术可以克服很子与板犯接触所带来的园捆其它方法还有采用板的共振颇幸检91弹性模且弋MoEJ和fi曲强度晚MOR夕成品板必须固定在支承物的fn定节tY1.例如,冷却翻板轮中有一个特制的框架用电子馋轻段来州吸光头来探侧共#频率。
仅坚大学木材技术系拍助于MOE的采鑫来监控m产讨程和预侧成品板的庙目103绍论如果在压机之后很短的时间间隔内能够在线劝接脸侧和监砚成板的拴能+就可以马上知道板的质t变化‘结合在线检侧搜术传送的信息前工段不同舍数之间的和互关系可以变得更加汤明可以减小产品性能的安化,从而提高产品质受的宏全系数。
怪作工人在脸侧伯息的路础上+可以手动优化生产工艺.通过在线钮侧启息的迅速反切会试和云夕进生产比妇另一方面也可以把即作工人的生产经验咬成技术诀窍)与在线检附反加信息及智能数据库睹合起来建立期望的牛产过程径制系统(代S儿〔资任编妞1丁炳盆]曰啼嘴份呀昭咐昭啪.创.月.们姗馏l上拍多?页胭几迄略功挽性中呼帆开岌与研创盯木衬加工机陇一99,(4J卜布I明徐刽璧.峪居早计本中密度汗草帆的研创团论皿人政祖,彬盯14〕弓弓I]]甩皿译月派滨周宁哥份阴里+密度开雌板的研创肚旅产二业二臼1,困(日1于,‘I〕孙帝趁拼沱仔开草妞吸率往加吸滋性的研兜m政亘人返姐19趁咬1玉苗盆11习推东阳食晓苹欣绍念辛石于1位功开印板的吸水住及防术拍盆田里皮上毕毕框洲.1,24臼无」”一别11钊周晓点国外枯脚人过艘尺寸德定搜的研宪筱术口薄产二业2山卫盯比J卜咬〔贵任闰妞:关绍姗]。