各种硬母线安装要求及规定
- 格式:doc
- 大小:42.50 KB
- 文档页数:2
硬母线安装
本工程高压柜与原高压柜间的连接、变压器与低压进线柜的连接、低压柜之间的连接受配电场所限制,有采取硬母线连接的要求,硬母线连接应注意以下事项:
1、硬母线表面应光洁平整,不应有裂纹、折皱、夹杂物及变形和扭曲现象;
2、母线与母线、母线与电气接线端子搭接时,其搭接面必须搪锡处理,其余部分按相色涂绝缘漆。
3、母线的相序排列,按设计规定排列:
1)上、下布置的交流母线,由上到下排列为A、B、C相;
2)水平布置的交流母线,由盘后向盘面排列为A、B、C相;
4、母线涂漆的颜色应符合下列规定:
三相交流母线:A相为黄色,B相为绿色,C相为红色。
5、母线下列各处不应刷相色漆:母线的螺栓连接及支持连接处、母线与电气的连接处以及距所有连接处10mm以内的地方。
6、母线应矫正平直,切断面应平整。
7、相同布置中的主母线、分支母线、引下线及设备连接应对称一致,横平竖直,整齐美观。
8、母线接头螺孔的直径宜大于螺栓直径1mm,钻孔应垂直,不歪斜,螺孔间中心距离的误差应为±0.5mm。
9、母线与母线或母线与电气接线端子的螺栓搭接面的安装,应符合下列要求:
1)母线接触面加工后必须保持清洁,并涂以电力复合脂;
2)母线平置时,贯穿螺栓应由下往上穿,其余情况下,螺母应置于维护侧,螺栓长度宜露出螺母2~3扣;
3)贯穿螺栓连接的母线两外测均应有平垫圈,相邻螺栓垫圈间应有3mm以上的净距,螺母侧应装有弹簧垫圈或锁紧螺母;
4)螺栓受力应均匀,不应使电气的接线端子受到额外应力;。
4.4.13 室内配电装置的母线应满足如下安全距离:带电体至接地部分:20mm;不同相的带电体之间:20mm;无遮栏裸母线至地面:屏前通道为2.5m,低于2.5m时应加遮护,遮护后护网高度不应低于2.2m;屏后通道为2.3m,当低于2.3m时应加遮护,遮护后的护网高度不应低于1.9m。
不同时停电检修的无遮栏裸母线之间水平距离为1875mm;与电器连接处不同相裸母线最小净距离为12mm。
4.4.14 母线与母线、母线与电器端子连接时,应符合下列规定:a)铜与铜连接时,室外高温且潮湿或对母线有腐蚀性气体的室内,必须搪锡,在干燥的室内可直接连接;b)铝与铝连接时,可采用搭接,搭接时应净洁表面并涂以导电膏;c)铜与铝连接时,在干燥的室内,铜导体应搪锡,室外或较潮湿的室内应使用铜铝过渡板,铜端应搪锡。
4.4.15 相同布置的主母线、分支母线、引下线及设备连接线应一致,横平竖直,整齐美观。
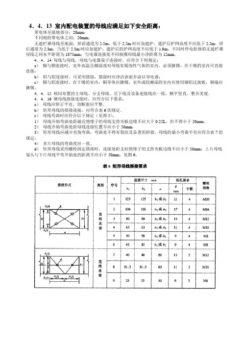
4.4.16 硬母线搭接连接时,应符合以下要求:a)母线应矫正平直,切断面应平整。
b)矩形母线的搭接连接,应符合表6的规定。
c)母线弯曲时应符合以下规定(见图5)。
1)母线开始弯曲处距最近绝缘子的母线支持夹板边缘不应大于0.25L,但不得小于50mm;2)母线开始弯曲处距母线连接位置不应小于50mm;3)矩形母线应减少直角弯曲,弯曲处不得有裂纹及显著的拆皱,母线的最小弯曲半径应符合表7的规定;4)多片母线的弯曲度应一致。
d)矩形母线采用螺栓固定搭接时,连接处距支柱绝缘子的支持夹板边缘不应小于50mm;上片母线端头与下片母线平弯开始处的距离不应小于50mm,见图6。
表6 矩形母线搭接要求表7 母线最小弯曲半径(R)值a―母线厚度;b―母线宽度;L―母线两支持点间的距离(a)立弯母线;(b)平弯母线;图5 硬母线的立弯与平弯e)母线扭转90°时,其扭转部分的长度应为母线宽度的2.5~5倍,见图7。
L-母线两点支持点之间的距离;a-母线厚度图6 矩形母线搭接b-母线的宽度图7 母线扭转90°4.4.17 母线接头螺孔的直径宜大于螺栓直径1mm;钻孔应垂直,螺孔间中心距离的误差不超过±0.5mm。
母排搭接要求LG GROUP system office room 【LGA16H-LGYY-LGUA8Q8-LGA162】母排搭接要求母线与母线、母线与电器端子连接时,应符合下列规定:a)铜与铜连接时,室外高温且潮湿或对母线有腐蚀性气体的室内,必须搪锡,在干燥的室内可直接连接;b)铝与铝连接时,可采用搭接,搭接时应净洁表面并涂以导电膏;c)铜与铝连接时,在干燥的室内,铜导体应搪锡,室外或较潮湿的室内应使用铜铝过渡板,铜端应搪锡。
相同布置的主母线、分支母线、引下线及设备连接线应一致,横平竖直,整齐美观。
硬母线搭接连接时,应符合以下要求:a)母线应矫正平直,切断面应平整。
b)矩形母线的搭接连接,应符合表6的规定。
c)母线弯曲时应符合以下规定(见图5)。
1)母线开始弯曲处距最近绝缘子的母线支持夹板边缘不应大于0.25L,但不得小于50mm;2)母线开始弯曲处距母线连接位置不应小于50mm;3)矩形母线应减少直角弯曲,弯曲处不得有裂纹及显着的折皱,母线的最小弯曲半径应符合表7的规定;4)多片母线的弯曲度应一致。
d)矩形母线采用螺栓固定搭接时,连接处距支柱绝缘子的支持夹板边缘不应小于 50mm;上片母线端头与下片母线平弯开始处的距离不应小于50mm,见图6。
表6 矩形母线搭接要求19 100 63~40 17 2 M1620 80 63~40 15 2 M142l 63 50—40 13 2 M1222 50 45~40 11 2 M1023 63 ~25 11 2 M1024 50 ~25 9 2 M8 垂直连接25 125 ~25 60 1l 2 M1026 100 ~25 50 9 2 M827 80 ~25 50 9 2 M8续表 6搭接形式类别序号连接尺寸(mm) 钻孔要求螺栓规格b1 b2 口φ(mm) 个数垂直连接28 40 40~13 1 M1229 40 25 11 1 M1030 ~25 1l 1 M1031 25 22 9 1 M8 表7 母线最小弯曲半径(R)值母线种类弯曲方式母线断面尺寸最小弯曲半径铜铝钢矩形母线平弯50mm×5mm及其以下125mm×lOmm及其以下2a 2a 2a 2.5a 2a 2a 立弯50mm×5mm及其以下125mm×10mm及其以下1b 2b 1b注:a为母线的厚度,b为母线的宽度。
硬母线安装工艺1. 硬母线简介硬母线是一种电力传输和配电系统中常用的导电元件。
其由铜或铝材料制成,具有优异的导电性能和机械强度,适用于大电流、大功率的输电场合。
硬母线安装工艺是指在建筑物或工业设备中安装和布设硬母线的具体方式和要求。
2. 硬母线安装前的准备工作在进行硬母线安装之前,需要进行相关的准备工作。
主要包括以下几方面内容:2.1 设计方案确认在进行硬母线安装前,需要与设计人员确认相应的设计方案,确保安装过程符合设计要求。
2.2 材料和工具准备准备所需的硬母线材料、端子、连接件等,并检查其质量和数量是否满足安装需求。
同时,准备所需要的安装工具,包括螺丝刀、扳手、电缆剥线工具等。
2.3 安全措施在进行硬母线安装前,需要做好安全措施的准备工作。
例如佩戴好安全帽、安全鞋等个人防护装备,并对安装现场进行安全检查,确保安全隐患得到消除。
3. 硬母线安装步骤硬母线安装可以分为以下几个步骤:3.1 母线准备在进行硬母线安装前,需要先对母线进行准备工作。
首先,根据设计方案的要求,将硬母线进行切割,并根据需要进行穿线孔的打孔工作。
然后,对切割后的母线进行打磨,以去除母线表面的氧化物等不良物质,以保证良好的导电性能。
3.2 母线连接在连接硬母线时,首先需要将母线端子插入到连接件中。
然后,使用扳手或螺丝刀等工具,紧固连接件,确保母线端子和连接件之间紧密连接,同时保证不导致扭曲或损坏母线。
3.3 母线固定硬母线安装完成后,需要进行固定工作。
根据设计方案的要求,使用固定件将硬母线固定在设备或建筑物的相应位置。
同时,需要确保固定件的紧固度适宜,以保证硬母线的稳固性和安全性。
3.4 检查和测试在硬母线安装完毕后,需要对其进行检查和测试,以确保安装质量符合要求。
首先,检查母线连接部分是否紧固可靠,并排查是否存在松动或接触不良等问题。
然后,使用合适的测试仪器对硬母线进行电气性能测试,如电阻测量等。
4. 硬母线安装质量控制为了保证硬母线安装质量,需进行相应的质量控制措施。
SGBZ-0608硬母线安装施工工艺标准依据标准:《建筑工程施工质量验收统-标准》GB50300-2001《建筑电气工程施工质量验收规范》GB50303-20021、范围本工艺标准适用于10kV以下矩型母线安装。
2、施工准备2.1材料要求:2. 1. 1铜、铝母线应有产品合格及材质证明,并符合表2. 1. 1的要求。
2.1.2母线表而应光洁平整,不应有裂纹、折皱、夹杂物及变形和扭曲现象。
2.1.3绝缘子及穿墙套管的瓷件,应符合执行国家标准和有关电瓷产品技术条件的规定,并有产品合格证。
2.1.4绝缘材料的型号、规格、电压等级应符合设计要求。
外观无损伤及裂纹,绝缘良In nnL/\A/\A/2.1.5金属紧固件及卡具,均应采用热镀锌件。
2.1.6其他辅料有调合漆,樟丹池、焊条、焊粉等。
2.2主要机具:2. 2.1母线煨弯器、电焊、汽焊工具、钢锯、电锤、砂轮、台钻、手电钻、板律、钢丝刷、木锤、力知扳手、铜丝刷。
2.2.2测试器具:皮尺、钢卷尺、钢板尺、水平、线坠、摇表、万用表、细钢丝或小线。
2.3施工条件:2. 3. 1母线安装对土建安求:屋顶不漏水,墙面喷浆完毕,场地清理干净,并有一定的加工场所。
高空作业脚手架搭设完毕,安全技术部门验收合格。
合窗齐全。
2. 3. 2电气设备安装完毕,检验合格。
2. 3. 3预留孔洞及预埋件尺寸、强度均符合设计耍求。
2. 3.4施工图及技术资料齐全。
3、操作工艺3.1工艺流程:放线测量一支架及拉紧装置制作安装一绝缘子安装f母线的加工一母线的连接一母线安装一母线涂色刷油一检查送电3.2放线测量:3. 2. 1进入现场后根据母线及支架敷设的不同情况,核对是否与图纸相符。
3.2.2放线测量:核对沿母线敷设全长方向有无障碍物,有无与建筑结构或设备管道、通风等安装部件交又现象。
3. 2. 3配电柜内安装母线,测量与设备上其它部件安全距离是否符合要求。
3.2.4放线测量出各段母线加工尺寸、支架尺寸,并划出支架安装距离及剔洞或固定件安装位置。
硬母线的安装有哪些基本要求硬母线的安装有哪些基本要求:(1)高压母线及低压主母线的尺寸不应小于:40 mm X 4 mm ;(2)母线一般采纳铝、铜等金属材料,同一段母线不应采纳不同金属材料;(3)高压母线支持点距离不应大于1.2米,低压母线支持点距离不应大于0.9米;(4)接至各个电器分支的母线,应尽量削减弯曲,弯曲点与连接处接触面的边缘不应小于50mm;(5)母线弯曲处距离最近支持绝缘子中心不应小于100mm,但不应大于弯曲处两端绝缘子中心线距离的25%;(6)母线连接处的螺栓,水平安装时螺栓应由下向上穿,垂直安装时,螺栓应由内向外穿;(7)各相母线的排列挨次为:水平安装时,自内向外为A、B、C ;垂直安装时,自左向右为:A、B、C ;(8)长度小于10米的母线系统,在交接试验中各相对地及相间绝缘电阻不应小于500 MΩ,预防性试验时不应小于300 MΩ。
①母线搭接面的处理:a.铜与铜;室外、高温且潮湿或对母线有腐蚀性气体的室内,母线必需搪锡,在干燥的室内可直接连接。
b.铝与铝;可直接连接。
c.钢与钢;必需搪锡或镀锌后连接,不得直接连接。
d.铜与铝;在干燥的室内铜导体应搪锡或铜铝过渡板连接,不得直接连接。
e.钢与铜或钢与铝搭接面应搪锡。
②母线排列:a.上、下布置时:由上至下L1、L2、L3。
b.水平排列时:由盘后向盘前L1、L2、L3。
c.垂直排列时:由左至右L1、L2、L3。
③母线的螺栓连接及支持连接处,母线与电器的连接及距全部连接处10mm以内不应涂漆。
④母线接头螺孔的直径应大于螺栓直径1mm,螺孔间中心距离误差应为±0.5mm。
⑤螺栓的长度宜露出螺母2~3扣为宜。
⑥母线平置时,螺栓应由下向上安装,立置时应有里向外安装。
电气装置安装工程母线装置施工及验收规范GBJ149-90主编部门中华人民共和国原水利电力部批准部门中华人民共和国建设部施行日期1991年10月1日第一章总则第1.0.1条为保证硬母线软母线绝缘子金具穿墙套管等母线装置的安装质量促进安装技术的进步确保设备安全运行制订本规范第1.0.2条本规范适用于500kV及以下母线装置安装工程的施工及验收第1.0.3条母线装置的安装应按已批准的设计进行施工第1.0.4条设备和器材的运输保管应符合本规范要求当产品有特殊要求时并应符合产品的要求第1.0.5条设备及器材在安装前的保管其保管期限应为一年及以下当需长期保管时应符合设备及器材保管的专门规定第1.0.6条采用的设备和器材均应符合国家现行技术标准的规定并应有合格证件设备应有铭牌第1.0.7条设备和器材到达现场后应及时作下列验收检查一包装及密封应良好二开箱检查清点规格应符合设计要求附件备件应齐全三产品的技术文件应齐全四按本规范要求作外观检查第1.0.8条施工中的安全技术措施应符合本规范和现行有关安全技术标准及产品的技术文件的规定对重要工序尚应事先制定安全技术措施第1.0.9条与母线装置安装有关的建筑工程施工应符合下列要求一与母线装置安装有关的建筑物构筑物的工程质量应符合国家现行的建筑工程施工及验收规范中的有关规定当设计及设备有特殊要求时尚应符合其要求二母线装置安装前建筑工程应具备下列条件1.基础构架符合电气设备的设计要求2.屋顶楼板施工完毕不得渗漏3.室内地面基层施工完毕并在墙上标出抹平标高4.基础构架达到允许安装的强度焊接构件的质量符合要求高层构架的走道板栏杆平台齐全牢固5.有可能损坏已安装母线装置或安装后不能再进行的装饰工程全部结束6.门窗安装完毕施工用道路通畅7.母线装置的预留孔预埋铁件应符合设计的要求三母线装置安装完毕投入运行前建筑工程应符合下列要求1.预埋件开孔扩孔等修饰工程完毕2.保护性网门栏杆以及所有与受电部分隔绝的设施齐全3.受电后无法进行的和影响运行安全的工作施工完毕4.施工设施应拆除和场地应清理干净第1.0.10条 母线装置安装用的紧固件除地脚螺栓外应采用符合国家标准的镀锌制品户外使用的紧固件应用热镀锌制品第1.0.11条 绝缘子及穿墙套管的瓷件应符合现行国家标准高压绝缘子瓷件技术条件和有关电瓷产品技术条件的规定第1.0.12条 母线装置的施工及验收除按本规范的规定执行外尚应符合国家现行的有关标准规范的规定第二章 母 线 安 装 第一节 一 般 规 定第2.1.1条 母线装置采用的设备和器材在运输与保管中应采用防腐蚀性气体侵蚀及机械损伤的包装第2.1.2条 铜铝母线铝合金管母线当无出厂合格证件或资料不全时以及对材质有怀疑时应按表2.1.2的要求进行检验表2.1.2 母线的机械性能和电阻率母线名称 母线型号 最小抗拉强度 (N/mm 2)最小伸长率(%) 20时最大电阻率(mm 2/m) 铜母线 TMY 255 6 0.01777 铝母线 LMY 115 3 0.0290 铝合金管母线 LF 21Y137—0.0373注1N/mm 2=1MPa第2.1.3条 母线表面应光洁平整不应有裂纹折皱夹杂物及变形和扭曲现象第2.1.4条 成套供应的封闭母线插接母线槽的各段应标志清晰附件齐全外壳无变形内部无损伤螺栓固定的母线搭接面应平整其镀银层不应有麻面起皮及未覆盖部分第2.1.5条 各种金属构件的安装螺孔不应采用气焊割孔或电焊吹孔 第2.1.6条 金属构件及母线的防腐处理应符合下列要求 一金属构件除锈应彻底防腐漆应涂刷均匀粘合牢固不得有起层皱皮等缺陷二母线涂漆应均匀无起层皱皮等缺陷三在有盐雾空气相对湿度接近100%及含腐蚀性气体的场所室外金属构件应采用热镀锌四在有盐雾及含有腐蚀性气体的场所母线应涂防腐涂料第2.1.7条 支柱绝缘子底座套管的法兰保护网(罩)等不带电的金属构件应按现行国家标准电气装置安装工程 接地装置施工及验收规范的规定进行接地接地线宜排列整齐方向一致第2.1.8条母线与母线母线与分支线母线与电器接线端子搭接时其搭接面的处理应符合下列规定一铜与铜室外高温且潮湿或对母线有腐蚀性气体的室内必须搪锡在干燥的室内可直接连接二铝与铝直接连接三钢与钢必须搪锡或镀锌不得直接连接四铜与铝在干燥的室内铜导体应搪锡室外或空气相对湿度接近100%的室内应采用铜铝过渡板铜端应搪锡五钢与铜或铝钢搭接面必须搪锡六封闭母线螺栓固定搭接面应镀银第2.1.9条母线的相序排列当设计无规定时应符合下列规定一上下布置的交流母线由上到下排列为A B C相直流母线正极在上负极在下二水平布置的交流母线由盘后向盘面排列为A B C相直流母线正极在后负极在前三引下线的交流母线由左至右排列为A B C相直流母线正极在左负极在右第2.1.10条母线涂漆的颜色应符合下列规定一三相交流母线A相为黄色B相为绿色C相为红色单相交流母线与引出相的颜色相同二直流母线正极为赭色负极为蓝色三直流均衡汇流母线及交流中性汇流母线不接地者为紫色接地者为紫色带黑色条纹四封闭母线母线外表面及外壳内表面涂无光泽黑漆外壳外表面涂浅色漆第2.1.11条母线刷相色漆应符合下列要求一室外软母线封闭母线应在两端和中间适当部位涂相色漆二单片母线的所有面及多片槽形管形母线的所有可见面均应涂相色漆三钢母线的所有表面应涂防腐相色漆四刷漆应均匀无起层皱皮等缺陷并应整齐一致第2.1.12条母线在下列各处不应刷相色漆一母线的螺栓连接及支持连接处母线与电器的连接处以及距所有连接处10mm以内的地方二供携带式接地线连接用的接触面上不刷漆部分的长度应为母线的宽度或直径且不应小于50mm并在其两侧涂以宽度为10mm的黑色标志带第2.1.13条母线安装时室内室外配电装置安全净距应符合表2.1.13-1表2.1.13-2的规定当电压值超过本级电压其安全净距应采用高一级电压的安全净距规定值图2.1.13-1 室内A 1A 2B 1B 2CD 值校验表2.1.13-1 室内配电装置的安全净距(mm)额 定 电符号适 用 范 围图号0.4136101520A 1 1.带电部分至接地部分之间2.网状和板状遮栏向上延伸线距地2.3m 处与遮栏上方带电部分之间2.1.13-12075100125150180A 2 1.不同相的带电部分之间2.断路器和隔离开关的断口两侧带电部分之间 2.1.13-1 20 75 100 125 150 180 B 1 1.栅状遮栏至带电部分之间2.交叉的不同时停电检修的无遮栏带电部分之间 2.1.13-1 2.1.13-2 800 825 850 875 900 930 B 2 网状遮栏至带电部分之间 2.1.13-1 2.1.13-2 100 175200225250280C 无遮栏裸导体至地(楼)面之间2.1.13-1 2300 2375 2400 2425 2450 2480D 平行的不同时停电检修的无遮栏裸导体之间 2.1.13-1 1875 1875 1900 1925 1950 1980E 通向室外的出线套管至室外通道的路面 2.1.13-236504000 4000 4000 4000 4000注110J 220J 系指中性点直接接地电网 网状遮栏至带电部分之间当为板状遮栏时其B 值可取A 1+30mm通向室外的出线套管至室外通道的路面当出线套管外侧为室外配电装置时其至室外地面的距离不应小于表2.1.13-2中所列室外部分之C 值海拔超过1000m 时A 值应按图2.1.13-6修正本表所列各值不适用于制造厂生产的成套配电装置图2.1.13-2室内B 1E值校验表2.1.13-2室外配电装置的安全净距(mm)额定电压(kV)符号适用范围图号0.411015203560110J110A1 1.带电部分至接地部分之间2.网状遮栏向上延伸距地面2.5m处遮栏上方带电部分之间2.1.13-32.1.13-42.1.13-5752003004006509001000A2 1.不同相的带电部分之间2.断路器和隔离开关的断口两侧引线带电部分之间2.1.13-37520030040065010001100 1.设备运输时其外廓至无遮栏带电部分之间2.交叉的不同时停电检修的无遮栏带电部分之间2.1.13-33.栅状遮栏至绝缘体和带电部分之间2.1.13-4B14.带电作业时的带电部分至接地部分之间2.1.13-582595010501150140016501750B2 网状遮栏至带电部分之间 2.1.13-4175300400500750100011001.无遮栏裸导体至地面之间2.1.13-4C 2.无遮栏裸导体至建筑物构筑物顶部之间2.1.13-5 25002700280029003100340035001.平行的不同时停电检修的无遮栏带电部分之间2.1.13-3 D2.带电部分与建筑物构筑物的边沿部分之间2.1.13-42000220023002400260029003000注110J220J330J500J系指中性点直接接地电网栅状遮栏至绝缘体和带电部分之间对于220kV及以上电压可按绝缘体电位的实际分布采用相应的B值检验此时允许栅状遮栏与绝缘体的距离小于B1值当无给定的分布电位时可按线性分布计算500kV相间通道的安全净距亦可用此原则带电作业时的带电部分至接地部分之间(110J500J)带电作业时不同相或交叉的不同回路带电部分之间其B1值可取A2+750mm500kV的A 1值双分裂软导线至接地部分之间可取3500mm海拔超过1000m时A值应按图2.1.13-6进行修正本表所列各值不适用于制造厂生产的成套配电装置图2.1.13-3室外A1A2B1D值校验图2.1.13-4室外A 1B 1B 2C D值校验图2.1.13-5室外A 2B 1C值校验图2.1.13-6海拔大于1000m 时A值的修正(A2值和室内A 1A2值可按本图之比例递增)第二节硬母线加工第2.2.1条母线应矫正平直切断面应平整第2.2.2条矩形母线的搭接连接应符合表2.2.2的规定当母线与设备接线端子连接时应符合现行国家标准变压器高压电器和套管的接线端子的要求表2.2.2矩形母线搭接要求连接尺寸(mm) 钻孔要求搭接形式类别序号b1b2 a(mm)个数螺栓规格1125125b1或b2214M20直线连接2100100b1或b2174M1638080b1或b2134M12 46363b1或b2114M10 55050b1或b294M8 64545b1或b294M8 7404080132M12831.531.563112M10直线连接925255092M810125125214M201112510080174M161212563134M121310010080174M1614808063134M12156********M1016505094M8垂直连接17454594M8181255040172M16191006340172M1620806340152M1421635040132M1222504540112M10 236331.525112M10垂直连接245031.52592M8 2512531.52560112M10 2610031.5255092M8垂直连接278031.5255092M8 28404031.5131M12垂直连294025111M1028 40 4031.5 13 1 M1229 40 25 111 M1030 31.5 31.52511 1M10接3125229 1M8第2.2.3条 相同布置的主母线分支母线引下线及设备连接线应对称一致横平竖直整齐美观图2.2.5 硬母线的立弯与平弯a母线厚度b母线宽度L 母线两支持点间的距离第2.2.4条 矩形母线应进行冷弯不得进行热弯第2.2.5条 母线弯制时应符合下列规定(图2.2.5)一母线开始弯曲处距最近绝缘子的母线支持夹板边缘不应大于0.25L但不得小于50mm二母线开始弯曲处距母线连接位置不应小于50mm三矩形母线应减少直角弯曲弯曲处不得有裂纹及显著的折皱母线的最小弯曲半径应符合表2.2.5的规定四多片母线的弯曲度应一致表2.2.5 母线最小弯曲半径(R)值最小弯曲半径(mm) 母线种类弯曲方式 铜铝 钢 平弯 505及其以下 12510及其以下 2a 2a2a 2.5a2a 2a立弯505及其以下 12510及其以下 1b 1.5b 1.5b 2b 0.5b 1b直径为16及其以下 50 7 50 直径为30及其以下150 150 150第2.2.6条 矩形母线采用螺栓固定搭接时连接处矩支柱绝缘子的支持夹板边缘不应小于50mm 上片母线端头与下片母线平弯开始处的距离不应小于 50mm(图2.2.6) 第2.2.7条 母线扭转90时其扭转部分的长度应为母线宽度的2.55倍(图2.2.7)图2.2.6矩形母线搭接L母线两支持点之间的距离图2.2.7母线扭转90b母线的宽度第2.2.8条母线接头螺孔的直径宜大于螺栓直径1mm钻孔应垂直不歪斜螺孔间中心距离的误差应为0.5mm第2.2.9条母线的接触面加工必须平整无氧化膜经加工后其截面减少值铜母线不应超过原截面的3%铝母线不应超过原截面的5%具有镀银层的母线搭接面不得任意锉磨第2.2.10条铝合金管母线的加工制作应符合下列要求一切断的管口应平整且与轴线垂直二管子的坡口应用机械加工坡口应光滑均匀无毛刺三母线对接焊口距母线支持器夹板边缘距离不应小于50mm四按制造长度供应的铝合金管其弯曲度不应超过表2.2.10的规定表2.2.10铝合金管允许弯曲度值管子规格(mm)单位长度(m)内的弯度(mm)全长(L)内的弯度(mm)直径为150以下冷拔管 2.0 2.0×L直径为150以下热挤压管 3.0 3.0×L直径为150250热挤压管 4.0 4.0×L注L为管子的制造长度(m)第三节硬母线安装第2.3.1条硬母线的连接应采用焊接贯穿螺栓连接或夹板及夹持螺栓搭接管形和棒形母线应用专用线夹连接严禁用内螺纹管接头或锡焊连接第2.3.2条母线与母线或母线与电器接线端子的螺栓搭接面的安装应符合下列要求一母线接触面加工后必须保持清洁并涂以电力复合脂二母线平置时贯穿螺栓应由下往上穿其余情况下螺母应置于维护侧螺栓长度宜露出螺母23扣三贯穿螺栓连接的母线两外侧均应有平垫圈相邻螺栓垫圈间应有3mm以上的净距螺母侧应装有弹簧垫圈或锁紧螺母四螺栓受力应均匀不应使电器的接线端子受到额外应力五母线的接触面应连接紧密连接螺栓应用力矩扳手紧固其紧固力矩值应符合表2.3.2的规定表2.3.2钢制螺栓的紧固力矩值螺栓规格(mm)力矩值(N m)M88.810.8M1017.722.6M1231.439.2M1451.060.8M1678.598.1M1898.0127.4M20156.9196.2M24274.6343.2第2.3.3条母线与螺杆形接线端子连接时母线的孔径不应大于螺杆形接线端子直径1mm丝扣的氧化膜必须刷净螺母接触面必须平整螺母与母线间应加铜质搪锡平垫圈并应有锁紧螺母但不得加弹簧垫第2.3.4条母线在支柱绝缘子上固定时应符合下列要求一母线固定金具与支柱绝缘子间的固定应平整牢固不应使其所支持的母线受到额外应力二交流母线的固定金具或其它支持金具不应成闭合磁路三当母线平置时母线支持夹板的上部压板应与母线保持1 1.5mm的间隙当母线立置时上部压板应与母线保持1.52mm的间隙四母线在支柱绝缘子上的固定死点每一段应设置一个并宜位于全长或两母线伸缩节中点五管形母线安装在滑动式支持器上时支持器的轴座与管母线之间应有12mm的间隙六母线固定装置应无棱角和毛刺第2.3.5条多片矩形母线间应保持不小于母线厚度的间隙相邻的间隔垫边缘间距离应大于5mm第2.3.6条母线伸缩节不得有裂纹断股和折皱现象其总截面不应小于母线截面的1.2倍第2.3.7条终端或中间采用拉紧装置的车间低压母线的安装当设计无规定时应符合下列规定一终端或中间拉紧固定支架宜装有调节螺栓的拉线拉线的固定点应能承受拉线张力二同一档距内母线的各相弛度最大偏差应小于10%第2.3.8条母线长度超过300400m而需换位时换位不应小于一个循环槽形母线换位段处可用矩形母线连接换位段内各相母线的弯曲程度应对称一致第2.3.9条插接母线槽的安装尚应符合下列要求一悬挂式母线槽的吊钩应有调整螺栓固定点间距离不得大于3m二母线槽的端头应装封闭罩引出线孔的盖子应完整三各段母线槽的外壳的连接应是可拆的外壳之间应有跨接线并应接地可靠第2.3.10条重型母线的安装尚应符合下列规定一母线与设备连接处宜采用软连接连接线的截面不应小于母线截面二母线的紧固螺栓铝母线宜用铝合金螺栓铜母线宜用铜螺栓紧固螺栓时应用力矩扳手三在运行温度高的场所母线不应有铜铝过渡接头四母线在固定点的活动滚杆应无卡阻部件的机械强度及绝缘电阻值应符合设计要求第2.3.11条封闭母线的安装尚应符合下列规定一支座必须安装牢固母线应按分段图相序编号方向和标志正确放置每相外壳的纵向间隙应分配均匀二母线与外壳间应同心其误差不得超过5mm段与段连接时两相邻段母线及外壳应对准连接后不应使母线及外壳受到机械应力三封闭母线不得用裸钢丝绳起吊和绑扎母线不得任意堆放和在地面上拖拉外壳上不得进行其它作业外壳内和绝缘子必须擦拭干净外壳内不得有遗留物四橡胶伸缩套的连接头穿墙处的连接法兰外壳与底座之间外壳各连接部位的螺栓应采用力矩扳手紧固各接合面应密封良好五外壳的相间短路板应位置正确连接良好相间支撑板应安装牢固分段绝缘的外壳应作好绝缘措施六母线焊接应在封闭母线各段全部就位并调整误差合格绝缘子盘形绝缘子和电流互感器经试验合格后进行七呈微正压的封闭母线在安装完毕后检查其密封性应良好第2.3.12条铝合金管形母线的安装尚应符合下列规定一管形母线应采用多点吊装不得伤及母线二母线终端应有防晕装置其表面应光滑无毛刺或凹凸不平三同相管段轴线应处于一个垂直面上三相母线管段轴线应互相平行第四节硬母线焊接第2.4.1条母线焊接所用的焊条焊丝应符合现行国家标准其表面应无氧化膜水分和油污等杂物第2.4.2条铝及铝合金的管形母线槽形母线封闭母线及重型母线应采用氩弧焊第2.4.3条焊接前应将母线坡口两侧表面各50mm范围内清刷干净不得有氧化膜水分和油污坡口加工面应无毛刺和飞边第2.4.4条焊接前对口应平直其弯折偏移不应大于0.2%(图2.4.4-1)中心线偏移不应大于0.5mm(图2.4.4-2)图2.4.4-1 对口允许弯折偏移图2.4.4-2 对口中心线允许偏差第2.4.5条 每个焊缝应一次焊完除瞬间断弧外不得停焊母线焊完未冷却前不得移动或受力第2.4.6条 母线对接焊缝的上部应有24mm 的加强高度330kV 及以上电压的硬母线焊缝应呈圆弧形不应有毛刺凹凸不平之处引下线母线采用搭接焊时焊缝的长度不应小于母线宽度的两倍角焊缝的加强高度应为4mm第2.4.7条 铝及铝合金硬母线对焊时焊口尺寸应符合表2.4.7的规定管形母线的补强衬管的纵向轴线应位于焊口中央衬管与管母线的间隙应小于0.5mm(图2.4.7)表2.4.7 对口焊焊口尺寸(mm)母线类别焊 口 形 式母线厚度a 间 隙c 钝边厚度 b 坡口角度 (°)525 1 2 1.5 6575 矩形母线6.312.5 24 1.5 2 6575 3 6.3 1.5 2 1 6065 管形母线6.310 2 31.56075图2.4.7衬管位置图L衬管长度第2.4.8条母线对接焊缝的部位应符合下列规定一离支持绝缘子母线夹板边缘不应小于50mm二母线宜减少对接焊缝三同相母线不同片上的对接焊缝其错开位置不应小于50mm第2.4.9条母线施焊前焊工必须经过考试合格并应符合下列要求一考试用试样的焊接材料接头型式焊接位置工艺等应与实际施工时相同二在其所焊试样中管形母线取二件其它母线取一件按下列项目进行检验当其中有一项不合格时应加倍取样重复试验如仍不合格时则认为考试不合格1.表面及断口检验焊缝表面不应有凹陷裂纹未熔合未焊透等缺陷2.焊缝应采用X光无损探伤其质量检验应按有关标准的规定3.焊缝抗拉强度试验铝及铝合金母线其焊接接头的平均最小抗拉强度不得低于原材料的75%4.直流电阻测定焊缝直流电阻应不大于同截面同长度的原金属的电阻值第2.4.10条母线焊接后的检验标准应符合下列要求一焊接接头的对口焊缝应符合本规范有关规定二焊接接头表面应无肉眼可见的裂纹凹陷缺肉未焊透气孔夹渣等缺陷三咬边深度不得超过母线厚度(管形母线为壁厚)的10%且其总长度不得超过焊缝总长度的20%第五节软母线架设第2.5.1条软母线不得有扭结松股断股其它明显的损伤或严重腐蚀等缺陷扩径导线不得有明显凹陷和变形第2.5.2条采用的金具除应有质量合格证外尚应进行下列检查一规格应相符零件配套齐全二表面应光滑无裂纹伤痕砂眼锈蚀滑扣等缺陷锌层不应剥落三线夹船形压板与导线接触面应光滑平整悬垂线夹的转动部分应灵活四330kV及以上电压级用的金具表面必须光洁无毛刺和凸凹不平之处第2.5.3条软母线与金具的规格和间隙必须匹配并应符合现行国家标准第2.5.4条软母线与线夹连接应采用液压压接或螺栓连接第2.5.5条软母线和组合导线在档距内不得有连接接头并应采用专用线夹在跳线上连接软母线经螺栓耐张线夹引至设备时不得切断应成为一整体第2.5.6条放线过程中导线不得与地面摩擦并应对导线严格检查当导线有下列情况之一者不得使用一导线有扭结断股和明显松股者二同一截面处损伤面积超过导电部分总截面的5%第2.5.7条新型导线应经试放确定安装方法和制定措施后方可全面施工第2.5.8条切断导线时端头应加绑扎端面应整齐无毛刺并与线股轴线垂直压接导线前需要切割铝线时严禁伤及钢芯第2.5.9条当软母线采用钢制各种螺栓型耐张线夹或悬垂线夹连接时必须缠绕铝包带其绕向应与外层铝股的旋向一致两端露出线夹口不应超过10mm且其端口应回到线夹内压住第2.5.10条当软母线采用压接型线夹连接时导线的端头伸入耐张线夹或设备线夹的长度应达到规定的长度第2.5.11条软导线和各种连接线夹连接时尚应符合下列规定一导线及线夹接触面均应清除氧化膜并用汽油或丙酮清洗清洗长度不应少于连接长度的1.2倍导电接触面应涂以电力复合脂二软导线线夹与电器接线端子或硬母线连接时应按本规范第2.2.2条和第2.3.2条的有关规定执行第2.5.12条液压压接前应先进行试压合格后方可进行施工压接试件应符合下列规定一耐张线夹每种导线取试件两件二设备线夹T型线夹跳线线夹每种导线取试件一件三试压结果应符合规定第2.5.13条采用液压压接导线时应符合下列规定一压接用的钢模必须与被压管配套液压钳应与钢模匹配二扩径导线与耐张线夹压接时应用相应的衬料将扩径导线中心的空隙填满三压接时必须保持线夹的正确位置不得歪斜相邻两模间重叠不应小于5mm四接续管压接后其弯曲度不宜大于接续管全长的2%五压接后不应使接续管口附近导线有隆起和松股接续管表面应光滑无裂纹330kV 及以上电压的接续管应倒棱去毛刺六外露钢管的表面及压接管口应刷防锈漆七压接后六角形对边尺寸应为0.866D当有任何一个对边尺寸超过0.866D+0.2mm时应更换钢模(D为接续管外径)八液压压接工艺应符合国家现行标准架空送电线路导线及避雷线液压施工工艺规程(试行)的有关规定第2.5.14条螺栓连接线夹应用力矩扳手紧固第2.5.15条使用滑轮放线或紧线时滑轮的直径不应小于导线直径的16倍滑轮应转动灵活轮槽尺寸应与导线匹配第2.5.16条母线弛度应符合设计要求其允许误差为+5%-2.5%同一档距内三相母线的弛度应一致相同布置的分支线宜有同样的弯度和弛度第2.5.17条扩径导线的弯曲度不应小于导线外径的30倍第2.5.18条线夹螺栓必须均匀拧紧紧固U型螺丝时应使两端均衡不得歪斜螺栓长度除可调金具外宜露出螺母23扣第2.5.19条母线跳线和引下线安装后应呈似悬链状自然下垂其与构架及线间的距离不得小于本规范表2.1.13-2的规定第2.5.20条软母线与电器接线端子连接时不应使电器接线端子受到超过允许的外加应力第2.5.21条具有可调金具的母线在导线安装调整完毕之后必须将可调金具的调节螺母锁紧第2.5.22条安装组合导线时尚应符合下列规定一组合导线的圆环固定用线夹以及所使用的各种金具必须齐全圆环及固定线夹在导线上的固定位置应符合设计要求其距离误差不得超过3%安装应牢固并与导线垂直二载流导线与承重钢索组合后其弛度应一致导线与终端固定金具的连接应符合本章第三节中的有关规定第三章绝缘子与穿墙套管第3.0.1条绝缘子与穿墙套管安装前应进行检查瓷件法兰应完整无裂纹胶合处填料完整结合牢固第3.0.2条绝缘子与穿墙套管安装前应按现行国家标准电气装置安装工程电气设备交接试验标准的规定试验合格第3.0.3条安装在同一平面或垂直面上的支柱绝缘子或穿墙套管的顶面应位于同一平面上其中心线位置应符合设计要求母线直线段的支柱绝缘子的安装中心线应在同一直线上第3.0.4条支柱绝缘子和穿墙套管安装时其底座或法兰盘不得埋入混凝土或抹灰层内支柱绝缘子叠装时中心线应一致固定应牢固紧固件应齐全第3.0.5条三角锥形组合支柱绝缘子的安装除应符合本规范有关规定外并应符合产品的技术要求第3.0.6条无底座和顶帽的内胶装式的低压支柱绝缘子与金属固定件的接触面之间应垫以厚度不小于1.5mm的橡胶或石棉纸等缓冲垫圈第3.0.7条悬式绝缘子串的安装应符合下列要求。
第二章母线安装第一节一般规定第2.1.1条母线装置采用的设备和器材,在运输与保管中应采用防腐蚀性气体侵蚀及机械损伤的包装。
第2.1.2条铜、铝母线、铝合金管母线当无出厂合格证件或资料不全时,以及对材质有怀疑时,应按表2.1.2的要求进行检验。
表2.1.2 母线的机械性能和电阻率注:① 1n/mm2=1mpa第2.1.3条母线表面应光洁平整,不应有裂纹、折皱、夹杂物及变形和扭曲现象。
第2.1.4条成套供应的封闭母线、插接母线槽的各段应标志清晰,附件齐全,外壳无变形,内部无损伤。
螺栓固定的母线搭接面应平整,其镀银层不应有麻面、起皮及未覆盖部分。
第2.1.5条各种金属构件的安装螺孔不应采用气焊割孔或电焊吹孔。
第2.1.6条金属构件及母线的防腐处理应符合下列要求:一、金属构件除锈应彻底,防腐漆应涂刷均匀,粘合牢固,不得有起层、皱皮等缺陷;二、母线涂漆应均匀,无起层、皱皮等缺陷;三、在有盐雾、空气相对湿度接近100%及含腐蚀性气体的场所,室外金属构件应采用热镀锌;四、在有盐雾及含有腐蚀性气体的场所,母线应涂防腐涂料。
第2.1.7条支柱绝缘子底座、套管的法兰、保护网(罩)等不带电的金属构件应按现行国家标准《电气装置安装工程接地装置施工及验收规范》的规定进行接地。
接地线宜排列整齐,方向一致。
第2.1.8条母线与母线,母线与分支线,母线与电器接线端子搭接时,其搭接面的处理应符合下列规定:一、铜与铜:室外、高温且潮湿或对母线有腐蚀性气体的室内,必须搪锡,在干燥的室内可直接连接。
二、铝与铝:直接连接。
三、钢与钢:必须搪锡或镀锌,不得直接连接。
四、铜与铝:在干燥的室内,铜导体应搪锡,室外或空气相对湿度接近100%的室内,应采用铜铝过渡板,铜端应搪锡。
五、钢与铜或铝:钢搭接面必须搪锡。
六、封闭母线螺栓固定搭接面应镀银。
第2.1.9条母线的相序排列,当设计无规定时应符合下列规定:一、上、下布置的交流母线,由上到下排列为a、b、c相,直流母线正极在上,负极在下。
硬母线的安装基本要求及注意事项1.基本要求(1)母线的装放要戴专用手套进行,防止母线划伤、弄脏或汗化。
母线表面应光洁平整,不得有裂纹,折叠及夹杂物。
(2)母线的安装应该横平竖直,整齐平整美观;应考虑检修和装配方便,不应有相互穿插。
母线安装时应注意如下要求。
水平段:二支持点高度误差不大于3mm,全长不大于10mm。
垂直段:二支持点垂直误差不大于2mm,全长不大于5mm。
间距:平行部分间距应均匀一致,误差不大于5mm。
(3)母线安装的绝缘间隙要求。
① 电气间隙、爬电距离、飞弧距离等,母排的安装应考虑整体的安全。
② 铜母排安装应避开飞弧区域,当交流主电路穿越形成闭合磁路的金属框架时,三相四(五)线铜母排应在同一框孔中穿过。
(4)低压硬母线安装应符合最小安全净距要求。
① 相间距离及对地距离不应小于20mm。
② 带电部分至网状遮拦距离不应小于100mm。
(5)每相或每极两条母线间净距离不得小于母线厚度。
(6)铜母排连接时,不准三根铜母线在同一处连接。
(7)严禁强制性装放。
铜母排与铜母排、铜母排与电气接线端子的接触面应自然吻合,母线之间的连接应保证有足够和持久的接触应力,但不应使母线产生永久性变形。
检查铜排是否存在应力方法:松开紧固好的铜母排一端,接触面能自然吻合,如不吻合,不用外力强行贴合,应当将贴合不好的铜母排拆下重新修正好,然后进行装配。
(8)母线连接处和母线与电气端头的连接处及所有连接处10mm以内的地方不应涂刷油漆;供携带型接地线连接用的接触面上,不刷漆部分的长度应为母线的宽度,但不小于50mm,并在此处两端刷宽度为10mm的黑色带。
2.母线在支持点的固定(1)母线的悬空长度超过500mm时,必须加支持绝缘子使用固定支架或用活动卡板固定。
对水平安装的母线应采用开口元宝卡子,对垂直安装的母线应采用母线夹板。
(2)对于低压控制设备母线在60mm×6mm以下应该用热固性绝缘材料制品的矩形带槽的夹棒夹紧母线后固定在柜架下,以保证在热稳定电流作用下不使母线产生位移。
硬母线安装工艺硬母线安装工艺是电气工程中一个重要的环节,它涉及到电流传输的稳定性和安全性,对于电力系统的正常运行至关重要。
本文将介绍硬母线安装的步骤、注意事项和工艺要点,以帮助读者了解和应用硬母线安装工艺。
一、硬母线安装步骤1. 准备工作:在进行硬母线安装之前,需要先进行准备工作。
包括制定安装计划、购买所需材料和器件、检查施工现场的环境等。
确保所有准备工作都完成后,方可进行下一步的安装操作。
2. 清理施工现场:在进行硬母线安装之前,必须彻底清理施工现场,确保没有杂物、灰尘和湿气等对安装工作产生干扰的因素。
3. 安装固定支架:根据设计图纸和安装计划,安装硬母线的固定支架。
支架的选取要合理,能够承受硬母线的重量和电流负荷,并确保安装稳固。
4. 母线铜排剪切焊接:根据设计要求,将母线铜排进行剪切,并进行焊接。
焊接时要保持焊接面干净,并严格控制焊接温度,以确保焊接质量。
5. 母线铜排安装:将剪切好并焊接好的母线铜排安装到固定支架上。
要注意安装时的水平度和垂直度,并采取合适的固定措施,确保母线的稳定性和安全性。
6. 连接其他设备:根据设计要求,将母线与其他设备进行连接。
连接时要注意选择合适的接头,并确保连接紧固牢固,电流传输可靠。
7. 检测与调试:完成母线的安装后,进行必要的检测与调试工作。
包括测量电流、电压和接地电阻等参数,以验证母线安装的质量和性能。
二、硬母线安装注意事项1. 安全第一:在进行硬母线安装工作时,安全要放在首位。
必须严格按照相关的安全操作规程进行,佩戴好个人防护装备,并确保施工现场的安全环境。
2. 设备质量:选择优质的硬母线材料和器件,确保其质量可靠。
母线铜排的选择要符合设计要求,电流负载能力要足够,并具备抗腐蚀和导电性能。
3. 确保接触良好:在进行剪切焊接和连接工作时,要确保焊接面和连接处的金属良好接触,以降低接触电阻和过热的风险。
4. 防护措施:在安装过程中,必须采取防护措施防止母线与其他设备的碰撞、摩擦和损坏。
硬母线安装作业指导书第一节作业条件1.1母线装置安装前,建筑工程应具备下列条件:1.基础、构架符合电气设备的设计要求。
2.屋顶、楼板施工完毕,不得渗漏。
3.室内地面基层施工完毕,并在墙上标出抹平标高。
4.基础、构架达到允许安装的强度,焊接的构件质量符合要求,高层构架的走道板、栏杆、平台齐全牢固。
5.有可能损坏已安装母线装置或安装后不能再进行的装饰工程全部结束。
6.门窗安装完毕,施工用道路通畅。
7.母线装置的预留孔,预埋铁件应符合设计要求。
1.2 配电柜屏安装完毕。
1.3 母线桥架、支架,吊架应安装完毕,并符合设计和规范要求。
1.4 母线、绝缘子及穿墙套管的瓷件等材质核查后符合设计要求和规范规定,并具备出厂合格证。
绝缘子瓷件要符合国家标准和有关电瓷产品技术条件的规定。
第二节操作工艺本工艺依据《电气装置安装工程母线装置施工及验收规范》GBJ149-90制定,并按此规范进行施工及验收。
2.1 放线检查1.进入现场首先依照图纸进行检查,根据母线沿墙、跨柱、沿梁至屋架敷设的不同情况,核对是否与图纸相符。
2.放线检查对母线敷设全方向有无障碍物,有无与建筑结构或设备、管道、通风等工程各安装部件交叉矛盾的现象。
3.检查预留孔洞,预埋铁件的尺寸、标高、方位是否符合要求。
4.检查脚手架是否安全及符合操作要求。
2.2 支架的制作安装1.按图纸材料、规格、尺寸加工各式支架。
当设计对材料规格无明确要求时,支架要用∠50×5角钢制作。
角钢断口必须锯断或冲压断,不得采用气割、电焊切割。
2.支架制作后应进行检查,是否符合设计要求及达到质量标准,并填写检查记录。
3.支架埋入墙内部分,必须开叉成燕尾状。
4.支架上的螺孔宜加工成长孔,以便于调整。
安装螺孔不应采用气焊割孔或电焊穿孔。
螺孔中心距偏差不大于2m。
5.支架安装距离,当裸母线为水平敷设时,不应超过3m,垂直敷设时,不超过2m。
6.支架距要均匀一致,两支架间距偏差不大于50mm。
软母线架设和硬母线安装
工作危险点
1、设备材料损耗
2、工作人员电、摔伤
安全措施
1、测量软母线档距时必须有安全措施,以保证绳,尺与带电体的安全距离。
2、新架设的导线与带电母线靠近或平行时,新架设的母线应接地,并保持安全
距离,安全距离不够时应采取隔离措施,在此类母线上工作,应在工作地点母线上再挂临时地线。
3、放线应统一指挥,现盘应架设平稳,导线应由盘上的最后几圈时,应采取措
施防止导线突然蹦出。
4、在挂线时,导线下方不得有人站立或行走。
5、紧线应缓慢,并检查导线是否有卡住的地方,防止导线受力后突然弹出,严
禁跨越正在收紧的导线。
6、切割导线前,应将切割出的两侧扎紧并固定好,防止导线割断后散开或弹起。
7、硬母线焊接时应通风良好,工作人员应穿戴个人防护用品,并应遵守规程的
有关规定。
8、绝缘子及母线不得作为施工时吊装承重的支持点。
母线安装的要求C、B、3 母线安装一、本章不包括支架、铁构件的制作安装,发生时另执行本定额C、B、12章相应子目。
二、软母线、带形母线、槽形母线的安装,本定额不包括母线、绝缘子等主材,具体可按设计数量加损耗计算。
三、组合软母线安装,本章不包括两端铁构件制作安装和支持瓷瓶、带形母线的安装,发生时执行本章相应项目。
其跨距是按标准跨距综合考虑的,不得换算。
四、软母线安装是按单串绝缘子考虑的,如设计为双串绝缘子,其人工费乘以系数1、08。
五、带形钢母线安装执行铜母线安装相应项目。
六、带形母线伸缩节头和铜过渡板均按成品考虑。
七、高压共箱母线和低压封闭式插接母线槽均按制造厂供应的成品考虑。
封闭式插接母线槽在竖井内安装时,人工费和机械费乘以系数2、0。
工程量计算规则一、悬垂绝缘子串安装,指垂直或V型安装的提挂导线、跳线、引下线、设备连接线或设备等所用的绝缘子串安装,按单串以“串”为计量单位。
耐张绝缘子串的安装,已包括在软母线安装项目内。
二、支持绝缘子安装以“个”为计量单位,按安装在户内、户外、单孔、双孔、四孔固定分别计算。
三、穿墙套管安装不分水平、垂直安装,均以“个”为计量单位。
四、软母线安装,指直接由耐张绝缘子串悬挂部分,按软母线截面大小分别以“跨/三相”为计量单位。
设计跨距不同时,不得调整。
导线、绝缘子、线夹、弛度调节金具等均按施工图设计用量加定额规定的损耗率计算。
导线跨距综合按30m考虑,跨距不同不作换算。
五、软母线引下线,指由T型线夹或并沟线夹从软母线引向设备的连接线,以“组”为计量单位,每三相为一组;软母线经终端耐张线夹引下(不经T型线夹或并沟线夹引下)与设备连接的部分也执行引下线项目。
六、两跨软母线间的跳引线安装,以“组”为计量单位,每三相为一组。
不论两端的耐张线夹是螺栓式或压接式,均执行软母线跳线项目。
七、设备连接线安装,指两设备间的连接部分。
不论引下线、跳线、设备连接线,均应分别按导线截面、三相为一组计算工程量。
硬母线的有几种弯曲方式?各有哪些要求?
硬母线涂漆颜色的规定
三相沟通母线;L1为黄色;L2为绿色;L3为红色。
直流母线;正极
为赭色,负极为蓝色。
硬母线涂黑漆贴色片的意义何在:硬母线涂黑漆贴色片的意义是提高
留意力,帖色片是便于表明相序。
硬母线的有几种弯曲方式?各有哪些要求?
硬母线弯曲方式有三种,即平弯、立弯和扭弯。
以下设母线宽度为a、
厚度为b、弯曲半径为r,其单位为mm。
(1)平弯:母线尺寸在50 X 5以下:r大于等于2b;母线尺寸在50 X 5
以上至100 X 10的:铜母线弯曲半径为r大于等于2b,铝母线弯曲半
径为r大于等于2.5b ;
(2)立弯:母线尺寸在50 X 5以下:铜母线弯曲半径为r大于等于a,铝母线弯曲半径为r大于等于1.5a;母线尺寸在50 X 5以上至100 X 10的:铜母线弯曲半径为r大于等于1.5a,铝母线弯曲半径为r大于等
于2a;母线弯曲处不应有裂纹及明显的褶皱;
(3)扭弯:扭弯又称麻花弯,扭90度弯,扭转部分的长度不应小于母
线宽度的2.5倍;
(4)硬母线的弯曲,一般是在专用的弯模上冷弯。
若需加热,其加热温
度不应超过:铜–350oC、铝–250oC、钢–600oC。
各种硬母线安装要求及规定
第2.3.1条硬母线的连接应采用焊接、贯穿螺栓连接或夹板及夹持螺栓搭接;管形和棒形母线应用专用线夹连接,严禁用内螺纹管接头或锡焊连接。
第2.3.2条母线与母线或母线与电器接线端子的螺栓搭接面的安装,应符合下列要求:
一、母线接触N)JIT-后必须保持清洁,并涂以电力复合脂。
二、母线平置时,贯穿螺栓应由下往上穿,其余情况下.螺母应置于维护侧,螺栓长度宜露出螺母2~3扣。
三、贯穿螺栓连接的母线两外侧均应有平垫圈,相邻螺栓垫圈间应有3mm以上的净距,螺母侧应装有弹簧垫圈或锁紧螺母。
四、螺栓受力应均匀,不应使电器的接线端子受到额外应力。
五、母线的接触面应连接紧密,连接螺栓应用力矩扳手紧固,其紧固力矩值应符合表2.3 2的规定。
第2.3.3条母线与螺杆形接线端子连接时,母线的孔径不应大于螺杆形接线端子直径lram。
丝扣的氧化膜必须刷净,螺母接触面必须平整,螺母与母线间应加铜质搪锡平垫圈,并应有锁紧螺母,但不得加弹簧垫。
第2.3.4条母线在支柱绝缘子上固定时应符合下列要求:
一、母线固定金具与支柱绝缘子间的固定应平整牢固,不应使其所支持的母线受到额外应力。
二、交流母线的固定金具或其它支持金具不应成闭合磁路。
三、当母线平置时,母线支持夹板的上部压板应与母线保持1~1 5mm的间隙,当母线立置时,上部压板应与母线保持
1.5~2mm的间隙。
四、母线在支柱绝缘子上的固定死点,每一段应设置一个,并宜位于全长或两母线伸缩节中点。
五、管形母线安装在滑动式支持器上时.支持器的轴座与管母线之间应有l~2ram的间隙。
六、母线固定装置应无棱角和毛刺。
第2.3.5条多片矩形母线间,应保持不小于母线厚度的间隙;相邻的间隔垫边缘间距离应大于5mm。
第2.3.6条母线伸缩节不得有裂纹、断股和折皱现象;其总截面不应小于母线截面的l 2倍。
第2.3.7条终端或中间采用拉紧装置的车间低压母线的安装,当设计无规定时,应符合下列规定:
一、终端或中间拉紧固定支架宜装有调节螺栓的拉线,拉线的固定点应能承受拉线张力。
二、同一档距内,母线的各相弛度最大偏差应小于l0%。
第2.3.8条母线长度超过300~400m而需换位时,换位不应小于一个循环。
槽形母线换位段处可用矩形母线连接,换位段内各相母线的弯曲程度应对称一致。
第2.3.9条插接母线槽的安装,尚应符合下列要求:
一、悬挂式母线槽的吊钩应有调整螺栓,固定点间距离不得大于3m。
二、母线槽的端头应装封闭罩,引出线孔的盖子应完整。
三、各段母线槽的外壳的连接应是可拆的,外壳之间应有跨接线,并应接地可靠。
第2.3.10条重型母线的安装尚应符合下列规定:
一、母线与设备连接处宜采用软连接,连接线的截面不应小于母线截面。
二、母线的紧固螺栓:铝母线宜用铝合金螺栓,铜母线宜用铜螺栓,紧固螺栓时应用力矩扳手。
三、在运行温度高的场所,母线不应有铜铝过渡接头。
四、母线在固定点的活动滚杆应无卡阻,部件的机械强度及绝缘电阻值应符合设计要求。
第2.3.11条封闭母线的安装尚应符合下列规定:
一、支座必须安装牢固,母线应按分段图、相序、编号、方向和标志正确放置,每相外壳的纵向间隙应分配均匀。
二、母线与外壳间应同心,其误差不得超过5ram,段与段连接时,两相邻段母线及外壳应对准,连接后不应使母线及外壳受到机械应力。
三、封闭母线不得用裸钢丝绳起吊和绑扎,母线不得任意堆放和在地面上拖拉,外壳E不得进行其它作业.外壳内和绝缘子必须擦试干净,外壳内不得有遗留物。
四、橡胶伸缩套的连接头、穿墙处的连接法兰、外壳与底座之间、外壳各连接部位的螺栓应采用力矩扳手紧固,各接合面应密封良好。
五、外壳的相间短路板应位置正确,连接良好,相间支撑板应安装牢固,分段绝缘的外壳应作好绝缘措施。
六、母线焊接应在封闭母线各段全部就位并调整误差合格,绝缘子、盘形绝缘干和电流互感器经试验合格后进行。
七、呈微正压的封闭母线.在安装完毕后检查其密封性应良好。
第2.3.12条铝台金管形母线的安装,尚应符合下列规定:
一、管形母线应采用多点吊装,不得伤及母线。
二、母线终端应有防晕装置,其表面应光滑、无毛刺或凹凸不平。
三、同相管段轴线应处于一个垂直面上,三相母线管段轴线应互相平行。