以太网帧格式
- 格式:doc
- 大小:111.00 KB
- 文档页数:5
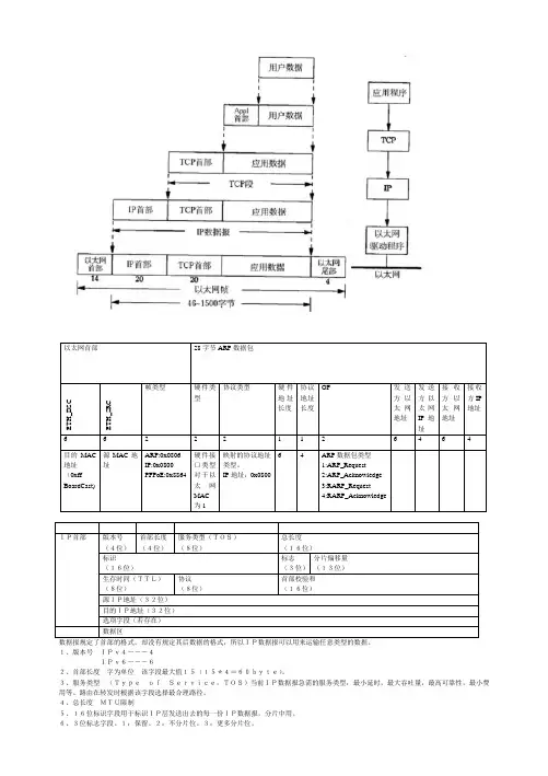
以太网首部28字节ARP 数据包E T H _D S CE T H _S R C帧类型硬件类型协议类型硬件地址长度 协议地址长度OP 发送方以太网地址 发送方以太网IP 地址 接收方以太网地址 接收方IP 地址6 6 2 2 2 1 1 2 64 6 4 目的MAC 地址 (0xff BoardCast)源MAC 地址 ARP:0x0806 IP:0x0800 PPPoE:0x8864 硬件接口类型对于以太网MAC 为1 映射的协议地址类型。
IP 地址:0x08006 4ARP 数据包类型1:ARP_Request2:ARP_Acknowledge 3:RARP_Request4:RARP_AcknowledgeIP首部版本号 (4位) 首部长度 (4位)服务类型(TOS) (8位)总长度 (16位)标识(16位) 标志 (3位) 分片偏移量 (13位) 生存时间(TTL) (8位)协议 (8位)首部校验和 (16位)源IP地址(32位) 目的IP地址(32位) 选项字段(若存在)数据区数据报规定了首部的格式,却没有规定其后数据的格式,所以IP数据报可以用来运输任意类型的数据。
1、版本号 IPv4---4IPv6---62、首部长度 字为单位 该字段最大值15(15*4=60byte)。
3、服务类型 (Type of Service,TOS)当前IP数据报急需的服务类型:最小延时,最大吞吐量,最高可靠性,最小费 用等。
路由在转发时根据该字段选择最合理路径。
4、总长度 MTU限制5、16位标识字段用于标识IP层发送出去的每一份IP数据报,分片中用。
6、3位标志字段。
1:保留。
2:不分片位。
3:更多分片位。
7、13位偏移字段8、生存时间:该IP数据报最多能转发的次数。
9、协议:IP数据报上层来源。
1:ICMP。
2:IGMP。
6:TCP。
17:UDP。
10、首部校验:只针对IP首部校验。
16bits 16bits UDP首部 源端口号 目的端口号 总长度 校验和UDP数据区 数据区常见的TCP熟知端口: 熟知端口 协议 说明 0 ———— 保留7 Echo 报文回送服务器端口 20 FTP-DATA 文件传送协议(数据) 21 FTP 文件传送协议 23 TELNET 终端连接 25 SMTP 简单邮件传送协议 53 DNS 域名服务器 80 HTTP 万维网服务器 110 POP3 邮局协议版本3 1080 SOCKS代理服务器协议URG 首部中的紧急指针字段有效 ACK 首部中的确认序号字段有效 PSH 推送数据 RST 连接复位SYN 发起连接,同步序号 FIN 终止连接0 16 31TCP 首部源端口号(16位)目的端口号(16位) 序号(32位) 确认序号(32位)首部长度 (4位)保留 (6位)U R GA C K P S H R S T S Y N F I N窗口大小(16) 校验和(16位)紧急指针(16位) 选项和填充(如果有)TCP 数据区数据区。
以太网帧格式详解:Etherne II报头8 目标地址6 源地址6 以太类型2 有效负载46-1500 帧检验序列4 报头:8个字节,前7个0,1交替的字节(10101010)用来同步接收站,一个1010101011字节指出帧的开始位置。
报头提供接收器同步和帧定界服务。
目标地址:6个字节,单播、多播或者广播。
单播地址也叫个人、物理、硬件或MAC地址。
广播地址全为1,0xFF FF FF FF。
源地址:6个字节。
指出发送节点的单点广播地址。
以太网类型:2个字节,用来指出以太网帧内所含的上层协议。
即帧格式的协议标识符。
对于IP报文来说,该字段值是0x0800。
对于ARP信息来说,以太类型字段的值是0x0806。
有效负载:由一个上层协议的协议数据单元PDU构成。
可以发送的最大有效负载是1500字节。
由于以太网的冲突检测特性,有效负载至少是46个字节。
如果上层协议数据单元长度少于46个字节,必须增补到46个字节。
帧检验序列:4个字节。
验证比特完整性。
IEEE 802.3根据IEEE802.2 和802.3标准创建的,由一个IEEE802.3报头和报尾以及一个802.2LLC报头组成。
报头7 起始限定符1 目标地址6(2)源地址6(2)长度2 DSAP1 SSAP1 控件2 有效负载3 帧检验序列4-----------802.3报头--------------§---802.2报头----§ §-802.3报尾-§IEEE802.3报头和报尾报头:7个字节,同步接收站。
位序列10101010起始限定符:1个字节,帧开始位置的位序列10101011。
报头+起始限定符=Ethernet II的报头目标地址:同Ethernet II。
也可以为2个字节,很少用。
源地址:同Ethernet II。
也可以为2个字节,很少用。
长度:2个字节。
帧检验序列:4个字节。
IEEE802.2 LLC报头DSAP:1个字节,指出帧的目标节点的上层协议。
各种不同以太网帧格式利用抓包软件的来抓包的人,可能经常会被一些不同的Frame Header搞糊涂,为何用的Frame的Header是这样的,而另外的又不一样。
这是因为在Ethernet中存在几种不同的帧格式,下面我就简单介绍一下几种不同的帧格式及他们的差异。
一、Ethernet帧格式的发展1980 DEC,Intel,Xerox制订了Ethernet I的标准;1982 DEC,Intel,Xerox又制订了Ehternet II的标准;1982 IEEE开始研究Ethernet的国际标准802.3;1983迫不及待的Novell基于IEEE的802.3的原始版开发了专用的Ethernet帧格式;1985 IEEE推出IEEE 802.3规范;后来为解决EthernetII与802.3帧格式的兼容问题推出折衷的Ethernet SNAP格式。
(其中早期的Ethernet I已经完全被其他帧格式取代了所以现在Ethernet只能见到后面几种Ethernet的帧格式现在大部分的网络设备都支持这几种Ethernet 的帧格式如:cisco的路由器在设定Ethernet接口时可以指定不同的以太网的帧格式:arpa,sap,snap,novell-ether)二、各种不同的帧格式下面介绍一下各个帧格式Ethernet II是DIX以太网联盟推出的,它由6个字节的目的MAC地址,6个字节的源MAC地址,2个字节的类型域(用于表示装在这个Frame、里面数据的类型),以上为Frame Header,接下来是46--1500 字节的数据,和4字节的帧校验)Novell Ethernet它的帧头与Ethernet有所不同其中EthernetII帧头中的类型域变成了长度域,后面接着的两个字节为0xFFFF用于标示这个帧是Novell Ether类型的Frame,由于前面的0xFFFF站掉了两个字节所以数据域缩小为44-1498个字节,帧校验不变。
以太网技术基本原理以太网是一种局域网技术,其基本原理是基于CSMA/CD(载波监听多路访问/冲突检测)协议,采用共享介质的方式实现各个终端设备之间的数据通信。
以下是以太网技术的基本原理的详细介绍。
1.CSMA/CD协议:CSMA/CD协议是以太网的核心协议,用于解决多个终端设备同时访问共享介质时产生的冲突问题。
其工作原理是,在发送数据之前,终端设备会先监听共享介质上是否有信号传输,如果没有,则可以开始发送自己的数据。
如果检测到有信号传输,表示介质正在被占用,终端设备会等待一段随机的时间后再次进行监听,以便选择合适的时机进行数据发送。
如果在发送数据的过程中,终端设备检测到介质上有冲突,就会终止发送并等待一段时间,再次检测介质是否被占用,然后重新开始发送数据。
通过这种方式,CSMA/CD协议可以有效地解决冲突问题,实现数据的可靠传输。
2.介质访问控制:以太网采用的是共享介质的方式,多个终端设备共享同一根传输介质。
为了保证每个终端设备的公平性和均衡性,以太网采用了介质访问控制机制。
具体来说,以太网将共享介质分割为多个时隙,并将每个时隙划分为一个最小的数据传输单元(称为“帧”)。
终端设备在进行数据传输之前,需要等待一个空闲的时隙,然后按照时隙进行数据发送。
这种介质访问控制机制能够有效地保证每个终端设备的公平访问权,并避免了数据传输的混乱和冲突。
3.MAC地址:以太网使用MAC(媒体访问控制)地址来唯一标识网络中的每个终端设备。
MAC地址是一个48位的全球唯一标识符,由6个字节组成。
其中前3个字节是由IEEE管理的组织唯一标识符(OUI),用于标识设备的生产厂商,后3个字节由设备厂商自行分配。
每个终端设备在生产时都会被分配一个唯一的MAC地址,以太网通过这个地址来确定数据应该发送到哪个设备。
4.帧格式:以太网的数据传输通过帧来进行,每个帧是一个完整的数据包。
以太网的帧格式包括了源MAC地址、目标MAC地址、协议类型和数据部分。
以太网帧与i eee 802.3帧分类:proto col 2009-11-0417:50 1258人阅读评论(0)收藏举报sapc isco网络head eracc essap pleh ttp://zhid ao.ba idu.c om/qu estio n/93567501.htmlhttp://bl og.cs dn.ne t/wzw200/a rchiv e/2009/07/23/4373056.aspx浅谈以太网帧格式一、E thern et帧格式的发展1980 DEC,Intel,Xero x制订了E thern et I的标准1982 D EC,In tel,X erox又制订了Eh terne t II的标准1982 I EEE开始研究Eth ernet的国际标准802.31983 迫不及待的Nov ell基于IEEE的802.3的原始版开发了专用的Ether net帧格式1985 IE EE推出I EEE 802.3规范,后来为解决Eth ernet II与802.3帧格式的兼容问题, 推出折衷的Et herne t SNA P格式(其中早期的Eth ernet I已经完全被其他帧格式取代了 ,所以现在Ethe rnet只能见到后面几种Eth ernet的帧格式,现在大部分的网络设备都支持这几种Eth ernet的帧格式,如:ci sco的路由器再设定Ether net接口时可以指定不同的以太网的帧格式:arpa,sap,snap,novel l-eth er) 二.各种不同的帧格式下面介绍一下各个帧格式1.E thern et II就是D IX以太网联盟推出的。
计算机⽹络协议,以太⽹帧格式以太⽹的MAC帧格式有好⼏种,被⼴泛应⽤的是DIX Ethernet V2标准,还有⼀种是IEEE的802.3标准,该标准经过了多年的发展,已经出现了很多种⼦标准。
DIX Ethernet V2 标准与 IEEE 的 802.3 标准只有很⼩的差别,因此可以将 802.3 局域⽹简称为“以太⽹”。
严格说来,“以太⽹”应当是指符合DIX Ethernet V2 标准的局域⽹⼀、DIX Ethernet V2(Ethernet II)1.帧结构2.字段分析=======================================================================================================源MAC地址 ===> 发送⽅的MAC地址=======================================================================================================⽬的MAC地址 ===> 接收⽅的MAC地址=======================================================================================================上层协议类型 ===> 该MAC数据报中包装的⽹络层数据报协议类型若该字段的值⼩于1518,那么这个字段就是长度字段,并定义后⾯的数据字段的长度。
若该字段的值⼤于1518,它就定义使⽤因特⽹服务的上层协议(⼩于0600H的值是⽤于IEEE802的,表⽰数据包的长度)具体协议类型可以参考如下两个表:表1:协议ID(Type)以太⽹协议0x0800Internet Protocol, Version 4(IPv4)0x0806Address Resolution Protocol(ARP)0x0842Wake-on-LAN Magic Packet0x1337SYN-3 Heartbeat Protocol(SYNdog)0x22F3IETF TRILL Protocol0x6003DECnet Phase IV0x8035Reverse Address Resolution Protocol(RARP)0x809B AppleTalk(Ethertalk)0x80F3AppleTalk Address Resolution Protocol(AARP)0x8100VLAN-tagged frame(IEEE 802.1Q)0x8137Novell IPX(alt)0x8138Novell0x8204QNX Qnet0x86DD Internet Protocol, Version 6(IPv6)0x8808MAC Control0x8809Slow Protocols(IEEE 802.3)0x8819CobraNet0x8847MPLS unicast0x8848MPLS multicast0x8863PPPoE Discovery Stage0x8864PPPoE Session Stage0x886F Microsoft NLB heartbeat0x8870Jumbo Frames0x887B HomePlug 1.0 MME0x888E EAP over LAN(IEEE 802.1X)0x888E EAP over LAN(IEEE 802.1X)协议ID(Type)以太⽹协议0x8892PROFINET Protocol0x889A HyperSCSI(SCSI over Ethernet)0x88A2ATA over Ethernet0x88A4EtherCat Protocol0x88A8Provider Bridging(IEEE 802.1ad)0x88AB Ethernet Powerlink0x88CC LLDP0x88CD sercos III0x88D8Circuit Emulation Services over Ethernet(MEF-8)0x88E1HomePlug AV MME0x88E3Media Redundancy Protocol(IEC62439-2)0x88E5MAC security(IEEE 802.1AE)0x88F7Precision Time Protocol(IEEE 1588)0x8902IEEE 802.1ag Connectivity Fault Management(CFM) Protocol / ITU-T Recommendation Y.1731(OAM) 0x8906Fibre Channel over Ethernet0x8914FCoE Initialization Protocol0x9000Configuration Test Protocol(Loop)0x9100Q-in-Q表2:以太类型值 (16 进制 )对应协议备注0x0000 - 0x05DC IEEE 802.3 长度0x0101 – 0x01FF实验0x0660XEROX NS IDP0x06610x0800DLOG0x0801X.75 Internet0x0802NBS Internet0x0803ECMA Internet0x0804Chaosnet0x0805X.25 Level 30x0806ARP0x0808帧中继ARP0x6559原始帧中继RFR0x8035动态 DARP,反向地址解析协议 RARP0x8037Novell Netware IPX0x809B EtherTalk0x80D5IBM SNA Services over Ethernet0x80F3AppleTalk 地址解析协议 AARP0x8100以太⽹⾃动保护开关 EAPS0x8137因特⽹包交换 IPX0x814C简单⽹络管理协议 SNMP0x86DD⽹际协议 v6 IPv6重要字段含义:Dest addr :以太⽹ OAM 报⽂的⽬的 MAC地址,为组播 MAC 地址 0180c2000002Source addr :以太⽹ OAM 报⽂的源 MAC地址,为发送端的桥 MAC 地址,该地址是⼀个单播 MAC地址Type :以太⽹ OAM 报⽂的协议类型,为0x8809Subtype :以太⽹ OAM 报⽂的协议⼦类型,为 0x030x8809OAM Flags : Flags 域,包含了以太⽹ OAM 实体的状态信息Code :本字段指明了 OAMPDU 的报⽂类型。
计算机网络以太帧1. 简介以太网是一种常用的局域网技术,其通信基本单位是以太帧(Ethernet Frame)。
以太帧是数据链路层中用于在网络中传输数据的基本单元。
本文将详细介绍以太帧的结构、功能和处理过程。
2. 以太帧结构以太帧是由一系列字段组成的数据包,通常包括以下几个部分:2.1 帧前导码帧前导码是一个固定的字段,由7个字节构成。
它的作用是在数据传输之前进行同步和定时,以确保接收方能正确解读数据。
帧前导码的内容为10101010。
2.2 目的MAC地址目的MAC地址是一个6个字节的字段,用于识别帧的接收方。
每个网络设备都有一个唯一的MAC地址,用于标识其在网络中的位置。
2.3 源MAC地址源MAC地址是一个6个字节的字段,用于识别帧的发送方。
与目的MAC地址类似,源MAC地址也是设备的唯一标识符。
2.4 类型/长度字段类型/长度字段用于指示数据字段的类型或长度。
它可以表示以太网上使用的协议类型,如IP、ARP等,或者表示数据字段的长度。
2.5 数据字段数据字段包含实际传输的数据。
它的长度可以根据类型/长度字段的指示进行变化。
2.6 帧校验序列帧校验序列是一个4字节的字段,用于检测帧在传输过程中是否发生了错误。
接收方会根据帧的内容计算校验序列,并与接收到的校验序列进行比较,以确认接收到的帧是否正确。
3. 以太帧的工作流程了解以太帧的工作流程对理解其在计算机网络中的作用非常重要。
下面是以太帧的基本工作流程:3.1 数据封装在发送端,数据从应用层逐层向下传输,最终被封装成以太帧。
数据会按照特定的格式组织,然后与目的MAC地址、源MAC地址等信息一起构建帧。
3.2 帧传输以太帧通过网络传输到目的地。
在传输过程中,帧会经过网络设备,如交换机、路由器等。
这些设备会根据目的MAC地址将帧转发到正确的接口,以确保帧能够到达正确的接收方。
3.3 帧解封在接收端,以太帧被接收到,并根据其结构进行解封。
接收方会根据目的MAC地址判断是否接收该帧,并提取数据字段中的数据。
以太网帧格式在以太网的帧头和帧尾中有几个用于实现以太网功能的域,每个域也称为字段,有其特定的名称和目的。
下图显示了以太帧的3种不同形式。
图1 以太网帧的3种不同形式DIX (Digital Equipment Corporation, Intel, Xerox——数字设备公司,英特尔,施乐)IEEE802.3(Original)IEEE802.3(Revised1997)补充:历史上以太网帧格式有五种:1.Ethernet V1:这是最原始的一种格式,是由Xerox PARC提出的3Mbps CS MA/CD以太网标准的封装格式,后来在1980年由DEC,Intel和Xerox标准化形成Ethernet V1标准.2.Ethernet V2(ARPA):由DEC,Intel和Xerox在1982年公布其标准,主要更改了Ethernet V1的电气特性和物理接口,在帧格式上并无变化;Ethernet V2出现后迅速取代Ethernet V1成为以太网事实标准;Ethernet V2帧头结构为6bytes的源地址+6bytes的目标地址+2Bytes的协议类型字段+数据。
3.RAW 802.3:这是1983年Novell发布其划时代的Netware/86网络套件时采用的私有以太网帧格式,该格式以当时尚未正式发布的802.3标准为基础;但是当两年以后IEEE正式发布802.3标准时情况发生了变化—IEEE在802.3帧头中又加入了802.2 LLC(Logical Link Control)头,这使得Novell的RAW 802.3格式跟正式的I EEE 802.3标准互不兼容.4.802.3/802.2 LLC:这是IEEE 正式的802.3标准,它由Ethernet V2发展而来。
它将Ethernet V2帧头的协议类型字段替换为帧长度字段(取值为0000-05dc;十进制的1500);并加入802.2 LLC头用以标志上层协议,LLC头中包含DSAP,SS AP以及Crontrol字段.5.802.3/802.2 SNAP:这是IEEE为保证在802.2 LLC上支持更多的上层协议同时更好的支持IP协议而发布的标准,与802.3/802.2 LLC一样802.3/802.2 SNA P也带有LLC头,但是扩展了LLC属性,新添加了一个2Bytes的协议类型域(同时将SAP的值置为AA),从而使其可以标识更多的上层协议类型;另外添加了一个3 Bytes的OUI字段用于代表不同的组织,RFC 1042定义了IP报文在802.2网络中的封装方法和ARP协议在802.2 SANP中的实现.802.3以太网帧格式备注:前导码(7字节)、帧起始定界符(1字节)、目的MAC地址(6字节)、源M AC地址(6字节)、类型/长度(2字节)、数据(46~1500字节)、帧校验序列(4字节)[MAC地址可以用2-6字节来表示,原则上是这样,实际都是6字节] 图2 IEEE802.3以太帧头注:如果数据包小于46字节,则要求“填充”,以使这个字段达到46字节。
一、以太网帧格式来自线路的二进制数据包称作一个帧。
从物理线路上看到的帧,除其他信息外,还有前导码和帧开始符。
任何物理硬件都会需要这些信息。
下面的表格显示了在以1500个八位元组为MTU传输(有些吉比特以太网甚至更高速以太网支持更大的帧,称作巨型帧)时的完整帧格式。
一个八位元组是八个位组成的数据(也就是现代计算机的一个字节)。
表1:802.3 以太网帧结构二、PPPOE格式PPPOE,全称Point-to-Point Protocol Over Ethernet,它工作在OSI的数据链路层,PPPOE协议提供了在广播式的网络(如以太网)中多台主机连接到远端的访问集中器(我们对目前能完成上述功能的设备为宽带接入服务器)上的一种标准。
PPPOE协议共包括两个阶段,即PPPOE的发现阶段(PPPOE Discovery Stage)和PPPOE的会话阶段(PPPOE Session Stage)。
而两者的主要区别在于只是在PPP的数据报文前封装了PPPOE的报文头。
PPPOE的数据报文是被封装在以太网帧的数据域内的。
简单来说我们可能把PPPOE报文分成两大块,,一大块是PPPOE的数据报头,另一块则是PPPOE 的净载荷(数据域),对于PPPOE报文数据域中的内容会随着会话过程的进行而不断改变。
下表为PPPOE的报文的格式:表2:PPPOE报文的格式以下是对上表中PPPOE各个字段的描述:表1:PPPOE各个字段的描述三、IP数据报格式TCP/IP协议定义了一个在因特网上传输的包,称为IP数据报(IP Datagram)。
这是一个与硬件无关的虚拟包,由首部和数据两部分组成。
首部的前一部分是固定长度,共20 字节,是所有IP数据报必须具有的。
在首部的固定部分的后面是一些可选字段,其长度是可变的。
首都中的源地址和目的地址都是IP 协议地址。
IP数据报头格式见下图::表3:IP数据报格式IP数据报各个字段的描述:四、TCP数据报格式在因特网协议族(Internet protocol suite)中,TCP层是位于IP层之上,应用层之下的传输层。
以太网帧,IP,TCP,UDP首部结构1.以太网帧的格式以太网封装格式2.IP报头格式IP是TCP/IP协议簇中最为重要的协议。
所有的TCP,UDP, ICMP 和IGMP数据都以IP数据报格式传输。
IP提供的是不可靠、无连接的协议。
普通的IP首部长为20个字节,除非含有选项字段。
4位版本:目前协议版本号是4,因此IP有时也称作IPV4.4位首部长度:首部长度指的是首部占32bit字的数目,包括任何选项。
由于它是一个4比特字段,因此首部长度最长为60个字节。
服务类型(TOS):服务类型字段包括一个3bit的优先权字段(现在已经被忽略),4bit的TOS子字段和1bit未用位必须置0。
4bit的TOS分别代表:最小时延,最大吞吐量,最高可靠性和最小费用。
4bit中只能置其中1比特。
如果所有4bit均为0,那么就意味着是一般服务。
总长度:总长度字段是指整个IP数据报的长度,以字节为单位。
利用首部长度和总长度字段,就可以知道IP数据报中数据内容的起始位置和长度。
由于该字段长16bit,所以IP数据报最长可达65535字节。
当数据报被分片时,该字段的值也随着变化。
标识字段:标识字段唯一地标识主机发送的每一份数据报。
通常每发送一份报文它的值就会加1。
生存时间:T T L(time-to-live)生存时间字段设置了数据报可以经过的最多路由器数。
它指定了数据报的生存时间。
T T L的初始值由源主机设置(通常为 3 2或6 4),一旦经过一个处理它的路由器,它的值就减去 1。
当该字段的值为 0时,数据报就被丢弃,并发送 I C M P报文通知源主机。
首部检验和:首部检验和字段是根据 I P首部计算的检验和码。
它不对首部后面的数据进行计算。
I C M P、I G M P、U D P和T C P在它们各自的首部中均含有同时覆盖首部和数据检验和码。
3.TCP首部格式尽管T C P和U D P都使用相同的网络层( I P),T C P却向应用层提供与U D P完全不同的服务。
历史上以太网帧格式有五种:1.Ethernet V1:这是最原始的一种格式,是由Xerox PARC提出的3Mbps CSMA /CD以太网标准的封装格式,后来在1980年由DEC,Intel和Xerox标准化形成Ethernet V1标准.2.Ethernet V2(ARPA):由DEC,Intel和Xerox在1982年公布其标准,主要更改了Ethernet V1的电气特性和物理接口,在帧格式上并无变化;Ethernet V2出现后迅速取代Ethernet V1成为以太网事实标准;Ethernet V2帧头结构为6bytes的源地址+6bytes的目标地址+2Bytes的协议类型字段+数据。
3.RAW802.3:这是1983年Novell发布其划时代的Netware/86网络套件时采用的私有以太网帧格式,该格式以当时尚未正式发布的802.3标准为基础;但是当两年以后IEEE正式发布802.3标准时情况发生了变化—IEEE在802.3帧头中又加入了802.2LLC(Logical Link Control)头,这使得Novell的RAW802.3格式跟正式的IEEE802.3标准互不兼容.4.802.3/802.2LLC:这是IEEE正式的802.3标准,它由Ethernet V2发展而来。
它将Ethernet V2帧头的协议类型字段替换为帧长度字段(取值为0000-05dc;十进制的1500);并加入802.2LLC头用以标志上层协议,LLC头中包含DSAP,SSAP以及Crontrol字段.5.802.3/802.2SNAP:这是IEEE为保证在802.2LLC上支持更多的上层协议同时更好的支持IP协议而发布的标准,与802.3/802.2LLC一样802.3/802.2SNAP 也带有LLC头,但是扩展了LLC属性,新添加了一个2Bytes的协议类型域(同时将SAP的值置为AA),从而使其可以标识更多的上层协议类型;另外添加了一个3Bytes的OUI字段用于代表不同的组织,RFC1042定义了IP报文在802.2网络中的封装方法和ARP协议在802.2SANP中的实现.逻辑链路控制(LLC)局域网中的多个设备一般共享公共传输媒体,在设备之间传输数据时,首先要解决由哪些设备占有媒体的问题。
的IP,而MAC地址是伪造的,则当A接收到伪造的ARP应答后,就会更新本地的ARP缓存,这样在A 看来B的IP地址没有变,而它的MAC地址已经不是原来那个了。
由于局域网的网络流通不是根据IP地址进行,而是按照MAC地址进行传输。
所以,那个伪造出来的MAC地址在A上被改变成一个不存在的MAC地址,这样就会造成网络不通,导致A不能Ping通B!这就是一个简单的ARP欺骗。
【实验体会】这次实验最大的感触是体会到了网络通信过程的趣味性。
在做ping同学IP的实验时,我发现抓到的包之间有紧密的联系,相互的应答过程很像实际生活中人们之间的对话。
尤其是ARP帧,为了获得对方的MAC地址,乐此不疲地在网络中广播“谁有IP为XXX的主机?”,如果运气好,会收到网桥中某个路由器发来的回复“我知道,XXX的MAC地址是YYY!”。
另外,通过ping同学主机的实验,以及对实验过程中问题的分析,使我对之前模糊不清的一些概念有了全面的认识,如交换机、路由器的区别与功能,局域网各层次的传输顺序与规则等。
还有一点就是,Wireshark不是万能的,也会有错误、不全面的地方,这时更考验我们的理论分析与实践论证能力。
成绩优良中及格不及格教师签名:日期:【实验作业】1 观察并分析通常的以太网帧1.1 以太网帧格式目前主要有两种格式的以太网帧:Ethernet II(DIX 2.0)和IEEE 802.3。
我们接触过的IP、ARP、EAP和QICQ协议使用Ethernet II帧结构,而STP协议则使用IEEE 802.3帧结构。
Ethernet II是由Xerox与DEC、Intel(DIX)在1982年制定的以太网标准帧格式,后来被定义在RFC894中。
IEEE 802.3是IEEE 802委员会在1985年公布的以太网标准封装结构(可以看出二者时间相差不多,竞争激烈),RFC1042规定了该标准(但终究二者都写进了IAB管理的RFC文档中)。
竭诚为您提供优质文档/双击可除以太网帧类型速查(协议字段)篇一:以太网帧类型速查以太网帧格式目前,有四种不同格式的以太网帧在使用,它们分别是:●ethernetii即dix2.0:xerox与dec、intel在1982年制定的以太网标准帧格式。
cisco名称为:aRpa。
●ethernet802.3raw:novell在1983年公布的专用以太网标准帧格式。
cisco名称为:novell-ether。
●ethernet802.3sap:ieee在1985年公布的ethernet802.3的sap版本以太网帧格式。
cisco名称为:sap。
●ethernet802.3snap:ieee在1985年公布的ethernet802.3的snap版本以太网帧格式。
cisco 名称为:snap。
在每种格式的以太网帧的开始处都有64比特(8字节)的前导字符,如图3所示。
其中,前7个字节称为前同步码(preamble),内容是16进制数0xaa,最后1字节为帧起始标志符0xab,它标识着以太网帧的开始。
前导字符的作用是使接收节点进行同步并做好接收数据帧的准备。
图3以太网帧前导字符除此之外,不同格式的以太网帧的各字段定义都不相同,彼此也不兼容。
3.1ethernetii帧格式如图4所示,是ethernetii类型以太网帧格式。
图4ethernetii帧格式ethernetii类型以太网帧的最小长度为64字节(6+6+2+46+4),最大长度为1518字节(6+6+2+1500+4)。
其中前12字节分别标识出发送数据帧的源节点mac地址和接收数据帧的目标节点mac地址。
接下来的2个字节标识出以太网帧所携带的上层数据类型,如16进制数0x0800代表ip协议数据,16进制数0x809b代表appletalk协议数据,16进制数0x8138代表novell类型协议数据等。
在不定长的数据字段后是4个字节的帧校验序列(Framechecksequence,Fcs),采用32位cRc循环冗余校验对从"目标mac地址"字段到"数据"字段的数据进行校验。
以太网的帧结构分两种:第一种是Ethernet_II的帧结构,如下图所示:| DMAC(6byte) | SMAC(6byte) | Type(2byte) | Data(46~1500byte) | CRC(4byte) |DMAC:指(destination mac)目的地址,即是接收信息设备的物理地址。
SMAC:指(source MAC)源地址,即是发送信息设备的物理地址。
Type:用来标识data字段中包含的高层协议,即是通告接收信息的设备如何解释该数据字段(数据的封装都是从应用层到低层逐渐添加的,在数据链路层以上的数据都封装在了data字段中)。
其中:(1)IP协议帧该字段为0800(2)ARP协议帧该字段为0806(3)RARP协议帧该字段为0835(4)IPX和SPX协议帧该字段为8137。
Data:数据字段,上层下到本层的数据都被包含到了这里面。
前面讲到,它必须大于46字节,但必须小于1500字节。
CRC:(Cyclic Redundancy CHeck)即是循环冗余校验字段。
发送数据的设备会提供一个包含MAC字段、Type字段、Data字段的CRC码,然后计算出CRC 码填入到该处,起到错误检测控制的功能。
第二种是IEEE802.3的帧结构,如下如所示:| DMAC(6byte) | SMAC(6byte) | Length(2byte)|llC(3byte) |Data(43~1497byte) | CRC(4byte) |DMAC、SMAC、Data和CRC字段不再赘述。
这种帧结构用length字段替代了type字段,并从Data字段中划出了3byte 作为LLC字段,作为服务访问点(SAP)的新区域来解决识别上层协议的问题。
Length:即是长度字段,记录Data字段的长度。
LLC:由目的服务访问点DSAP(Destination Service Access Point)、源服务访问点SSAP(Source Service Access Point)和Control字段组成,分别占有1byte。
以太网帧格式
百科名片
现在的以太网帧格式
以太网帧格式,即在以太网帧头、帧尾中用于实现以太网功能的域。
目录
编辑本段
编辑本段历史分类
1.Ethernet V1
这是最原始的一种格式,是由Xerox PARC提出的3Mbps CSMA/CD以太网标准的封装格式,后来在1980年由DEC,Intel和Xerox标准化形成Ethernet V1标准.
2.Ethernet V2(ARPA)
由DEC,Intel和Xerox在1982年公布其标准,主要更改了Ethernet V1的电气特性和物理接口,在帧格式上并无变化;Ethernet V2出现后迅速取
代Ethernet V1成为以太网事实标准;Ethernet V2帧头结构为6bytes的源地址+6bytes的目标地址+2Bytes的协议类型字段+数据。
以太网帧格式
3.RAW 802.3
这是1983年Novell发布其划时代的Netware/86网络套件时采用的私有以太网帧格式,该格式以当时尚未正式发布的802.3标准为基础;但是当两年以后IEEE正式发布802.3标准时情况发生了变化—IEEE在802.3帧头中又加入了802.2 LLC(Logical Link Control)头,这使得Novell的RAW 802.3格式跟正式的IEEE 802.3标准互不兼容.
4.802.3/802.2 LLC
这是IEEE 正式的802.3标准,它由Ethernet V2发展而来。
它将Ethernet V2帧头的协议类型字段替换为帧长度字段(取值为0000-05dc;十进制的1500);并加入802.2 LLC头用以标志上层协议,LLC头中包含DSAP,SSAP以及Crontrol字段.
5.802.3/802.2 SNAP
这是IEEE为保证在802.2 LLC上支持更多的上层协议同时更好的支持IP协议而发布的标准,与802.3/802.2 LLC一样802.3/802.2 SNAP也带有LLC头,但是扩展了LLC属性,新添加了一个2Bytes的协议类型域(同时将SAP的值置为AA),从而使其可以标识更多的上层协议类型;另外添加了一个3Bytes的OUI字段用于代表不同的组织,RFC 1042定义了IP报文在802.2网络中的封装方法和ARP协议在802.2 SANP中的实现.
802.3以太网帧格式备注:
前导码(7字节)、帧起始定界符(1字节)、目的MAC地址(6字节)、源MAC地址(6字节)、类型/长度(2字节)、数据(46~1500字节)、帧校验序列(4字节)[MAC地址可以用2-6字节来表示,原则上是这样,实际都是6字节]
图2 IEEE802.3以太帧头
DIX帧与原始802.3的标准有两个不同。
DIX不使用SFD,它把前8个字节作为一个整体,用于同步成为前导码。
前8个字节在功能上对DIX帧和802.3的标准帧是没有区别的,只是所使用的名称不同。
另一个不同时DIXv2的类型字段和IEEE的长度字段。
DIXv2的类型字段指帧中数据字段的内容。
施乐设定其占2个字节,称为协议代码,指明某一特定的协议。
任何供应商都可向施乐注册,为其协议分配一个代码——协议指任何想通过以太网传输的协议。
后来,IEEE接管了协议代码的管理。
在解封装的过程中协议代码非常重要。
如:一块网卡收到一个帧,它要将数据从以太帧中解封出来,给接收计算机的正确的软件处理。
类型字段指明数据的类型——如,IP分组或其他协议的3层PDU。
如果没有类型字段的信息,接收计算机将不会知道要把数据送给哪个软件处理。
以太网交换机VLAN配置
2字节的IEEE长度字段在帧中所占的位置与DIX类型字段一致。
它以字节为单位指明数据的长度。
而IEEE完成DIX类型字段任务则要依靠802.3之后的其他协议头。
有意思的是,IEEE所制定的以太网标准使得DIXv2帧和IEEE帧在一个局域网中不能共存。
因此,IEEE允许从现存的DIXv2网卡和网络设备到IEEE 的标准设备的迁移。
为了让设备可以识别使用的是哪种类型的帧,IEEE没有分配1536一下(十六进制数为600)的数为协议类型代码。
数据字段的最大值为1500字节。
所以一台设备可以很容易从源地址之后的2个字节来判断是哪种类型的帧,如果值为1536(十进制)或更高则为类型字段,意味着是dixv2帧。
如果从源地址之后的2个字节小于1536,则可确定是长度字段,为IEEE802.3帧。
编辑本段参考文献
[1].Wendell Odom, Tom Knott著.思科网络技术学院教程CCNA1网络基础[M].北京:人民邮电出版社,2008,4.
[2].Wade Edwards,Terry Jack,Todd Lammle著.CCNP四合一学习指南(中文版)[M].北京:电子工业出版社,2005,7.。