圣源化工有机消光粉简介
- 格式:doc
- 大小:28.00 KB
- 文档页数:2
消光粉化学分子式
消光粉是一种无机物,其主要成分为二氧化硅。
二氧化硅的化学式为 SiO2,它是由硅原子和氧原子组成的化合物。
二氧化硅在自然界中广泛存在,如石英、砂岩、硅藻土等都含有大量的二氧化硅。
消光粉是一种细微的白色粉末,具有良好的消光性能。
它通常被添加到涂料、油漆、塑料等材料中,以降低它们的光泽度,从而产生哑光或半哑光的效果。
消光粉的消光原理是基于其微小的颗粒尺寸和特殊的表面处理。
当光线照射到消光粉表面时,会发生漫反射,从而减少了镜面反射的强度,使材料表面看起来更加柔和和不反光。
除了在涂料和塑料工业中广泛应用外,消光粉还被用于印刷油墨、化妆品、橡胶等领域,以改善产品的外观和性能。
需要注意的是,消光粉的具体化学分子式可能因不同的生产厂家和产品而有所差异。
如果你需要了解特定消光粉产品的详细化学信息,建议查阅相关的产品资料或咨询生产厂家。
无水芒硝碳粉还原法
无水芒硝是一种重要的化学原料,常用于火药、肥料和化工产品的生产。
而碳粉则是一种常见的还原剂,能够在高温下与氧气反应,释放出大量热能。
因此,将无水芒硝和碳粉进行还原反应,不仅可以有效地提取氮气,还可以获得碳酸钙这种有用的化合物。
在实际操作中,无水芒硝和碳粉通常以一定的比例混合,并置于高温反应炉中进行加热。
在高温下,无水芒硝和碳粉发生化学反应,生成氮气和碳酸钙。
氮气可以被收集和利用,而碳酸钙则可以作为重要的工业原料,用于制备其他化学产品。
无水芒硝碳粉还原法不仅具有高效、环保的特点,而且在工业生产中有着广泛的应用。
通过这种方法,不仅可以实现资源的有效利用,还可以减少对环境的影响,为化工产业的可持续发展做出贡献。
总的来说,无水芒硝碳粉还原法是一种重要的化学反应方法,具有广泛的应用前景。
通过这种方法,可以实现资源的有效利用,减少对环境的影响,推动化工产业的可持续发展。
随着科学技术的不断进步,相信这种方法将会在未来发挥更加重要的作用。
低温固化 /消光级聚氨酯粉末涂料摘要:本文概述了聚氨酯粉末涂料的特性、反应原理及研究进展,同时介绍了本公司在聚氨酯粉末涂料生产过程中所做的一些实验工作。
1 前言从 20 世纪 70 年代以来,随着工业的发展,溶剂性涂料的涂装施工对大气造成的污染成为了国际社会关注的焦点,具有“省资源、省能源、低污染、高效能”特点的粉末涂料受到业界的高度重视,在涂料工业中所占比例迅速提升,广泛应用于家电、汽车、铝型材等领域。
聚氨酯粉末涂料不仅具有高装饰性和优良的物理力学性能,而且具有较全面的耐化学药品性,特别是不易黄变、耐候性和耐光性突出。
它兼顾了环氧涂料和丙烯酸涂料的优点,与 TGIC固化的纯聚酯粉末涂料体系相比,更具有无毒无害的巨大优势。
随着聚氨酯粉末涂料生产工艺的日益成熟,其在粉末涂料中所占的比例将越来越大。
2聚氨酯粉末涂料的特性物理性能优异耐化学品性优良耐候性突出固化过程中熔融黏度较小,润湿流平性良好挤出过程中不会有反应发生,生产工艺容易控制施工性能良好3聚氨酯粉末涂料反应原理聚氨酯是聚氨基甲酸酯的简称,由多异氰酸酯和多元醇(包括含羟基的低聚物)反应生成。
聚氨酯涂料中并不一定要有聚氨酯树脂存在,聚氨酯粉末涂料就是由羟基树脂和封闭型多异氰酸酯为原料制成的,二异氰酸酯在常温下大部分是具有挥发性的有毒液体,与羟基聚酯树脂有很高的反应活性,为降低其挥发性及毒性,并制造成固体以便于使用,人们通常用二元醇或三元醇与之反应。
为了避免烘烤前二异氰酸酯与羟基发生发应,还需要使用封闭剂封闭异氰酸基团,以提高其稳定性。
目前常用的聚氨酯粉末涂料交联剂的主要架构便是以己内酰胺封闭的IPDI (异佛尔酮二异氰酸酯),IPDI的分子结构和常见的己内酰胺封闭的 IPDI 分子结构如下:IPDI点击此处查看全部新闻图片己内酰胺封闭的IPDI点击此处查看全部新闻图片己内酰胺封闭的IPDI点击此处查看全部新闻图片涂料固化过程中,当烘烤温度升高到封闭IPDI 的解封闭温度(目前大多数产品的解封闭温度高于170℃)时,封闭的异氰酸酯先解封闭,己内酰胺释放出来,留下异氰酸根与羟基发生反应形成氨酯键,反应式如下:反应式点击此处查看全部新闻图片己内酰胺的放出将会造成涂层针孔、气泡等缺陷,并对环境产生污染。
消光粉可用于哪些领域?消光粉是一种特殊的材料,广泛应用于各个领域。
它的主要作用是消除光线和反射的影响,使材料表面呈现出一种类似于绒面的触感和视觉效果。
那么,消光粉可用于哪些领域呢?接下来,我们就来了解一下。
印刷和绘画在印刷和绘画中,消光粉被广泛应用于制作油画和印刷版。
它能够有效地消除反射和光线的干扰,提高作品的视觉效果和质感。
此外,在印刷领域,消光粉还可以用于制作防伪标识和防伪印刷品等。
涂料和油漆消光粉的消光作用,使它成为了涂料和油漆中必不可少的一种添加剂。
因为消光粉可以使涂料和油漆表面的反射减少,提高其附着力和耐久性。
在工业和建筑领域,消光粉不仅可以保护产品,还可以为建筑物和设备增添美观。
化妆品消光粉在化妆品中的应用也非常广泛。
很多化妆品都添加了消光粉,以达到柔和细腻的效果。
它能够使皮肤看起来更加光滑、柔和,减少皮肤暗沉和瑕疵的影响。
此外,消光粉还可以用于制作打亮粉、定妆粉等化妆品。
电子产品在电子产品中,消光粉也起到了重要的作用。
它可以用于制作电视、电脑、手机等屏幕的消光膜,以减少屏幕的反射和眩光。
这不仅会让产品的屏幕更加柔和自然,还会让用户更有舒适感。
其他领域除了上述领域,消光粉还可应用于许多其他领域,如:•纺织品:用于制作防眩绒面织物等。
•填充物:用于提高填充物的透气性和舒适感。
•包装:用于制作高质量包装盒和袋子等。
结语综上所述,消光粉是一种在各行各业中应用广泛的材料。
从印刷和绘画到电子产品、建筑和化妆品,消光粉都无处不在。
它能够有效减少低反射率和光线的干扰,提高视觉效果和质感,给人们带来更好的使用和体验。
无水硫酸钠粉末
无水硫酸钠,也被称为无水硝、无水芒硝、元明粉,是一种无色、吸湿性的结晶或粉末。
它在许多领域都有广泛的应用,如洗涤、造纸、玻璃、助剂、冶金、纺织等。
工业级别的无水硫酸钠通常含量在99%以上,是一种重要的工业原料。
请注意,无水硫酸钠应储存在干燥、阴凉、通风良好的地方,避免与潮湿、高温和火源接触。
在使用时,也应注意安全,避免与眼睛和皮肤接触,如不慎接触,应立即用清水冲洗。
以上信息仅供参考,如有需要,建议咨询专业人士。
第一部分化学品及企业标识产品信息物品中英文名称: 有机消光剂S5 S6S7 S8 organicmattingagent用途: 涂料油墨消光供货商名称:东莞市圣源化工有限公司第二部分危险性概述根据EC指令2006/121/EC 或1999/45/EC及其有效改编版和衍生的国家法规的定义,该产品对健康和环境无害。
第三部分成分/组成信息改性聚脲第四部分急救措施室温下操作该产品参考以下信息。
皮肤接触时,立即用大量的水和肥皂彻底冲洗污染部位。
第五部分消防措施合适的灭火剂: 水, 泡沫, 化学干粉燃烧时释放一氧化碳、二氧化碳、氮氧化物和痕量的氰化氢。
在着火和/ 或爆炸情况下,不要吸进烟尘。
消防人员必须佩戴自供气式呼吸器。
禁止污染的灭火用水流入土壤,地下水或地表水中。
第六部分泄漏应急措施个人防护措施: 戴防护设备(见第8部分)。
确保充分的通风/排气。
令未经授权人员离开。
环境保护措施: 禁止倒入地表水或生活污水系统。
清除方法: 使用机械操作设备。
防止形成粉尘。
清洗并装入合适的容器以待处理。
其它建议: 其它废弃措施见第13部分。
第七部分操作处置与储存操作加入涂料油墨时逸出粉尘必须通过有效排风除去。
储存保持容器密闭与干燥。
储存温度: < 40 °C第八部分暴露控制/个人防护呼吸系统防护:产生粉尘时,使用符合EN 143规定的带P1型颗粒过滤器的呼吸防护设备。
手部防护:防护手套的合适材料;EN 374-3聚氯乙烯- PVC (>= 0.5 mm)污染和/或损坏的手套必须更换。
眼睛防护:戴眼罩/面罩。
身体防护:穿着适当的防护服。
更多防护措施:禁止吸入粉尘/蒸气。
涂护肤油脂。
卫生措施:远离食物,饮料和烟草。
休息前和工作结束后洗手洗脸。
将工作服单独存放。
更换被污染的衣物。
第九部分物理化学性质颜色: 白色形态: 粉末气味: 几乎无味软化点: 无密度: 约1,2 g/cm³堆密度: 500 - 700 kg/m3饱和蒸气压: 不适用动力粘度: 不适用水溶性: 几乎不溶pH值: 不适用引燃温度: > 210 °C自燃温度: 不适用爆炸极限: 不适用第十部分稳定性和反应性危害反应: 未观察到危害反应。
有机消光粉方案简介有机消光粉是一种可以使材料表面呈现消光效果的添加剂。
它常用于涂料、油墨、塑料等行业,可以降低材料的反射能力,增加产品的色彩饱和度和整体观感。
本文将介绍有机消光粉的成分、制备方法以及应用场景。
我们将深入探讨有机消光粉方案的相关科学和技术问题。
有机消光粉的成分有机消光粉的主要成分是一种特殊的化学物质,称为蓝色染料。
蓝色染料具有高度的吸光能力,可以吸收光线并转化为热能。
这种染料通常具有较低的溶解度,在加工过程中需要与其他成分混合,并通过特殊的加工方法将其分散于基材中。
此外,有机消光粉的成分中还包含有机溶剂和助剂。
有机溶剂用于溶解蓝色染料,使其能够与基材均匀混合。
助剂的选择和使用将直接影响有机消光粉的性能和稳定性。
有机消光粉的制备方法有机消光粉的制备通常涉及以下几个步骤:1.原料准备:选择高纯度的蓝色染料作为主要原料,并根据需要选择合适的有机溶剂和助剂。
2.染料溶解:将蓝色染料加入有机溶剂中,并在适当的温度和搅拌条件下进行充分溶解。
3.加工混合:将溶解后的染料溶液与适量的助剂混合,并通过高速搅拌或者其他加工方法将其均匀分散。
4.干燥固化:将混合好的有机消光粉料进行干燥固化,使其获得一定的稳定性和流动性。
以上是一种常见的有机消光粉制备方法,具体的操作流程和条件可能根据不同的应用场景和需求而有所差异。
有机消光粉的应用场景有机消光粉广泛应用于涂料、油墨、塑料等行业,以实现消光效果和提升产品质量。
以下是有机消光粉的主要应用场景:涂料有机消光粉可以用作涂料中的填料,通过吸收光线来减少涂层的反射。
这有助于降低涂层的光泽度,提升产品的美观性和适用性。
同时,有机消光粉还可以增加涂料的遮盖力,改善涂层的覆盖能力。
油墨在油墨制备过程中加入有机消光粉可以改善印刷品的黑度和视觉效果。
有机消光粉可以吸收油墨中的光线,使印刷品呈现出更加饱满和深沉的色彩。
此外,有机消光粉还可以提高油墨的遮盖性和耐久性。
塑料将有机消光粉添加到塑料制品中,可以降低材料的光泽度,使其呈现出哑光效果。
消光粉的消光原理消光粉是一种具有特殊光学特性的材料,它可以吸收或散射入射光,从而降低或消除光的反射和透射。
消光粉的消光原理主要包括吸收、散射和多重反射等过程。
首先,消光粉通过吸收入射光来实现消光。
当光线照射到消光粉表面时,其表面化学成分会吸收光能,将其转化为热能。
这种吸收光能的过程会导致光的能量减弱,从而降低光线的亮度和反射率。
消光粉通常包括一些具有吸收能力的物质,如金属酞菁和碳黑等,它们可以吸收特定波长的光线,将其能量转化为热能。
其次,消光粉还通过散射入射光来实现消光。
散射是指光线在物质内部或表面碰撞并改变方向分散的现象。
与吸收相比,散射会改变入射光的传播路径,并将部分光线散射回原来的方向。
消光粉的微观结构中通常含有许多细小的颗粒或晶体,这些颗粒或晶体具有与入射光波长相当的尺寸。
当入射光线与这些微观结构相互作用时,光线会被散射到各个方向上,从而降低光线的亮度和反射率。
此外,消光粉的多重反射也是实现消光的一种重要原理。
当光线穿过消光粉层时,它会发生多次反射,从而减弱光线的亮度。
消光粉常常被应用在一些光学材料的表面上,例如在显示器和相机镜头的屏幕上。
通过在光线入射路径中引入消光粉,可以使光线多次在粉末颗粒之间发生反射,从而降低光线的透射和反射,实现对周围环境光线的消光。
除了吸收、散射和多重反射,消光粉还可能通过其他机制实现消光,如光学相位的相互干涉等。
不同的消光粉材料和应用场合,其消光原理可能有所不同。
总结起来,消光粉通过吸收入射光、散射入射光和多重反射等过程来实现消光。
这些原理的不同组合使得消光粉具有降低或消除光的反射和透射的能力。
消光粉的应用范围广泛,例如在电子设备中用于消除反射,以及在照明系统中用于减少眩光等。
随着科学技术的不断发展,消光粉的研究和应用将会得到更广泛的关注和应用。
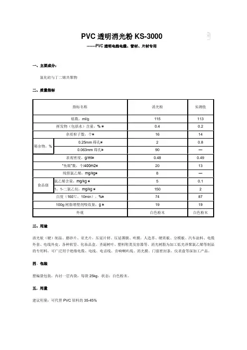
PVC透明消光粉KS-3000
-------PVC透明电线电缆、管材、片材专用
一、主要成分:
氯化硅与丁二烯共聚物
二、质量指标
指标名称消光粉实测值
粘数,ml/g 115 113 挥发物(包括水)含量,% ≤0.4 0.2 杂质粒子数,个≤16 14
0.25mm筛孔≤ 2 0.8
筛余物,%
0.063mm筛孔≥90 —
表观密度,g/ml≥0.48 0.49
“鱼眼”数,个/400m2≤20 13
残留氯乙烯,mg/kg≤8 —
氯乙烯含量,mg/kg ≤ 5 0.1 食品级
1,1-二氯乙烷,mg/kg ≤150 2
白度(160℃,10min),%≥74 87
100g树脂增塑剂吸收量,g ≥19 19
外观白色粉末白色粉末三、用途
消光软(硬)制品、磨砂片、亚光片,压延片材、压延薄膜、吹膜。
人造革、硬质板、分模板、汽车涂料、电缆外套、电线外皮、各种软管、化妆品盒、圣诞树叶、塑料鞋类及容器等。
消光树脂为加工低光泽聚氯乙烯等制品的专用料,可广泛用于绝缘电缆、电线、电话线、音响喇叭线、消光膜、门窗密封条、仪表盘等深加工产品。
四、包装
塑编袋包装,内衬一层内袋,每袋25kg,状态:白色粉末。
五.用量
建议用量:可代替PVC原料的35-45%。
高纯度间硝基苯磺酸钠
高纯度间硝基苯磺酸钠是一种有机化合物,分子式为C6H4NNaO5S。
它是一种白色或微黄色结晶粉末,纯度较高,主要用于有机合成和制药等领域。
在生产高纯度间硝基苯磺酸钠时,通常采用化学合成方法,以间二硝基苯为原料,经过磺化、水解、结晶等步骤制得。
该产品的生产过程较为复杂,技术要求较高,因此价格也相对较高。
高纯度间硝基苯磺酸钠的主要供应商包括湖北巨胜科技有限公司等企业。
这些公司在生产高纯度间硝基苯磺酸钠方面具有较高的技术水平和丰富的生产经验,能够提供质量稳定、纯度较高的产品。
在使用高纯度间硝基苯磺酸钠时,需要注意安全事项,如避免皮肤接触、眼睛接触等。
同时,应按照相关法律法规和标准使用该物质。
格雷斯消光粉参数
格雷斯消光粉是一种常用于涂料、油墨和塑料等领域的功能性添加剂,能够提供良好的消光效果。
以下是一般情况下格雷斯消光粉的参数:
1. 颗粒粒径:格雷斯消光粉的粒径一般在几微米到几十微米之间,不同产品可能有不同的粒径要求。
2. 消光效果:格雷斯消光粉的消光效果可以通过参数如SCI (漫反射)或Tint Strength(色力值)来衡量。
这些参数通常在产品说明中给出。
3. 表面处理:为了提高格雷斯消光粉的分散性和增加其与基材的相容性,通常会对其进行表面处理,例如使用有机硅偶联剂或聚合物包覆等。
4. 透明度:格雷斯消光粉的透明度指的是其对基材透明度的影响。
一般来说,消光粉的添加会降低基材的透明度。
需要注意的是,具体的参数会根据产品的不同而有所差异,建议在选购时查阅相关产品说明书或与生产厂家联系以获取更详细的信息。
一种聚酯/β-羟烷基酰胺(HAA)粉末涂料用新型消光剂广州市泽和化工材料研究开发有限公司唐懿摘要:本文介绍了一种适用于聚酯/β-羟烷基酰胺(HAA)粉末涂料的新型消光剂PriMat A5,可在原有粉末涂料体系直接添加,无需考虑其化学当量;研究表明,采用PriMat A5所制备的粉末涂料体系,完全不含有毒TGIC;不仅可以获得低于10%光泽的平整光滑的表面,具有良好的机械性能;而且较聚酯/GMA消光丙烯酸树脂体系具有明显的成本优势。
1、研发背景:粉末涂料以其高效(Efficiency)、环保(Environmental)及经济(Economical),即3E的优势,正逐步取代溶剂型涂料,取得飞速的发展。
聚酯/异氰脲酸三缩水甘油酯(TGIC)型粉末涂料,以其优良的耐候性、经济性及少缺陷,广泛应用于家电(户外空调)、建材(铝型材)、家具、汽车及五金等行业,已成为户外粉末涂料的主力品种。
近年来,由于人们对TGIC毒性给予越来越多的关注,如何全面取代聚酯/TGIC粉末涂料已经成为一个热门课题,欧盟及日本已经禁止使用聚酯/TGIC粉末涂料。
聚氨酯粉末涂料采用端羟基聚酯(或羟基丙烯酸树脂)配以异氰酸酯固化剂为主要成膜物质,具有良好的耐候性、优良的装饰性及机械性能,是一支非常优秀地耐候粉末涂料品种。
但由于其成本昂贵,现时无法完全取代聚酯/TGIC粉末涂料体系。
聚酯/β-羟烷基酰胺(HAA)粉末涂料采用近乎无毒的HAA为固化剂,由于HAA具有比TGIC更低的价格、更少的用量,已成为取代有毒TGIC的一种最成功的方案。
尽管聚酯/HAA体系本身还面临诸如涂膜易发黄、易起针孔(固化过程中小分子水的生成)以及耐盐雾性等挑战,随着研发的进展,其全面取代聚酯/TGIC的趋势难以阻挡。
因此,针对聚酯/HAA粉末涂料消光产品的研发势在必行。
PriMat A5是专为聚酯/HAA粉末涂料体系而研发的消光剂,可以制备低至4%@60o的光泽,具有细腻的外观、良好的机械性能及稳定的光泽。
有机消光剂简介
有机消光剂目前广泛应用于高透明高抗刮聚氨酯木器涂料、uv淋涂木器涂料、
塑胶uv涂料、皮革涂料、防腐蚀涂料等涂料体系中,常用的有机消光剂特性如下:
∙聚乙烯蜡粉类:迁移性好,容易迁移到涂料表面,起到滑爽、抗刮、消光等作用,但是透明度非常差,不适合透明涂料体系。
∙聚丙烯酸酯微粉类:此类粉体通常用于LED灯罩的光扩散剂,起到柔和光源的效果,在涂料体系中迁移性差,透明度也差。
∙聚酯微粉类:在涂料体系中通常作为砂面粉使用,迁移性差,透明度差。
∙三聚氰胺、聚脲类:此类粉体通常用于荧光粉包膜材料,用于消光剂时也存在迁移性差,消光效率低的问题。
鉴于以上问题,东莞市圣源化工专门针对红木、黑胡桃木、黑檀木等深色家具聚氨酯涂料的高透明度要求开发了新的有机消光剂S6 ,简介如下:
组成
改性聚脲聚合物
典型数据
平均粒径:d50=5.5-6 um
吸收值:30-60 ml/100g
加热减量:≤1%
折光指数:1.58
用途
适用于高透明聚氨酯木器涂料中降低光泽,制造柔和视觉效果。
用量
按总量计3-8%
特性及优点
∙在溶剂型聚氨酯涂料中具有完全的相容性,并有一定的溶胀特性,防沉淀性好。
∙低吸油量,适合高固体份体系。
∙由于其与聚氨酯涂料具有完全相同的折光指数,所以透明度极佳,重涂10遍不发白。
∙含有活性羟基可以在涂料树脂成膜的过程中参与交联,促进漆膜收缩聚集成均匀凹凸的表面而产生消光,同时也加强了漆膜的硬度和抗磨耗性。
由于其突出的耐酸碱性,适用于户外木器涂料及防腐蚀中消光。
储存
远离热源
包装
20kg/袋。