隧道槽道安装方法
- 格式:pdf
- 大小:116.63 KB
- 文档页数:6
长沙隧道预埋槽道施工方案1. 引言长沙市规划部门计划在某条主干道上建设一条隧道。
为了达到更好的交通流畅性和安全性,我们建议在隧道内预埋槽道。
本文档将详细介绍长沙隧道预埋槽道的施工方案。
2. 隧道预埋槽道设计2.1 槽道尺寸根据隧道设计要求和道路使用情况,我们建议槽道宽度为2米,深度为1米。
槽道长度将根据隧道的实际长度进行设计。
2.2 槽道材料槽道的材料选择将使用高强度钢材,具有良好的耐候性和抗腐蚀性。
选用钢材可以保证槽道的稳定性和耐久性。
槽道将沿隧道边缘布置,与道路平行。
每隔一定距离设置一个检修口,方便日常维护和检修工作。
槽道与道路之间应设有隔离带,以确保安全通行。
3. 施工流程3.1 施工准备在施工前,需要进行详细的规划和准备工作。
首先,确定槽道的位置和尺寸,并进行精确测量。
然后,准备所需的材料和设备。
施工计划中还需要考虑交通管制和安全措施。
3.2 地面开挖根据槽道设计要求,在隧道地面进行开挖。
开挖过程中需要采取适当的支护措施,以确保工人的安全和施工质量。
在地面开挖完成后,槽道铺设工作可以开始。
将预先制备好的钢材槽道放置在开挖的地面上,确保槽道与地面之间的间隙均匀。
3.4 固定和连接槽道安装完成后,需要进行固定和连接。
使用螺栓和焊接等方法将槽道固定在地面上,并确保槽道之间的连接紧密。
3.5 检修口设置根据设计要求,设置检修口。
检修口的尺寸应满足操作人员进入和维护设备的需要。
3.6 安全检查和测试在施工完成后,进行全面的安全检查和测试。
检查槽道的稳定性和连接性,确保满足设计要求和使用需求。
4. 施工周期和工期安排根据预估的工程量和施工条件,预计隧道预埋槽道的施工周期为6个月。
根据具体情况,可以进行工期调整和优化。
5. 施工成本估算根据工程量和材料价格,初步估算的隧道预埋槽道施工成本为XX万元。
具体成本将根据实际施工情况进行调整。
6. 施工风险和安全措施在施工过程中,需要考虑一些风险和安全问题。
例如,地质条件、交通管制和施工设备的安全使用等。
昆明隧道预埋槽道施工方案1. 引言本文档旨在对昆明隧道预埋槽道施工方案进行详细介绍。
预埋槽道施工是隧道建设中的重要环节,其质量和安全对整个隧道的运行起着关键作用。
通过本文档,我们将全面介绍昆明隧道预埋槽道施工方案的相关内容,包括施工步骤、施工流程、材料选择等。
2. 施工步骤昆明隧道预埋槽道施工分为以下几个步骤:2.1 槽道设计在施工开始之前,首先需要进行槽道设计。
槽道设计应根据隧道的功能需求和设计要求进行,包括槽道的尺寸、布置、材料选择等。
2.2 施工准备在进行预埋槽道施工之前,需要进行一系列的施工准备工作。
首先,需要确定好施工区域并进行标记。
然后,清理施工现场,清除杂物和积水,保证施工安全。
同时,准备好所需的材料和施工设备。
2.3 槽道开挖槽道开挖是预埋槽道施工的关键步骤之一。
开挖槽道时应根据设计要求进行,注意保持槽道的几何形状和尺寸。
开挖完成后,需进行槽道的表面处理,确保表面平整。
2.4 配置预埋材料在槽道开挖完成后,需要进行预埋材料的配置。
预埋材料应根据设计要求选择,并进行合理的配比。
配料过程中需注意施工材料的质量和批次,确保材料质量稳定。
2.5 预埋槽道施工预埋槽道施工是整个施工过程的核心环节。
在施工过程中,应根据设计要求进行预埋槽道的安装。
安装过程中需注意施工材料的密实性,确保槽道与周边土体的牢固连接。
2.6 护坡与清理完成预埋槽道的安装后,需要进行护坡和清理工作。
护坡工作应根据设计要求进行,确保槽道周边的土体稳定。
清理工作包括清除施工现场的杂物和垃圾,保持施工现场的整洁。
3. 施工流程昆明隧道预埋槽道施工的流程如下:1.槽道设计:根据隧道的要求进行槽道设计。
2.施工准备:确定施工区域,进行清理和准备工作。
3.槽道开挖:按照设计要求进行槽道开挖,并进行表面处理。
4.配置预埋材料:选择合适的预埋材料,并进行配料。
5.预埋槽道施工:按照设计要求进行预埋槽道安装。
6.护坡与清理:进行护坡工作,同时清理施工现场。
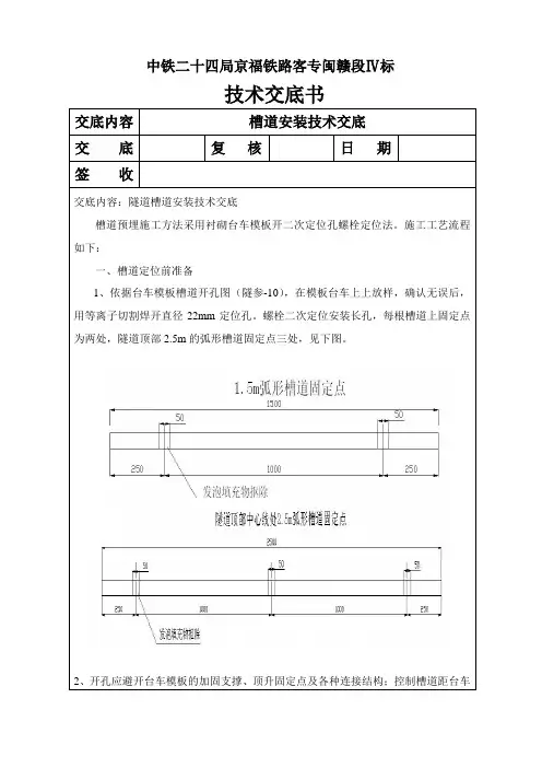
中铁二十四局京福铁路客专闽赣段Ⅳ标技术交底书交底内容槽道安装技术交底交底复核日期签收交底内容:隧道槽道安装技术交底槽道预埋施工方法采用衬砌台车模板开二次定位孔螺栓定位法。
施工工艺流程如下:一、槽道定位前准备1、依据台车模板槽道开孔图(隧参-10),在模板台车上上放样,确认无误后,用等离子切割焊开直径22mm定位孔。
螺栓二次定位安装长孔,每根槽道上固定点为两处,隧道顶部2.5m的弧形槽道固定点三处,见下图。
2、开孔应避开台车模板的加固支撑、顶升固定点及各种连接结构;控制槽道距台车边缘的距离。
3、检查槽道内发泡填充物的完整状态,如有残缺,应进行填补。
4、两根一组的槽道,根据设计要求的槽道平行间距,用截面不小于16的圆钢钢筋焊接牢固。
每组槽道焊接钢筋数量不少于3根,呈八字形分部。
钢筋应与槽道的锚脚焊接,不得直接与槽道本身焊接,焊缝进行喷锌处理。
二、槽道一次定位1、按槽道里程,将衬砌台车顶推到位,槽道里程误差最大误差控制在50cm内。
里程对准后,横向、径向调整台车模板,使得台车轴线与线路轴线一致。
2、绑扎衬砌第二层钢筋网片后,测量出槽道布置位置,在钢筋网外层将事先焊接好成组槽道就位。
3、接触网下锚(对应槽道C/D/E/G)位于隧道II、III级围岩及IV级围岩二衬为素混凝土地段时,应对每个槽道基础进行加强,确保每根弧形槽道锚杆与衬砌结构的三肢钢架进行可靠焊接,直形槽道锚杆与三肢钢架及单层钢筋网进行可靠焊接。
4、在槽道后部锚杆处,垂直槽道方向,间隔绑扎几根短筋,长约30mm,将锚杆和短筋绑扎固定在钢筋网上。
4、根据接地要求,将槽道锚杆与相应的接地钢筋可靠焊接。
5、将槽道与模板固定点位置(开孔位置)的发泡填充物扣除。
三、槽道二次定位1、台车移动就位到指定位置后,油缸顶升拱顶、拱腰模板到位,与网片钢筋上固定的槽道接近贴住后,通过二次定位孔,找到并调整槽道位置。
一根槽道用一个顺路线开孔,一个垂直线路开孔固定及进行调整。
当它要建造隧道电缆槽时,这一切都是为了为一些严肃的地下行动创
造条件!我们得确保现场准备就绪,准备卷土重来,这意味着挖掘泥土,把它打包下来。
然后根据设计计划将大炮带入并安装电缆槽。
我们说的是精确的对齐和排水的完美斜坡——这里没有弯曲的电缆!嘿,当它变成材料的时候,我们不会割任何角落——质量最高的槽,会走远。
当然,安全与环境是头等大事,所以我们把所有基地都覆盖起来,使事情顺利进行,而不会造成地面上的任何混乱。
让我们开始隧道派
对吧电缆槽施工,这里!
我们首先要让现场准备好为隧道电缆槽挖壕沟。
我们标出它要往哪里走确保土壤被妥善包装我们挖沟适当的大小和深度,确保底部是好
的和水平。
之后,我们可以开始安装电缆槽的路段,确保它们排成一
行并连接良好。
我们用土壤填满战壕并打包下来,给电缆槽良好的
支持和保护。
施工过程必须遵守确保电缆槽有效排水的规定措施,包括建立适当的
梯度和蓄水通道。
盖盖和检查坑的安装必须严格符合设计规格,并尽
量考虑到电缆槽的无障碍和安全性。
必须详细记录和彻底审查施工过程,以保证充分运用所有要求和标准。
任何问题或偏离必须按照既定
政策和准则,在项目完成之前迅速处理和纠正。
关于接触网预埋槽道得安装方法原则:要满足设计安装精度要求,预埋槽道得最终定位必须固定在模板台车上。
需要解决得问题:1,操作空间小,本工程所使用得台车得顶升油缸得最大行程为200mm左右,隧道衬砌得钢筋网片与模板间无法进行人工操作。
2,模板台车分块得铰接点在模板收缩时会产生折点。
3,钢筋网片与预埋槽道后部得锚钉有可能会有位置冲突4,钢筋绑扎得速度有可能远大于衬砌速度。
5,隧道内槽道与模板台车连接,累计误差较大。
经过武广线现场实地调研及与设计院与施工单位隧道专家得沟通,总结出两个槽道固定方案,比较具有可操作性。
槽道模型:HTA –A 52/34Q(A代表后部锚钉为I型钢,Q代表允许使用于动荷载) 布置形式:参见隧道接触网基础预留接口设计图方案一钢筋网片二次定位法施工工序:1.台车加工:依据设计要求得位置,在模板台车上开螺栓定位孔。
2.按照隧道弧度现场制作一个工作台,长约3米,宽约1米。
3.将两根槽道放置在工作台上,根据设计要求调整槽道间距离,用钢筋或型钢焊接牢固。
4.槽道粗定位:绑扎第二层网片钢筋时,按照设计位置,测量出槽道位置,并将事先焊接好得成组槽道就位;在槽道后部锚钉处,垂直槽道方向,间隔绑扎几根短筋,长约30cm;将其挂在钢筋网上。
5.槽道精确定位:台车移动就位到指定位置,顶升模板到位,利用T型螺栓穿过钢模板上预留长孔,找到并调整槽道位置,锁紧螺栓,使槽道紧贴模板,进行精确定位;6.二次衬砌浇注;7.衬砌脱模:T型螺栓螺母松开后,旋转900取出螺栓,收回模板脱模。
此方案优点在于:1,可以避免锚钉与后部钢筋干涉;2,当槽道跨两块模板使用时,不存在铰接点问题;3,模板脱模不需要回收很大得行程,几厘米即可。
缺点就是:模板需要开长孔,以便于找到粗定位于钢筋网片得槽道。
方案二抽屉式模板固定法施工工序1,模板台车加工时,根据设计要求得槽道位置钻固定用螺栓孔;并在台车两端需要固定槽道得位置画好定位基准线;2,按照隧道弧度现场制作一个工作台,长约3米,宽约1米。
关于接触网预埋槽道的安装方法原则:要满足设计安装精度要求,预埋槽道的最终定位必须固定在模板台车上。
需要解决的问题:1,操作空间小,本工程所使用的台车的顶升油缸的最大行程为200mm左右,隧道衬砌的钢筋网片与模板间无法进行人工操作。
2,模板台车分块的铰接点在模板收缩时会产生折点。
3,钢筋网片与预埋槽道后部的锚钉有可能会有位置冲突4,钢筋绑扎的速度有可能远大于衬砌速度。
5,隧道内槽道与模板台车连接,累计误差较大。
经过武广线现场实地调研及与设计院和施工单位隧道专家的沟通,总结出两个槽道固定方案,比较具有可操作性。
槽道模型:HTA –A 52/34-Q〔A代表后部锚钉为I型钢,Q代表允许使用于动荷载〕布置形式:参见隧道接触网基础预留接口设计图方案一钢筋网片二次定位法施工工序:1.台车加工:依据设计要求的位置,在模板台车上开螺栓定位孔。
2.按照隧道弧度现场制作一个工作台,长约3米,宽约1米。
3.将两根槽道放置在工作台上,根据设计要求调整槽道间距离,用钢筋或型钢焊接牢固。
4.槽道粗定位:绑扎第二层网片钢筋时,按照设计位置,测量出槽道位置,并将事先焊接好的成组槽道就位;在槽道后部锚钉处,垂直槽道方向,间隔绑扎几根短筋,长约30cm;将其挂在钢筋网上。
5.槽道精确定位:台车移动就位到指定位置,顶升模板到位,利用T型螺栓穿过钢模板上预留长孔,找到并调整槽道位置,锁紧螺栓,使槽道紧贴模板,进行精确定位;6.二次衬砌浇注;7.衬砌脱模:T型螺栓螺母松开后,旋转900取出螺栓,收回模板脱模。
此方案优点在于:1,可以防止锚钉与后部钢筋干预;2,当槽道跨两块模板使用时,不存在铰接点问题;3,模板脱模不需要回收很大的行程,几厘米即可。
缺点是:模板需要开长孔,以便于找到粗定位于钢筋网片的槽道。
方案二抽屉式模板固定法施工工序1,模板台车加工时,根据设计要求的槽道位置钻固定用螺栓孔;并在台车两端需要固定槽道的位置画好定位基准线;2,按照隧道弧度现场制作一个工作台,长约3米,宽约1米。
隧道内接触网预埋槽道施工工法隧道内接触网预埋槽道施工工法一、前言隧道内接触网预埋槽道施工工法是指在隧道内部通过预埋槽道的方式进行接触网的施工。
这种施工工法具有许多优点,比如施工过程简单、工期短、成本低等。
本文将详细介绍这种工法的特点、适应范围、工艺原理、施工工艺、劳动组织、机具设备、质量控制、安全措施、经济技术分析和工程实例。
二、工法特点隧道内接触网预埋槽道施工工法的特点主要包括以下几个方面:1. 施工过程简单:该工法使用预制的槽道,通过在隧道内固定和连接,可以快速完成接触网的安装工作,简化了施工过程。
2. 工期短:由于采用了预制槽道,只需在隧道内安装和连接,相比传统的现场焊接工法,施工时间大大缩短。
3. 成本低:预制槽道的使用不仅提高了施工效率,还降低了施工成本,减少了现场焊接所需的人力和材料费用。
4. 适应性强:该工法适用于不同类型和规模的隧道工程,可以根据实际情况进行灵活调整和应用。
三、适应范围隧道内接触网预埋槽道施工工法适用于各类隧道工程,包括铁路隧道、地铁隧道、公路隧道等。
它适用于各种隧道的环境和条件,如深埋隧道、高速隧道、曲线隧道等。
四、工艺原理隧道内接触网预埋槽道施工工法的原理是将预制的槽道在隧道内部进行固定和连接,形成完整的接触网。
这种工法采用了特殊的固定装置和连接方式,保证了槽道的稳定性和接触网的可靠性。
该工法的联系和技术措施主要体现在以下几个方面:1. 槽道设计:槽道的设计需要考虑隧道的结构特点和接触网的要求,确保槽道与隧道完全契合,同时保证槽道的强度和稳定性。
2. 槽道施工:槽道的施工需要使用特殊的混凝土模具和模板,确保槽道的尺寸和几何形状满足设计要求,同时保证槽道的表面光滑和平整。
3. 槽道固定和连接:槽道需要使用特殊的固定装置进行固定,确保槽道与隧道之间的连接牢固可靠,同时保证槽道的稳定性和耐久性。
五、施工工艺隧道内接触网预埋槽道施工工法的施工工艺包括以下几个阶段:1. 槽道布置:根据设计要求,在隧道内部确定槽道的位置和数量。
隧道施工预埋槽道的使用方法和注意事项范本1:【章节一】隧道施工预埋槽道的使用方法1.1 搭建施工场地在进行隧道施工预埋槽道工作之前,首先需要搭建施工场地。
施工场地应选择平整稳固的地面,确保施工安全。
同时,需要根据预埋槽道的尺寸和数量确定场地大小,并进行围挡和标志的设置,以确保施工现场的安全和有序。
1.2 确定预埋槽道位置和布局根据隧道设计图纸,确定预埋槽道的位置和布局。
在确定位置时,需要考虑施工的顺序和相邻施工部位的影响。
布局应合理,避免交叉和拥挤,方便后续的施工和维护。
1.3 进行预埋槽道安装将预埋槽道按照设计要求进行安装。
首先,清理预埋槽道底部的杂物,确保安装面整洁。
然后,根据设计要求,将预埋槽道按照一定的间距和高度进行安装,保证槽道的水平度和稳固性。
在安装过程中,需注意保护槽道的表面不受损坏。
1.4 进行预埋槽道连接和固定预埋槽道安装完成后,需要进行连接和固定。
根据设计要求,选择适当的连接方式和固定材料,确保槽道连接牢固,并能承受相应的荷载。
同时,需要进行必要的检查和试验,确保连接和固定的质量。
【章节二】隧道施工预埋槽道的注意事项2.1 安全注意事项在进行隧道施工预埋槽道工作时,必须严格遵守安全操作规程。
工作人员要穿戴好安全防护用品,注意周围环境和施工现场的安全,防止发生意外事故。
施工过程中,应加强安全教育和培训,确保工作人员的安全意识和操作技能。
2.2 质量控制隧道施工预埋槽道的质量控制是保证工程质量的重要环节。
在施工过程中,需要按照相关规范和要求进行检测和验收,确保预埋槽道的质量符合设计要求。
同时,要做好质量记录和追溯,及时处理质量问题,保证施工质量。
2.3 施工进度管理隧道施工预埋槽道的施工进度管理是保证工程能按时完成的重要措施。
施工单位需要合理安排施工计划,并进行进度控制和监测,及时解决施工中的问题和延误。
同时,要与相关单位和人员进行协调,确保施工进度的顺利推进。
【附件】本文档涉及相关文件和图纸,请参考附件中的内容。
宝兰铁路隧道工程接触网轨槽预埋安装作业指导书1.适用范适用于宝兰客运专线铁路甘肃段六标秦安隧道出口接触网轨槽预埋安装的施工。
2.作业准备2. 1内业技术准备在施工前组织技术人员认真学习实施性施工组织设计,阅读、审核施工图纸,澄清有关技术问题,熟悉规范和技术标准,查阅相关施工案例,认真调查隧道围岩地质情况,了解施工条件,技术水平和设备装置的施工参数,制定施工安全保证措施,对施工人员进行技术交底,对参加施工人员进行上岗前技术培训,考核合格后持证上岗。
2. 2外业技术准备不同类型的轨槽运至现场;台车采用12米,有效工作长度为11.9 米。
吊柱悬挂一般每47. 6米一处。
隧道内上下行线错开3m布置。
施工测量放岀轨槽预埋的开口位置。
3.技术要求%1按设计要求的位置,在台车上开螺栓定位孔,长度1・5米以上弧形轨槽需开3个定位孔(轨槽两端及中部各一个),长度1・5米及以下弧形轨槽需开2个定位孔(轨槽两端各一个)。
开孔原则:应结合轨槽预留台车模板布置图进行优化,减少模板开孔数量。
②按照隧道弧度,预先加工轨槽具备相同的弧度。
%1将两根轨槽根据设计要求调整轨槽间距离,用扁钢焊接牢固。
%1轨槽固定于模板台车:将轨槽放置于已开好的定位孔处,将轨槽固定点位置的填充泡沫抠出,放入T型螺栓,水平旋转90度。
每根轨槽使用3个T型螺栓穿过模板台车上相应的预留定位孔,锁紧螺栓,使轨槽紧贴模板,完成定位连接。
%1台车移动就位到指定位置,顶升模板及轨槽到位。
如果网片钢筋与轨槽相冲突,调整对应的网片钢筋,保证轨槽正确位置。
%1将槽道组与隧道衬砌钢筋网片中的接地钢筋进行” L”焊接,使槽道组与综合接地系统进行可靠连接,满足综合接地系统要求。
%1待二衬磴浇筑完成后,松开T型螺栓螺母,旋转T型螺栓90度取岀螺栓。
T型固定螺栓和螺母可重复使用。
%1当轨槽基础位于隧道II、III级围岩地段时,应对轨槽基础进行加强,并确保每根弧形轨槽与衬砌结构的三肢钢架进行可靠焊接;每根直形轨槽与衬砌结构的三肢钢架及单层钢筋网进行可靠焊接。
高速铁路隧道内后置槽道施工关键技术前言随着高速铁路建设的不断推进,铁路隧道的施工与维护技术也在不断进步。
其中,后置槽道施工技术是重要的一环。
本文将介绍高速铁路隧道内后置槽道施工的关键技术。
后置槽道施工技术概述后置槽道施工是指在已建成的铁路隧道内,沿着隧道壁开挖一条槽道,并在其中安装铁路轨道。
相对于传统的铺轨方式,后置槽道施工具有施工周期短、施工难度低等优点。
目前,后置槽道施工技术已经广泛应用于国内外高速铁路的建设与维护中。
后置槽道施工的关键技术隧道壁面处理技术后置槽道的施工依赖于隧道壁面的处理,因此,隧道壁面处理技术是后置槽道施工的重要环节。
一般而言,隧道壁面存在不规则的凹凸不平,需要经过高压水射流、气体注浆等方法进行处理,使其达到一定平整度。
这样可以减小后置槽道施工的难度,提高施工效率。
槽道开挖技术槽道开挖是后置槽道施工的核心环节。
正确的开挖方式可以保证槽道的平整度和尺寸精度,同时也可以减小隧道壁面的影响。
目前,常见的开挖方式有机械开挖和水力冲击开挖两种。
轨道安装技术铁路轨道的精度对于高速铁路的运行安全至关重要。
因此,在后置槽道施工中,轨道的安装精度需要得到严格的控制。
一般而言,轨道的安装需要使用精密测量设备进行测量,同时保证固定点的精度和横滚度的限制范围。
安全管理技术后置槽道施工过程中,隧道内氧气含量会随着开挖进展而逐渐降低,同时还会产生大量噪音和粉尘污染。
因此,在施工过程中,需要进行科学合理的安全管理。
常见的安全管理方法包括现场通风、降噪和粉尘控制等。
结论后置槽道施工技术是高速铁路隧道内铁路轨道施工的重要方法之一。
正确的施工流程和科学合理的安全保障措施可以提高施工效率,确保轨道的精度和安全运行。
本文介绍了后置槽道施工的关键技术,可供相关建设与维护单位参考使用。
隧道接触网支柱预埋槽道施工工法隧道接触网支柱预埋槽道施工工法一、前言:隧道接触网支柱预埋槽道施工工法是一种用于隧道接触网支柱固定的施工方法,通过预埋槽道的方式,在隧道墙壁预留空间,安装接触网支柱,提高支柱的牢固性和安全性。
本文将详细介绍该工法的特点、适应范围、工艺原理、施工工艺、劳动组织、机具设备、质量控制、安全措施、经济技术分析以及工程实例。
二、工法特点:1. 提高支柱牢固性:预埋槽道可以为接触网支柱提供更稳固的支撑,增加支柱的抗倾倒和抗风力能力。
2. 减少工程风险:使用预埋槽道施工工法可以减少现场施工所需的时间和风险,提高施工效率。
3. 降低施工成本:与传统的支柱安装方法相比,预埋槽道施工工法减少了施工过程中的人工和材料消耗,节约成本。
4. 提高工程质量:通过提前在隧道墙壁进行支柱安装,预埋槽道施工工法可以确保支柱的精确定位和准确安装。
三、适应范围:隧道接触网支柱预埋槽道施工工法适用于各类隧道工程,特别适用于地质条件较差、土层松散或存在风险的隧道。
此外,该工法也适用于工期紧迫或其他形式施工无法使用的情况。
四、工艺原理:隧道接触网支柱预埋槽道施工工法基于以下几个原理:1. 预埋槽道设计:根据设计要求和支柱的尺寸,确定预埋槽道的位置、尺寸和数量。
2. 墙面清理和处理:清除隧道墙壁上的杂物和灰尘,确保预埋槽道的质量。
3. 预埋槽道制作:按照设计要求,在隧道墙壁上进行槽道的开凿和修整。
4. 支柱安装:将预制的接触网支柱置于预埋槽道中,进行精确定位和安装固定。
五、施工工艺:1. 搭建施工平台:在隧道内部搭建施工平台,确保施工的安全和顺利进行。
2. 清理墙面:将隧道墙面上的杂物、灰尘等清理干净,保证预埋槽道相对干净。
3.槽道开凿:根据设计要求,在隧道墙壁上进行槽道的开凿,注意槽道的尺寸和位置。
4. 修整槽道:将开凿的槽道进行修整,确保槽道的平整和牢固。
5. 支柱安装:将预制的接触网支柱置于槽道中,进行精确定位和安装固定。
简述槽道安装流程下载温馨提示:该文档是我店铺精心编制而成,希望大家下载以后,能够帮助大家解决实际的问题。
文档下载后可定制随意修改,请根据实际需要进行相应的调整和使用,谢谢!并且,本店铺为大家提供各种各样类型的实用资料,如教育随笔、日记赏析、句子摘抄、古诗大全、经典美文、话题作文、工作总结、词语解析、文案摘录、其他资料等等,如想了解不同资料格式和写法,敬请关注!Download tips: This document is carefully compiled by the editor. I hope that after you download them, they can help yousolve practical problems. The document can be customized and modified after downloading, please adjust and use it according to actual needs, thank you!In addition, our shop provides you with various types of practical materials, such as educational essays, diary appreciation, sentence excerpts, ancient poems, classic articles, topic composition, work summary, word parsing, copy excerpts,other materials and so on, want to know different data formats and writing methods, please pay attention!槽道安装是一项重要的工程施工工作。
隧道内预埋接触网槽道施工摘要:高速铁路客运专线隧道内接触网预埋件和综合接地系统是保证隧道后期顺利运营的关键。
客运专线隧道内接触网采用预埋槽型滑道(简称槽道)固定、悬挂于隧道顶或壁,适应于隧道内接触网吊柱、附加导线悬挂等。
下面详细介绍在下面详细介绍沈丹客专大柳峪隧道预埋槽道的施工工艺,并总结槽道安装过程中一些特殊问题的处理。
关键词:隧道接触网槽道施工一、大柳峪隧道及槽道简介1.1工程概况大柳峪隧道位于辽宁省本溪市境内,单洞双线隧道,线间距 4.6m,纵坡为单坡,隧道进口至DK35+650为3‰的上坡,DK35+650至出口为18‰的上坡。
起讫里程DK34+730~DK36+440,全长1710m。
隧道位于低山丘陵区,沟谷发育,地形起伏较大,植被发育,基岩局部裸露。
围岩分段为Ⅱ级380m,Ⅲ级85m,Ⅳ级950m,Ⅴ级295m。
1.2槽道简介沈丹客运专线所选用的槽型滑道为预埋式槽道,是一种按照设计要求位置在衬砌台车上开孔,采用配套的T型螺栓固定在台车模板上,待浇筑完衬砌混凝土后,松开螺栓,收回模板脱模的施工工艺。
槽道主要由滑道、I型锚钉两部分组成,它主要是依靠I型铆钉与衬砌混凝土之间的握裹力为接触网支柱提供一个受力平台,起到固定接触网吊柱、附加导线悬挂的作用,并将包括接触网、接触柱由于自重而产生的静载和列车行驶中与接触网摩擦产生的动载通过I型铆钉传递给混凝土。
图1 预埋式接触网槽道1.3槽道特性(1)安全、可靠(2)快速、经济(3)防火性能1.4槽道的分类(1)A类,弧形槽道,长度为3000mm,每组两根,中心间距为400mm,垂直于线路方向固定在隧道中心线位置,外侧槽道距台车边缘(环向施工缝处)800mm。
(2)C类,分为弧形和直形槽道。
弧形槽道每组八根,长度为2500mm,中心间距为600mm,垂直于线路方向对称固定在隧道两侧,槽道内侧距隧道中心线位置4977mm,外侧槽道距台车边缘(环向施工缝处)800mm,上、下端弧形槽道与直形槽道的端头相距400mm;直形槽道每组六根,长度为4000mm,靠近隧道中心线的两根槽道中心间距2400mm,外侧的两根槽道中心间距2224mm,平行于线路方向对称固定在隧道两侧,靠近隧道中心线的第一根槽道距其7675mm,槽道端头距台车边缘(环向施工缝处)400mm。
济南隧道预埋槽道施工方案一、引言本文档旨在详细介绍济南市某隧道项目的预埋槽道施工方案。
预埋槽道在隧道工程中起到承载电缆、管道等设施的作用,因此施工方案的合理性和高效性对工程的顺利进行至关重要。
本文档将包括预埋槽道方案的设计、施工过程、材料选取等内容,并以Markdown文本格式输出。
二、设计方案预埋槽道的设计方案主要包括槽道尺寸、布置方式和连接方式等。
根据隧道的实际情况,我们选择了以下设计方案:1. 槽道尺寸预埋槽道的尺寸应根据所需设施的数量和规格而定。
在本项目中,我们根据设计要求,在隧道墙壁上预留了一条尺寸为1500mm×600mm×600mm的槽道。
2. 布置方式为了保证隧道内各设施的正常使用并方便维护,我们将预埋槽道按照一定的布置方式进行安排。
具体布置方式如下:•将槽道分为若干等分,每个等分之间预留一定的距离,以便于各设施的敷设和定位。
•每个等分内的设施按照一定的排列方式进行布置,确保空间的合理利用。
3. 连接方式预埋槽道的连接方式应考虑连接的牢固性和设施的可靠性。
在本项目中,我们选择了以下连接方式:•采用电缆梳理连接方式,确保电缆的牢固固定和接触良好。
•采用螺栓连接方式,确保管道的连接紧密且不易松动。
三、施工过程预埋槽道的施工过程主要包括准备工作、槽道开凿、设施敷设和连接等步骤。
以下是具体的施工过程:1. 准备工作在施工之前,需要进行一系列的准备工作,包括:•核对设计图纸,确保施工工作的准确性。
•准备所需设备和材料,如槽道开凿机械、电缆和管道等。
•制定施工计划和安全措施,确保施工过程的安全性和高效性。
2. 槽道开凿按照设计要求,在隧道墙壁上开凿出预留的槽道。
在槽道开凿过程中,需要注意以下事项:•根据设计要求,控制开凿的深度和宽度。
•确保开凿的槽道平整,避免出现过深或过宽的现象。
•做好安全措施,防止施工人员受伤。
3. 设施敷设和连接将所需设施进行敷设,并按照设计方案进行连接。
隧道内预埋排水系统槽道专项方案
简介
本专项方案针对隧道内排水问题,提出了预埋排水系统槽道方案。
方案设计
1. 槽道选择:采用PVC材质的排水槽,槽的设计形状为“V”字型,可以有效的避免积水,排除杂物,且有良好的自洁能力。
2. 排水系统:采用重力排水系统,将槽道内的水流引到出水口,出水口测斜角度大于5°,保证出水畅通顺畅。
3. 排水口设置:排水口的尺寸根据设计要求确定,一般采用多
个小口分布的方式,这样可以更好地保证排水畅通。
施工安装
1. 线路点定位:先根据设计图纸确定排水槽的铺设位置,并用
颜色标记出来。
2. 槽道铺设:先按铺设位置挖好槽沟,然后在沟内垫一层压实
砂浆,保证槽底平整,再进行排水槽按设计要求的铺设。
3. 系统连接:排水槽的连接方式有直接连接和间接连接两种,根据具体设计选择连接方式。
4. 设备安装:安装好排水槽后,需要安装相应的设备,如排水口、检查井等。
注意事项
1. 排水槽内杂物要及时清理,以免影响排水效果。
2. 安装排水设备时,要严格按照说明书要求进行操作,确保设备安装牢固,使用可靠。
客运专线隧道接触网预埋滑槽施工工法客运专线隧道接触网预埋滑槽施工工法关于halfen槽在隧道中的应用的文章,如有任何疑问和建议,欢迎大家随时和我们联系。
摘要:就高速运行条件下接触网结构的稳定,隧道衬砌施工方案,隧道及接触网施工进度控制,工程造价和专业配合等方面,结合前期研究成果和有关国际咨询意见,针对国内外推荐的预埋槽型滑道和化学锚栓两个方案进行了深入的计论,确立了接触网基础采用预埋槽型滑道为的主方案。
简要介绍了客运专线隧道接触网预埋滑槽施工工法。
关键词:客运专线;隧道;接触网;预埋槽;施工工法。
1前言2005年,随着武广、郑西铁路客运专经隧道工程陆续展开施工,一些急需解决的技术难题也逐渐显现出来。
在隧道二次衬砌施工过程中,接触网基础采用何种方式能更好的适应高速列车运行,哪一种方式更加能确保工程质量,达到高速运行条件下接触网结构的稳定,成了站前、站后相关专业技术人员研讨的重点。
2006年初,铁道部工程管理中心、铁道部工程设计鉴定中心与咨询、设计、施工等单位召开会议,针对客运专线隧道内接触网基础接口技术方案的有关问题进行专题研究。
会议就高速运行条件下接触网结构的稳定,隧道衬砌施工方案,隧道及接触网施工进度控制工程造价和专业配合,结合前期研究成果和有关国际咨询意见,针对国内对推荐的预埋槽型滑道和化学锚栓两个方案进行了深入的讨论,确立了接触网基础采用预埋槽型滑道为主的方案,提出接触网基础布点应考虑隧道衬砌施工的特点进行设置,尽量方便隧道衬砌的施工,且预埋件施工由隧道施工单位随衬砌施工同步完成。
2006年4月,经过对设计图的充分理解,以及对液压初砌台车和滑槽的反复研究,中铁十二局集团在其所属段的ZXZQ08标张茅隧道,率先进行了初砌混凝土和槽型滑道预埋件施工。
在具体施工过程中,先后解决了如何利用台车长度反算接触网吊柱合理间距,台车如何预留螺栓孔位及预留孔洞几何尺寸的确立,滑槽安装过程控制等施工技术难题,指出了安装滑槽位置偏差及解决办法,逐渐总结出一整套接触网预埋滑槽施工工法。
经过上级多次检查,对已施工结束的近千米衬砌中安装的滑槽给予充分肯定,认为安装精度高,速度快,同衬砌混凝土结合紧密,外观平顺美观,现场可操作性强,易于推广。
在中铁十二局管段其他隧道推广使用的基础上,总结完善形成了本工法。
2工法特点(1)根据衬砌台车长度确定接触网吊柱间距,再采取在衬砌台车拱部模板上开少量小孔安装固定滑槽,计算简单,易于操作。
(2)滑槽与台车结合紧密,拆模台与衬砌表面平齐,外观圆顺美观。
(3)利用衬砌台车本身结构,采取了人工及小型机具操作,施工时简单易学,利于推广。
3适用范围本工法适用于客运专线隧道施工中,采用整体式液压衬砌台车进行二次衬砌灌注的接触网基础滑槽预埋件施工。
4施工工艺4.1工艺原理充分利用衬砌台拱部顶升液压千斤顶25~30cm的行程及衬砌混凝土钢筋下部保护层及钢筋中部的空间,采用从混凝土灌注窗口人工进行台车模板上部操作,台车模板下部固定的方法进行。
4.2滑槽的产品技术规格目前,隧道内采用的是德国HALFEN-DEHA公司的HTA52/34-QGJ型滑道槽产品,材质分A4钢及不锈钢两种,均为工厂热轧生产,其几何尺寸及几何特征值等参数见(附图1)。
滑道槽承受拉力能达到22kN,完全可以满足接触网吊柱传承的荷载,接触网吊柱预埋基础采用两条槽道通过扁钢平行焊接在一起,槽道间距为350mm,与吊柱底座螺栓孔一致。
为保证槽道预埋后与衬砌表面平齐,孤形的槽道严格按照隧道内衬砌曲面半径加工,槽道采用4m和1m两种尺寸,与滑槽配套使用的是T头螺栓,规格为HS50/30,T头螺栓具有防止松动的设计,螺栓顺开槽方向插入轨槽后旋转90°,螺栓头即卡在槽内。
4.3滑槽安设位置计算根据相关规范及实践经验,接触网吊柱间距大约50m左右,且接触网吊柱与AF 线成交错布置且间距基本相等。
为了减少在衬砌台车上开孔数量,首先根据衬砌台车长度在规范允许范围内对接触吊柱间距进行优化。
现场实践经验证明,衬砌台车与已灌注好的衬砌搭接长度一般为10cm左右,这样,利用9m、10.5m或12m 衬砌台车施工的隧道,吊柱的间距是不同的。
9m台车 间距:5×(9-0.1)=44.5m或6×(9-0.1)=53.4m10.5m台车 间距:5×(10.5-0.1)=52m12m台车 间距:4×(12-0.1)=47.6m其他长度的台车计算方法同上。
经过计算优化后,衬砌台车只须在拱顶表面固定位置开孔,与已灌注好的衬砌搭接10cm。
这样,整座隧道预埋系统位置将非常精确。
4.4台车模板开孔尺寸及孔位布置根据轨槽在衬砌中的埋设位置及间距确定在台车模板上的开孔位置。
开孔原则:应结合预留长度、台车长度进行优化,尽量减少台车模板的开孔数量。
现场情况表明:安装4m轨槽,每根轨槽安装需要在台车上开定位孔3个,开孔位置在4m 轨槽的两个端头和台车拱顶中心线。
每组开孔6个;安装1m轨槽每根在台车模板上开孔2个,开孔位置在安装轨槽的两个端头,每组开孔8个。
经优化后,共计开孔28个,如(附图2)所示4.5工艺流程4.5.1流程框图(见附图3)4.5.2轨槽安装步骤(1)防水板安装和衬砌钢筋布置。
考虑到大断面隧道衬砌钢筋绑扎后在自重作用下会自然下垂,所以,在绑扎时预先将钢筋保护层厚度进行调整,由原设计的5cm加大为10cm左右。
(2)台车定位。
钢筋绑扎结束检验合格后进行台车定位,以张茅隧道为例,衬砌台车加工长度为10.5m,衬砌混凝土实际施工长度10.4m,搭接长度10cm。
测量放样时,每组衬砌按长度10.4m在仰拱填充面上精确定出里程控制点。
将台车移动到该里程,使台车前端端头与放样点齐平,用垂球或全站仪等其它测理仪器检查台车定位是否准确。
(3)安装空间。
台车定位以后,将台车拱部控制台车模板的液压缸的行程调整到最小位置,尽可能使台车模板外侧与衬砌钢筋的距离达到最大值,台车的油缸最大行程Lmax =30cm,实际可调最大行程L1=20~25cm;钢筋距衬砌内轮廓的距离调整值L2=10cm;为保证初期支护不侵入二次衬砌,开挖半径加大L3=10~15cm;实际施工中,将台车行程调到最小值时,拱部台车模板和钢筋的距离L=L1+L2+L3距离为40~50cm。
(4)安装滑槽。
利用上述作业空间将4m或1m滑槽、扁钢及焊把、焊条等从台车窗口递入,局部拆除从侧模窗口到拱顶的箍筋,一名操作工人带材料10m 长绳索及焊接等工具沿此作业空间到达拱顶,同时窗口位置要有另一名工人进行配合。
(5)滑槽定位。
提前将槽道固定点位置的填充泡沫扣除。
将轨槽移动到定位孔,然后在台车模板上调整轨槽位置,轨槽两端对准定位孔,另一人在台车拱部模板下方通过定位孔安装T形螺栓,使轨槽和台车模板密贴,紧固螺栓,将轨槽固定牢固。
密贴与否可用塞尺进行检查,每50cm检查一点,精度0.5cm。
一根轨槽安装完成后,以同样方法安装同组内的另一轨槽。
安装完成后,进行焊接成组,扁钢采用T40-4,扁钢长度以40cm/根为宜。
将扁钢和轨槽焊接牢固。
焊接完成后,工人沿台车模板退出,同时安装拆开的箍筋。
工人从窗口退出后,顶升台车模板,安装结束。
4.6滑槽位置偏差原因分析及解决办法滑槽安装位置偏差主要是由于开孔时定位不准确产生的,一旦用螺栓固定在衬砌台车模板上后,滑槽将很难再产生位置变动。
这就要求在衬砌台车模板车上开孔时需要精心量测、认真完成。
孔位偏差的克服主要通过在台车模板上开孔位置的精确定位和开孔尺寸的大小来克服。
同组轨槽内两相邻轨槽中心间距为35cm,左线和右线两组轨槽中心线距离为3.0m。
为保证开孔位置的精确,一般选择在台车未进入隧道已经对台车模板进行打磨但未进行涂刷脱模剂以前,在台车模板上精确画出轨槽边线和开孔位置及开孔尺寸,开孔尺寸以能满足T形螺栓通过,即比T形螺栓最小通过尺寸大10mm为宜,开孔尺寸20mm×40mm,这样可以减小轨槽和台车模板之间的相对滑动。
5机具设备本工法操作简单,只需1台电焊机和钢筋切割机即可,钢筋切割机在安装滑槽同时焊接○/ 16接地钢筋时使用。
6劳动组织指挥、技术、安全员各1名,安装滑槽工人1名,模板下部紧螺栓工人1名,传递小型机具工人1名,共6人。
7质量控制(1)埋入件的规格型号符合设计要求。
(2)纵向跨距符合设计要求,允许偏差为±500mm,横向允许偏差为±50mm。
(3)槽型滑道嵌入混凝土的位置符合设计要求,允许偏差为不大于5mm。
(4)槽型滑道在混凝土的位置符合设计要求,单独槽道的倾斜允许偏差为不大于3mm。
8安全措施(1)工人操作空间相对狭小,在有钢筋地段要防止钢筋碰伤,严格用电管理。
在无配筋地段要系好安全带,搭设好简易作业平台。
(2)工人入内操作时,严禁任何人员操作衬砌台车液压系统,需要专人看管,统一指挥。
9工程实例郑州至西安客运专线ZXZQ03、ZXZQ08标交口和张茅隧道长度分别为4012m 和8483m,为全线控制性工程,在率先开工的二次衬砌施工中,施工单位采用上述工法安装了四十余组预埋槽型滑道,安装过程简单方便,易于掌握,安装结束后滑槽与衬砌浑然一体,外形美观平顺,位置精确,经过检测各项指标均符合相关要求,受到了各级赞誉。
如有任何关于halfen(哈芬)槽的疑问和建议,请联系我们。
/viewthread.php?tid=126488&extra=page%3D1。