成品检验抽样标准
- 格式:xls
- 大小:34.50 KB
- 文档页数:1
来料、成品抽样检验规范
1.目的:规范来料检验、成品检验之抽样水准、抽样方案以统一检验标准,确保来料
及成品的质量稳定、良好。
2.范围:适用本公司IQC进料检验、OQC成品出货检验的所有产品。
3.职责:
a)IQC、OQC负责执行本规定
b)品管部负责监督执行并视产品实际情况制定、修改本规定
4.程序:
A.来料检验
1)抽样标准:按MIL-STD-105E Ⅱ级检查水平一次抽样进行
2)合格质量水准AQL规定:
MAJOR:0.65(性能);MINOR:2.5(外观)
3)检查严格度:正常检验
4)抽样方式:随机抽样(抽样时尽量选取包装破损、变形严重或目视有问题的包装箱内取样)
5)抽样批量:每一订单作为一个检查批次
以上规定了来料检验通用抽样检验标准,部分物料特别规定的除外,特殊情况生产、技术、品质协商决定。
B.成品出货检验
1)抽样标准:按MIL-STD-105EⅡ级检查水平一次抽样方案进行
2)合格质量水准AQL规定:
信息采集盒 MAJOR:0.65(性能);MINOR:2.5(外观)
3)检验严格度:正常检验
4)抽样方式:随机抽样
5)抽样批量
一般以生产一个订单量作为一个批次,每次抽检的数量≥抽样计划。
①新开发的机型或新开发的供应商提供物料时,由生产经理及品质主管决定加严抽检或全检;
②当日产量 ≤50pcs时,抽检数量不得低于日产量的一半。
附件
附件一
附件二 IQC检验流程
附件三
附件四
来料检验表单
品质判定:口 接受口 退货 检验员/检验日期: 品质主管/日期:。
抽样检验标准HUA system office room 【HUA16H-TTMS2A-HUAS8Q8-HUAH1688】抽样检验标准1. 目的:为使进料检验、过程检验、成品检验时有正确之抽样方法及判定依据。
2. 范围:进料检验、过程检验、成品检验均适用本规范。
3. 权责:由进料、过程、成品检验员负责实施之。
4. 定义:4. 1 单位产品: 为实施抽样检查的需要而划分的基本单位,称为单位产品。
4. 2 检查批: 为实施抽样检查汇集起来的单位产品称之为检查批,简称为批。
4. 3 批量: 批中所包含的单位产品数,称为批量。
4. 4 样本单位: 从批中抽取用检查的单位产品,称为样本单位。
4. 5 样本: 样本单位的全体,称为样本。
4. 6 样本大小: 样本中所包含的样本单位数,称为样本大小。
4. 7 抽样检验:依照批量大小,抽出不同数量的样本,将该样本按其规格进行检验,并将检验的结果与预先决定的品质标准比较,以决定个别的样品是否合格。
4. 8 不良率: 不良品的表示方法。
任何已知数量的制品不良率,为制品中所含的不良品数除以单位产品的总数再乘以100%即得:不良率=? 不良品个数 *100%检验单位产品总数4. 9 检验方法: 用检验、量测、试验或其它方式将单位产品和其规定的要求加以比较的方法。
4. 10 抽样计划: 样本大小和判定数组结合在一起,称为抽样计划。
4. 11 抽样程序: 使用抽样计划判断批合格与否的过程,称为抽样程序。
4. 12类别:根据产品质量性能和使用过程的重要程度,由高到低依次分为A、B、C 三类。
A类:成品及构成产品的最主要原料。
其质量直接影响最终产品的质量性能,严重的可能直接导致产品报废。
B类:半成品及重要原材料。
其质量直接影响产品的质量性能,导致产品重要性能指标的下降。
C类:一般原材料,可以根据情况进行检测,备案。
不会对产品的主要性能产生影响,不直接影响产品的应用性能。
说明:原材料分级规定详见附件《原材料分类》5作业内容:5.1 A类原材料需100%检测,B类抽检,C类凭合格证检验,抽样比率如下:5.2 采购回的物品必须检测其产品合格证,检测其产品规格或技术参数是否符合本公司采购的要求,强制性产品必须检查是否印有3C标志及合格证。
来料/制程/成品抽样检验规范1.目的:规范来料检验、成品检验之抽样水准、抽样方案以统一检验标准,确保来料及成品的质量稳定、良好。
2.范围:适用本公司监督检查委外加工厂执行状况及委外加工厂执行IQC进料检验、制程检验、OQC成品出货检验的所有产品。
3.职责:a)IQC、IPQC、OQC负责执行本规定b)品管部负责监督执行并视产品实际情况制定、修改本规定4.内容:4.1.来料检验1)抽样标准:按MIL-STD-105D Ⅱ级检查水平一次抽样进行2)合格质量水准AQL规定:①电子料MAJOR:0.65;MINOR:2.5②结构料MAJOR:1.0;MINOR:2.53)检查严格度:正常检验4)抽样方式:随机抽样5)抽样批量:每一订单作为一个检查批次6)生产部驻厂质检员对来料抽检的规定为,对3C关键性元器件采取每四批至少抽检一批确认外协加工厂来料检查执行情况,一般性器件采取每七批抽检一批的比例执行。
以上规定了来料检验通用抽样检验标准,部分物料特别规定的除外,参见具体物料检验标准,特殊情况由物料QE决定。
4.2.制程检验1)抽样标准:按MIL-STD-105D Ⅱ级检查水平一次抽样进行2)合格质量水准AQL规定:①功能不良MAJOR:0.65;MINOR:2.5②外观不良MAJOR:1.0;MINOR:2.53)检查严格度:正常检验4)抽样方式:随机抽样5)抽样批量:每四小时生产作为一个批量,低于4小时按照实际生产数量作为送检数量。
6)生产部质检员依据每四批至少抽检一批的标准执行。
作业依据参见具体《物料检验标准》及《成品检验标准》,特殊情况由研发工程师决定。
4.3.成品出货检验1)抽样标准:按MIL-STD-105E(等同GB2828-87)Ⅱ级检查水平一次抽样方案进行2)合格质量水准AQL规定:①主机/键盘:CR:0.4,MAJOR:0.65;MINOR:2.53)检验严格度:正常检验4)抽样方式:随机抽样5)抽样批量①一般以客户每次的订单数量作为一个批量检验。
来料/制程/成品抽样检验规1.目的:规来料检验、成品检验之抽样水准、抽样方案以统一检验标准,确保来料及成品的质量稳定、良好。
2.围:适用本公司监督检查委外加工厂执行状况及委外加工厂执行IQC进料检验、制程检验、OQC成品出货检验的所有产品。
3.职责:a)IQC、IPQC、OQC负责执行本规定b)品管部负责监督执行并视产品实际情况制定、修改本规定4.容:4.1.来料检验1)抽样标准:按MIL-STD-105D Ⅱ级检查水平一次抽样进行2)合格质量水准AQL规定:①电子料MAJOR:0.65;MINOR:2.5②结构料 MAJOR:1.0;MINOR:2.53)检查严格度:正常检验4)抽样方式:随机抽样5)抽样批量:每一订单作为一个检查批次6)生产部驻厂质检员对来料抽检的规定为,对3C关键性元器件采取每四批至少抽检一批确认外协加工厂来料检查执行情况,一般性器件采取每七批抽检一批的比例执行。
以上规定了来料检验通用抽样检验标准,部分物料特别规定的除外,参见具体物料检验标准,特殊情况由物料QE决定。
4.2.制程检验1)抽样标准:按MIL-STD-105D Ⅱ级检查水平一次抽样进行2)合格质量水准AQL规定:①功能不良MAJOR:0.65;MINOR:2.5②外观不良 MAJOR:1.0;MINOR:2.53)检查严格度:正常检验4)抽样方式:随机抽样5)抽样批量:每四小时生产作为一个批量,低于4小时按照实际生产数量作为送检数量。
6)生产部质检员依据每四批至少抽检一批的标准执行。
作业依据参见具体《物料检验标准》及《成品检验标准》,特殊情况由研发工程师决定。
4.3.成品出货检验1)抽样标准:按MIL-STD-105E(等同GB2828-87)Ⅱ级检查水平一次抽样方案进行2)合格质量水准AQL规定:①主机/键盘: CR:0.4, MAJOR:0.65;MINOR:2.53)检验严格度:正常检验4)抽样方式:随机抽样5)抽样批量①一般以客户每次的订单数量作为一个批量检验。
来料/制程/成品抽样检验规范1.目的:规范来料检验、成品检验之抽样水准、抽样方案以统一检验标准,确保来料及成品的质量稳定、良好。
2.范围:适用本公司监督检查委外加工厂执行状况及委外加工厂执行IQC进料检验、制程检验、OQC成品出货检验的所有产品。
3.职责:a)IQC、IPQC、OQC负责执行本规定b)品管部负责监督执行并视产品实际情况制定、修改本规定4.内容:.来料检验1)抽样标准:按MIL-STD-105D Ⅱ级检查水平一次抽样进行2)合格质量水准AQL规定:①电子料MAJOR:;MINOR:②结构料 MAJOR:;MINOR:3)检查严格度:正常检验4)抽样方式:随机抽样5)抽样批量:每一订单作为一个检查批次6)生产部驻厂质检员对来料抽检的规定为,对3C关键性元器件采取每四批至少抽检一批确认外协加工厂来料检查执行情况,一般性器件采取每七批抽检一批的比例执行。
以上规定了来料检验通用抽样检验标准,部分物料特别规定的除外,参见具体物料检验标准,特殊情况由物料QE决定。
.制程检验1)抽样标准:按MIL-STD-105D Ⅱ级检查水平一次抽样进行2)合格质量水准AQL规定:①功能不良MAJOR:;MINOR:②外观不良 MAJOR:;MINOR:3)检查严格度:正常检验4)抽样方式:随机抽样5)抽样批量:每四小时生产作为一个批量,低于4小时按照实际生产数量作为送检数量。
6)生产部质检员依据每四批至少抽检一批的标准执行。
作业依据参见具体《物料检验标准》及《成品检验标准》,特殊情况由研发工程师决定。
.成品出货检验1)抽样标准:按MIL-STD-105E(等同GB2828-87)Ⅱ级检查水平一次抽样方案进行2)合格质量水准AQL规定:①主机/键盘: CR:, MAJOR:;MINOR:3)检验严格度:正常检验4)抽样方式:随机抽样5)抽样批量①一般以客户每次的订单数量作为一个批量检验。
②根据相应机型的质量控制计划来确定每批批量。
来料、成品抽样查验标准1.目的:标准来料查验、成品查验之抽样水准、抽样方案以统一查验标准,确保来料及成品的质量稳固、良好。
2.范围:适用本公司IQC进料查验、OQC成品出货查验的所有产品。
3.职责:a)IQC、OQC负责执行本规定b)品管部负责监督执行并视产品实际情形制定、修改本规定4.程序:A.来料查验1)抽样标准:按MIL-STD-105E (等同GB2828-87)Ⅱ级检查水平一次抽样进行2)合格质量水准AQL规定:①电子料MAJOR:;MINOR:②组合料 MAJOR:;MINOR:3)检查严格度:正常查验4)抽样方式:随机抽样5)抽样批量:每必然单作为一个检查批次以上规定了来料查验通用抽样查验标准,部份物料专门规定的除外,参见具体物料查验标准,特殊情形由物料QE决定。
B.成品出货查验1)抽样标准:按MIL-STD-105E(等同GB2828-87)Ⅱ级检查水平一次抽样方案进行2)合格质量水准AQL规定:①内销有线产品、寻呼机: MAJOR:;MINOR:②内销无线产品: MAJOR:;MINOR:③外销产品:在客户验货标准规定的AQL轻重缺点均加严一个品级,特殊情形由产品QE决定3)查验严格度:正常查验4)抽样方式:随机抽样5)抽样批量①一样以生产线每小时生产某机型的平均数量作为一个批量,有线一样以280PCS为一个批量②依照相应机型的质量操纵打算来确信每批批量③生产清机尾数少于50PCS应全检6)抽样标准转移规那么正常查验时,假设持续五批中有两批查验不合格,那么从下一批查验转到加严查验加严查验时,假设持续五批查验合格,那么从下一批查验转到正常查验正常查验时,假设持续十批经查验合格,那么从下一批查验转到放宽查验放宽查验时,假设有一批不合格,那么从下批查验转到正常查验进料查验标准进料查验又称验收查验,是管制不让不良原物料进入物料仓库的操纵点,也是评鉴供料厂商要紧的资讯来源。
所进的物料,又因供料厂商的品质信赖度及物料的数量、单价、体积等,加以规划为全检、抽检、免检。
广东星立方厨电集团有限公司成品栓验抽样标准编制:审核:批准:拟定日期:实施日期:目次前言 (II)1 范围 (1)2 规范性引用文件 (1)3 术语 (1)3.1 不合格品分类 (1)3.2 分类不合格定义 (1)4 技术要求 (1)4.1 抽样方法 (1)4.2 正常、加严抽样 (2)4.3 抽样流程及合格判定 (2)附录A 抽样判定标准 (3)前言本标准是根据成品抽样要求编制,作为本集团所生产的产品成品抽样检验的依据。
本标准按GB/T 1.1的规则编制起草。
本标准由本集团质量管理部归口和解释。
本标准支持文件:《产品标贴规范件1》本标准修改记录:成品检验抽样标准1 范围本标准规定了成品检验抽样要求。
本标准适用本集团成品抽检及成品出厂的检验。
2 规范性引用文件GB2828.13 术语3.1 不合格品:未满足规定要求的产品3.2 分类不合格定义A类不合格:关键质量特性不符合规定,可能导致安全、合规问题或导致整机功能丧失。
B类不合格:重要质量特性不符合规定,可能严重影响最终产品使用性能和降低最终产品寿命。
C类不合格:产品的一般质量特性轻微不符合规定,或次要质量特性不符合规定。
D类不合格:一般不易被用户发现的质量特性轻微不符合规定。
4 技术要求4.1 抽样方法4.1.1批次划分:以每班首台成品下线开始抽取样品,均速随机抽样检验,原则上是以同一种状态线下生产出来的产品为一个批次,具体为以每日每生产班组生产的同一种型号的产品为一个批次。
4.1.2抽样方法及数量:如无其它特殊规定,抽样数量应按表1进行抽样(如客户有特殊要求按客户要求)。
表1:4.1.3 每班产品下线后抽取至少1台产品进行ELT实验,ELT实验完成后,需对产品按抽检的标准进行检验。
4.2样本检验样本检验的依据及判定标准:对应产品的《成品检验作业指导书》和相关标准。
4.2.1 成品检验依据检验标准、相关特殊要求等对产品进行抽样检验,输出产品检验报告,并对产品进行检验状态标识。
1. 成品检验之抽样水准、抽样方案以统一检验标准,确保来料及成品批准编排审核的质量稳定、良好。
IQC 进料检验、制程检验、 OQC 成品出货检验的所有产品。
a) IQC、IPQC、OQC 负责执行本规定b) 品管部负责监督执行并视产品实际情况制定、修改本规定1 抽样标准:按 MIL-STD-105D Ⅱ级检查水平一次抽样进行2 合格质量水准 AQL 规定:① 电子料 MAJOR:0.65;MINOR:2.5②结构料 MAJOR:1.0;MINOR:2.53 检查严格度:正常检验4 抽样方式:随机抽样5 抽样批量:每一定单作为一个检查批次6 生产部驻厂质检员对来料抽检的规定为,对 3C 关键性元器件采取每四批至少抽检一批确认外协加工厂来料检查执行情况,普通性器件采取每七批抽检一批的比例执行。
以上规定了来料检验通用抽样检验标准 ,部份物料特殊规定的除外 ,参见具体物料检验标准,特殊情况由物料 QE 决定。
1 抽样标准:按 MIL-STD-105D Ⅱ级检查水平一次抽样进行2 合格质量水准 AQL 规定:① 功能不良 MAJOR:0.65;MINOR:2.5② 外观不良 MAJOR:1.0;MINOR:2.53 检查严格度:正常检验4 抽样方式:随机抽样5 抽样批量:每四小时生产作为一个批量,低于 4 小时按照实际生产数量作为送检数量。
6 生产部质检员依据每四批至少抽检一批的标准执行。
作业依据参见具体《物料检验标准》及《成品检验标准》 ,特殊情况由研发工程师决定。
1 抽样标准:按 MIL-STD-105E 〔等同 GB2828-87Ⅱ级检查水平一次抽样方案进行2 合格质量水准 AQL 规定:① 主机/键盘: CR:0.4, MAJOR:0.65;MINOR:2.53 检验严格度:正常检验4 抽样方式:随机抽样5 抽样批量① 普通以客户每次的定单数量作为一个批量检验。
②根据相应机型的质量控制计划来确定每批批量。
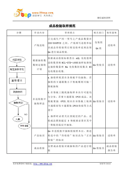
来料、成品抽样检验规范1.目的:规范来料检验、成品检验之抽样水准、抽样方案以统一检验标准,确保来料及成品的质量稳定、良好;2.范围:适用本公司IQC进料检验、OQC成品出货检验的所有产品;3.职责:a)IQC、OQC负责执行本规定b)品管部负责监督执行并视产品实际情况制定、修改本规定4.程序:A.来料检验1抽样标准:按MIL-STD-105E等同GB2828-87Ⅱ级检查水平一次抽样进行2合格质量水准AQL规定:①电子料MAJOR:0.65;MINOR:2.5②组合料MAJOR:1.0;MINOR:2.53检查严格度:正常检验4抽样方式:随机抽样5抽样批量:每一订单作为一个检查批次以上规定了来料检验通用抽样检验标准,部分物料特别规定的除外,参见具体物料检验标准,特殊情况由物料QE决定;B.成品出货检验1抽样标准:按MIL-STD-105E等同GB2828-87Ⅱ级检查水平一次抽样方案进行2合格质量水准AQL规定:①内销有线产品、寻呼机:MAJOR:0.4;MINOR:2.5②内销无线产品:MAJOR:0.65;MINOR:2.5③外销产品:在客户验货标准规定的AQL轻重缺陷均加严一个等级,特殊情况由产品QE决定3检验严格度:正常检验4抽样方式:随机抽样5抽样批量①一般以生产线每小时生产某机型的平均数量作为一个批量,有线一般以280PCS为一个批量②根据相应机型的质量控制计划来确定每批批量③生产清机尾数少于50PCS应全检6抽样标准转移规则正常检验时,若连续五批中有两批检验不合格,则从下一批检验转到加严检验加严检验时,若连续五批检验合格,则从下一批检验转到正常检验正常检验时,若连续十批经检验合格,则从下一批检验转到放宽检验放宽检验时,若有一批不合格,则从下批检验转到正常检验进料检验规范进料检验又称验收检验,是管制不让不良原物料进入物料仓库的控制点,也是评鉴供料厂商主要的资讯来源;所进的物料,又因供料厂商的品质信赖度及物料的数量、单价、体积等,加以规划为全检、抽检、免检;全检:数时少,单价高;抽检:数量多,或经常性之物料;免检:数量多,单价低,或一般性补助或经认定列一般不实行为免检之厂商或局限性之物料;1.1检验项目大致可区分为:a.外观检验b.尺寸、结构性检验c.电气特性检验d.化学特性检验e.物理特性检验f.机械特性检验各种产品依要求项目,列入检验;1.2检验方法a.外观检验:一般用目视、手感、限度样本;b.尺寸检验:如游标卡尺、千分尺;c.结构性检验:如拉力计、扭力计;d.特性检验:使用检测仪器或设备如万用表、电容表、LCR表、示波器等;1.3抽样检验一般使用随机抽样1.4工作依据a.抽样计划作业准则b.不合格品处理作业程序c.接收检验与测试作业程序d.IQC检验规范e.鉴别与追朔作业程序f.装机检验规范g.矫正与预防措施作业程序h.品质记录管制作业程序i.BOM、ECN1.5验收标准a.按IQC检验规范发行的最新版进行检验b.允收水准AQL须协商,一般可订在0.1~1.0%或依特定产品而定本工厂设订严重缺点CR=0.40,主要缺点MA=0.65,次要缺点MI=2.5c.采用MIL-STD-105D检验水准Ⅱ根据送货数量的大小查取样本大小字码,然后根据缺点等级决定抽样数;1.6合格品处置在接收检验报告单并于外箱的标贴,盖上蓝色的“IQCOK”印,合格品移入物料仓; 1.7不合格品处置1.7.1在接收检报告单,并于外箱的标贴装盖上红色的“批退”印,不合格品移至批退区;1.7.2不合格品的处理方式有:退货、特采、挑选、报废;对特采的方式也有:特采可用:因缺点影响不大,直接可上线使用;特采挑选:因较难处理在上线前把不良品挑出退回供应商;特采处理:因较易处理,不良品必须处理好方才上线;1.8工作流程1.9注意事项1.9.1IQC未检验的料件,必须放在待验区;1.9.2合格品与不合格品标示必须明确,必须分开存放;1.9.3对特采的料件,为了便于跟踪,发料和在线投产时,必须在相应表示上注明该料件特采,同时IQC、IPQC必须注意在生产过程中有无潜在的问题发生;1.9.4如果不良品对判定结果还未确定,挂上HOLD牌;1.9.5料件不要忘记做试装检验和上锡性检验;2.制程管制IPQC制程管制是品质管制的核心,一般的制程管制系指进料管制入物料仓之后到成品管制以前,这中间的生产品质管制活动,所以又称中间检验;2.1制程检验之目的a.于大量生产型的工厂中,及时发现不良,采取措施,可以防止大量之不良品发生;b.针对品质非机遇性之变因,于作业过程中,加以查核防止不良品之产生,如查核作业流程是否更动,新手对作业标准方法是否了解,机器、模具、夹具是否正常,作业条件有无变动;c.通过检验之实施,不让本制程的不良品流入次工程;2.2制程检验之做法2.2.1各工序的IPQC必须清楚当天做的机种,找出相应的作业图纸、BOM和ECN;2.2.2在生产线正在备料准备投产时,必须检验作业图纸是否正确,ECN是否执行;2.2.3生产出炉,首先选取5片样板,核对BOM、ECN按“首批制品确认单”的检验项目检验各项,并做好记录,如果为第一次执行ECN,还须记录ECN的发行编号;2.2.4巡线员在各站别实施巡回检验,填写“QC巡回检验记录表”、“QC巡回检验日报表”,抽取站别详见“产品生产工艺流程图”;2.2.5IPQC按工序送检的数量,采用MIL-STD-105D检验水准Ⅱ,查取样本大小字码,根据缺点等级决定抽样数,如果抽检合格,在“内部制程移转单”上盖上蓝色的“IPQCOK”印,如果达到批退就在“内部制程移转单”上盖上红色的“批退”印,并把不良品交给组长确认,填写“品质异常反馈单”;当天根据各机种的送货数、检验数和抽检结果填写“IPQC每日检验状况表”;2.2.6一周结束后要统计一个星期以来的质量状况,填写各工序之“制程统计分析表”;2.3作业标准依据2.3.1抽样计划作业准则2.3.2不合格品处理作业程序2.3.3IPQC检验规范2.3.4制程稽核作业程序2.3.5制程检验与测试作业程序检验与测试状况作业程序2.3.7鉴别与追朔作业程序2.3.8装机检验规范2.3.9矫正与预防措施作业程序2.4检验的重点该制程的检验员为了有效控制制程,使不良率不会因异常的制程原因而升高,对于不稳定的因素应事先了解掌握,并做重点控制,不稳定因素包括:2.4.1该产品以前生产曾有异常、有不良较高之记录;2.4.2使用机器不稳定含模具、夹具;2.4.3IQC有材料不甚理想的讯息;2.4.4新导入量产品;2.4.5新的操作人员,员工的操作是否规范;2.5品质异常之处理检验人员对于突发性的品质异常或对于经常性而且具有严重性的制程,应开具“品质异常状况表”,通知有关部门迅速处理,情况较重大者应着令停产,并追踪处理状况;2.6异常回馈与矫正系统2.6.1突发性严重缺点,如在制品连续几个发生严重缺点;2.6.2经常性严重缺点;a.虽比率不高,但同一现象经常性发生;b.生产要素产生变化,影响品质,生产主管人员未能有效地予以矫正;3.出货检验OQC出货检验也就是成品管制,有时虽有良好的进料管制及制程管制,也不见得能确保产品完全符合规格,尤其产品于生产完后经过搬运、存放,会因振荡、天气、温度、湿度造成经时变化;3.1出货检验之目的确保提供顾客良好品质的产品,并对产品及制程的改进措施提供迅速的回馈;3.2出货检验的构成如下3.2.1检验时机:通常于出厂的当天或前1~2天实施;3.2.2检验项目:a.外观检验b.尺寸检验c.指定的特性检验d.装机检验e.落地试验f.产品包装与标示检验3.2.3使用抽样方法3.2.4检验记录3.2.5不合格品之处置3.3作业标准依据3.3.1出货检验规范3.3.2IPQC检验规范3.3.3抽样计划作业准则3.3.4不合格品处理作业程序3.3.5制程稽核作业程序制程检验与测试作业程序3.3.7检验与测试状况作业程序3.3.8鉴别与追朔作业程序3.3.9装机检验规范3.4工作流程3.4.1首先清楚包装所包的为哪份包装通知单、数量多少;3.4.2根据出货检验规范和抽样计划作业准则,清楚所要抽取样品的数量;3.4.3随机抽取样品核对出货计划表所附之包装通知单,检验所包的机种的版本、内存、用料、包材规格和附件是否是正确、齐全、填写好出货检验报告3.4.4核对OBM,看是否有ECN执行,进行装机检验;3.4.5按测试指导书进行功能测试,如果测试指导书无WIN9X测试的,还需加测WIN9X;外观抽检按“IPQC检验规范”所要求检验的项目进行检验,把检验的条码记录在“OQC抽样记录表”上;检验说明书的内容,描术是否和所包的机种和安装DRIVER的步骤是否相符;3.4.6抽检时跟包装登记好交接手续,归还板时必须对照条码序号放回那箱;3.4.7抽检到不良品时,填写好“品质异常反馈单”交由组长确认,问题较严重时应上报主管,如达到批退还需填写“成品批退追踪表”;3.4.8整批包完后,填写包装送来的“制成品入库单”注意检查包装填写的内容是否正确,如果整批合格方在“制成品入库单”上盖蓝色的“QAOK”印,如批退应盖上红色的“批退”印,把不良状况描述好,批退重工的板注意跟踪重工的方法和过程是否正确,有无其它不良隐患发生;3.4.9根据“制成品入库单”登记好“成品检验日报表”;。
品质抽样检验标准1、目的规、定义成品抽检检验标准。
2、适用围适用于本司所有智能家居成品的出货检脸。
3、职贵和权限3.1品质部:QA负责按检验标准进行批量抽检,判定;不合格批的跟进处理。
3.2生产部:负责按QA相关标准进行生产;不合格批的返工和返修处理。
3.3研发部:不良品的原因分析,对策制定并指导生产线按标准作业。
4、引用标准5.9.1注:当客户有要求时按照客户抽样标准进行5. 9.2生产过程中的半成品抽样定义首先进行首件检查,当稳定生产时,进行5PCS/两小时的外观、功能抽样检查。
5.12.3库存超期品抽样定义对OQC抽检入库存放6个月与以上出库的产品,必须由QC再次抽检(方法同第一次)合格,经品质经理承认后才能出货。
6、检测环境与要求检验方式如图一所示检验光源:500〜550LUX(外观检验);100〜200LUX(功能检脸)。
检验角度:如图一所示。
检验距离:距眼睛30公分,与眼睛成一条直线检验时间:依据检脸产品面积大小而定,如表一所示当正采用正常检验时,只要初次检验中连续5批中有2批是不可接收的,则转移到加严检验。
7. 3加严到正常当正采用加严检验时,如果初次检验的连续5批已被认为是可接收的,应恢复到正常检验。
7.4正常到放宽当正采用正常检验时,如果下列条件满足,应转移到放宽检验a)连续10批可接收b)生产稳定c)负责部门认为可放宽检验样本代字表附件一正常检验抽样表・|■用硏头上刃的条一抽祥龙方式・Ac■合格判定软Re■不合格刿定數・・f■用请头上刃的第一抽祥龙方式・Ac■合恪到定铁Re■不合・・t■•用请头上刃的第一抽祥式方式・Ac-合格別灾软Re■不合恪。
来料、成品抽样检验规范1.目的:规范来料检验、成品检验之抽样水准、抽样方案以统一检验标准,确保来料及成品的质量稳定、良好;2.范围:适用本公司IQC进料检验、OQC成品出货检验的所有产品;3.职责:a)IQC、OQC负责执行本规定b)品管部负责监督执行并视产品实际情况制定、修改本规定4.程序:A.来料检验1抽样标准:按MIL-STD-105E 等同GB2828-87Ⅱ级检查水平一次抽样进行2合格质量水准AQL规定:①电子料MAJOR:;MINOR:②组合料 MAJOR:;MINOR:3检查严格度:正常检验4抽样方式:随机抽样5抽样批量:每一订单作为一个检查批次以上规定了来料检验通用抽样检验标准,部分物料特别规定的除外,参见具体物料检验标准,特殊情况由物料QE决定;B.成品出货检验1抽样标准:按MIL-STD-105E等同GB2828-87Ⅱ级检查水平一次抽样方案进行2合格质量水准AQL规定:①内销有线产品、寻呼机: MAJOR:;MINOR:②内销无线产品: MAJOR:;MINOR:③外销产品:在客户验货标准规定的AQL轻重缺陷均加严一个等级,特殊情况由产品QE决定3检验严格度:正常检验4抽样方式:随机抽样5抽样批量①一般以生产线每小时生产某机型的平均数量作为一个批量,有线电话一般以280PCS为一个批量②根据相应机型的质量控制计划来确定每批批量③生产清机尾数少于50PCS应全检6抽样标准转移规则正常检验时,若连续五批中有两批检验不合格,则从下一批检验转到加严检验加严检验时,若连续五批检验合格,则从下一批检验转到正常检验正常检验时,若连续十批经检验合格,则从下一批检验转到放宽检验放宽检验时,若有一批不合格,则从下批检验转到正常检验进料检验规范进料检验又称验收检验,是管制不让不良原物料进入物料仓库的控制点,也是评鉴供料厂商主要的资讯来源;所进的物料,又因供料厂商的品质信赖度及物料的数量、单价、体积等,加以规划为全检、抽检、免检;全检:数时少,单价高;抽检:数量多,或经常性之物料;免检:数量多,单价低,或一般性补助或经认定列一般不实行为免检之厂商或局限性之物料; 检验项目大致可区分为:a.外观检验b.尺寸、结构性检验c.电气特性检验d.化学特性检验e.物理特性检验f.机械特性检验各种产品依要求项目,列入检验;检验方法a.外观检验:一般用目视、手感、限度样本;b.尺寸检验:如游标卡尺、千分尺;c.结构性检验:如拉力计、扭力计;d.特性检验:使用检测仪器或设备如万用表、电容表、LCR表、示波器等; 抽样检验一般使用随机抽样工作依据a.抽样计划作业准则b.不合格品处理作业程序c.接收检验与测试作业程序检验规范e.鉴别与追朔作业程序f.装机检验规范g.矫正与预防措施作业程序h.品质记录管制作业程序i. BOM、ECN验收标准a.按IQC检验规范发行的最新版进行检验b.允收水准AQL须协商,一般可订在~%或依特定产品而定本工厂设订严重缺点CR=,主要缺点MA=,次要缺点MI=c.采用MIL-STD-105D检验水准Ⅱ根据送货数量的大小查取样本大小字码,然后根据缺点等级决定抽样数;合格品处置在接收检验报告单并于外箱的标贴,盖上蓝色的“IQC OK”印,合格品移入物料仓;不合格品处置1.7.1 在接收检报告单,并于外箱的标贴装盖上红色的“批退”印,不合格品移至批退区;不合格品的处理方式有:退货、特采、挑选、报废;对特采的方式也有:特采可用:因缺点影响不大,直接可上线使用;特采挑选:因较难处理在上线前把不良品挑出退回供应商;特采处理:因较易处理,不良品必须处理好方才上线;工作流程注意事项1.9.1 IQC未检验的料件,必须放在待验区;合格品与不合格品标示必须明确,必须分开存放;对特采的料件,为了便于跟踪,发料和在线投产时,必须在相应表示上注明该料件特采,同时IQC、IPQC必须注意在生产过程中有无潜在的问题发生;如果不良品对判定结果还未确定,挂上HOLD牌;料件不要忘记做试装检验和上锡性检验;2.制程管制IPQC制程管制是品质管制的核心,一般的制程管制系指进料管制入物料仓之后到成品管制以前,这中间的生产品质管制活动,所以又称中间检验;制程检验之目的a.于大量生产型的工厂中,及时发现不良,采取措施,可以防止大量之不良品发生;b.针对品质非机遇性之变因,于作业过程中,加以查核防止不良品之产生,如查核作业流程是否更动,新手对作业标准方法是否了解,机器、模具、夹具是否正常,作业条件有无变动;c. 通过检验之实施,不让本制程的不良品流入次工程;制程检验之做法2.2.1 各工序的IPQC必须清楚当天做的机种,找出相应的作业图纸、BOM和ECN;在生产线正在备料准备投产时,必须检验作业图纸是否正确,ECN是否执行;生产出炉,首先选取5片样板,核对BOM、ECN按“首批制品确认单”的检验项目检验各项,并做好记录,如果为第一次执行ECN,还须记录ECN的发行编号;巡线员在各站别实施巡回检验,填写“QC巡回检验记录表”、“QC巡回检验日报表”,抽取站别详见“产品生产工艺流程图”;IPQC按工序送检的数量,采用MIL-STD-105D检验水准Ⅱ,查取样本大小字码,根据缺点等级决定抽样数,如果抽检合格,在“内部制程移转单”上盖上蓝色的“IPQC OK”印,如果达到批退就在“内部制程移转单”上盖上红色的“批退”印,并把不良品交给组长确认,填写“品质异常反馈单”;当天根据各机种的送货数、检验数和抽检结果填写“IPQC每日检验状况表”;一周结束后要统计一个星期以来的质量状况,填写各工序之“制程统计分析表”;作业标准依据抽样计划作业准则不合格品处理作业程序IPQC检验规范制程稽核作业程序制程检验与测试作业程序检验与测试状况作业程序鉴别与追朔作业程序装机检验规范矫正与预防措施作业程序品质记录管制作业程序BOM、ECN检验的重点该制程的检验员为了有效控制制程,使不良率不会因异常的制程原因而升高,对于不稳定的因素应事先了解掌握,并做重点控制,不稳定因素包括:该产品以前生产曾有异常、有不良较高之记录;使用机器不稳定含模具、夹具;IQC有材料不甚理想的讯息;新导入量产品;新的操作人员,员工的操作是否规范;品质异常之处理检验人员对于突发性的品质异常或对于经常性而且具有严重性的制程,应开具“品质异常状况表”,通知有关部门迅速处理,情况较重大者应着令停产,并追踪处理状况;异常回馈与矫正系统突发性严重缺点,如在制品连续几个发生严重缺点;经常性严重缺点;a.虽比率不高,但同一现象经常性发生;b.生产要素产生变化,影响品质,生产主管人员未能有效地予以矫正;3.出货检验OQC出货检验也就是成品管制,有时虽有良好的进料管制及制程管制,也不见得能确保产品完全符合规格,尤其产品于生产完后经过搬运、存放,会因振荡、天气、温度、湿度造成经时变化;出货检验之目的确保提供顾客良好品质的产品,并对产品及制程的改进措施提供迅速的回馈;出货检验的构成如下3.2.1 检验时机:通常于出厂的当天或前1~2天实施;检验项目:a.外观检验b.尺寸检验c.指定的特性检验d.装机检验e.落地试验f.产品包装与标示检验使用抽样方法检验记录不合格品之处置作业标准依据出货检验规范IPQC检验规范抽样计划作业准则不合格品处理作业程序制程稽核作业程序制程检验与测试作业程序检验与测试状况作业程序鉴别与追朔作业程序装机检验规范最终检验与测试作业程序矫正与预防措施作业程序品质记录管制作业程序测试指导书BOM、ECN、出货计划表工作流程首先清楚包装所包的为哪份包装通知单、数量多少;根据出货检验规范和抽样计划作业准则,清楚所要抽取样品的数量;随机抽取样品核对出货计划表所附之包装通知单,检验所包的机种的版本、内存、用料、包材规格和附件是否是正确、齐全、填写好出货检验报告核对OBM,看是否有ECN执行,进行装机检验;按测试指导书进行功能测试,如果测试指导书无WIN9X测试的,还需加测WIN9X;外观抽检按“IPQC检验规范”所要求检验的项目进行检验,把检验的条码记录在“OQC抽样记录表”上;检验说明书的内容,描术是否和所包的机种和安装DRIVER的步骤是否相符;抽检时跟包装登记好交接手续,归还板时必须对照条码序号放回那箱;抽检到不良品时,填写好“品质异常反馈单”交由组长确认,问题较严重时应上报主管,如达到批退还需填写“成品批退追踪表”;整批包完后,填写包装送来的“制成品入库单”注意检查包装填写的内容是否正确,如果整批合格方在“制成品入库单”上盖蓝色的“QA OK”印,如批退应盖上红色的“批退”印,把不良状况描述好,批退重工的板注意跟踪重工的方法和过程是否正确,有无其它不良隐患发生;根据“制成品入库单”登记好“成品检验日报表”;。
产品检验抽样规定目的:规范来料检验、成品检验之抽样水准,抽样方案以统一检验标准,确保来料及成品的质量稳定、良好。
范围:适用本公司IQC进料检验、OQC成品出货检验的所有产品。
职责:IQC、OQC、负责执行本规定品管部负责监督执行并视产品实际情况规定、修改本规定程序:A.来料检验1)抽样标准:按MIL-STD-105E-II-A(等同GB2828-87)II级检查水平一次抽样进行2)合格质量水准AQL规定:①主件MAJOR:0.15;MINOR:1.0②零部件MAJOR:0.4;MINOR:1.53)检查严格度:正常检验4)抽样方式:随机抽样5)抽样批量:每一次送检数作为一批量以上规定了来料检验通用抽样检验标准,部分物料特别规定外,参见具体物料检验标准,特殊情况由QA决定。
B.成品出货检验1)抽样标准:按MIL-STD-105E-II-A(等同GB2828-87)II级检查水平一次抽样方案进行。
2)合格质量水准AQL规定:①内销产品:MAJOR:0.15;MINOR:1.0②外销产品:在客户验货标准规定的AQL轻重缺陷均加严一个等级,特殊情况又产品QA决定。
3)检验严格度:正常检验4)抽样方式:随机抽样5)抽样批量①一般以生产线每小时生产某机型的平均数量作为一个批量②根据相应型号的质量水平来确定每批批量③生产结单尾数少于50PCS应全检6)抽样标准转移规则正常检验时,若连续五批中有两批经初次检验不合格,则从下一批检验转到加严检验,加严检验时,若连续五批中有两批经初次检验合格,则从下一批检验转到正常检验。
7)MIL-STD-105E-II-A抽样表的使用方法①确定批量数量②根据批量数量找到样本大小代码③根据以上两条确定抽样样本大小④依据以上规定的合格质量水准(允收水准),和样本大小垂直与平行交点即为该批量的允收数、拒收数。
⑤若合格质量水准(允收水准)和样本大小垂直与平行交点为箭头指示第一个AC(允收值)、Re(拒收值)即为该批量的允收数、拒收数。