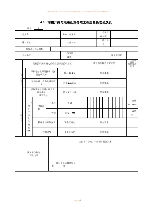
4.6.1沟槽开挖与地基处理分项工程质量验收记录表
- 格式:doc
- 大小:32.50 KB
- 文档页数:2
沟槽开挖与地基处理检验批质量验收记录填写模板说到沟槽开挖与地基处理的检验批质量验收记录,这可不是什么轻松事儿。
你要知道,这活儿可关系到整个工程的成败,没点儿认真劲儿可真不行。
所以,每次填这张验收记录,心里都得琢磨个通透,得对每个细节都了如指掌,不能马虎。
这张记录可不是一个小小的纸条,它可是在告诉我们,开挖的沟槽到底有没有按照标准走,地基处理的质量到底是不是过关,是否能够为后面的施工提供稳稳的保障。
哎呀,光是想象一下万一这里没做好,后面出了问题,指不定是谁的小命都得搭进去!要是说这项工作能不能轻松,那肯定不能。
沟槽开挖可不是说挖就挖的,首先要保证它的深度、宽度都得符合图纸要求。
稍微一不小心,地基就可能“闹脾气”,土地塌陷、沉降什么的都可能发生,那可真是大问题了。
你想啊,要是沟槽挖得不够深,地基就不够稳;要是宽度不对,后面放置钢筋和混凝土就没办法顺利操作,这样一来,施工速度慢,成本高,工期也会拖延。
这种事儿,咱们可不能容忍。
接下来说地基处理。
哎,地基这事儿就更有意思了,它可是万千建筑的根基。
就像盖房子,不打好地基,整个房子就像是泡沫一样,随时可能塌下来。
地基处理做不好,哪怕上面再高大上,下面的烂泥巴也撑不起那么大的屋子。
所以在填验收记录时,特别得注意地基的处理情况。
比如说,土质要符合要求,不可以有杂质、易膨胀的土,也不能有软弱的土层。
更重要的是,地基要经过夯实,确保承载力没问题,至少得确保它能够稳稳地托住上面的建筑物,给后面的施工提供一份安心。
然后,填验收记录时,要特别注意的是每个环节的细节,比如开挖后的清理工作,沟槽底部是否平整,边坡是否符合要求,沟槽内有没有积水等。
说实话,很多细节看似不起眼,但往往就是这些“小细节”决定了大局。
如果清理不干净,泥土杂物混在土里,地基的质量就没法保证;如果沟槽里有积水,泥土可能就会被冲走,造成地基不稳定。
哎,这样的问题不是说“哦,没事,等会儿再解决”的,等会儿解决可能就会拖延工期,甚至会带来更大的麻烦。
第
123
应测点数
土方30-26-2737石方-29824
-267
/
23
施工单位检查意见
主控项目全部符合要求,一般项目满足规范要
求,本检验符合要求。
监理单位验收结论
符合设计要求
符合施工质量验收规范要求
一般项目
2017年09月17日
监理工程师签名:
/
1 槽底高程(mm)±2091/
+20,-20091
不小于规定 不陡于规定
槽底中线每侧宽度 (mm) 沟槽边坡
监理单位验收记录
施工单位检查记录
符合要求
/
/ 原状地基土不得扰动、受 水浸泡或受冻;
进行地基处理时,压实度 、厚度满足设计要求。
第4.6.1-1条第4.6.1-3条
地基承载力应满足设计要 求;
第4.6.1-2条市政基础设施工程
页,共
沟槽开挖与地基处理检验批质量验收记录
市政质检·3·1
页
不合格点的实测偏差值或实测值
质检员签名:
给排水工程施工单位工程名称项目经理分部工程名称土方工程赵晨翔
沟槽开挖 年 月 日
34合格点数合格率(%)
主要工程数量
****建筑工程有限公司 GB50268-2008
500m3朝永杰
施工工长
∕
技术负责人
分包单位刘俊梅给排水工程
单位工程名称分项工程名称挖沟槽土方 给水工程平均合格率(%)允许偏差
施工与质量验收规范的规定
验收规范及图号
验收部位施工与质量验收规范的规定
主控项目。
4.6.1 沟槽开挖与地基处理分项工程质量验收记录表
4.6.1 沟槽开挖与地基处理分项工程质量验收记录表
4.6.1 沟槽开挖与地基处理分项工程质量验收记录表
4.6.1 沟槽开挖与地基处理分项工程质量验收记录表
4.6.1 沟槽开挖与地基处理分项工程质量验收记录表
4.6.1 沟槽开挖与地基处理分项工程质量验收记录表
4.6.1 沟槽开挖与地基处理分项工程质量验收记录表
4.6.1 沟槽开挖与地基处理分项工程质量验收记录表
4.6.1 沟槽开挖与地基处理分项工程质量验收记录表
4.6.1 沟槽开挖与地基处理分项工程质量验收记录表
4.6.1 沟槽开挖与地基处理分项工程质量验收记录表。
填写说明
4.6.1 沟槽开挖检验批验收记录
1、验收依据:
[规范名称及编号] 《给水排水管道工程施工及验收规范》GB50268-2008
《建筑工程施工质量验收统一标准》GB50300-2013
2、规范摘要:
以下内容摘录自《给水排水管道工程施工及验收规范》GB50268-2008;
本表适用于沟槽开挖质量验收。
主控项目
1、原状地基土无扰动、无受水浸泡和受冻;
检验方法:观察,检查施工记录。
2、地基承载力满足设计要求;
检验方法:观察,检查地基承载力试验报告。
3 进行地基处理时,压实度、厚度满足设计要求;
检查方法:按设计要求或规定要求进行检查、检查检测记录,实验报告。
4、沟槽开挖允许偏差应符合表4.6.1的规定
一般项目
表4.6.1沟槽开挖允许偏差。