垃圾箱的人因工程分析与设计
- 格式:doc
- 大小:11.35 MB
- 文档页数:17
人机工程学垃圾桶设计引言:垃圾桶是我们日常生活中必不可少的物品之一,它的设计直接关系到我们的使用体验和环境卫生。
随着科技的进步,人机工程学在垃圾桶设计中发挥着越来越重要的作用。
本文将探讨人机工程学在垃圾桶设计中的应用,并提出一种符合人机工程学原理的垃圾桶设计方案。
一、人机工程学在垃圾桶设计中的重要性人机工程学,即人因工程学或人机系统工程学,是一门研究人与机器、工具、环境之间关系的学科。
它通过研究人类的生理、心理和行为特征,将这些特征应用于产品、系统和环境的设计,以提高使用效率、安全性和舒适性。
在垃圾桶设计中,人机工程学起着至关重要的作用。
首先,垃圾桶的设计应考虑人们使用的便捷性。
人们在丢垃圾时通常是在走路或者做其他事情,因此垃圾桶应该设计成无需使用双手即可投放垃圾的形式,以减少使用者的操作负担。
其次,垃圾桶的设计应符合人们的习惯和认知。
例如,垃圾桶的开口应该大而明显,以便人们快速准确地投放垃圾。
此外,垃圾桶的容量和布局也需要根据使用场景和人流量进行合理规划,以避免垃圾溢出或者使用不便的情况。
二、人机工程学垃圾桶设计方案基于人机工程学原理,我提出了以下垃圾桶设计方案:1.感应开启式垃圾桶该垃圾桶配备了红外感应装置,当人们靠近垃圾桶时,垃圾桶会自动开启,无需使用双手触摸或按压开关。
这种设计既方便了使用者,又避免了手部接触垃圾桶的卫生问题。
2.分区设计将垃圾桶分为不同的区域,每个区域专门用于投放不同类别的垃圾,如可回收垃圾、湿垃圾和干垃圾。
每个区域都有明显的标识和颜色区分,使使用者能够快速准确地投放垃圾,有利于垃圾分类回收工作的开展。
3.智能填充提醒垃圾桶配备了智能感应装置,当垃圾桶快要填满时,会通过声音或者指示灯提醒使用者及时清理垃圾。
这种设计能够避免垃圾桶溢出,提高环境卫生水平。
4.易清洁设计垃圾桶的内部设计为可拆卸式,方便清洁人员进行定期清理。
此外,垃圾桶的外观材质应选择耐脏易清洁的材料,以便使用者随时擦拭,保持垃圾桶的整洁。
公共场所垃圾桶的人机工程学分析与改进摘要:人类物质生活水平的提高的同时给我们的生存环境也带来了很多的改变,如何改善我们周围的环境,如何让我们人类活动的公共场所得以保持干净卫生……垃圾桶在我们的周边给我们以启示。
关键字:垃圾桶人机分析方便实用第一部分:评析准备一、综合调查1、公共场所垃圾桶的尺寸大小及摆放位置调查:以下是在各公共场所拍下的各种形态大小各异的垃圾桶的照片:经调查发现,目前位于个公共场所的垃圾桶大小尺寸虽然各不相同,但总体来说可以分为两类尺寸类型,一类的高度总体是在0.6米左右,另一类总体高度保持在1.2米左右。
各类型垃圾桶形状差异较大,但主体特征不变,内部中空,上部或者两边有孔可以将垃圾投入桶内部。
内部中空部分以圆柱形状和立方体形状为主可以最大程度的容纳下更多的垃圾。
外部设计形式多样,以不同的纹路、色彩、雕刻、镶嵌以致垃圾桶似乎也成为周边的一部分,甚至成为一道“风景线“。
公共场所垃圾桶的分布也有规律可循,根据调查发现,垃圾桶经常被放置在一下位置:道路路沿边、公共座椅旁边、公共站牌旁边、道路拐角处等等。
2、公共场所垃圾桶的外形设计及人机工学调查:根据调查、拍照然后加以分析,发现公共场所垃圾桶的外形基本呈圆柱和长方体形状,桶外部大多加以修饰,喷漆、雕刻等形成美观的图案或者样式,少数垃圾桶保留原始形状未做改变,桶外壁和内壁基本无电子或者其他设备装置,少数垃圾桶内置半自动传动轴,可随路人或者游客的意愿打开桶盖,扔完垃圾后脚放开,桶盖即合。
3、问卷调查:1)你对公共场所的垃圾桶感到满意吗?A、很满意 C、不满意B、一般 D、不在乎2)垃圾桶的形态造型是否会引起你扔垃圾的心情?A、会B、不会C、不在乎它的形状3)你觉得公共场所的垃圾桶的造型好看吗?A、很好看 C、很丑B、一般 D、不在乎4)你觉得公共场所的垃圾桶颜色好看吗?A、好看 C、难看B、一般 D、不重要5)你觉得公共场所的垃圾桶所选用材料的材料合理吗?A、好 C、不好B、一般 D、不重要6)你觉得公共场所的垃圾桶的使用方式合理吗?A、很合理 C、不合理B、合理 D、不在乎7)你会不会因为垃圾桶的味道而远离它,甚至引起心理的不爽?A、会,心里会很不舒服B、不会,但是心里也会不舒服C、不在乎8)你是否有在街上找不到垃圾桶的经历?A、有,垃圾桶的位置不明显B、没有,但是找很久才找到C、没有,很容易就找到了D、不在意9)你是否有过夜晚因为看不见垃圾桶而乱扔垃圾的经历?A、有过,如果晚上能有特别的标志性就好了B、从没有过C、不在乎,可以忍受D、其他10)你是否觉得垃圾桶占据了较大的空间而感到走路不方便?A、有这个感受B、没觉得C、不在乎11)你是否觉得垃圾桶有了盖子而扔垃圾不方便?A、是B、不是C、不在乎12)你认为自己扔垃圾时做到明确的回收分类了吗?A、做到了B、只有很少会做到,很多人并不知道自己扔的垃圾是否可回收C、没有做到,扔垃圾的时候从没有考虑是否可回收D、不在乎13)你是否认为公共垃圾桶的数量较少而间接导致随地乱扔垃圾?A、是,数量少对垃圾的产生有很大关系B、不是,这与个人素质有关C、不在乎14)你是否觉得垃圾桶的功能太过单一?A、是,比如没有考虑到另外的情况(抽烟的,吐痰的)B、没觉得C、不在乎二、调查统计结果:将上面的调查问卷随机对各年龄段和各种职业人士(共200人)进行询问调查后统计出如下数据:三、调查小结:根据调查结果显示,各年龄段不同职业人群对公共场所垃圾桶的观点及态度总体表现在以下这些方面:⏹大部分群众会比较在意公共场所的垃圾桶是否美观比如外形是否好看,比例是否均匀等;⏹仅仅少数人会考虑到公共场所垃圾桶材质问题;⏹对于公共场所垃圾桶数量多数调查者认为应当增加,方便寻找垃圾桶扔垃圾;⏹对于垃圾桶体积大小,基本上持不在意态度大点小点都没什么关系;⏹多数群众认为应当增加垃圾桶的功能,觉得目前垃圾桶功能过于单一;⏹垃圾桶里因为经常放有各种垃圾,废物等等,经常会导致味道极其难闻;⏹希望垃圾桶可以有比较抢眼醒目的标志,白天夜晚均容易被人发现。
[选取日期] 北京公共垃圾箱的人机工程学设计08081214 | 杨扬。
北京公共垃圾箱的人机工程学设计目录一课题背景1课题要求(任务书识读)2设计目的,方法3人机工学及相关信息简述二用户研究1北京公共垃圾箱使用环境及使用方式2北京公共垃圾箱使用人群(适用人群,目标人群)3使用者使用心理及行为特征三产品分析1现有北京公共垃圾箱研究1.1现有北京公共垃圾箱功能研究1.2现有北京公共垃圾箱外观研究2现有北京公共垃圾箱的使用情况调研及综合分析3相关产品研究4产品发展趋势研究四人机工程学分析1操作舒适性分析1.1尺寸人机分析1.2使用者使用特性与人机学分析。
1.3摆放位置的人机学分析2辨识性分析2.1色彩识别2.2标志识别2.3形状识别3使用者使用心理分析五产品开发与定位六方案设计1初步方案2方案评估3深入方案一课题背景一课题背景1课题要求(任务书识读)发现问题、调查问题、主要通过对人机工程学是综合性应用实践探索可能的解决问题方式、完成文献资料和现实情况两方面的调研。
同时完成方案设计。
一课题背景2设计目的,方法通过网络调查,走访询问等方式确定北京市公共垃圾箱的现有状况,明细北京市公共垃圾箱使用者使用行为和心理。
对北京市公共垃圾箱进行用户研究,需求研究,产品分析,着重对北京市公共垃圾箱的人机工程学分析研究。
合理定位分析与定位可视化表达。
完成方案设计。
一课题背景3人机工学及相关信息简述人机工程学是以心理为圆心,生理为半径,用以建立人与物(产品)之间和谐关系的方式,最大限度地挖掘人的潜能,综合平衡地使用人的肌能,保护人体健康,从而提高效率。
二用户研究二用户研究1北京公共垃圾箱使用环境及使用方式概述无论公园,街道,商业步行街,还是公共会议室等等,都是公共垃圾箱的使用环境。
公共环境是一个公共的容纳空间,是人与人,人与公共产品交互的纽带。
而垃圾桶作为公共环境必不可少的组成元素,在给人们提供一个和谐美好的环境中起到了至关重要的作用。
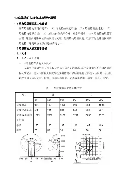
1.垃圾箱的人机分析与设计原则1.1现有垃圾箱的宜人性分析现有垃圾箱的常见问题有:(1)垃圾箱的高度不当;(2)垃圾箱箱盖过重;(3)垃圾箱构造不合理;(4)垃圾箱的分类不合理,标志不明确;(5)垃圾箱的设置不合理。
这些问题影响垃圾的收集与处理,想要解决垃圾问题,就要首先设计出优秀的垃圾箱,这是解决垃圾问题的关键之一。
1.2垃圾箱的人机工程学分析1.2.1尺寸1.2.1.1尺寸人机分析A.与垃圾箱有关的人体尺寸人类工程学研究的目的是优化产品与用户间的界面。
要使垃圾箱与人之间达到最优化的配合,使人不需要大幅度的改变姿势就可以顺利地将垃圾投入垃圾箱。
与垃圾箱有关的人体尺寸有:肘高、立姿手功能高、立姿双手功能上举高,手长、手宽。
表一与垃圾箱有关的人体尺寸尺寸男女5% 50% 95% 5% 50% 95%立姿肘高954 1024 1096 899 960 1023立姿手功能高680 741 801 650 704 757立姿双手功能1869 2003 2138 1741 1860 1976上举高手长165 180 197 150 165 180手宽70 80 90 60 70 80B.垃圾箱的尺寸a)垃圾箱的高度:优秀的垃圾箱不仅要便于将垃圾投入,也要便于将内腔取出和清理。
垃圾箱的高度一般,应小于正常人立姿双手上举功能搞的一半。
现有垃圾箱的高度一般在800~1100mm之间,基本都满足要求(图一)。
图一b)垃圾箱的垃圾投入口:垃圾箱的垃圾投入口因该满足绝大多数人的使用需求:上边缘高不低于95%人的手功能高,下边缘高不高与5%人的肘高。
这样才可使高个的人不需下蹲、矮个的人无需费力上举就可以使用垃圾箱。
只有便于使用,才能引导人们改变随手乱扔垃圾的坏习惯。
垃圾投入口的开口高度要足够大,以便路人能把垃圾顺利投入;又不应过大,以免人们因见到垃圾箱内的垃圾产生厌烦的心理;同时开口过大,雨水就容易溅入箱内,使箱内的垃圾腐烂而导致细菌增生,危害环境。
人机工程学课程设计论文公共垃圾桶的人机分析及改进设计09级自动化系工业设计1班江梅含雪摘要公共垃圾桶在生活中成为必不可缺的一部分,它是社会文化的一种折射。
为了更清洁更美好的生活环境,垃圾桶应该趋向于更加合理,更加符合人机,更好的满足市民的需要,充分发挥出垃圾桶盛放垃圾废弃物并分类回收的作用。
本文从人机工程学出发,将分析现公共垃圾桶的设计缺陷并对其不足的地方和扔垃圾的入口处进行了一些改良的设计。
关键词:公共垃圾桶分类回收人机工程学改良设计1.前言目前中国约有2/3的城市陷入垃圾围城的困境。
垃圾不仅造成公害,更是资源的巨大浪费。
生活垃圾已成为城市发展中的棘手问题。
公共垃圾桶有收纳垃圾、分类回收垃圾、绿化环境、提示人们垃圾不可乱扔,从而提高国民素质的重要用处。
现在的垃圾桶虽然方便了人们的生活,改善了人们的生活环境,但是现在的垃圾桶却出现了各种各样的问题,例如有的尺寸不合理、垃圾分类不明确、容易发臭、造型不美观、颜色单一不能融入环境等等的问题。
为了更合理的满足人们在日常生活中扔垃圾时的需求,达到改善城区环境,降低垃圾污染,使市区更加绿色环保的目的。
同时也希望可以为身边的环保贡献出自己的一份力量。
因此我做了此次关于垃圾桶的调查与分析以及相应的改良设计。
2.问卷分析及设计指南为更好了解详情,我做了问卷调查希望从更多人那里得到更为准确的结果。
问卷涉及相关15个问题,共有40人作出回应。
2.1数据及结果分析:现对问卷重要题目解析:4.您认为垃圾扔不进的主要原因()A.垃圾桶口太小B.高度尺寸不合理C.自身原因D.垃圾太臭E.其他13.您觉得现用的垃圾桶有什么要改进的地方()A.外观B.材质C.桶的密闭性D.不方便E.不卫生2.2设计指南2.2.1乐山市现有垃圾桶分析据我调查了解乐山市城区现有以下几种垃圾桶:1. 最常见分布最广的,如图一由图中尺寸看出这款垃圾桶还是比较合理的,投入口的高度在786左右,开口为110到183,能满足绝大部分的需求。
.《人因工程学》课程大作业设计题目:论校园垃圾桶设计学生:骐畅学号: 201121135专业:工业工程班级:工业工程121 指导教师:马银忠成绩:工程学院2014年11月08日目录前言 (3)《人因工程学》大作业任务书 (4)一、设计题目: (4)二、主要容 (4)三、设计任务及要求 (4)四、设计方法及骤 (4)五、编写大作业说明书 (4)第一章大作业容简介 (5)1大作业的意义 (5)2大作业设计容 (5)3大作业设计思路 (6)第二章大作业设计过程 (7)1校园垃圾桶的现状分析 (7)1.1食堂旁的垃圾桶现状分析 (7)1.2一食堂旁公共垃圾箱的平面示意图 (9)2垃圾桶的人因评析 (10)2.1尺寸分析.......................................... 错误!未定义书签。
2.2垃圾桶的CAD制图................................. 错误!未定义书签。
2.3垃圾桶的解析...................................................... 错误!未定义书签。
第三章小结 .............................................. 错误!未定义书签。
3.1 课题容小结......................................... 错误!未定义书签。
3.2 大作业小结......................................... 错误!未定义书签。
参考文献 .................................................. 错误!未定义书签。
前言人因工程学应用人性绩效(如生理、心理和工业工程),改善工作系统(包括人、工作、工具、设备、工作场所、工作责任和周边环境)使得人员能在安全、卫生和舒适的情况下,发挥其最大工作效率、及提高生活品质的科学。
公园垃圾箱的设计课程论文人机工程学公园垃圾箱设计指导教师学院名称专业及班级提交日期2012年5月答辩日期2012年5月目录摘要 (1)一、设计调查 (2)1.1垃圾箱的结构 (2)1.2垃圾箱的材质 (2)1.3垃圾箱的颜色 (2)1.4垃圾箱的标志 (3)二、垃圾箱设计思路与方向 (3)三、垃圾箱的人机工程学分析 (4)3.1尺寸 (4)3.2形状 (7)3.3摆放 (7)四、设计构思 (7)4.1结构方面 (8)4.2材质方面 (8)4.3颜色方面 (8)4.4标志方面 (9)五、设计方案展示 (9)六、结论 (13)参考文献 (14)摘要随着社会经济的日益发展,社会竞争也越发激烈,人们在追求简单快捷生活方式的同时,生活垃圾、工业垃圾也因此增多。
由生活垃圾造成的污染一直是中国最严重的社会公害之一,如何科学合理的收集和处理垃圾,避免其对环境造成污染是长期以来难以解决的问题。
各种各样的公共垃圾箱,虽然毫不起眼但又不可或缺,它们都直接影响着垃圾回收的效率,也影响着我们赖以生存的环境。
本文所讨论的是公园垃圾箱的设计,鉴于公园现存的部分垃圾箱设计不符合人机工程学的关系,致使人们在投放垃圾时感到不便。
现针对该公共垃圾箱的设计缺陷并对存放有害物质的地方和扔垃圾的入口处进行了一些改良的设计。
关键词:公园垃圾箱、缺陷、人机工程学关系、改良设计一、设计调查在日常生活中,我们随处可见到各式各样的垃圾箱。
垃圾箱是用来盛装没用的或废旧的东西的一种容器,它可以使我们的生活变得干净整洁。
当今世界重视社会的发展与环境的可持续发展,这其中也要求我们要合理处理日常生活垃圾。
所以说垃圾箱已成为我们生活上不可或缺的重要物品,先针对垃圾箱的结构、颜色的设计进行调查。
1.1垃圾箱的结构垃圾箱在造型上一般有两种结构形式:一体式和开盖式。
一体式包括箱体、投入口、回收口三部分,是过去常见的垃圾箱形式。
有些设计者想要美化环境,将一体式垃圾箱设计成大熊猫、小青蛙、企鹅等可爱的动物形象,因为在造型上采用了较多的曲面,很不容易清理,存放垃圾不多时还能够对周围环境产生一些装饰作用,但由于存放垃圾的空间很小,特别容易产生垃圾外溢。
我国一直非常重视环境保护问题,伴随着国民生活水平的不断提高,城市居民和工业企业产生的各类垃圾也与日俱增,垃圾分类已经成为亟待解决的重大问题。
人们日常收集垃圾的装置———垃圾桶,成为了垃圾存放的第一道载体,如果能在该阶段就实现垃圾的分类,并结合最新的人因实验平台技术和现代计算机技术以及先进的机械技术,设计出一套垃圾桶智能分拣和自动传输系统,将是一件十分有意义的大事。
根据调查,一个二线城市超过60%的垃圾桶旁边会有垃圾,究其原因,要么是由于清理不及时,要么是由于人们嫌弃垃圾桶脏而不愿意靠近;而超过80%的人不会去注意可回收和不可回收的分类垃圾桶。
因此,既快速又方便的垃圾处理方法便变得至关重要[1]。
目前国内有些社区、商场采用不同颜色的垃圾桶,这样便于将不同类别的垃圾进行分类,然而那样不仅占地方,而且运输过程也比较麻烦。
笔者的设计目标是将人因实验平台和最佳综合绩效原理应用于垃圾分类处理,着眼于方便快捷地处理垃圾,而精细化的自动分类和运输可提高垃圾的处理质量与效率。
在城市社区或者有地下停车场的商场,人们可以合理地利用资源进行垃圾的分类与处理。
因此,笔者将设计一个自动分类并运输的垃圾桶,以便于满足人们的需求,为人们营造一个舒适、温馨的好环境。
1国内外垃圾分类处理现状及其分析1.1国外垃圾分类处理现状分析国外的垃圾桶都是融合当地的城市特色以及商业化需求来进行设计的。
人们对垃圾桶的要求已不单是一个简单的垃圾回收装置了,而是对其外观提出了很大的要求,因此设计往往是出人意料的。
社会的快速发展使得垃圾种类越来越多,且产生得越来越快,因此最主要的问题就是垃圾的处理以及分解。
解决垃圾,不让垃圾随时随地污染人们的环境,这已经是一个迫在眉睫的问题了。
因此,为了学习国外的先进经验,笔者对国外如何处理垃圾进行了相关调查。
基于人因实验的环保型垃圾桶智能分拣与传输设计文章编号:1674-9146(2018)01-0044-05杜战其,陈亚姝,刘伟燕,曹雪婷,李少杰,乔逸飞[基金项目]2016—2017年度上海市大学生创新活动计划项目(X201610264134)收稿日期:2017-11-23;修回日期:2017-12-15作者简介:杜战其(1981-),男,河北邯郸人,硕士,工程师,主要从事人因工程研究,E-mail :38975087@ 。
[选取日期] 北京公共垃圾箱的人机工程学设计08081214 | 杨扬。
北京公共垃圾箱的人机工程学设计目录一课题背景1课题要求(任务书识读)2设计目的,方法3人机工学及相关信息简述二用户研究1北京公共垃圾箱使用环境及使用方式2北京公共垃圾箱使用人群(适用人群,目标人群)3使用者使用心理及行为特征三产品分析1现有北京公共垃圾箱研究1.1现有北京公共垃圾箱功能研究1.2现有北京公共垃圾箱外观研究2现有北京公共垃圾箱的使用情况调研及综合分析3相关产品研究4产品发展趋势研究四人机工程学分析1操作舒适性分析1.1尺寸人机分析1.2使用者使用特性与人机学分析。
1.3摆放位置的人机学分析2辨识性分析2.1色彩识别2.2标志识别2.3形状识别3使用者使用心理分析五产品开发与定位六方案设计1初步方案2方案评估3深入方案一课题背景一课题背景1课题要求(任务书识读)发现问题、调查问题、主要通过对人机工程学是综合性应用实践探索可能的解决问题方式、完成文献资料和现实情况两方面的调研。
同时完成方案设计。
一课题背景2设计目的,方法通过网络调查,走访询问等方式确定北京市公共垃圾箱的现有状况,明细北京市公共垃圾箱使用者使用行为和心理。
对北京市公共垃圾箱进行用户研究,需求研究,产品分析,着重对北京市公共垃圾箱的人机工程学分析研究。
合理定位分析与定位可视化表达。
完成方案设计。
一课题背景3人机工学及相关信息简述人机工程学是以心理为圆心,生理为半径,用以建立人与物(产品)之间和谐关系的方式,最大限度地挖掘人的潜能,综合平衡地使用人的肌能,保护人体健康,从而提高效率。
二用户研究二用户研究1北京公共垃圾箱使用环境及使用方式概述无论公园,街道,商业步行街,还是公共会议室等等,都是公共垃圾箱的使用环境。
公共环境是一个公共的容纳空间,是人与人,人与公共产品交互的纽带。
而垃圾桶作为公共环境必不可少的组成元素,在给人们提供一个和谐美好的环境中起到了至关重要的作用。
摘要人类的文明、社会的进步自古以来就是以人们的行为作为评价的标准的。
但是长期以来,环境问题永远都是一个不朽的话题,无论是从前,还是现在,不管是学生竞赛题目、论文话题、报刊、新闻等等太多的太多都离不开环境,由此看出,人类的文明随着社会进步而逐步退化了。
一个绿色的地球是我们人类生存的先决条件,数千年的人类文明迚程没有牺牲地球的绿色,但是两百年的现代化文明却使我们绿色的地球日渐披黄蒙黑。
由生活垃圾造成的污染一直是中国最严重的社会公害之一,如何科学合理的收集和处理垃圾,避免其对环境造成污染是长期以来难以解决的问题。
各种各样的垃圾箱,毫不起眼而又不可或缺,它们都直接影响着垃圾回收的效率,也影响着我们赖以生存的环境。
本文将分析现有垃圾箱的设计缺陷并对存放有害物质的地方和扔垃圾的入口处进行了一些改良的设计,希望能为广大师生带来方便,让环境更加优美,校园更加和谐!关键词:垃圾箱,回收,缺陷,有害,改良一、设计题目解析垃圾桶,又名废物箱或垃圾箱,就是装放垃圾的地方。
垃圾桶多数以金属或塑胶制,用时放入塑料袋,当垃圾一多便可扎起袋丢掉。
多数垃圾桶都有盖以防垃圾的异味四散,有些垃圾桶可以以脚踏开启。
垃圾桶是一种专门盛放垃圾的容器,它可以使我们的生活变得干净整洁,是我们离不开的好伙伴,它总是弄脏了自己,却清洁了别人。
不管穷国还是富国,垃圾分类都在成为世界性的潮流,而在这方面曾经世界领先的中国,这好的传统却几乎丢失了。
垃圾分类对于一向勤俭持家的中国人并不陌生。
如今我们的生活好了起来,于是我们便不再吝啬卖破烂换回的那几毛钱。
勤俭节约,废物利用,这中华民族的传统美德,现在却在丢失。
我们每个人都是垃圾的制造者,又是垃圾的受害者,但我们更应是垃圾公害的治理者,我们每个人都可以通过垃圾分类来战胜垃圾公害。
在高科技的现在,垃圾的种类越来越多,垃圾桶的形状,功能原理也越来越多,在众多的垃圾桶中如脚踏开盖式垃圾桶,智能垃圾桶等等。
这些垃圾桶都有他们独特的功能和造型,他们的功能原理也不相同。
南京工程学院《人因工程》课程大作业设计题目:校园垃圾箱的人因分析与设计学生姓名:学号:专业:工业工程班级:工程101指导教师:马成绩:2012年11 月9 日目录前言........................................... 错误!未定义书签。
《人因工程学》大作业任务书..................... 错误!未定义书签。
第一章大作业内容简介 (5)1大作业的意义 (5)2大作业设计内容 (5)第二章大作业设计过程 (5)1校园垃圾箱的宜人性分析 (5)2改进分析 (6)第三章改进设计 (9)1 尺寸设计 (9)2布局设计 (10)第四章未来垃圾箱的发展趋势 (13)第五章小结 (14)参考文献....................................... 错误!未定义书签。
前言人因工程学(Human Factors Engineering)又称“人类工程学”(human engineering)是研究研究人、机器、环境之间相互联系、相互作用的学科,有自己独特的理论体系,同时有机融合了“人体科学”、“工程科学”和“环境科学”同时又吸取了其他众多学科的理论、思想方法和研究手段,是一门现代交叉边缘学科。
该学科在自身的发展过程中,逐步打破了各学科的界限,并不断完善自身的概念体系、理论体系、研究方法以及标准规范。
随着现代科技的迅速发展以及经济的快速增长,以及人们对生活质量的要求日益提高,人因工程已受到越来越普遍的重视,并在制造业、服务业、产品设计、公共及生活空间、计算机软硬件、航空航天系统、医疗系统、交通、电信、残障人士辅助设备、军事武器等方面广泛地应用。
人因工程学的设计是“以人为本”,即以“人-机-环境系统”的优化为原则。
无论是以科学技术为主的设计,还是以文化艺术为主的设计,最终都出发幷归宿于人的需求。
因此,人因工程学对各种门类的设计都是普适、有用和重要的。
人因工程学偏重于应用研究,对于当今大学生,学习了解本门课程有着很大的必要性,而此次大作业设计正是对所学知识的有效运用,理论课后通过完成一次具体的课程设计,使我们能真正感受到实际中的人因工程问题,从而寻求最佳的解决方案,同时也对我们以后的工作学习有着重大影响。
《人因工程》大作业任务书专业工业工程班级工程101设计者学号一、设计题目:校园公共垃圾箱设计及布局的人因学分析二、主要内容此次作业中,我重点对学校主要路段及教室、食堂等地的垃圾箱进行了研究和分析,并发现其中不合理的地方,运用人因工程的知识进行改进,首先为了消除不合理处,对一些地方垃圾箱的结构设计及摆放位置进行了一些改进,另外在细节方面也从人因工程的角度予以考虑。
三、设计任务及要求⑴完成大作业课题任务分析及资料消化(至少查询5份参考资料)⑵完成大作业课题设计⑶完成大作业说明书四、设计方法及骤⑴题目分析:课题总体把握,结合实际研究垃圾箱的一些人因工程设计并对不合理之处进行一一分析,构造出改进的基本思路,形成初步的改进方案。
⑵现状分析,学校现有的一些垃圾箱进行功能分析和相关尺寸的测量,设计符合更符合实际情况的垃圾箱,结合人因工程中的人体测量学进行二次设计。
⑶收集资料,为改进寻求可靠的依据。
⑷全面以各思路为分析对象,完善细节。
五、编写大作业说明书大作业说明书要求:文字叙述清楚,使用统一规定的格式,分析问题透彻、简洁明了,理论正确,设计内容正确、数据来源可靠、正确。
大作业设计说明书正文要求10页以上。
附参考资料名称说明。
设计期限:2012年10月1日至2011年10月20日颁发日期:2012年10月1日第一章大作业内容简介1大作业的意义通过此次大作业对学校垃圾箱的观察和分析,运用所学知识发现其中在设计上所体现的人因学,并就学校目前垃圾箱的结构设计及布局情况总结一些存在的问题,并进行改进,从而方便学生丢掷垃圾和环卫工人清理,对学校环境有一定的改进。
2大作业设计内容人因工程学的研究以唯物辩证法为指导,正确地制定技术路线,采取科学合理的具体研究方法,并对研究结果做出客观的科学结论。
虽然包括理论和应用研究两个方面,但学科研究的总趋势还是侧重应用。
所以学习理论课之余我们更应该积极投身到实际生产生活中来,从人因工程的角度去体会周围自己所熟悉的设施布局等环境所散发的人文光芒。
大到学校的整体布局,教学楼宿舍楼的设计,小到教室桌椅的设计,楼道的宽度,卫生间的数量等都是特别关注了学校学生的自身因素,从而使我们周围的环境不仅舒适安全而且赏心悦目。
此次的课程设计正是要求我们以一种独特的角度去观察、了解、分析自己周围的环境,学会运用人因工程学的专业知识研究其中的每一个细节,发散思维,思考一些有待改进的设计。
经过观察筛选,我决定以研究学校的垃圾箱为主要方向来进行此次的课程设计,内容主要包括对垃圾箱的结构分析设计和布局的研究。
小小垃圾箱作为同学们平时不以为意的细节却也无时无刻不牵动着我们的日常生活,影响着学校的整体环境。
学校的垃圾箱随处可见,很方便学生日常丢弃垃圾,从而使我的研究也更加的方便。
通过观察我发现校园内的垃圾箱总体上保持了一致,均为钢木方型分类垃圾箱。
这种双桶式的垃圾箱扩大了垃圾箱的容量对垃圾的分类处理提供了方便。
然而,这些设计中仍然存在一些问题,比如由于垃圾分类的标识不明显,加上学生环保意识有待加强,可回收与不可回收的垃圾都是混放在一起的;垃圾箱的布局也存在一些不合理的地方,有的路段垃圾为患,而有的垃圾箱却受到冷落。
通过实践调查,同学们反应当走在路上时,一些垃圾不能随手在路边的垃圾桶丢弃,还要跑较远的地方才有垃圾桶,如此不免很多同学会觉得不方便,而且有些较大的垃圾不好塞进垃圾箱中,这些影都响垃圾的回收。
另外我还考虑到,垃圾箱不仅要方便同学丢弃垃圾还要方便环卫工人将内腔取出和清理。
对于以上方面我将在下面内容中进行详细的分析和改善。
第二章大作业设计过程大作业涉及到垃圾箱的结构设计及校园布局。
1校园垃圾箱的宜人性分析如下图1-1目前校园内统一使用的垃圾箱图1-1 校园垃圾箱由上图我们可以看到学校垃圾箱为钢木方形垃圾箱,从结构上垃圾箱,有两个内腔便于垃圾分类放置,顶部的挡板也有效阻止了雨水的淋入,从而防止垃圾箱内垃圾发霉变质。
垃圾箱的整个箱体可以旋转,以此方便了清洁工人将铁皮内腔取出。
布局方面,学校各个路段均匀分布了这一类型的垃圾箱,从而便于学生随时随地丢放垃圾。
整体从外观设计上虽然简单却富于特色,作为校园文化的一部分,与学校环境和谐的融为一体,体现了大学的文化气息。
一些细节处如图1-2图1-2 细节图当然垃圾箱作为我们日常生活不可或缺的一部分还是重在它的实用性价值。
从以上两幅图中我们可以看到垃圾箱的周围居然也散落了好多垃圾,而且发现两个垃圾分类箱内的垃圾也并未按分类要求投放。
垃圾箱的箱体上的回收标志也已经几乎无法辨认了。
虽然学校道路上摆放了好多垃圾箱,我们走在校园还是会看到好多随意丢弃的垃圾,这一问题对于学校的卫生环境是一件不容小觑的事,良好的校园环境不仅让人漫步校园,心旷神怡,同时也能无意中引导每一个学生自觉去爱护、保护周围环境!做好垃圾的回收与清理显得尤为重要。
此次课程设计,我对以上问题进行了详细的研究和分析。
2改进分析(1)对垃圾箱的尺寸进行局部调整垃圾箱高度及开口大小的不合理也是导致垃圾丢不进而使垃圾箱外也散布不少垃圾的原因。
同时垃圾箱的容量也有必要进行扩充。
(2)垃圾箱的结构学校垃圾箱机构主要为两个分类回收的内腔与顶部放烟头的凹槽,另外还可以设计一个简易的收废电池的内腔如图2-1中垃圾箱中间的废电池回收孔。
图2-1 珍珠泉垃圾箱(3)垃圾箱的布局也需要进行必要的调整考虑到不同的路段人流量不同,垃圾箱的数量也需要据此进行必要的增减,防止有些垃圾箱因容量不够而是垃圾溢出外面,破坏周围环境。
另外垃圾箱的摆放位置也应使同学们在路上方便丢弃,如果距离太长,也影响了垃圾的回收。
如图2-2,为物理实验中心旁边的一个交叉口,由于学生去经管楼或者信息楼会经过这里,上下课时人A向的人流量会比较大,B方向相对少很多,我们可以注意到①处的路边有摆放了一个垃圾桶,而且此处路段较宽,走在路上大家就会发现如果想去①处丢垃圾就要改变原来行走方向,还要再走大概5、6米的样子才能到达目的地。
这样就不能很好地促成一个激励,垃圾箱也不能方便的进行利用。
如果将其放置到右侧路边或其他某处,则同学们在上课路上就能很方便甚至不许太刻意就能将垃圾掷入箱内。
图2-2 校园某路段第三章改进设计1尺寸设计人因工程学研究的目的是优化产品与用户间的界面,要使垃圾箱与人之间达到最优化的配合,使人不需要有大幅度的改变姿势就可以顺利地将垃圾投入垃圾箱。
与垃圾箱有关的人体尺寸有:肘高、立姿手功能高、立姿双手功能上举高、手长、手宽,如下表一。
考虑到本校男生比例偏重,所以在设计时以考虑男生尺寸为主。
表一与垃圾箱有关的人体尺寸表(1)垃圾箱的高度:垃圾箱的高度一般应小于正常人立姿双手上举功能高度的一半。
所以垃圾箱的高度应在900~1060mm之间,(2)垃圾箱的垃圾投入口:垃圾箱的垃圾投入口也主要以满足男生需求为主:上边缘不低于95%的手功能高,下边缘不高于5%的人肘高度。
这样既可以使身材高的人不需蹲下,同时身材矮的人也不需要费力上举就可以投掷垃圾。
(3)垃圾入口大小:垃圾入口的开口高度要足够的大才能使学生顺利地投掷垃圾;同时也要避免开口过大,以免箱内垃圾太显露影响人的主观感受;另外开口过大垃圾箱口上方的挡板就不能有效遮挡雨水。
学生日常丢弃的垃圾主要为垃圾袋,饮料瓶等。
考虑瓶子的高度一般为200mm,直径一般为160mm,加上考虑倾斜角度垃圾箱开口宜为150mm左右。
如图2-2设计后的垃圾桶结构尺寸。
图3-12布局设计每一路段的垃圾总量等于其日人流量与人均垃圾数量的乘积。
不同路段的人流量与人均垃圾数量均不同,所以垃圾箱的数量分布也要针对不同道路情况考虑。
垃圾箱的位置摆放不仅要满足日垃圾总量的要求,同时也要方便学生丢弃垃圾,尽量与实际环境相适应。
参考纽约市对垃圾箱设置的规定,一般来讲,在各道路的路口都要设一只垃圾箱,从而让方便路口各方向的行人丢弃垃圾,提高了垃圾箱的利用率。
这次大作业,我主要对北区宿舍、食堂、实验楼附近的垃圾箱布局进行分析设计图3-2 垃圾箱分布图见上图中,红色痕迹代表平时校园人流量较多的道路,绿色表示人流量相对较少的道路。
根据人流量和校园建筑布局,我在一些关键的地方标注了黄色的点,代表垃圾箱的摆放位置。
例如图中A点处在宿舍楼的出口位置人流很大,而且也易滞留,所以有必要放置垃圾箱,避免宿舍楼前会有垃圾散落;B点在二食堂前后门两侧,考虑到同学们用餐完毕最可能携带垃圾未及时丢掉,则需在食堂门口台阶旁边摆放垃圾箱;再如C点一般在一些重要路段的交叉口处,这些地方日人流量最大,而且街道狭隘,如实验楼旁边的4个交叉口C1、C2、C3、C4,这条路主要为去经管楼上课的学生而且距离食堂较近,垃圾量较大,所以有必要多设几个垃圾箱,同时C5、C6处的垃圾箱靠近超市和宿舍,垃圾箱的利用率也较高。