现浇混凝土构件模板含量参考表
- 格式:xls
- 大小:18.00 KB
- 文档页数:1
附录1:道路工程混凝土模板、钢筋含量参考表
每10m3混凝土)
附表1-1 现浇混凝土模板、钢筋含量参考表
附录2:桥涵工程混凝土、钢筋混凝土构件模板、钢筋含量参考表附表2-1 现浇混凝土模板、钢筋含量参考表
每10 m3混凝土)
附表2-2 预制混凝土模板、钢筋含量参考表
每10 m3混凝土)
附录3:隧道工程混凝土、钢筋混凝土构件模板、钢筋含量参考表附表3-1 岩石隧道部分模板、钢筋含量参考表(每10m3混凝土)
附表3-2 软土隧道部分模板、钢筋含量参考表每10m3混凝土)
附录4:排水工程混凝土、钢筋混凝土构件模板、钢筋含量参考表
每10m3混凝土)
附表4-1 现浇混凝土构件模板、钢筋含量参考表
附表4-2 预制混凝土构件钢筋含量参考表
【本文档内容可以自由复制内容或自由编辑修改内容期待你的好评和关注,我们将会做得更好】。
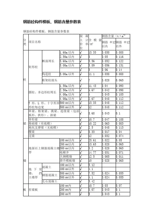
现浇混凝土构件模板含量参考表
为什么要谈混凝土构件模板含量表这个概念,原因是这样的:现在的定额编制基本上都是混凝土、钢筋、模板三分开的,和过去的综合定额不一样,综合定额是将这三者综合到一起的,例如你套一个构件圈梁,将圈梁的工程量计算完成后,套项就解决了,从定额组成里面是可以看到有混凝土,也有钢筋和模板的相应组成。
所以说现在的定额需要我们计算混凝土工程量的同时,计算各个构件模板的工程量。
计算方法,如果是要求比较高的的工程,需要依据图纸计算各构件的实际模板接触面积,如果用算量软件计算的话,这个难度不是太大的。
如果是要求不是太高的工程,或者没有算量软件的话,可以按照混凝土构件模板含量参考表中的数据快速的计算,这个含量是依据历史工程统计测算出来的,应该是比较靠谱的。
举例说明:圈梁的含量是每个立方混凝土需要6.58平方米,假设圈梁的实际工程量是9m3,模板的工程量就是9×6.58=59.22m2。
附录1:道路工程混凝土模板、钢筋含量参考表
附表1-l 现浇混凝土模板、钢筋含量参考表(每10m3混凝土)
附录2:桥涵工程混凝土、钢筋混凝土构件模板、钢筋含量参考表附表2-1 现浇混凝土模板、钢筋含量参考表(每10 m3混凝土)
附表2—2 预制混凝土模板、钢筋含量参考表(每10 m3混凝土)
附录3:隧道工程混凝土、钢筋混凝土构件模板、钢筋含量参考表附表3-1 岩石隧道部分模板、钢筋含量参考表(每10m3混凝土)
附表3-2 软土隧道部分模板、钢筋含量参考表(每10m3混凝土)
附录4:排水工程混凝土、钢筋混凝土构件模板、钢筋含量参考表
附表4—l 现浇混凝土构件模板、钢筋含量参考表(每10m3混凝土)
附表4-2 预制混凝土构件钢筋含量参考表。
附录1:道路工程混凝土模板、钢筋含量参考表
附表1-l 现浇混凝土模板、钢筋含量参考表(每10m3混凝土)
附录2:桥涵工程混凝土、钢筋混凝土构件模板、钢筋含量参考表附表2-1 现浇混凝土模板、钢筋含量参考表(每10 m3混凝土)
附表2-2 预制混凝土模板、钢筋含量参考表(每10 m3混凝土)
附录3:隧道工程混凝土、钢筋混凝土构件模板、钢筋含量参考表
附表3-1 岩石隧道部分模板、钢筋含量参考表(每10m3混凝土)
附表3-2 软土隧道部分模板、钢筋含量参考表(每10m3混凝土)
附录4:排水工程混凝土、钢筋混凝土构件模板、钢筋含量参考表附表4-l 现浇混凝土构件模板、钢筋含量参考表(每10m3混凝土)
附表4-2 预制混凝土构件钢筋含量参考表
一、单项选择题(每题1分
页脚内容。
附录1:道路工程混凝土模板、钢筋含量参考表
附表1-l 现浇混凝土模板、钢筋含量参考表(每10m3混凝土)
附录2:桥涵工程混凝土、钢筋混凝土构件模板、钢筋含量参考表附表2-1 现浇混凝土模板、钢筋含量参考表(每10 m3混凝土)
附表2-2 预制混凝土模板、钢筋含量参考表(每10 m3混凝土)
附录3:隧道工程混凝土、钢筋混凝土构件模板、钢筋含量参考表附表3-1 岩石隧道部分模板、钢筋含量参考表(每10m3混凝土)
附表3-2 软土隧道部分模板、钢筋含量参考表(每10m3混凝土)
附录4:排水工程混凝土、钢筋混凝土构件模板、钢筋含量参考表附表4-l 现浇混凝土构件模板、钢筋含量参考表(每10m3混凝土)
附表4-2 预制混凝土构件钢筋含量参考表。
附录1:道路工程混凝土模板、钢筋含量参考表
附表1-l 现浇混凝土模板、钢筋含量参考表(每10m3混凝土)
附录2:桥涵工程混凝土、钢筋混凝土构件模板、钢筋含量参考表附表2-1 现浇混凝土模板、钢筋含量参考表(每10 m3混凝土)
附表2-2 预制混凝土模板、钢筋含量参考表(每10 m3混凝土)
附录3:隧道工程混凝土、钢筋混凝土构件模板、钢筋含量参考表附表3-1 岩石隧道部分模板、钢筋含量参考表(每10m3混凝土)
附表3-2 软土隧道部分模板、钢筋含量参考表(每10m3混凝土)
附录4:排水工程混凝土、钢筋混凝土构件模板、钢筋含量参考表附表4-l 现浇混凝土构件模板、钢筋含量参考表(每10m3混凝土)
附表4-2 预制混凝土构件钢筋含量参考表
市政工程施工安全检查评分汇总表
.11。
附录1:道路工程混凝土模板、钢筋含量参考表
附表1—l 现浇混凝土模板、钢筋含量参考表(每10m3混凝土)
附录2:桥涵工程混凝土、钢筋混凝土构件模板、钢筋含量参考表
附表2—1 现浇混凝土模板、钢筋含量参考表(每10 m3混凝土)
附表2—2 预制混凝土模板、钢筋含量参考表(每10 m3混凝土)
附录3:隧道工程混凝土、钢筋混凝土构件模板、钢筋含量参考表
附表3—1 岩石隧道部分模板、钢筋含量参考表(每10m3混凝土)
附表3-2 软土隧道部分模板、钢筋含量参考表(每10m3混凝土)
附录4:排水工程混凝土、钢筋混凝土构件模板、钢筋含量参考表
附表4—l 现浇混凝土构件模板、钢筋含量参考表(每10m3混凝土)
附表4—2 预制混凝土构件钢筋含量参考表。