关于绿化率的规定
- 格式:doc
- 大小:48.50 KB
- 文档页数:3
关于绿化率的规定说明;符合下列情况之一园路及铺装场地可适当增值但不大于总面积5%1.平面长宽比值大于32.面积的一半以上地形坡度大于50%3.水体岸线总长大于面积的周边长公园设计规范CJJ 48-921.小型公园绿地内建筑占地不得大于总面积3%2.大型公园绿地内建筑占地宜为总面积5%3.除公园外城市绿地内建筑占地不得大于陆地总面积2%城市绿地设计规范GB 5420-20071.园林景观路绿地率不得小于40%2.红线宽度大于50M的道路绿地率不得小于30%3.红线宽度大于40-50M的道路绿地率不得小于25%4.红线宽度大于40M的道路绿地率不得小于20%城市道路绿化规划与设计规范CJJ 75-971.新建居住区内绿地面积占总面积比例不得低于35%2.按规划成片改建扩建的居住区内绿地面积占总面积比例不得低于25%3.新建学校医院疗休养所公共文化设施其附属绿地面积占总面积比例不得低于35%4.新建工业园区其附属绿地面积占总面积比例不得低于20%5.新建地面主干道红线内绿地面积占总面积比例不得低于20%上海绿化条例2007 1 171.计算绿地率的绿地面积包括建筑基地内的集中绿地面积和房前屋后街坊道路两侧以及规定的建筑间距内的另星绿地面积2.在居住区内的集中绿地面积占总面积比例不得低于10% 每块集中绿地面积不得少于400平米且至少有1/3绿地面积在规定的建筑间距之外3.位于浦西内环线的建筑基地难以达到上述指标可将每块面积大于100平米的屋面地栽绿化折算屋面与建筑基地的高差M 有效系数%1. ≤1.5 702. 1.5----5.0 503. 5.0----12 304. .≥12 04. 不在建筑基地内的沿城市道路两侧公共绿地和绿化隔离带不得作集中绿地面积计算但中心城区由开发单位实施的沿城市道路两侧公共绿地可按50%计入建筑基地面积计算但不.大于≥建筑面积之20%上海市城市规划管理技术规定2007版各区段内的绿地率(含水体面积)不得小于95%,其中:除特殊需要外,水体面积在不低于现状水面率的前提下,原则控制在总用地的12%以内。
小区绿化率标准是多少?绿化率计算方式小区绿化率标准是多少?绿化率计算方式是什么?这是许多人在购房或者租房时都会关心的一个问题。
绿化率是指小区内绿地、草坪、花园等绿化面积与总用地面积的比例,是衡量一个小区绿化程度的重要指标。
绿化率的高低直接影响着居民的居住环境和生活质量。
那么,小区绿化率标准是多少呢?绿化率计算方式又是怎样的呢?接下来,我们就来详细了解一下。
首先,我们来看一下小区绿化率的标准。
在我国,根据《城市居住区规划设计规范》的相关规定,小区绿化率的标准是不低于30%。
这意味着,一个小区的绿地、草坪、花园等绿化面积至少要占到总用地面积的三分之一。
而在一些城市的地方性规划中,对于绿化率还有更为严格的要求,有的地方甚至规定绿化率要达到40%以上。
因此,可以说小区绿化率标准是一个相对统一的指标,但在具体执行时还会因地区而异。
接下来,我们来了解一下绿化率的计算方式。
绿化率的计算是比较简单的,一般是通过绿地面积与总用地面积的比例来进行计算的。
具体的计算公式如下:绿化率 = 绿地面积 / 总用地面积× 100%。
在实际计算中,绿地面积通常包括花园、草坪、绿化带等绿色植被覆盖的区域,而总用地面积则是指小区内所有的建筑用地面积。
通过这个公式,我们就可以得到一个小区的绿化率了。
那么,为什么小区绿化率这么重要呢?首先,高绿化率可以改善小区的生态环境,提高空气质量,减少噪音污染,有利于居民的身心健康。
其次,绿化率高的小区往往显得更加美观,居住舒适度也会更高。
此外,高绿化率的小区还能起到调节气候、净化空气、保护生态等作用,对于城市的可持续发展也有着积极的意义。
然而,现实中也存在一些小区绿化率偏低的情况。
一些开发商为了追求经济利益,可能会在建设过程中减少绿地面积,导致小区绿化率不达标。
这不仅影响了居民的生活质量,也违反了相关的规划设计标准。
因此,有关部门需要加强对小区绿化率的监管,确保小区绿化率能够达到规定的标准。
关于绿化率的规定说明;符合下列情况之一园路及铺装场地可适当增值但不大于总面积5%1.平面长宽比值大于32.面积的一半以上地形坡度大于50%3.水体岸线总长大于面积的周边长公园设计规范CJJ 48-921.小型公园绿地内建筑占地不得大于总面积3%2.大型公园绿地内建筑占地宜为总面积5%3.除公园外城市绿地内建筑占地不得大于陆地总面积2%城市绿地设计规范GB 5420-20071.园林景观路绿地率不得小于40%2.红线宽度大于50M的道路绿地率不得小于30%3.红线宽度大于40-50M的道路绿地率不得小于25%4.红线宽度大于40M的道路绿地率不得小于20%城市道路绿化规划与设计规范CJJ 75-971.新建居住区内绿地面积占总面积比例不得低于35%2.按规划成片改建扩建的居住区内绿地面积占总面积比例不得低于25%3.新建学校医院疗休养所公共文化设施其附属绿地面积占总面积比例不得低于35%4.新建工业园区其附属绿地面积占总面积比例不得低于20%5.新建地面主干道红线内绿地面积占总面积比例不得低于20%上海绿化条例2007 1 17 1.计算绿地率的绿地面积包括建筑基地内的集中绿地面积和房前屋后街坊道路两侧以及规定的建筑间距内的另星绿地面积2.在居住区内的集中绿地面积占总面积比例不得低于10% 每块集中绿地面积不得少于400平米且至少有1/3绿地面积在规定的建筑间距之外3.位于浦西内环线的建筑基地难以达到上述指标可将每块面积大于100平米的屋面地栽绿化折算屋面与建筑基地的高差M 有效系数%1. ≤1.5 702. 1.5----5.0 503. 5.0----12 304. .≥12 04. 不在建筑基地内的沿城市道路两侧公共绿地和绿化隔离带不得作集中绿地面积计算但中心城区由开发单位实施的沿城市道路两侧公共绿地可按50%计入建筑基地面积计算但不.大于≥建筑面积之20%。
上海市城市规划管理技术规定2007版各区段内的绿地率(含水体面积)不得小于95%,其中:除特殊需要外,水体面积在不低于现状水面率的前提下,原则控制在总用地的12%以内。
关于绿化率的规定说明;符合下列情况之一园路及铺装场地可适当增值但不大于总面积5%1.平面长宽比值大于32.面积的一半以上地形坡度大于50%3.水体岸线总长大于面积的周边长公园设计规范CJJ 48-921.小型公园绿地内建筑占地不得大于总面积3%2.大型公园绿地内建筑占地宜为总面积5%3.除公园外城市绿地内建筑占地不得大于陆地总面积2%城市绿地设计规范GB 5420-20071.园林景观路绿地率不得小于40%2.红线宽度大于50M的道路绿地率不得小于30%3.红线宽度大于40-50M的道路绿地率不得小于25%4.红线宽度大于40M的道路绿地率不得小于20%城市道路绿化规划与设计规范CJJ 75-971.新建居住区内绿地面积占总面积比例不得低于35%2.按规划成片改建扩建的居住区内绿地面积占总面积比例不得低于25%3.新建学校医院疗休养所公共文化设施其附属绿地面积占总面积比例不得低于35%4.新建工业园区其附属绿地面积占总面积比例不得低于20%5.新建地面主干道红线内绿地面积占总面积比例不得低于20%上海绿化条例2007 1 17 1.计算绿地率的绿地面积包括建筑基地内的集中绿地面积和房前屋后街坊道路两侧以及规定的建筑间距内的另星绿地面积2.在居住区内的集中绿地面积占总面积比例不得低于10% 每块集中绿地面积不得少于400平米且至少有1/3绿地面积在规定的建筑间距之外3.位于浦西内环线的建筑基地难以达到上述指标可将每块面积大于100平米的屋面地栽绿化折算屋面与建筑基地的高差M 有效系数%1. ≤1.5 702. 1.5----5.0 503. 5.0----12 304. .≥12 04. 不在建筑基地内的沿城市道路两侧公共绿地和绿化隔离带不得作集中绿地面积计算但中心城区由开发单位实施的沿城市道路两侧公共绿地可按50%计入建筑基地面积计算但不.大于≥建筑面积之20%。
上海市城市规划管理技术规定2007版各区段内的绿地率(含水体面积)不得小于95%,其中:除特殊需要外,水体面积在不低于现状水面率的前提下,原则控制在总用地的12%以内。
西安市绿化率计算规则
西安市的绿化率计算规则一般遵循以下原则:
1. 绿化率按公共绿地、居住用地绿地、工业用地绿地等区域划分进行计算。
公共绿地包括公园、广场、绿化带等对公众开放的绿地区域;居住用地绿地主要用于小区、住宅小区等居住区域的绿化;工业用地绿地主要用于工业区、企事业单位等的绿化。
2. 绿化率计算公式为:绿化率 = 绿地面积 / 地面总面积 ×100%。
绿地面积包括植被覆盖的土地以及花坛、草坪、绿化
带等绿化设施的面积;地面总面积指特定区域内的总土地面积。
3. 绿化率的计算应该考虑到不同区域的功能需求和环境特点。
如在居住用地区域,绿化率应该满足居民的休闲娱乐需求,增加居民的生活品质;在工业用地区域,绿化率应该注重净化环境、降低噪音等环境治理功能。
4. 绿化率的标准一般由相关部门制定并进行监管。
根据《西安市绿化地带划定管理规定》,不同区域和用途有不同的绿化率要求。
例如,居住区的绿地率一般为25%,工业区的绿地率
一般为15%。
总之,西安市的绿化率计算规则是根据不同区域和用途进行划分,并根据相关部门的标准进行计算和监管,旨在促进城市的绿化建设和环境保护。
关于绿化率的规定公园内部绿化用地比例(%) 表2.3.1说明;符合下列情况之一园路及铺装场地可适当增值但不大于总面积5%1.平面长宽比值大于32.面积的一半以上地形坡度大于50%3.水体岸线总长大于面积的周边长公园设计规范CJJ 48-921.小型公园绿地内建筑占地不得大于总面积3%2.大型公园绿地内建筑占地宜为总面积5%3.除公园外城市绿地内建筑占地不得大于陆地总面积2%城市绿地设计规范GB 5420-20071.园林景观路绿地率不得小于40%2.红线宽度大于50M的道路绿地率不得小于30%3.红线宽度大于40-50M的道路绿地率不得小于25%4.红线宽度大于40M的道路绿地率不得小于20%城市道路绿化规划与设计规范CJJ 75-971.新建居住区内绿地面积占总面积比例不得低于35%2.按规划成片改建扩建的居住区内绿地面积占总面积比例不得低于25%3.新建学校医院疗休养所公共文化设施其附属绿地面积占总面积比例不得低于35%4.新建工业园区其附属绿地面积占总面积比例不得低于20%5.新建地面主干道红线内绿地面积占总面积比例不得低于20%上海绿化条例2007 1 171.计算绿地率的绿地面积包括建筑基地内的集中绿地面积和房前屋后街坊道路两侧以及规定的建筑间距内的另星绿地面积2.在居住区内的集中绿地面积占总面积比例不得低于10% 每块集中绿地面积不得少于400平米且至少有1/3绿地面积在规定的建筑间距之外3.位于浦西内环线的建筑基地难以达到上述指标可将每块面积大于100平米的屋面地栽绿化折算屋面与建筑基地的高差M 有效系数%1. ≤1.5 702. 1.5----5.0 503. 5.0----12 304. .≥12 04. 不在建筑基地内的沿城市道路两侧公共绿地和绿化隔离带不得作集中绿地面积计算但中心城区由开发单位实施的沿城市道路两侧公共绿地可按50%计入建筑基地面积计算但不.大于≥建筑面积之20%。
上海小区绿化率标准
一、绿化覆盖率
上海小区的绿化覆盖率应达到40%以上,这是上海市政府规定的标准。
绿化覆盖率是指小区内的绿地和植被的覆盖面积与小区总面积的比例,它反映了小区绿化的程度和水平。
二、绿地率
绿地率是指小区内绿地的总面积与小区总面积的比例。
按照上海市政府的规定,新建住宅小区的绿地率应达到35%以上,而旧住宅小区则应达到25%以上。
绿地率的提高可以改善小区的生态环境,提高居民的生活质量。
三、公共绿地
公共绿地是指由政府或物业管理公司管理的绿地,供小区居民共同使用。
公共绿地应分布合理,设施完善,方便居民使用。
同时,公共绿地应定期维护和管理,确保绿地的卫生、安全和美观。
四、绿植品种
上海小区的绿化应选择适合当地气候和土壤条件的绿植品种。
在选择绿植品种时,应优先考虑乡土植物,以提高绿地的适应性和生态效益。
同时,也可以选择一些适应性强、观赏价值高的外来植物,以增加绿地的多样性和景观效果。
五、绿化设施
绿化设施是指与小区绿化相关的设施,如绿地灌溉系统、绿化照明系统、休闲设施等。
这些设施应合理设计、布局,以方便居民使用,
同时也要注意与周围环境的协调和美观。
六、绿化养护
绿化养护是指对小区绿地的日常管理和维护,包括浇水、施肥、修剪、除草等。
良好的绿化养护可以提高绿地的生长状况和景观效果,同时也可以保障居民的健康和安全。
物业管理部门应定期对小区绿化进行养护,并做好记录和监督工作。
对于损坏或过时的绿化设施,应及时维修或更换。
同时也要做好对病虫害的防治工作,确保植物的健康生长。
小区绿化标准
小区绿化标准是指对小区内绿地、花坛、草坪、树木等的规划、建设和管理的要求。
具体的标准因地区和小区规模等不同而异,但一般包括以下几个方面:
1. 绿地比例:规定小区绿地面积和建筑面积的比例,通常要求绿化率在20%以上。
2. 植物配置:规定小区内的主要树种、花卉种类以及它们的配置和数量。
3. 疏林比例:要求在小区内设置适当的疏林带,保持足够的通风和良好的视觉效果。
4. 草坪建设:对草坪的选址、土地基质、草种和养护等方面提出具体要求,以确保草坪的美观和使用功能。
5. 绿化设施:规定小区内应设置的园林设施,如花坛、儿童游乐场、健身区等,以满足居民的休闲需求。
6. 绿化养护:规定小区绿地的养护管理要求,包括定期修剪、浇水、施肥、防治病虫害等措施,以保持绿地的良好状态。
小区绿化标准的制定旨在提高小区的景观质量,改善居民居住环境,提升生活品质。
同时,它也是城市规划和建设的重要组成部分,对于促进生态平衡和可持续发展具有重要意义。
绿化率计算标准一、为加强建设项目绿地率审核验收管理,根据有关规范规定,结合市区实际,制订本计算规则。
二、本规则所指的绿地率,是指建设项目用地范围内各类绿地占地面积的总和占建设项目用地面积的比率。
三、本规则所指的建设项目用地与范围,是指建设项目总征地中扣除由建设项目方代征的区外道路、公共对外道路用地(即用地面积)。
四、建设项目用地范围内的各类绿地计算:(一)、计算通则:1.绿地计算应退建筑物外边线1.5米,集中绿地应退道路1米。
2.停车场、消防登高面、消防通道及各类形式的植草砖,不计入绿地面积。
3.绿地内与绿化无关的建筑物、构筑物(包括垃圾房、箱式变、采光井、煤气调压箱、地下室透气孔、面积大于1平方米的消防、电力等市政设施井盖等),不计入绿地面积。
4.垂直绿化、阳台绿化、室内绿化、盆栽花草树木,墙、栏杆上的花台、花池,不计入绿地面积。
5.架空层、阳台、屋檐等各类建、构筑物投影线内的开放空间绿地,不计入绿地面积。
6.入户通道、小区道路、组团道路、宅旁(宅间)道路,不计入绿地面积。
(二)分类绿地计算:1.地面绿化用地:覆盖各类生长机质,上部无建筑物、构筑物遮挡,下部无建筑物、构筑物限制植物生长,适于栽植各类植物的用地。
折算系数:按投影面积的100%计算。
2.覆土绿化用地:包括地下建筑物、构筑物上覆土绿化及屋顶绿化。
其中住宅项目(R21)中屋顶绿化不折算计入绿地面积。
折算系数:地下建构物顶板标高下降地块内部室外地坪标高1米且覆土大于1.5米的覆土绿地计算参照地面绿化用地,其余覆土绿地折算参见附件《杭州市屋顶绿化折合绿地面积比率表》。
3.集中绿地:应同时满足宽度不小于8米、面积不小于400平方米和不少于1/3的绿地面积在标准的建筑日照阴影线范围之外的日照环境要求。
集中绿地内的景观水体、园路、园林铺装可计入绿地面积,但铺装及水系面积应小于30%。
4.水系:绿地围合的景观水体可计入绿地面积。
折算系数:按投影面积的100%计算。
海宁市绿化率计算规则
海宁市绿化率计算规则
一、目的和适用范围
本规则规定了海宁市绿化率的计算方法,适用于海宁市范围内各类建设项目的绿化率审核和评估。
二、计算方法
绿化率是指一定区域内绿地面积与总用地面积的比值,用百分比表示。
计算公式为:绿化率 = (绿地面积 / 总用地面积) × 100%。
绿地面积包括公共绿地、居住区绿地、道路广场绿地、防护绿地等,不包括屋顶绿化、墙体绿化等立体绿化。
总用地面积是指规划建设用地范围内所有土地的面积,包括道路、广场、建筑、设施等用地。
三、审核和评估
绿化率的审核和评估应由海宁市绿化行政主管部门负责,并按照相关法律法规和标准进行。
绿化行政主管部门应根据建设项目的性质、规模和特点,制定相应的绿化率审核和评估标准,并定期进行评估和监测。
建设项目应按照绿化率审核和评估标准进行规划、设计和建设,并接受绿化行政主管部门的监督和检查。
四、违规处理
违反本规则规定的,由绿化行政主管部门责令改正,并按照相关法律法规进行处罚。
未按照绿化行政主管部门的要求进行整改的,绿化行政主管部门可以采取限制使用、拆除等措施。
五、附则
本规则自发布之日起施行,由海宁市绿化行政主管部门负责解释。
本规则的修改和废止,须经海宁市绿化行政主管部门审议通过,并报经市政府批准。
第1篇引言随着城市化进程的加快,房地产开发成为推动经济增长的重要力量。
然而,在城市扩张的同时,如何平衡经济发展与生态环境保护,成为了一个亟待解决的问题。
绿化率作为衡量城市生态环境质量的重要指标,其规定与实施对于提升城市居住环境、改善居民生活质量具有重要意义。
本文将深入探讨我国开发商绿化率的相关法律规定,并提供实施指南。
一、绿化率的概念及意义绿化率是指城市中各类绿地面积与建成区面积的比例。
它反映了城市生态环境的优劣,对于调节气候、净化空气、保护生物多样性等方面具有重要作用。
提高绿化率有助于改善城市生态环境,提升居民生活质量,促进人与自然和谐共生。
二、我国绿化率法律规定概述1. 《中华人民共和国城市绿化条例》该条例于1992年颁布,是我国第一部关于城市绿化的综合性法规。
其中明确规定了城市绿化规划、建设、保护等方面的要求,包括绿化率指标。
2. 《城市用地分类与规划建设用地标准》该标准于2008年修订,规定了各类城市用地的绿化率要求,如居住用地、公共管理与公共服务用地等。
3. 地方性法规和规章各省、自治区、直辖市根据国家法律法规,结合本地实际情况,制定了相应的绿化率规定和实施细则。
三、开发商绿化率法律规定详解1. 绿化率指标根据国家及地方规定,不同类型的房地产开发项目应达到相应的绿化率指标。
例如,居住用地绿化率一般不低于30%,公共管理与公共服务用地绿化率一般不低于35%。
2. 绿化用地范围绿化用地包括公共绿地、附属绿地、生产绿地等。
公共绿地是指对公众开放的绿地,如公园、广场等;附属绿地是指建筑物、构筑物周围及相邻的绿地;生产绿地是指为生产、科研、教育等目的而设置的绿地。
3. 绿化设计要求开发商在进行绿化设计时,应遵循生态、美观、实用的原则,充分考虑植物种类、配置、种植密度等因素,确保绿化效果。
4. 绿化建设管理开发商应按照规划要求,按时完成绿化建设任务。
绿化工程完成后,应进行验收,并接受相关部门的监督检查。
公共空间水平绿化率标准
公共空间水平绿化率标准是指在城市公共空间中规定的绿地面积占总面积的比例。
具体的标准可以因地区和城市规划要求的不同而有所变化。
一般来说,公共空间的水平绿化率标准是:- 市区繁忙商业区:水平绿地面积占总面积的20%以上;
- 住宅区和城市中心区:水平绿地面积占总面积的30%以上;- 规划新建城市的重点区域:水平绿地面积占总面积的40%以上。
这些标准旨在提高城市的生态环境质量,增加公共空间的绿化景观,改善居民的生活质量。
此外,公共空间绿化率标准还可以帮助城市控制建筑用地的开发密度,避免城市过于拥挤和压抑。
绿化率标准可能会因不同国家、地区和城市的法规和规划要求而有所不同。
因此,在具体规划和设计时,应根据当地的规定和要求来确定最佳的绿化率标准。
关于绿化率的规定(%)表2.3.11.2.3.1.2.3.4.1.2.3.4.5.1.计算绿地率的绿地面积包括建筑基地内的集中绿地面积和房前屋后街坊道路两侧以及规定的建筑间距内的另星绿地面积2.在居住区内的集中绿地面积占总面积比例不得低于10%每块集中绿地面积不得少于400平米且至少有1/3绿地面积在规定的建筑间距之外3.位于浦西内环线的建筑基地难以达到上述指标可将每块面积大于100平米的屋面地栽绿化折算屋面与建筑基地的高差M有效系数%1.≤1.5702. 1.5----5.0503. 5.0----12304..≥120-来源网络,仅供个人学习参考4.不在建筑基地内的沿城市道路两侧公共绿地和绿化隔离带不得作集中绿地面积计算但中心城区由开发单位实施的沿城市道路两侧公共绿地可按50%计入建筑基地面积计算但不.大于≥建筑面积之20%。
上海市城市规划管理技术规定2007版各区段内的绿地率(含水体面积)不得小于95%,其中:除特殊需要外,水体面积在不低于现状水面率的前提下,原则控制在总用地的12%以内。
各类建筑物的占地面积不得超过各区段总规划面积的1%。
原则上生态休憩绿地范围内的建筑占地平均不超过其用地总面积的2%,其中生态休憩绿地中三个重要节点绿地的规划控制参数按《图则》要求在详细规划中研究确定。
道路、广场及停车场等占地比例原则上控制在总用地的4%以内。
上海市生态专项建设工程规划建设指导性意见与控制性图则35%,花Array园别墅≥50不应小于率)>50≤5%((((((六)公共绿地中绿化用地所占比率,应参照GJ48-92《公园设计规范》执行。
属于旧城改造区的,可对本条(一)、(二)、(四)项规定的指标降低5个百分点。
《城市绿化规划建设指标的规定》建城[1993]784号/5计算。
绿地设计规程1989-09-22-来源网络,仅供个人学习参考。
绿地率标准及规范
绿地率标准及规范是指以节约土地资源为宗旨,通过建设和保护绿地
充分利用土地资源,改善城市环境,维护城市生态,平衡城市发展的制度
规定。
主要涉及到绿地的用地面积、绿地覆盖率、绿地带宽度、绿地类型、绿地容积率等规定。
1、绿地用地面积:城市总建筑面积的绿地面积比例不低于25%,城
市公共绿地面积占城市总建筑面积的比例不低于15%,城市步行街面积不
低于100㎡/万人。
2、绿地覆盖率:建筑小区内部绿地覆盖率不低于30%;城市步行街
绿地覆盖率不低于50%;城市中心城区覆盖率不低于30%。
3、绿地带宽度:建筑小区内部绿地带宽度不低于15米;城市步行街
绿地带宽度不低于20米;城市中心城区绿地带宽度不低于30米。
4、绿地类型:绿地分为五类:公园、庭院、街道绿地、小区绿地和
其他绿地,应分别设定其绿地覆盖率、绿地容积率、绿地带宽等标准。
5、绿地容积率:建筑小区内部绿地容积率不低于0.4;城市步行街
绿地容积率不低于0.5;城市中心城区绿地容积率不低于0.5。
绿化率计算规则
绿化率是指城市中绿地面积与城市总面积之比,它是衡量城市环境质量的重要指标之一。
为了规范绿化率的计算,以下是绿化率计算规则:
1. 绿地面积的计算包括公园、绿化带、广场、绿地、花坛、草坪等绿化用地面积,但不包括树木、灌木带等“瘦身绿化”。
2. 城市总面积的计算包括城市用地、建设用地、林地、草地、水域等面积。
3. 绿化率的计算公式为:绿地面积÷城市总面积×100%。
4. 不同城市的绿化率标准不同,一般情况下,绿化率应达到30%以上。
一些特殊的城市或地区,如热带地区、水乡地区等,绿化率标准可以适当提高。
5. 绿化率可以通过现场测量和卫星遥感图像识别两种方法进行测算,但现场测量更加准确。
在进行绿化率测算时,需要考虑到绿化用地的实际情况,如绿地的形状、绿植的种类和密度等因素。
以上就是绿化率计算规则的相关内容,希望能够对大家有所帮助。
- 1 -。
绿化率计算规范版绿化率是指城市绿地面积与城市总面积的比值,是评估城市生态环境质量的重要指标之一、正确计算绿化率对于科学规划城市绿化空间、提高城市生态环境质量具有重要意义。
下面是绿化率计算的规范版本,以保证计算结果的准确性。
一、绿地范围的确定计算绿化率前首先要确定绿地范围。
绿地范围包括公园绿地、森林绿地、河湖水面、草地、绿化带等。
在确定绿地范围时,应根据地籍档案、地形地貌图以及实地勘查等方式进行测算,确保绿地范围的准确性和完整性。
二、绿地面积的测算绿地面积的测算应根据实际的地理空间数据进行,现代技术手段如卫星遥感、无人机测绘等可以提供高精度的数据,确保绿地面积的准确度。
测算绿地面积时,应注意以下几点:1.考虑绿地内各种用途的面积,例如公园绿地内的健身设施、游乐场等;2.排除不属于绿地的区域,例如绿化带中的道路和建筑物;3.公建绿地和居民小区绿地分开计算,以便更好地了解区域绿化情况。
三、城市总面积的确定城市总面积包括城市建设用地、绿地和水域面积。
城市建设用地应根据城市规划和用地总体规划确定,绿地和水域面积应通过测算和地理信息系统数据获取(如国家卫星遥感监测数据),以保证城市总面积的准确性。
四、绿化率的计算绿化率的计算公式为:绿化率=绿地面积/城市总面积×100%。
绿地面积和城市总面积的单位必须一致,通常以平方米或公顷为单位。
计算结果通常以百分比表示,可精确到小数点后两位。
五、绿化率的分析和应用绿化率的计算结果可作为评估城市生态环境质量的重要依据。
较高的绿化率通常表示城市生态环境质量较好,有利于人们的生活和健康。
绿化率也是进行城市规划和环境保护的重要参考指标,可以用来指导城市的绿化工作和生态环境改善。
绿地率和绿化率的区别与统一绿化率是指规划建设用地范围内的绿地面积与规划建设用地面积之比。
绿地率是衡量居住区绿化现状的经济技术指标。
绿地率不同于绿化覆盖率。
绿地率描述的是居住区用地范围内各类绿地的总和和居住区用地的比率(%)。
在计算绿地率时,对绿地的要求非常严格。
绿地率所指的“居住区用地范围内各类绿地”主要包括公共绿地、宅旁绿地等。
其中,公共绿地,又包括居住小游园、组团绿地以及其他的一些块状、带状绿地。
即使是最低的零散的块状、带状公共绿地也要求宽度不小于8米,面积不小于400平方米,该用地范围内的绿化面积不少于总面积的70%(含水面),至少要有1/3的绿地面积能常年受到直接的日照,并要增设部分休闲娱乐设施。
而宅旁绿地的庭院绿化的用地面积,在计算是也要求距建筑外墙1.5米和道路边线1米以内的用地,不得计入绿化用地。
此外,还有几种情况也不能计算入绿地面积,如地下车库、化粪池。
这些设施的地表覆土一般不达到3米的深度,在上面种植大型乔木,成活率较低,所以计算绿地率时不能计入“居住区用地范围内各类绿化”中;而屋顶绿化等装饰性绿化地,按目前国家的技术规范,也算正式绿地。
在房产开发过程中,政府有关的就是绿地率这一指标。
根据北京的地方规定,凡符合规划的新建区,居住小区绿地率不得低于30%,且要保证居住区内人均2平方米,居住小区人均1平方米的规模。
国家要求的指标是绿地率,绿地率不同地区多少有区别,且要求严格。
一般讲,新建小区的绿地率不低于30%,旧区改建绿地率不低于25%(参见城市居住区规划设计规范)。
建筑周边1.5米不算入绿地,道路周边1米不算入绿地,覆土深度不足的部分不算绿地——由此可见屋顶绿化是不算绿地的),嵌草停车位种植乔木间距小于等于4米且非单排种植的可算做绿地。
也就是说一个车位4角都种树才算绿地面积。
地下车库顶板覆土深度够种植大乔木,且至少有一个侧开口的算作绿地。
水体算作绿地。
计算绿地率时,校园路不用扣除。
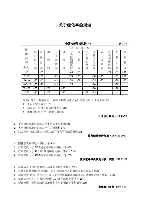
关于绿化率的规定
说明;符合下列情况之一园路及铺装场地可适当增值但不大于总面积5%
1.平面长宽比值大于3
2.面积的一半以上地形坡度大于50%
3.水体岸线总长大于面积的周边长
公园设计规范CJJ 48-92
1.小型公园绿地内建筑占地不得大于总面积3%
2.大型公园绿地内建筑占地宜为总面积5%
3.除公园外城市绿地内建筑占地不得大于陆地总面积2%
城市绿地设计规范GB 5420-2007
1.园林景观路绿地率不得小于40%
2.红线宽度大于50M的道路绿地率不得小于30%
3.红线宽度大于40-50M的道路绿地率不得小于25%
4.红线宽度大于40M的道路绿地率不得小于20%
城市道路绿化规划与设计规范CJJ 75-97
1.新建居住区内绿地面积占总面积比例不得低于35%
2.按规划成片改建扩建的居住区内绿地面积占总面积比例不得低于25%
3.新建学校医院疗休养所公共文化设施其附属绿地面积占总面积比例不得低于35%
4.新建工业园区其附属绿地面积占总面积比例不得低于20%
5.新建地面主干道红线内绿地面积占总面积比例不得低于20%
上海绿化条例2007 1 17 1.计算绿地率的绿地面积包括建筑基地内的集中绿地面积和房前屋后街坊道路两侧以及规定
的建筑间距内的另星绿地面积
2.在居住区内的集中绿地面积占总面积比例不得低于10% 每块集中绿地面积不得少于400平米
且至少有1/3绿地面积在规定的建筑间距之外
3.位于浦西内环线的建筑基地难以达到上述指标可将每块面积大于100平米的屋面地栽绿化折算
屋面与建筑基地的高差M 有效系数%
1. ≤1.5 70
2. 1.5----5.0 50
3. 5.0----12 30
4. .≥12 0
4. 不在建筑基地内的沿城市道路两侧公共绿地和绿化隔离带不得作集中绿地面积计算但中心城
区由开发单位实施的沿城市道路两侧公共绿地可按50%计入建筑基地面积计算但不.大于≥建筑面积之20%。
上海市城市规划管理技术规定2007版
各区段内的绿地率(含水体面积)不得小于95%,其中:除特殊需要外,水体面积在不低于现状水面率的前提下,原则控制在总用地的12%以内。
各类建筑物的占地面积不得超过各区段总规划面积的1%。
原则上生态休憩绿地范围内的建筑占地平均不超过其用地总面积的2%,其中生态休憩绿地中三个重要节点绿地的规划控制参数按《图则》要求在详细规划中研究确定。
道路、广场及停车场等占地比例原则上控制在总用地的4%以内。
上海市生态专项建设工程规划建设指导性意见与控制性图则
总体规划指标控制:居住绿地占住宅建设项目用地总面积的比例(绿地率)为一般住宅≥35%,花园别墅≥50%,其中用于建设公共绿地面积不得低于建设项目用地总面积的10%。
每块集中绿地的面积不应小于400m2,且至少有l/3的绿地面积在规定的建筑间距范围之外。
绿化覆盖面积(绿化覆盖率) >50%。
垂直绿化面积达到总绿地面积的20%。
可供居民进入活动休息绿地面积≥30%总绿地面积。
各种元素指标控制:合理控制各项指标,其中道路地坪面积≤15%总绿地面积,硬质景观小品面积≤5%总绿地面积,软底水体面积一半控制在绿地总面积的10%—20%,绿化种植面积≥70%总绿地面积。
上海市新建住宅环境绿化建设导则
第五条城市绿地率,是指城市各类绿地(含公共绿地、居住区绿地、单位附属绿地、防护绿地、生产绿地、风景林地等六类)总面积占城市面积的比率。
计算公式:城市绿地率(%)=(城市六类绿地面积之和÷城市总面积)X100%。
城市绿地率到2000年应不少于25%,到2010年应不少于30%。
为保证城市绿地率指标的实现,各类绿地单项指标应符合下列要求:
(一)新建居住区绿地占居住区总用地比率不低于30%。
(二)城市道路均应根据实际情况搞好绿化。
其中主干倒绿带面积占道路总用地比率不于
20%,次干道绿带面积所占比率不低于15%。
(三)城市内河、海、湖等水体及铁路旁的防护林带宽度应不少于30米。
(四)单位附属绿地面积占单位总用地面积比率不低于30%,其中工业企业;交通枢纽,仓储、商业中心等绿地率不低于20%;产生有害气体及污染工厂的绿地率不低于30%,并根据国家标准设立不少于50米的防护林带;学校、医院、休疗养院所、机关团体、公共文化设施、部队等单位的绿地率不低于35%。
因特殊情况不能按上述标准进行建设的单位,必须经城市园林绿化行政主管部门批准,并根据《城市绿化条例》第十七条规定,将所缺面积的建设资金交给城市园林绿化行政主管部门统-安排绿化建设作为补偿,补偿标准应根据所处地段绿地的综合价值所在城市具体规定。
(五)生产绿地面积占城市建成区总面积比率不低于2%。
(六)公共绿地中绿化用地所占比率,应参照GJ48-92《公园设计规范》执行。
属于旧城
改造区的,可对本条(一)、(二)、(四)项规定的指标降低5个百分点。
《城市绿化规划建设指标的规定》建城[1993]784号
第2.0.7条绿地内生活、生产、服务及亭、廊、花架等建筑设施应和环境协调,占地面积之和不得大于绿地总面积的2%,花架面积以花架最外边线范围l/5计算。
绿地设计规程1989-09-22。