农田水利渠道流量设计
- 格式:doc
- 大小:968.00 KB
- 文档页数:16
第四章渠道灌溉系统§1灌排渠系规划布置灌溉系统是指从水源取水并输送分配到田间的灌溉工程。
按输水方式的不同可分渠道灌溉系统和管道灌溉系统两大类。
本章介绍渠道灌溉系统。
管道灌溉系统将在第五章中介绍。
一、灌排渠系的组成及布置原则(一)灌排渠系的组成1、灌溉系统:(1)渠首工程(2)灌溉渠道:干、支、斗、农渠等固定渠道(3)渠系建筑物(4)田间渠系工程:毛渠(临时渠道)、灌水沟哇等2、排水系统(1)田间排水工程:毛沟、腰沟、墙沟等(2)排水沟:干、支、斗、农沟(3)排水建筑物:排水闸、涵、站等(4)排水容泄区:大江、大湖、大海等(二)灌排渠系的布置的原则(1)满足作物灌排要求。
1)渠道应布置有高处,排水沟应布置在低处。
2)渠道和排水沟的长度和间距应当适宜,保证灌得上排得出。
(2)灌溉渠道必须与排水沟统一规划布置在规划布置渠道时,必须同时考虑到排水沟的位置,在平原地区、圩区,渠道一般要服从排水沟布置(因为在平原地区,排水问题更为突出)。
(3)安全可靠如渠道要避免深挖高填,山丘区渠系上方必须修撇洪沟(截洪沟)。
(4)经济合理渠道要尽量短直,以减少土方量;要尽量减少压占耕地;排水沟要尽量利用天然河道。
(5)便于管理便于用水管理和工程管理,布置时要考虑行政区划;也要考虑机耕方便;建筑物尽量联合修建,形成枢纽,以便于管理。
(6)综合利用如渠道落差较大可布置水电站,较大的渠道或排水沟要考虑通航,水产养殖等。
二、丘陵山区灌排渠系的规划布置山丘区的水利特点是:排水比较通畅,但干旱问题比较突出。
在山丘区虽然可以修建水库塘坝蓄水灌溉,但是由于其蓄水能力有限,因此干旱问题是山丘区的主要水利问题。
因此山丘区灌排渠系的布置,以灌渠道布置为重点。
山丘灌溉渠道布置的关键是布置干渠。
(一)干渠的两种布置形式(1)干渠沿等高线布置(2)干渠垂直于等高线布置(二)支、斗、农渠布置支渠垂直于干渠,其间距由地形条件决定。
斗渠间距一般为:400〜800m农渠间距一般为:100〜200m两种布置形式:(1)灌排相邻适用于单一坡向地形(2)灌排相间适用于平坦,或有微起伏能渠道建筑物规划布置渠系建筑物指与渠道或排水沟配套的水闸、涵洞、桥梁、渡槽、倒虹吸、跌水、陡坡等建筑物。
农田水利灌溉渠道工程设计分析发布时间:2022-10-09T07:46:11.288Z 来源:《城镇建设》2022年第10期5月作者:胡浪[导读] 我国国土面积广大,农田众多,农田水利灌溉渠道工程建设也在不断增加胡浪深圳市水务规划设计院股份有限公司贵州分公司,贵州省贵阳市550000摘要:我国国土面积广大,农田众多,农田水利灌溉渠道工程建设也在不断增加。
为确保农田水利灌溉渠道工程建设质量,帮助农业水利实现长远发展,必须注重水利工程设计质量,对设计要点进行科学规划,并将设计方案严格落实,确保灌溉渠道的应用良好。
本文首先分析了农田水利灌溉工程规划设计标准,其次探讨了农田水利规划设计中存在的问题,最后就农田水利灌溉渠道工程设计进行研究,以供参考。
关键词:农田水利;灌溉渠道;工程设计引言农业产业化发展离不开农田水利工程建设,农业可持续发展离不开水利灌溉渠道工程的保驾护航。
随着农业的快速发展,粮食产量不断提高,农田水利灌溉技术也不断发展。
在农业技术创造产能的过程中,要不断加强农田水利灌溉工程建设和管理工作,保障农田灌溉工作顺利开展的同时节约水资源。
但当前农田水利灌溉工程运行管理存在一些问题,须完善管理措施。
1农田水利灌溉工程规划设计标准在对农田水利灌溉工程进行规划设计时,需要对当地的气候、降水量等因素进行综合考量。
不同的季节降水量不同,河流径流量也存在很大的不同。
农作物种类、需水量也会随着季节变化出现不同的特征。
因此,在对农田水利灌溉工程进行规划设计时,要结合具体情况,制定科学合理的灌溉设计标准。
通常情况下,设计标准的确定要对以下因素进行综合考虑,如灌区水源来水情况、现有水利设施情况、农作物具体种植情况、当地经济发展水平等,保障农业灌溉水的充足,满足实际的灌溉水需求,只有这样才能明确灌溉工程建设规模。
2农田水利规划设计中存在的问题2.1设计规划准备不足在农田水利规划设计中需要遵循合理性原则,做到因地制宜,需要对地质资料、水文资源、地形资源进行全面搜集,在此基础上进行方案的设计。
介绍农田水利小型排灌渠道流量计算方法和步骤秦长庚在水利建筑工程设计和施工中常遇到流量计算问题,农田水利小型排灌渠道、排灌涵闸流量计算,是根据水流的过水断面形状和水流流态不同进行的流量计算方法也不一样,渠道过水断面是根据各地的土质情况确定,土质坚硬的一般以梯型、矩型为主,也有采用建筑物工程的圆型过水断面,水闸流量计算是根据进水闸的水流流态形式情况进行流量计算的,本次主要是以梯型断面为例介绍流量计算方法和计算步骤。
小型农田排灌渠道是由渠底宽度,渠道边坡和渠道安全超高,渠道堤顶宽度组成,渠道流量计算在平原湖区是大都采用《明渠均匀流计算公式》计算,明渠均匀流是水流在渠道中流动,各断面的水深、断面平均流速和流速分布都沿流向不变,这种水流状况称为明渠均匀流。
明渠均匀流的流量计算公式为Q W C . R i计算公式中各符号表示为;Q 流量m3/sW过水断面W2C谢才系数C - R g nR水力半径R Wxi渠道纵坡n糙率求公式中的各项数据,首先要计算出渠道断面的水力要素如下表;渠道断面的水力要素表例;某地计划开挖一条排灌渠道,渠道断面形状为梯形断面,设计该渠道底宽b=4m,边坡m=1:2,渠道内正常过水深h=2.5m,渠底纵坡i=1/1000,渠道边坡糙率i=0.025.计算该排灌渠道可通过最大流量为:3Q m / s计算步骤;1.过水断面计算3. 水力半径计算4. 谢才系数计算1.120'225 1.025R g 1.120.225g 15. n 1.5 0.15 0.2255. 流量计算Q W C . R i 22.5 44.44.1.12 0.00134.32m 3/S该排灌渠道设计的过水断面可通过34.32m 3 / SW (b m 2h) h(4 2 2.5) 2.5 22.50 m 22.湿周计算x b 2m .1224 2 2.5 ,12220.12R _(b_mh)h_2 2h 122 (4 2 2.50 2.52 2 2.51 22空 1.1220.12。
灌区农田水利渠道设计及施工在农业生产中,灌区农田水利渠道起着至关重要的作用,它直接关系到农田的灌溉效率、水资源的合理利用以及农作物的生长状况。
因此,科学合理的设计和高质量的施工是确保水利渠道发挥最佳效益的关键。
一、灌区农田水利渠道设计1、规划与布局在进行水利渠道设计之前,需要对灌区进行全面的规划和布局。
首先,要了解灌区的地形地貌、土壤类型、农作物种植结构以及水源情况等。
根据这些因素,确定渠道的走向、长度和分布,以实现水资源的最优分配和灌溉覆盖面积的最大化。
2、流量计算准确计算渠道的流量是设计的重要环节。
流量的大小取决于灌区的面积、农作物的需水量、灌溉方式以及灌溉时间等因素。
通过合理的计算,可以确定渠道的断面尺寸,保证在灌溉高峰期能够满足农作物的用水需求,同时避免渠道过大造成浪费和成本增加。
3、渠道断面设计渠道断面的形状和尺寸直接影响水流的速度和阻力。
常见的渠道断面形状有梯形、矩形和 U 形等。
梯形断面在施工和维护上较为方便,矩形断面过水能力较大,U 形断面则具有较好的水力性能和抗冲刷能力。
在设计时,需要综合考虑各种因素,选择合适的断面形状,并根据流量计算结果确定断面的尺寸。
4、渠道衬砌设计为了减少渠道的渗漏损失,提高水资源的利用率,通常需要对渠道进行衬砌。
衬砌材料有混凝土、预制板、砖石等。
混凝土衬砌具有强度高、耐久性好的优点,但成本相对较高;预制板衬砌施工方便,但整体性较差;砖石衬砌成本较低,但抗渗性能一般。
在选择衬砌材料时,要根据工程的实际情况和投资预算进行综合考虑。
5、附属建筑物设计水利渠道的附属建筑物包括分水闸、节制闸、渡槽、涵洞等。
这些建筑物的设计要满足渠道的运行管理和安全要求。
分水闸和节制闸用于控制渠道的流量和水位,渡槽用于跨越河流、道路等障碍物,涵洞用于穿越填方路段或排水。
二、灌区农田水利渠道施工1、施工准备在施工前,要做好充分的准备工作。
包括测量放线、场地清理、材料准备、设备调配等。
农田水利渠道流量设计农田水利渠道流量设计是农田水利工程设计中的重要环节,准确合理地确定渠道流量,对于农田灌溉、排水和农田水土保持具有重要意义。
本文将从渠道流量的确定方法、设计要点和常见问题等方面进行详细介绍,以帮助读者更好地进行农田水利渠道流量设计。
一、渠道流量的确定方法1.经验公式法经验公式法是根据历史数据和实际应用经验得出的流量计算公式。
这种方法简单快捷,适用于初步设计和小型工程的流量估算。
常用的经验公式有曼宁公式、切耳喷水公式等。
2.基于水平线法基于水平线法是通过划分测点矩形面积的方法来确定流量。
通过测定测点之间的水位差和水尺准高点的高度差,再做计算和推导,可以得出渠道的流量。
3.剖面法剖面法是通过测定渠道剖面的底宽和水位高程,再根据流量计算公式计算出流量。
这种方法适用于渠道流量较大的情况,需要较为精确的测量和计算。
4.水型比例法水型比例法是通过基准渠道的实测流量和水型参数,结合设计渠道的水型尺寸,来确定设计渠道的理论流量。
这种方法适用于规模相对较大的渠道工程设计。
以上方法是常见的渠道流量确定方法,可以根据具体情况选择合适的方法进行。
二、渠道流量设计要点在进行渠道流量设计时,需要考虑以下几个要点。
1.确定设计标准根据灌溉或排水的要求,确定设计标准。
例如,灌溉渠道可以根据作物水需求和灌溉制度确定标准流量;排水渠道可以根据土壤渗透系数和排水能力确定标准流量。
2.考虑渠道形状和尺寸根据渠道的形状和尺寸,计算渠道的水力半径和水力坡度,以确定流量。
同时,要考虑渠道的抗风能力和排涝能力等因素,选择适当的形状和尺寸。
3.充分利用水资源在确定渠道流量时,要充分考虑水资源的有效利用,避免水浪费和水资源的过度利用。
可以通过灌溉制度、节水技术和水发电等手段来提高水资源利用效率。
4.考虑渠道特性和环境因素在设计渠道流量时,要考虑渠道特性和环境因素,如土壤类型、坡度、降雨特点等。
根据不同的特性和因素,选择合适的设计方案和流量计算方法。
农田水利工程设计中的渠道设计与施工管理随着农业现代化的推进和农田水利工程的不断发展,渠道设计与施工管理成为农田水利工程的重要组成部分。
渠道设计和施工管理直接影响农田水利工程的效益和稳定运行,因此在农田水利工程中起着至关重要的作用。
本文将从渠道设计和施工管理两个方面进行探讨,以期为农田水利工程的发展提供一些思路和借鉴。
一、渠道设计1. 渠道设计的基本原则渠道设计是农田水利工程的核心环节,渠道设计的合理性和科学性直接影响着农田水利工程的效益和运行情况。
在进行渠道设计时,需要遵循以下几个基本原则:(1)充分考虑排水和蓄水的需要:在农田水利工程的渠道设计中,需要充分考虑农作物生长的需水量和灌溉排水的需要,确保农田水利工程的渠道可以满足不同季节的灌溉和排水需求。
(2)结构合理、坚固耐用:渠道设计中的结构应该合理坚固,确保在不同气候条件下可以正常运行,并且具有一定的耐用性,减少后期的维护成本。
(3)合理施工、方便维护:渠道设计需要考虑到方便施工和维护,避免设计过于复杂,增加施工和维护的难度和成本。
在进行渠道设计时,需要考虑以下几个要点:(1)渠道的流量计算:根据农田水利工程的具体情况和需水量,确定渠道的流量计算,确保可以满足农作物的灌溉需求。
(3)渠道的深度和坡度设计:根据灌溉需要和地形状况,设计渠道的深度和坡度,确保灌溉水能够顺利流到田间地头。
(4)渠道的防渗和防冲设计:针对不同的地质情况,设计渠道的防渗和防冲措施,确保渠道的稳定和安全。
以某地的灌溉渠道设计为例,该地区气候炎热干燥,农作物对水的需求量大,因此需要设计一条高效的灌溉渠道。
渠道的横断面采用梯形设计,深度和坡度根据实际情况进行调整,渠道的防渗和防冲措施采用混凝土加固,确保渠道的稳定和安全。
通过这样的设计,该区域的农田水利工程效益得到了显著提升。
二、施工管理施工管理是农田水利工程的重要环节,对于保障工程质量和进度具有重要意义。
在进行施工管理时,需要遵循以下几个基本原则:(1)科学规划和合理布局:在进行施工管理时,需要进行科学规划和合理布局,统筹安排资源和人力,确保施工的高效进行。
试析农田水利工程设计中的渠道设计与施工管理要点农田水利工程设计中的渠道设计与施工管理是保障农田水利工程安全运行的关键环节。
渠道设计方案应充分考虑农田植被、水土保持等因素,施工管理应做好与设计方案的对接、施工进度的控制以及现场安全等方面。
1. 渠道设计要点(1)渠道宽度设计渠道宽度应根据该渠道的设计流量和所需极端流量来确定,不可过宽也不可太窄。
一般来说,渠底宽度应该大于等于1.2米,渠坡陡度不宜超过3‰。
在渠道设计中,应尽量保证斜坡加长,减少断面变化,提高渠道的流速,减少水流的阻力,提高渠道的输水能力。
(2)防洪能力设计渠道的设计中应充分考虑防洪能力,目的是保证洪水能够顺畅地流经渠道。
设计中需要考虑最大径流量、最大洪水位等因素,在设计中设置防洪措施来协助渠道的设计。
(3)渠道材料选择渠道材料应选择具有良好耐候性、防腐性和耐酸碱性的材料。
通常情况下,进行蓄水的大型渠道应选用混凝土或石材。
而普通渠道则可选用水泥砖、混凝土或防腐木材等材料。
(4)水工结构设计在设计渠道时,还需要考虑到水工结构的选用,以保证水流的顺畅和稳定。
此时,可设计渠道头、渠道坝等水工结构,保证渠道水流的顺畅和稳定。
2. 施工管理要点(1)对接设计方案在施工前,必须对设计方案进行充分的了解与研究,尤其是对渠道的断面尺寸、渠底比陡度、渠身走向和坡度等基本参数应了解清楚,确保施工进度的顺利。
(2)控制施工进度在施工过程中,应及时管控施工进度,根据不同施工阶段的需要,确保施工的合理性。
此时,应重点关注作业人员的工作效率和材料的及时供应。
避免施工成本的不必要增加以及施工难度的不必要加重。
(3)现场安全管理在渠道施工现场,一定要加强安全管理,要求作业人员做好安全防护工作,并制定现场安全规章制度。
这样可以避免在施工过程中发生意外伤害事故,确保施工人员的生命安全。
同时,对现场材料的使用、存放、投放等都应加强规范管理,不允许出现乱抛杂散,货物堆放紊乱等不规范行为。
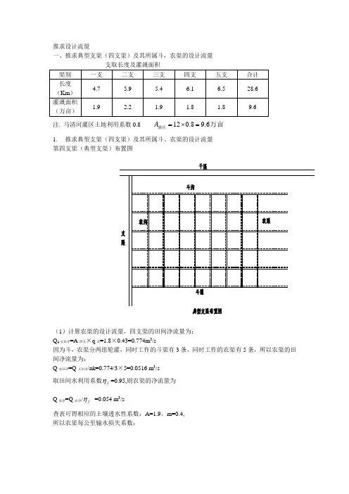
推求设计流量一、推求典型支渠(四支渠)及其所属斗,农渠的设计流量注. 马清河灌区土地利用系数0.8 120.89.6A =⨯=灌区万亩 1. 推求典型支渠(四支渠)及其所属斗、农渠的设计流量 第四支渠(典型支渠)布置图(1)计算农渠的设计流量,四支渠的田间净流量为: Q 4支田净=A 四支×q 设=1.8×0.43=0.774m 3/s因为斗,农渠分两组轮灌,同时工作的斗渠有3条,同时工作的农渠有5条,所以农渠的田间净流量为:Q 农田净=Q 支田净/nk=0.774/3×5=0.0516 m 3/s 取田间水利用系数f η=0.95,则农渠的净流量为 Q 农净=Q 农净/f η =0.054 m 3/s查表可得相应的土壤透水性系数:A=1.9,m=0.4, 所以农渠每公里输水损失系数:σ农=A/100Q m 农净=0.41.91000.054⨯=0.061m 3/s 所以农渠的设计流量为:Q 农毛=Q 农净(1+σ农 L 农)=0.054(10.0610.8)⨯+⨯=0.057 m 3/s (L 农 =0.8千米) (2)计算斗渠的设计流量,因为一条斗渠内同时工作的农渠有5条,所以斗渠的净流量等于5条农渠的毛流量之和: Q 斗净=5×Q 农毛=5×0.057=0.285 m 3/s农渠分两组轮灌。
各组要求斗渠供给的净流量相等,但是,第Ⅱ组轮灌组距斗渠进水口较远,输水损失较多,据此求得斗渠毛流量较大,以第Ⅱ组轮灌组灌水时需要的斗渠毛流量作为斗渠的设计流量。
斗渠的平均工作长度L 4=1.8Km因为斗渠每公里输水损失系数为σ斗= A/100Q m 斗净=0.0314所以斗渠的设计流量为:Q 斗毛=Q 斗净(1+σ斗 L 斗)=0.301 m 3/s(3)计算四支渠的设计流量;斗渠也是分两组轮灌,以第Ⅱ轮灌组要求的支渠毛流量作为支渠的设计流量,支渠的平均工作长度L 支=4.9Km 支渠的净流量为:Q 支净=3×Q 斗毛=0.903 m 3/s支渠每公里输水损失系数:σ支 = A/100Q m 支净=0.0198支渠的毛流量为:Q 四支毛=Q 四支净(1+ σ支L 四支)=0.991 m 3/s 2. 计算四支渠的灌溉水利用系数0.7740.991Q Q η===三支田净三支水三支毛0.783. 计算其他支渠的设计流量1) 计算其他支渠的田间净流量 Q 1支田净=1.9×0.43=0.817m 3/s Q 2支田净=2.2×0.43=0.946m 3/s Q 3支田净=1.9×0.43=0.817m 3/s Q 5支田净=1.8×0.43=0.774m 3/s2) 计算其他支渠的设计流量 以典型支渠(四支渠)的灌溉水利用系数作为扩大指标,用来计算其他支渠的设计流量。
浅谈小型农田水利渠道工程设计【摘要】农田水利工程的设计整个过程中具有举足轻重的作用,所以科学地设计和合理地进行施工是保证农田灌溉顺利进行的一个根本保障。
文章结合工程实例对农田水利渠道工程的设计及施工进行了探讨。
【关键词】农田水利;灌溉渠;设计1.引言随着社会经济的快速发展,如何利用新技术、新材料使我国农业经济提升一个新的台阶,是我国目前着力研究发展的重要课题之一。
而对于农田来说,其中的水利渠道是至关重要的组成部分,它不仅能够保证农业灌溉能够最为科学、合理,而且对于排涝等都有着相当积极的意义。
然而目前的农田水利渠道建设情况却不容乐观,一些年久失修、设计布置不合理的传统水利渠道仍然占了我国农田水利渠道的绝大多数。
因此我们应从设计入手,将科学、合理的水利渠道施工应用于我国农田之中。
2.农田水利渠道设计原则在进行灌溉渠系规划时,要把当地的国土整治,水、田、林、路的规划密切结合,同时还要考虑其他用水部门如发电、人畜饮水的需要,全面安排,统筹兼顾,做到科学合理,便于管理,充分利用水土资源,扩大灌溉面积,最大限度地实现经济效益和社会效益的完美结合。
其规划布置一般应遵循下述基本原则:(1)灌溉渠道在设计时要保证灌溉用水的单位水量能够实现最大效益,也就是说要提高单位水量的灌溉面积与灌溉效果。
(2)灌溉渠道要与防洪、除涝、排渍、航运、水电以及城市的工业生产、居民生活用水相结合,符合城市发展的要求,使干旱和洪涝灾害能够得到综合治理。
(3)灌溉渠道设计要在保持灌溉区域水资源平衡的基础上,对灌溉效益进行分析,然后选定合适的灌溉渠道设计方案。
(4)对灌区的水资源进行开发利用要符合灌区所在流域的水利规划方案,并且要以满足灌区的生态环境保护为原则,以当地的实际状况为基准,对灌区的地表水和地下水进行综合利用;同时蓄水、引水和排水相结合,渠道,沟渠,水塘、水库等多个储水措施以及其他合理的方式进行联合利用,对灌区所拥有的水资源进行充分利用,提高水的利用率,扩大灌溉面积。
灌溉渠道流量计算方法的农田水利与灌溉技术一、引言灌溉是农田水利与灌溉技术中的重要方面,而灌溉渠道流量计算方法则是灌溉系统设计和管理中必不可少的一环。
本文将介绍一些常用的灌溉渠道流量计算方法,帮助农田水利工作者更好地进行灌溉渠道的设计和管理。
二、比降法比降法是一种常用的灌溉渠道流量计算方法。
它基于水流在渠道中不受阻碍的假设,通过计算单位长度的水头落差和单位长度的水流速度来确定流量。
其计算公式如下:Q = A * V其中,Q表示流量,A表示渠道横截面积,V表示平均流速。
比降法的优点在于简单易懂,计算过程直观,适用于直线渠道和均匀截面渠道。
但是,比降法没有考虑到渠道形状和摩擦阻力等因素,因此在实际应用中,需要根据实际情况进行修正。
三、曼宁公式曼宁公式是一种基于渠道形状和摩擦阻力的流量计算方法。
曼宁公式的计算公式如下:Q = (1.49/n) * A * R^(2/3) * S^(1/2)其中,Q表示流量,A表示渠道横截面积,R表示湿周,S表示水面比降,n表示曼宁粗糙系数。
曼宁公式考虑了渠道的形状和摩擦阻力,在实际应用中更加准确。
但是,需要注意的是,曼宁公式的精度较低,误差较大。
因此,在进行灌溉渠道流量计算时,需要结合实际情况进行修正,以提高计算结果的准确性。
四、流速积分法流速积分法是一种基于流速测量的流量计算方法。
通过在渠道中测量多个点的流速,并将其积分,可以得到渠道的总流量。
流速积分法的计算公式如下:Q = ∫(A * V)dt其中,Q表示流量,A表示渠道横截面积,V表示流速,t表示时间。
流速积分法的优点在于通过实测数据来计算流量,更加准确。
但是在实际应用中需要采用适当的仪器来进行流速测量,同时需要注意采样点的选择和测量误差的修正。
五、结论灌溉渠道流量计算是农田水利与灌溉技术中的重要内容。
本文介绍了比降法、曼宁公式和流速积分法三种常用的流量计算方法。
比降法简单易懂,适用于直线渠道和均匀截面渠道;曼宁公式考虑了渠道形状和摩擦阻力,计算结果更准确;流速积分法通过实测数据计算流量,准确性更高。
[农田水利学]灌溉渠道流量推算第三节灌溉渠道流量推算一、渠道流量概述1 、设计流量在灌溉设计标准下为满足灌溉要求而要求的最大流量设计流量是渠道的毛流量是确定渠道断面和建筑物尺寸的主要依据。
2、最小流量设计标准下,渠道发生的最小流量出现最下灌水定额时发生;用于水位校核和节制闸位置确定发生最小流量时,如果下级渠道最小流量时水位低于上级渠道水位,不需要节制闸,否则需要节制闸抬高水位保证下游正常取水。
当最小流量过小时,可通过缩短灌水延续时间的方法增加之。
3、加大流量考虑其他因素可能出现的附加流量而将设计流量适当扩大灌溉面积扩大种植结构调整降雨径流用于渠道堤定高程确定二、渠道水量损失 1、水量损失的原因渠床渗漏闸门漏水渠道退水蒸发损失人为因素 2、影响水量损失的因素工程质量渠道土质、衬砌材料管理水平我国 0.5 左右,每年渗漏水量约2 000 亿 m3 。
节水规范:大型灌区不应低于 0.55 ;中型灌区不应低于 0.65 ;小型灌区不应低于 0.75 ;井灌区采用渠道防渗不应低于 0.9 ,采用管道输水不应低于 0.95 。
国外先进国家可达到 0.7 - 0.8 以上 3、水量损失计算渠道毛流量计算 Q 毛=Q净+Q损 Q 损=σ×L×Q 净渠道的设计流量是渠道的毛流量。
4、利用经验系数估算输水损失 1)渠道水利用系数η c=Qn/Qg C-channal,g-gross, n-net 反映一条渠道的损失情况,或同一级渠道的平均损失情况 2 )渠系水利用系数η s= η干×η支反映灌溉渠系的损失情况 3)田间水利用系数灌入田间的有效水量与末端固定渠道放水量之比。
与灌水方法和田间工程状况有关;是反映灌水技术水平的重要指标;η f=A*m/W 净4 )灌溉水利用系数η水=η f×η s 三、渠道工作制度 1、续灌在一次灌水延续时间内,渠道连续输水干渠、支渠多采用续灌优点:可以使得用水单位受益均匀避免水量过于集中,减少渠道规模,便于组织生产 2、轮灌同一级渠道在一次灌水延续时间内轮流供水一般用于斗渠和农渠在发生最小流量时(支渠流量较小时),支渠可能轮灌优点缩短渠道的输水时间,水量集中,减少水量损失田间渠道流量大,利于提高灌水效率和灌水效果缺点渠道流量大,工程量大影响渠道的均衡受益四、渠道设计流量推算 1. 轮灌渠道;流量推算 1) 根据轮灌组划分,自上而下确定末级续灌渠道的田间净流量(不计水量损失需要的流量 ) A :末级续灌渠道一般为支渠 Q 支田净 =A 支×q 设 B:确定支渠控制的每条农渠的田间净流量轮灌中只有部分农渠同时供水 Q 农田净=Q支田净/( n×K) C :自下而上推算各级渠道的设计流量渠道的净流量等于其控制的同时灌溉的下级渠道的毛流量之和该渠道的设计流量=净流量+渠道损失水量损失水量可用经验公式计算,亦可利用经验系数估算,得到各级渠道的渠道水利用系数。
渠道流量计算项目区为支、斗、农三级渠系,其灌溉方式为轮灌。
根据项目区农作物组成、灌溉制度,按《灌溉与排水工程设计规范》(GB50288-99)进行灌水率的计算,以累计20~30d以上的最大灌水率为设计灌水率。
根据《农田水利学》,根据调查统计,大面积水稻灌区(万亩以上)的设计灌水率一般为0.45~0.6m3/(s·万亩);水旱田均有的大中型灌区,其综合净灌水率可按水旱田比例加权平均求得。
对于控制灌溉面积较小得斗、农渠(灌溉面积几十亩到上千亩),常要在短时间内集中灌水,故其设计净灌水率远较上述经验数字为大。
本次设计支渠净灌水率属于控制灌溉面积较小得灌区。
需在短时间内集中供水。
根据要求并结合灌区实际情况,经调整,项目区设计灌水率确定为0.392m3/(s·万亩)。
灌水率见下图:灌水方式:本次设计二支渠上斗渠灌水方式采用轮灌进行灌溉,二支渠共控制二支一斗、二支一分斗、二支二斗、二支三斗、二支三分斗、二支四斗、二支五斗7条斗渠。
根据七十团条田分布图以及七十团建场时土地规划设计,分为三个轮灌组,具体分组情况见下表:二支渠轮灌组划分表每条斗渠分两次灌完,斗渠上农渠轮灌组划分详见二支渠各轮灌组农渠流量计算表。
根据《农田水利学》有关公式推求各级渠道设计流量:(1)计算农渠流量:推求二支渠田间净流量为:Q支田净=A二支×q设Q支田净:为二支渠田间净流量,m3/s;A二支:二支渠控制灌溉面积,为1.7665万亩;q设:设计灌水率,为0.392m3/(s·万亩)Q支田净=0.392×1.7665=0.692(m3/s)因为二支渠分为三个轮灌组,所以每个轮灌组农渠田间净流量为:Q农田净=Q支田净/(n×k)Q农田净: 为农渠田间净流量,m3/s;n:同时工作斗渠数;k:每条斗渠上同时工作农渠数;考虑二支渠斗渠上农渠数不一致,本次设计(n×k)即为每个轮灌组同时工作农渠数。
介绍农田水利小型排灌渠道流量计算方法和步骤秦长庚在水利建筑工程设计和施工中常遇到流量计算问题,农田水利小型排灌渠道、排灌涵闸流量计算,是根据水流的过水断面形状和水流流态不同进行的流量计算方法也不一样,渠道过水断面是根据各地的土质情况确定,土质坚硬的一般以梯型、矩型为主,也有采用建筑物工程的圆型过水断面,水闸流量计算是根据进水闸的水流流态形式情况进行流量计算的,本次主要是以梯型断面为例介绍流量计算方法和计算步骤。
小型农田排灌渠道是由渠底宽度,渠道边坡和渠道安全超高,渠道堤顶宽度组成,渠道流量计算在平原湖区是大都采用《明渠均匀流计算公式》计算,明渠均匀流是水流在渠道中流动,各断面的水深、断面平均流速和流速分布都沿流向不变,这种水流状况称为明渠均匀流。
明渠均匀流的流量计算公式为⋅=Q⋅⋅CiRW计算公式中各符号表示为;糙率渠道纵坡水力半径谢才系数过水断面流量===========n i x w RR R n C C W W sm Q g 1/23求公式中的各项数据,首先要计算出渠道断面的水力要素如下表;渠道断面的水力要素表例;某地计划开挖一条排灌渠道,渠道断面形状为梯形断面,设计该渠道底宽b=4m, 边坡m=1:2,渠道内正常过水深h=2。
5m , 渠底纵坡i=1/1000, 渠道边坡糙率i=0.025。
计算该排灌渠道可通过最大流量为:s m Q /3= 计算步骤;1. 过水断面计算250.225.2)5.224()2(m h h m b W =⨯⨯+=⋅⋅+=2. 湿周计算12.20215.22421222=+⋅⨯+=++=m b x3. 水力半径计算12.112.2050.22215.2225.250.224(2122)(22==+⨯⨯+⨯⨯+=+++=h hmh b R 4. 谢才系数计算025.112.10225.011225.0=⨯==g R n C 225.012.1=g R225.015.05.15.1=⨯==n g5. 流量计算S m i R C W Q /32.34001.012.144.445.223=⨯⨯⨯=⋅⋅⋅= 该排灌渠道设计的过水断面可通过S m /32.343。
农田水利灌溉渠道工程设计分析摘要:加强水利工程建设质量能有效促进农业发展。
因此,研究水利工程设计方案的科学性和合理性非常重要。
不同农田区域的总种植面积、作物种类、天气环境等因素不同,导致水源灌溉需求存在差异。
为了保证农田灌溉的科学合理性,必须根据本地区的实际情况,科学地设计灌溉工程,以加强工程的实际应用效果。
关键词:农田水利;灌溉渠道工程;设计引言农田水利工程渠道设计的质量将直接影响农田水利工程的运行效率。
科学设计水利渠道,加强建设过程中的技术管理,达到农田防洪的目的,综合研究农田水利工程渠道设计,利用相关管理措施,促进农业产业的可持续发展。
1农田水利工程中渠道设计基本原则分析农田水利工程渠道设计的首要任务是满足农业发展过程中对灌溉水源的需求。
一般情况下,农田灌溉水利渠道的设计需要以地形为基础,以保证目标区域农田用水效率,使工程造价最小化。
因此,在实际的水利工程设计过程中,设计单位人员需要在施工前对目标水利工程施工区域进行实地勘察,重点勘探目标施工区域的地形,并通过图纸和计算机模型技术呈现数据。
同时,农田水利工程的渠道设计还应充分考虑区域内农田的分布格局和居民区的密度,践行“以人为本”的设计理念,合理规划渠道路线布置,保证农田获得有效灌溉水源的同时,避免施工与日常运营噪声对周边农户生活造成影响。
现阶段,随着我国现代化建设的不断推进,我国在农田水利建设方面中获得突破,节水灌溉技术与农田水利工程渠道设计相结合,充分体现了农业可持续发展理念,也能发挥出农田水利工程的作用。
在目前的农田水利工程设计过程中,施工单位建设团队应当与有关部门及时沟通,申请地方政府给予更多环保技术与资金的支持,同时在施工过程中也要充分考虑工程对地方环境的影响,保证工程具有良好的环境效益及经济效益。
2农田水利灌溉渠道工程设计要点2.1 水利渠道的设计材料首先,为保证农田反排污水的正常使用,必须选择物美价廉的建筑材料。
其次,要选择实用性高、机构坚固耐用的设计材料。
农田水利工程设计中的渠道设计与施工管理牛雪峰发布时间:2021-05-20T11:21:46.017Z 来源:《基层建设》2021年第2期作者:牛雪峰[导读] 摘要:我国是农业大国,农业经济在国民经济中占据了重要的地位。
近年来,国家十分重视发展乡村产业,加大了农业生产现代化投入,我国农村经济水平得到了一定的提高,有效促进了农业经济发展。
范县水利局河南省濮阳市 457500 摘要:我国是农业大国,农业经济在国民经济中占据了重要的地位。
近年来,国家十分重视发展乡村产业,加大了农业生产现代化投入,我国农村经济水平得到了一定的提高,有效促进了农业经济发展。
基于此,本文主要针对农田水利工程设计中的渠道设计应遵循的原则以及优化设计方案进行了分析,并对农田水利工程设计中渠道施工管理进行了说明,以期与更多农田水利工程设计从业人员共同提高渠道设计与施工管理水平。
关键词:农田水利工程设计;渠道设计;施工管理引言农田水利工程设计工作的实施过程中,渠道设计以及施工管理是比较重要的工作内容,设计的质量和后续的工程施工的质量有着紧密的联系,只有提高渠道设计的质量才能保障后续施工顺利开展。
但由于渠道设计中涉及到的要素比较多样,如果没有全面性考虑,这就必然会影响设计工作的质量,不利于工作的顺利开展。
一、农田水利工程设计中渠道设计的原则农田水利工程设计中的渠道设计有4个基本原则。
①安全性原则。
在水利渠道设计过程中要尽量避免高危险的施工地段以及深挖方和高填方,以确保水利渠道设计能够正常使用。
②因地制宜原则。
渠道设计不能凭借经验主义开展工作,要结合水利工程当地的实际地形,深入了解当地用水量的具体情况,还要了解当前的水资源的具体情况以及农田的实际分布情况,采用科学合理的方式进行渠道设计。
在这个环节过程中,一般在地势较高的位置,采取灌溉渠道,而在地势较低的位置,设计排水沟,以达到自流灌溉和合理排水的目的。
总之应因地制宜,最大限度地分配和优化水资源,使渠道设计更加科学合理。
推求设计流量一、推求典型支渠(四支渠)及其所属斗,农渠的设计流量 支取长度及灌溉面积 渠别 一支 二支 三支 四支 五支 合计 长度(Km ) 4.7 5.9 5.4 6.1 6.5 28.6 灌溉面积(万亩)1.92.21.91.81.89.6注. 马清河灌区土地利用系数0.8 120.89.6A =⨯=灌区万亩 1. 推求典型支渠(四支渠)及其所属斗、农渠的设计流量 第四支渠(典型支渠)布置图(1)计算农渠的设计流量,四支渠的田间净流量为: Q 4支田净=A 四支×q 设=1.8×0.43=0.774m 3/s因为斗,农渠分两组轮灌,同时工作的斗渠有3条,同时工作的农渠有5条,所以农渠的田间净流量为:Q 农田净=Q 支田净/nk=0.774/3×5=0.0516 m 3/s 取田间水利用系数f η=0.95,则农渠的净流量为 Q 农净=Q 农净/f η =0.054 m 3/s查表可得相应的土壤透水性系数:A=1.9,m=0.4, 所以农渠每公里输水损失系数:σ农=A/100Q m 农净=0.41.91000.054⨯=0.061m 3/s 所以农渠的设计流量为:Q 农毛=Q 农净(1+σ农 L 农)=0.054(10.0610.8)⨯+⨯=0.057 m 3/s (L 农 =0.8千米) (2)计算斗渠的设计流量,因为一条斗渠内同时工作的农渠有5条,所以斗渠的净流量等于5条农渠的毛流量之和: Q 斗净=5×Q 农毛=5×0.057=0.285 m 3/s农渠分两组轮灌。
各组要求斗渠供给的净流量相等,但是,第Ⅱ组轮灌组距斗渠进水口较远,输水损失较多,据此求得斗渠毛流量较大,以第Ⅱ组轮灌组灌水时需要的斗渠毛流量作为斗渠的设计流量。
斗渠的平均工作长度L 4=1.8Km因为斗渠每公里输水损失系数为σ斗= A/100Q m 斗净=0.0314所以斗渠的设计流量为:Q 斗毛=Q 斗净(1+σ斗 L 斗)=0.301 m 3/s(3)计算四支渠的设计流量;斗渠也是分两组轮灌,以第Ⅱ轮灌组要求的支渠毛流量作为支渠的设计流量,支渠的平均工作长度L 支=4.9Km 支渠的净流量为:Q 支净=3×Q 斗毛=0.903 m 3/s支渠每公里输水损失系数:σ支 = A/100Q m 支净=0.0198支渠的毛流量为:Q 四支毛=Q 四支净(1+ σ支L 四支)=0.991 m 3/s 2. 计算四支渠的灌溉水利用系数0.7740.991Q Q η===三支田净三支水三支毛0.783. 计算其他支渠的设计流量1) 计算其他支渠的田间净流量 Q 1支田净=1.9×0.43=0.817m 3/s Q 2支田净=2.2×0.43=0.946m 3/s Q 3支田净=1.9×0.43=0.817m 3/s Q 5支田净=1.8×0.43=0.774m 3/s2) 计算其他支渠的设计流量 以典型支渠(四支渠)的灌溉水利用系数作为扩大指标,用来计算其他支渠的设计流量。
Q 1支毛=0.8171.050.78=m 3/s Q 2支毛= 0.9461.210.78=m 3/sQ 3支毛= 0.8171.050.78=m 3/sQ 5支毛=0.7740.990.78=m 3/s4. 推求干渠各段的设计流量1) DE 段的设计流量: Q DEJ 净= Q 五支=0.99 m 3/sDE σ=0.41.91000.99=⨯0.019m 3/s Q DE 毛=Q DE 净(1+DE σL DE )=0.99(1+0.019×2.5)=1.04 m 3/s2) CD 段设计流量:Q CD 净=Q DE 毛+Q 四支毛=1.04+0.99=2.03m 3/sCD σ=0.41.9100 2.03=⨯0.0143 Q CD 毛=Q CD 净(1+CD σL CD )=2.03(1+0.0143×2.9)=2.11 m 3/s 3) BC 段设计流量:Q BC 净=Q CD 毛+Q 三支毛=2.11+1.05=3.16 m 3/sBC σ=0.41.90.0120100 3.16=⨯m 3/s Q BC 毛=Q BC 净(1+BC σL BC )=3.16(1+0.0120×4.3)=3.32m 3/s 4) AB 段设计流量:Q AB 净=Q BC 毛+Q 二支毛=3.32+1.21=4.53 m 3/sAB σ=0.41.90.0104100 4.53=⨯m 3/s Q AB 毛=Q AB 净(1+AB σL AB )=4.53(1+0.0104×3.4)=4.69 m 3/s5) OA 段设计流量:OA 1 4.69+1.05=5.74AB Q Q Q =+=毛净支毛 m 3/sOA σ=0.41.90.0094100 5.74=⨯ OA OA L =5.74(1+0.00940.4)=5.76OA OA Q Q σ=+⨯⨯毛净 m 3/s二、推求渠道最小流量和加大流量的计算1. 推求典型支渠(四支渠)及其所属斗、农渠的最小流量 (1)计算农渠的最小流量,四支渠的田间净流量为: Q 4支田净=A 四支×min q =1.8×0.18=0.324m 3/s因为斗,农渠分两组轮灌,同时工作的斗渠有3条,同时工作的农渠有5条,所以农渠的田间净流量为:Q农田净=Q支田净/nk=0.324/(3×5)=0.0216 m3/s取田间水利用系数fη=0.95,则农渠的净流量为Q农净=Q农净/fη=0.023 m3/s查表可得相应的土壤透水性系数:A=1.9,m=0.4,所以农渠每公里输水损失系数:σ农=A/100Q m农净=0.41.91000.023⨯=0.0859m3/s所以农渠的最小流量为:Q农毛=Q农净(1+σ农L农)=0.023(10.08590.8)⨯+⨯=0.025 m3/s (L农=0.8千米)(2)计算斗渠的最小流量,因为一条斗渠内同时工作的农渠有5条,所以斗渠的净流量等于5条农渠的毛流量之和:Q斗净=5×Q农毛=5×0.025=0.125 m3/s农渠分两组轮灌。
各组要求斗渠供给的净流量相等,但是,第Ⅱ组轮灌组距斗渠进水口较远,输水损失较多,据此求得斗渠毛流量较大,以第Ⅱ组轮灌组灌水时需要的斗渠毛流量作为斗渠的最小流量。
斗渠的平均工作长度L4=1.8Km因为斗渠每公里输水损失系数为σ斗= A/100Q m斗净=0.0437所以斗渠的最小流量为:Q斗毛=Q斗净(1+σ斗L斗)=0.135 m3/s(3)计算四支渠的最小流量;斗渠也是分两组轮灌,以第Ⅱ轮灌组要求的支渠毛流量作为支渠的最小流量,支渠的平均工作长度L支=4.9Km支渠的净流量为:Q支净=3×Q斗毛=0.405 m3/s支渠每公里输水损失系数:σ支= A/100Q m支净=0.0273支渠的毛流量为:Q四支毛=Q四支净(1+ σ支L四支)=0.459m3/s2.计算四支渠的灌溉水利用系数0.3240.710.459Q Q η===三支田净三支水三支毛3. 计算其他支渠的最小流量3) 计算其他支渠的田间净流量 Q 1支田净=1.9×0.18=0.342m 3/s Q 2支田净=2.2×0.18=0.396m 3/s Q 3支田净=1.9×0.18=0.342m 3/s Q 5支田净=1.8×0.18=0.324m 3/s4) 计算其他支渠的最小流量 以典型支渠(四支渠)的灌溉水利用系数作为扩大指标,用来计算其他支渠的最小流量。
Q 1支毛=0.3420.480.71=m 3/s Q 2支毛= 0.3960.560.71=m 3/sQ 3支毛= 0.3420.480.71=m 3/sQ 5支毛=0.3420.460.71=m 3/s4. 推求干渠各段的最小流量 1) DE 段的最小流量: Q DEJ 净= Q 五支=0.46 m 3/sDE σ=0.41.91000.46=⨯0.0259m 3/s Q DE 毛=Q DE 净(1+DE σL DE )=0.46(1+0.0259×2.5)=0.49 m 3/s2) CD 段最小流量:Q CD 净=Q DE 毛+Q 四支毛=0.49+0.46=0.95m 3/sCD σ=0.41.91000.95=⨯0.0194 Q CD 毛=Q CD 净(1+CD σL CD )=0.95(1+0.0194×2.9)=1.00 m 3/s 3) BC 段最小流量:Q BC 净=Q CD 毛+Q 三支毛=1.00+0.48=1.48 m 3/sBC σ=0.41.90.0162100 1.48=⨯m 3/s Q BC 毛=Q BC 净(1+BC σL BC )=1.48×(1+0.0162×4.3)=1.58m 3/s 4) AB 段最小流量:Q AB 净=Q BC 毛+Q 二支毛=1.58+0.56=2.14 m 3/sAB σ=0.41.90.0140100 2.14=⨯m 3/s Q AB 毛=Q AB 净(1+AB σL AB )=2.14×(1+0.0140×3.4)=2.24 m 3/s5) OA 段最小流量:OA 1 2.24+0.48=2.72AB Q Q Q =+=毛净支毛 m 3/sOA σ=0.41.90.0127100 2.72=⨯ OA OA L =2.72(1+0.01270.4)=2.73OA OA Q Q σ=+⨯⨯毛净 m 3/s5. 渠道加大流量计算(渠道的极大流量采用加大系数法)支渠 设计流量d Q 加大系数J加大流量j Q 干渠渠段设计流量d Q 加大系数J 加大流量j Q1Q 支毛 1.05 1.28 1.34 DE Q 毛 1.04 1.28 1.33 Q 2支毛 1.21 1.28 1.55 CD Q 毛 2.11 1.28 2.70 3Q 支毛 1.05 1.28 1.34 BC Q 毛 3.32 1.28 4.25 Q 4支毛 0.99 1.32 1.31 AB Q 毛 4.68 1.28 5.99 5Q 支毛0.991.321.31OA Q 毛5.761.257.20注. j Q =J ×d Q渠道横断面设计(一) 干渠各断面设计(采用经济适用断面) 根据参考资料干渠渠底比降为1/5000,渠道平整顺直,养护设为一般,则粗糙系数取n=0.025,偏离系数α=1.02,边坡系数为m=1.25,则542(1)γααα=--=0.7622(21)m m m αβγ=+--=2.20 1. 计算设计过水断面干渠OA 段的水深和宽度的计算:55333382282233(21) 5.760.025(2.2021 1.25) 1.68()1(2.20 1.25)5000Qn m h m m i ββ⎡⎤⎡⎤++⨯⨯++⎢⎥⎢⎥===⎢⎥+⎢⎥+⎣⎦⎢⎥⎣⎦2.20 1.683.70b h m β==⨯=2()(3.70 1.25 1.68) 1.689.74A b mh h m =+=+⨯⨯=校核不冲不淤流速:(V 不於取0.35m 3/s ,)V 不冲=KQ 0.1=0.62×5.76 0.1=0.74m 3/s ,/ 5.76/9.740.59V Q A m s === V 不於<V<V 不冲 满足条件2. 计算加大水深和最小水深(迭代法) 加大水深的计算:0.60.60.0257.20()() 4.6015000nQ A i⨯===加大222121 1.25 3.20B m =+=+=迭代计算:()i iA b Bh h b mh +=+令0 2.0h m = 则010()A b Bh h b mh +==+0.44.60(3.70 3.20 2.0)1.873.70 1.252.0⨯+⨯=+⨯当1 1.87h m =时,2 1.89h m = 当2 1.89h m =时,3 1.89h m = 此时迭代终止,加大水深就为1.89m最小水深的计算:0.60.60.025273()() 2.5715000nQ A i⨯===最小.222121 1.25 3.20B m =+=+=迭代计算:()i iA b Bh h b mh +=+令0 1.0h m = 则010()A b Bh h b mh +==+0.42.57(3.70 3.20 1.0)1.123.70 1.25 1.0⨯+⨯=+⨯ 当1 1.12h m =时,2 1.12h m =此时迭代终止,最小水深就为1.12m依照上述方法,依次可算出干渠各断面的各水力要素,结果见下表干渠渠段 设计流量(m 3/s) h/m b/m h max /mh min/mA/m 2 V(m/s)V 不於(m/s) V 不冲(m/s)DE 1.04 0.88 1.94 1.00 0.59 2.67 0.39 0.35 0.62 满足要求 CD 2.11 1.15 2.53 1.31 0.77 4.56 0.46 0.35 0.67 满足要求 BC 3.32 1.37 3.01 1.55 0.91 6.48 0.51 0.35 0.70 满足要求 AB 4.69 1.55 3.41 1.77 1.04 8.29 0.57 0.35 0.72 满足要求 OA5.76 1.68 3.70 1.89 1.12 9.74 0.59 0.350.74满足要求(二) 支渠断面的设计:(采用经济适用的断面) 根据参考资料支渠渠底比降为1/2000,渠道平整顺直,养护设为一般,则粗糙系数取n=0.025,偏离系数α=1.02,边坡系数为m=1.0,则542(1)γααα=--=0.7622(21)m m m αβγ=+--=3.23 3. 计算设计过水断面一支渠的水深和宽度的计算:55333382282233(21) 1.050.025(3.2321 1.0)0.68()1(3.23 1.0)2000Qn m h m m i ββ⎡⎤⎡⎤++⨯⨯++⎢⎥⎢⎥===⎢⎥+⎢⎥+⎣⎦⎢⎥⎣⎦3.230.68 2.20b h m β==⨯=2()(2.20 1.00.68)0.68 1.96A b mh h m =+=+⨯⨯=校核不冲不淤流速:(V 不於取0.35m 3/s ,)V 不冲=KQ 0.1=0.62×1.05 0.1=0.62m 3/s ,/ 1.05/1.960.54V Q A m s === V 不於<V<V 不冲 满足条件4. 计算加大水深和最小水深(迭代法)加大水深的计算:0.60.60.025 1.34()() 1.2812000nQ A i⨯===加大222121 1.0 2.83B m =+=+=迭代计算:()i iA b Bh h b mh +=+令0 1.0h m = 则010()A b Bh h b mh +==+0.41.28(2.20 2.83 1.0)0.762.20 1.0 1.0⨯+⨯=+⨯ 当10.76h m =时,20.78h m = 当20.78h m =时,30.78h m = 此时迭代终止,加大水深就为0.78m最小水深的计算:0.60.60.0250.48()()0.6912000nQ A i⨯===最小222121 1.0 2.83B m =+=+=迭代计算:()i iA b Bh h b mh +=+令00.5h m = 则010()A b Bh h b mh +==+0.40.69(2.20 2.830.5)0.432.20 1.00.5⨯+⨯=+⨯ 当10.43h m =时,20.43h m =此时迭代终止,最小水深就为0.43m依照上述方法,依次可算出支渠各断面的各水力要素,结果见下表支渠 设计流量(m 3/s) h/mb/m h max /mh min /mA/m 2 V(m/s)V 不於(m/s) V 不冲(m/s)1支渠 1.05 0.68 2.20 0.78 0.43 1.96 0.54 0.35 0.62满足要求 2支渠 1.21 0.71 2.29 0.82 0.46 2.13 0.57 0.35 0.63满足要求 3支渠 1.05 0.68 2.20 0.78 0.43 1.96 0.54 0.35 0.62满足要求 4支渠0.99 0.66 2.13 0.78 0.42 1.84 0.54 0.35 0.62满足要求5支渠0.99 0.66 2.13 0.78 0.42 1.84 0.54 0.35 0.62满足要求(三) 典型斗渠和典型农渠断面设计(采用水力最佳断面)1. 斗渠断面设计:根据参考资料斗渠渠底比降为1/1000,渠道平整顺直,养护设为一般,则粗糙系数取n=0.025,边坡系数为m=1.0,则由表查得β优=0.83 Q =典型斗渠0.301 m 3/s此时 A b mh =+2()h=(0.83h+1.0h)h=1.83h 2210.83 2.83 3.66b h m h h h χ=++=+=2/ 1.83/3.660.5R A h h h χ===0.3750.868h Q =优=0.868*0.3010.375 =0.55mb h β=优优优=0.83*0.55=0.46m计算加大水深和最小水深(迭代法) 加大水深的计算:0.60.60.0250.385()()0.4911000nQ A i⨯===加大222121 1.0 2.83B m =+=+=迭代计算:()i iA b Bh h b mh +=+令0 1.0h m = 则010()A b Bh h b mh +==+0.40.49(0.46 2.83 1.0)0.540.46 1.0 1.0⨯+⨯=+⨯ 当10.54h m =时,20.65h m = 当20.65h m =时,30.62h m = 当30.62h m =时,40.62h m =此时迭代终止,加大水深就为0.62m 最小水深的计算:0.60.60.0250.135()()0.2611000nQ A i⨯===最小222121 1.0 2.83B m =+=+=迭代计算:()i iA b Bh h b mh +=+令00.5h m = 则010()A b Bh h b mh +==+0.40.26(0.46 2.830.5)0.350.46 1.00.5⨯+⨯=+⨯ 当10.35h m =时,20.37h m = 当20.37h m =时,30.37h m =此时迭代终止,最小水深就为0.37m2. 农渠断面设计根据参考资料斗渠渠底比降为1/800,光滑混凝土护面,则粗糙系数取n=0.015,边坡系数为m=1.0,则由表查得β优=0.83 Q =典型斗渠0.301 m 3/s此时 A b mh =+2()h=(0.83h+1.0h)h=1.83h 2210.83 2.83 3.66b h m h h h χ=++=+=2/ 1.83/3.660.5R A h h h χ===0.3750.868h Q =优=0.868*0.3010.375 =0.55mb h β=优优优=0.83*0.55=0.46m计算加大水深和最小水深(迭代法)加大水深的计算:0.60.60.0250.385()()0.4911000nQ A i⨯===加大222121 1.0 2.83B m =+=+=迭代计算:()i iA b Bh h b mh +=+令0 1.0h m = 则010()A b Bh h b mh +==+0.40.49(0.46 2.83 1.0)0.540.46 1.0 1.0⨯+⨯=+⨯ 当10.54h m =时,20.65h m = 当20.65h m =时,30.62h m = 当30.62h m =时,40.62h m =此时迭代终止,加大水深就为0.62m 最小水深的计算:0.60.60.0250.135()()0.2611000nQ A i⨯===最小222121 1.0 2.83B m =+=+=迭代计算:()i iA b Bh h b mh +=+令00.5h m = 则010()A b Bh h b mh +==+0.40.26(0.46 2.830.5)0.350.46 1.00.5⨯+⨯=+⨯ 当10.35h m =时,20.37h m = 当20.37h m =时,30.37h m =此时迭代终止,最小水深就为0.37m(七)干渠道纵横断面图(糙率n=0.0225)(八)典型斗渠和典型农渠横断面图。