火灾自动报警系统图集
- 格式:doc
- 大小:10.36 MB
- 文档页数:43
第一章火灾自动报警系统说明典型火灾探测器的安装说明:1.探测器至墙壁、梁边的水平距离不应小于0.5m。
2.探测器周围0.5m内不应有遮挡物。
3.探测器至空调送风口边的水平距离,不应小于1.5m;至多孔送风顶棚孔口的水平距离不应小于0.5m。
4.在宽度小于3m的内走道顶棚上设置探测器时,宜居中布置。
感温探测器的安装间距,不应超过10m;感烟探测器的安装间距,不应超过15m。
探测器距端墙的距离,不应大于安装间距的一半。
5.探测器宜水平安装,当必须倾斜安装时,倾斜角度不应大于45°。
6.探测器的底座应固定牢靠,其导线连接必须可靠压接或焊接。
当采用焊接时,不得使用带腐蚀性的助焊剂。
7.探测器的“+”线应为红色,“-”应为蓝色,其余线应根据不同用途采用其他颜色区分。
但同一工程中相同用途的导线颜色应一致。
8.探测器底座的外接导线,应留有不小于15em 的余量,入端处应有明显标志。
9.探测器底座的穿线孔宜封堵,安装完毕后的探测器底座应采取保护措施。
10.探测器的确认灯,应面向便于人员观察的主要入口方向。
11.探测器在即将调试时方可安装,在安装前应妥善保管,并应采取防尘、防潮、防腐蚀措施。
探测器安装(一)探测器安装(二)探测器安装(三) 安 装 说 明 探测器可采用专用接线盒,亦可采用标准接线盒安装必要时加调整板调整安装孔距。
安 装 说 明1.布线要求(1)信号线Z l 、Z 2可选用截面≥1.0mm 2的RVS 型双绞铜芯线,DC24V 电源线D 1、D 2应选用截面积≥2.5mm 2的BV 线。
(2)本探测报警器背面有两个挂孔,可直接装在墙面的安装钉上。
探测报警器须安装在使用燃气没备的房间中,安装位置应选择易发生可燃气体泄漏的位置,并尽可能面向气体扩散的方向。
探测报警器的安装高度根据介质Z 1、Z 2:与火灾报警控制器无极性信号两总线连接的端子;K l 、K 2:AC220V 、5A 常开输出控制触点端子;V 1、V 2:有源DC5V 脉冲输出控制触点端子;探测器安装(四)安装说明1.单面支架的电缆隧道、电缆地沟内缆式定温探测器的安装可参见本图。
近期出版的新标准:14X505-1 《火灾自动报警系统设计规范》图示58.0013J815 《住宅设计规范》图示47.0013J602-3 不锈钢门窗48.0014J206 种植屋面建筑构造58.0014CJ49 混凝土榫卯空心砌块建筑构造—太极金圆墙体系列材料28.00SG905-1~2 房屋建筑工程施工工艺图解模板工程(2014年合订本)58.00 14CJ51 JY硬泡聚氨酯复合板外墙外保温建筑构造26.0013S409 建筑生活排水柔性接口铸铁管道与钢塑复合管道安装48.0013G440 大跨度预应力空心板(跨度4.2m~18.0m)49.00GB/T50353-2013 建筑工程建筑面积计算规范12.00GB50030-2013 氧气站设计规范19.00GB50157-2013 地铁设计规范100.00GB/T50841-2013 建设工程分类标准20.00GB/T50939-2013 急救中心建筑设计规范12.00GB50897-2013 装饰石材工厂设计规范24.00GB50333-2013医院洁净手术部建筑技术规范24.00JGJ/T320-2014 住房公积金基础数据标准J1758-2014 14.00GB/T50908-2013 绿色办公建筑评价标准27.00GB50325-2010 民用建筑工程室内环境污染控制规范(2013年版)18.00 GB50300-2013 建筑工程施工质量验收统一标准10.00GB/T50905-2014 建筑工程绿色施工规范10.00GB50925-2013 城市对外交通规划规范12.00CJJ/T189-2014 镇(乡)村仓储用地规划规范J1734-2014 10.00CJJ/T199-2013 城市规划数据标准J1655-2013 30.00GB50924-2014 砌体结构工程施工规范16.00GB50367-2013混凝土结构加固设计规范43.00JGJ/T325-2014 预应力高强钢丝绳加固混凝土结构技术规程J1744-2014 12.00 JGJ311-2013 建筑深基坑工程施工安全技术规范J1650-2013 18.00JGJ114-2014 钢筋焊接网混凝土结构技术规程J1739-2014 17.00CJJ142-2014 建筑屋面雨水排水系统技术规程J1757-2014 15.00GB50014-2006 室外排水设计规范(2014年版)46.00CJJ/T209-2013 塑料排水检查井应用技术规程J1703-2013 16.00GB50913-2013 医药工艺用水系统设计规范18.00JGJ/T316-2013 单层防水卷材屋面工程技术规程J1671-2013 14.00GB/T50947-2014 建筑日照计算参数标准10.00JGJ/T307-2013 城市照明节能评价标准J1652-2013 10.00JGJ/T323-2014 自保温混凝土复合砌块墙体应用技术规程J1738-2014 11.00 JGJ286-2013 城市居住区热环境设计标准J1644-2013 19.00JGJ/T309-2013 建筑通风效果测试与评价标准J1638-2013 10.00GB/T50935-2013 煤矿瓦斯抽采工程设计文件编制标准12.00GB50199-2013 水利水电工程结构可靠性设计统一标准24.00GB/T50886-2013 林产工业工程术语标准12.00GB/T50927-2013 大中型水电工程建设风险管理规范21.00GB50946-2013 煤矿设备安装工程质量验收规范49.00GB50911-2013城市轨道交通工程监测技术规范30.00GB50952-2013 农村民居雷电防护工程技术规范12.00JGJ/T322-2013 混凝土中氯离子含量检测技术规程J1702-2013 10.00CJJ95-2013 城镇燃气埋地钢质管道腐蚀控制技术规程J273-2013 10.00CJJ/T210-2014 城镇排水管道非开挖修复更新工程技术规程J1735-2014 16.00 JGJ/T275-2013 密肋复合板结构技术规程J1701-2013 20.00JGJ319-2013 低温辐射电热膜供暖系统应用技术规程J1670-2013 10.00。
【图解】火灾报警系统安装接线,秒懂!
部件清单:
放气指示灯、消防警铃、声光报警器、紧急启动按钮、手/自动转换开关、烟感探测器、温感探测器、灭火控制器、输入/输出模块、电工胶带。
使用电线:
红色代表火线,(正极),绿色代表零线(负极)
(一)放气指示灯接线
安装位置:门口上方
注意事项:连接的中间点要以电工胶带包起来。
(二)消防警铃连接线
安装位置:门口上方
注意事项:连接的中间点要以电工胶带包起来。
(三)声光报警连接线
安装位置:门口侧上方
(四)紧急启动按钮连接线
安装位置:门口右边
(五)手/自动转换开关连接线
安装位置:门口右边
(六)温感探测器连接线
安装位置:灭火房间的天花上
(七)烟感探测器连接线
安装位置:灭火房间的天花
(八)控制主机连接线
安装位置:靠近灭火装置的旁
(九)电磁阀与反馈装置连接线
(十)电源连接线
以上是火灾报警系统全部安装图!
兴进消防温馨提示:为了确保安装系统更加安全耐用,电线建议以金属线管包装,避免老鼠啃咬,或不小心碰到。
近期出版的新标准:14X505-1 《火灾自动报警系统设计规范》图示13J815 《住宅设计规范》图示13J602-3 不锈钢门窗14J206 种植屋面建筑构造14CJ49 混凝土榫卯空心砌块建筑构造—太极金圆墙体系列材料SG905-1~2 房屋建筑工程施工工艺图解模板工程(2014年合订本)14CJ51 JY硬泡聚氨酯复合板外墙外保温建筑构造13S409 建筑生活排水柔性接口铸铁管道与钢塑复合管道安装13G440 大跨度预应力空心板(跨度4.2m~18.0m)GB/T50353-2013 建筑工程建筑面积计算规范GB50030-2013 氧气站设计规范GB50157-2013 地铁设计规范GB/T50841-2013 建设工程分类标准GB/T50939-2013 急救中心建筑设计规范GB50897-2013 装饰石材工厂设计规范GB50333-2013 医院洁净手术部建筑技术规范JGJ/T320-2014 住房公积金基础数据标准 J1758-2014GB/T50908-2013 绿色办公建筑评价标准GB50325-2010 民用建筑工程室内环境污染控制规范(2013年版)GB50300-2013 建筑工程施工质量验收统一标准GB/T50905-2014 建筑工程绿色施工规范GB50925-2013 城市对外交通规划规范CJJ/T189-2014 镇(乡)村仓储用地规划规范J1734-2014CJJ/T199-2013 城市规划数据标准J1655-2013GB50924-2014 砌体结构工程施工规范GB50367-2013 混凝土结构加固设计规范JGJ/T325-2014 预应力高强钢丝绳加固混凝土结构技术规程 J1744-2014 JGJ311-2013 建筑深基坑工程施工安全技术规范 J1650-2013JGJ114-2014 钢筋焊接网混凝土结构技术规程 J1739-2014CJJ142-2014 建筑屋面雨水排水系统技术规程 J1757-2014GB50014-2006 室外排水设计规范(2014年版)CJJ/T209-2013 塑料排水检查井应用技术规程 J1703-2013GB50913-2013 医药工艺用水系统设计规范JGJ/T316-2013 单层防水卷材屋面工程技术规程 J1671-2013GB/T50947-2014 建筑日照计算参数标准JGJ/T307-2013 城市照明节能评价标准 J1652-2013JGJ/T323-2014 自保温混凝土复合砌块墙体应用技术规程 J1738-2014 JGJ286-2013 城市居住区热环境设计标准 J1644-2013JGJ/T309-2013 建筑通风效果测试与评价标准 J1638-2013GB/T50935-2013 煤矿瓦斯抽采工程设计文件编制标准GB50199-2013 水利水电工程结构可靠性设计统一标准GB/T50886-2013 林产工业工程术语标准GB/T50927-2013 大中型水电工程建设风险管理规范GB50946-2013 煤矿设备安装工程质量验收规范GB50911-2013 城市轨道交通工程监测技术规范GB50952-2013 农村民居雷电防护工程技术规范JGJ/T322-2013 混凝土中氯离子含量检测技术规程 J1702-2013CJJ95-2013 城镇燃气埋地钢质管道腐蚀控制技术规程 J273-2013CJJ/T210-2014 城镇排水管道非开挖修复更新工程技术规程 J1735-2014 JGJ/T275-2013 密肋复合板结构技术规程 J1701-2013JGJ319-2013 低温辐射电热膜供暖系统应用技术规程 J1670-2013GB50890-2013 饰面人造板工程设计规范JGJ/T318-2014 石灰石粉在混凝土中应用技术规程 J1737-2014 CECS360:2013 村镇传统住宅设计规范CECS364:2014 建筑燃气安全应用技术导则GB50917-2013 钢-混凝土组合桥梁设计规范GB50918-2013 城镇建设智能卡系统工程技术规范CJJ/T103-2013 城市地理空间框架数据标准 J367-2013GB50423-2013 油气输送管道穿越工程设计规范GB/T50958-2013 核电厂常规岛设计规范GB50959-2013 有色金属工程结构荷载规范CJJ/T216-2014 燃气热泵空调系统工程技术规程 J1756-2014 GB/T50902-2013 医药工程基本术语标准GB/T50948-2013 体育场建筑声学技术规范GB50053-2013 20kv及以下变电所设计规范。
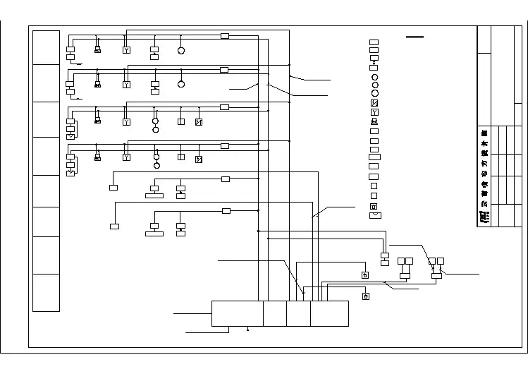
图形及文字符号注:本图集中直接控制线路包括连锁控制线路和手动直接控制专用线路。
火灾自动报警系统框图(现行)条文火灾自动报警系统探测火灾早期特征,发出火灾报警信号,为人员疏散、防止火灾蔓延和启动自动灭火设备提供控制与指示的消防系统。
条文说明2.0.1 本条对火灾自动报警系统的定义作出新的解释。
注:1. 本框图给出的是一个集中报警系统的构成示意图,用于说明系统中各部分之间的相互关系,在具体工程中,系统构成应由设计人员根据工程实际情况进行配置。
2 消防电源及备用电源的设置见本图集第71页。
提示1.《规范》对火灾自动报警系统的定义,明确了火灾自动报警系统具有联动控制功能。
2.本框图是火灾自动报警系统的现行架构。
火灾自动报警系统框图(目标)注:1.本框图给出的是一个集中报警系统的构成示意图用于说明系统中各部分之间的相互关系,在具体工程中,系统构成应由设计人员根据工程实际情况进行配置。
2.消防电源及备用电源的设置见本图集第71页。
提示1.本框图给出的是火灾自动报警系统的发展目标,消防联动控制系统中各子系统自成系统,消防联动控制器不再直接控制末端设备,而是通过各种消防电气控制装置进行控制。
2.各种消防电气控制装置将逐步成为定型产品,并均应通过消防认证。
火灾报警控制器和消防联动控制器条文任一台火灾报警控制器所连接的火灾探测器、手动火灾报警按钮和模块等设备总数和地址总数,均不应超过3200点,其中每一总线回路连接设备的总数不宜超过200点,且应留有不少于额定容量10%的余量;任一台消防联动控制器地址总数或火灾报警控制器(联动型)所控制的各类模块总数不应超过1600点,每一联动总线回路连接设备的总数不宜超过100点,且应留有不少于额定容量10%的余量。
条文说明3.1.5 多年来对各类建筑中设置的火灾自动报警系统的实际运行情况以及火灾报警控制器的检验结果统计分析表明,火灾报警控制器所连接的火灾探测器、控制和信号模块的地址总数量,应控制在总数低于3200点,这样,系统的稳定工作情况及通信效果均能较好地满足系统设计的预计要求,并降低整体风险。
图形及文字符号ﻫ注:本图集中直截了当控制线路包括连锁控制线路和手动直截了当控制专用线路。
火灾自动报警系统框图(现行)条文2、0、1 火灾自动报警系统ﻫ探测火灾早期特征,发出火灾报警信号,为人员疏散、防止火2、0。
1 本条对火灾蔓延和启动自动灭火设备提供控制与指示的消防系统。
ﻫ条文说明ﻫ灾自动报警系统的定义作出新的解释。
注:ﻫ1。
本框图给出的是一个集中报警系统的构成示意图,用于说明系统中各部分之间的相互关系,在具体工程中,系统构成应由设计人员依照工程实际情况进行配置。
2 消防电源及备用电源的设置见本图集第71页。
ﻫ提示ﻫ1。
《规范》对火灾自动报警系统的定义,明确了火灾自动报警系统具有联动控制功能。
ﻫ2、本框图是火灾自动报警系统的现行架构。
火灾自动报警系统框图(目标)注:ﻫ1。
本框图给出的是一个集中报警系统的构成示意图用于说明系统中各部分之间的相互关系,在具体工程中,系统构成应由设计人员依照工程实际情况进行配置、ﻫ2、消防电源1、本框图给出的是火灾自动报警系统的发及备用电源的设置见本图集第71页。
ﻫ提示ﻫ展目标,消防联动控制系统中各子系统自成系统,消防联动控制器不再直截了当控制末端设备,而是通过各种消防电气控制装置进行控制。
2、各种消防电气控制装置将逐步成为定型产品,并均应通过消防认证。
火灾报警控制器和消防联动控制器3。
1。
5任一台火灾报警控制器所连接的火灾探测器、手动火灾报警按钮和模块等条文ﻫ设备总数和地址总数,均不应超过3200点,其中每一总线回路连接设备的总数不宜超过200点,且应留有不少于额定容量10%的余量;任一台消防联动控制器地址总数或火灾报警控制器(联动型)所控制的各类模块总数不应超过1600点,每一联动总线回路连接设备的总数不宜超过100点,且应留有不少于额定容量10%的余量。
条文说明ﻫ3、1、5多年来对各类建筑中设置的火灾自动报警系统的实际运行情况以及火灾报警控制器的检验结果统计分析表明,火灾报警控制器所连接的火灾探测器、控制和信号模块的地址总数量,应控制在总数低于3200点,如此,系统的稳定工作情况及通信效果均能较好地满足系统设计的估计要求,并降低整体风险、ﻫ目前,国内外各厂家生产的火灾报警控制器,每台一般均有多个总线回路,关于每个回路所能连接的地址总数,规定为不宜超过200点,是考虑了其工作稳定性。
第一章火灾自动报警系统说明典型火灾探测器的安装说明:1.探测器至墙壁、梁边的水平距离不应小于0.5m。
2.探测器周围0.5m内不应有遮挡物。
3.探测器至空调送风口边的水平距离,不应小于1.5m;至多孔送风顶棚孔口的水平距离不应小于0.5m。
4.在宽度小于3m的内走道顶棚上设置探测器时,宜居中布置。
感温探测器的安装间距,不应超过10m;感烟探测器的安装间距,不应超过15m。
探测器距端墙的距离,不应大于安装间距的一半。
5.探测器宜水平安装,当必须倾斜安装时,倾斜角度不应大于45°。
6.探测器的底座应固定牢靠,其导线连接必须可靠压接或焊接。
当采用焊接时,不得使用带腐蚀性的助焊剂。
7.探测器的“+”线应为红色,“-”应为蓝色,其余线应根据不同用途采用其他颜色区分。
但同一工程中相同用途的导线颜色应一致。
8.探测器底座的外接导线,应留有不小于15em的余量,入端处应有明显标志。
9.探测器底座的穿线孔宜封堵,安装完毕后的探测器底座应采取保护措施。
10.探测器的确认灯,应面向便于人员观察的主要入口方向。
11.探测器在即将调试时方可安装,在安装前应妥善保管,并应采取防尘、防潮、防腐蚀措施。
探测器安装(一)探测器安装(二)安装说明探测器可采用专用接线盒,亦可采用标准接线盒安装必要时加调整板调整安装孔距。
探测器安装(三)安装说明1.布线要求(1)信号线Z l、Z2可选用截面≥1.0mm2的RVS型双绞铜芯线,DC24V电源线D1、D2应选用截面积≥2.5mm2的BV线。
(2)本探测报警器背面有两个挂孔,可直接装在墙面的安装钉上。
探测报警器须安装在使用燃气没备的房间中,安装位置应选择易发生可燃气体泄漏的位置,并尽可能面向气体扩散的方向。
探测报警器的安装高度根据介质(密度大小)的不同来确定,对于轻于空气的气体(城市人工煤气、天然气),可安装在距房顶110mm的墙壁上,比空气重的气体(如液化石油气),安装高度为距地面l00mm。
探测报警器安装位置与燃气没备的水平距离应在4m以内。
2.线型火灾探测器和可燃气体探测器与有特殊安装要求的探测器,应符合现行有关国家标准的规定。
Z1、Z2:与火灾报警控制器无极性信号两总线连接的端子;K l、K2:AC220V、5A常开输出控制触点端子;V1、V2:有源DC5V脉冲输出控制触点端子;A1(D1)、A2(D2):电源端子,联网使用接DC24V电源,独立使用接AC220V。
探测器安装(四)安装说明1.单面支架的电缆隧道、电缆地沟内缆式定温探测器的安装可参见本图。
2.线型火灾探测器和可燃气体探测器有特殊安装要求的探测器,应符合现行有关国家标准的规定。
电缆地沟内定温电缆安装探测器安装的间距一安装说明对于平滑顶棚区域,两对探测器的水平间距可为9-18m。
假设此距离为5,则靠墙一只探测器距墙壁的最大距离为5/2,探测器距顶棚的距离为0.3m。
如果探测器安装于顶棚,则探测器距墙壁的最大距离为S/4。
安 装 说 明发射器有4只灯,接收器有8只灯,各个指示灯的功能如图(a )所示。
探测器安装的间距(二)发射器与接收器共用24VDC电源的接线示意图安装说明1.红外光束探测器可与智能监视模块或可接收开关器反馈信号的模块配套使用,完成探测功能。
发射器与接收器可共用电源。
也可独立使用电源。
图中颜色为电缆线颜色。
2.探测器可并联使用。
并联使用时最多可接3对。
发射器与接收器共用24VDC电源的接线图安装说明无论墙壁安装还是顶棚安装,所要安装的表面必须没有振动、位移,否则易引起探测器警报故障。
红外线束探测器6424安装图探测器安装组合图一 探测器安装组合图二(带装饰圈)探测器组合图探测器预埋盒的安装尺寸 B5OI /B501B 底座端子接线示意图探测器安装图安 装 说 明DZ —B501底座也可使用安装孔距为50mln 、60mm或70mm 的预埋盒,DZ —B501B 可使用安装孔距为70mm 或80mm 的预埋盒。
安 装 说 明DZ —BSOI /B501B 底座有3个接线端子,接线时注意极性,端子2接总线“+”,端子1接总线“—”。
端子3为门灯接线端子,可使用兼容的门灯接在端子3(门灯“+”),端子1(门灯“—”)上做远程复示用。
端子4一般不用,只在强干扰场合做屏蔽线连接使用。
安装说明1.按照所选底座的安装说明进行接线。
底座上备有带螺钉的端子提供各种方式的连接。
2.确认全部底座已安装好,且每一个底座的连接线极性准确无误。
安装探测器前,应切断回路的电源。
一个回路中多探测器连接示意图安装说明1.确认探测器类型与图纸或底座标签上要求的类型一致。
2.将探测器的拨码开关拨至预定的地址号,如图。
3.将探测器插入底座。
4.顺时针方向旋转探测器直至其落入卡槽中。
5.继续顺时针方向旋转探测器直至锁定部位。
注意:未摘取防尘罩的探测器不能探测到烟雾;房间或环境很脏、灰尘很大时,卸掉防尘罩会污染探测器。
6.待全部探测器安装完毕,且无线路故障,再进行加电,此时探测器应处于监控状态(指示灯闪亮)。
7.用一测试磁铁置于探测器塑料外壳的测试插孔对边位置上,对探测器进行测试,控制器应能显示出该探测器报火警,探测器指示灯应处于恒亮状态。
8.复位控制器,探测器应能恢复至监控状态。
9.探测器如需要加烟测试,可用气溶胶发生器或相似的加烟工具在进烟位置进行加烟测试。
此时探测器(感烟型)应能报出火警信号。
图中所拨地址为14号智能探测器地址盘使用示意图探测器的安装几调试安装说明1.将发射器与接收器相对安装在保护空间的两端且在同一水平直线上。
2.建筑物举架≤m时,应安装在距顶棚小于0.5m的相对两墙壁上。
3.建筑物举架5-8m时,应安装在距小于1m相对两端墙壁上。
4.建筑物举架>8m时,应安装在距地面0.8m左右的相对两墙壁上。
5.建筑物举架为8m左右的人字型结构时,应安装在距人字架1.5m处相对两墙壁上。
6.探测器的安装位置要远离强磁场。
7.探测器安装位置要避免日光直射。
8.探测器的使用环境不应有灰尘滞留。
9.应在探测器相对空间避开固定遮挡物和流动遮挡物。
10.探测器的底座一定要安装牢固,不能松动。
11.布线要求:本探测器中的接收器与火灾报警控制器的信号两总线相连,可采用截面≥1.0mm2的RVS型双绞线,发射器仅需连接DC24V电源即可,可采用截面≥1.5mm2的BV 线。
红外线束感探测器安装图安装说明1.声光警报器、光警报器、声警报器均使用同一方式安装。
预埋盒尺寸选用等边孔中心距85.6mm。
安装示意见图(a)。
2.安装步骤(1)将螺钉E插入安装板并固定于预埋盒上。
(2)按图(c)或图(d)将现场导线接于声/光警报器端子上。
(3)将声/光警报器底部的固定槽插入安装板相应槽内。
(4)将声/光警报器压入安装板。
(5)将声/光警报器的自攻螺钉D旋入安装板。
3.系统接线两根导线(正、负线)即可,如果并联很多,导线距离很长,需要考虑线间压降问题。
4.安装布线注意:正负极性不要接错,对于声光警报器还可设置跳线器的位置,从而实现不同的音频输出方式。
声光报警器安装(b)警钤接线图(后视图)安装说明安装之前应确保电源关闭。
并确保电源电压为24VDC。
1.将铃盖螺钉卸掉以卸下铃盖。
2.按图(b)将现场导线接至警铃的正、负两根线上,注意红色导线为正,黑色导线为负。
3.将警铃主体部分按图(a)用螺钉安装至预埋盒上,安装时注意警铃的撞针应朝下。
4.用铃盖螺钉将铃盖重新安装至警铃主体上,注意必须旋紧螺钉,并注意铃盖上的标签应正面放置。
5.检查导线正负极性准确无误后给警铃加电,确认警铃声响是否正常。
注意:1.警铃的安装高度应符合国家规范。
2.不可引入强电,否则将损坏警铃。
3.不可在现场更换警铃部件,如果发现有失效警铃,应与供应商联系进行维修。
警铃安装安 装 说 明1.火灾报警控制器的结构形式分为壁挂式和柜式、台式三种,可根据用户需要安装在标准控制柜或标准控制台上。
图(a )为壁挂式外形尺寸;2.控制器机箱内回路板端子如图(b )。
(a )GGA7200控制器外形示意图(c )主板端字示意图(b )回路板端子示意图火灾报警控制器安装(一)(a)RS32门与计算机COM门连接示意图(b)GGA7200控制器棉板示意图安装说明1.火灾报警控制器在墙上安装时,其底部距地(楼)面高度不应小于1.5m。
落地安装时,其底宜高出地坪0.1~0.2m。
2.控制器应安装牢固,不得倾斜。
安装在轻质墙上时,应采取加固措施。
3.控制器主电源引入线,应直接与消防电源连接,严禁使用电源插头。
4.控制器的接地,应牢固,并有明显标志。
火灾报警控制器安装(二)(a)GGA7522输入模块外形尺寸(b)GGA7522输人控制模块接线端子示意图(c)GGA7522输出控制模块与外部设备连接方法示意图火灾报警控制器安装(三)(a)GGA7526接线端子示意图(b)GCA7526控制电动脱扣型设备接线示意图(c)GGA7526切换广播示意图(d)GGA7230火灾显示盘接线及结构示意图火灾报警控制器安装四火灾报警控制器安装(五)(c)CCA7523端子示意图火灾报警控制器安装(六)(b)GGA7525声光报警器接线示意图安装说明1.探测器保护面积的限制因素:(1)探测器类型(感烟、感温);(2)探测器安装高度;(3)保护区隔断面积。
2.光电感烟探测器对黑烟不敏感并易受高频电磁干扰影响。
3.探测器周围0.5m内不应有遮挡物。
4.保护区域梁高度在200-600mm之间应按被梁分隔区域组成及探测器保护面积确定,梁高度大于(600mm则按墙考虑布置探测器。
5.探测器导线应采用红蓝导线。
6.探测器确认灯应面向便于人员观察的主要入口方向。
7.本图为点型探测器安装(a)预埋管线顶棚安装(b)探测器倾斜安装(c)预埋管线吊顶下安装火灾报警探测器安装(一)安装说明1.不同种类探测器有不同的保护宽度和距离,不同距离范围应设置不同灵敏度。
2.探测器距侧墙距离不应小于0.6m。
3.探测器与墙体及调整螺栓的固定应牢固,保证光轴对准。
4.接收头尽量避开阳光正面直射的位置,当并排多种分离式探测器安装时,应使接收头与发射头交错安装。
光电分离探测器立面图火灾报警探测器安装(二)SFAN-M-H8030D型报警按钮安装消防栓按钮安装一消防栓按钮安装二SFAN-M (HFl001) 明装及在消火栓内安装信号灯 AC220V 根据需要 SFAN-A (HFl002) 暗装 旋开式SFAN-X (HFl002) 暗装旋开式町开启本部位声光报警SFAN-I消火栓内安装(a )SFAN-M 型(a )SFAN-M型 (b )HAN 型 触点容量:AC220V ,DL24V ,3A 两组触点 消防栓按钮安装(三)手动火灾报警器(a)GGA7521手动报警按钮外形及安装尺寸按钮安装一(b)GGA7521手动报警按钮接线端子示意图安装说明1.手动火灾报警按钮,应安装在墙上距地(楼)面高度1.5m处。