公路工程工程量计价第100章说明教程文件
- 格式:doc
- 大小:90.00 KB
- 文档页数:9
100清单问题一、编制控制价时,清单如何取费?二、承包人驻地建设和施工标准化、施工环保费标准多少?三、竣工文件编制费、工程保险费、临时占地费在哪?四、清单如何计量?解决什么问题一、100章与2018编办二、组价参考2020年10月12日2016年11月30日2014年1月27日解决什么问题100清单组价及计量公路工程量清单100章均按总额计量,即计价主要取决于施工投标报价,投标报价时需要根据现场考察情况进行报价,业主方所提供的图纸或资料仅仅是参考,如果你不报价或报价偏少,则意味着已经包含在其他项目中,不再单独计量。
100章⏹一、101 通则⏹二、102 工程管理⏹三、103 临时工程与设施⏹四、104 承包人驻地建设⏹五、105 施工标准化第101通则18编办100章清单工程保险费在概预算中属于工程建设其他费用3.3.9 工程保险费指在合同执行期内,施工企业按合同条款要求办理保险的费用,包括建筑工程一切险和第三方责任险。
工程保险费以建筑安装工程费(不含设备费)为基数,按0.4%费率计算。
建筑工程一切险:为永久工程、临时工程和设备及已运至施工工地用于永久工程的材料和设备所投保的保险。
保险金额应为工程量清单(不含建筑工程一切险及第三者责任险的保险费)。
第三方责任险:对因实施合同工程而造成的财产(本工程除外)损失或损害、或人员(业主和承包人雇员除外)的死亡或伤残所负责进行的保险。
工程保险的意义在于,一方面,它有利于保护建筑主或项目所有人的利益,另一方面,也是完善工程承包责任制并有效协调各方利益关系的必要手段。
第101通则工程保险费与其他保险费区别1、人身意外伤害险是一种商业行为。
所提供的保障水平的高低完全取决保险双方当事人的约定和投保人交费的多少而决定,投保人只要有缴费能力、身体健康状况符合合同规定的要求,投保金额不论多少都是可以的。
(1)施工企业的办公、生活、施工机械员工的人身意外险在企业管理费中支出;(2)建设单位给现场管理人员缴纳的人身意外伤害险应计入工程建设其他费用中的建设单位(业主)管理费中;(3)监理企业给现场监理人员缴纳的人身意外伤害险应计入工程建设其他费用中的工程监理费中;2、工伤保险是社会保险制度的重要组成部分。
表22 通则
1
表23 工程管理
2
3
表23 工程管理(续)
4
5
6
7
表24 临时工程与设施(续)
8
9
表24 临时工程与设施(续)
10
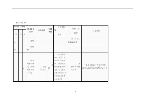
1.2.2.4承包人驻地建设。
表25 承包人驻地建设
11
12
104
1
承包
人驻地建
设(含标化
工地建设)
1、 临时
2、类型
3、规格
4、性质
5、时间
总额 按规定要求、施工和生活需
要、施工组织等计算总额
1、 承包人办公室、住房及生活区建设与管理
2、 车间与工
作场地、仓库、料场及拌和场建设与管理
3、 工地试验室建设与管理
4、 医疗卫生的提供与消防设施的配置
5、 驻地设施的维护与完工后的全部拆迁
驻地建设完成,经监理工程师现场核实后分期计量,其中,所报总额的90%在第1次至第3次计量中,以3次等额计量;所报总额中余下的10%,待驻地建设移走和清除,并经监理工程师验收合格后计量。
公路工程工程量计价第100章说明1. 背景工程量计价是指按照一定的计算方法,根据某一工程所需的材料、设备、人工等各项工程量,计算所需要的工程费用的方法。
公路工程工程量计价是指按照国家有关标准与规范,结合建设工程的特点,对工程量进行计量和计价。
此文档针对公路工程工程量计价第100章进行说明。
2. 目的为了使有关业务人员对公路工程工程量计价第100章有清晰的认识,本文档对第100章进行阐述和说明。
3. 内容第100章为“路基工程”,其计价对象为路基各部分的工程量,包括路基基础和路堤两部分,计价单位为“元/立方米”。
3.1 路基基础路基基础指的是路基的下部结构,包括各种软土地质处理、沉降预测、填(挖)方量、压实度和土工织物等工程量。
填(挖)方量的计算方法为:$填(挖)方量=填方量(或挖方量)\\times(1-料方收缩率)$其中,填方量为土方或石方的累计体积,挖方量为泥炭土、湿陷性黏土等的累计体积。
料方收缩率是指土方或石方经过开挖后,由于土的收缩导致后期土体体积减少的比率。
3.2 路堤路堤指的是路面以上的结构,包括基层、中央隔离带、边沟等工程量。
其中,基层工程量按照不同的类型和厚度计价,中央隔离带和边沟则按照其形状、断面及长度计价。
3.3 计价标准公路工程工程量计价的标准,主要包括人工费、施工设备费、材料费等三个方面。
其中,人工费按照当地规定的最低工资标准计算,施工设备费则根据设备类型和相应的机械台班费用计算,材料费则以采购成本为基础计算。
4. 总结公路工程工程量计价是工程造价核算的一个重要的组成部分。
了解每一章节的计量和计价方法,对于工程造价的准确计算意义重大。
本文档对公路工程工程量计价第100章的说明详细清晰,希望能够帮助业务人员更好地掌握相关知识。
公路工程 100 章计量规则招标文件规定的保险费率在工程量清单说明中明确,一般为)承包人按合同条款办理的建筑工程一切险和第三者责乘以保险费率[一般最低投标额为 100 万元,事故次数不限(不计免赔额)保险费率为 1- 1 -第 102 节工程管理子目号子目名称单位工程量计量工程内容计算或组价注意事项102 工程管理102-1 竣工文件总额以总额为单位计量按《公路工程竣(交)工验收办法》、《公路工程竣(交)工验收办法实施细则》及合同条款规定进行编制组价方案Ⅰ 工程量清单第 100 章(不包括本项)至第900 章的合计金额×预估费率。
预估费率一般为5‰左右,最好能根据当地企业和类似项目相关的竣工文件费用进行统计。
组价方案Ⅱ 根据招标文件和《公路工程竣(交)工验收办法》的规定估算竣工文件资料的数量,估算其设备、耗材等的用量来估价。
组价方案Ⅲ 按临时设施费的 3-5。
102-2 施工环保费总额以总额为单位计量按招标文件技术规范 102.11 小节及合同条款规定落实环境保护按临时设施费的。
102-3 安全生产费总额以工程量清单第 100 章(不含安全生产费及保险费)至第900 章的合计金额为基数,乘以按投标价的 1.5(若招标人公布了最高投标限价时,按最高投标限价的1.5)以总额为单位计量按招标文件技术规范 102.13 小节及合同条款规定落实安全生产企业安全生产费用提取和使用管理办法(财企[2012] 16 号})102-4 信息化系统(暂估价)总额以暂估价的形式按总额计量 1.工程信息化系统的配置、维护、备份管理及网络构筑;2.系统操作人员培训、劳务通过批准的业主估定值。
一个合同段约 30-80 万元。
- 2 -第 103 节临时工程与设施- 3 -第 104 节承包人驻地建设输电线路、干线三线橡皮线输电线路、支线输电线路等定额103-4 电信设施的总额以总额为单位计量按招标文件技术规范103.02 组价方案Ⅰ 根据设计图表和施工组织列明的供电设施的提供、维修与拆小节及合同条款规定完成电信种类及其数量、使用时间和测算的单价计算/例如:设备数除设施的提供、维修与拆除量×单价、光纤长度×单价、使用时间×月维护单价。
1.2第100章总则1.2.1 一般规定1.2.1.1本章为总则,主要包括保险费、工程管理、等内容。
1.2.1.2保险费分工程一切险和第三方责任险。
工程一切险是为永久工程、临时工程和设备及已运至施工工地用于永久工程的材料和设备所投的保险。
第三方责任险是对因实施本合同工程而造成的财产(本工程除外)的损失和损害或人员(业主和承包人雇员除外)的死亡或伤残所负责任进行的保险。
保险费率按议左保险合同费率办理(保险期限应至竣工验收为止),根据保单实际额度予以汁量,当保单中的工程一切险和第三方责任险二险合一而难以分开时,可根据实际总额合理分摊。
1.2.1.3竣工文件费是承包人对承建工程,按交通部发布的《公路工程竣(交)工验收办法》及其它有关规泄的要求,编制竣工图表、资料所需的费用。
1.2.1.4施工环保费是承包人在施工过程中采取预防和消除环境污染描施所需的费用。
.1.2.1.5施工安保费是承包人在施工过程中采取安全保护措施,以保护现场施工、监理人员及公众的生命、健康、安全及方便所需的费用。
为完善安全措施,规范安全管理,强化安全意识,该部分费用应作为单独计价内容,可根据工程规模大小或安全措施需要,以淸单第100章(不含施工安保费本身)至900章合讣金额不少于1%的某一约左百分率计列。
1.2.1.6信息化建设是依据无纸化、网络化等办公和管理要求而所需的软硬件、网络平台建设等费用,由招标人根据项目实际需要估列一个总额,以专项暂泄金形式汁列。
1.2.1.7路基沉降及变位第三方监测费是依据路基工程施工、稳泄监测、质呈:控制和评价以及沉降量il•算等需要而所需的第三方独立监测费用,由招标人根据项目实际需要估列一个总额,以专项暂定金形式计列。
1.2.1.8机电工程专项费用是依据机电工程专业特点和实际需要而设立的专项费用,主要包括系统测试费、联网测试费、培训费等内容。
1.2.1.101.2.1.111.2.1.12供水与排污设施是承包人在实施和维修本工程期间提供、安装、维修、保养、管理以及拆除全部施工和生活用水设施、排污(污水、废水、垃圾等)设施,以及保证施工用水要求和按国家规定的生活饮用水标准持续不断地供水所需费用。
公路工程 100 章计量规则招标文件规定的保险费率在工程量清单说明中明确,一般为)承包人按合同条款办理的建筑工程一切险和第三者责乘以保险费率[一般最低投标额为 100 万元,事故次数不限(不计免赔额)保险费率为 1- 1 -第 102 节工程管理子目号子目名称单位工程量计量工程内容计算或组价注意事项102 工程管理102-1 竣工文件总额以总额为单位计量按《公路工程竣(交)工验收办法》、《公路工程竣(交)工验收办法实施细则》及合同条款规定进行编制组价方案Ⅰ 工程量清单第 100 章(不包括本项)至第900 章的合计金额×预估费率。
预估费率一般为5‰左右,最好能根据当地企业和类似项目相关的竣工文件费用进行统计。
组价方案Ⅱ 根据招标文件和《公路工程竣(交)工验收办法》的规定估算竣工文件资料的数量,估算其设备、耗材等的用量来估价。
组价方案Ⅲ 按临时设施费的 3-5。
102-2 施工环保费总额以总额为单位计量按招标文件技术规范 102.11 小节及合同条款规定落实环境保护按临时设施费的。
102-3 安全生产费总额以工程量清单第 100 章(不含安全生产费及保险费)至第900 章的合计金额为基数,乘以按投标价的 1.5(若招标人公布了最高投标限价时,按最高投标限价的1.5)以总额为单位计量按招标文件技术规范 102.13 小节及合同条款规定落实安全生产企业安全生产费用提取和使用管理办法(财企[2012] 16 号})102-4 信息化系统(暂估价)总额以暂估价的形式按总额计量 1.工程信息化系统的配置、维护、备份管理及网络构筑;2.系统操作人员培训、劳务通过批准的业主估定值。
一个合同段约 30-80 万元。
- 2 -第 103 节临时工程与设施- 3 -第 104 节承包人驻地建设输电线路、干线三线橡皮线输电线路、支线输电线路等定额103-4 电信设施的总额以总额为单位计量按招标文件技术规范103.02 组价方案Ⅰ 根据设计图表和施工组织列明的供电设施的提供、维修与拆小节及合同条款规定完成电信种类及其数量、使用时间和测算的单价计算/例如:设备数除设施的提供、维修与拆除量×单价、光纤长度×单价、使用时间×月维护单价。
工程量清单第100章费用定义(共2页)-本页仅作为预览文档封面,使用时请删除本页-《公路工程工程量清单计量计价规则》总则说明1.本章总则包括:保险费、工程管理、临时工程与设施、承包人驻地建设费用等内容。
2. 保险费分为工程一切险和第三方责任险:工程一切险是为永久工程、临时工程和设备及已运至施工工地用于永久工程的材料和设备所投的保险。
第三方责任险是对因实施本合同工程而造成的财产(本工程除外)的损失和损害或人员(业主和承包人雇员除外)的死亡或伤残所负责任进行的保险。
保险费率按议定保险合同费率办理。
3.工程管理包括竣工文件、施工环保费、安全生产费和工程管理软件。
竣工文件是承包人对承建工程,在竣工后按交通部发布的《公路工程竣(交)工验收办法》的要求,编制竣工图表、资料所需的费用。
施工环保费:是承包人在施工过程中采取预防和消除环境污染措施所需的费用。
安全生产费:是承包人在施工过程中采取安全措施所需的费用。
工程管理软件:是发包人指定要求承包人统一配备的软件系统,并建立网络系统所需的费用。
4.临时工程与设施包括临时道路、临时用地、临时供电设施、电信设施的提供、维修与拆除以及供水与排污设施。
临时道路(包括便道、便桥、便涵、码头)是承包人为实施与完成工程建设所必须修建的设施,包括工程竣工后的拆除与恢复。
临时用地是承包人为完成工程建设,临时占用土地的租用费,工程完工后承包人应自费负责恢复到原来的状况,不另行计量。
临时供电设施是承包人为完成工程建设所需要的临时电力设施的架设、维修与拆除的费用,不包括使用费。
电信设施的提供、维修与拆除是承包人为完成工程建设所需要的临时电讯设施的架设、维修与拆除的费用,不包括使用费。
供水与排污设施是承包人为完成工程建设提供、安装、保养和拆除全部施工和生活用水设施,安装、维修、管理和拆除临时排污系统的费用。
5.承包人的驻地建设包括承包人的驻地建设和场地建设:承包人驻地建设是指承包人为工程建设必须临时修建的承包人住房、办公房、加工车间、仓库、试验室和必要的医疗卫生、消防设施所需的费用,其中包括拆除与恢复到原来的自然状况的费用。
1.2第100章总则1。
2.1一般规定1。
2。
1.1本章为总则,主要包括保险费、工程管理、临时工程与设施、承包人驻地建设等内容。
1.2.1。
2保险费分工程一切险和第三方责任险。
工程一切险是为永久工程、临时工程和设备及已运至施工工地用于永久工程的材料和设备所投的保险。
第三方责任险是对因实施本合同工程而造成的财产(本工程除外)的损失和损害或人员(业主和承包人雇员除外)的死亡或伤残所负责任进行的保险.保险费率按议定保险合同费率办理(保险期限应至竣工验收为止),根据保单实际额度予以计量,当保单中的工程一切险和第三方责任险二险合一而难以分开时,可根据实际总额合理分摊。
1.2。
1。
3竣工文件费是承包人对承建工程,按交通部发布的《公路工程竣(交)工验收办法》及其它有关规定的要求,编制竣工图表、资料所需的费用。
1。
2.1.4施工环保费是承包人在施工过程中采取预防和消除环境污染措施所需的费用.. 1。
2。
1。
5施工安保费是承包人在施工过程中采取安全保护措施,以保护现场施工、监理人员及公众的生命、健康、安全及方便所需的费用。
为完善安全措施,规范安全管理,强化安全意识,该部分费用应作为单独计价内容,可根据工程规模大小或安全措施需要,以清单第100章(不含施工安保费本身)至900章合计金额不少于1%的某一约定百分率计列。
1.2.1。
6信息化建设是依据无纸化、网络化等办公和管理要求而所需的软硬件、网络平台建设等费用,由招标人根据项目实际需要估列一个总额,以专项暂定金形式计列.1.2。
1。
7路基沉降及变位第三方监测费是依据路基工程施工、稳定监测、质量控制和评价以及沉降量计算等需要而所需的第三方独立监测费用,由招标人根据项目实际需要估列一个总额,以专项暂定金形式计列.1.2.1.8机电工程专项费用是依据机电工程专业特点和实际需要而设立的专项费用,主要包括系统测试费、联网测试费、培训费等内容。
1.2。
1.9临时道路(包括便道、便桥、便涵、码头)是承包人为实施与完成工程建设所必须修建的设施,包括工程竣工后的拆除与恢复。
第100章?总则一般规定本章为总则,主要包括保险费、工程管理、临时工程与设施、承包人驻地建设等内容。
? 保险费分工程一切险和第三方责任险。
工程一切险是为永久工程、临时工程和设备及已运至施工工地用于永久工程的材料和设备所投的保险。
第三方责任险是对因实施本合同工程而造成的财产(本工程除外)的损失和损害或人员(业主和承包人雇员除外)的死亡或伤残所负责任进行的保险。
保险费率按议定保险合同费率办理(保险期限应至竣工验收为止),根据保单实际额度予以计量,当保单中的工程一切险和第三方责任险二险合一而难以分开时,可根据实际总额合理分摊。
竣工文件费是承包人对承建工程,按交通部发布的《公路工程竣(交)工验收办法》及其它有关规?定的要求,编制竣工图表、资料所需的费用。
施工环保费是承包人在施工过程中采取预防和消除环境污染措施所需的费用。
.施工安保费是承包人在施工过程中采取安全保护措施,以保护现场施工、监理人员及公众的生命、健康、安全及方便所需的费用。
为完善安全措施,规范安全管理,强化安全意识,该部分费用应作为单独计价内容,可根据工程规模大小或安全措施需要,以清单第100章(不含施工安保费本身)至900章合计金额不少于1%的某一约定百分率计列。
信息化建设是依据无纸化、网络化等办公和管理要求而所需的软硬件、网络平台建设等费用,由招标人根据项目实际需要估列一个总额,以专项暂定金形式计列。
路基沉降及变位第三方监测费是依据路基工程施工、稳定监测、质量控制和评价以及沉降量计算等需要而所需的第三方独立监测费用,由招标人根据项目实际需要估列一个总额,以专项暂定金形式计列。
机电工程专项费用是依据机电工程专业特点和实际需要而设立的专项费用,主要包括系统测试费、联网测试费、培训费等内容。
临时道路(包括便道、便桥、便涵、码头)是承包人为实施与完成工程建设所必须修建的设施,包括工程竣工后的拆除与恢复。
临时用地费是承包人为完成工程建设,临时占用土地的租用费。
1.2第100章总则1.2.1 一般规定1.2.1.1本章为总则,主要包括保险费、工程管理、等内容。
1.2.1.2保险费分工程一切险和第三方责任险。
工程一切险是为永久工程、临时工程和设备及已运至施工工地用于永久工程的材料和设备所投的保险。
第三方责任险是对因实施本合同工程而造成的财产(本工程除外)的损失和损害或人员(业主和承包人雇员除外)的死亡或伤残所负责任进行的保险。
保险费率按议左保险合同费率办理(保险期限应至竣工验收为止),根据保单实际额度予以汁量,当保单中的工程一切险和第三方责任险二险合一而难以分开时,可根据实际总额合理分摊。
1.2.1.3竣工文件费是承包人对承建工程,按交通部发布的《公路工程竣(交)工验收办法》及其它有关规泄的要求,编制竣工图表、资料所需的费用。
1.2.1.4施工环保费是承包人在施工过程中采取预防和消除环境污染描施所需的费用。
.1.2.1.5施工安保费是承包人在施工过程中采取安全保护措施,以保护现场施工、监理人员及公众的生命、健康、安全及方便所需的费用。
为完善安全措施,规范安全管理,强化安全意识,该部分费用应作为单独计价内容,可根据工程规模大小或安全措施需要,以淸单第100章(不含施工安保费本身)至900章合讣金额不少于1%的某一约左百分率计列。
1.2.1.6信息化建设是依据无纸化、网络化等办公和管理要求而所需的软硬件、网络平台建设等费用,由招标人根据项目实际需要估列一个总额,以专项暂泄金形式汁列。
1.2.1.7路基沉降及变位第三方监测费是依据路基工程施工、稳泄监测、质呈:控制和评价以及沉降量il•算等需要而所需的第三方独立监测费用,由招标人根据项目实际需要估列一个总额,以专项暂定金形式计列。
1.2.1.8机电工程专项费用是依据机电工程专业特点和实际需要而设立的专项费用,主要包括系统测试费、联网测试费、培训费等内容。
1.2.1.101.2.1.111.2.1.12供水与排污设施是承包人在实施和维修本工程期间提供、安装、维修、保养、管理以及拆除全部施工和生活用水设施、排污(污水、废水、垃圾等)设施,以及保证施工用水要求和按国家规定的生活饮用水标准持续不断地供水所需费用。