出租汽车驾驶员服务质量信誉考核评分标准
- 格式:docx
- 大小:13.07 KB
- 文档页数:4
出租汽车服务质量信誉考核实施细则一、背景与意义随着城市化进程的加快和经济的发展,出租汽车作为城市交通的重要组成部分,扮演着越来越重要的角色。
出租汽车服务质量的好坏对城市形象和市民出行体验有着重要的影响。
因此,建立和完善出租汽车服务质量信誉考核制度是必要的。
二、考核目标和内容(一)考核目标:1.提高出租汽车服务质量,满足市民的出行需求;2.维护公平竞争的市场环境,推动出租汽车行业的健康发展;3.建立健全信誉机制,形成良好的市场秩序。
(二)考核内容:1.服务态度:司机对乘客是否友好、礼貌、热情;2.安全意识:司机驾驶技术是否过硬、是否遵守交通规则;3.车辆状态:出租车的车况是否良好、是否定期维修保养;4.服务时效:司机的服务速度是否快捷,是否根据乘客的需求确定最佳路线;5.投诉情况:投诉的发生次数、原因及处理结果,以及司机的投诉解决能力。
三、考核机制和办法(一)考核机制:1.市交通管理部门负责制定考核标准,每年对出租汽车公司及其所属的司机进行考核;2.考核结果将作为出租汽车公司与驾驶员的绩效评估依据,影响其续约与奖惩。
(二)考核办法:1.考核标准:市交通管理部门根据市民需求和行业实际情况,制定相应的考核标准,并公布给出租汽车公司和驾驶员;2.考核周期:每年一次,从1月1日开始至12月31日结束;3.考核对象:出租汽车公司及其所属的驾驶员;4.考核内容:参考第二部分的考核内容,按一定比例分配权重;5.考核方法:采用网上投票和实地考察相结合的方式进行考核。
四、考核结果与奖惩办法(一)考核结果:1.考核结果根据得分进行等级划分,分为A、B、C、D四个等级(A 表示优秀,D表示不及格);2.考核结果将公布于市交通管理部门官方网站和公众查询平台。
(二)奖惩办法:1.考核结果优秀的出租汽车公司和驾驶员将获得相应的奖励,包括但不限于奖金、荣誉证书等;2.考核结果不及格的出租汽车公司和驾驶员将受到相应的惩罚,包括但不限于罚款、暂停运营资格等;3.涉及严重违法违规行为的,将立即取消其运营资格。
出租汽车服务质量信誉考核办法(试行)第一章总则第一条为规范出租汽车经营行为,建立完善出租汽车行业诚信体系,提升出租汽车服务水平,根据国家有关规定,制定本办法。
第二条出租汽车服务质量信誉考核,应当遵守本办法。
出租汽车服务质量信誉考核,包括对出租汽车企业和驾驶员的服务质量信誉考核.第三条出租汽车服务质量信誉考核工作应当遵守公开、公平、公正的原则。
第四条交通运输部负责指导全国出租汽车服务质量信誉考核工作。
县级以上人民政府交通运输主管部门负责组织领导本行政区域内的出租汽车服务质量信誉考核工作。
县级以上道路运输管理机构(含出租汽车管理机构,下同)具体实施本行政区域内的出租汽车服务质量信誉考核工作。
第二章服务质量信誉考核等级第五条出租汽车企业和驾驶员服务质量信誉考核等级分为优良、合格、基本合格和不合格,分别用AAA级、AA级、A级和B级表示。
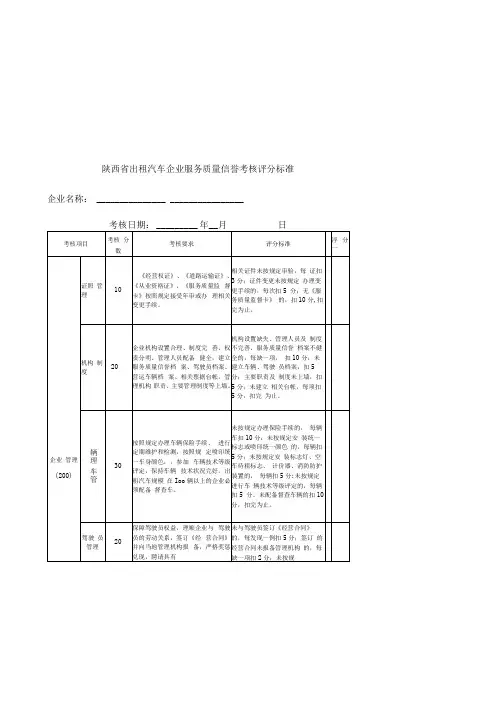
第六条出租汽车企业服务质量信誉考核指标包括:(一)企业管理指标:管理制度、合同管理、驾驶员权益保障、信息化建设、服务质量信誉档案、保险、企业文化、职工教育培训等情况;(二)安全运营指标:安全责任落实、交通责任事故率、交通责任事故伤人率、交通责任事故死亡率等情况;(三)经营行为指标:交通违法行为、经营违法行为等情况;(四)运营服务指标:车容车貌、服务评价、乘客投诉及处理、媒体曝光等情况;(五)社会责任指标:维护行业稳定、节能减排与环保等情况;(六)加分项目:正负及部门表彰奖励、社会公益、新能源出租汽车使用等情况。
第七条出租汽车企业服务质量信誉考核实行基准分值为1000分的计分制,另外加分分值为100分。
考核周期为每年的1月1日至12月31日.第八条出租汽车企业服务质量信誉等级按照下面标准行评定:(一)考核周期内综合得分在850分以上,且其出租汽车驾驶员服务质量信誉等级为AA级以上的比例不少于90%的,为AAA级;(二)考核周期内综合得分在700分至849分之间的,或者综合得分在50分以上,但其出租汽车驾驶员服务质量信誉考核等级为AA级以及以上的比例低于90%的,为AA 级;(三)考核周期内综合得分在600分至699分之间的,为A级;(四)考核周期内有下列情形之一的,考核等级为B级: 1。
出租汽车服务质量信誉考核办法(试行)第一章总则第一条为规范出租汽车经营行为,建立完善出租汽车行业诚信体系,提升出租汽车服务水平,根据国家有关规定,制定本办法。
第二条出租汽车服务质量信誉考核,应当遵守本办法。
出租汽车服务质量信誉考核,包括对出租汽车企业和驾驶员的服务质量信誉考核。
第三条出租汽车服务质量信誉考核工作应当遵守公开、公平、公正的原则.第四条交通运输部负责指导全国出租汽车服务质量信誉考核工作.县级以上人民政府交通运输主管部门负责组织领导本行政区域内的出租汽车服务质量信誉考核工作。
县级以上道路运输管理机构(含出租汽车管理机构,下同)具体实施本行政区域内的出租汽车服务质量信誉考核工作。
第二章服务质量信誉考核等级第五条出租汽车企业和驾驶员服务质量信誉考核等级分为优良、合格、基本合格和不合格,分别用AAA级、AA级、A级和B级表示。
第六条出租汽车企业服务质量信誉考核指标包括:(一)企业管理指标:管理制度、合同管理、驾驶员权益保障、信息化建设、服务质量信誉档案、保险、企业文化、职工教育培训等情况;(二)安全运营指标:安全责任落实、交通责任事故率、交通责任事故伤人率、交通责任事故死亡率等情况;(三)经营行为指标:交通违法行为、经营违法行为等情况;(四)运营服务指标:车容车貌、服务评价、乘客投诉及处理、媒体曝光等情况;(五)社会责任指标:维护行业稳定、节能减排与环保等情况;(六)加分项目:正负及部门表彰奖励、社会公益、新能源出租汽车使用等情况。
第七条出租汽车企业服务质量信誉考核实行基准分值为1000分的计分制,另外加分分值为100分。
考核周期为每年的1月1日至12月31日。
第八条出租汽车企业服务质量信誉等级按照下面标准行评定:(一)考核周期内综合得分在850分以上,且其出租汽车驾驶员服务质量信誉等级为AA级以上的比例不少于90%的,为AAA级;(二)考核周期内综合得分在700分至849分之间的,或者综合得分在850分以上,但其出租汽车驾驶员服务质量信誉考核等级为AA级以及以上的比例低于90%的,为AA 级;(三)考核周期内综合得分在600分至699分之间的,为A级;(四)考核周期内有下列情形之一的,考核等级为B级:1。
出租汽车服务质量信誉考核办法(试行)第一章总则第一条为规范出租汽车经营行为,建立完善出租汽车行业诚信体系,提升出租汽车服务水平,根据国家有关规定,制定本办法。
第二条出租汽车服务质量信誉考核,应当遵守本办法。
出租汽车服务质量信誉考核,包括对出租汽车企业和驾驶员的服务质量信誉考核。
第三条出租汽车服务质量信誉考核工作应当遵守公开、公平、公正的原则。
第四条交通运输部负责指导全国出租汽车服务质量信誉考核工作。
县级以上人民政府交通运输主管部门负责组织领导本行政区域内的出租汽车服务质量信誉考核工作。
县级以上道路运输管理机构(含出租汽车管理机构,下同)具体实施本行政区域内的出租汽车服务质量信誉考核工作。
第二章服务质量信誉考核等级第五条出租汽车企业和驾驶员服务质量信誉考核等级分为优良、合格、基本合格和不合格,分别用AAA级、AA级、A级和B级表示。
第六条出租汽车企业服务质量信誉考核指标包括:(一)企业管理指标:管理制度、合同管理、驾驶员权益保障、信息化建设、服务质量信誉档案、保险、企业文化、职工教育培训等情况;(二)安全运营指标:安全责任落实、交通责任事故率、交通责任事故伤人率、交通责任事故死亡率等情况;(三)经营行为指标:交通违法行为、经营违法行为等情况;(四)运营服务指标:车容车貌、服务评价、乘客投诉及处理、媒体曝光等情况;(五)社会责任指标:维护行业稳定、节能减排与环保等情况;(六)加分项目:正负及部门表彰奖励、社会公益、新能源出租汽车使用等情况。
第七条出租汽车企业服务质量信誉考核实行基准分值为1000分的计分制,另外加分分值为100分。
考核周期为每年的1月1日至12月31日。
第八条出租汽车企业服务质量信誉等级按照下面标准行评定:(一)考核周期内综合得分在850分以上,且其出租汽车驾驶员服务质量信誉等级为AA级以上的比例不少于90%的,为AAA级;(二)考核周期内综合得分在700分至849分之间的,或者综合得分在850分以上,但其出租汽车驾驶员服务质量信誉考核等级为AA级以及以上的比例低于90%的,为AA级;(三)考核周期内综合得分在600分至699分之间的,为A级;(四)考核周期内有下列情形之一的,考核等级为B级:1.综合得分在600分以下的;2.出租汽车驾驶员有20%以上服务质量信誉等级考核等级为B级的;3.发生一次死亡3人以上交通事故且负同等或主要责任的;4.发生一次特大恶性服务质量事件的;5.违反法律法规,组织或引发影响社会公共秩序,损害社会公共利益的停运事件的;6.损害出租汽车驾驶员合法利益,造成严重后果或引起重大信访事件发生的;7.不参加服务质量信誉考核工作的。
出租汽车服务质量信誉考核办法(试行)第一章总则第一条为规范出租汽车经营行为,建立完善出租汽车行业诚信体系,提升出租汽车服务水平,根据国家有关规定,制定本办法。
第二条出租汽车服务质量信誉考核,应当遵守本办法。
出租汽车服务质量信誉考核,包括对出租汽车企业和驾驶员的服务质量信誉考核。
第三条出租汽车服务质量信誉考核工作应当遵守公开、公平、公正的原则。
第四条交通运输部负责指导全国出租汽车服务质量信誉考核工作。
县级以上人民政府交通运输主管部门负责组织领导本行政区域内的出租汽车服务质量信誉考核工作。
县级以上道路运输管理机构(含出租汽车管理机构,下同)具体实施本行政区域内的出租汽车服务质量信誉考核工作。
第二章服务质量信誉考核等级第五条出租汽车企业和驾驶员服务质量信誉考核等级分为优良、合格、基本合格和不合格,分别用AAA级、AA级、A级和B级表示。
第六条出租汽车企业服务质量信誉考核指标包括:(一)企业管理指标:管理制度、合同管理、驾驶员权益保障、信息化建设、服务质量信誉档案、保险、企业文化、职工教育培训等情况;(二)安全运营指标:安全责任落实、交通责任事故率、交通责任事故伤人率、交通责任事故死亡率等情况;(三)经营行为指标:交通违法行为、经营违法行为等情况;(四)运营服务指标:车容车貌、服务评价、乘客投诉及处理、媒体曝光等情况;(五)社会责任指标:维护行业稳定、节能减排与环保等情况;(六)加分项目:正负及部门表彰奖励、社会公益、新能源出租汽车使用等情况。
第七条出租汽车企业服务质量信誉考核实行基准分值为1000分的计分制,另外加分分值为100分。
考核周期为每年的1月1日至12月31日。
第八条出租汽车企业服务质量信誉等级按照下面标准行评定:(一)考核周期内综合得分在850分以上,且其出租汽车驾驶员服务质量信誉等级为AA级以上的比例不少于90%的,为AAA级;(二)考核周期内综合得分在700分至849分之间的,或者综合得分在850分以上,但其出租汽车驾驶员服务质量信誉考核等级为AA级以及以上的比例低于90%的,为AA级;(三)考核周期内综合得分在600分至699分之间的,为A级;(四)考核周期内有下列情形之一的,考核等级为B级:1.综合得分在600分以下的;2.出租汽车驾驶员有20%以上服务质量信誉等级考核等级为B级的;3.发生一次死亡3人以上交通事故且负同等或主要责任的;4.发生一次特大恶性服务质量事件的;5.违反法律法规,组织或引发影响社会公共秩序,损害社会公共利益的停运事件的;6.损害出租汽车驾驶员合法利益,造成严重后果或引起重大信访事件发生的;7.不参加服务质量信誉考核工作的。
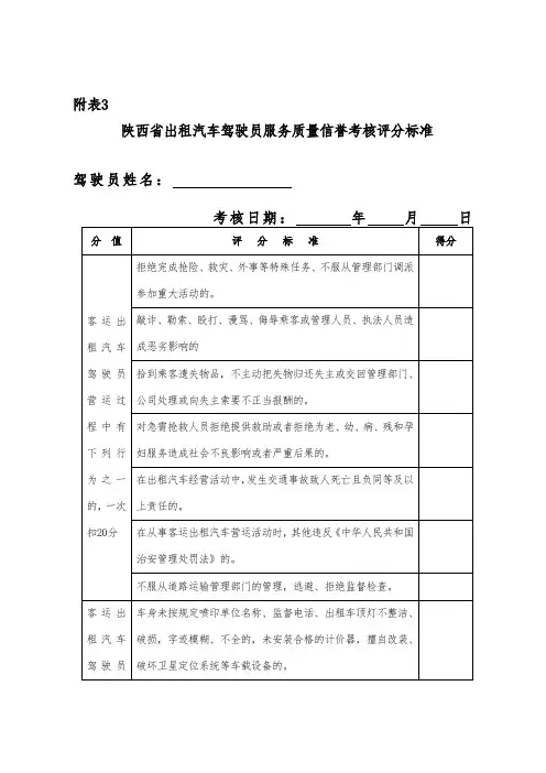
临沂市出租汽车驾驶员服务质量信誉考核评分标准一、出租汽车驾驶员有所列情形之一的,扣20分(1)在出租汽车经营活动中,发生交通事故致人死亡且负同等或主要责任的。
(2)驾驶未取得出租汽车营运证的车辆,擅自从事出租汽车经营活动的。
(3)出租或者转让出租汽车驾驶员从业资格证件的。
(4)将出租汽车交给无从业资格证件的人员驾驶,并从事出租汽车经营活动的。
(5)私自改装、调整计价器造成计费失准的。
(6)拒绝接受依法检查的。
(7)违反法律法规,参与影响社会公共秩序、损害社会公众利益等停运事件的。
(8)本次考核过程中或者上一次考核等级签注后,发现有弄虚作假或者隐瞒诚信考核相关情况,且情节严重的。
(9)敲诈、勒索、辱骂、殴打乘客的。
(10)非法占有乘客遗失物品的。
(11)其他行为情节恶劣造成重大不良社会影响的。
二、出租汽车驾驶员有所列情形之一的,扣10分(1)在出租汽车经营活动中,发生交通事故致人受伤且负同等或主要责任的。
(2)擅自涂改、伪造、变造出租汽车从业资格证件上相关记录的。
(3)无正当理由拒载的。
(4)营运途中无正当理由擅自中断服务的。
(5)不积极配合处理乘客投诉或者纠纷的。
(6)未办理出租车服务监督卡或使用无效监督卡,并从事出租车经营活动的。
(7)驾驶未按规定进行技术等级评定或维护备案的车辆,并从事出租车经营活动的。
(8)未经乘客同意,故意绕道的。
(9)未经乘客同意,强行合乘的。
(10)不按计价器显示金额收费的。
(11)超出经营区域后显示空车待租标志或承接客人的。
三、出租汽车驾驶员有所列情形之一的,扣5分(1)接受预约服务而未前往载客的。
(2)未按规定参加主管部门组织的会议、培训等活动的。
(3)未按规定携带出租车汽车营运证、驾驶员从业资格证件,从事出租车经营活动的。
(4)未按规定随车携带有效消防器材的。
(5)计价器、待租标志灯、卫星定位设备等车载运营设备不能正常使用而继续运营的。
(6)未经批准擅自在车上安装、张贴其他实施和广告的。
成都市客运出租汽车服务质量信誉考核办法第一章总则第一条为规范出租汽车经营行为,建立完善出租汽车行业诚信体系,提升出租汽车服务水平,根据交通运输部《出租汽车服务质量信誉考核办法(试行)》、《成都市客运出租汽车管理条例》和国家有关规定,制定本办法.第二条成都市客运出租汽车服务质量信誉考核,应当遵守本办法。
出租汽车服务质量信誉考核,包括对出租汽车经营企业和驾驶员的服务质量信誉考核。
第三条出租汽车服务质量信誉考核工作应当遵守公开、公平、公正的原则。
第四条成都市交通运输委员会负责组织领导我市行政区域内的出租汽车服务质量信誉考核工作。
成都市交通运输委员会所属出租汽车管理机构负责锦江区、青羊区、金牛区、武侯区、成华区行政区划和双流国际机场、机场高速公路范围内本办法的实施,其他区(市)县出租汽车管理机构负责属地范围内出租汽车服务质量信誉考核工作。
第二章服务质量信誉考核等级第五条客运出租汽车企业和驾驶员服务质量信誉考核等级分为优良、合格、基本合格和不合格,分别用AAA级、AA 级、A级和B级表示。
第六条客运出租汽车企业服务质量信誉考核指标包括:(一)企业管理:机构或岗位、人员设置、管理制度、合同管理、驾驶员权益保障、信息化建设、服务质量信誉档案、保险、企业文化、职工教育培训、落实管理制度、落实行业要求、政府及部门通报表扬或批评等情况:(二)安全营运:安全责任落实、交通责任事故率、交通责任事故伤人率、交通责任事故死亡率等情况;(三)经营行为:交通违法行为、经营违法行为等情况;(四)运营服务:车容车貌、服务评价、乘客投诉及处理、媒体曝光等情况;(五)社会责任:维护行业稳定、节能减排与环保等情况;(六)加分项目:政府及部门表彰奖励、参加社会公益活动、媒体表扬、完成政府指令性任务、新能源出租汽车使用等情况。
第七条客运出租汽车企业服务质量信誉考核实行基准分值为1000分的计分制,另设加分分值。
考核周期为每年的1月1日至12月31日。
巡游出租汽车驾驶员服务质量信誉考核评分指标巡游出租汽车驾驶员的服务质量信誉是保障顾客获得优质服务的重要标准。
下面是一些可能的考核评分指标:1. 司机的态度:评估司机在接待客户时的礼貌和专业态度。
包括微笑、问候、主动打开车门等,以及与乘客交谈的时候是否友好和尊重。
2. 知识和专业性:考察司机对执业地区交通规则和道路情况的了解程度。
司机应具备较高的驾驶技能,能够熟练驾驶,提供平稳安全的乘坐体验。
3. 出租车的清洁度和整洁度:评估出租车内部和外部的清洁度。
司机应时刻保持车内干净整洁,并定期进行车辆清洁和维护。
4. 搜索引擎评价:考察司机在互联网搜索引擎平台上的评价和评分。
根据客户的实际乘车经历和评价,对司机的服务质量进行评估。
5. 违章违法记录:查看司机的交通记录,评估司机是否遵守交通规则。
司机应该是一个合法的驾驶员,遵守交通法规,尽量避免违章行为。
6. 司机接送时间:评估司机的准时性和优良的接送服务。
司机应及时到达接送地点,根据客户的需求提供高效的服务。
7. 乘车体验调查:通过顾客的乘车体验调查,评估司机的服务质量。
可以询问乘客有关服务态度、驾驶技术、车辆状态等方面的意见和建议。
8. 投诉记录:检查司机的投诉记录,评估司机的信誉状况。
对于频繁收到投诉的司机,应加强管理和培训,提高服务质量。
基于以上的考核评分指标,可以对巡游出租汽车驾驶员的服务质量信誉进行全面评估和记录。
这样可以帮助相关部门和顾客选择适合的司机,并倒逼巡游出租汽车驾驶员提高服务质量,维护行业声誉。
随着巡游出租汽车行业的发展,出租车驾驶员的服务质量信誉逐渐成为了对顾客满意度和行业形象的重要衡量标准。
一个优秀的巡游出租汽车驾驶员不仅要具备良好的驾驶技术,还需要具备优质的服务态度和专业的工作素养。
为了确保顾客能够得到满意的服务,丰富的评分指标是必不可少的。
首先,司机的态度是评估服务质量的重要因素之一。
一个亲切友好、有礼貌的司机能够给乘客留下良好的印象。
巡游出租汽车企业服务质量信誉考核评分标准巡游出租汽车企业的服务质量和信誉是衡量其发展和竞争力的重要指标之一。
为了能够客观、全面地评估巡游出租汽车企业的服务质量和信誉,可以制定以下考核评分标准:1. 司机服务:- 司机素质:礼貌、亲和力、驾驶技术等方面的评估。
- 安全驾驶:是否遵守交通规则,是否有违章记录。
- 车辆整洁:车内是否干净整洁,车辆外观是否整洁。
2. 车辆质量:- 车况良好:车辆是否经过定期维护保养,是否存在故障问题。
- 车辆配置齐全:车载导航、空调、车载WiFi等设施是否正常运作。
3. 服务态度:- 客户满意度:从乘客的反馈和评价中评估其满意度。
- 投诉处理:对于存在的投诉,企业是否及时处理并采取措施予以解决。
4. 车辆安全:- 安全设施:车辆是否设置了安全带、灭火器等安全设施。
- 意外事故记录:车辆是否有过重大交通事故记录。
5. 价格合理性:- 服务价格:与市场价格相比,是否存在明显差异。
- 收费透明:是否存在不合理的加价或隐藏费用。
6. 合规运营:- 合法经营:企业是否具备合法的营业执照和相关经营牌照。
- 遵守规章制度:企业是否遵守相关政府规章制度,是否存在违规营运行为。
以上是对巡游出租汽车企业服务质量和信誉考核评分标准的一些建议。
具体评分标准可以根据地区政府的要求以及市场需求进行调整和完善。
同时,应建立一个相应的监管机构,对巡游出租汽车企业进行监督和管理,确保评分标准的公平性和透明度。
巡游出租汽车企业服务质量和信誉的考核评分标准是保障行业健康发展的重要手段。
以下是对相关内容的进一步探讨,包括考核指标的具体内容、评分标准的设立和实施等。
一、考核指标的具体内容1. 司机服务:- 司机素质:对司机进行行为、态度、语言等方面的考核,包括礼貌和亲和力的评估。
- 驾驶技术:评估司机的驾驶技术和安全意识,包括是否按规定使用安全带、遵守交通规则等。
- 客户评价:定期对乘客进行满意度调查,收集乘客对司机服务的评价。
巡游出租汽车企业服务质量信誉考核评分标准巡游出租汽车企业服务质量信誉考核评分标准是用来评估企业在服务质量和信誉方面的表现,以帮助消费者选择优质的巡游出租汽车企业。
以下是一些可能用于评分的标准:1. 服务态度:考核企业的员工是否友好、热情,并能够提供专业的服务。
评分可根据消费者的评价和投诉情况来确定。
2. 车辆状况:评估企业的车辆是否干净、整洁,并且保持良好的维护状况。
车辆的安全性也应被考虑在内。
3. 出行时间:考察企业是否能够及时提供服务,是否能够按时接送乘客。
晚点和错过接送乘客的情况将会影响企业的评分。
4. 价格公正:评估企业的收费标准是否合理,是否公开透明,以及是否存在额外的隐性费用。
5. 乘客评价:评价企业的乘客反馈,包括评分和评价内容。
较高的评分和正面评价有助于提高企业的信誉。
6. 投诉处理:考核企业的投诉处理程序和效率。
企业应该及时回应投诉,并能够妥善解决问题。
7. 客户隐私保护:评估企业是否遵守隐私保护的法律和规定。
企业应该妥善保护客户的个人信息,防止信息泄露和滥用。
8. 企业信誉记录:评估企业的信誉记录,包括公开的法律诉讼、罚款和违规记录等。
这些记录会对企业的信誉产生影响。
以上是一些可能的评分标准,巡游出租汽车企业可以根据实际情况进行适当的调整和补充。
通过这些评分标准,消费者可以更好地了解企业的服务质量和信誉,从而做出更好的选择。
巡游出租汽车企业服务质量信誉考核评分标准的重要性不容忽视。
对于消费者而言,选择一家值得信赖的巡游出租汽车企业可以保证旅途的安全与舒适。
而对于企业而言,良好的评分可以帮助其树立良好的信誉,吸引更多的乘客并提高市场竞争力。
因此,制定科学合理的评分标准尤为关键。
首先,服务态度是考核评分的重要指标之一。
员工的友好和热情、专业的服务确保了乘客的满意度。
有礼貌的司机、积极解决问题、耐心回答乘客的问题,这些都会受到乘客的好评。
同时,及时处理投诉,妥善解决纠纷也是衡量企业服务态度的重要指标。
吉林省出租汽车服务质量信誉考核办法(试行)第一章总则第一条为加强全省出租汽车行业管理,规范出租汽车经营行为,提高出租汽车服务质量,根据《吉林省城市公共客运管理条例》、交通运输部《出租汽车服务质量信誉考核办法(试行)》、《吉林省城市公共客运服务规范(试行)》和《吉林省城市公共客运管理工作规范(试行)》等规定,制定本办法。
第二条本办法适用于全省范围内出租汽车企业、个体户和驾驶员的服务质量信誉考核。
第三条服务质量信誉考核工作应当遵循公开、公平、公正的原则。
第四条县级以上交通运输主管部门负责组织指导本行政区域内的出租汽车服务质量信誉考核工作。
县级以上道路运输管理机构(含出租汽车管理机构,下同)具体实施本行政区域内的出租汽车服务质量信誉考核工作。
第二章服务质量信誉考核等级第五条出租汽车企业、个体户和驾驶员服务质量信誉考核等级分为优良、合格、基本合格和不合格,分别用AAA 级、AA级、A级和B级表示。
第六条出租汽车企业服务质量信誉考核指标包括:(一)企业管理指标:证照管理、组织机构、制度建设、驾驶员管理、车辆管理、信息化建设、档案管理、保险、培训教育、组织协调、文明创建等情况;(二)安全运营指标:安全责任、安全行车等情况;(三)经营行为指标:企业经营、车辆运营等情况;(四)运营服务指标:车容车貌、服务评价、乘客投诉处理、媒体曝光等情况;(五)社会责任指标:维护行业稳定、节能减排与环保等情况;(六)加分项目:政府及部门奖励表彰、社会公益、公车公营、驾驶员考核、新能源出租汽车使用等情况。
第七条出租汽车企业服务质量信誉考核实行基准分值为1000分的计分制,另外加分分值为100分。
第八条出租汽车企业服务质量信誉考核等级,由道路运输管理机构按照下列标准进行评定:(一)考核周期内综合得分不低于850分的,且其出租汽车驾驶员服务质量信誉等级为AA级及以上的比例不少于90%的,为AAA级;(二)考核周期内综合得分在700分至849分之间的,或者综合得分在850分以上,但其出租汽车驾驶员服务质量信誉等级为AA级及以上的比例低于90%的,为AA级;(三)考核周期内综合得分在600分至699分之间的,为A级;(四)考核周期内有下列情形之一的,等级为B级:1、综合得分在600分以下的;2、出租汽车驾驶员有20%以上服务质量信誉考核等级为B级的;3、发生一次死亡3人及以上交通事故且负同等或主要责任的;4、发生一次重特大恶性服务质量事件的;5、违反法律法规,组织或引发影响社会公共秩序,损害社会公共利益的停运事件的;6、严重损害出租汽车驾驶员合法利益,造成严重后果或引起重大信访事件发生的;7、不参加服务质量信誉考核工作的。