基础工程课程设计任务书及例题
- 格式:docx
- 大小:65.47 KB
- 文档页数:17
《基础工程》课程设计任务书开题日期: 2014年 5月 26 日完成日期: 2014年 6 月 1 日一、设计目的通过本次设计,让学生初步掌握柱下钢筋混凝土独立基础的设计步骤、方法及具体的计算过程,并逐步培养从事基础工程浅基础的设计能力。
二、设计内容(一)设计题目柱下钢筋混凝土独立基础(二)设计内容1、确定基础埋深;2、按持力层承载力特征值确定基础底面尺寸;3、验算地基变形;4、基础结构设计:拟定基础剖面尺寸,进行内力分析、强度验算和配筋设计,并满足构造设计要求;5、绘制基础施工图,包括基础平面图、立面图及配筋图。
三、设计资料1、地形拟建建筑场地平整2、工程地质资料自上而下依次为:①号土层填土:厚约0.5 m,含部分建筑垃圾;②号土层粉质黏土:厚1.2 m,软塑,潮湿,承载力特征值f ak=130 kpa;③号土层黏土:厚1.5 m,可塑,稍湿,承载力特征值f ak=180 kpa;④号土层,细砂,层厚2.7 m,中密,承载力特征值f ak=240 kpa;⑤号土层,强风化砂质泥岩,厚度未揭露,承载力特征值f ak=300 kpa。
3、岩土设计技术参数地基岩土物理力学参数如表1所示。
表1 地基岩土物理力学参数表4、水文资料为地下水对混凝土无侵蚀性;地下水位于地表下1.5 m 。
5、上部结构资料上部结构为多层全现浇框架结构,室外地坪标高同自然地面,室内外高差450mm 。
柱网布置见图1,图中仅画出了1-6列柱子,其余7-10列柱子和4-1列柱子对称。
图1 柱网平面图重度 (γ) 孔隙比 (e ) 黏聚力 (c ) 内摩 擦角 (Φ) 压缩 系数 ( a 1-2)压缩 模量 (E s ) 抗压 强度 (f rk ) 承载力 特征值 (f ak )kN/m ³KPa度 1 MPaMPaMPaKPa① 杂填土 18 ② 粉质粘土20 0.65 34 13 0.20 10.0 130 ③ 粘土 19.4 0.58 25 23 0.22 8.2 180 ④全风化 砂质泥岩 2122300.8240⑤ 强风化 砂质泥岩 22 20 25 3.0 300⑥ 中风化 砂质泥岩24 15 40 4.0 6206、上部结构作用:柱底的荷载效应标准组合值和荷载效应基本组合值分别见表2和见表3。
基础工程(道路专业)课程设计任务书《基础工程》课程设计题目:城市高架花瓶式桥墩桩基础设计时间:月日至月日共 1 周专业:土木工程(道路)班级:学号:姓名:指导教师:课程设计任务书本课程设计对象为某城市高架桥花瓶式桥墩下桩基础设计,包括基桩设计和承台设计。
一、设计资料1.上部结构及荷载资料上部结构为等跨的钢筋混凝土预应力梁桥,标准跨径为35m,公路-Ⅱ级汽车荷载,荷载为纵向控制设计,作用于混凝土桥墩承台顶面纵桥向的荷载如下:2.地质资料桥位地形平坦,位于已有道路上,墩基处地层成层较规律。
地下水埋置较深,对工程建设无不良影响,无不良工程地质现象存在。
地层及其物理力学指标见下表。
桥位地层及参数二、设计内容及要求按给定的条件完成桥墩基础与地基的设计与检算。
具体要求如下:1.按给定的桥墩底面尺寸拟定承台平面尺寸;2.分析桥墩处地基土层情况确定承台埋深,初步拟定承台厚度;3.初步拟定桩径,及施工方式;4.根据荷载情况初步拟定桩长;5.单桩竖向承载力计算;6.基桩竖向承载力计算;7.基桩水平承载力计算8.基桩截面强度设计计算9.承台受弯、受剪、受冲切计算三、设计完成后提交的文件和图表1.计算说明书部分:编制计算说明书一份,设计计算说明书用A4纸手写。
整个说明书应满足计算过程完整、计算步骤清楚、文字简明、符号、绘图规范和版面美观的要求。
2.图纸部分:绘制3号配筋图一张。
图纸应用AutoCAD制作或手工绘制,而且应该表达正确、布局合理和尺寸齐全。
按说明书在前,图纸在后的顺序装订成册,交给指导老师评阅。
四、进程安排1.星期一:布置设计任务,查阅资料,完成设计内容的1-5项工作2.星期二:查阅资料,理解掌握考虑承台、基桩协同工作的土的弹性抗力作用计算受水平荷载的桩基(弹性多排桩内力和变为计算方法),进行6-8项设计计算3.星期三:完成6-8项设计计算4.星期四:完成设计内容第9项工作5.星期五:绘图6.整理、上交设计计算说明书及图纸。
基础工程课程设计任务书(2)一、设计课题设计课题11.设计基本条件某多层工业厂房基础平面如图一;厂房结构采用钢筋混凝土框架结构,底层平面设计标高为±0.000m,室内外高差600mm ,厂房框架柱传至基础的荷载如图一。
该厂房拟建三个地点地质条件均不相同,各地点的地质条件如图二。
课题如下:课题1:柱下独立基础设计(包括基础梁)课题2:柱下条形基础设计课题3:柱下桩基础设计设计课题2 1、设计资料:1、线路:双线、直线、坡度4‰、线间距离5.0m ,双块式无碴轨道及双侧1.7m 宽人行道,其重量为44.4KN/m 。
2、桥跨:等跨L=32m 无碴桥面单箱单室预应力混凝土梁,梁全长32.6m ,梁端缝0.1m ,梁高3.0m ,梁宽13.4m ,每孔梁重8530KN ,简支箱梁支座中心距梁端距离0.75m ,同一桥墩相邻梁支座间距1.6m 。
轨底至梁底高度为3.7m ,采用盆式橡胶支座,支座高0.173m ,梁底至支座铰中心0.09m 。
3、建筑材料:支承垫石、顶帽、托盘采用C40钢筋混凝土,墩身采用C30混凝土,桩身采用C25混凝土。
4、地质及地下水位情况:标高(m )地质情况厚度(m )36.79~36.29 耕地0.5 36.29~30.79 软塑砂粘土 5.5 30.79~21.29 粉砂9.5 21.29~19.89 淤泥质砂粘土(松软)1.4 19.89~-3.51 细砂(中密) 23.4 -3.51~-12.31 粗砂(中密)8.8 -12.31~-22.31 中砂(中密)10.0 -22.31~-29.31 砾砂(中密) 7.0 -29.31~-46.31硬塑粘土17.0土层平均重度γ=20KN/m3,土层平均内摩擦角?=28φ。
地下水位标高:+30.50m 。
5、标高:梁顶标高+53.483m,墩底+35.81m。
6、风力:w=800Pa(桥上有车)。
7、桥墩尺寸:如图1所示。
一、设计资料基础工程课程设计任务书──某铁路桥梁墩桩基础设计1. 线路:双线、直线、坡度4‰、线间距4.0m,双线线路中心至人行道栏杆边距3.0m。
2. 桥跨:无碴无枕混凝土箱形梁,计算跨度L0 = 40.0m,梁全长L = 40.6m,梁端缝0.1m。
轨底至梁底3.36m,梁底至垫石顶0.5m,梁底至支座铰中心0.09m,一孔梁总重3100kN。
3. 地质及地下水位情况:标高(m)地质情况厚度(m)标高(m)地质情况厚度(m)16.5~16.2 耕地0.3 -24.5~-30.5 粗砂(中密) 6.0 16.2~11.3 粉砂 4.9 -30.5~-40.8 中砂(中密)10.3 11.3~3.0 软塑砂粘土8.3 -40.8~-45.6 砾砂(中密) 4.83.0~2.5 淤泥质砂粘土(松软)0.5 -45.6~-58.7 硬塑粘土13.12.5~-24.5 细砂(中密)27.0土层平均重度γ=21kN/m3,土层平均内摩擦角φ=28°,地下水位标高:+15.00m。
4. 成孔机具:Φ100cm、Φ125cm、Φ150cm 旋转钻机。
5. 标高:轨底+29.88米,墩底+16.80米。
6. 风力:w = 800P a (桥上有车)。
7. 桥墩尺寸:如图1 所示。
二、设计荷载1. 承台底外力合计:双线、纵向、二孔重载:N = 20254.5 kN, H = 917 kN,M = 12160.5 kN⋅m;双线、纵向、一孔重载:N = 17921.6kN, H = 917kN,M = 14267.56 kN⋅m;2. 墩顶外力:双线、纵向、一孔重载:H = 901.2 kN,M = 4910 kN⋅m。
说明:如因布桩需要加大承台尺寸时,增加部分自重应计入。
三、设计要求1. 确定桩的材料、桩长、桩数及桩的排列。
2. 检算下列项目(1) 单桩承载力检算(双线、纵向、双孔重载);(2) 群桩承载力检算(双线、纵向、双孔重载);(3) 墩顶位移检算(双线、纵向、一孔重载);(4) 桩身截面配筋计算(双线、纵向、一孔重载);(5) 桩在土面处位移检算(双线、纵向、一孔重载)。
第 1 页班级 学号 姓名12级土木工程专业3、4班基础工程课程设计任务书————桩基础设计一、设计资料1、某建筑场地在钻孔揭示深度内共有6个土层,各层土的物理力学指标参数见表1。
土层稳定混合水位深为地面下1.0m ,地下水水质分析结果表明,本场地下水无腐蚀性。
建筑桩基设计等级为乙级,已知上部框架结构由柱子传来的荷载(作用在柱底即承台顶面):kN V k 3200=,kNm M k 400=,kN H k 50=;柱的截面尺寸为:400×400mm ;承台底面埋深:d=1.5m 。
2、采用钢筋混凝土预制桩,C30强度等级,Ec=30000N/mm 2,桩顶容许水平位移10mm ,桩顶按铰接考虑。
3、承台设计资料:混凝土强度等级为C20,轴心抗压强度设计值为kPa f c 9600=,轴心抗拉强度设计值为kPa f t 1100=,钢筋采用HRB335级钢筋,钢筋强度设计值2/300mm N f y =。
4、《建筑桩基技术规范》(GJG94-2008) 二、设计内容及要求:1、分别以第4层粉质粘土及第6层粉砂为桩尖持力层,按照持力层埋深确定桩长,按照长径比40-70确定桩截面尺寸;2、计算单桩竖向承载力极限标准值和特征值;3、确定桩数和桩的平面布置图;4、选择一个你认为合理的桩长方案继续以下内容; 4.1群桩中基桩的受力验算; 4.2承台结构计算;4.3承台施工图设计:包括桩的平面布置图,承台配筋图和必要的图纸说明; 4.4需要提交的报告:任务书、计算书和桩基础施工图。
要求:1、计算书一份,有计算过程,手写在A4纸上,不能使用铅笔,字迹不潦草,字迹清楚;2、图纸采用3号图幅(A3),有必要的设计说明,打印;3、任务书与计算书、图纸订在一起,任务书订在前面。
注:计算书整洁度参与评分!表1 地基土物理力学指标设计参数表第 2 页。
《基础工程》课程设计任务书1.1 本课程设计任务基础工程设计的任务通常包含:①方案设计:目的是确定地基基础的技术方案,包括地基持力层的选取和基础结构形式的确定。
②技术设计:包括地基检算和基础结构设计两者。
其任务是通过力学计算和结构措施两方面的手段来保证所设计的地基基础满足设计总体目标的要求。
本课程设计任务:①认真阅读岩土工程勘察报告,完成工程概况及地层介绍;②进行地基基础方案论证,选择切实可行的地基基础方案;③完成相应基础工程设计。
1.2 设计内容1.2.1设计计算(1)综合分析设计资料,对三种常用的房屋基础类型(刚性基础、钢筋混凝土扩展基础和桩基础)的技术合理性进行比较(限于课时,本次课程设计不考虑造价因素),选择较为合理的基础方案。
(2)确定所选基础的类型,平面尺寸及埋深等;(3)完成该基础(包括地基)的计算。
1.2.2图纸(1)基础总平面布置图(假定所有基础均与自己设计的基础相同);(2)基础结构图(应包含图纸说明和工程数量表)。
1.2.3设计计算说明书要求设计计算说明书通常应包含下述内容:(1)工程概况和设计任务。
包括:工程名称,场地位置,上部结构的类型、尺寸,本人承担的课程设计任务;(2)地质勘察资料介绍(勘查报告由老师提供);(3)方案论证。
包括:基础选型,尺寸拟定,地基持力层的选取。
需要阐明自己的思路和考虑的因素并列出必要的说明;(4)计算说明。
包括:计算项目,计算过程和计算结果,方案调整的理由和结果。
需要阐明参数选取的理由、考虑的因素并列出必要的说明;设计计算说明书应制作成Word文档。
整个说明书应满足计算过程完整、计算步骤清楚、文字简明、符号规范和版面美观的要求,图纸应用CAD制作而且应该表达正确、布局合理和尺寸齐全。
说明书用16开纸张打印,和图纸一起装订成册,交任课老师评阅。
1.3设计依据及参考文献1.岩土工程勘察规范(GB50021-2001).北京:中国建筑工业出版社,20022.建筑地基基础设计规范(GB50007-2002).北京:中国建筑工业出版社,2002 3.建筑桩基技术规范(JGJ94-94).北京:中国建筑工业出版社,19954.建筑抗震设计规范(GB50011-2001).北京:中国建筑工业出版社,20015.建筑地基处理技术规范(JGJ79-2002).北京:中国建筑工业出版社,20026.《基础工程》,华南理工大学、浙江大学、湖南大学等编,中国建筑工业出版社,2008年9月第二版7.《基础工程》,周景星等编,清华大学出版社,1996年9月8.《地基及基础工程》,顾晓鲁编,中国建筑工业出版社,2003年9.《基础工程学》,陈仲颐、叶书麟,中国建筑工业出版社,1990。
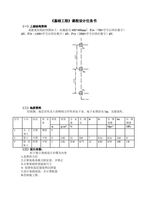
《基础工程》课程设计任务书(一)上部结构资料某框架结构柱网图如下,柱截面为400*400mm2,F1=(700+学号后两位数字)kN,F2=(1400+学号后两位数字)kN,F1=(2000+学号后两位数字)kN。
F2F3F2F3(二)地质资料经探测,地层岩性及土的物理力学性质如下表。
地下水埋深为5m,无腐蚀性。
柱下独立基础设计步骤及内容1.选择持力层2.计算地基承载力特征值,并修正3.计算基础所需底面尺寸4. 验算软弱层强度和沉降量5.设计基础剖面,并计算配筋6.绘制施工图。
基础工程课程设计《基础工程》课程设计任务书(一)上部结构资料某框架结构柱网图如下,柱截面为400*400mm2,F1=(700+学号后两位数字)kN,F2=(1400+学号后两位数字)kN,F3=(2000+学号后两位数字)kN。
(二)地质资料经探测,地层岩性及土的物理力学性质如下表。
地下水埋深为5m,无腐蚀性。
(三)设计内容:设计两种方案方案一:钢筋混凝土柱下独立基础;方案二:柱下条形基础或桩基础柱下独立基础设计步骤及内容1.选择持力层2.计算地基承载力特征值,并修正3.计算基础所需底面尺寸4. 验算软弱层强度和沉降量5.设计基础剖面,并计算配筋6.绘制施工图。
柱下条形基础设计步骤及内容 1.选择持力层2.计算地基承载力特征值,并修正3.确定基础底面尺寸和剖面尺寸(软弱层强度验算及沉降量验算可不做)4.计算基础内力(倒梁法或静定分析法或文克勒地基法)5.计算配筋6.绘制施工图。
桩基础设计步骤及内容1.选择桩的类型(预制桩)及截面尺寸(方桩400*400mm 2)2.选择桩端持力层,承台埋深,从而计算单桩竖向承载力3.确定桩数、间距及平面布置4.桩身结构设计(省)5.承台设计6.绘制施工图柱下独立基础1. 持力层的选择地基持力层选在第2层,粉土上。
取基础埋深2.0m2. 计算地基承载力特征值,并修正按规范承载力确定,由表可知,标准贯数为12,由《基础工程》表2—4得,对于粉砂,fak(N=10)=140Kpa, fak(N=15)=180Kpa,由内插法得:fak(N=12)=(180-140)×(12-10)/(15-10)+140=156kpa由于d=2m>0.5m,则进行修正,由表2—5得,b η=0.5 、d η=2.0 , 承载力计算公式:)5.0()3(-+-+=d b f f m d b ak a γηγη (1) 深度修正 )5.0()3(-+-+=d b f f m d b ak a γηγη=156+2.0*20.2*(2.0−0.5)=216.6kpab 为基础底面宽度当小于3m 时按3m 取值;3. 确定基础尺寸(1)对于A1、A4、C1、C4四个柱子基础为第一类 1.基础取方形,边长为b1 b1hWrW d rG fa Fk **1+-≥=0.2*2.206.21674.0*725-=1.74m则取b=2.0m<3.0m ,所以不需要进行承载力修正 2. 承载力验算K F =Fk+Gk=725⨯0.74+2.0×2.0×2.0×20.2=696.8KNK P =AF K=696.8/4=174.2KPa<fa=216.6KP 满足要求; 3. 软卧层强度验算由Es1/Es2=8/5.6=1.5,z/b=3/2=1.5>0.50查表2—7得,运用内插法得:θ=21.5,则tan θ=0.394 (1) 下卧层顶面处的附加应力:δz=)tan 2)(tan 2()(θθδz b z l cd pk lb ++-=)394.0322()394.0320.2()0.22.202.174(0.20.2⨯⨯+⋅⨯⨯+⨯-⨯⨯=28.1kpa(2) 下卧层顶面处的自重应力:δcz=5×20.2=101kpa (3) 下卧层承载力特征值:由表2—4得,fak=-40×1/5×(10-6.6)+140=112.8kpa 由于d=5.0>0.5m, d η=2.0则faz=112.8+20.2×(5-0.5)×2.0=294.6kpa则δz+δcz=28.1+101=129.6kpa<294.6kpa=faz,满足软卧层强度要求 (2)对于A2、A3、C2、C3、B1、B4六个柱子基础为第二类 1.基础取方形,边长为b2 B2hWrW d rG fa Fk **2+-≥=0.2*2.206.21674.0*1425-=2.44m则取b=2.44m<3.0m ,所以不需要进行承载力修正 2. 承载力验算竖向力 K F =Fk+Gk=1425+2.0×2.5×2.5×20.2=1307KNK P =AF K=1307/(2.5×2.5)=208.72KPa<fa=216.6KPa 满足要求; 3. 软卧层强度验算由Es1/Es2=8/5.6=1.5,z/b=3/2.5=1.2>0.5查表2—7得,运用内插法得:θ=21.5,则tan θ=0.394 (1) 下卧层顶面处的附加应力:δz=)tan 2)(tan 2()(θθδz b z l cd pk lb ++-=)394.0325.2()394.0325.2()5.22.207.208(5.25.2⨯⨯+⋅⨯⨯+⨯-⨯⨯=41.8kpa(2) 下卧层顶面处的自重应力:δcz=5×20.2=101kpa (3) 下卧层承载力特征值:由表2—4得,fak=-40×1/5×(10-6.6)+140=112.8kpa 由于d=5.0>0.5m, d η=2.0则faz=112.8+20.2×(5-0.5)×2.0=294.6kpa则δz+δcz=41.8+101=142.8kpa<294.6kpa=faz,满足软卧层强度要求(3)对于B2、B3二个柱子基础为第三类 1.基础取方形,边长为b3 b1hWrW d rG fa Fk **3+-≥=0.2*2.206.21674.0*2025-=2.91m则取b=3.0m=3.0m ,所以不需要进行承载力修正 2. 承载力验算竖向力 K F =Fk+Gk=2025⨯0.74+2.0×3.0×3.0×20.2=1858.5KNK P =AF K=1858.5/9=206.5KPa<fa=216.6KPa 满足要求; 3. 软卧层强度验算由Es1/Es2=8/5.6=1.5,z/b=3/2=1.5>0.50查表2—7得,运用内插法得:θ=21.5,则tan θ=0.394 (1) 下卧层顶面处的附加应力:δz=)tan 2)(tan 2()(θθδz b z l cd pk lb ++-=)394.0320.3()394.0320.3()0.32.205.206(0.30.3⨯⨯+⋅⨯⨯+⨯-⨯⨯=45.6kpa(2) 下卧层顶面处的自重应力:δcz=5×20.2=101kpa (3) 下卧层承载力特征值:由表2—4得,fak=-40×1/5×(10-6.6)+140=112.8kpa 由于d=5.0>0.5m, d η=2.0则faz=112.8+20.2×(5-0.5)×2.0=294.6kpa则δz+δcz=45.6+101=146.6kpa<294.6kpa=faz,满足软卧层强度要求 4.沉降验算0462.088.00.284.01E -120211=⨯⨯-==r b ωμδ,0370.088.05.284.01E -120222=⨯⨯-==r b ωμδ0308.088.00.384.01E -120233=⨯⨯-==r b ωμδ,0056.088.0684.01E -1202=⨯⨯-==r kj r ωμδmm F F S 3.490056.0142527250462.0221111=⨯⨯+⨯=⨯∙+∙=δδmm F F F S 2.720056.020257252(14250370.02312222=⨯+⨯+⨯=∙+⨯∙+∙=)δδδ mm F F F F S 1.760056.014252025725(14250370.02312222=⨯+++⨯=∙+∙+⨯∙+∙=')δδδδmm F F F S 7.970056.020*******(20250308.03323333=⨯+⨯+⨯=∙+⨯∙+∙=)δδδ则mm mm S S 1223-1212>==∆,mm mm S S 1227-1212>='='∆,mm mm S S 1225-2323>==∆,则基础均需要进行调整。
土木工程专业《基础工程》课程设计指导书一、设计目的《基础工程》是土木工程专业重要的专业技术课之一,具有很强的理论性和实际应用性。
通过课程设计,可以使学生较系统地掌握基础的设计理论和计算方法,培养学生综合利用所学的理论知识分析解决实际问题的能力、利用和查阅资料的能力、独立工作的能力以及计算机应用能力,为使学生成为合格的工程师或设计师打下扎实的基础。
二、设计任务完成某工业厂房○B 轴线柱下条形基础设计,并绘制基础施工图一张。
三、设计内容及步骤:(一)根据建筑物荷载大小、地基土质情况等,合理选择基础类型和材料。
(二)根据工程地质条件、建筑物使用要求以及地下水影响等因素、确定基础埋深。
首先根据工程地质条件,可初步选择基础持力层,建筑地基基础设计规范规定,基础埋深不得小于0.5 m 。
对于寒冷地区,确定外墙基础埋深时,应考虑地基土冻胀的影响。
主要根据持力层土质情况、冻前天然含水量、及冻结期间地下水位距冻结面的最小距离、平均冻胀率等因素,确定地基土的冻胀性。
再根据土的冻胀性、基础形式、采暖情况、基底平均压力,确定基底下容许残留冻土层厚度max h ,然后计算基础最小埋深(还需考虑土的类别、环境对冻深等因素的影响)即:m ax m in h z d d -=选择外基础埋深时,要求基础埋深d >min d ,内墙基础埋深不必考虑地基土冻胀的影响,可以适当浅埋。
(三)根据工程地质条件,计算地基持力层和下卧层的承载力。
如果地基下卧层是软弱土层(淤泥或淤泥质土),必须进行软弱下卧层承载力验算,并要求满足:az cz z f p p ≤+(四)根据修正后的地基承载力特征值a f 以及相应于荷载效应标准组合上部结构传至基础顶面的竖向力K F ,按下式计算柱下条形基础宽度:Ld f F B G a K).(γ-∑≥(五)对于柱下钢筋混凝土条形基础,通常根据抗弯刚度条件确定基础梁高度h ,取41(=h ~l )81,l 为柱距,同时还要考虑其构造要求。
基础工程课程设计任务书一、课程目标知识目标:1. 让学生掌握基础工程的基本概念、原理和工程实践方法。
2. 使学生了解基础工程的分类、功能及在工程结构中的作用。
3. 帮助学生理解基础工程与上部结构、地质环境的关系。
技能目标:1. 培养学生运用基础工程知识解决实际问题的能力,如进行基础选型、设计和计算。
2. 提高学生运用专业软件、工具进行基础工程设计的能力。
3. 培养学生团队协作、沟通表达的能力,能在项目中有效地与各方进行沟通和协作。
情感态度价值观目标:1. 培养学生热爱工程专业,树立正确的工程观念,增强工程责任感。
2. 培养学生严谨、务实的科学态度,对基础工程问题进行客观、全面的分析。
3. 引导学生关注基础工程领域的发展动态,提高学生的创新意识和国际视野。
课程性质分析:本课程为基础工程专业课程,旨在帮助学生建立基础工程知识体系,提高实践能力。
学生特点分析:学生为大学本科二年级学生,已具备一定的基础工程知识,具有较强的求知欲和动手能力。
教学要求:1. 结合实际工程案例,注重理论与实践相结合,提高学生的实际操作能力。
2. 创设互动、探讨的学习氛围,激发学生的思考和创新能力。
3. 强化团队合作,培养学生的沟通能力和团队精神。
二、教学内容依据课程目标,教学内容主要包括以下几部分:1. 基础工程概述:介绍基础工程的概念、分类、功能及在工程结构中的重要性。
教材章节:第一章2. 地基与基础设计原理:讲解地基土的性质、地基处理方法、基础选型及设计原理。
教材章节:第二章、第三章3. 基础工程设计计算:教授基础工程设计计算的基本方法,包括静力法、动力法等。
教材章节:第四章4. 基础工程施工技术:介绍基础工程施工工艺、施工组织及质量控制。
教材章节:第五章5. 基础工程实例分析:分析典型基础工程案例,使学生了解基础工程在实际工程中的应用。
教材章节:第六章6. 基础工程新技术与发展趋势:介绍基础工程领域的新技术、新方法及其发展趋势。
辽宁工业大学《基础工程》课程设计任务书开课单位:土木建筑工程学院《基础工程》课程设计任务书一、课程设计的目的与要求1.教学目的《基础工程》是土木工程专业的重要专业课,为了加强学生对基本理论的理解和新版《公路桥涵设计通用规范》及《公路桥涵地基与基础设计规范》条文的应用,培养学生独立分析问题和解决问题的能力,必须在讲完有关课程内容后,安排2周的课程设计,以提高学生的综合运用《土力学》及《基础工程》知识的能力.课程设计的任务是,通过进一步的设计训练,使学生熟悉桩基础的设计和计算的基本原理和方法,具备设计普通桥梁桩基础的基本技能;能够根据不同的情况,合理选择桩型、桩长,熟练的进行桩基础的设计计算,并学会利用各种设计资料.2.教学要求本设计对象为某公路桥梁,该桥梁的上部结构设计已经完成,本课程设计的任务是完成桥墩基础与地基的设计计算,要求同学按给定的条件完成相关的设计和计算工作.基本要求如下:1、时间要求:一般为两周;2、任务要求:在教师的指导下,独立完成一项给定的设计任务,编写出符合要求的设计说明(计算)书,并绘制必要的施工图.3、知识和能力要求:在课程设计工作中,能综合应用各学科的理论知识与技能,去分析和解决工程实际问题,使理论深化,专业技能得到进一步延伸.通过课程设计,使学生学会依据设计任务进行资料收集和整理,能正确运用工具书,掌握桩基础设计程序,方法和技术规范,提高工程设计计算,理论分析,技术文件编写的能力.二、设计资料1.工程概况:某公路桥梁设计采用桩(柱)式桥墩,初步拟定尺寸如图1所示.该桥梁上部结构为n 米钢筋混凝土装配式T梁桥,桥面宽7米,两边各0.5米人行道.该桥墩采用钻孔灌注桩基础,为摩擦桩,桩的设计直径d及桩身材料如表1所示,桩底沉渣厚度控制为t=(0.2~0.6)d.表1直径(米) 材料跨径L(米) 基桩根数墩柱桩身混凝土钢筋①22① 1.30 1.40a C30 A HRB335 ②28 2② 1.40 1.50③ 1.50 1.60b C25 B HRB400 ③32 3④ 1.60 1.702地质与水文资料:河面常水位标高为44.50米,地面(河床)标高40.30米,一般冲刷线标高39.50米,最大冲刷线标高为35.50米,承台顶面标高也为40.30米,墩顶标高:49.90米.一般冲刷线以下的地质情况如表2:表2土层层厚土层描述天然重度比例系数米推荐容许承载力〔fa0〕极限摩阻力 ①③淤泥质土3.6米3米软塑16 kN/米36000 kN/米445 kpa 25 kpa粘土2.8米3.1米灰黄色,硬塑17 kN/米315000kN/米4220 kpa 60 kpa3.荷载情况(1)竖向力两跨上部结构自重反力()()kN L N 1.21201200⨯=(取整),其中L 为跨径;(见表1)盖梁自重反力()kN N1802=; 系梁自重反力()kN N503=一根墩柱自重:局部冲刷线以上一根桩自重每延米)(1542kN d q ⨯⨯=π(已扣除浮力),其中d 为桩直径局部冲刷线以下一根桩自重每延米)(2.342kN d q ⨯⨯='π(已扣除浮力)(2)水平力及弯矩设计汽车荷载为公路-Ⅱ级;(具体数值见表3)表35N :两跨汽车荷载反力(已计入冲击系数的 影响);6N :一跨汽车荷载反力(已计入冲击系数的 影响);车辆荷载反力已按偏心受压原理考虑横向分布的 分配影响.7N 两跨人群荷载反力;8N 一跨人群荷载反力1M :6N 在顺桥向引起的 弯矩;2M :8N 在顺桥向引起的 弯矩(3)制动力()kN H35.00=,对局部冲刷线力臂m 14.70(已按墩台及支座刚度进行分配);纵向风力:盖梁部分()kN W 4.001=,对局部冲刷线力臂m 14.05;墩身部分()kN W033.2=:对局部冲刷线力臂m 9.00三、设计内容1)根据给定的 桥梁上部结构资料和相应的 地质、水文条件,设计合理的 桩基础的 尺寸.A 根据给定的 计算结果,确定单桩桩顶的 外力.B 根据地质条件,确定合理桩长,进行桩的 内力计算和配筋设计;C 承台设计及验算 2)结构验算包括桩的 应力验算、位移验算. 四、设计要求1)编写设计说明书.设计说明书包括设计资料、各部尺寸及确定依据、各部内力计算和配筋设计,以及各部位的 标高.设计说明书要求用计算机完成,并上打印件(A4纸) 2)用计算机绘制结构构造图.结构构造图包括桩和承台的 钢筋布置,要求用计算机完成完整的 施工图. 五 图纸要求1、设计计算书,项目齐全,步骤正确,计算无误.2、施工图用A4纸绘制,绘图比例自定.图面安排合理,整洁.六、课程设计的学时分配七、评分标准1.平时表现:10分2.图纸:40分3.计算书:40分4.答辩:10分八.参考资料1、刘辉.赵晖.基础工程.北京:人民交通出版社,20082、王晓谋.基础工程.北京:人民交通出版社,20103、朱浮声.地基基础设计与计算.北京:人民交通出版社,20054、中华人民共和国行业标准. JTG D60-2004 公路桥涵设计通用规范. 北京:人民交通出版社,20075、中华人民共和国行业标准. JTG D63-2007 公路桥涵地基与基础设计规范. 北京:人民交通出版社,2007辽宁工业大学《基础工程》课程设计指导书开课单位:土木建筑工程学院桥梁单排桩基础设计指导书一、桩长的 计算根据地质条件及竖向力,确定合理桩长二、基桩内力计算1、确定桩的 计算宽度b 1 2计算桩的 变形系数3、计算桩顶外力P 0、Q 0、米0:4、计算局部冲刷以下深度Z 处桩身截面弯距5、计算局部冲刷以下深度Z 处土的 横向抗力6、计算桩在地面处水平位移与转角三、配筋计算1、纵向钢筋面积:按含筋率0.2%配置2、计算偏心距增大系数)(01d b K K K b f 或⋅⋅⋅=α51EImb =αZ M mm Z B M A Q M 00+=αxx cZ B Z b M A Z b Q p 121αα+=0x 0ϕx xB EI a M A EI a Q x 20300+=φφϕB EIa M A EI a Q 0300+=cZp3、计算截面实际偏心距4、求轴向力偏心距并试算列表 根据《公路钢筋混凝土及预应力混凝土桥涵设计规范》JTG D62-20045、截面承载力复核6、裂缝宽度验算四、承台的 设计计算1 桩顶处的 局部受压验算2 桩对承台的 冲剪验算0e η0e maxmax0N M e ηη=r f C C Af f g D Bf e sdcd sdcd •'+'+=ρρ0sdu f r C Ar N '+=2ρsdCd u f gr D Ar f Br M '+=33ρ32-0,65.1-)0.1-80.2(42.592ρηπσ•⎥⎥⎦⎤⎢⎢⎣⎡=r e f r N s k cu s ssmjac R A Pj γβ≤0j mj m jp t u Rγ≥3 承台抗弯及抗剪强度验算五、参考资料1、刘辉.赵晖.基础工程.北京:人民交通出版社,20082、王晓谋.基础工程.北京:人民交通出版社,20103、中华人民共和国行业标准JTG D62-2004《公路钢筋混凝土及预应力混凝土桥涵设计规范》北京:人民交通出版社,20044、中华人民共和国行业标准. JTG D60-2004 公路桥涵设计通用规范. 北京:人民交通出版社,20075、中华人民共和国行业标准. JTG D63-2007 公路桥涵地基与基础设计规范. 北京:人民交通出版社,2007⎪⎪⎭⎪⎪⎬⎫==∑∑=-=-2111m i i i B B m i i i A A P S M P S M辽宁工业大学《基础工程》课程设计计算书开课单位:土木建筑工程学院课程设计计算书一、荷载计算()()()()1.21.21120012120022202110N L KN KN =⨯=⨯=()()224 1.549.940.325424.11544d N h KN ππγ⨯=⨯⨯=⨯-⨯=()221.5151526.50744d q KN ππ⨯=⨯=⨯=()221.53.2 3.2 5.65544d q KN ππ⨯'=⨯=⨯=二、桩长计算用《公路桥涵地基与基础设计规范》(JTG D63-2007)确定单桩轴向受压承载力容许值经验公式初步反算桩长,该桩埋入局部冲刷线以下深度为h,一般冲刷线以下深度为3h ,则[][][])3( 2122001-++==∑=h k f m A l q u R N a p ni i ik a h γλ式中:hN ——单桩受到的 全部竖直荷载(KN)根据《公路桥涵地基与基础设计规范》(JTG D63-2007)第1.0.8条,地基进行竖向承载力验算时,传至基底的 作用效应应按正常使用极限状态的 短期效应组合采用,且可变作用的 频遇值系数均取1.0.当两跨活载时,桩底所承受的 竖向荷载最大,则()()12340571.0 1.0 1.04241.95 5.65h N N N N N l q hq N N h KN '=⨯++++++⨯+⨯=+计算[]a R 时取以下数据:桩的 设计桩径1.50米,桩周长()1.5 4.71u m π=⨯=,()221.5 1.774p A m π⨯==,7.0=λ, 米0=0.8,52=k ,[]KPa f a 4300=,328.235kN m γ=,95k q KN =,所以得[]()(){}14.7125 2.560 3.9 3.5900.8 3.2 3.5 1.770.80.743058.2350.832264.538283.564241.95 5.65a h R h h N h=⨯⨯⨯+⨯⨯+⨯---+⨯⨯⨯+⨯⨯--⎡⎤⎣⎦=-==+()17.5h m = 现取()18h m =,桩底高程为20.5米,桩总长为24米由上式计算可知()18h m =,时,[]()()4478.1244343.651a h R kN N kN =>=桩的 轴向受压承载力符合要求.三、桩的 内力计算(1)确定桩的 计算宽度b1()()()1110.9 1.71 2.43f b kk d m =+=⨯⨯+=(2)计算桩的 变形系数α()10.351m α-===其中()440.049087 1.50.41,0.8c I m EI E I=⨯==桩的 换算深度0.35118 6.318 2.5h h α==⨯=>所以按弹性桩计算. (3)计算墩柱顶外力,,i i iP Q M 及局部冲刷线处桩上外力000,,P Q M墩柱顶的 外力计算按一跨活载计算.根据《公路桥涵地基与基础设计规范》(JTG D63—2007)第1.0.5条,按承载能力极限状态要求,结构构件自身承载力应采用作用效应基本组合验算.根据《公路桥涵设计通用规范》(JTG D60—2004)第4.1.6条,恒载分项系数取1.2,汽车荷载、人群荷载及制动力作用的 分项系数均取1.4,风荷载分项系数取1.1,当除汽车荷载(含汽车冲击力)外尚有一种可变作用参与组合时,其组合系数取0.8,当除汽车荷载(含汽车冲击力)外尚有两种可变作用参与组合时,其组合系数取0.7,当除汽车荷载(含汽车冲击力)外尚有三种可变作用参与组合时,其组合系数取0.6.()()1.22110180 1.4470 1.40.81503574i p kN =⨯++⨯+⨯⨯=()()0.7 1.435 1.1437.38i Q kN =⨯⨯+⨯=(3)换算到局部冲刷线处:[]()03574 1.25042426.5194429.108p kN =+⨯++⨯=()()00.7 1.435 1.14 3.339.92Q kN =⨯⨯+⨯+=⎡⎤⎣⎦()()()0 1.4125.200.6 1.43550.635.5 1.440.6 1.1414.05 3.39711.206M kN M =⨯+⨯⨯⨯-+⨯+⨯⨯+⨯=•⎡⎤⎣⎦(4)局部冲刷线以下深度z 处桩截面的 弯矩米z 及桩身最大弯矩米米ax 计算 ①局部冲刷线以下深度z 处桩截面的 弯矩米z 计算040711.21113.73711.210.39m z m m m m mQ M A M B A B A B α=+=+=+无量纲系数A 米、B 米由附表3和附表7分别查得,米z 计算列表如表4-16,其结果以图(4-32a)表示之.米z 计算列表 表(4-16)②桩身最大弯矩米米ax 及最大弯矩位置计算 由z Q =得:0.351710.026.242940Q M C Q α⨯===由6.2429Q C =及4h =查附表13得:max 0.408z =,故()max 0.4081.160.351z m ==由max 0.408z =及4h =查附表13得: 1.031m k =()max 0 1.031711.21733.2575M M k M kN m ==⨯=•(5)局部冲刷线以下深度z 处横向土抗力pzx 计算220110.35139.920.351711.215.76636.0532.43 2.43zx x x x x x xQ M p ZA ZB ZA ZB ZA ZB b b αα⨯⨯=+=+=+无量纲Ax 、Bx 由附表1和附表5分别查得,pzx 计算列表如表4-17,其结果以图4-32b 表示之.Pzx 计算列表 表4-17z(m)M(kN ·m)局部冲刷线200400600800102345678910z(m)p(kpa)局部冲刷线2030102345678910-10-3010-20a)b)图4-32j =M =814.6415KN m Z ⋅⑹桩身配筋计算及桩身材料强度验算由上可知最大弯矩发生在局部冲刷线以下 1.38m 处,该处()计算轴力j N =1.2+++=KN ⨯⨯⨯⨯⨯⨯⨯⨯⨯(2110180+50+435.8+34.059+7.26 1.385-0.5 5.3460 1.385)1.45200.8 1.41504125.33()四、配筋验算242g 42g sd 20.2%A =1.70.2%=45.410()41022HRB335A =45.6210()=280C2511.5()cd m m f Mpaf Mpa m πφ--⨯⨯⨯⨯=′①纵向钢筋面积桩内竖向钢筋按含筋率配置现选用根的级钢筋,桩柱采用砼,2η计算偏心距增大系数maxmax747.72463.81717.5;0.1644552.99pl Me mi N==≥===长细比:1221.66;2 1.7;0.22.70.471.150.010951,0.95ooopeh m h r mhliζζζ====+==-⨯=<∴=3实际偏心距21200211()1400/11(34/1.5)0.470.9514000.1642/1.661.5128ple h hηζζ=+=+⨯⨯⨯=maxmax1.5128747.240.2483()4125.33Me mNηη⨯===0.85,0.002,0.911.50.504=0.8511.50.56ocd sdcd sder m gBf D gf B De rAf C Cf A Cρρρ==='++=⋅⨯'++④求轴向偏心距并设则0 222.478285011.5 2.08240.00285028021433()u jN KN N =⨯⨯+⨯⨯⨯=≥⑤截面承载力复核330.456885011.50.82660.0020.98502803482()u j M KN m M =⨯⨯+⨯⨯⨯⨯=⋅≥满足要求=m =KN m Z ⋅根据弯矩分布,桩基的钢筋骨架宜至桩底,如考虑分段配筋,在 6.27截面处为界:M 299.9201()1.2(2268.2418050435.8 6.277.260.5 5.3460 6.27)1.45200.8 1.41704477.7536N KN=⨯++++⨯-⨯⨯⨯+⨯+⨯⨯=2222.281.351.7 2.2740.48232=,=27{cd A m d W N MMpaA Wf ππσ=⨯====±Z 按均质材料验算截面应力:截面面积截面弹性抵抗矩带入截面未出现拉应力,且小于此处( 6.m )截面切除一半主钢筋s s s0s2/3ss 2M =1.2814.6415=977.5698KN m N =0.754552.99=3414.7425M e ==286mm N 341474.252861=[59.42]=120.242485020850MPa σπ-⨯⨯⨯⨯⨯⨯⨯-<⨯⨯⑥裂缝宽度验算(2.8-1)-1.65(0.002)002.0120850====ρs cuk f MPa f mmr说明在短期效应组合下桩身弯矩最大截面最外缘钢筋处于受压状态,可不必验算裂缝宽度。
《土力学与基础工程》课程设计任务书学校:班级:学号:姓名:《土力学基础工程》课程设计任务书学生姓名: 专业班级:土木13级 1 班 指导教师: 专业院(系):一、题目某小区住宅楼基础设计二、课程设计任务1、设计任务任务A 某小区住宅楼底层柱网布置及柱编号如图1,柱截面mm mm 400400⨯,柱身混凝土为C20各柱的荷载标准值见表1,场地的地层条件及主要土层的物理力学指标见表2,对该大楼进行基础设计。
任务 B 某小区住宅楼为框架结构建筑,柱网布置及柱编号如图1,底层柱截面mm mm 500500⨯,柱身混凝土为C20,各柱的荷载标准值见表3,场地的地层条件及主要土层的物理力学指标见表4,对该建筑进行基础设计。
2、设计原始资料 (1)地质、水文资料场地地下水类型为潜水,地下水位离地表3.0m ,根据实验分析表明,该场地地下水对混凝土无腐蚀性。
(2)场地地基物理、力学资料场地的地层条件及主要土层的物理力学指标见表2、表4。
(3)建筑物情况该建筑物为8层的框架结构,底层柱网布置及柱编号如图1,各柱的荷载标准值见表1及表3。
(4)抗震设防要求不考虑三、设计内容及要求要求1、对指定的任务(如A15,第15号柱,,柱子荷载见表1,地层条件见表2;B15,第15号柱,柱子荷载见表3,地层条件见表4)进行基础设计,设计成果包括计算书和施工图(平面图及剖面图,并附相应的施工说明)。
2、设计内容和步骤参照课程设计指导书;3、要求设计合理,计算正确,书写工整,计算书用A4纸,附必要的计算简图。
4、进度安排见下表基础工程课程设计进度安排三、主要参考文献:(规范要求最新版)1、 土力学与基础工程(教材)2、 建筑地基基础设计规范3、 建筑桩基技术规范4、 混凝土结构设计规范5、 有关教材及相关设计规范876543213224168312315730221462921135282012427191132618102251791《基础工程》课程设计任务安排(注:A 表示任务A ,B 表示任务B )表1 各柱荷载标准值注:各柱的所有荷载在同一平面内注:请你对柱号进行基础设计指导教师(签名):2013年7 月日表3 各柱荷载标准值注:各柱的所有荷载在同一平面内表4 场地地层条件及主要土层物理力学指标注:请你对柱号进行桩基础设计指导教师(签名):2013年7 月日《基础工程》基础课程设计指导书1基础设计的基本要求基础的设计必须满足地基承载能力的要求,控制基础的沉降在建筑物允许沉降的范围内,基础结构本身具有足够的强度、刚度和稳定性,本着“安全、合理、经济”的原则,同时应尽可能使基础的施工方法简单。
《基础工程》课程设计任务书(一)上部结构资料某框架结构柱网图如下,柱截面为400*400mm 2,F1=724kN ,F2=1424kN ,F3=2024kN 。
(二)地质资料经探测,地层岩性及土的物理力学性质如下表。
地下水埋深为5m ,无腐蚀性。
F2F1F2F3钢筋混凝土柱下独立基础1、选择持力层设基础埋深d=2.5m ,这时地基持力层为粉土2、计算地基承载力特征值,并修正根据标贯击数N=12查表得:kPa f ak 156)140180(10151012140=-⨯--+=因为埋深d=2m>0.5m ,故还需对ak f 进行修正设基础底面宽度不大于3m 。
查表得修正系数ηb =0.5,ηd =2.0 则修正后的地基承载力特征值为f a =f ak + ηd γm (d-0.5)=156+2×20.2×(2.5-0.5)=236.8kPa3、计算基础所需底面尺寸基础埋深d=2m ,分析该框架结构柱网布置图可知,柱子受三种不同荷载,把受荷载为724KN 的基础作第一类基础,受荷载为1424KN 的基础为第二类基础,受荷载为2024KN 的基础为第三类基础 (1)、第一类基础,其轴心荷载F1=724KN ,则有:m d f F b G a 69.15.2208.23674.072411=⨯-⨯=-≥γ取1b =1.7m ,因b <3m ,不必进行承载力宽度修正(2)、第二类基础,其轴心荷载为F2=1424KN ,则有:m d f F b G a 38.25.2208.23674.0142422=⨯-⨯=-≥γ取2b =2.4m ,因b <3m ,不必进行承载力宽度修正(3)、第三类基础,其轴心荷载为2024KN ,则有:m d f F b G a 83.25.2208.23674.0202433=⨯-⨯=-≥γ取3b =2.9m ,因b<3m ,不必进行承载力宽度修正4、验算软弱层强度和沉降量(1)持力层承载力验算1)第一类基础kPa f a 8.236=基底处总竖向力:KNG F k k 26.6805.2207.174.07242=⨯⨯+⨯=+基基底平均压力:kPa f kPa A G F P a k k k 8.23638.2357.126.6802=<==+=(可以) 2)、第二类基础kPa f a 8.236=基底处总竖向力:KN G F k k 76.13415.2204.274.014242=⨯⨯+⨯=+ 基基底平均压力:kPa f kPa A G F P a k k k 8.23694.2324.276.13412=<==+=(可以)3)、第三类基础kPa f a 8.236=基底处总竖向力:KN G F k k 26.19185.2209.274.020242=⨯⨯+⨯=+ 基基底平均压力:kPa f kPa A G F P a k k k 8.23609.2289.226.19182=<==+=(可以)(2)软弱下卧层承载力验算1)第一类基础由43.16.5/8/21==s s E E 50.047.17.1/5.2/>==b z 查表得︒=47.21θ393.0tan =θ,下卧层顶面处的附加应力:kPa z b z l P lb cd k 78.39)393.05.227.1()5.22.2038.235(7.1)tan 2)(tan 2()(22z =⨯⨯+⨯-⨯=++-=θθσσ 下卧层顶面处的自重应力:kPa cz 1015.22.205.22.20=⨯+⨯=σ 下卧层承载力特征值:m KN zd czm /2.20=+=σγkPa f az 06.240)5.05(2.204.18.112=-⨯⨯+=验算:az z cz f kPa <=+=+78.14010178.39σσ(可以) 经验算,基础底面尺寸及埋深满足要求2)第二类基础由43.16.5/8/21==s s E E 50.004.14.2/5.2/>==b z 查表得︒=04.21θ385.0tan =θ,下卧层顶面处的附加应力:kPa z b z l P lb cd k 18.56)385.05.224.2()5.22.2094.232(4.2)tan 2)(tan 2()(22z =⨯⨯+⨯-⨯=++-=θθσσ 下卧层顶面处的自重应力:kPa cz 1015.22.205.22.20=⨯+⨯=σ 下卧层承载力特征值:mKN zd czm /2.20=+=σγkPa f az 06.240)5.05(2.204.18.112=-⨯⨯+=验算:az z cz f kPa <=+=+18.15710118.56σσ(可以) 经验算,基础底面尺寸及埋深满足要求 3)第三类基础由43.16.5/8/21==s s E E 50.086.09.2/5.2/>==b z 查表得︒=86.20θ381.0tan =θ,下卧层顶面处的附加应力:kPa z b z l P lb cd k 69.64)381.05.229.2()5.22.2009.228(9.2)tan 2)(tan 2()(22z =⨯⨯+⨯-⨯=++-=θθσσ 下卧层顶面处的自重应力:kPa cz 1015.22.205.22.20=⨯+⨯=σ 下卧层承载力特征值:m KN zd czm /2.20=+=σγkPa f az 06.240)5.05(2.204.18.112=-⨯⨯+=验算:az z cz f kPa <=+=+69.16510169.64σσ(可以)经验算,基础底面尺寸及埋深满足要求(3)、验算沉降量分析柱网布置图可得,只须验算四个基础的沉降量即可,分别设为a 、b 、c 、d ,如下图所示:1)、计算基础a 的沉降kN mm l E r a aa/0544.088.07.184.011202=⨯⨯-=-=ωμδkN mm r E ab /00557.06814.34.011202=⨯⨯-=-=πμδkN mm r E ad/00557.06814.34.011202=⨯⨯-=-=πμδ mmF F F s ad ab aa a 25.55142400557.0142400557.07240544.0221=⨯+⨯+⨯=⋅+⋅+⋅=δδδ 2)、计算基础b 的沉降kN mm l E r b bb /0385.088.04.284.011202=⨯⨯-=-=ωμδkN mm r E ba /00557.06814.34.011202=⨯⨯-=-=πμδkN mm r E bc /00557.06814.34.011202=⨯⨯-=-=πμδkN mm r E be /00557.06814.34.011202=⨯⨯-=-=πμδmmF F F F s be bc ab bb b 06.78142400557.020*******.072400557.014240385.02312=⨯+⨯+⨯+⨯=⋅+⋅+⋅+⋅=δδδδ 3)、计算基础c 的沉降kN mm l E r c cc /0319.088.09.284.011202=⨯⨯-=-=ωμδkN mm r E cb /00557.06814.34.011202=⨯⨯-=-=πμδkN mm r E ch /00557.06814.34.011202=⨯⨯-=-=πμδkN mm r E cf /00557.06814.34.011202=⨯⨯-=-=πμδkNmm r E cd /00557.06814.34.011202=⨯⨯-=-=πμδmmF F F F F s cd cf ch cb cc c 55.99142400557.0142400557.020*******.0142400557.020240319.022323=⨯+⨯+⨯+⨯+⨯=⋅+⋅+⋅+⋅+⋅=δδδδδ 4)、计算基础d 的沉降kN mm l E r b dd/0385.088.04.284.011202=⨯⨯-=-=ωμδ kN mm r E dg/00557.06814.34.011202=⨯⨯-=-=πμδ kN mm r E dc /00557.06814.34.011202=⨯⨯-=-=πμδkN mm r E da /00557.06814.34.011202=⨯⨯-=-=πμδmmF F F F s da dc dg dd d 23.7472400557.020*******.072400557.014240385.01312=⨯+⨯+⨯+⨯=⋅+⋅+⋅+⋅=δδδδ 5)、a 、b 两基础的沉降差mm s s a b ab 81.2225.5506.78=-=-=∆根据框架结构相邻柱基沉降差允许值可知:[∆]=mm l 12002.0=。
08 普通版基础工程课设任务书08普通版基础工程课设任务书基础工程课程设计作业(一)设计题目钢筋混凝土框架结构房屋采用桩基础。
图中示出了一层柱网的布置和从上部结构向柱底部传递的荷载的相应标准组合值,该地基是在试验基础上设计的。
(二)设计资料(1)工程地质条件表层以下土层的分布和性质如下:① 其他填料:1.5m厚,16kn/m3。
②深灰色淤泥质土,厚4.2m,重度为16.9kn/m3,流塑~软塑状,含少量有机质,压缩模量为3mpa,fak=45kpa;③ 灰白粘土:厚2.1m,重18.1kn/m3,压缩模量5.0mpa,液体指数0.85,FAK=95kpa;④黄色粉质粘土:厚1.8m,重度为18.8kn/m3,压缩模量为8.0mpa,液性指数为0.70,fak=130kpa;⑤ 黄棕色粉质粘土:厚8.5m,重19.2kn/m3,硬塑,液体指数0.45,FAK=220kpa,压缩模量9.2mpa;⑥中砂土:勘探未钻穿,重度20.1kn/m3,中密到密实状态,fak=245kpa,压缩模量为20.0mpa;地下水位低于地表1.5米。
(2)给定参数所有柱截面尺寸均为500mm×500mm;相应标准组合,上部结构传至底层柱底的荷载见图。
相应于荷载效应基本组合时,近似取荷载效应标准组合值的1.35倍。
假设竖向荷载效应准永久组合值为荷载效应标准组合值的0.95倍。
柱体混凝土强度等级为C30。
1(三)设计内容(1)确定桩型和桩长;(2)确定单桩或基桩竖向承载力;(3)确定桩的数量、承台的尺寸和桩基础的平面布置;(4)桩基承载力验算;(5)承台计算;(6)桩沉降验算;(7)绘制施工图(包括基础平面布置图、桩的布置及承台平面图、桩基础剖面图、承台配筋图、桩配筋图、施工说明等)。
(四)设计依据(1)《jgj94-2021建筑桩基技术规范》(2)制图标准等其它规范、规程、标准。
(五)设计要求(1)计算书要求:书写工整、数字准确、图文并茂,任务书随计算书装订。
设计任务书建筑物的场地资料:某综合楼,框架结构,柱下拟采用桩基础。
柱尺寸400X400,柱网平面布置见下图1。
图1地层及物理力学参数见表1。
表1地基岩土物理力学参数土层编号土的名称厚度(m)孔隙比e液性指数IL标准贯入锤击数N天然容重γ(kN/m3)压缩模量Es(MPa)地基承载力特征值fak(KPa)1 素填土 1.5 ---18 5 502 淤泥质土 3.3 1.04 1.08 -17 3.8 603 粉砂7.2 0.81 -14 19 7.5 1804 粉质黏土 4.8 0.79 0.74 -18.5 9.2 2305 粉砂层18.5 0.58 -31 20 16.8 300场地抗震设防烈度为7度,场地内砂土不会发生液化现象。
根据JGJ94-2008规范知,对于主要承受竖向荷载的抗震设防区低承台桩基,且建筑场地平整处于,抗震的有利地段,故无需考虑地震作用。
拟建场区地下水位深度位于地表下3.5m,地下水对混凝土结构无腐蚀性。
选择桩型、桩端持力层、承台埋深选择桩型根据施工场地、地基条件以及场地周围环境条件,根据JGJ94-2008规范,可选择旋挖桩。
选择桩的几何尺寸以及承台埋深依据地基土的分布,第4层土为粉质黏土,但其厚度不够,故可选第5层粉砂层作为持力层。
桩端全断面进入持力层的深度为1.6m (>2d ),桩端的入土深度 h=1.5+3.3+7.2+4.8+1.6=18.4m 。
由于第1层土厚1.5m ,地下水位离地表3.5m,为了使地下水对承台没有影响,所以选择承台底进入第2层土0.5m ,即承台埋深为2m ,桩基得有效桩长l 即为18.4-2=16.4m 。
此桩截面尺寸可选用800mm ,桩身混凝土强度取C25。
桩基及土层分布示意图如右图所示。
(具体所画的图可依据的右图)确定单桩极限承载力标准值由规范JGJ94-2008,单桩竖向极限承载力标准值应符合下列规定:设计等级为乙级的建筑桩基,可由经验参数综合确定。
一.设计资料:A轴柱底荷载柱底荷载效应标准组合值 FK=1534KN MK=335KN.M VK=109KN柱底荷载效应基本组合值 F=1994KN M=436KN.M V=142KN持力层为③土层承载力特征值 fak=180kg地下水位深度位于地表下1.5m框架柱截面尺寸 500mm*500mm室外地坪标高同自然地面,室内外高差450mm二.独立基础设计1选择基础材料基础采用C25混凝土,HpB400级钢筋,预估基础高度0.80m2.选择基础埋置深度取基础底面高时最高取至持力层下0.5m,本设计取③土层为持力层,所以考虑取室外地坪的基础底面为0.5+1.2+0.5=2.2m,基础剖向示意图如下3.求地基承载力特征值fa③土层为粘土层e=0.58 IL=0.78得b=0.3 d=1.6①号土层重度 r1=18*0.5=9KN/m3②号土层重度 r2=20*1+(20-10)*0.2=22KN/m3③号土层重度 r3=9.4*0.5=4.7KN/m3由此可得基底以上加权平均重度为 rm=r1+r2+r3/2.2=16.23KN/m3持力层承载力特征值fa为(未考虑宽度修正)fa=far+drm(d-0.5)=180+1.6*16.23*(2.2-0.5)=224.15KPa4.初步选择基底尺寸取荷载标准值Fk=1534KN Mk=335KN*m Vk=109KN基础底面积为Ao=FK/(fa-ra d)=1534/(224.15-0.7*10-1.725*20)=8.40m2ra 基础及回填土平均重度,一般取20KN/m2d 按室外地面算起考虑偏心荷载的影响,基础面积加大范围为(10%-40%)此处按20%增大面积A=1.2Ao=1.2*8.40=10.08m2初步选定基础底面面积A=lb=3.6*2.8=10.08m2 ,且b=2.8<3m不需要再对fa进行修正。
5.验算持力层地基承载力基础和回填土重Gk=radA=(0.7*10+1.725*20)*10.08=418.32KN偏心距为ek=M/(FK+GK)=(335+109*0.8)/(1534+418.32)=0.216m<l/6=0.6mPKminKmax=(FK+GK )(1±6ek /l)/lb=(1534+418.32/10.08)[1±(6*0.216)/3.6]=263.4KPa<1.2fa=268.97Ka 所以,最后确定基础底面面积长3.6m,宽2.8m。
《基础工程》课程设计任务书开题日期: 2014年 5月 26 日完成日期: 2014年 6 月 1 日一、设计目的通过本次设计,让学生初步掌握柱下钢筋混凝土独立基础的设计步骤、方法及具体的计算过程,并逐步培养从事基础工程浅基础的设计能力。
二、设计内容(一)设计题目柱下钢筋混凝土独立基础(二)设计内容1、确定基础埋深;2、按持力层承载力特征值确定基础底面尺寸;3、验算地基变形;4、基础结构设计:拟定基础剖面尺寸,进行内力分析、强度验算和配筋设计,并满足构造设计要求;5、绘制基础施工图,包括基础平面图、立面图及配筋图。
三、设计资料1、地形拟建建筑场地平整2、工程地质资料自上而下依次为:①号土层填土:厚约0.5 m,含部分建筑垃圾;②号土层粉质黏土:厚1.2 m,软塑,潮湿,承载力特征值f ak=130 kpa;③号土层黏土:厚1.5 m,可塑,稍湿,承载力特征值f ak=180 kpa;④号土层,细砂,层厚2.7 m,中密,承载力特征值f ak=240 kpa;⑤号土层,强风化砂质泥岩,厚度未揭露,承载力特征值f ak=300 kpa。
3、岩土设计技术参数地基岩土物理力学参数如表1所示。
地基岩土物理力学参数表4、水文资料为地下水对混凝土无侵蚀性;地下水位于地表下1.5 m。
5、上部结构资料上部结构为多层全现浇框架结构,室外地坪标高同自然地面,室内外高差450mm。
柱网布置见图1,图中仅画出了1-6列柱子,其余7-10列柱子和4-1列柱子对称。
图1 柱网平面图6、上部结构作用:柱底的荷载效应标准组合值和荷载效应基本组合值分别见表2和见表3。
表2 柱底荷载效应标准组合值表3 柱底荷载效应基本组合值7、材料:混凝土等级C25~C30,钢筋HRB400。
8、根据以上所给资料及学生人数,每班划分为3个组。
第1组共15人,基础持力层选用③土层,设计 A轴柱下独立基础;第2组共15人,基础持力层选用④土层,设计 B轴柱下独立基础;第3组共15人,基础持力层选用③土层,设计 C轴柱下独立基础。
三、设计成果及要求:成果:《基础工程》课程设计计算书(1)设计计算书封面封面上应写明设计题目、学生姓名、专业、年级、指导教师等信息,且必须打印。
(2)目录及正文目录及正文格式自定,且必须手写。
要求:1.计算书按封面、任务书、目录、正文、结束语及参考文献的顺序进行左侧装订。
2.计算书要求书写工整、数字准确、图文并茂。
四、参考资料1.《土力学》(第2版)东南大学等四校合编.中国建筑工业出版社,2009;2.《基础工程》(第2版)华南理工大学等三校合编.中国建筑工业出版社,2009;3.《土力学与基础工程》赵明华主编. 武汉工业大学出版社,2003;4.《混凝土结构设计》(新1版)白国良主编. 武汉理工大学出版社,2011;5.《建筑结构荷载规范》(GB50009—2012),中国建筑工业出版社,2012;6.《建筑地基基础设计规范》(GB50007—2011),中国建筑工业出版社,2011;7.《混凝土结构设计规范》(GB50010—2010),中国建筑工业出版社,2010。
目录柱下独立基础设计 (1)1.1选择基础材料 (11)1.2选择基础埋置深度 (11)1.3地基承载力特征值 (12)1.4初步选择基底尺寸 (12)1.5验算持力层地基承载力 (12)1.6基础高度的确定 (13)1.7变阶处抗冲剪验算 (14)1.8配筋计算 (14)1.9基础配筋大样图 (16)结束语 (11)参考文献 (12)独立基础设计本人设计资料本人分组情况为第二组第23号,根据分组要求及参考书柱底荷载效应标准组合值及柱底荷载效应基本组合值选用8题号B 轴柱底荷载.①柱底荷载效应标准值:KN V m KN M KN F K K K 104,266,2507=⋅== 。
②柱底荷载效应基本组合值: KN V m KN M KN F 136,346,2674=⋅==。
持力层选用4号全风化砂质泥岩土层,厚2.7米,承载力特征值Kpa f ak 240=,框架柱截面尺寸为500mm ⨯500mm ,室外地坪标高同自然地面,室内外高差450mm 。
1.1选择基础材料基础采用C25混凝土,HRB335级钢筋,预估基础高度0.8m 。
1.2选择基础埋置深度根据柱下独立基础课程设计任务书要求和工程地质资料选取。
拟建厂区地下水对混凝土结构无侵蚀性,地下水位于地表下1.5m 。
取基础底面高时最好取至持力层下0.5m ,本设计取4号土层为持力层,所以考虑取室外地坪到基础底面为0.5+1.2+1.5+0.5=3.7m 。
由此得基础剖面示意图,如图1.2所示。
修改图上尺寸图1.2 基础剖面示意图1.3求地基承载力特征值a f根据全风化砂质泥岩,查表得b η=2.0,d η=3.0。
基底以上土的加权平均重度为:由于持力层为粘土,地基承载力特征值为:Kpa f ak 240=持力层承载力特征值a f (先不考虑对基础宽度修正值)为上式d 按室外地面算起。
1.4初步选择基底尺寸取柱底荷载标准值:KN V m KN M KN F K K K 104,266,2057=⋅==计算基础和回填土重K G 时的基础埋置深度为基础底面积为 由于偏心不大,基础底面积按20%增大,即初步选定基础底面积22.734.2m bl A =⨯==,且b=2.4m ≤3m 不需要再对a f 进行修正。
1.5验算持力层地基承载力基础和回填土重为偏心距K min P 0>,满足要求。
基底最大压应力:KN f KN l e A G F P a K K K 92.2682.137.256)316.061(4.844.3491282)61(max =<=⨯++=++=Pmax=(2057+335.5)/7.2*(1+6⨯0.15/3)=432KN <1.2`````1.6计算基底反力取柱底荷载效应基本组合设计值:静偏心距为:基础边缘处的最大和最小净反力为:1.7基础高度的确定柱边基础截面抗冲切验算(见图1.3) (a )(b )图1.3 冲切验算简图(a )柱下冲切 (b )变阶处冲切取l=3m,b=2.4m, m a m b a c c t 5.0,5.0===,初步选定基础高度h=800mm ,分两个台阶,每阶段高度均为500mm 。
)(750220408000有垫层mm h =--=,则取m m h a a t b 4.20.275.025.020<=⨯+=+=。
取b a =2.0m 。
因此,可得因为偏心受压,Kpa p p n 7.497max ==取,冲切力:抗冲切力为因此满足要求。
1.8变阶处抗冲剪验算由于有,35050400,5.1,2.120111mm h m a m b b a t =-=====则取m m h a a t b 4.29.17.02.12011<=+=+=所以取m a b 9.11=,冲切力为抗冲切力为因此满足要求。
1.9配筋计算选用HPB335钢筋,2/300mm N f y =。
1) 基础长边方向对于Ⅰ-Ⅰ截面,柱边净反力为悬臂部分净反力平均值为弯矩为钢筋的面积为对于Ⅲ-Ⅲ截面(变阶处),有弯矩为钢筋的面积为因此比较3s A 和1s A ,应取1s A 配筋,实际配200@16 ,则钢筋根数为2) 基础短边方向因为该基础受单向偏心荷载作用,所以,在基础短边方向的基底反力可按均匀分布计算,取与长边方向的配筋计算方法相同,对于Ⅱ-Ⅱ截面(柱边)的计算:弯矩为Ⅳ-Ⅳ截面(变阶处)的计算: 弯矩为因此,按2s A 在短边方向配筋,实际配150@12 钢筋根数为1.10基础配筋大样图基础配筋大样图如图A3图纸01所示。
修改图样图1.4 基础配筋示意图结束语本次课程设计即将告一段落,在此两周里,通过同学和老师的帮助,还有自己的努力终于完成了此次课程设计的任务,可能课程设计的结果会差强人意,但在其中的过程中,学到的知识量却是令人欣慰的。
课程设计本身就是一项理论与实际相结合的过程,与平时的课后作业相比,需要更多的知识积累与运用。
同时我们越是认真负责的对待,我们在这个过程中收获得就越多。
相对于我自己而言,刚刚开始做的时候会有很多顾忌,生怕会应该前期的错误会引起后面的大麻烦,从而要求我细心处理每一个细节问题,包括荷载的取值,基础的埋深等等,通过与同学的探讨,加深了自己对那些原来有疑惑的知识点的理解,越做到后面,计算步骤就越熟练,计算速度也就越快。
也许这是完成一个任务的普遍规律,由浅而深,由生到熟的过程。
与此同时,这次的课程设计也是一次知识的总结,剪力计算、弯矩计算等这些大一大二学过的知识点,这次有得到了一次演练。
地基承载力、基底压力等是这学期学的新内容,在这次的设计中也大量运用了这些知识。
总之,不管在现在还是以后,认认真真完成每一项自己应该完成的任务,不仅是对别人负责也是对自己的一次考验。
参考文献[1] 中华人民共和国国家标准,《建筑地基基础设计规范》(GB 50007-2011),北京:中国建筑工业出版社,2011;[2] 赵明华主编,《土力学与基础工程》,武汉:武汉理工大学出版社,2011。