地下工程课程设计任务书
- 格式:doc
- 大小:244.00 KB
- 文档页数:6
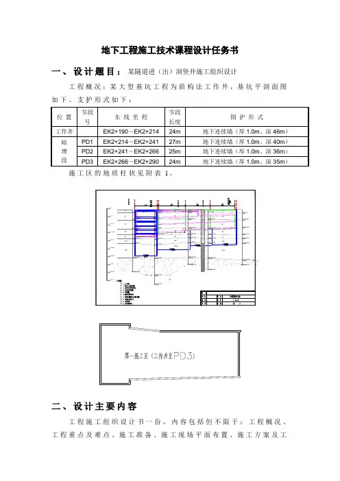
地下工程施工技术课程设计任务书一、设计题目:某隧道进(出)洞竖井施工组织设计工程概况:某大型基坑工程为盾构法工作井,基坑平剖面图如下。
支护形式如下:施工区的地质柱状见附表1。
二、设计主要内容工程施工组织设计书一份,内容包括但不限于:工程概况、工程重点及难点、施工准备、施工现场平面布置、施工方案及工序、施工总进度计划、施工质量、进度、安全、文明施工的技术措施,图绘制在3号图纸上。
(具体内容可参考附件2目录,根据自己情况进行删减添加)具体要求为:1)说明书要求:内容完整,叙述简洁,字迹清楚、端正,图文并茂。
2)插图质量要求:内容齐全,尺寸无误,布置合理。
3)图纸质量要求:内容齐全,布置恰当,线形及字体规范。
设计图纸图签如下:按学号分4组。
分别设计基坑段、P D1段、P D2段、P D3段基坑,每段均为封闭地连墙,各组只考虑自己设计的内容,不考虑与基坑其它部分交叉施工。
支撑间隔可根据情况适当调整,支撑形式需要有依据(即为其它类似工程应用过的支撑形式)。
三、设计依据1地下施工的相关规范。
2相关论文和资料。
四、设计要求1通过设计,熟悉地下工程施工组织的相关知识。
2学会利用网络,获取需要的知识和资料。
2提交的成果包括规划设计说明和规划设计图,提交的成果全部使用A4打印纸打印并装订成册,基本格式参照力建学院课程设计格式要求。
3施工组织设计要求内容完整,格式规范。
4规划设计图包括但不限于:(1)施工总平面布置图。
(2)基坑支撑结构布置图(平面、剖面)。
附表1-01 地基土的物理力学性质指标表附件 21工程概况 31.1 编制依据31.2 工程简介41.3 工程地质51.4 施工现场情况62工程重点及难点62.1 施工场地小62.2 超深地下连续墙施工 62.3 控制基坑变形与地面沉降,确保周边环境安全72.4 场区地质条件与承压水降水72.5 主体结构防水73工程总体筹划73.1 施工总体目标73.2 施工方案比选3.3 工作井至P D3总体施工安排83.4 施工工期筹划93.5 劳动力组织计划113.6 主要机械设备123.7 分阶段平面布置163.8临时工程163.9交通组织方案204深基坑施工方案204.1 方案综述204.2 地下连续墙施工方案与技术措施204.3 地基加固方案244.4 基坑降水方案294.5 钻孔灌注桩(立柱桩)施工方案334.6 基坑开挖与支撑方案 354.7 结构施工方案434.8 施工测量564.9 施工监测方案575工程管理 675.1 组织机构675.2 管理网络686沿线构筑物、地下管线及民用、公共设施保护措施74 6.1 地下管线、构筑物及民用、公共设施保护组织措施74 6.2 地下管线情况及保护 756.3 构筑物及民用、公共设施情况及保护 757工程质量保证措施767.1 质量方针767.2 质量目标767.3 质量标准767.4 主要质量保证技术措施768安全生产、文明施工措施 838.1 安全生产措施838.2 文明施工措施899环境保护措施939.1 土方运输939.2 弃土及建筑垃圾处理 949.3 河道环境保护949.4 施工污水处理959.5 施工废气控制969.6 施工噪声与振动控制 979.7 施工环境卫生管理9810 消防与治安措施10010.1 消防措施10010.2 现场治安措施10111 防台防汛措施10111.1 防汛范围及标准 10111.2 防汛组织指挥10111.3 防汛设备10211.4 要害部位及防汛措施10212 应急预案10312.1 应急准备及响应程序10312.2 事故信息报告10512.3 预警预防行动10612.4 预警级别与发布 10612.5 风险规避和预防措施10712.6 重大危险源事故预防及应急抢险措施107 12.7 应急物资材料109。
第1篇一、设计背景随着城市化进程的加快和地下空间利用需求的增加,地下工程施工技术在我国得到了广泛应用。
为了提高学生对地下工程施工技术的理解和掌握,本课程设计旨在让学生通过实际操作和理论分析,深入了解地下工程施工的基本原理、施工方法和施工组织,培养其解决实际工程问题的能力。
二、设计目标1. 理解地下工程的概念、分类和特点;2. 掌握地下工程施工的基本原理、施工方法和施工组织;3. 培养学生分析、解决实际工程问题的能力;4. 提高学生的团队合作精神和沟通能力。
三、设计内容1. 地下工程概况(1)地下工程的分类:按领域用途、空间位置等进行分类;(2)地下工程的特点:如施工环境复杂、安全风险高、施工难度大等;(3)地下工程施工的基本要求:如保证施工质量、安全、环保等。
2. 地下工程施工方法(1)明挖法:放坡开挖、非放坡开挖等;(2)暗挖法:浅埋暗挖法、盾构法、沉管法等;(3)特殊施工方法:如冻结法、顶管法等。
3. 地下工程施工组织(1)施工组织设计:包括施工进度、施工方案、施工资源、施工质量、安全、环保等方面的内容;(2)施工平面布置:包括施工场地、施工道路、临时设施、施工设备等;(3)施工资源配置:包括人力、物力、财力等。
4. 地下工程施工案例分析选择典型地下工程案例,分析其施工过程中的关键技术、施工组织、施工管理等方面的问题,总结经验教训。
四、设计步骤1. 确定设计题目,收集相关资料;2. 分析地下工程概况,确定施工方法;3. 制定施工组织设计,进行施工平面布置;4. 进行施工资源配置,确定施工进度;5. 撰写课程设计报告,进行答辩。
五、设计评价1. 设计报告的完整性、合理性;2. 施工方案的科学性、可行性;3. 施工组织设计的合理性、有效性;4. 案例分析的真实性、深度;5. 团队合作精神和沟通能力。
通过本次地下工程施工课程设计,学生将全面了解地下工程施工技术,提高其解决实际工程问题的能力,为今后从事地下工程相关工作奠定坚实基础。
《地下工程课程设计》目录一、目的 (2)二、设计资料 (2)三、隧道设计 (2)四、管片衬砌结构设计 (7)五、轨道设计 (12)六、参考文献 (13)地铁区间盾构隧道建筑限界的确定与横断面设计一.目的:通过课程设计,使学生掌握地铁区间隧道车辆轮廓线、车辆限界、设备限界和建筑限界的计算过程与影响因素,车辆类型,支护结构类型,轨道类型,受电弓知识,直线与曲线隧道计算超高的办法及其对隧道建筑限界的影响等知识,使学生能够在任一速度和曲线半径下,选择车型和轨道设计,进行隧道衬砌选择和衬砌管片的选择,并且设计出管片的厚度和二次衬砌的厚度(若需要),绘出给定条件下的隧道建筑限界图(车辆轮廓线图、车辆限界图、设备限界图和建筑限界图),并给出具体控制点的坐标值,绘出单(复)线隧道直线和曲线条件下的衬砌内轮廓图,绘出衬砌设计图,绘出管片设计图等。
二.设计资料:取之于“广州地铁某线某区间盾构隧道设计”。
圆形盾构地铁区间隧道,底层参数为:粉粘土,上覆地层高12.0m,容重18.0kN/m3,地面超载20.0kN/m3,侧压力系数0.5,地基抗力系数30.0MPa/m。
设计要求:1)直线隧道,时速80km/h2)曲线段隧道,时速70 km/h,半径750m,车型B1,减震轨枕。
三.隧道设计:本隧道设计选择B1车型中的下部受流型车型,其车辆主要参数如下:1.车辆长度:19000mm2. 车辆宽度:2800mm3. 车辆高度:3800mm4. 车体重量:1) 空车:24000kg(钢车)2)重车:42600kg(钢车)●车辆轮廓线B1型计算车辆轮廓线坐标值(mm)如下表:点号0 1 2 3 4 5 6 27 28X 0 840 950 1129 1229 1299 1318 1332 1387Y 3800 3800 3750 3636 3538 3406 3315 3077 3063点号29 30 7 8 9 —10d 11d 12dX 1413 1358 1400 1400 1400 —1255 1255 1255Y 2621 2605 1860 1100 600 —600 355 160点号13d 14d 15d 16d 17d 20d 21 22 23X 1440 1441 1230 1065 1065 818 818 717.5 717.5Y 160 120 85 85 165 165 0 0 -25点号24 25 26 —12e 13e 14e ——X 676.5 676.5 0 —-1255 -1428 -1428 ——Y -25 80 80 —222 222 190 ——注:表中第0~9、10d点是车体上的控制点;第11d点是车轴上轴箱的控制点;第12d~15d点是转向架构架下受流器的控制点;第16d~20d点为下部受流转向架构架上的控制点;第21、22点为车轮踏面上的控制点;第23、24点为轮缘上的控制点;第25、26为连接在车轴上的齿轮箱最低点;第27~30点为信号灯预留位置。
《地下工程课程设计》学院: 河海学院专业:地质工程班级:2010级一班学生姓名:林弟涛学号:10480127指导老师:翁其能2013年1月5日一、工程概况1、设计概况拟建通道位于重庆市九龙坡区九龙广场地下车库与沃尔玛车库间,两车库边墙间隔厚15米,沃尔玛车库底地面标高高出九龙广场地下车库底地面标高4.95米;沃尔玛车库高4.27米,九龙广场车库高6.2米。
顶部地表平坦,拟建通道埋深为1~4米。
2、周边情况根据资料与现场勘察,靠近九龙车库一侧分部有地下管线,及一条地下排水涵洞,涵洞顶位于车库及拟建通道下部约1-8m深处。
在拟建通道附近分布有给水、排水管道、隔油池、降温池、污水检查井、雨水检查井等。
地表为沃尔玛前广场人行道与景观花台、喷泉等,无车辆通过。
3、工程地质情况根据资料调查与现场踏勘,车库隔墙间地层为原施工后的杂填土,主要为含碎石粘土,区域无地下水埋藏。
根据调查资料,取计算土体物理力学参数如下:土体物理力学参数表编号岩性厚度(m)容重(kN/m3)C(kPa)φ(度)K0基床系数(MPa/m)垂直水平1 杂填土4-10 20 24 16二、设计依据1、甲方提供的建筑总平面图、地形图、地下管线图、主体框架平面图和剖面图;2、现场踏勘情况及对工程环境的调查研究;3、国家现行有关建筑法律法规;设计规范、标准等。
4、参考规范:《重庆市建筑地基基础设计规范》(DBJ50-047-2006)《地铁设计规范》(GB50157-2003)《混凝土结构设计规范》(GB50010-2002)《地下工程防水技术规范》(GB 50108-2001)《建筑结构荷载规范》(GB50009-2001)(2006年版)《建筑基坑支护技术规范》(JGJ120-99)《公路隧道设计规范》(JTG D70—2004)《基坑土钉支护技术规程》(CECS96-97)三、方案比选3.1初选方案该工程周边环境复杂,场地较小,但基础埋深5m,实际开挖深度4.75m,因此工程基坑支护的重点主要控制基坑变形,以保证领近建筑物的安全。
安徽建筑工业学院——专业课程设计任务书课程名称:《地下建筑结构》学生姓名:学号:班级:指导教师:院长:一、课题设计与分工要求(一)设计课题1、课题一:浅埋地下通道设计2、课题二:基坑支护设计3、课题三:附建地下室设计(二)课题分工与要求1、课题一:由学号尾数为0、3、8的同学完成。
2、课题二:由学号尾数为1、4、7的同学完成。
3、课题三:由学号尾数为2、5、6、9的同学完成。
4、要求:各班学习委员(或班长)负责对本班同学按学号划分课题,并将课题的分工名单在完成设计任务后一起上交指导教师。
二、目的和要求1、掌握常见各地下结构的设计原则与方法,了解基本的设计流程;2、综合运用地下工程设计原理、工程力学、钢筋混凝土结构学及工程施工、工程技术经济的基本知识、理论和方法,正确地依据和使用现行技术规范,并能科学地搜集与查阅资料(特别希望各位同学能够充分利用好网络资源);3、掌握地下建筑结构的荷载的确定;矩形闭合框架的计算、截面设计、构造要求;附建式地下结构的内力计算、荷载组合、截面设计及构造;基坑围护结构的内力计算、稳定性验算、变形计算及构造设计;4、掌握绘制地下结构施工图的基本要求、技能和方法;5、要求同学们以课题为核心,即要求团结协作,培养和发扬团队精神,又要求养成独立自主,勤奋学习,培养良好的自学能力和正确的学习态度。
三、应完成的设计工作量(一)计算书一份1、设计资料:任务书、附图及必要的设计计算简图;2、荷载计算、尺寸的确定、内力计算、截面的设计及验算、稳定性验算、抗浮的验算、基础承载力的计算等(根据各课题的要求不同选择计算内容);3、配筋的设计计算。
4、可能的情况下提供多方案(两个即可)比较。
(二)绘制施工图(只需要一个方案)1、必要的平、立、剖面、大样图;2、结构(配筋)图;2、必要的文字说明。
四、设计时间:一周五、主要参考资料1、《地下建筑结构》(第一版),朱合华主编,中国建筑工业出版社编,20052、《地下结构工程》,东南大学出版社,龚维明、童小东等编,20043、《建筑基坑支护技术规程(JGJ120-99)》,中国建筑工业出版社,19994、《基坑工程手册》,中国建筑工业出版社,刘建航、候学渊编,19975、《钢筋混凝土结构设计规范》(GB50010-2002),中国建筑工业出版社,20026、《建筑地基基础设计规范》(GB50007-2002),中国建筑工业出版社,20027、《城市桥梁设计荷载标准》(CJJ77-98)8、《公路桥涵设计通用规范》(JTG D60-2004)六、设计资料题目1:某浅埋地下通道,所处位置及地质剖面见图1及表1。
《地下工程》课程设计大纲及指导书
2周
课程设计总学分:2分
课程设计周次:14~15周
适用专业及年级:土木工程专业方向:岩土工程
大纲主撰人:地下工程教研室
指导教师:王立平朱昌星
一、课程设计目的和基本要求
课程是土木工程专业《地下工程》课程教学过程中重要的实践性教学环节,为岩土与地下工程方向的必修课程,属专业教学模块。
其重要性体现在:
①作为课程教学中的一项重要内容,是完成教学计划达到教学目标的重要环节,是教学计划中综合性较强的实践教学环节。
要求每个学生高度重视,必须认真按时完成。
课程设计未完成或未上交的不得给予相应学分。
②使学生熟练掌握地下工程设计计算原理和施工方法的重要内容,为下一步的毕业实习和设计打下理论和实践基础。
③对帮助学生全面牢固地掌握课堂教学内容、培养学生的实践和实际动手能力、提高学生全面素质具有很重要的意义。
通过地下工程课程设计,使学生进一步了解地下工程的总体布局方式、场地施工布置、交通、供电等,掌握地下工程断面设计与支护结构设计方法,掌握地下工程施工程序与组织设计方法等。
要求在老师的指导下,。
2011级地下方向地下建筑工程施工计划及任务书一、课程设计的目的及任务地下建筑工程施工设计的目的是使学生通过本次学习的过程,结合已经学会的知识并且在教师的指导下,以一项工程实例,系统地掌握地下工程一般的设计、施工工艺和施工管理方法,了解地下建筑工程开挖、装运、支护等施工程序;学会编制地下建筑工程施工设计,并初步具备地下建筑工程施工技术指导和组织管理才能;通过课程学习、实验和生产实习,培养分析问题和解决问题的能力。
二、适用专业:11级土木工程专业地下工程方向三、先修课程:地下建筑工程施工四、实习指导教师李皓对课程设计工作全权负责。
五、实习时间及地点中国地质大学(北京)长城学院 3-408、409、608本次课程设计时间2014年9月15日至9月26日,共计2周12天。
六、课程设计的基本要求学生须在两周内完成地下建筑工程施工课程设计一份。
具体要求为:1.说明书要求:内容完整,叙述简洁,字迹清楚、端正,图文并茂。
2.计算书要求:公式完整,参数单位、大小准确,计算过程明了、结果正确。
- 2 -- 2 - 3.绘图质量要求:内容齐全,尺寸无误,图面布置合理。
4.课程设计完成后需附上总结和参考文献。
七、设计内容:1、工程概况某地铁站区间隧道右线区间起止里程:右K14+504.386~K15+043.934,区间长度539.849m(长链0.301m);左线区间起止里程:左K14+504.386~K15+043.934,区间长度539.808m(长链0.260m)。
区间隧道覆土16.05~23.76m,采用矿山法施工。
区间中部右K14+681.000处设置一处联络通道,结合联络通道设置临时施工竖井及横通道。
区间线路平面设置两处曲线,第一处曲线半径均为2000m;第二处曲线半径均为3000m。
区间沿线需下穿2处人行天桥及Ф500中压燃气、Ф500高压燃气、Ф1000上水、Ф600上水、Ф800污水、Ф500~Ф800雨水、5.9×2.65m热力沟等大型市政管线。
《地下建筑结构》课程设计任务书《地下建筑结构》课程是我校土木工程专业的高年级重点专业课程,涉及学科广,授课内容丰富,而且直接与目前的实际工程类型紧密结合,需要有扎实的基础专业知识,如:工程地质学、岩土工程学、基础工程学、岩土力学、基坑工程学、地基处理、施工技术、结构力学、混凝土结构等。
与本课程相配套的课程设计,选取目前实际工程最为常见且具有代表性的专题进行,通过课程设计的练习主要考察学生们对本课程基础知识的掌握情况,锻炼基本的设计技能,了解工程设计的主要程序和要点,掌握岩土的基本性质和物理力学参数的联系和规律。
巩固专业知识,提高解决工程实际问题的能力。
本次课程设计选取常见的地下工程类型之一的基坑工程开展,主要进行基坑支护设计,具体内容和要求如下。
一、设计题目(一)工程规模和周边环境广州市东濠涌污水处理工程拟设地下水质净化泵房滤池,滤池呈长方形,由西北向东南布置。
长约90m,宽约25m,基坑深约6m。
详见图1,需要进行基坑支护设计。
建设场地的地貌单元属珠江三角洲平原,地形起伏小,原为闲置地,经人工平整后地势平坦,钻孔孔口高程为8.30m。
北侧为约5m宽的过道,东侧距离坑边为4m有一排旧老民居,基础和结构差;南侧7m为6层的小学教学楼,西侧为河涌(涌堤距离坑边15m)。
图1、建设小区平面规划图(二)场地岩土工程资料根据场地勘察揭示的地质资料,经综合整理,可将场地内岩土自上而下划分为第四系人工填土层、海陆交互相沉积土层、残积土层及白垩系沉积岩等四大类。
现分述如下:一)人工填土层(Q4ml,层号1)顶面高程8.30~9.55m,厚度3.00~4.50m;土性为杂填土,灰褐、灰黄、褐红等杂色,由粉质粘土、中粗砂、砾砂、碎石、砼块、块石等建筑垃圾组成,硬质物含量约占20~70%,稍湿,稍压实。
标贯试验2次,实测击数范围值N’=6~7击。
二)第四系海陆交互相沉积土层(Q4mc,层号2)普遍分布,按土性不同可划分为4个亚层。
《地下建筑结构》课程设计任务书指导教师:毕升一、课程设计目的和要求1. 《地下建筑结构》课程设计是学生在学习《土力学》、《钢筋混凝土》、《基础工程》和《地下建筑结构》的基础上,综合应用所学的理论知识完成基础工程的设计任务。
其目的是培养学生综合应用基础理论和专业知识的能力,同时培养学生独立分析和解决地下建筑工程设计问题的能力。
2. 通过课程设计,要求学生对盾构设计内容和过程有较全面的了解和掌握,熟悉盾构设计的设计规范、规程、手册和工具书。
3. 在教师指导下,独立完成课程设计任务指导书规定的全部内容。
设计计算书要求计算正确、文理通顺,施工图布置合理、表达清晰,符合规范要求。
二、课程设计资料1、 如图所示,为一软土地区地铁盾构隧道的横断面,由一块封顶块K ,两块邻结块L ,两块标准块B 以及一块封底块D 六块管片组成,衬砌外径6200mm ,厚度为350mm ,采用通缝拼装,混凝土强度为C50,环向螺栓为5.8级,地层基床系数34/102m kN k ⨯=。
管片裂缝宽度允许值为0.2mm,接缝张开允许值为3mm 。
地面超载为20KPa 。
试计算衬砌受到的荷载,并用荷载结构法,按均质圆环计算衬砌的内力,画出内力图,并进行隧道抗浮,管片局部抗压,裂缝,接缝张开等验算及一块标准管片配筋计算。
灰色淤泥质粉质粘土上层厚度1355mm ,根据学号后3位ABC 调整,1355+ABC*30 (mm )三、提交的课程设计成果及考核方法1、设计说明书要求写出完整的计算说明书,包括荷载计算、配筋计算、隧道抗浮、纵向接缝验算、裂缝张开验算、环向接缝验算、局部抗压验算。
2、图纸绘制衬砌结构平面布置图(3号图1张)、圆环结构平面布置图(3号图1张)及其必要的施工说明。
设计成果统一装在档案袋里,设计成果包括:计算说明书,任务书、衬砌结构平面布置图、圆环结构平面布置图。
3、考核办法课程设计成绩分两部分,出勤占30℅,设计报告内容及质量占70℅。
《地下建筑施工》课程设计任务书一、课程设计的性质和目的地下建筑施工课程设计是在《地下建筑施工》课程结束后进行的一个实践性教学环节,是对学生进行的一次综合性专业设计训练。
通过课程设计可对《地下建筑施工》及相关课程所学内容进行融会贯通,使所学知识得到进一步巩固和加强,培养学生设计计算、工程绘图、计算机应用、文献查阅、运用有关施工标准和规范等基本技能。
同时提高学生独立分析问题和解决问题的能力。
因此,要求学生应独立完成设计。
二、课程设计的基本要求以地下工程施工技术为主,编制铁路、公路或地铁隧道的施工组织设计。
要求学生通过课程设计达到以下基本要求:1.掌握隧道及地下工程施工技术的内容、编制方法。
2.巩固和掌握隧道掘进与支护的基本方法、施工工艺和设备,能够根据工程的具体条件较为正确地选择施工方案、施工方法和施工设备。
3.了解隧道施工辅助工作的内容、常用设备类型,熟悉隧道施工的规范和质量标准。
4.掌握地下工程施工组织设计的主要环节,能够综合运用所学知识,编制隧道施工组织设计。
三、课程设计内容1. 编制说明1.1 编制依据1.2 编制原则1.3 编制范围2. 工程概况1. 1工程环境条件地理位置、通过的地区、洞口的位置与地形地貌、地方材料供应、交通运输条件、气温、气候等。
1.2 工程设计线路起讫点、总长度、线路数目、线路直度与坡度、线路等级等有关总体设计情况。
1.3工程地质与水文地质隧道通过的主要地层名称、埋深与长度;岩石强度及稳定性;断层、含水层等情况。
3. 施工组织机构及任务划分2.1 施工组织机构2.2 施工任务划分贯通方式、工作面挖掘方案(全断面、分断面、导洞法、台阶法)、挖掘手段(掘进机、钻爆法或二者混合)、作业方式、机械化配套方案等。
4. 施工方案及方法4.1 总体施工方案4.2 隧道开挖方法及施工工序4.3 隧道支护(衬砌)施工4.4 特殊条件下的施工措施5. 施工辅助工作地下工程压缩空气供应、通风与防尘、防排水与供水、测量、出渣运输等。
《地下工程》课程设计大纲及指导书课程设计总周数:2周课程设计总学分:2分课程设计周次:14~15周适用专业及年级:土木工程专业方向:岩土工程大纲主撰人:地下工程教研室指导教师:王立平朱昌星一、课程设计目的和基本要求课程是土木工程专业《地下工程》课程教学过程中重要的实践性教学环节,为岩土与地下工程方向的必修课程,属专业教学模块。
其重要性体现在:①作为课程教学中的一项重要内容,是完成教学计划达到教学目标的重要环节,是教学计划中综合性较强的实践教学环节。
要求每个学生高度重视,必须认真按时完成。
课程设计未完成或未上交的不得给予相应学分。
②使学生熟练掌握地下工程设计计算原理和施工方法的重要内容,为下一步的毕业实习和设计打下理论和实践基础。
③对帮助学生全面牢固地掌握课堂教学内容、培养学生的实践和实际动手能力、提高学生全面素质具有很重要的意义。
通过地下工程课程设计,使学生进一步了解地下工程的总体布局方式、场地施工布置、交通、供电等,掌握地下工程断面设计与支护结构设计方法,掌握地下工程施工程序与组织设计方法等。
要求在老师的指导下,参考已学过的课本及有关资料,综合应用地下工程的基本理论、基本知识,进行地下工程设计计算,并绘制地下工程开挖、支护施工图,为学生今后从事地下工程设计、施工和技术管理打下良好基础。
根据本课程的特点,学生学完本课程和做完课程设计以后,应达到下列基本要求:(1) 掌握地下工程有关的概念,了解地下工程性质、规模等;(2) 了解所设计的工程区内主要工程地质与水文地质条件;(3)掌握地下工程建筑结构与施工组织设计方法。
二、课程设计方式本课程是地下工程实践性环节。
主要采用集中辅导和个别辅导相结合的指导方式,集中辅导采用课堂教学,主要结合教学视频、施工图片等,让学生深刻了解有关地下工程的设计与施工。
(一)集体辅导通过课堂讲授,使学生进一步明确课程设计的任务、内容、要求、设计步骤等;通过典型例题分析使学生对地下工程的结构型式、结构布置和受力特点有更深的了解,掌握地下工程支护结构的作用、布置和设计方法,介绍编写计算书及绘制施工图时容易出错的地方和注意事项。
城市地下结构课程设计任务书一、工程资料:某总建筑面积为30000m2的商场,地上6层、地下2层(地下1层为商场营业层、地下2层为停车场);基础为东西长72m、南北宽52m混凝土筏板基础,基底标高为-11.0m,地面标高为-1.0m。
其基坑底部边沿设置距离基础1.5m的工作面;基坑周围为硬化施工场地,基坑南侧距施工围墙30m,并设大门通往外侧公路,基坑其它三面距离施工围墙均为10m,属于二级基坑。
由于基坑周围场地受限,故垂直设置混凝土灌注桩做排桩支护,并在一定深度设置一层锚杆。
根据该工程地质勘探报告的有关资料:1、地表层有(1+0.1X)m厚杂填土,测得重度19kN/m3,内摩擦角为5°,粘聚力为5kPa;2、地表层土以下则均为粉质粘土,测得其天然重度为19kN/m3,内摩擦角为(10+X)°,粘聚力为(5+X)kPa,塑限含水量为16%,孔隙比为0.75。
3、不考虑地下水,地面考虑(10+X)kN/m2均布荷载。
(注:按座号每5个同学为1组,X表示组号,例如:1~5号同学X取1。
)二、设计内容封面:采用学校专用封面。
(一)工程概况(建筑基坑、地质水文等条件――参见任务书)(二)设计依据:(1)《课程设计任务书》(2)《建筑基坑支护技术规范》(JGJ120-2012)(3)《建筑桩基技术规范》(JGJ94-2008)(4)《混凝土结构设计规范》(GB50010-2002)(5)《钢结构设计规范》(GB50017-2003)(6)《建筑基坑工程监测技术规范》(GB50497-2009)(7)《混凝土结构工程施工质量验收规范》(GB50204-2002)(三)支护结构设计方案:1、排桩与锚杆的布置与构造钢筋混凝土排桩(灌注桩):截面直径、混凝土强度等级、平面轴线位置、间隔距离;顶部贯梁构造;锚杆:设置位置(支点高度、倾斜角度、锚杆钻孔直径)、锚杆类型(粗钢筋、钢绞线及其材料指标)、锚头节点构造(钢锚梁、锚具)、钢拉杆(自由段隔离、支架、锚固体灌浆材料指标);2、荷载与抗力计算水平荷载标准值(按土的种类计算,考虑地面附加荷载)、水平抗力标准值;(绘制计算简图)3、排桩的设计计算(1)嵌固深度计算;(绘制计算简图)(2)结构计算(确定结构内力和支点力设计值);4、锚杆的设计计算(1)锚杆自由段长度计算;(绘制计算简图)5、基坑排水(地面硬化、坡顶和坡底排水沟设置)6、基坑监测(参考“建筑基坑工程监测技术规范”确定位移控制监测值和报警值。
地下结构综合课程设计任务书地下结构综合课程设计任务书,听起来是不是有点儿高大上?不过,别被这个名字吓到,咱们一步步聊,别急。
说白了,这就是一个让你设计和思考地下建筑结构的课程。
地下建筑可不是什么简单的事,毕竟在地下干活儿,可不是天天晒太阳,风吹草动。
它可得能抗得住大风大浪,稳得住,才行!这不仅是对你专业知识的挑战,也是对你创造力的考验。
想象一下,地下的环境要比地面复杂得多,空气不流通,温度潮湿,施工条件差,要是设计不合理,后果可不堪设想。
所以,这个任务书其实就是给你一个机会,让你发挥大脑中的那些“独门绝技”,去设计一个既能确保安全,又能高效使用的地下空间。
一开始,你得了解地下建筑结构的基本构造。
这个可不是开玩笑的,很多地下结构设计都会用到钢筋混凝土、预应力技术这些有点儿“牛”的东西,哎,别慌,你也不是做梦,弄清楚这些东西,你就能搞明白结构设计的根本。
比如说,地下车库的设计,不单是为了让车子有地方停,还得考虑到怎么分配空间,避免地下水渗漏,防止地基不稳定等问题。
这些问题,就像是一个个“定时炸弹”,得早早地想清楚,否则就得“赔了夫人又折兵”了。
记住了,地下结构可不能瞎设计,要有“以人为本”的理念,不仅仅是为了省钱,更要确保使用的安全性和舒适性。
然后,任务书里可能会让你分析地下结构的荷载问题。
哎,说到荷载,你可能会想:这个荷载是什么鬼?其实荷载就是指地下建筑在使用过程中会承受的各种压力。
比如说,车库的上面是地面,下面是地下,所以地面上的车流、人流,地下的湿气、地下水等都会对结构产生压力。
荷载有很多种,有永久荷载、活荷载、风荷载……光听这些名字,就有点儿头疼是不是?不用怕,咱们就是要分析它们的大小、作用点,做出合理的结构设计,让整个地下建筑能经得起考验。
说到这里,你得开始考虑地下结构的施工工艺了。
你想,地下空间可是有限的,而且施工条件非常复杂,要是工期紧,工人多,周围环境还不稳定,这可真是一项大工程。
最简单的说法就是,想要做出一个好结构,光有好设计可不够,还得有精湛的施工工艺。
中国矿业大学力学与建筑工程学院2014~2015学年度第一学期《地下建筑结构》课程设计学号班级姓名力学与建筑工程学院教学管理办公室中国矿业大学力学与建筑工程学院《地下建筑结构》课程设计任务书《地下建筑结构》课程设计是教学计划要求中的一个重要教学环节,是在通过学习地下建筑结构相关知识、相关理论的基础上,结合地下工程专业方向的具体特点而进行的一次教学实践活动。
通过课程设计,结合相关的设计要求,掌握地下建筑结构设计中的部分设计内容,使学生所学到的基础理论和专业技术知识系统、巩固、延伸和拓展,培养学生自身独立思考和解决工程实际问题的能力,学会使用各种相关的工具书及查找资料。
完成地下建筑结构设计书一份,内容包括设计计算书、内力图和设计截面图。
一、设计题目某地下洞室工程的整体式直墙拱形衬砌的计算。
二、设计资料1、工程概况设有某地下洞室工程所处地层的围岩类型介于丙Ⅰ和丙Ⅱ之间,时有地下水活动影响。
地层容重γ0=2.5×103kg/m 3,抗力系数k =0.3×108 kg/m 2,k d =0.4×108 kg/m 2。
衬砌材料:拱圈边墙均采用强度等级为C15的混凝土,γ=2.4×103kg /m 3,E =2.6×109 kg/m 2。
平均超挖每边0.1m ,衬砌断面及尺寸如图所示。
2、使用要求:内净跨l 0/2=4.45m ,内净高7.8m 。
根据净空高度及结构要求选定d 0=0.6m ,d c =1.0m ,d n =0.9m ,R 0=4.68m ,边墙底部展宽0.2m ,厚0.6m 。
3、建议:23090.3)2(202000=--=l R R f m 荷载计算:321q q q q ++=,侧压系数δ=0.1。
三、本课程设计要求本课程设计目的在于培养学生独立阅读资料、掌握技术信息、分析问题和解决问题的能力。
每个同学必须认真设计、独立完成,主要内容包括:1、结合设计资料,编写设计计算书;2、根据计算结果绘制直墙拱的内力图和设计截面图。
《地下建筑结构》课程设计题目(一)设计题目某建筑基坑单排桩支护工程设计(二)设计资料拟建物主楼地上26层,总高度约为140.0m,地下为2层地下室。
拟建物建筑标高±0.00m,现地表标高-1.2m。
地下室二层顶板建筑标高为-7.100m,基础底板建筑标高-11.100m地下室纯坑深10.65m。
主楼位于基坑中部,设计时按坑深10.65m计算。
(2)场地工程地质条件各层土的物理力学指标如下表所示。
建筑场地内未见地下水。
层号土层厚度(m)重度γ(kN/m3)内摩擦角φ(°)黏聚力c(kPa)地基系数(kN/m3)1-1杂填土 1.917.9105100001-2素填土 1.818.11210100002黏土0.6518.810.5613.86100003黏土 2.918.917.0418.99100004粉质黏土 5.3518.922.1714.99100005粉质黏土 1.619.720.011.2100006粉质黏土 6.120.018.2915.3100007-1粉土 6.6520.227.4911.09100007-2粉质黏土 3.820.117.2229.5810000(三)基坑支护方案针对坑深10.65m和周围条件,采用φ800@1000的钻孔灌注桩支护结构,在距桩顶2.5m 及5.5m处各设一道水平支撑。
基坑支护剖面图(mm)(四)设计计算内容(1)桩身所受土载计算。
(2)采用同济大学弹性法进行桩身内力及变形计算、支撑体系支撑力计算,要求绘制桩身弯矩图及桩身位移图。
(3)桩身截面配筋设计(4)编制设计说明,并提出必要的施工要求及检测要求(五)设计要求⑴设计计算书要求:设计计算书一律用A4幅面;装订顺序:封面1、封面2(须注明:《地下建筑结构》课程设计,专业班级,学号,姓名,日期),目录、设计任务书,设计计算书;要求书写工整、数字准确、尽量图文并茂。
⑵制图要求:要求采用CAD绘图,图幅建议图纸采用A3幅面,所有图线、图例尺寸和标注方法均应符合国家现行工程制图标准,图纸上所有汉字和数字均应表达要清楚、排列整齐、规范,汉字为仿宋字。
地下工程施工与管理课程设计地下工程指的是在地下进行的各种工程,例如隧道、地下室、地铁等。
在地下工程施工与管理方面,必须注重安全、环保等问题,同时要考虑项目的实际情况、技术需求以及质量控制等方面的问题。
一、课程设计目标本课程设计的目标是使学生们通过实践,掌握地下工程施工与管理的基础知识和技能,了解一些常见的地下工程并能应对常见问题。
同时,通过分析实际案例,培养学生们的实践能力、科学思维和问题解决能力。
二、课程设计内容1. 理论知识学习•地下工程及其发展概述•地下空间利用的分类与特点•地下工程设计与施工的一般要求•地下工程的安全与环保要求•地下工程常见问题与偏差控制•地下工程验收与鉴定2. 实践操作•设计地下工程的平面布置与立面分析•采用地下钻井设备进行钻井施工•进行地下爆破作业•进行地下桩基础灌注作业与加固•进行地下排水、通风、供电、通讯和安装等工程3. 实际案例分析与应用•分析几种典型的地下工程施工中出现的问题•进行误差的分析与控制•解决地下工程的施工过程中遇到的一些问题•对已经完成的地下工程进行验收与鉴定三、课程设计要求•学生分组,按照教师要求进行实践操作课程•学生进行地下工程案例分析,撰写分析报告并进行课堂讨论•学生要进行课程评分,评分要求如下1.分组实践操作结果(40%)2.地下工程案例分析与报告(40%)3.课堂表现与课程评估(20%)四、课程设计参考书目1.《隧道工程》著者:郭在存、杨明道2.《隧道施工技术》著者:陈伯邦3.《地下空间设计与施工管理》著者:赵威、肖自力4.《地下工程岩石锚固设计原理》著者:肖自思以上书籍为本课程设计的主要参考书目,学生可以根据自己的实际情况加以选择。
地下工程施工课程设计任务书
一、工程概况
某工程为框架结构,一层地下室,基础采用砼钻孔灌注桩基础。
基础开挖深度为5.3米,基坑南面采用Φ800@800钻孔灌注桩围护,其它三面采用Φ48×3.0 @1100×1000(水平),L=9000土钉墙支护,土钉墙共设五排,开挖坡度为1:0.3。
二、场地工程地质条件
根据地质勘查报告,基坑开挖影响深度范围内的土层组成情况为:
①杂填土①-1
杂色,松散,组成成分较复杂,由粉粒、砂、碎石、建筑垃圾组成,夹杂块石。
主要分布鱼塘四周。
层厚0.90~ 2.70m。
②淤泥①-2
灰色,流塑,夹杂大量有机质,有臭味,全场分布,层厚0.30~1.20m。
③粉质粘土②
黄色,硬可塑状,主要由粘、粉粒组成,夹杂白色团块,全场分布,层厚
1.20~5.60m。
④淤泥质粉质粘土
灰色,流塑~较塑,含有较多腐植物,中间夹粉土、细砂透镜体。
主要分布在拟建东楼区域,西楼区3-3剖线也有分布。
层厚0.70-3.20m。
上述各土层的主要物理力学性质指标见下表:
三、设计内容
(一)施工组织方案
1.施工工艺流程
2.人员及机具配备
(二)施工要求
(三)工程施工质量保证措施(四)工程施工安全保证措施(五)施工工期安排
(六)监测及应急措施。
地下结构设计原理课程设计任务书
一、课程设计的目的、意义
本课程设计是土木工程专业(岩土与地下工程方向)的主要实践教学环节之一。
通过课程设计使学生掌握公路隧道衬砌的设计理论和设计方法,提高分析问题和解决问题的能力,加强学生文字表达能力,计算技巧等基本功训练,初步培养学生熟悉和运用行业设计规范,并具备解决工程设计问题的能力,能独立进行公路隧道工程的设计。
培养学生综合运用所学的理论知识,为毕业设计或毕业后从事隧道工程设计或施工工作打下良好基础。
课程设计是《地下工程》课程教学的重要实践性环节,是使学生熟练掌握隧道设计计算原理和计算方法的重要内容,为进一步的毕业论文和设计打下基础。
要求每个学生高度重视,必须认真按时完成。
课程设计未完成的或未上交的学生不得参加本课程的期末考试。
二、时间安排
根据高等学校土木工程专业隧道及地下工程方向《地下工程》课程教学大纲要求:本课程安排两周的课程设计,采取分散进行的方式。
按照本学期本课程教学的实际教学情况,对课程设计工作做如下安排:
1、根据教学进度,在讲授隧道结构计算章节前后将课程设计任务布置给学生;
2、从讲授隧道结构计算内容算起,分散在4周时间内完成课程设计全部内容;
3、课程设计计算书完成后,在第16周二(2014年6月10日)前由各班班长收集齐全后交指导教师;
三、课程设计题目及资料
1、课程设计题目:公路隧道结构计算分析
老鹰岩隧道位于四川省乐山市马边县和沐川县之间,为一直线型隧道,公路等级:二级公路;道路设计行车速度: V=40km/h;隧道设计速度:V=40km/h。
起止桩号为K49+785~K50+030,长245米。
主洞净宽9米,净高5米。
洞口段地质条件较差,对于V 级围岩地段,留核心土环形掏槽开挖;IV 级
围岩地段,采用台阶法开挖。
施工支护采用喷射混凝土、钢筋网、钢架和锚杆联合支护,并辅以小导管等超前支护。
洞口浅埋段钢筋砼衬砌应及时施作。
洞身Ⅴ级围岩地段建议采用留核心土环形掏槽开挖或半断面开挖,短台阶法施工;洞身Ⅳ级围岩地段采用半断面开挖,短台阶法施工。
1)隧道衬砌内轮廓
隧道内空断面是根据隧道建筑限界要求和电缆沟、排水沟、隧道通风布置需要以及机电设施等所需空间尺寸综合确定。
为了方便洞内设施的布置和施工时衬砌模板的制作,全线隧道采用统一的内轮廓断面。
拟定为拱高 685cm,上半圆半径为 500cm 的三心圆曲边墙结构,其净空面积(含仰拱)64.29m2,周长(含仰拱)29.80m。
隧道内轮廓适合于隧道超高不大于±3%的情况。
隧道主洞衬砌内轮廓如图 1-1所示。
图1-1 隧道主洞衬砌内轮廓
2)洞身衬砌结构设计
洞身衬砌设计原则和方法全路段隧道按新奥法施工原理进行洞身结构设计,即
以系统锚杆、喷砼、钢筋网、格栅钢架、工字钢钢架等组成的初期支护与二次模筑砼相结合的复合衬砌型式;通过结构分析计算、技术经济比较及工程类比等多种方法拟定洞身衬砌支护参数。
3)隧道主洞衬砌支护参数
表1-1 隧道主洞衬砌支护参数
4)Ⅳ级围岩衬砌设计(只计算二衬结构受力,不考虑初期支护)
Ⅳ级围岩采用复合式衬砌,初期支护采用锚喷20cm厚的C20混凝土,长300cm的Φ22药卷锚杆,25×25cm的Φ6.5钢筋网,100cm/榀的Ⅰ14型工字钢钢架,预留变形量7cm,二次衬砌采用厚为40cm的C25混凝土拱墙。
主要分布在洞身深埋段。
岩性主要为中风化粉砂质泥岩,夹泥质粉砂岩、砂岩,砂泥岩互层。
一般埋深30~210m,隧道围岩由中风化泥岩、粉砂质泥岩、砂岩及砂泥岩互层组成,粉砂质泥岩属软岩,岩体呈碎裂镶嵌结构。
地下水类型主要为基岩裂隙水,呈滴水状~渗流状产出为主。
Ⅳ级围岩泊松比μ取0.32,黏聚力c=0.4MPa,内摩擦角φ取35°,弹性抗力k=300MPa/m。
γ=22kn/m3。
衬砌材料选用c25混凝土,γ=23kn/m3,弹模E=29500MPa,定义截面尺寸长1m,高0.4m,截面面积0.4m2,截面惯性矩0.00533。
5)Ⅴ级围岩衬砌设计
Ⅴ级围岩采用复合式衬砌,初期支护采用锚喷24cm厚的C20混凝土,长300cm的Φ22药卷锚杆,20×20cm的Φ6.5钢筋网,70cm/榀的Ⅰ18型工字钢钢架,预留变形量10cm,二次衬砌采用厚为40cm的C25混凝土拱墙。
主要分布在洞口段。
岩性主要为崩坡积块石土含碎石粉质粘土、强中风化粉砂质泥岩、砂岩。
进口浅埋段,埋深一般0~30m。
隧道围岩由崩坡积块石土以及强~中风化的泥岩、粉砂质泥岩、砂岩组成;粉砂质泥岩属极软~软岩,强风化带呈碎、裂结构。
受节理裂隙切割及层面影响,围岩稳定性较差,层间结合较差,拱部可能产生离层坍塌或冒顶,侧壁易出现小坍塌。
V级围岩的力学参数取为泊松比μ取0.4,黏聚力c取0.15MPa,内摩擦角φ取27°,容重γ取19KN/m,弹性抗力k取150MPa/m。
衬砌材料:选用c25混凝土,γ=25kn/m3,弹模E=29500MPa。
定义截面尺寸长1m,高0.4m,截面面积0.4m,截面惯性矩0.00533。
6)围岩压力计算
深埋和浅埋情况下围岩压力的计算方式不同,深埋和浅埋的分界按荷载等效高度值,并结合地质条件、施工方法等因素综合判断。
按等效荷载高度计算公式
如下:H
P =(2~2.5)
q
h
式中: H
p
——隧道深浅埋的分界高度;
h
q ——等效荷载高度,
q
h=
q
γ
;
q——垂直均布压力(kN/m2);
γ——围岩垂直重度(kN/m3)。
深埋隧道围岩压力计算方法
(1) 垂直压力q=0.45×2s-1γω
式中:S——围岩级别;
γ——围岩的重度;
ω——宽度影响系数,ω=1+i(B-5);
B——隧道宽度;
i——以B=5m为基准,B每增加1m时的围岩压力的增减率。
当B <5m 时,取i=0.2;当B >5m 时,取i=0.1。
(2) 水平均布压力的计算:
按照《公路隧道设计规范》(JTJ D70-2004)确定。
表4.2 围岩水平均布压力 围岩级别
Ⅲ Ⅳ Ⅴ 水平均布压力 <0.15q (0.15~0.3)q (0.3~0.5)q 浅埋隧道围岩压力的计算方法
隧道的埋深H 大于hq 而小于Hp 时,垂直压力Q B B t t
q H ==γH(1-λθ)浅浅t a n 。
表4.3 各级围岩的θ值及0φ值 围岩级别
Ⅲ Ⅳ Ⅴ θ 0.90φ
(0.7~0.9)0φ (0.5~0.7)0φ 0φ
60°~70° 50°~60° 40°~50°
2(tan 1)tan tan tan c c c ϕ+ϕβϕ+ϕ-θ
c tan =tan 侧压力系数()tan tan tan tan tan tan tan tan c c c β-ϕλ=β1+βϕ-θ+ϕθ
⎡⎤⎣⎦ 作用在支护结构两侧的水平侧压力为:e 1=γh λ ; e 2=γ(h+Ht)λ 侧压力视为均布压力时:
2、课程设计要求
1) 按公路隧道要求对隧道衬砌进行结构设计(拟定结构尺寸);
2) 按规范确定该隧道的竖向均布压力和侧向分布压力;
3) 计算衬砌结构的内力(画出弯矩图和轴力图);
4) 对衬砌结构进行配筋验算。
5)完成衬砌截面强度校核
()212+1e =e e
3、参考资料:
(1)中华人民共和国行业标准《公路隧道设计规范》JTG D70-2004,人民交通出版社,2004年9月;
(2)中华人民共和国行业标准《公路钢筋混凝土及预应力混凝土桥涵设计规范》JTG D62-2004,人民交通出版社,2004年;
(3)夏永旭编著《隧道结构力学计算》,人民交通出版社,2004年;
(4)本课程教材《地下结构设计原理与方法》,人民交通出版社;
(5)有关隧道设计图纸;
四、课程设计做法指导
1、根据题目要求,按照隧道设计章节的做法拟定隧道结构的截面尺寸,画出衬砌结构图;
2、按照比例(例如1:100)绘制横断面图;
3、按照04年发布的《公路隧道设计规范》JTG D70-2004确定隧道围岩竖向压力和水平压力;
4、隧道结构内力计算,要求写出计算过程(地下结构ANSYS有限元分析,曾艳华编著),并画出弯矩图和轴力图;
5、隧道结构配筋验算和强度验算;
6、每位学生提交的课程设计成果(计算书):
(1)按比例绘制的隧道结构设计图纸一张;
(2)按上述要求进行的计算过程和计算结果。
五、课程设计安排
本课程设计为了防止出现雷同的课程设计计算书,安排如下:
学号尾数(两位)乘以10为设计隧道埋深,例如,学号为201103070105,学号尾数为05,那么课程设计的隧道埋深,05*10=50m。
50m属于级围岩,衬砌设计厚度为40cm。
围岩计算是深埋还是浅埋,需要判断。