01010106地基处理检验批质量验收记录1
- 格式:xls
- 大小:20.50 KB
- 文档页数:4
强夯地基检验批质量验收记录
注:本表内容的填写需依据《现场验收检验批检查原始记录》。
本检验批质量验收的规范依据见本页背面。
填写说明
一、填写依据
1 《建筑地基基础工程施工质量验收规范》GB50202-2002。
2 《建筑工程施工质量验收统一标准》GB50300-2013。
二、检验批划分
根据施工现场情况,地基子分部可以按照基础类型划分为一个检验批,如果工程量很大或者施工组织设计与专项施工方案中要求分段施工的,可以按照施工段划分为若干个检验批。
三、GB50202-2002规范摘要
表4.6.4 强夯地基质量检验标准。
专业资料精心整理010601| 「:混凝土施工检验批质量验收记录表GB50204-2002(H)项目专业质量检查员:监理(建设)单位验收结论专业监理工程师:(建设单位项目专业技术负责人)现浇结构外观及尺寸偏差检验批质量验收记录表GB50204-2002010603|020105| :模板拆除工程检验批质量验收记录表GB50204-2002(皿)010601 |:专业工长(施工员)施工班组长施工单位检查评定结果项目专业质量检查员:年月日专业监理工程师:监理(建设)单位验收结论(建设单位项目专业技术负责人):年月日钢筋加工检验批质量验收记录表GB50204-2002(I)钢筋安装工程检验批质量验收记录表GB50204-2002(H)模板安装工程检验批质量验收记录表GB50204-2002混凝土原材料及配合比设计检验批质量验收记录表GB50204-2002010603 |:混凝土施工检验批质量验收记录表GB50204-2002(H)010603 |:现浇结构外观及尺寸偏差检验批质量验收记录表GB50204-2002010603L模板拆除工程检验批质量验收记录表GB50204-2002(皿)砖砌体(混水)工程检验批质量验收记录表GB502032002020301般抹灰工程检验批质量验收记录表GB50210-2001土方回填工程检验批质量验收记录表GB50202-2002___________ 分项工程质量验收记录_________ 分部(子分部)工程质量验收记录。
基土工程检验批质量验收记录基土工程是指对土壤进行开挖、填充、压实、处理等工程活动。
质量验收是指对基土工程施工过程中的质量进行检验和评估,以确保工程的质量符合相关标准和规范。
下面是一份基土工程检验批质量验收记录,供参考。
1.工程概况工程名称:工程地点:施工单位:检验单位:工程内容:2.验收依据基土工程施工规范:相关标准和规范:3.验收内容3.1土壤开挖-开挖深度:-开挖宽度:-开挖坡度:-开挖面形态:-开挖底平整程度:-施工过程中的排水情况:-施工过程中的土壤稳定性:-施工过程中的用水情况:3.2土壤处理-土壤分类:-土壤含水率:-土壤密实度:3.3土壤填充-填充材料:-填充层数:-每层填充厚度:-填充材料的含水率:-填充材料的密实度:3.4土壤压实-压实方式:-压实设备:-压实程序:-压实效果:3.5施工区域病害-病害类型:-病害原因:-病害程度:4.检验结果经过对以上内容的检验,现将检验结果进行总结如下:4.1土壤开挖-开挖深度符合设计要求;-开挖宽度符合设计要求;-开挖坡度符合设计要求;-开挖面形态符合设计要求;-开挖底平整程度符合设计要求;-施工过程中的排水情况良好;-施工过程中的土壤稳定性良好;-施工过程中的用水情况正常。
4.2土壤处理-土壤分类准确;-土壤含水率符合设计要求;-土壤密实度符合设计要求。
4.3土壤填充-填充材料符合设计要求;-填充层数符合设计要求;-每层填充厚度符合设计要求;-填充材料的含水率符合设计要求;-填充材料的密实度符合设计要求。
4.4土壤压实-压实方式符合设计要求;-压实设备齐全;-压实程序符合设计要求;-压实效果符合设计要求。
4.5施工区域病害-病害类型为XX;-病害原因为XX;-病害程度为XX。
5.验收结论根据以上检验结果,基土工程的质量符合相关标准和规范,验收合格。
6.验收人员施工单位代表:检验单位代表:其他相关人员:以上是基土工程检验批质量验收记录的一个示例,实际记录应根据具体工程情况进行调整和完善。
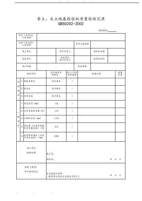
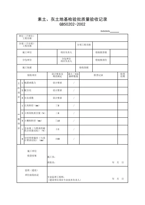
素土、灰土地基检验批质量验收记录GB50202-200201010101砂和砂石地基检验批质量验收记录GB50202-200201010201土工合成材料地基检验批质量验收记录GB50202-200201010301粉煤灰地基检验批质量验收记录GB50202-200201010401强穷地基检验批质量验收记录GB50202-200201010501注浆地基检验批质量验收记录GB50202-200201010601预压地基检验批质量验收记录GB50202-200201010701砂石桩复合地基检验批质量验收记录GB50202-200201010801高压旋喷注浆地基检验批质量验收记录GB50202-200201010901水泥土搅拌桩地基检验批质量验收记录GB50202-200201011001土和灰土挤密桩复合地基检验批质量验收记录GB50202-200201011101水泥粉煤灰碎石桩复合地基检验批质量验收记录GB50202-200201011201穷实水泥土桩复合地基检验批质量验收记录GB50202-200201011301钢筋混凝土预制桩(钢筋骨架)检验批质量验收记录GB50202-200201020701钢筋混凝土预制桩检验批质量验收记录GB50202-200201020702混凝土灌注桩(钢筋笼)检验批质量验收记录GB50202-200201020801 01020901010210010102110101030101混凝土灌注桩检验批质量验收记录GB50202-200201020802 01020902010210020102110201030102钢桩(成品)检验批质量验收记录GB50202-200201021201钢桩检验批质量验收记录GB50202-200201021202锚杆静压桩检验批质量验收记录GB50202-200201021301沉井与沉箱检验批质量验收记录GB50202-200201021501重复使用钢板桩围护墙检验批质量验收记录GB50202-200201030201混凝土板桩围护墙检验批质量验收记录GB50202-200201030202土钉墙检验批质量验收记录GB50202-200201030501地下连续墙支护检验批质量验收记录GB50202-2002钢或混凝土支撑系统检验批质量验收记录GB50202-200201030809锚杆检验批质量验收记录GB50202-200201030901录GB50202-200201040101GB50202-200201050101GB50202-200201050201防水混凝土检验批质量验收记录GB50208-201101070101水泥砂浆防水层检验批质量验收记录GB50208-201101070102GB50208-201101070103GB50208-201101070104塑料防水板防水层检验批质量验收记录GB50208-201101070105金属板防水层检验批质量验收记录GB50208-201101070106膨润土防水材料防水层检验批质量验收记录GB50208-201101070107施工缝检验批质量验收记录GB50208-201101070201变形缝检验批质量验收记录GB50208-201101070202后浇带检验批质量验收记录GB50208-2011 01070203GB50208-201101070204GB50208-201101070205预留通道接头检验批质量验收记录GB50208-201101070206录GB50208-2011 01070207录GB50208-2011 01070208坑、池检验批质量验收记录GB50208-201101070209锚贡支护检验批质量验收记录GB50208-201101070301地下连续墙结构防水检验批质量验收记录GB50208-201101070302盾构隧道检验批质量验收记录GB50208-201101070303沉井检验批质量验收记录GB50208-2011 01070304。
1《建筑工程施工质量验收统一标准》(GB50300-2001)1.1 强制性条文1 第3.0.3条建筑工程施工质量应按下列要求进行验收;1、建筑工程施工质量应符合本标准和相关专业验收规范的规定。
2、建筑工程施工应符合工程勘察、设计文件的要求。
3、参加工程施工质量验收的各方人员应具备规定的资格。
4、工程质量的验收均应在施工单位自行检查评定的基础上进行。
5、隐蔽工程在隐蔽前应由施工单位通知有关单位进行验收,并应形成验收文件。
6、涉及结构安全的试块、试件以及有关材料,应按规定进行见证取样检测。
7、检验批的质量应按主控项目和一般项目验收。
8、对涉及结构安全和使用功能的重要分部工程应进行抽样检测。
9、承担见证取样检测及有关结构安全检测的单位应具有相应的资质。
10、工程的观感质量应由验收人员通过现场检查,并应共同确认。
2 第5.0.4条单位(子单位)工程质量验收合格应符合下列规定:1、单位(子单位)工程所含分部(子分部)工程质量均应验收合格。
2、质量控制资料应完整。
3、单位(子单位)工程所含分部工程有关安全和功能的检测资料应完整。
4、主要功能项目的抽查结果应符合相关专业质量验收规范的规定。
5、观感质量验收应符合要求。
3 第5.0.7条通过返修或加固处理仍不能满足安全使用要求的分部工程、单位(子单位)工程,严禁验收。
4 第6.0.3条单位工程完工后,施工单位应自行组织有关人员进行检查评定,并向建设单位提交工程验收报告。
5 第6.0.4条建设单位收到工程验收报告后,应由建设单位(项目)负责人组织施工(含分包单位)、设计、监理等单位(项目)负责人进行单位(子单位)工程验收。
6 第6.0.7条单位工程质量验收合格后,建设单位应在规定时间内将工程竣工验收报告和有关文件,报建设行政管理部门备案。
1.2验收用表施工现场质量管理检查记录GB50300-2001检验批质量验收记录分项工程质量验收记录分部(子分部)工程验收记录河南省建设厅监制单位(子单位)工程质量竣工验收记录表1.2.5 GB50300-2001河南省建设厅监制单位(子单位)工程质量控制资料核查记录单位(子单位)工程质量控制资料核查记录GB50300-2001河南省建设厅监制单位(子单位)工程安全和功能检验资料核查及主要功能抽查记录注:抽查项目有验收组协商确定。
地基工程施工检验批质量验收记录地基工程是建筑物的重要基础工程,直接关系到建筑物的安全稳定。
地基工程施工检验批质量验收是对工程施工过程中的质量管理进行检查和验收,以确保施工工艺符合标准规范,保证施工质量达到预期目标。
以下是一份地基工程施工检验批质量验收记录的模板,供参考:项目名称:地基工程施工工程地点:(填写具体地址)工程编号:(填写具体编号)施工单位:(填写具体单位名称)监理单位:(填写具体单位名称)施工日期:(填写具体日期)监理人员:(填写具体姓名)一、检验批情况序号检验批名称检验批编号检验批数量合格数量不合格数量...二、检验结果1.施工材料质量检验结果(根据具体工程需求进行列举,如土方开挖材料、填充土、混凝土等)序号材料名称规格型号检验项目检验标准检验结果...2.施工工艺质量检验结果(根据具体工程需求进行列举,如土方开挖、填充工艺、浇筑工艺等)序号工艺名称检验项目检验标准检验结果...三、质量验收结论1.材料质量验收结论(根据检验结果判定材料质量是否符合标准要求,如合格、不合格等)2.施工工艺质量验收结论(根据检验结果判定施工工艺是否符合标准要求,如合格、不合格等)四、存在问题及处理措施1.存在的主要问题(根据检验结果列举存在的主要问题,如施工质量不符合标准要求、工艺操作不规范等)2.处理措施(针对存在的问题提出相应的处理措施,如整改、返工等)五、质量验收意见(填写监理单位对质量验收的意见和建议)六、质量验收人员(填写参与质量验收的人员姓名、职务)施工单位负责人签字:________________________日期:____________监理单位负责人签字:________________________日期:____________以上为地基工程施工检验批质量验收记录,记录了检验批名称、检验批编号、检验批数量、合格数量、不合格数量,以及施工材料质量和工艺质量的检验结果。
根据检验结果做出了质量验收结论,并针对存在的问题提出了处理措施。
素土、灰土地基检验批质量验收记录GB50202-200201010101砂和砂石地基检验批质量验收记录GB50202-200201010201土工合成材料地基检验批质量验收记录GB50202-200201010301粉煤灰地基检验批质量验收记录GB50202-200201010401强穷地基检验批质量验收记录GB50202-200201010501注浆地基检验批质量验收记录GB50202-200201010601预压地基检验批质量验收记录GB50202-200201010701砂石桩复合地基检验批质量验收记录GB50202-200201010801高压旋喷注浆地基检验批质量验收记录GB50202-200201010901水泥土搅拌桩地基检验批质量验收记录GB50202-200201011001土和灰土挤密桩复合地基检验批质量验收记录GB50202-200201011101水泥粉煤灰碎石桩复合地基检验批质量验收记录GB50202-200201011201穷实水泥土桩复合地基检验批质量验收记录GB50202-200201011301钢筋混凝土预制桩(钢筋骨架)检验批质量验收记录GB50202-200201020701钢筋混凝土预制桩检验批质量验收记录GB50202-200201020702混凝土灌注桩(钢筋笼)检验批质量验收记录GB50202-200201020801 01020901010210010102110101030101混凝土灌注桩检验批质量验收记录GB50202-200201020802 01020902010210020102110201030102钢桩(成品)检验批质量验收记录GB50202-200201021201钢桩检验批质量验收记录GB50202-200201021202锚杆静压桩检验批质量验收记录GB50202-200201021301沉井与沉箱检验批质量验收记录GB50202-200201021501重复使用钢板桩围护墙检验批质量验收记录GB50202-200201030201混凝土板桩围护墙检验批质量验收记录GB50202-200201030202土钉墙检验批质量验收记录GB50202-200201030501地下连续墙支护检验批质量验收记录GB50202-2002钢或混凝土支撑系统检验批质量验收记录GB50202-200201030809锚杆检验批质量验收记录GB50202-200201030901录GB50202-200201040101GB50202-200201050101GB50202-200201050201防水混凝土检验批质量验收记录GB50208-201101070101水泥砂浆防水层检验批质量验收记录GB50208-201101070102GB50208-201101070103GB50208-201101070104塑料防水板防水层检验批质量验收记录GB50208-201101070105金属板防水层检验批质量验收记录GB50208-201101070106膨润土防水材料防水层检验批质量验收记录GB50208-201101070107施工缝检验批质量验收记录GB50208-201101070201变形缝检验批质量验收记录GB50208-201101070202后浇带检验批质量验收记录GB50208-2011 01070203GB50208-201101070204GB50208-201101070205预留通道接头检验批质量验收记录GB50208-201101070206录GB50208-2011 01070207录GB50208-2011 01070208坑、池检验批质量验收记录GB50208-201101070209锚贡支护检验批质量验收记录GB50208-201101070301地下连续墙结构防水检验批质量验收记录GB50208-201101070302盾构隧道检验批质量验收记录GB50208-201101070303沉井检验批质量验收记录GB50208-2011 01070304。
地表处理检验批质量验收记录表01010101口口口口单位工程名称分部工程名称原地面处理分项工程名称地表处理验收部位施工单位中铁十一局集团有限公司安六铁路项目部项目负责人陈林生施工质量验收标准名称及编号《高速铁路路基工程施工质量验收标准》(TB10751-2010)施工质量验收标准的规定施工单位检查评定记录监理单位验收记录主控项目1 地基地质条件设计要求静力触探检测X点,检测报告X份,编号:XXX~XXX,最小值为XXkPa,(勘察设计单位已现场确认)。
符合设计要求。
2 原冲击碾压质量设计要求XX试验检测X点,试验报告1份,编号:XXX,最小值为XX,碾压质量符合设计和验标要求。
3处理后的外观质量第4.1.5条基底无草皮、树根等杂物,无积水,坡度尺测量检查X处,横坡坡度为X%~X%。
符合验标要求。
一般项目1原地面坡度陡于1:5时,开挖的台阶横向台阶宽度设计要求台阶平整,碾压密实,测量检查X处,横向台阶宽度为XX~XXm。
符合验标要求。
2 高度设计要求台阶平整,碾压密实,测量检查X处,横向台阶高度为XX~XXm。
符合验标要求。
3 纵向台阶宽度不应小于2m台阶平整,碾压密实,测量检查X处,纵向台阶宽度为XX~XXm。
符合验标要求。
施工作业人员质量责任登记勘察设计单位现场确认基地地质条件情况现场负责人年月日施工单位检查评定结果专职质量检查员年月日分项工程技术负责人刘伟年月日分项工程负责人陈林生年月日监理单位验收结论监理工程师年月日。
土方开挖工程检验批质量验收记录50±5050 +200 50+300100+500150+强制性条文7.1.3 土方开挖的顺序、方法必须与设计工况相一致,并遵循“开槽支撑,先撑后挖,分层开挖,严禁超挖”的原则。
6.2 土方开挖6.2.1 土方开挖前应检查定位放线、排水和降低地下水位系统,合理安排土方运输车的行走路线及弃土场。
6.2.2 施工过程中应检查平面位置、水平标高、边坡坡度、压实度、排水、降低地下水位系统,并随时观测周围的环境变化。
6.2.3 临时性挖方的边坡值应符合表6.2.3的规定。
表6.2.3 临时性挖方边坡值6.2.4 土方开挖工程的质量检验标准应符合表6.2.4的规定。
表6.2.4 土方开挖工程质量检验标准(mm)505050+200 50+30010+50015注:①地(路)面基层的偏差只适用于直接在挖、填方上做地(路)面的基层。
②本表由施工项目专业质量检查员填写,专业监理工程师(建设单位项目专业技术负责人)组织项目专业质量(技术)负责人等进行验收。
土方回填工程检验批质量验收记录50±50506.2 土方回填6.3.1 土方回填前应清除基底的垃圾、树根等杂物,抽除坑穴积水、淤泥,验收基底标高。
如在耕植土或松土上填方,应在基底压实后再进行。
6.3.2 对填方土料应按设计要求验收后方可填入。
6.3.3 填方施工过程中应检查排水措施,每层填筑厚度、含水量控制、压实程度。
填筑厚度及压实遍数应根据土质,压实系数及所用机具确定。
如无试验依据,应符合表6.3.3的规定。
表6.3.3 填土施工时的分层厚度及压实遍数6.3.4 填方施工结束后,应检查标高、边坡坡度、压实程度等,检验标准应符合表6.3.4的规定。
表6.3.4 填土工程质量检验标准(mm)505050注:本表由施工项目专业质量检查员填写,专业监理工程师(建设单位项目专业技术负责人)组织项目专业质量(技术)负责人等进行验收。
地基工程施工检验批质量验收记录
一、背景信息
本文档记录了地基工程的施工检验批质量验收情况,包括检验批编号、工程名称、施工单位、监理单位、施工日期和验收人员等基本信息。
二、检验批质量验收情况
1. 现场情况
施工现场整体清洁,符合安全要求,无安全隐患。
2. 材料验收
根据相关标准和规范,对地基工程所使用的材料进行验收。
验收结果如下:
- 土壤试样:满足设计要求,符合相关标准。
- 水泥:品质良好,符合标准要求。
- 石料:骨料质量优良,满足施工要求。
- 钢筋:材质优良,符合构造要求。
3. 施工质量
根据施工规范和设计要求,对地基工程的施工质量进行验收。
验收结果如下:
- 开挖基坑:基坑平整、无明显变形、土壤支护牢固。
- 固结灌注桩:桩身垂直度符合要求,灌注浆液质量良好。
- 桩基础:桩顶标高准确,符合设计要求。
- 土石方填筑:填筑均匀、密实,无明显裂缝。
三、验收结论
根据以上检验批质量验收情况,本次地基工程施工质量符合设计要求和相关标准,经验收合格。
四、附件
1. 施工现场照片
2. 材料验收记录
3. 施工质量验收记录
以上为地基工程施工检验批质量验收记录。
素土、灰土地基检验批质量验收记录砂和砂石地基检验批质量验收记录注浆地基检验批质量验收记录01010601砂石桩复合地基检验批质量验收记录01010801高压旋喷注浆地基检验批质量验收记录水泥搅拌桩地基检验批质量验收记录混凝土灌注桩(钢筋笼)检验批质量验收记录0102080101020901010200000102110101030101混凝土灌注桩检验批质量验收记录0102080201020902010210020102110201030102土方开挖检验批质量验收记录土方回填检验批质量验收记录防水混凝土检验批质量验收记录01070101水泥砂浆防水层检验批质量验收记录01070102卷材防水层检验批质量验收记录01070103涂料防水层检验批质量验收记录01070104施工缝检验批质量验收记录01070201后浇带检验批质量验收记录埋设件检验批质量验收记录01070205桩头检验批质量验收记录01070207孔口检验批质量验收记录01070208预注浆、后注浆检验批质量验收记录01070501结构裂缝注浆检验批质量验收记录01070502模板安装检验批质量验收记录010202010102030102010101模板拆除检验批质量验收记录0102020201010302钢筋原材料检验批质量验收记录010202030102030302010201钢筋加工检验批质量验收记录010202040102030402010202钢筋连接检验批质量验收记录010202050102030502010203钢筋安装检验批质量验收记录0102020601020306混凝土施工检验批质量验收记录010202090102030902010303现浇结构外观与尺寸偏差检验批质量验收记录010202100102031002010501砖砌体检验批质量验收记录0102010102020101填充墙砌体检验批质量验收记录基础检验批质量验收记录03010101灰土垫层检验批质量验收记录03010102砂垫层和砂石垫层检验批质量验收记录03010103碎石垫层和碎砖垫层检验批质量验收记录03010104水泥混凝土垫层和陶粒混凝土垫层检验批质量验收记录03010107找平层检验批质量验收记录03010108隔离层检验批质量验收记录水泥混凝土面层检验批质量验收记录水泥砂浆面层检验批质量验收记录涂料面层检验批质量验收记录塑胶面层检验批质量验收记录砖面层检验批质量验收记录XX石面层检验批质量验收记录一般抹灰检验批质量验收记录。
基础检验批质量验收记录表
02011002
说明
主控项目
1.加筋土挡土墙基础混凝土、砌体所用砂、石料、水泥等建筑材料的品种、规格、质量应符合设计要求,其进场检验应符合《铁路路基工程施工质量验收标准》(TB10414─2003)附录E的规定。
2.基础浆砌片石砂浆、混凝土强度等级应符合设计要求。
检验数量:施工单位每100 m3砌体的砂浆、混凝土取试件1组,不足100 m3亦制取1组试件。
监理单位按施工单位检验数量的10%平行检验,且不少于1组。
检验方法:砂浆、混凝土试件作抗压试验。
3.沉降缝(伸缩缝)的预留与塞封应符合设计要求,接缝平直,塞缝严密。
检验数量:施工单位全部检查;监理单位按施工单位检验数的10%平行检验。
检验方法:观察、尺量。
一般项目
1.砌体、混凝土基础顶面高程、前边缘距线路中线距离、基础宽度、基础襟边宽度(高度)、起迄里程(长度)、沉降缝位置及宽度允许偏差及检验方法应符合下表的规定。
基础顶面高程、前边缘距线路中线距离、基础宽度、基础襟边宽度(高度)、起迄里程(长度)、
沉降缝位置及宽度允许偏差及检验方法
注:非水平基础底面高程应检测墙趾墙踵处高程。