屋面卷材防水层检验批质量验收记录表
- 格式:docx
- 大小:354.01 KB
- 文档页数:18
楼面卷材防水验收单技术报告一、引言本报告旨在介绍楼面卷材防水验收单的技术内容,包括材料选择、施工工艺、质量标准等方面的要求。
通过本报告,读者可以了解楼面卷材防水的施工技术和验收标准,为实际工程应用提供参考。
以下是一个楼面卷材防水验收单表格的示例:注:在“验收标准”一栏中,应填写具体的验收标准,如“防水卷材厚度应不小于2mm”,“防水卷材搭接长度应不小于10cm”等。
在“验收结果”一栏中,根据实际验收情况填写“合格”或“不合格”。
如果某个项目不合格,应在备注栏中注明原因及整改措施。
二、材料选择1.卷材材料:选择具有良好耐候性、耐水性、耐腐蚀性和抗老化性能的卷材材料,如聚乙烯膜、聚氯乙烯膜等。
2.粘结剂:选择具有良好粘结性能、耐候性和耐水性的粘结剂,如聚氨酯胶、硅酮胶等。
三、施工工艺1.基层处理:对楼面基层进行清理,确保表面平整、干净,无油污、灰尘等杂质。
2.涂刷基层处理剂:在基层表面涂刷基层处理剂,以提高卷材与基层的粘结性能。
3.铺设卷材:将卷材铺设在基层上,确保卷材平整、无皱褶。
采用热熔法或冷粘法进行粘结。
4.搭接处理:卷材搭接宽度应符合规范要求,采用热熔法或冷粘法进行搭接处理。
5.固定收口:在卷材收口处采用金属压条或专用收口条进行固定,确保收口牢固、美观。
6.质量检查:施工完成后,对卷材防水层进行质量检查,确保无漏水、无鼓包等现象。
四、质量标准1.卷材防水层应平整、牢固,无皱褶、无气泡、无破损等现象。
2.卷材搭接宽度应符合规范要求,搭接处应牢固、严密。
3.收口固定应牢固、美观,无松动、脱落等现象。
4.防水层应具有良好的耐候性、耐水性、耐腐蚀性和抗老化性能。
5.防水层应满足设计要求的防水等级和使用寿命。
五、结论本报告介绍了楼面卷材防水验收单的技术内容,包括材料选择、施工工艺和质量控制等方面的要求。
在实际工程应用中,应严格按照技术要求进行施工和验收,确保楼面卷材防水的施工质量和使用寿命。
同时,对于不同工程环境和气候条件下的防水施工,应根据具体情况进行相应的调整和优化。
SBS防水卷材报验申请表
工程名称:xxxx工程编号:
致:xxxx监理有限公司(监理单位)
我单位已经完成了木甲板区管理房SBS工作,现报上该工程报验申请表,请予以审
查和验收。
附件:卷材防水层检验批质量验收记录表
隐蔽工程验收记录
承包单位:(章)
项目经理:
日期:年一月一日
审查意见:
项目监理机构:xxxx监理有限公司
总/专业监理工程师: ____________________________________
日期:年月日
卷材防水层检验批质量验收记录表
GB50207- 2002
隐蔽工程验收记录
隐蔽工程内容:
1、卷材防水层所用材料有出产合格证、检验报告、产品性能和使用说明书;
2、卷材的铺贴方向正确,卷材搭接允许偏差符合要求;
3、卷材防水层的搭接缝粘结牢固,密封严密,无皱折、翘边和鼓泡等缺陷;防水层的收头
与基层粘结牢固,缝口严密,无翘边;
隐蔽工程图示:
详见设计施工图
验收结论:
项目专业质量检查员:
施工单位
(
建
设
)
单
工程项目技术负责人:
年月日
专业监理工程师:
(建设单位项目专业技术负责人)
单位(子单位)工程名称xxxxx
分部(子分部)工程名称装饰装修分部分项工程名称卷材防水
施工单位xxxx有限公司分包单位
项目经理分包项目经理
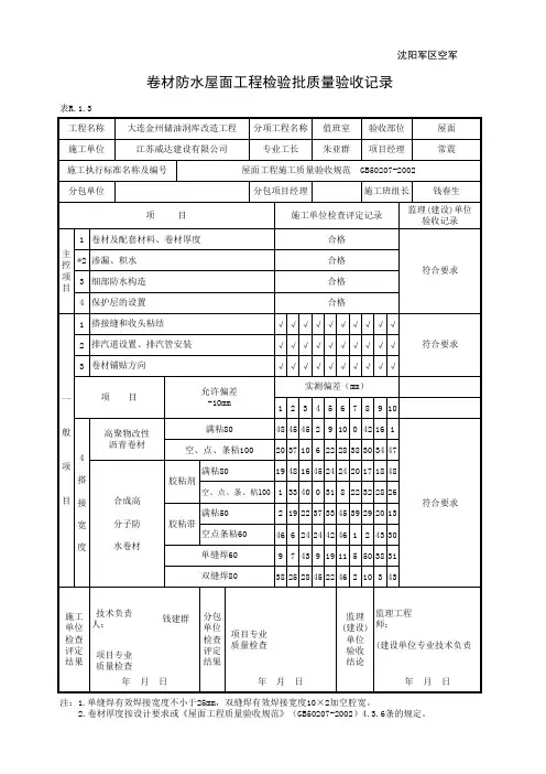
施工执行标准名称及编号GB50207-2002 验收部位管理房屋面防水。
屋面卷材防水层检验批质量验收记录表GB50207-2002V, x;②定量项目加o表示超岀企业标准,加△表示超岀国家标反之打注:①定性项目符合要求打. 准。
卷材防水屋面细部构造检验批质量验收记录表GB50207-2002V,x ;②定量项目加o表示超岀企业标准,加△表示超岀国标准。
反之打注:①定性项目符合要求打屋面卷材防水层检验批质量验收记录表GB50207-2002/ X;②定量项目加O表示超岀企业标准,加△表示超岀国家标反之打注:①定性项目符合要求打准。
卷材防水屋面细部构造检验批质量验收记录表GB50207-2002V,x ;②定量项目加o表示超岀企业标准,加△表示超岀国标准。
反之打注:①定性项目符合要求打屋面卷材防水层检验批质量验收记录表GB50207-2002V, x;②定量项目加o表示超岀企业标准,加△表示超岀国家标注:①定性项目符合要求打反之打准。
卷材防水屋面细部构造检验批质量验收记录表GB50207-2002/ X;②定量项目加O表示超岀企业标准,加△表示超岀国标准。
反之打注:①定性项目符合要求打屋面卷材防水层检验批质量验收记录表GB50207-2002/ X;②定量项目加O表示超岀企业标准,加△表示超岀国家标注:①定性项目符合要求打反之打准。
卷材防水屋面细部构造检验批质量验收记录表GB50207-2002V, x;②定量项目加o表示超岀企业标准,加△表示超岀国标准。
反之打注:①定性项目符合要求打屋面卷材防水层检验批质量验收记录表GB50207-2002主控项目全部合格,一般项目满足施工规范规定要/ X;②定量项目加O表示超岀企业标准,加△表示超岀国家标注:①定性项目符合要求打反之打准。
卷材防水屋面细部构造检验批质量验收记录表GB50207-2002V, x;②定量项目加o表示超岀企业标准,加△表示超岀国标准。
反之打注:①定性项目符合要求打屋面卷材防水层检验批质量验收记录表GB50207-2002/ X;②定量项目加O表示超岀企业标准,加△表示超岀国家标注:①定性项目符合要求打反之打准。
卷材防水层检检验批质量验收记录及检验规定和说明编号:单位工程名称分部工程分项工程名称验收部位施工总承包专业单位项目经理工长专业承包单项目经理施工位班长施工执行标准名称及编号监理(建施工单位检查评定记设)单位施工质量验收规范的规定录验收记录卷材及主要配套符合设主1计及规控材料范要求项大面防水及细部符合设目2计和工做法艺要求牢固,1基层、基面清洁、平整粘结牢2卷材搭接缝质量固、密封严密一与卷材般粘结牢项侧墙防水层的保固、结目 3护层合紧密、厚度均匀4均不得卷材长、短边的小于搭接长度100mm施工单位检查评定结果:质量检查员:年月日监理或建设单位验收结论:监理工程师或建设单位项目专业技负责人:年月日检验规定和说明适用范围:本表适用地下卷材防水层的质量验收。
检验批的划分:每施工段。
主控项目:1.卷材防水层所用卷材及主要配套材料必须符合设计及规范要求。
检验数量:施工单位全数检查,监理单位抽查 10%。
检验方法:检查出厂合格证、质量检验报告和现场抽样试验报告。
2.卷材防水层的施工工艺及其在转角、变形缝、穿墙管道等处的细部做法均须符合设计和施工工艺要求。
检验数量:施工单位、监理单位全数检查。
检验方法:观察检查和检查隐蔽工程验收记录。
一般项目:1.卷材防水层的基层应牢固,基面应洁净、平整,不得有空鼓、松动、起砂和脱皮现象;基层阴阳角处应做成圆弧形或钝角。
检验数量:施工单位全数检查,监理单位抽查 10%。
检验方法:观察检查和检查隐蔽工程验收记录。
2.卷材防水层的搭接缝应粘(焊)结牢固,密封严密,不得有皱折、翘边和空鼓等缺陷。
检验数量:施工单位、监理单位全数检查。
检验方法:观察检查。
3.侧墙卷材防水层的保护层与防水层应粘结牢固,结合紧密、厚度均匀一致。
检验数量:施工单位全数检查,监理单位抽查 10%。
检验方法:观察检查。
4.卷材的长、短边搭接宽度均不得小于10Omm。
检验数量:施工单位全数检查,监理单位抽查10%。
屋面卷材防水层检验批质量验收记录表Company number:【0089WT-8898YT-W8CCB-BUUT-202108】屋面卷材防水层检验批质量验收记录表GB50207-2002注:①定性项目符合要求打√,反之打×;②定量项目加○表示超出企业标准,加△表示超出国家标准。
卷材防水屋面细部构造检验批质量验收记录表GB50207-2002注:①定性项目符合要求打√,反之打×;②定量项目加○表示超出企业标准,加△表示超出国标准。
屋面卷材防水层检验批质量验收记录表GB50207-2002注:①定性项目符合要求打√,反之打×;②定量项目加○表示超出企业标准,加△表示超出国家标准。
卷材防水屋面细部构造检验批质量验收记录表GB50207-2002注:①定性项目符合要求打√,反之打×;②定量项目加○表示超出企业标准,加△表示超出国标准。
屋面卷材防水层检验批质量验收记录表GB50207-2002注:①定性项目符合要求打√,反之打×;②定量项目加○表示超出企业标准,加△表示超出国家标准。
卷材防水屋面细部构造检验批质量验收记录表GB50207-2002注:①定性项目符合要求打√,反之打×;②定量项目加○表示超出企业标准,加△表示超出国标准。
屋面卷材防水层检验批质量验收记录表GB50207-2002注:①定性项目符合要求打√,反之打×;②定量项目加○表示超出企业标准,加△表示超出国家标准。
卷材防水屋面细部构造检验批质量验收记录表GB50207-2002注:①定性项目符合要求打√,反之打×;②定量项目加○表示超出企业标准,加△表示超出国标准。
屋面卷材防水层检验批质量验收记录表GB50207-2002标准。
卷材防水屋面细部构造检验批质量验收记录表GB50207-2002注:①定性项目符合要求打√,反之打×;②定量项目加○表示超出企业标准,加△表示超出国标准。
5.10.5
防水混凝土检验批质量验收记录表
GB50208—2002
5.10.5
防水混凝土检验批质量验收记录表
5.10.6
水泥砂浆防水层检验批质量验收记录表
5.10.6
水泥砂浆防水层检验批质量验收记录表
GB50208—2002
5.10.7
卷材防水层检验批质量验收记录表
GB50208—2002
5.10.7
卷材防水层检验批质量验收记录表
GB50208—2002
5.10.8
细部构造检验批质量验收记录表
GB50208—2002
5.10.8
细部构造检验批质量验收记录表
GB50208—2002
主控项目1 细部所用材料质量第4.7.10条√
符合要求2 细部构造做法第4.7.11条√
一般项目1 止水带埋设第4.7.12条√
符合要求
2 穿墙管止水环加工第4.7.13条√
3 接缝基层及嵌缝第4.7.14条√
施工单位检查评定结果专业工长(施工员)×××施工班组长×××
符合施工质量验收规范要求。
项目专业质量检查员:×××2003年×月×日
监理(建设)单位验收结论
验收合格
专业监理工程师:
(建设单位项目专业技术负责人):×××2003年×月×日。
屋面卷材防水层检验批质量验收记录表
Revised at 2 pm on December 25, 2020.
屋面卷材防水层检验批质量验收记录表
GB50207-2002
注:①定性项目符合要求打√,反之打×;②定量项目加○表示超出企业标准,加△表示超出国家标准。
卷材防水屋面细部构造检验批质量验收记录表
注:①定性项目符合要求打√,反之打×;②定量项目加○表示超出企业标准,加△表示超出国标准。
屋面卷材防水层检验批质量验收记录表
GB50207-2002
注:①定性项目符合要求打√,反之打×;②定量项目加○表示超出企业标准,加△表示超出国家标准。
卷材防水屋面细部构造检验批质量验收记录表
注:①定性项目符合要求打√,反之打×;②定量项目加○表示超出企业标准,加△表示超出国标准。
屋面卷材防水层检验批质量验收记录表
GB50207-2002
注:①定性项目符合要求打√,反之打×;②定量项目加○表示超出企业标准,加△表示超出国家标准。
卷材防水屋面细部构造检验批质量验收记录表
注:①定性项目符合要求打√,反之打×;②定量项目加○表示超出企业标准,加△表示超出国标准。
屋面卷材防水层检验批质量验收记录表
GB50207-2002
注:①定性项目符合要求打√,反之打×;②定量项目加○表示超出企业标准,加△表示超出国家标准。
卷材防水屋面细部构造检验批质量验收记录表
注:①定性项目符合要求打√,反之打×;②定量项目加○表示超出企业标准,加△表示超出国标准。
屋面卷材防水层检验批质量验收记录表
GB50207-2002
家标准。
卷材防水屋面细部构造检验批质量验收记录表
准。
屋面卷材防水层检验批质量验收记录表
GB50207-2002
家标准。
卷材防水屋面细部构造检验批质量验收记录表
准。
屋面卷材防水层检验批质量验收记录表
GB50207-2002
家标准。
卷材防水屋面细部构造检验批质量验收记录表
准。
屋面卷材防水层检验批质量验收记录表
GB50207-2002
家标准。
卷材防水屋面细部构造检验批质量验收记录表
准。