卷材防水层检验批质量验收记录
- 格式:doc
- 大小:14.95 KB
- 文档页数:1
屋面卷材防水层检验批质量验收记录表
GB50207-2002
注:①定性项目符合要求打反之打定量项目加○表示超出企业标准,加△表示超出国家标准。
卷材防水屋面细部构造检验批质量验收记录表
GB50207-2002
注:①定性项目符合要求打√,反之打×;②定量项目加○表示超出企业标准,加△表示超出国标准。
屋面细石混凝土防水层检验批质量验收记录表
GB50207-2002
注:①定性项目符合要求打√,
反之打×;②定量项目加○表示超出企业标准,加△表示超出国家标准。
屋面细石砼防水层细部构造检验批质量验收记录表
GB50207-2002
注:①定性项目符合要求打√,反之打×;②定量项目加○表示超出企业标准,加△表示超出国家标准。
工程名称:城编号:02
工程名称:编号:03
架空屋面检验批质量验收记录表
GB50207-2002
注:①定性项目符合要求打反之打定量项目加○表示超出企业标准,加△表示超出国家标准
架空屋面报验申请表
工程名称:编号:01。
卷材防水层检验批质量验收记录一、检验项目1. 卷材防水材料的选购和送货验收情况2. 卷材防水层铺设前的准备工作验收情况3. 卷材防水层铺设施工验收情况4. 卷材防水层施工后的检验和试验情况5. 卷材防水层验收汇总及材料报验情况二、检验结果1. 卷材防水材料的选购和送货验收情况根据合同规定,检验了卷材防水材料的选购和送货验收情况。
经检验,卷材防水材料的型号、规格、包装等符合合同要求,无明显损坏或变形,且数量与合同一致。
材料的购买单位、生产厂家、生产日期等信息也齐全。
因此,该项验收合格。
2. 卷材防水层铺设前的准备工作验收情况卷材防水层铺设前的准备工作包括基层平整度、干燥情况等的验收。
根据要求,检查了基层的平整度,经测量,基层平整度满足规范要求。
同时,通过检查基层的干燥情况,确认基层地面无明显潮湿迹象,水汽含量符合规范要求。
因此,该项验收合格。
3. 卷材防水层铺设施工验收情况卷材防水层铺设施工验收主要是检查施工过程中的操作规范、材料使用情况等。
根据要求,检查了卷材铺设的水平度、垂直度等,经测量,各项指标均符合规范要求。
同时,对卷材的运输、裁剪、焊接等工艺步骤进行了检查,确认操作规范,无明显质量问题。
因此,该项验收合格。
4. 卷材防水层施工后的检验和试验情况卷材防水层施工后的检验和试验主要是对铺设质量进行验证。
根据要求,进行了渗透试验和抗拉试验。
渗透试验结果显示,在试验时间内,卷材防水层无明显渗漏。
抗拉试验结果显示,卷材防水层的拉伸强度符合规范要求。
因此,该项验收合格。
5. 卷材防水层验收汇总及材料报验情况对以上所述的卷材防水层检验项目进行了汇总,并完成了相应的材料报验。
验收结果显示,卷材防水层的质量符合规范要求,可以验收。
三、结论根据以上检验项目的结果,卷材防水层的质量验收合格。
在施工过程中,各项操作规范,材料使用符合要求,并通过试验验证了卷材防水层的质量。
因此,该卷材防水层可以正式验收使用。
四、改进措施在本次卷材防水层质量验收过程中,未发现明显质量问题。
卷材防水层检验批质量验收记录
1. 项目背景
为了确保建筑物具有良好的防水性能,卷材防水层检验是至关重要的步骤。
本
质验收记录旨在记录检验工作的过程和结果。
2. 检查对象
本次检验对象为卷材防水层的防水性能和物理性能。
3. 检验流程
1.准备工作:按照要求准备检验工具和设备。
2.采样:从卷材防水层的不同位置,按要求进行采样。
3.检验防水性能:对采样的样品进行水压试验、水贯穿试验、抗渗振动
试验、渗漏检测等防水性能试验。
4.检验物理性能:对采样的样品进行物理性能试验,如抗张强度试验等。
5.结果评价:根据试验结果,评价卷材防水层的防水性能和物理性能是
否符合要求。
6.验收:根据试验结果,判断卷材防水层检验批是否通过验收。
4. 检验结果
综合卷材防水层检验的试验结果和评价,该检验批符合要求,可以通过质量验收。
检验数据详见表格:
检验项目指标要求检测结果判定
水压试验≥ 0.3 MPa0.5 MPa 合格
水贯穿试验不渗漏未渗漏合格
抗渗振动试验无渗漏未渗漏合格
抗张强度试验≥ 150 N / 50 mm180 N / 50 mm 合格
5. 建议
1.建议采用更为精确的检验方法,以获得更可信的检验数据。
2.建议在施工中加强对卷材防水层的班组培训和质量管理,提高防水层
的质量保障。
6.
经过卷材防水层检验批的检验,该批次符合防水性能和物理性能要求,可以进行质量验收。
以上是卷材防水层检验批质量验收记录。
卷材防水层检验批质量验收记录(1)一、验收时间与地点验收时间: 20xx年x月x日验收地点: xx建设工地二、验收人员序号姓名职务1 XXX 工程监理2 XXX 项目经理3 XXX 工程技术人员三、被验收单位信息单位名称生产厂家XX公司XX有限公司四、验收要求1.单位应符合《建筑防水卷材》相关标准要求。
2.检验批中抽取的5卷卷材,应全部合格。
五、检验设备及工具1.厚度计:型号XXXX,准确度±0.01mm。
2.蓝色细线笔:笔尖宽度0.5mm。
3.密度计:型号XXXX,量具范围0.1g~1000g。
六、检验过程及结果记录1.外观检查:卷材表面应平整均匀,不得出现裂口、划痕、黑点等缺陷。
其中3卷无缺陷,2卷有少量的黑点。
2.厚度测定:在卷材上任取3个不同部位各测一次。
测量结果均值应在生产厂家标定范围内。
最大偏差不得超过标定范围的10%。
3卷均符合标准,2卷最大偏差均在标定范围内。
3.重量测定:对于每卷卷材按规定方法进行称重。
3卷符合标准,2卷稍微偏重。
4.水侵参数:取一张50mm×50mm的卷材标本,经≥0.3MPa的水压作用(30分钟),记录其两面外观及渗漏现象。
5卷水侵合格,无渗漏现象。
七、验收经检验,5卷卷材均达到标准要求。
检验结果符合项目要求,经过讨论,决定该批次卷材可以正式使用。
八、存在问题及处理意见1.部分卷材表面存在少量黑点,可以允许使用。
2.部分卷材超重,可以采取补偿措施或者返厂更换。
3.验收期间未发现其他存在问题。
九、签名验收人员(签名)职务验收日期。
屋面卷材防水层检验批质量验收记录表GB50207-2002V, x;②定量项目加o表示超岀企业标准,加△表示超岀国家标反之打注:①定性项目符合要求打. 准。
卷材防水屋面细部构造检验批质量验收记录表GB50207-2002V,x ;②定量项目加o表示超岀企业标准,加△表示超岀国标准。
反之打注:①定性项目符合要求打屋面卷材防水层检验批质量验收记录表GB50207-2002/ X;②定量项目加O表示超岀企业标准,加△表示超岀国家标反之打注:①定性项目符合要求打准。
卷材防水屋面细部构造检验批质量验收记录表GB50207-2002V,x ;②定量项目加o表示超岀企业标准,加△表示超岀国标准。
反之打注:①定性项目符合要求打屋面卷材防水层检验批质量验收记录表GB50207-2002V, x;②定量项目加o表示超岀企业标准,加△表示超岀国家标注:①定性项目符合要求打反之打准。
卷材防水屋面细部构造检验批质量验收记录表GB50207-2002/ X;②定量项目加O表示超岀企业标准,加△表示超岀国标准。
反之打注:①定性项目符合要求打屋面卷材防水层检验批质量验收记录表GB50207-2002/ X;②定量项目加O表示超岀企业标准,加△表示超岀国家标注:①定性项目符合要求打反之打准。
卷材防水屋面细部构造检验批质量验收记录表GB50207-2002V, x;②定量项目加o表示超岀企业标准,加△表示超岀国标准。
反之打注:①定性项目符合要求打屋面卷材防水层检验批质量验收记录表GB50207-2002主控项目全部合格,一般项目满足施工规范规定要/ X;②定量项目加O表示超岀企业标准,加△表示超岀国家标注:①定性项目符合要求打反之打准。
卷材防水屋面细部构造检验批质量验收记录表GB50207-2002V, x;②定量项目加o表示超岀企业标准,加△表示超岀国标准。
反之打注:①定性项目符合要求打屋面卷材防水层检验批质量验收记录表GB50207-2002/ X;②定量项目加O表示超岀企业标准,加△表示超岀国家标注:①定性项目符合要求打反之打准。
卷材防水层检验批质量验收记录
一、项目概况
卷材防水层是建筑工程中常用的一种防水材料,为确保防水层的质量达到设计要求,进行卷材防水层的检验是非常必要的。
本文档为卷材防水层检验批质量验收记录,旨在记录和评估卷材防水层的质量情况。
二、检验批信息
检验批编号:XXXX
施工单位:XXXXX
监理单位:XXXXX
检验日期:XXXX年XX月XX日
三、检验方法
1. 检验人员应详细查阅卷材防水层的设计文件和规范要求,了解具体的检验要求和标准。
2. 检验人员应进行实地检查,直接观察卷材防水层的施工质量
和现场施工情况。
3. 检验人员可以借助一些仪器设备,如厚度计、拉力测试仪等,对卷材防水层的厚度、强度等进行测试。
四、检验内容与结果
1. 卷材防水层的施工质量
a. 检验人员应检查卷材的铺贴是否牢固,是否有翘起、开裂等现象。
b. 检验人员应检查卷材之间的接缝是否牢固,并采取适当的
措施加固。
c. 检验人员应检查卷材防水层的边缘及过渡部位是否处理妥善,确保无漏水隐患。
d. 检验人员应对卷材防水层的颜色、外观进行检查,确保符
合设计要求。
2. 卷材防水层的性能测试。
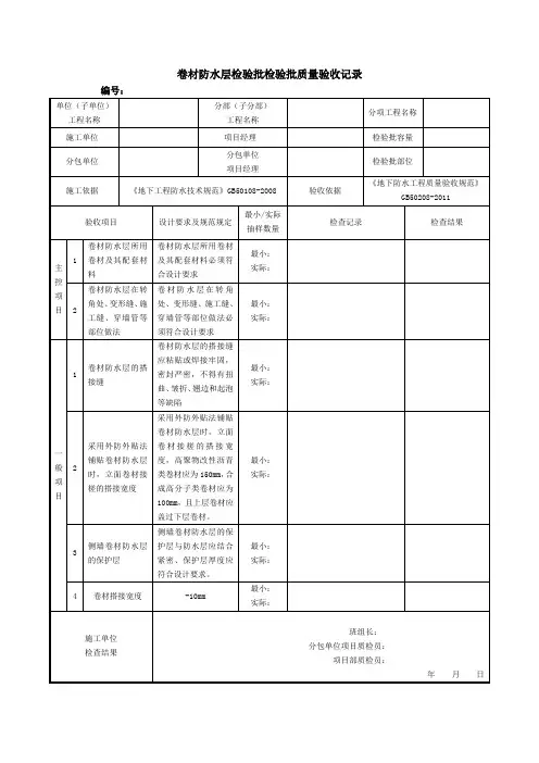
123456789101第4.3.15条2第4.3.16条3第4.3.17条12345678910
1第4.3.18条
2第4.3.19条
3第4.3.20条
4-10mm
监理(建设)单位验收记录验收部位项目经理专业工长分包项目
经 理
施工班组长规范规定
规范规定
施工单位检查评定记录施工单位检查评定记录所用卷材及其配套材料的质量卷材防水层质量
天沟、檐沟、檐口、水落口、
泛水、变形缝伸出屋面管道的
防水构造
防水层搭接缝一般项目员等进行验收。
保护层、隔离层、分格缝留置排汽道设置和排汽管的安装铺贴方向、卷材搭接宽度项目专业质量检查员:年 月 日
年 月 日监理工程师 (建设单位项目技术负责人):卷材屋面防水层检验批质量验收记录
工程名称
施工单位
施工执行标准名
称及编号
分包单位主控项目
施工单位检查
评定结果
监理(建设)单位
验收结论。