改善提案打分表
- 格式:docx
- 大小:14.40 KB
- 文档页数:1
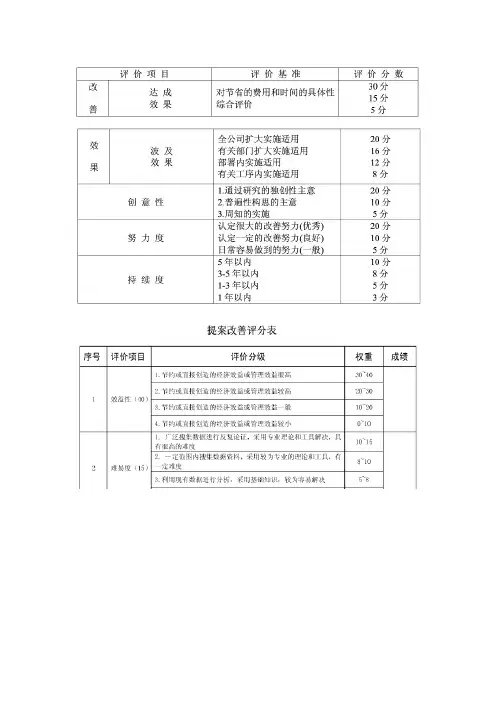
所占比重部门处评公司主管评分无形效益类总分:总分:签名:签名:等级评分核定权限提案改善评分表一、说明1.提案改善报告书先由所属主管进行各单项处评,提案人据初评分数寻找相应权限主管进行单项评分评定2.提案人汇总各项评分后交由相应权限主管进行核定后由部门主管依权限确定等级二、“等级”、“核定权限”对照表效益所属主管部门主管部门主管公司主管公司主管IE手法运用所属主管部门主管部门主管公司主管公司主管推广度所属主管部门主管部门主管公司主管公司主管创新性所属主管部门主管部门主管公司主管公司主管三、审查得分基准评价项目审 查 得 分 基 准评 分评分等级五级四级三级二级一级及以上1-1011-2021-2526-3536-40实施后三个月内节省额每月2万元以下,或一次性可节省金额在6万元以内实施后三个月内节省额每月2万元以上,或一次性可节省金额在6万元以上实施后三个月内节省额每月5万元以上,或一次性可节省金额在15万元以上实施后三个月内节省额每月10万元以上,或一次性可节省金额在30万元以上实施后三个月内每月创利(节约)在原有基础上增加20万RMB以上所作提案使士气、安全、5S方面得到提升所作提案使士气、安全、5S 方面中任意两方面得到提升所作提案使士气、安全、5S方面中任意两方面得到提升且已标准化所作提案使士气、安全、5S方面中任意三方面得到提升且已标准化所作提案使士气、安全、5S方面均得到提升且已标准化1-67-1213-1819-2425-30运用ECRS、IE 七大手法、SPC等三种以上基础手法,且问题分析清楚运用ECRS、IE七大手法、SPC、设施规范(从至法、关键路径法)等四种(含)以上IE手法且表达清楚、分析问题深入通用四种(含)以上基础IE手法且运用DOE、OR 、仿真分析手法,且分析深入,执行度高运用或引进IE新技术、拓展或延伸IE技术(并非新技术—)运用于实际、专利申请,过程清晰,分析透彻,对策适当1-56-1011-1415-1718-20所作改善成果形成文字已诉诸SOP、SIP、ECN等管控,且为个案所作改善成果形成文字已诉诸SOP、SIP、ECN等管控,且为个案,已向公司其他单位推广所作改善成果形成文字已诉诸SOP、SIP、ECN等管控,且为个案,已向公司推广所作改善成果形成文字已诉诸SOP、SIP、ECN 等管控,且为个案,已向公司推广所作改善成果形成文字已诉诸SOP、SIP、ECN等管控,且为个案,已向集团推广1-23-45-67-89-10一般性课题,提案内容(自身能力、技术、管理)与以往提案具有相似性及手法运用常规提案内容对某一领域(自身能力、技术、管理)与以往提案具有延伸性,课题有难度及手法运用常规提案内容对某一领域(自身能力、技术、管理)与以往提案具有延伸性,课题较为复杂及手法运用新颖提案内容对某一领域(自身能力、技术、管理)具有一定的独创且公司尚无类似应用某一领域(自身能力、技术、管理)具有独创性(有发明性)、适用性、可期待于他处广泛应用四、核定等级如下5421优秀特优卓越提案A+卓越提案A++15-3031-4056-7071-8081-9091-99提案绩效/月≧20万RMB (提案现金绩效以3月计)或一次性可节省金额达100万元以上创新性与推广度评分达一级提案绩效之1%为奖金提案绩效之2%为奖金每案上限10000RMB,个人为1000RMB每案上限20000RMB,个人为1000RMB所属主管部门主管公司主管公司主管公司主管公司主管公司主管公司主管效益奖金经济效益类40%30%20%10%得分:得分:得分:评委:单位:职位:分机:得分:评委:单位:职位:分机:得分:评委:单位:职位:分机:得分:评委:单位:职位:分机:IE手法运用四级三级二级一级及以上五级得分:得分:运用ECRS、5W1H、鱼骨图等基础IE 手法,但问题分析不够清楚500元备注:1.员工的初级主管为部门副主管或主管,部门副主管或主管的初级主管为公司直属主管 2.责任主管评分接触后,提案人汇总并签名确认创新性推广度10元20元100元200元300元fig2fig17J126-01 7J197-01 7J131-017J219-012MM 0.76MAX 7J193-01,7J194-01,7J192-01202.5项目评分等级。