应答器用户数据表编制方法
- 格式:pdf
- 大小:648.30 KB
- 文档页数:45
补充内容2:应答器用户数据的形成应答器用户数据是应答器报文编制必备的基础数据,必须与运营线路实际情况相符。
用户数据转换为应答器报文的过程是应答器设备运用中的关键环节,为保证应答器用户数据的完整性和准确性,针对既有线提速200km/h区段,由通号公司设计院牵头编制了统一的应答器用户数据提供的方式和格式,并进行了表格填写举例。
应答器用户数据表格主要包括:应答器位置表,区间信号点、轨道区段数据表,区间线路坡度表,区间线路速度表,铁路线路里程断链明细表,车站列车进路数据表等。
1. 应答器位置表填写说明:(1)按照应答器编号从小到大的原则顺序填写,进、出站口应答器按布置位置顺序插入。
(2)应答器编号栏应按规定格式填写,格式:大区号-分区号-车站号-单元号-组内编号。
如果单元不是多个应答器形成的组,则“-组内编号”可缺省。
(3)里程栏填写应答器安装处的实际线路里程,精确到米。
(4)设备类型包括有源应答器和无源应答器两种,在设备类型栏中分别填“有源”和“无源”。
(5)如果有其他特殊说明,填写在备注栏中,如级间转换的预告,执行等应答器。
2. 区间信号点、轨道区段数据表填写说明:(1)按照列车正向运行方向顺序填写。
(2)信号点与其所防护的轨道区段对应填写。
(3)信号点名称、里程、类型,轨道区段的名称、长度、载频,应与《信号设备平面布置图》一致,长度应精确到米。
(4)信号点类型共有七种,除进站信号机,出站信号机,通过信号机,进路信号机,调车信号机,出站口六种信号点类型外,对于只有绝缘节,而没有信号机的区间分隔点,在信号点类型中填写“没有信号机”。
(5)轨道区段长度应是经过长短链换算后的实际线路长度。
3. 区间线路坡度表填写说明:(1)线路坡度应以线路实际的坡度数据为依据,按照列车正向运行方向顺序填写,精度为0.1‰。
如果填写的数据为负数,则表示下坡,反之为上坡。
(2)长度为该坡度值所对应的实际线路长度,精确到米。
(3)终端里程栏填写的是该坡度末端(变坡点)的线路里程。
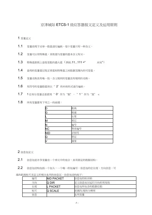
京津城际ETCS-1级应答器报文定义及运用原则1 变量定义1.1 变量将用于对单一数值进行编码,每个变量只有一种含义。
1.2 变量可以有特殊值,其取值与变量的基本含义有关。
1.3 特殊值原则上是取变数的最大值(例如.11...111 =" 未知")1.4 备用的变量值应取正常值和特殊值之间数据范围内的可变值。
1.5 变量名称具有唯一性,含义相同的变量具有相同的名称。
1.6 有符号的变量数值将以“ 2”的补码形式进行编码。
1.7 1位布尔变量总是使用“ 0”作为“假”,“ 1 ”作为“真” <1.8 所有变量都有下列之一的前缀:2 信息包定义2.1 信息包是许多变量在一个单元中的组合,具有固定的数据结构。
2.2 信息包结构包括一个包头:一个唯一的包编号,信息包的位长度,方向信息,可选的距离标尺及定义的相关系列的信息区。
信息包结构如下:2.3 所有当前未定义的包标识码将作为预留,其信息包定义也须遵守上述数据结构,具体可参考ETCS言息包定义。
2.4 报文结束信息包【ETCS-255不遵守上面的规则。
2.5 变量N」TER旨出一个或一组变量重复的次数。
2.6 如果变量N」TER=0则后面没有变量。
2.7 变量反复可以存在两层嵌套。
2.8 在信息包中,如果一个变量是根据其前面的一个限定词的取值是可选的,则该变量在信息包定义中应缩进书写。
3.1 无源应答器和有源应答器默认报文的报文计数器设定为2553.2 LEU及MSTT默认报文的报文计数器设定为0。
3.3 报文计数器0〜253之间按照进路和移动授权长度顺序取值。
3.4 报文计数器禁用254。
4 用户信息包4.1 应答器链接【ETCS-3变量Q_NEWCOUNTR义了被链接应答器与本应答器地区编号是否相同,当被链接应答器与本应答器地区编号相同时,变量NID_C取消4.1.2 当主信号机(进出站信号机)处应答器链接失败时,车载设备触发紧急制动。
一、报文格式:1、长报文:1023 bits,具体如下图2、短报文:341 bits 格式:二、编码流程图:1、830bits:按照实际所需限速等条件整理出830bits用户数据。
2、选择12bits加扰位。
选定加扰位的初始值。
3、加扰:(1)长报文格式中m=830,短报文格式中让m=210。
假设Um-1,….,U0是830bits用户数据位,m-1=829。
将用户数据位从左到右分成K块,每块为10bits,Uk-1=(Um-1…Um-10),Uk-2=(Um-11…Um-20),…,U0=(U9…U0),长报文K=83。
通过计算生成新序列U`为U`k-1,U`k-2,…,U`0, U`,新序列的U`k-1为:即U`82=(U82+U81+…+U0)mod。
(mod为求余计算)U`新序列的U`k-2,…,U`0分别与U序列的Uk-2,...,U0相同。
(2)计算S:其中B为:利用12bits加扰位计算B.2801775573为这种类型随机数发生器的通用选择(3)利用加扰器进行加扰生成新数据。
如下图正方形为延时单元,加号代表异或操作。
系数h31,h30,h29,h27,h25,h0为1,即相当于连接,其他h28,h26,h24,h23,…,h1为0,即不连接。
S的32位二进制数从最高有效位到最低有效位即S31,…,S0,被定义为上图中移位寄存器的初始值。
然后移位寄存器在每个时钟后向左移动一次,共移动m-1次,并且在每来一个时钟时,将U1m-1,…,U`0,依次分别输入,最后加扰生成Sm-1,…,S0。
(在第一个时钟之前先读输出Sm-1)。
4、10bits-11bits 整形变换:将加扰后生成的新序列Sm-1,…,S0,分成K=83块,每块10bits ,生成新序列Sk-1,…,S0,分别将Sk-1,…,S0,的十位二进制数转换成十进制数并以此十进制数为地址进行查表B2,将所查地址中的数据分别一一替换Sk-1,…,S0,最后生成83*11bits=913bits 数据。
文件名称:BEPT 读写应答器说明文件编号:GCJS–JSWJ–09 文件版本:V1.0编写者:刘强 审核者:贾向武 批准者:袁伟家发布日期:2010年 4月 14 日更改记录更改次数 更改内容 更改者 更改日期北京铁路信号工厂工程技术部内部资料 禁止外传目录1 报文 (1)1.1 报文 (1)1.2 报文格式 (1)2 应答器数据写入流程 (2)2.1 设备数据单说明 (3)2.2 数据写入 (4)BEPT读写应答器说明1 报文在对应答器数据进行读写的时候, 我们除了要对BEPT熟练掌握以外还要对 应答器报文有一定的了解。
1.1 报文应答器设备可以简单的理解为一个数据存储器和发送器, 当车载电线激活该 应答器时,应答器发送自身存储的应答器报文或发送通过电缆由地面电子单元 (LEU)传送的应答器报文。
应答器报文分为应答器报文和应答器用户报文。
应答器用户报文指的是根据 应答器用户信息包的格式, 编制的报文。
应答器用户报文有长报文和短报文两种。
应答器报文是指应答器用户报文经过欧洲的编码算法, 加扰后存储在应答器中或 通过LEU传输的报文。
同样,应答器报文也分为长报文和短报文。
1.2 报文格式信息帧主 每一条应答器用户报文均由信息帧+用户信息包+结束标志位构成。
要是对应答器报文的一个标志,包含应答器编号,版本信息等内容。
用户信息包 根据列车控制需求,针对不同的作用,定义各种不同用途的信息包。
为保证应答器与动车组 A TP车载设备的运用的相匹配,应答器的格式采用 统一的数据结构。
在既有线CTCS2级列控系统中,我们引用了欧洲定义的链接 包(ETCS5),线路坡度包(ETCS21),线路速度包(ETCS27),级间转换包 (ETCS41),用户数据包(ETCS44),特殊区段包(ETCS68),调车危险包 (ETCS132),默认报文包(ETCS254);我们根据CTCS2级点连式列控系统 的需求,参照欧洲报文定义的格式,我国自定义了轨道区段包(CTCS1),临时 限速包(CTCS2),反向运行包(CTCS3),大号码道岔包(CTCS4)四个CTCS 数据包。
CTCS-3级列控系统标准规范系列运基信号[2008] 499号列控系统工程数据表编制规定(V1.0)目录目录 (1)1引言 (3)1.1参考文献 (3)2一般规定 (4)3管理及编制 (5)4输入数据表格式及填写说明 (6)4.1封面格式 (6)4.2制表依据文件清单 (7)4.3信号数据表 (7)4.4应答器位置表 (9)4.5列车进路信息数据表 (10)4.6RBC信息表 (12)4.7线路坡度表 (13)4.8线路速度表 (14)4.9桥梁隧道信息表 (14)4.10分相区信息 (15)4.11铁路线路里程断链明细表 (16)5输出数据表格式及填写说明 (17)5.1采集配置表 (17)5.2驱动配置表 (18)6附件:列控工程数据表填写举例 (19)6.1信号数据表 (20)6.2应答器位置表 (22)6.3列车进路信息数据表 (24)6.4RBC信息表 (25)V1.0 列控系统工程数据表编制规定第1页6.5线路坡度表 (26)6.6线路速度表 (27)6.7铁路线路里程断链明细表 (28)6.8桥梁隧道信息表 (29)6.9过分相信息表 (29)6.10采集配置表 (30)6.11驱动配置表 (30)1引言1.1参考文献[1] 科技运〔2008〕34号《CTCS-3级列控系统总体技术方案》[2] 运基信号〔2006〕14号《既有线提速200km/h区段应答器用户数据表编制规定》[3] 运基信号〔2006〕27号《应答器编号规则(暂行)》[4] 科技运〔2008〕16号《CTCS-2级应答器报文定义及应用原则(暂行)》[5] 科技运〔2007〕158号《客运专线CTCS-2级列控系统车站列控中心技术规范(暂行)》[6] 铁运〔2005〕229号《铁路线路里程断链设置和管理暂行规定》[7] 《信号设备平面布置图》[8] 《CTCS-3级列控系统应答器工程应用原则》[9] 《列控系统设备及相关设备编号及网络IP地址分配规则》2一般规定2.1.1.1本规定适用于CTCS-2级和CTCS-3级列控系统的基础数据编制,是编制应答器报文、列控中心控制轨道电路编码、临时限速服务器参数化和RBC设备工程数据参数化的依据。
第41卷第6期2019年6月铁道学报JOURNAL OF THE CHINA RAILWAY SOCIETYVol.41No.6June2019文章编号:1001-8360(2019)06-0100-07应答器报文编制规则的形式化建模与验证黄旭12!刘中田21中铁第一勘察设计院集团有限公司,陕西西安710043; 2.北京交通大学电子信息工程学院,北京100044)摘要:应答器报文的正确与否直接关系到列车运行安全%CTCS-2级列控系统应答器的应用原则是C2应答器报文编制的起点和依据,应答器报文的正确性与应用原则的正确性及其是否被正确执行直接相关。
基于文本语言描述的应答器应用原则易产生二义性问题,存在较大隐患%通过深度挖掘应答器应用原则,并结合列控数据,从中提取出具体报文编制规则,采用UML与NuSMV相结合的方法对具体的编制规则进行形式化建模与验证,并以一种类型的报文生成为例,构建规则的UML模型,对UML模型进行扩展和抽象,将其转换为NuSMV模型,用模型检验工具验证其活性、转移性和确定性等,可以得到应答器应用原则中存在的问题,对确保应答器报文的正确性有重要意义%关键词:应答器报文;应答器应用原则;符号模型检验;UML中图分类号:U284文献标志码:A doi:10.3969/j.issn.10018360.2019.06.014Formal Modeling and Verification of Compilation Rules ofBalise TelegramHUANG Xu1'2,LIU Zhongtian2(1.China Railway First Survey and Design Institute Group Co.,Ltd.,Xi'an710043,China;2.School of Electronic and Information Engineering,Beijing Jiaotong Universty,Beijing100044,China)Abstract:The correctness of the balise telegram is directly related to the safety of train operation.Balise appii-cation principle of CTCS-2is the starting point and basis of the telegram compilation.The correctness of balise telegramisdirectlyrelatedtothecorrectnessofapplicationprincipleandwhetheritcanbecorrectlyimplemen-ted.The application principle of balise based on text language description may have great hidden problems as it is liable to cause ambiguity.In this paper,the compilation rules of balise telegram were extracted firstly based onthedeepexcavationofbaliseapplicationprincipleandtraincontroldata.Then$themethodcombiningUBL and symbolic model checking was used to carry out formal modeling and verification of the rules.Finally,based onthebalisetelegramgenerationscenario$theUBL modeloftheruleswasestablished$andwasexpandedand abstracted to transform it into NuSMV model.In the end,the model checking tool was used to verify its activi-Iy$IransferabiliIy and cerIainIy.The resulIs ofIhe analysis ofIhe compila ion rules of baliseIelegram can be usedIoobIainIheproblemsinIhebaliseapplicaIionprinciple$whichisofgreaIsignificanceIoensureIhecor-recInessofIhebaliseIelegram.Key words:balise telegram;balise application principle;symbolic model checking;UML应答器作为列车控制系统中必不可少的设备,其向车载设备传输的报文数据是生成控车曲线的依据。
科技视界Science &Technology VisionScience &Technology Vision 科技视界(上接第142页)第三种境界,是把教师的工作当做事业。
具有这种境界的教师,情感充沛、精神饱满,潜心投入、心无旁骛,信心十足、追求卓越,使生命获取“登山则情满于山,观海则意溢于海”的性情修养,拥有“毁誉无动于衷,荣辱皆忘”的境界,既而用思想来提升教育的品质,用智慧来行走为师人生。
它既不同于第一种状况的心灵无所归属,又不同于第二种状况的不越雷池。
“潜心育人,心灵不在浮躁;忘我钻研,时时能在天堂”。
具有这种境界的教师,是学习者,终身不断地学习,时刻站在学术最高峰;是实践者,带着感情,以研究的心态对待每个学生,在实践中不重复自己,也不重复别人,每一阶段都有创新,都有智慧的灵光闪现。
有自己的思想,自己的见解,自己的方法。
他们教出的学生,必然是充满爱心,思维活跃,富有创造力和创新能力,会做人,会学习,会健体,会审美。
心态不同,境界不同,成效更不同。
作为一名教师,人人都应该加强职业道德修养,提升自己的境界,树立正确的世界观、人生观、价值观和道德观,忠诚党的教育事业,热爱教育、献身教育,爱岗敬业、教书育人、为人师表,实现由“教书匠”向“教育家”的转变。
教师是社会的一个重要职业,更是一个光荣的职业,让我们用真心对待学生,用专心对待工作,积极完善自我品格,不断提升思想境界,在静心品读和智慧劳作中,用心体会工作的幸福,做幸福的教师,幸福地做教师,享受做教师的幸福![责任编辑:王静]列控系统级间转换应在区间列车较少使用制动的区段进行,转换区段设预告点应答器(2)或(4)和执行点应答器(3)。
执行点应答器(3)应设置在信号机或信号点处(一般建议设在区间第一架通过信号机或信号点处)。
如图1所示。
图1级间转换应答器的设置预告区段长度应满足即将转换的列控系统设备投入正常工作和司机确认所需要的时间,一般按5秒设计。
应答器报文核对方法
应答器报文核对是一项至关重要的工作,它关乎到列车的安全运行和乘客的舒适度。
在进行应答器报文核对时,可以采用图示法,这种方法可以帮助我们更直观地理解和核对报文内容。
首先,我们需要将应答器报文中包含的所有信息,如线路速度、应答器连接、轨道区段、临时限速等,在纵断面图中详细标注出来。
通过这种方式,我们可以对应答器报文中的每一个细节进行仔细的核对,确保其与列控工程数据表中的内容完全一致。
在核对过程中,正线应答器报文尤为重要。
我们需要根据CTC-2级列控系统应答器应用原则和列控工程数据表,对应答器报文数据进行逐个检查和核对。
这一环节是确保应答器报文正确性的关键,必须细致入微,不能有丝毫的疏漏。
在核对工作完成后,我们还需要进行动态试验。
这是通过采用动车组的方式,对应答器报文进行实际的模拟测试。
只有在经过严格的动态试验和验证后,确认应答器报文正确无误,我们才能正式开通设备,将其投入到实际运营中。
这一环节是确保列车安全运行的最后一道防线,必须严谨对待。
总的来说,应答器报文核对是一项复杂而细致的工作。
只有通过严谨的方法
和严格的测试,我们才能确保应答器报文的正确性,从而保证列车的安全运行和乘客的舒适度。
在未来的工作中,我们将继续致力于优化应答器报文核对方法,为列车的安全运行贡献力量。
级间转换用户信息包的编制作者:张丽来源:《科技视界》 2013年第3期张丽(辽宁铁道职业技术学院,辽宁锦州 121000)【摘要】随着高速铁路的飞速发展,使用CTCS-2级列控系统的铁路线路越来越多,并在我国形成了较为密集的铁路网,但既有线和各支线仍然大量存在CTCS-0/1级区段,列车在跨线运行时必定要使用级间转换。
而级间转换的信息内容是存储在列控系统地面设备的应答器中,因此要对铁路现场级间转换的用户信息包进行编制。
【关键词】级间转换;用户信息包;编制列控系统级间转换应在区间列车较少使用制动的区段进行,转换区段设预告点应答器(2)或(4)和执行点应答器(3)。
执行点应答器(3)应设置在信号机或信号点处(一般建议设在区间第一架通过信号机或信号点处)。
如图1所示。
预告区段长度应满足即将转换的列控系统设备投入正常工作和司机确认所需要的时间,一般按5秒设计。
对于由CTCS-1/0向CTCS-2转换,应在级间转换区间的正向发车站出站口处设置有源应答器(1),负责向列车传送该区间临时限速信息。
对于由CTCS-1/0向CTCS-2转换,预告点应答器(2)应提供产生CTCS-2监控曲线所需的全部数据参数。
CTCS-0/1/2区段的轨道电路信息码序在“级间转换”报文的“NID_STM”项中给予定义。
根据铁道部《既有线200km/h动车组ATP车载和地面设备配置及运用技术原则(暂行)》中有关应答器设备设置及使用的要求,级间转换预告点处无源应答器(组)用户信息包由应答器链接、线路坡度、线路速度、等级转换、CTCS数据、轨道区段构成。
下面,就以图2所示线路应答器设置情况分别介绍1、2、3、4号应答器内级间转换用户信息包的内容编制。
图中各应答器作用如下:1编号应答器为出站口处应答器,当系统由CTCS-0/1转至CTCS-2时,2编号应答器为预告点,3编号应答器为执行点;当系统由CTCS-2转至CTCS-0/1时,4编号应答器为预告点,3编号应答器为执行点。
既有线应答器报文设计举例说明(讨论稿)根据铁道部运基信号[2005]224号文《应答器报文定义及运用原则(暂行)》应答器报文的编制原则及环形道、胶济线试验的经验总结,在考虑列车运行安全和效率的前提下,对于第六次既有线提速区段,应答器报文的编制进行了近一步的改进,本次改进的主要内容是调整了部分应答器的数据管辖范围及各类数据之间的相互冗余。
一、各种应答器数据范围和信息内容举例:1、区间正向无源应答器:1)区间无源应答器包含的信息包:2)各种信息包的数据范围如下:✓区间正向无源应答器应与正向相邻的两个应答器和反向相邻的两个应答器建立链接关系;✓线路坡度的起点和终点宜与该应答器所描述的轨道区段的起点及终点一致。
✓轨道区段的数据范围如图一所示,应至少包含相邻两个应答器的数据及一个列车的常用制动距离。
并且数据范围宜满足在应答器未丢失,列车运行在任何区段时,包含的闭塞分区数量均能够满足列车从最高的允许码到HU码的控车模式曲线。
图一:区间正向无源应答器数据管辖范围2、区间反向无源应答器:当相邻两个车站站间距较大,进站口无源应答器的数据容量已无法满足要求时,将在区间增加用于提供反向信息的无源应答器,且宜与其较近的正向无源应答器成组设臵。
1)区间无源应答器包含的信息包:2)各种信息包的数据范围如下:✓区间反向无源应答器(组)应与反向相邻的两个应答器建立链接关系;✓线路坡度的起点和终点宜与该应答器所描述的轨道区段的起点及终点一致。
✓线路速度的起点和终点宜与该应答器所描述的轨道区段的起点及终点一致。
✓轨道区段的数据范围如图二所示,应至少包含至相邻的进站口应答器组或区间反向无源应答器(组)及一个列车的常用制动距离。
图二:区间反向无源应答器数据管辖范围3、进站口无源应答器:1)进站口无源应答器包含的信息包:2)各种信息包的数据范围如下:✓线路坡度的起点和终点宜与该应答器所描述的轨道区段的起点及终点一致。
✓线路速度的起点和终点宜与该应答器所描述的轨道区段的起点及终点一致。
应答器报文核对方法概述应答器报文分无进路报文和进路报文两种。
无进路报文顾名思义,即为没有进路时,列控中心向LEU发送的报文,无进路报文分为两种:停车报文、默认报文。
报文的类型不同,所含有的报文数据包也不尽相同。
具体的报文构成见表1。
表1 无进路报文数据包构成进路报文即为有进路时,列控中心向LEU发送的报文,通常分为正线接车报文、侧线接车报文、正线跨线接车报文、发车报文、预告报文、允许通过报文和区间临时限速报文等。
进路报文的具体数据包构成见表2。
表2 进路报文数据包构成●必需的数据包○可选的数据包—空数据包核对主站报文时,需要的数据表有:车站列车进路信息表、应答器位置表、线路数据表、线路速度表(正反向)、过分相信息表、里程断链信息表、坐标系信息表等。
各数据表的内容如下:车站列车进路信息表:记录车站各条进路的应答器、轨道区段、速度、点灯等信息,是报文核对最重要的数据来源。
应答器位置表:记录全线所有应答器信息,通常用来核对应答器连接包。
线路数据表:记录全线所有轨道区段长度、信号点、载频等信息,通常用来核对轨道区段包。
线路速度表:分正向和反向两个文件,记录正线的速度信息,通常用来核对线路速度包。
过分相信息表:记录全线分相区信息,通常用来核对特殊区段包。
里程断链信息表:记录全线里程断链。
坐标系信息表:记录全线公里标的表示方法和换算标准,用来换算公里标。
除此之外,重要的数据文件还有C2配置文件。
该文件中记录了车站的管辖范围,用来核对临时限速包和测试临时限速。
1.停车报文组成:信息帧帧头、绝对停车包(CTCS-5)、调车危险包(ETCS-132)、人工驾驶模式包(ETCS-137)。
举例:京沪高铁枣庄西站BX停车报文(1)信息帧帧头2010-11-3 10:40:28 信息帧帧头信息项位数变量值内容说明其中,需要核对的部分用红色字体标注。
帧头需核对应答器编号信息。
应答器编号信息可在应答器位置表中查找:大区编号69分区编号3车站编号56应答器编号15,顺序对应着应答器表中069-3-56-015,特别地:本应答器在应答器组中的位置,特指该应答器组中,有源应答器所对应的编号。
应答器报文分析作业指导书
1.目的:掌握应答器报文内容,达到正确核对、分析报文数据的要求。
2.适用范围:电子设备车间通信检测工区信号工。
3.作业内容:
3.1列控报文分为报文数据和基础数据,报文的核对就是在基础数据的基础上核对报文数据的正确与否。
对报文数据核对不一致的立即汇报电子设备车间车间、信号科和电务处。
(其中不一致的分为:危险侧不一致和安全侧不一致)。
3.2区分报文分析的类别。
3.2.1填写需要分析的某站报文数据。
(报文有无源应答器报文、列控中心报文、车载报文、报文修改对比表(文件)几种来源方式。
列控报文来源不同可分析方法相同,要注意虽然报文的结构都相同,但是各种报文的显示方式不同,不要习惯性的填写报文。
)
3.2.2 填写相应的基础数据。
(基础数据就是实际线路的物理状态。
由电务处提供,可以直接由信号科或车间获取。
)
3.2.3 将报文数据和基础数据进行比对,标红。
3.3分析结果交车间。
4.作业材料、工具:
5、检修作业程序:
6.作业安全注意事项:
6.1计算不能主观臆断,严格按照公式执行各种计算。
6.2填写完整,格式统一。