建筑识图期中试卷
- 格式:doc
- 大小:123.50 KB
- 文档页数:3
建筑制图及识图测试题与参考答案一、单选题(共43题,每题1分,共43分)1.确定各基本形体大小的尺寸称为( )。
A、定位尺寸B、定形尺寸C、标志尺寸D、构造尺寸正确答案:B2.φL表示( )。
A、Ⅰ级螺纹钢筋B、冷拉Ⅰ级钢筋C、Ⅰ级锰硅人字纹钢筋D、Ⅰ级光圆钢筋正确答案:B3.比例指的是图形与实物要素( )尺寸之比。
A、重量B、体积C、线性D、面积正确答案:C4.图线中的粗线宽度为b,b又称基本线宽,则细线的宽度为( )b。
A、0.25B、0.5C、0.15D、0.75正确答案:A5.有一栋房屋在图上量得长度为50cm,用的是1:100比例,其实际长度是( ).A、50mB、500mC、5000mD、5m正确答案:A6.有一配件图其比例为1:2,从图上量得高度5mm,其实际高度是( ).A、1mmB、10mmC、50mmD、5mm正确答案:B7.下列建筑中不属于公共建筑的是()。
A、旅社B、学校C、宿舍D、医院正确答案:C8.建筑平面图是采用一假想的( )以上位置切开,将上部移去后所得的水平投影图。
A、水平剖切面沿楼地面B、水平剖切面沿窗台C、垂直剖切面沿高度D、水平剖切面沿基础顶面正确答案:B9.圆球在三个基本投影面上的投影结果为( )。
A、三个大小不相等的圆B、两个圆一个正方形C、三个大小相等的圆D、一个圆两个正方形正确答案:C10.平屋面或坡度不大于1/10的屋面,易受雷击的部位是( ).A、屋角、屋脊、檐角B、屋脊、屋角、女儿墙C、檐角、女儿墙、屋檐D、屋角、屋脊、檐角、屋檐正确答案:C11.“φ8@200”没能表达出这种钢筋的( )。
A、直径B、间距C、级别D、弯钩形状正确答案:D12.当平面垂直投影面时.在该投影面上的投影结果为( )A、反映实形B、一个点C、不确定D、一根线正确答案:D13.避雷装置的引下线采用扁钢制作时,扁钢截面不应小于( ) .A、40平方毫米B、56平方毫米C、64平方毫米D、48平方毫米正确答案:D14.三投影面体系中,H面、V面投影在X轴方向均反映形体的长度且互相对正,称之为( )。
建筑制图及识图试题含答案一、单选题(共43题,每题1分,共43分)1.比例宜注写在图名的()。
A、右侧B、中间C、左侧D、下方正确答案:A2.填充不得穿越尺寸数字,不可避免时。
应该是()A、图线断开B、二者重合C、省略标注D、前述均可正确答案:A3.平行于正投影坐标轴(X轴)的直线是()。
A、侧平线B、正垂线C、侧垂线D、水平线正确答案:C4.平行于正投影坐标轴(y轴)的直线是()。
A、水平线B、侧垂线C、正垂线D、侧平线正确答案:C5.坡度大于等于1/2的屋面,易受雷击的部位是()A、屋角、屋脊、檐角、屋檐B、檐角、女儿墙、屋檐C、屋脊、屋角、女儿墙D、屋角、屋脊、檐角正确答案:D6.在施工中,L代表().A、墙B、板C、柱D、梁正确答案:D7.墙体是房屋的一个重要组成部分,按墙的平面位置不同分为().A、承重墙与非承重墙B、纵墙与横墙C、外墙和内墙D、砖墙与钢筋混凝土墙正确答案:C8.房屋建筑的各种视图主要是采用()绘制的。
A、正投影法B、斜投影法C、平行投影法D、标高投影法正确答案:A9.建筑平面图、剖面图应以()A、轴测投影法B、直接标高投影法C、投影法D、直接正投影法正确答案:D10.一般情况下,建筑工程图纸中的图标栏设置在图框内的()。
A、右下角B、左上角C、右上角D、左下角正确答案:A11.平面与圆球相交,截交线的空间形状是()。
A、圆B、椭网C、直线D、双曲线正确答案:A12.有一配件图其比例为1:2,从图上量得高度5mm,其实际高度是().A、50mmB、1mmC、10mmD、5mm正确答案:C13.房屋结构中空心板的代号为。
()A、CBB、WBC、KBD、ZB正确答案:C14.立面图不能按()方式命名。
A、轴线B、朝向C、主出入口D、色彩正确答案:D15.正投影中,位于水平面上的直线可能是()。
A、水平线B、侧平线C、正平线D、一般位置直线正确答案:A16.用于确定组合体中各基本形体之间相互位置的尺寸称为()A、定位尺寸B、总尺寸C、定型尺寸D、细部尺寸正确答案:A17.同张图纸中,图线中的粗线宽度为b,则细线的宽度为()b。
建筑制图与识图一、基本知识(10分)1.试作出直径为40毫米的圆内接正五边形。
2.组合体视图的读图基本方法是什么?3.指北针的规定画法及用途?4.剖面图与断面图在标注上有何不同?举例说明。
二、(12分)根据轴测图,画出三画投影图。
三、(10分)根据主观视图和左视图,画出俯视图。
四、(18分)画出1—1、2—2剖面图。
五、(8分)下图为一螺钉联结二块板,没有画完,画法也有错误,将正确的画出。
六、(12分)在由砖砌筑的基础墙和毛坯砌筑的大放脚的基础详图中,完成:(1)(1)画出砖及毛石图例。
(2)(2)注出大放脚的高度。
(3)(3)注出基础底面的标高,注出室外地面标高-0.800米,室内地面标出±0.000米。
七、设有一单层房屋,已给出该房屋的平面图和南立面图以及门窗表。
要求完成:(1)补全平面图中的尺寸数字和轴线编号。
(2)补全南立面图中的标高数字。
(3)画出2—2剖面图(不注尺寸,各种图线要粗细分明,钢窗GC1的高度布置和窗扇分格型式要统一)。
(30分)建筑制图与识图试题答案及评分标准(供参考)一、基本知识(10分)1.2.形体分析法、线面分析法3.表示建筑朝向4.二、本题12分,一个视图4分。
三、本题10分。
四、本题18分。
1—1—1剖面图,10分;2—2剖面图8分。
五、本题8分。
六、本题12分。
其中:(1)6分;(2)3分;(3)3分。
七、本题30分。
如图所示,每处1分,共30分。
柯桥区职教中心2015学年第二学期期中教学质量检测卷科目:建筑识图实训适用班级:14建高考1、2 考试时间:90分钟 满分120分 命题: 审核:一、单项选择题(1.5x80=120分)1、屋顶的坡度形成有材料找坡和( )两种。
A 、建筑找坡B 、结构找坡C 、施工找坡D 、自然成坡 2、一般民用建筑中的生活、学习或工作用房、窗台的高度为( )。
A 、900mm B 、600mm C 、1500mm D 、1200mm3、公共建筑的楼梯梯段净宽按防火要求最小尺寸为( )mm 。
A 、1000 B 、1100 C 、1200 D 、15004、阳台栏杆的垂直杆件间净距不应大于( )mm 。
A. 110B. 120 C 、130 D 、1505、泛水系屋面防水层与垂直墙交接处的防水处理,其常见高度为( )mm 。
A 、120 B 、180 C 、200 D 、2506、厂房室内外地坪高差一般为( )mm 。
A 、150B 、300 C.450 D.6007、楼梯栏杆扶手的高度一般为900mm ,供儿童使用的楼梯应在不小于( )mm 高度增设扶手。
A 、400 B 、700 C 、400--500 D 、500--6008、当室内地面垫层为碎砖或炉渣材料时,其水平防潮层的位置应设在( )。
A 、垫层高度范围内 B 、室内地面以下-0.06m 处 C 、垫层标高以下 D 、平齐或高于室内地面面层 9、平屋顶的坡度一般为( )。
A 、<2%B 、2%--3%C 、>5%D 、<5%10、台阶与建筑出入口之间的平台一般不应( )且平台需做( )的排水坡度。
A 、小于800mm ,1% B 、小于1500mm ,2% C 、小于2500mm ,5% D 、小于1000mm ,3%11、混凝土刚性防水屋面的防水层应采用不低于( )级的细石混凝土整体现浇。
A 、C15 B 、C20 C 、C25 D 、C30 12、一般楼梯梯段部分的净高不小于( )mm 。
建筑识图题库(260题)《建筑识图》题库(一)一、单项选择题:(共100题,每题1分。
每题只有一个被选最符合题意,请将它选出并填入括号内)1.国标中规定施工图中水平方向定位轴线的编号应是()A大写拉丁字母B)英文字母C)阿拉伯字母D)罗马字母2附加定位轴线2/4是指()A、4号轴线之前附加的第二根定位轴线B)4轴线之后附加的第二根定位轴线C)2号轴线之后的第4根定位轴线D)2号轴线之前附加的第4根定位轴线3.索引符号图中的分子表示的是()A、详图所在图纸编号B)被索引的详图所在图纸编号C)详图编号D)详图在第几页上4.有一图纸量得某线段长度为5.34cm,当图纸比例为1:30时,该线段实际长度是()米。
A)160.2B)17.8C)1.062D)16.025.门窗图例中平面图上和剖面图上的开启方向是指()A朝下,朝左为外开B)朝上,朝右为外开C)朝下,朝右为外开D)朝上,朝左为外开6.房屋施工图中所注的尺寸单位都是以()为单位。
A)以米为单位B)以毫米为单位C)除标高及总平面图上以米为单位外,其余一律以毫米为单位D)除标高以米为单位外,其余一律以毫米为单位7.图标中规定定位轴线的编号圆圈一般用()A)8mm B)10mm C)6mm D)14mm8.总平面图中用的风玫瑰图中所画的实线表示()A)常年所剖主导风风向B)夏季所剖主导风风向C)一年所剖主导风风向D)春季所剖主导风风向9.建施中剖面图的剖切符号应标注在()A)底层平面图中B)二层平面图中C)顶层平面图中D)中间层平面图中10.楼梯平面图中标明的“上”或“下”的长箭头是以哪为起点()A)都以室内首层地坪为起点B)都以室外地坪为起点C)都以该层楼地面为起点D)都以该层休息平台为起点11.楼梯平面图中上下楼的长箭头端部标注的数字是指()A)一个梯段的步级数B)该层至上一层共有的步级数C)该层至顶层的步级数D)该层至休息平台的步级数12.与建筑物长度方向一致的墙,叫()A)纵墙B)横墙C)山墙D)内墙13.施工图中标注的相对标高零点±0.000是指()A)青岛附近黄海平均海平面B)建筑物室外地坪C)该建筑物室内首层地面D)建筑物室外平台14.计算室内使用面积的依据是()A)轴线到轴线间尺寸B)墙外皮到墙外皮C)墙内皮到墙内皮D)开间乘以进深15.建筑物的层高是指()A)相邻上下两层楼面间高差B)相邻两层楼面高差减去楼板厚C)室内地坪减去室外地坪高差D)室外地坪到屋顶的高度16.定位轴线的位置是指()A)墙的中心线B)墙的对称中心线C)不一定在墙的中心线上D)墙的偏心线17.有一窗洞口,洞口的下标高为-0.800,上标高为2.700,则洞口高为()A)2.700B) 1.900C) 3.500D)0.80018.结施中常用的构件代号DL是表示()A)地梁B)吊车梁C)大梁D)吊梁19.楼梯的踏步数与踏面数的关系是()A)踏步数=踏面数B)踏步数-1=踏面数C)踏步数+1=踏面数D)踏步数+2=踏面数20.房间的开间方向的尺寸是指()A)竖直方向定位轴线间尺寸B)纵向定位轴线间尺寸C)水平方向定位轴线间尺寸D)房间宽度方向间尺寸21.墙上有一预留槽,标注的尺寸是300×400×120底距地面1.5m,该槽宽度为()A)300B)400C)120D)1.5m22.楼梯梯段的水平投影长度是以11×250=2750形式表示的,其中11表示的是()A)踏步数B)步级数C)踏面数D)踏面宽23.建筑平面图的形成是()A)水平剖面图B)水平正投影图C)垂直剖面图D)纵向剖面图24.建筑总平面图中新建房屋的定位依据中用坐标网格定位所表示的X,Y是指()A)施工坐标B)建筑坐标C)测量坐标D)投影坐标25.建筑平面图图示特点规定如在中间各层构造尺寸相同的情况下平面图可以省略只画()层A)一层B)二层C)三层D)四层26.施工图中总平面图常用的比例为()A)1:100B)1:200C)1:500D)1:5027.若一栋建筑物水平方向定位轴线为①-⑾,竖直方向定位轴线为A-E,朝向是座北朝南,则立面图E-A轴应为()A)西立面图B)东立面图C)南立面图D)北立面图28.施工图中的比例表示是指()A)图线:线型B)实物:图形C)图形:D)图形:线型29.楼梯详图的图纸包括()A)平、剖面图、详图B)平、剖面图C)平、立面图、详图D)详图30.钢筋混凝土构件中的钢筋的保护层是指()A)钢筋的内皮至构件表面B)钢筋的中心至构件表面C)钢筋的外皮至构件表面D)钢筋的内皮至构件内皮31.基础埋置深度是指()的垂直距离A)室内地坪到基础底部B)室外地坪到基础底部C)室外地坪到垫层底面D)±0.000到垫层表面32.结施中@是钢筋的间距代号,其含义是()A)钢筋相等中心距离B)钢筋的外皮至外皮C)钢筋的内皮至内皮D)钢筋的外皮至内皮33.在结构平面图中板配置双层钢筋时,底层钢筋弯钩应是()A)向下或向右B)向下或向右C)向上或向左D)向上或向右34.在钢筋详图中,计算钢筋的设计长度是指()A)内皮尺寸B)中-中C)外皮尺寸D)构件尺寸35.有一梁长为3840mm,保护层25mm,它的箍筋用Φ6@200表示,该梁的箍筋根数为()A)18B)19C)20D)2136.有一预应力钢筋混凝土空心板构件详图中,配筋有“12Φb4”,其中的“b”表示()A)板的代号B)钢筋级别代号C)冷拔低碳钢丝D)冷拉低碳钢丝37.有一梁长3840mm,保护层为25mm,梁内受力筋为2Φ14的直筋,每根受力筋的下料长度应为()A)3790mm B)3923mm C)3965mm D)3840mm38.钢筋混凝土构件中钢筋的保护层厚度在正常环境下梁和拄应为()A)15B)20C)25D)1039.在结构平面图中6YKB336—2中“33”表示的是()A)板宽B)板高C)板跨D)荷载等级40.局部剖切索引符号所表示的剖视方向为()A)剖切位置线一侧B)引出线一C)两侧都可以D)粗短线一侧41.墙上有一预留槽,标注的尺寸500×600×150底距地面1.5m,该槽高度为()A)500B)600C)150D)1.5m42.若某建筑物房间与卫生间的地面高差为0.020,标准层高为3.600,则该楼三层卫生间地面标高度应为()A)-0.020B)7.180C) 3.580D)3.60043.图中符号“-4×40”中的“-”是指()A)负号B)扁钢、钢板代号C)减号D)数量44.钢筋在构件中按其作用不同可分为()种类A)4种B)5种C)6种D)3种45.在结构平面布置图中KB30—092表示板宽为()A)90mm B)900mm C)9m D)900cm46.在建筑立面图中,应用的线型宽度共有()种A)二种B)三种C)四种D)五种47.预应力钢筋混凝土是指()A)对钢筋预加压力B)对混凝土预加压力C)对混凝土预加拉力D)对构件预加拉力48.建筑平面图的常用比例为()A)1:500B)1:20C)1:1000D)1:10049.在建筑识图中一般应遵守的识图原则是()A)由总体到局部B)由局部到总体C)由详图到总图D)有设备到建筑50.图纸上尺寸线应采用()A)粗实线B)细实线C)点划线D)波浪线51.根据《房屋建筑制图统一标准》的规定,工程图纸可优先选用的幅面规格有()种。
建筑制图及识图试题与参考答案一、单选题(共43题,每题1分,共43分)1.墙体是房屋的一个重要组成部分,按墙的平面位置不同分为( ).A、砖墙与钢筋混凝土墙B、外墙和内墙C、纵墙与横墙D、承重墙与非承重墙正确答案:B2.φL表示( )。
A、冷拉Ⅰ级钢筋B、Ⅰ级锰硅人字纹钢筋C、Ⅰ级光圆钢筋D、Ⅰ级螺纹钢筋正确答案:A3.图纸上标注的比例是1:1000,则图纸上的10mm表示实际的( )。
A、100mmB、10mC、10kmD、10mm正确答案:B4.避雷针宜采用镀锌圆钢制作,针长1m-2m以时,直径不大于( )。
A、10mmB、14mmC、16mmD、12mm正确答案:D5.建筑施工图上一般注明的标高是( )。
A、要看图纸上的说明B、相对标高C、绝对标高D、绝对标高和相对标高正确答案:B6.在钢筋混凝土构件代号中, “ JL”是表示( ).A、基础梁B、连系梁C、圈梁D、过梁正确答案:A7.点在直线上,点的投影仍在直线的投影上,这是正投影的( )。
A、同素性B、从属性C、定比性D、积聚性正确答案:B8.给水排水工程图“——W——”表示( ).A、生活水管B、污水管C、废水管D、热水给水管正确答案:B9.水煤气输送钢管、铸铁管等管材,管径宜以( )表示.A、外径DX壁厚B、内径dC、公称直径DND、以上都是正确答案:C10.避雷装置的引下线采用扁钢制作时,扁钢截面不应小于( ) .A、64平方毫米B、56平方毫米C、40平方毫米D、48平方毫米正确答案:D11.施工总平面图( )。
A、总体布局规划、形状和位置、地形和地貌、朝向和风速、其他B、总体布局规划、形状和位置、地形和地貌C、总体布局规划、形状和位置D、形状和位置、地形和地貌、朝向和风速正确答案:A12.对称符号应以细实线绘制,平行线长度( )mm,平行线间距2-3mm。
A、3-5B、6-10C、20-30D、11-15正确答案:B13.尺寸标注时图样轮廓线可用作( )。
2018—2019学年第一学期《建筑识图与构造》期中考试试卷(A )班级: 姓名: 得分:一、 填空(本大题共2小题,每空1分,共7分)1、构成投影的三要素是: 、 和 。
2、尺寸标注的四要素: 、 、 、 。
二、 根据两视图,参照轴测图补画第三视图 (本大题共2小题,每小题8分,共16分)(1)(2)三、 选择题(本大题共7小题,每小题3分,共21分)1、下列( )是A4图幅尺寸。
A.841Х1189mmB. 594Х841mmC. 420Х594mmD. 297Х420mmE. 210Х297mm 2、正面投影与侧面投影应保持( )关系。
A.长度相等且对正 B.宽度相等 C.高度相等且平齐 D.长、宽、高都相等3、我国建筑制图汉字字体是: ( ) A 、 楷体 B 、 黑体 C 、 宋体 D 、 长仿宋体4、建筑工程制图时,绘制尺寸起止符号采用: ( ) A 、 粗斜短线 B 、中粗斜短线 C 、细斜短线 D 、没有规定5、形体的图样是用各种不同规格的图线画成的,其中虚线表示( ) A.定位轴线 B.剖面线 C.可见轮廓线 D.不可见轮廓线6、已知点C 坐标为C (10,5,25),则点C 到H面的距离为( ) A.10mm B.15mm C.25mm D.5mm 7、根据立体的V 、H 面投影,选择正确的W 面投影( )。
四、 画图题(本大题共2小题,共18分)(1) 二等分线段(2)五等分线段五、 画图题(本大题共4小题,共38分)1、 已知点B 在点A 的正左方15;点C 与点A 是对V 面的重影点,点D 在点A 的正下方20,,补全各点的三面投影,并表明可见性。
(9分)2、 己知直线的两面投影,求作其第三面投影,并说明直线的空间位置及反映实长的投影,同时求出直线上点的投影。
(9分)AB 是 线,反映实长的投影是3、根据轴测图所注尺寸,按1:1比例画立体三面投影图。
(9分)4、分析形体标注尺寸(尺寸从图中1:1量取,并取整数)。
11建筑建筑制图与识图期中考试姓名 ___________ 分数一、判断题(每题1分,共5分)1、 垂直于V 面的平面在V 面丄的投影为一反映实形的线框 ()2、 一五边形平面平行于W 面,则五边形平面内一点在V 面投影不在V 面的投 影内()两点位于某一投影面的同一垂直投射线丄,则两点一定为重影点 ) 一般位置直线不可能有三个投影面上投影长度相等的情况出现 ) 平行于投影面的直线,)选择题(每题2分,共10分)6、 长方体丄 ()A.相互垂直 不平行也不垂直 三面正投影图屮, ()A.上下、左右、 下列 ) A.正方体锥台3、 (4、 ( 5 、 7、的所有棱线B.相互平行在该投影面丄有积聚性C. 相互垂直或平行D.既每个投影图各反映其屮的四个方向的情况,则H 面是 B.上下、前后 形体C.左右、前后 不属于平面D.不确定 体的是B.长方体C.三棱锥D.圆9、长方体的每一个棱角均可以看作一点,则其屮一点B 的V 、W 投影共同反映 了B 点()A. 在形体上的左右位置以及B 点到W 面的距离B. 在形体上的前后位置以及B 点到W 面的距离C. 在形体丄的前后位置以及B 点到V 面的距离D. 在形体上的上下位置以及B 点到H 面的距离三、作图题11、作出下血平面的第三面正投影图,并注明是何种位置真线。
(10分)12、已知三角型ABC及其上一点K的V面投影,求点K的其余投影。
(1()分)10(下列空间直线的)投影屮为正平线的是13、作出下列形体的三面正投影。
(10分)14、作出下列形体的三面正投影。
(10分)11 建筑期中考试测量试卷一、填空1、经纬仪的使用包括___________ 、_________ 、_________ 、 ________ O2、竖直角的范围是________________ o3、望远镜位于盘左位置,将望远镜视线抬高,使视线处于明显的仰角位置,如果此时竖盘读数小于90。
建筑识图试题一、选择题、在建筑平面图中,位于和轴线之间的第一根分轴线的正确表达为()。
.建筑的耐火等级可分为( )级。
、、、、、填充不得穿越尺寸数字,不可避免时。
应该是()、图线断开、二者重合、省略标注、前述均可、层的住宅属于()、低层、多层、中高层、高层、建筑平面图中的中心线、对称一般应用。
()、细实线、细虚线、细单点长画线、吸双点画线、建筑施工图中定位轴线端部的圆用细实线绘制,直径为()。
、、、、建筑施工图中索引符号的圆的直径为()。
、、、、、建筑施工图上一般注明的标高是( )。
、绝对标高、相对标高、绝对标高和相对标高、要看图纸上的说明、建筑物结构承重可分为( )。
、墙承重式、框架结构、墙承重式、半框架结构,框架结构、墙承重式、框架结构、空间结构、半框架结构、有一栋房屋在图上量得长度为,用的是比例,其实际长度是( ).、、、、、建筑工程图中尺寸单位,总平面图和标高单位用( )为单位。
、、、、、施工平面图中标注的尺寸只有数量没有单位,按国家标准要求单位应该是( )。
、、、. 下列投影图中正确的剖面图是( )。
、下列立面图的图名中错误的是()、房屋立面图、东立面图、⑦①立面图、西立面图. 关于标高,下列()的说法是错误的。
. 负标高应注“-”. 正标高应注“+”. 正标高不注“+”. 零标高应注“±”. 立面图不能按()方式命名。
.朝向.轴线.色彩.主出入口. “φ”没能表达出这种钢筋的()。
. 弯钩形状. 级别. 直径. 间距. 详图索引符号为圆圈内的表示( )。
.详图所在的定位轴线编号.详图的编号.详图所在的图纸编号.被索引的图纸的编号、主要用来确定新建房屋的位置、朝向以及周边环境关系的是()。
建筑平面图建筑立面图总平面图功能分区图、墙体是房屋的一个重要组成部分,按墙的平面位置不同分为( ).、纵墙与横墙、外墙和内墙、承重墙与非承重墙、砖墙与钢筋混凝土墙、下列叙述中不正确的是()、表示长度为,高度为的坡度倾斜度、指北针一般画在总平面图和底层平面图上、总平面图中的尺寸单位为毫米,标高尺寸单位为米、总平面图的所有尺寸单位均为米,标注至小数点后二位、钢筋工程施工中要看懂( )。
《建筑识图与构造》期中考试复习题专业:班级:姓名:一、填空题。
1、建造一幢房屋,是一个复杂的工程,需要经过和两个阶段。
2、通常建筑设计分为和两个阶段,对于大型的、比较复杂的工程,还需增加一个。
3、施工图设计是建筑设计的最后阶段,它的主要任务是。
4、一套完整的建筑工程图除了图纸目录、设计总说明等外,还应包括、和。
5、一套完整的建筑工程图按图纸目录、、建施图、、设施图的顺序编排。
6、建筑物各部分的高度主要是用来表示。
7、定位轴线横向编号用编写,竖向编号用大写拉丁字母编写。
8、标高有和两种。
9、指北针圆的直径宜为mm,用细实线绘制,指北针尾部的宽度宜为mm,指针头部应注“北”或“N”字。
10、在总平面图上注写层数可用、表示。
11、在总平面图上,测量坐标代号宜用表示,建筑坐标代号宜用表示。
12、总平面图坐标网常用有两种形式,一种是,另一种是。
13、建筑总平面图中一般均画出指北针或带有指北方向的,表示建筑物的朝向及当地的风向频率。
14、建筑平面图是假想用水平的剖切平面沿位置将房屋剖开。
15、建筑平面图常用的比例一般为或。
16、建筑平面图的图名,一般是按所表明的来称呼,如底层平面图、二层平面图、顶层平面图等。
17、在建筑平面图中的尺寸标注有和两种。
外部尺寸一般均标注三道,靠墙第一道尺寸是,即建筑物构配件的详细尺寸;中间一道是,即轴线尺寸,也是房屋的开间或进深尺寸;最外一道是外包总尺寸,即建筑物的和尺寸。
18、国家标准规定门的名称代号用表示,窗的名称代号用表示,并要加以编号。
19、在平面图上标注有剖切符号,它表示了建筑剖面图的剖切位置、投射方向和编号。
20、建筑立面图的图名称呼一般有三种情况:一是按立面图所表明的称呼,如南立面图、东立面图等;二是按立面图中建筑两端的编号称呼,如①~⑧立面图,○A~○E立面图等;三是通常把反映建筑物主要入口或反映建筑物主要外貌特征的立面图称为,其余的立面图相应称为背立面图和侧立面图等。
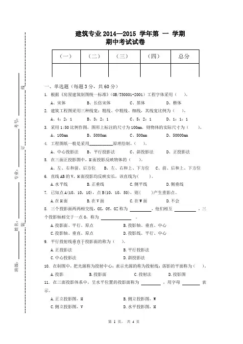
建筑专业2014—2015 学年第 一 学期 期中考试试卷 一、单选题(每题3分,共60分) 1. 根据《房屋建筑制图统一标准》(GB/T50001-2001)工程字体采用( )。
A 、宋体 B 、长仿宋体 C 、黑体 D 、楷体 2. 建筑工程图采用三种线宽:粗线、中粗线、细线,其线宽比例为( )。
A 、4:2:1 B 、3:2:1 C 、5:2:1 D 、1:1:1 3. 采用1:50比例作图,图形上标注的尺寸为100mm ,则物体的实际尺寸为( )。
A 、100mm B 、5000mm C 、500mm D 、50000mm 4. 工程图纸一般是采用___________原理绘制。
( )。
A 、中心投影法 B 、平行投影法 C 、斜投影法 D 、正投影法 5. 在三面正投影图中,H 面投影反映物体的( )。
A 、左、右和前、后方位 B 、左、右和上、下方位 C 、前、后和上、下方位 6. 直线AB 的V 、H 面投影均反映实长,该直线为( )。
A.水平线 B.正垂线 C.侧平线 D.侧垂线 7. 已知点A(10,10,10),点B(10,10,50),则( )产生重影点。
A.在H 面 B.在V 面 C.在W 面 D.不会 8. 三个投影面两两相交线,OX ,OY ,OZ 称为 ,他们相互 ,三个投影轴相交于一点O ,称为 。
A.投影面、平行、原点 B.投影轴、垂直、中心 C.投影轴、垂直、原点 D.投影线、平行、中心 9. 平行投射线垂直于...投影面的称为( )。
A.正投影法 B.平行投影法 C.中心投影法 D.斜投影法 10. 在制图中,把光源称为投射中心;表示光源的称为投射线;落影的平面称为( )。
A.投影 B.投影面 C.投射法 D.投影图 11. 在三面投影体系中,呈水平位置的投影面称为 ,用字母 表示。
A.正立投影图,H B.侧立投影图,W C.侧立投影图,V D.水平投影图,H12. 已知点B坐标为(3,5,7),其中“3”表示B点到( )的距离。
2018—2019年《建筑识图》期中试卷班级学号姓名一、填空题常用的手工绘图工具、仪器、和用品主要有、、、、、、、、等。
2、详图编号为2,详图引用标准图册,所引用的标准图册编号为J103,所在图纸编号为3,则索引符号表示为。
3、剖切位置符号长度为mm,剖切投射方向符号长度为 mm。
4、房屋施工图由于专业分工的不同,分为、、。
5、在建筑施工平面图中,横向定位轴线应用于建筑物,轴线编号用从左到右依次编写;纵向定位轴线应用于建筑物,轴线编号用从下至上顺序编写。
6、国标规定建筑平面图中剖到的墙柱断面轮廓用;看到的构配件用;被挡住的构配件轮廓用。
7、E号轴线之后附加的第2根轴线如何表示。
8、在物体三个投影图之间存在的关系:、、。
9、建筑平面图中外部的三道尺寸,由外向内依次是、、。
10、指北针所绘圆的直径为 mm,指北针尾部宽度为 mm。
二、判断题正确的画“∨”错误的画“×”。
1无论采用何种比例作图,图形上标注的尺寸必须是物体的实际尺寸。
()2图样尺寸标注中的尺寸数字是表示所标注物体的实际大小,与绘制比例大小无关()3尺寸界线用来限定所标注尺寸的范围,应用细实线绘制,一般应与被注长度垂直。
()4在同一张图纸内,相同比例的各图样,应选用相同的线宽组。
()5图纸上除标高和总平面图以m为单位外,其余均必须以cm为单位。
()6图线不得与文字、数字、或符号重叠混淆,不可避免时应首先保证文字清晰。
()7图样中的汉字数字和字母应写成长仿宋字体。
()8工程图纸一般是采用斜投影原理绘制()9被剖到的墙体要画成粗实线。
()10坡度的符号的箭头一般应指向上坡方向。
()三、选择题1、A2幅面图纸尺寸b×l(单位:毫米)正确的是。
A、594×841B、841×420C、420×594D、420×2972、平、立剖面图常用的比例为() A、1:1000 B、1:500 C、1:100 D、1:203、俯视图和正视图应满足()的投影规律。
2017级2017-2018学年第二学期期中考试建筑识图与构造 试题第一卷一,选择题(40题,每题2分,共80分) 请将答案写在答题栏中,否则成绩无效 1,以下是绘图仪器的是( ) A,绘图铅笔 B.比例尺 C. 绘图笔 D.曲线板2,A3纸的图纸尺寸是 ( )A.210*297B.297*420C.297*594D.297*180 3,不可见轮廓线应使用何种线型( )A. 细实线B.双点长划线C.虚线D.单点长划线 4,下列字高与字宽组正确的是( )A.14,8B.7,8C.20,14D.5,45,工程图样采取不同比例绘制时,下面哪像内容保持不变( ) A.线宽 B.图样大小 C.尺寸数字字高 D.材料图例 6,图样上所标注的尺寸的数值大小与物体的实际大小的关系是( ) A.视实际情况而定B.按图名处标注的比例缩小C.按图名处标注的比例扩大D.一致7,在三视图中,主视图反映物体方位的是( )A.前后左右B.上下前后C.上下左右D.前左后上 8,点A (15,5,5)与点B (5,5,5)产生重影的投影面为( ) A. H 面 B.V 面 C. W 面 D.不存在 9,下列说法错误的是( )A. 正垂线与水平面平行B.正垂线与侧平面平行C. 侧平线与正平面平行D.铅垂线与正平面平行 10,点A (15,20,25),B 点在A 点下方5,左方10,前方15;则B 点距H,V,W 面三面的投影距离是()A.20,25,30B.25,35,20C.20,35,25D.10,30,40 11,关于施工平面图图纸上标注的正负零标高指的是()A.室外标高B.室内标高C.室内外均可D.张老师真丑 12,某住宅工程室内外高差为0.3m,条形基础基础底标高为-1.8m,则该基础的实际埋置深度为( )A.0.3 mB.1.2mC. 1.5 mD.2.1m 13,如何才能学好学精建筑识图与构造( ) A. 死记硬背,记住天下,背出风采 B. 多多整理,修整思绪,理出脉络 C. 庄生晓梦迷蝴蝶 D. 自在无为,随遇而安14,基础的埋置深度和以下哪些因素无关( ) A.临近建筑物的基础 B.地下水位高低 C.地上结构的类型 D.地下冰冻线深度15,关于坡度的相关内容,下列说法正确的是( ) A.采光井底面坡度为1%-5% B.平屋顶的坡度为0C.散水的坡度为3%-5%D.外窗台的坡度不应大于5%16,关于砖过梁,说法错误的是( ) A.不宜用于地震区 B.宜用于上部集中荷载C.不宜用于地基承载力不均匀的建筑D.施工困难17,变形缝不包括( )A.施工缝B.防震缝C.伸缩缝D.温度缝 18,水平防潮层的说法正确的是( ) A.防止墙外水分进入室内 B.防止地下水位沿墙体上升 C.防止地下水沿地面上升 D.自室外地平以下60mm 设置19,适合室内空间较大,划分灵活,空间刚度大的墙体承重方案是( )A.横墙承重方案B.纵横墙承重方案C.纵墙承重方案D.半框架承重方案 20,附加圈梁的搭接长度不小于错开高度的2倍,且不小于( )班级:__________ 姓名:___________________ 学号:_______________________ 密 封 线A.800mmB.500mmC.1000mmD.1200mm21,关于现浇钢筋混凝土楼板的说法错误的是()A.一般用C15或是C20混凝土B.整体性好,防水性差C.耗用模板多,施工周期长D.湿作业多22,下列楼板中无主次梁之分的是()A.梁板式楼板B.板式楼板C.无梁楼板D.井式楼板23,关于混凝土标号的说法中,正确的是()A.预制楼板的板缝应用C10混凝土灌实B.混凝土砌块墙墙眼应用C20混凝土灌实C.屋顶防水层现浇混凝土不得低于C20D.构造柱施工采用不低于C15混凝土施工24,尺寸界线应用()绘制A.细实线 B中粗斜短线 C粗单点画线 D虚线25,敞开式阳台和封闭式阳台是按照()划分的A. 施工方法B.立面形式C. 与外墙的位置关系D.用途26,当物体具有对称性时,最适宜画的剖面图是()A 全剖面图B 半剖面图C 局部剖面图 D阶梯剖面图27,阳台栏杆的高度不宜小于()mm高层建筑不宜小于()mmA.1000,1000B.1100,1050C.1050,1050D.1050,110028,砌筑地下部分的墙体和基础,一般采用()A 混合砂浆B 水泥砂浆C 石灰砂浆 D灰土砂浆29,已知空间点A(20,10,15)点B(15,15,20),A、B两点相对位置判断正确的是()A在B的右面 B.A在B的上面 C.A在B的后面 D.A和B重合30,关于轴测投影,下列说法错误的是()A 轴测投影属于平行投影B空间互相平行的直线其轴测投影仍然平行C直线的轴测投影仍然为直线D倾斜于投影图的直线,其投影长度可按轴线变形系数p q r 直接量取31,楼梯踏步尺寸设计的经验公式为()A. H+2b=600-630 B.b+h=600-630C. b+2h=600-630D.2h+2b=60032,下列说法正确的是()A.踏步的宽度不小于280mmB.休息平台的净空高度不小于2mC.单跑楼梯的踏面宽度应与踢面高度一致D.楼梯段的净空高度不小于2m33地下室防水卷材施工时卷材应高于最高水位()A -300B 250C 300 D15034,下列关于楼梯、坡道说法错误的是()A. 楼梯坡度为20°-45°B.爬梯坡度为45°-90°C. 坡道坡度为0°-20 °D.无障碍坡道的坡度为1/1035,下面哪种不是现浇钢筋混凝土楼梯的结构形式()A. 无梁楼梯B.梁板式楼梯C. 板式楼梯D.斜梁式楼梯36,下面不是围护构件的是()A.外墙B.栏杆C.内墙D.扶屋顶37,临时厂房的防水等级应该是()A. ⅠB.ⅣC. ⅡD.Ⅵ38,下列不是平屋顶刚性防水构造的是()A. 结合层B.防水层C. 找平层D.结构层39,关于屋面的有关内容下列说法正确的是()A.可以通过外保温找坡B.不宜通过结构找坡排水C.为保证水流尽快流出,应只做一个排水口D.平屋顶的排水坡应为1%-3%40,关于屋面防排水,下列说法错误的是()A.内排水为有组织排水B.自由落水为无组织排水C.即可使用内排水,也可使用雨水管的,内排水优先使用D.柔性防水屋面适用所有防水等级的建筑班级:考号:姓名:答案卷(本页上交)一.选择题答题栏二、作图题,请通过形体的直观图画出其三面投影图,注意作图要素(共1题,每题9分,共9分)三,简答题(共一题,每题11分)现浇钢筋混凝土楼梯是现代建筑中应用最广泛的垂直交通运输设施,请根据其不同的结构形式,回答荷载的传递顺序。
2021-2022学年第二学期期中考试试卷参考班级建筑151 参考科目建筑制图与识图班级姓名学号得分一、选择题1.根据专业制图需要,同一图样可以选用()比例。
A、一种B、两种C、三种D、四种2. 投射线为相互平行的投影方法称为()。
A、平行投影法B、垂直投影法C、中心投影法D、斜投影法3. 房屋建筑按照用途不同可分为民用建筑、()和农业建筑。
A、工业建筑B、居住建筑C、公共建筑D、临时建筑4. 表达建筑物的承载构件的布置、形状、数量、类型、材料做法及相关关系的图样是建筑()。
A、立面图B、截面图C、断面图D、结构施工图5. 在识读整套图纸时,应按照“总体了解、()”的读图方法。
A、顺序识图B、前后对照C、重点细读D、都是6. 标高用来表示建筑物各部位的高度,标高有绝对标高和()。
A、标注B、相对标高C、高度D、都不是7. 当比例为1:50时,图上量得长度为30mm,实际长度为()m。
A.1.5B.15C.0.15D.308. 土建工程图采用三种线宽:粗线、中粗线、细线,其线宽比例为()。
A、4:2:1B、3:2:1C、5:2:1D、1:1:19. 作为施工时放灰线、开挖基坑、砌筑基础依据的施工图是()。
A.总平面图B.建筑平面图C.基础结构施工图D.钢筋混凝土构件详图10. 建筑平面图的外部尺寸一般标注三道,中间一道尺寸是指()。
A.总尺寸,即建筑物的总长度和总宽度B.定位尺寸,即轴线间的尺寸,也就是房屋的开间或进深尺寸C.细部尺寸,即建筑物构配件的详细尺寸,如门窗洞口及中间墙的尺寸二、填空题1. 按照“国标”规定,建筑平面图中定位轴线用________线表示,轴线编号圆圈用_______绘制,________直径一般为,轴线编号在水平方向用_________,垂直方向用大写英文字母。
2.标高符号的“小三角形”的高约为_________mm,标高的单位是________。
3. 在建筑立面图中,建筑物的外轮廓线用________线表示,室外地坪线用________线表示。
建筑制图期中考试试题姓名一、填空题(每个空格9分,共计18分)1、工程建设制图中的主要可见轮廓线应选用线。
2、标高有标高和标高。
3、在建筑平面图中,横行定位轴线应用从至依次编写;竖向定位轴线应用从至顺序编写。
二、单选题(每题2分,共计20分)1、在建筑平面图中,位于2和3轴线之间的第一根分轴线的正确表达为()。
(A) (B) (C) (D)2、建筑施工图上一般注明的标高是( )。
A、绝对标高B、相对标高C、绝对标高和相对标高D、要看图纸上的说明3、建筑工程图中尺寸单位,总平面图和标高单位用( )为单位。
A、mmB、cmC、mD、km4、施工平面图中标注的尺寸只有数量没有单位,按国家标准规定单位应该是( )。
A、mmB、cmC、mD、km5、下列立面图的图名中错误的是()A、房屋立面图B、东立面图C、⑦-----①立面图D、○A-----○F立面图6、在施工图中,M代表( ).A、窗B、墙C、梁D、门7、假想用一水平面剖切平面,沿着房屋各层门、窗洞口处将房屋切开,移去剖切平面以上部分向下所作的水平面剖视图叫做()A、建筑平面图B、建筑立面图C、建筑剖面图D、建筑详图8、房屋工程图中相对标高的零点±0.000是指()的标高。
A.室外设计地面B. 室内底层地面C.入口台阶顶面D. 屋顶面9、下图中正确的W面投影是()A B C D10、关于标高,下列()的说法是错误的。
A. 负标高应注“-”B. 正标高应注“+”C. 正标高不注“+”D. 零标高应注“±”二、补全三视图。
8分三、根据两视图,参照轴测图补画第三视图(每题10分,共20分)(1)看下图回答问题首层平面图1:1001、建筑物外墙厚_____________mm。
2、列举该层窗的编号及其宽度:列举该层门的编号及其宽度:3、剖切符号可知,剖切平面1-1通过______________________,投射方向是向___________。
《建筑识图与构造》期中考试复习题专业:班级:姓名:一、填空题。
1、建造一幢房屋,是一个复杂的工程,需要经过和两个阶段。
2、通常建筑设计分为和两个阶段,对于大型的、比较复杂的工程,还需增加一个。
3、施工图设计是建筑设计的最后阶段,它的主要任务是。
4、一套完整的建筑工程图除了图纸目录、设计总说明等外,还应包括、和。
5、一套完整的建筑工程图按图纸目录、、建施图、、设施图的顺序编排。
6、建筑物各部分的高度主要是用来表示。
7、定位轴线横向编号用编写,竖向编号用大写拉丁字母编写。
8、标高有和两种。
9、指北针圆的直径宜为mm,用细实线绘制,指北针尾部的宽度宜为mm,指针头部应注“北”或“N”字。
10、在总平面图上注写层数可用、表示。
11、在总平面图上,测量坐标代号宜用表示,建筑坐标代号宜用表示。
12、总平面图坐标网常用有两种形式,一种是,另一种是。
13、建筑总平面图中一般均画出指北针或带有指北方向的,表示建筑物的朝向及当地的风向频率。
14、建筑平面图是假想用水平的剖切平面沿位置将房屋剖开。
15、建筑平面图常用的比例一般为或。
16、建筑平面图的图名,一般是按所表明的来称呼,如底层平面图、二层平面图、顶层平面图等。
17、在建筑平面图中的尺寸标注有和两种。
外部尺寸一般均标注三道,靠墙第一道尺寸是,即建筑物构配件的详细尺寸;中间一道是,即轴线尺寸,也是房屋的开间或进深尺寸;最外一道是外包总尺寸,即建筑物的和尺寸。
18、国家标准规定门的名称代号用表示,窗的名称代号用表示,并要加以编号。
19、在平面图上标注有剖切符号,它表示了建筑剖面图的剖切位置、投射方向和编号。
20、建筑立面图的图名称呼一般有三种情况:一是按立面图所表明的称呼,如南立面图、东立面图等;二是按立面图中建筑两端的编号称呼,如①~⑧立面图,○A~○E立面图等;三是通常把反映建筑物主要入口或反映建筑物主要外貌特征的立面图称为,其余的立面图相应称为背立面图和侧立面图等。
建筑识图考试卷专业姓名得分一、选择题(每小题1分,共25题)1.投影方向垂直于投影面时,所作出形体的平行投影称为( )A斜投影B中心投影C正投影D平行投影2.用两个或两个以上相交的剖切面剖切形体,所得到的剖面图为( )A阶梯剖面图B展开剖面图C分层剖面图D局部剖面图3.在组合形体尺寸标注上表示各基本形体之间相对位置的尺寸,称( )A定位尺寸B定形尺寸C总体尺寸D外形尺寸4.建筑详图所画的节点部位,应在有关的建筑平、立、剖面图中绘出( )A索引符号B详图符号C详图名称D详图编号5.φ8@200中的200表示( )A相等中心距符号B相等钢筋中心距C钢筋长度D钢筋数量6.索引符号中的5是表示( )A标准详图编号B图纸编号C详图的编号D标准图册编号7.某研究所办公楼底层平面图中,~轴线尺寸是( )A 2400B 2100C 2300D 12008.某研究所办公楼底层平面图中,大门入口处面向( )A北B西C东D南9.某研究所办公楼底层平面图中,外墙的厚度为( )A 620B 370C 490D 24010.某研究所办公楼背立面图中表示淡黄色涂料线叫( )A指引线B对称线C引出线D索引线l1.某研究所办公楼左立面图中花池标高为( )0.300 0.150 -0.600 0.450A B C D12.某研究所办公楼楼梯剖面图中办公室门洞高为( )A 3000B 2500C 2700D 280013.构件代号XSB-I中XSB表示( )A现浇钢筋混凝土板B空心板C槽形板D屋面板14.光圆钢筋的符号用( )表示A B C D15.GLA9·3-5中GL表示( )A圈梁B过梁C预制梁D横梁116.在现浇板的配筋图上②φ8@280中的②表示( )A轴线编号B钢筋编号C钢筋数量D现浇板代号17.YKBII 51·6 B-4中,51·6是表示( )A板的构造尺寸B板的实际尺寸C板的标志尺寸D板的理论尺寸18.楼梯结构平面布置图中11×290=3190中290表示( )A梯踏步高度B踏步级数C踏步宽度D踏步的宽度数19.给排水燃气工程图中JL-3中JL表示( )A排水立管B给水立管C消防立管D燃气立管20.供电系统图中3N-50HZ380VBX-500V(3×16+1×lO)SC40-WC中16表示( )A钢管直径B进户线电流C进户线截面为16mm2的铜线D进户导线21.内视符号中的A是表示( )A标准图号B投影面编号C平面布置图编号22.P135顶棚平面图中的大餐厅顶棚有两个选级吊顶,二级标高分别是( )A 2.90m 和3.10mB 2.80m和3.OOmC 2.90m和3.20m23.室内供暖工程图包括( ) :A平面图、系统图和详图B平面图、系统图、详图及文字说明C平面图、立面图和详图24.通风可分为( )A自然通风和机械通风B机械通风和局部机械通风C机械排风和机械通风25.P189图8-10听音教室空调平面图中编号为10的弯头是( )A HG-35B 630×630 B HG-35 400×320C HG-35B 800×400二、是非题1.正投影法是绘制建筑施工图的重要图示方法…………………………( )2.图样中的尺寸由尺寸线、尺寸界线、尺寸数字和尺寸起止符等四部分组成…………………………………………………………………………( )3.平面图采用正投影法绘制,它是房屋的水平全剖面图………………( )4.用假想的剖切平面剖切形体,只画出剖切面切到部分的图形叫做剖面图…………………………………………………………………………( )5.建筑施工图中标高的尺寸标准是用厘米表示…………………………( )6.建筑立面图是剖面图……………………………………………………( )7.结构平面图中IYKB-2中的YKB表示普通钢筋混凝土空心板………( )8.给排水管道系统图通常采用剖面图方式表示…………………………( )9.建筑详图是建筑平、立、剖面图的补充,是建筑施工图的重要组成部分……………………………………………………………………………( )10.平面图上横向定位轴线编号是采用阿拉伯数字表示………………( )11.建筑总平面图是表明新建房屋所在基地范围内的总体布置………( )212.建筑平面图的比例若为100~200时可画简化的材料图例…………( )13.窗扇的开启线用细实线画出时表示窗扇的开启方向是向里开……( )14.1500②2φ16L=1700中的1700表示配筋的下料尺寸………………( )15.室内给水系统中,除生活给水系统外还包括消防给水系统和生产给水系统…………………………………………………………………………( )16.建筑尺寸主要分为外部尺寸和内部尺寸………………………………( )17.建筑装饰平面图包括平面布置图和顶棚平面图………………………( )18.任何电路都必须构成其闭合回路………………………………………( )19.接闪电比较常用的是避雷针和避雷带…………………………………( )20.管内所穿导线总面积(包括导线外表)不应超过管孔面积的50%……( )三、填空题1.三面投影图的关系是:,,。
土木工程识图期中试卷(150分)
一、填空题(每空2′共20′):
1、投影法分为______、平行投影法;其中的平行投影法有
分为______、______。
2、同一个物体的三个投影图的间具有“三等”关系有:
_____、______、______。
3、正投影的特性为类似性、全等性、____、_____。
4、点的Y坐标,反映了该点到____的距离。
5、两个重影点三个坐标是,那么____个坐标是相同的。
二、选择题(每题4′共24′)
1、在三面正投影图中,侧立面图能反映形体的尺寸是()A.长和高B.长和宽C.高和宽D.长、宽和高
2、试判断下面直线是铅垂线的是()
A.A(10,15,20)B(10,20,15)B. C(10,15,20) D(10,15,30)
C. E(15,10,20)F(30,10,20)
D. G(10,15,20) H(10,30,20)
3、点的Y坐标,反映了该点到()的距离。
A OY轴
B H投影面
C V投影面
D W投影面
4、已知点E在H面上,离开正立投影面为10,点F在E下5,投
影e、f重影,F的坐标可能为()
A (20,10,0)
B (20,10,-5)
C (-5,10,20)
D (20,-5,10)5.在二等正轴测投影中,变形系数(即轴向伸缩系数)()相等。
A. p, q; B. p, r; C. p, q, r; D. q, r
6.已知主、俯视图,正确的左视图是( )。
三、判断题:(39分)
1.试判别下列投影图中A、B、C、D、E五点的相对位置(24分
)
该平面是该平面是该平面是一.作图题:(67分)
1.作A(10,5,5),B(0,10,5),C(0,0,10)三点的投影图(10
分):
2.已知直线AB端点B的投影,AB长20mm,且垂直于H
面,作其投影:(12分)
3.根据立体图,补全投影图中的图线(20分)
4、由轴测图作组合体的三视图(尺寸在轴测图上按轴线方向1:1比例量取)(25分)。