混凝土砂浆配合比表
- 格式:docx
- 大小:22.96 KB
- 文档页数:1
普通干粉砂浆与传统砂浆分类对应表砂浆、混凝土配合比表水泥砂浆配合比表单位:立方米石灰砂浆配合比表单位:立方米混合砂浆配合比表单位:立方米混合砂浆配合比续表单位:立方米砌筑砂浆配合比表单位:立方米1、水泥强度等级与水泥标号对照表其它灰浆浆比表单位:立方米其它灰浆浆比续表单位:立方米水泥石碴(豆石)浆配合比表单位:立方米豆石砼及灰土配合比表单位:立方米水泥蛭石(珍珠岩)配合比表单位:立方米水泥焦渣配合比表单位:立方米陶粒砼配合比表单位:立方米普通砼配合比表单位:立方米普通砼配合比续表单位:立方米特种砂浆、砼配合比表单位:立方米特种砂浆、砼配合比续表 1 单位:立方米特种砂浆、砼配合比续表 2 单位:立方米特种砂浆、砼配合比续表 3 单位:立方米特种砂浆、砼配合比续表 4 单位:立方米摘自北京市建设工程概算定额建筑工程第一册土建(下册)注:(1)采用细砂配制混凝土时,每立方米混凝土的水泥用量增加4%;(2)表列各种混凝土标号的水泥用量,系按机器捣固计算,如果用人工捣固时,每立方米混凝土应增加水泥用量25kg;材料消耗数量已包括场内运输及操作损耗在内;(4)公路水下构造物每立方米混凝土水泥用量机械捣固不应少于240kg,人工捣固不应少于265kg;(5)采用输送泵输送混凝土时,混凝土的运输与操作损耗按4%计算;(6)采用输送泵输送混凝土时,每10m3混凝土拌和与养生用水为:现浇混凝土基础18m3 现浇混凝土上部构造21m3现浇混凝土下部构造18m3 预制混凝土22m31、根据定额配合比表得:每立方M7.5混合砂浆中,P.S32.5水泥用量0.277T,细砂1.23m3,石灰膏76kg,水0.34m3。
每立方M5.0混合砂浆中,P.S32.5水泥用量0.245T,细砂1.23m3,石灰膏107kg,水0.32m3。
2、假设材料单价如下:P.S32.5水泥450元/T;细砂60/m3;石灰膏0.2元/kg;水2元/m3。
混凝土配合比表〔2〕中国混凝土网中国混凝土与水泥制品网[2021-8-7]
混凝土配合比表〔3〕
水泥砂浆配合比表单位:立方米
石灰砂浆配合比表单位:立方米
混合砂浆配合比表单位:立方米
混合砂浆配合比续表单位:立方米
其它灰浆浆比表单位:立方米
其它灰浆浆比续表单位:立方米
水泥石碴〔豆石〕浆配合比表单位:立方米
豆石砼及灰土配合比表单位:立方米
水泥蛭石〔珍珠岩〕配合比表单位:立方米
水泥焦渣配合比表
单位:立方米
陶粒砼配合比表单位:立方米
普通砼配合比续表单位:立方米
特种砂浆、砼配合比表单位:立方米
特种砂浆、砼配合比续表 1 单位:立方米
特种砂浆、砼配合比续表 2 单位:立方米
特种砂浆、砼配合比续表 3 单位:立方米
特种砂浆、砼配合比续表 4 单位:立方米
摘自北京市建立工程概算定额建筑工程第一册土建〔下册〕
【本文档内容可以自由复制内容或自由编辑修改内容期待你的好评和关注,我们将会做得更好】。
干混砂浆传统砂浆混凝土配合比表Coca-cola standardization office【ZZ5AB-ZZSYT-ZZ2C-ZZ682T-ZZT18】普通干粉砂浆与传统砂浆分类对应表砂浆、混凝土配合比表水泥砂浆配合比表单位:立方米石灰砂浆配合比表单位:立方米混合砂浆配合比表单位:立方混合砂浆配合比续表单位:立方砌筑砂浆配合比表单位:立方米1、水泥强度等级与水泥标号对照表其它灰浆浆比表单位:立方米其它灰浆浆比续表单位:立方米水泥石碴(豆石)浆配合比表单位:立方豆石砼及灰土配合比表单位:立方米水泥蛭石(珍珠岩)配合比表单位:立方米水泥焦渣配合比表单位:立方米陶粒砼配合比表单位:立方米普通砼配合比表单位:立方米普通砼配合比续表单位:立方米特种砂浆、砼配合比表单位:立方米特种砂浆、砼配合比续表 1 单位:立方米特种砂浆、砼配合比续表 2 单位:立方米特种砂浆、砼配合比续表 3 单位:立方米特种砂浆、砼配合比续表 4 单位:立方米摘自北京市建设工程概算定额建筑工程第一册土建(下册)混凝土配合比表时间:2007-6-26 10:05:48??? 来自:??? 作者:单位:1m3混凝土(1)采用细砂配制混凝土时,每立方米混凝土的水泥用量增加4%;(2)表列各种混凝土标号的水泥用量,系按机器捣固计算,如果用人工捣固时,每立方米混凝土应增加水泥用量g;?(3) 材料消耗数量已包括场内运输及操作损耗在内;(4)公路水下构造物每立方米混凝土水泥用量机械捣固不应少于240kg,人工捣固不应少于265kg;(5)采用输送泵输送混凝土时,混凝土的运输与操作损耗按4%计算;(6)采用输送泵输送混凝土时,每10m3混凝土拌和与养生用水为:现浇混凝土基础 18m3 现浇混凝土上部构造 21m3现浇混凝土下部构造 18m3 预制混凝土 22m3。
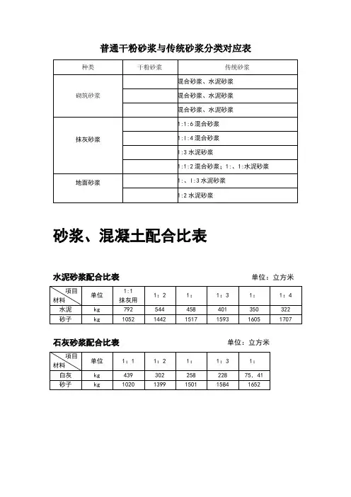
仅供参考普通干粉砂浆与传统砂浆分类对应表
砂浆、混凝土配合比表
水泥砂浆配合比表单位:立方米
石灰砂浆配合比表单位:立方米
混合砂浆配合比表单位:立方米
混合砂浆配合比续表单位:立方米
砌筑砂浆配合比表单位:立方米
1、水泥强度等级与水泥标号对照表
其它灰浆浆比表单位:立方米
其它灰浆浆比续表单位:立方米
水泥石碴(豆石)浆配合比表单位:立方米
豆石砼及灰土配合比表单位:立方米
水泥蛭石(珍珠岩)配合比表单位:立方米
水泥焦渣配合比表单位:立方米
陶粒砼配合比表单位:立方米
普通砼配合比表单位:立方米
普通砼配合比续表单位:立方米
特种砂浆、砼配合比表单位:立方米
特种砂浆、砼配合比续表 1 单位:立方米
特种砂浆、砼配合比续表 2 单位:立方米
特种砂浆、砼配合比续表 3 单位:立方米
特种砂浆、砼配合比续表 4 单位:立方米
摘自北京市建设工程概算定额建筑工程第一册土建(下册)
1、根据定额配合比表得:每立方
(1)单价:450*+60*+*130+2*=元/m3
(2)混合砂浆单价:450*+60*+*107+2*=元/m3。
单位:立方米
单位:立方米
普通干粉砂浆与传统砂浆分类对应表
砂浆、混凝土配合比表
水泥砂浆配合比表
石灰砂浆配合比表
单位:立方米
单位:立方米
单位:立方米
混合砂浆配合比表
混合砂浆配合比续表
砌筑砂浆配合比表
1、水泥强度等级与水泥标号对照表
抹灰砂浆配合比表
其它灰浆浆比表单位:立方米
其它灰浆浆比续表单位:立方米
单位:立方米
水泥石碴(豆石)浆配合比表
单位:立方米
豆石砼及灰土配合比表
水泥蛭石(珍珠岩)配合比表
单位:立方米
水泥焦渣配合比表
单位:立方米。
混凝土、砂浆配合比及材料用量表1.混凝土配合比有关说明(1)除碾压混凝土材料配合参考表外,水泥混凝土强度等级均以28d 龄期用标准试验方法测得的具有95%保证率的抗压强度标准值确定,如设计龄期超过28d ,按表5-1系数换算。
计算结果如介于两种强度等级之间,应选用高一级的强度等级。
附表5-1 不同龄期水泥混凝土强度等级折合系数(2)混凝土配合比表系卵石、粗砂混凝土,如改用碎石或中、细砂,按表7-2系数换算。
附表5-2注:水泥按重量计,砂、石子、水按体积计。
(3)混凝土细骨料的划分标准为细度模数3.19~3.85(或平均粒径1.2~2.5mm)为粗砂; 细度模灵敏2.5~3.19(或平均粒径0.6~1.2mm)为中砂; 细度模数1.78~2.5(或平均粒径0.3~0.6mm)为细砂; 细度模数0.9~1.78(或平均粒径0.15~0.3mm)为特细砂;(4)埋块石混凝土,应按配合比表的材料用量,扣除埋块石实体的数量计算 ①埋块石混凝土材料量=配合表列材料用量×(1-埋块石量%) 1块石实体方=1.67码方②因埋块石增加的人工见附表5-3。
附表5-3 因埋块石增加的人工数量(5)有抗冻要求时,按表附5-4水灰比选用混凝土强度等级。
表5-4 混凝土强度等级选用(6)除碾压混凝土材料配合参考表外,混凝土配合表的预算量包括场内运输及操作损耗在内。
不包括搅拌后(熟料)的运输和浇筑损耗,搅拌后的运输和浇筑损耗已根据不同浇筑部位计入定额内。
(7)水泥用量按机械拌和拟定,若系人工拌和,水泥用量增加5%。
(8)按照国际标准(ISO3893)的规定,且为了与其他规范相协调,将原规范混凝土及砂浆标号的名称改为混凝土或砂浆强度等级。
新强度等级与原标号对照见附表5-5和附表5-6。
2.纯混凝土材料配合比及材料用量纯混凝土材料配合比及材料用量见附表5-7。
3.掺外加剂混凝土材料配合比及材料用量掺外加剂混凝土材料配合比及材料用量见附表5-84.掺粉煤灰混凝土材料配合比及材料用量掺粉煤灰混凝土材料配合比及材料用量见附表5-9~附表5-115.碾压混凝土材料配合碾压混凝土材料配合参考表见附表5-126.泵用纯混凝土材料配合泵用纯混凝土材料配合表见附表5-13、附表5-147.水泥砂浆材料配合水泥砂浆材料配合表见附表5-158.水泥强度等级换算水泥强度等级换算系数参考值见附表5-16。
普通干粉砂浆与传统砂浆分类对应表
砂浆、混凝土配合比表
水泥砂浆配合比表单位:立方米
石灰砂浆配合比表单位:立方米
混合砂浆配合比表单位:立方米
混合砂浆配合比续表单位:立方米
砌筑砂浆配合比表单位:立方米
1、水泥强度等级与水泥标号对照表
其它灰浆浆比表单位:立方米
其它灰浆浆比续表单位:立方米
水泥石碴(豆石)浆配合比表单位:立方米
豆石砼及灰土配合比表单位:立方米
水泥蛭石(珍珠岩)配合比表单位:立方米
水泥焦渣配合比表单位:立方米
陶粒砼配合比表单位:立方米
普通砼配合比表单位:立方米
普通砼配合比续表单位:立方米
特种砂浆、砼配合比表单位:立方米
特种砂浆、砼配合比续表 1 单位:立方米
特种砂浆、砼配合比续表 2 单位:立方米
特种砂浆、砼配合比续表 3 单位:立方米
特种砂浆、砼配合比续表 4 单位:立方米
摘自北京市建设工程概算定额建筑工程第一册土建(下册)
(3) 材料消耗数量已包括场内运输及操作损耗在内;
(4)公路水下构造物每立方米混凝土水泥用量机械捣固不应少于240kg,人工捣固不应少于265kg;
(5)采用输送泵输送混凝土时,混凝土的运输与操作损耗按4%计算;
(6)采用输送泵输送混凝土时,每10m3混凝土拌和与养生用水为:
现浇混凝土基础 18m3 现浇混凝土上部构造 21m3
现浇混凝土下部构造 18m3 预制混凝土 22m3。
仅供参考普通干粉砂浆与传统砂浆分类对应表砂浆、混凝土配合比表水泥砂浆配合比表单位:立方米石灰砂浆配合比表单位:立方米混合砂浆配合比表单位:立方米混合砂浆配合比续表单位:立方米砌筑砂浆配合比表单位:立方米1其它灰浆浆比表单位:立方米其它灰浆浆比续表单位:立方米水泥石碴(豆石)浆配合比表单位:立方米豆石砼及灰土配合比表单位:立方米水泥蛭石(珍珠岩)配合比表单位:立方米水泥焦渣配合比表单位:立方米陶粒砼配合比表单位:立方米普通砼配合比表单位:立方米普通砼配合比续表单位:立方米特种砂浆、砼配合比表单位:立方米特种砂浆、砼配合比续表 1 单位:立方米特种砂浆、砼配合比续表 2 单位:立方米特种砂浆、砼配合比续表 3 单位:立方米特种砂浆、砼配合比续表 4 单位:立方米摘自北京市建设工程概算定额建筑工程第一册土建(下册)混凝土配合比表注:(1)采用细砂配制混凝土时,每立方米混凝土的水泥用量增加4%;(2)表列各种混凝土标号的水泥用量,系按机器捣固计算,如果用人工捣固时,每立方米混凝土应增加水泥用量25kg;材料消耗数量已包括场内运输及操作损耗在内;(4)公路水下构造物每立方米混凝土水泥用量机械捣固不应少于240kg,人工捣固不应少于265kg;(5)采用输送泵输送混凝土时,混凝土的运输与操作损耗按4%计算;(6)采用输送泵输送混凝土时,每10m3混凝土拌和与养生用水为:现浇混凝土基础18m3 现浇混凝土上部构造21m3现浇混凝土下部构造18m3 预制混凝土22m31、根据定额配合比表得:每立方M7.5混合砂浆中,P.S32.5水泥用量0.277T,细砂1.23m3,石灰膏76kg,水0.34m3。
每立方M5.0混合砂浆中,P.S32.5水泥用量0.245T,细砂1.23m3,石灰膏107kg,水0.32m3。
2、假设材料单价如下:P.S32.5水泥450元/T;细砂60/m3;石灰膏0.2元/kg;水2元/m3。
普通干粉砂浆与传统砂浆分类对应表砂浆、混凝土配合比表水泥砂浆配合比表单位:立方米石灰砂浆配合比表单位:立方米混合砂浆配合比表单位:立方米混合砂浆配合比续表单位:立方米砌筑砂浆配合比表单位:立方米1、水泥强度等级与水泥标号对照表其它灰浆浆比表单位:立方米其它灰浆浆比续表单位:立方米水泥石碴(豆石)浆配合比表单位:立方米豆石砼及灰土配合比表单位:立方米水泥蛭石(珍珠岩)配合比表单位:立方米水泥焦渣配合比表单位:立方米陶粒砼配合比表单位:立方米普通砼配合比表单位:立方米普通砼配合比续表单位:立方米特种砂浆、砼配合比表单位:立方米特种砂浆、砼配合比续表 2 单位:立方米特种砂浆、砼配合比续表 3 单位:立方米摘自北京市建设工程概算定额建筑工程第一册土建(下册)混凝土配合比表时间:2007-6-26 10:05:48??? 来自:??? 作者:单位:1m3混凝土续上表单位:1m3混凝土续上表单位:1m3混凝土续上表单位:1m3混凝土续上表单位:1m3混凝土注:(1)采用细砂配制混凝土时,每立方米混凝土的水泥用量增加4%;(2)表列各种混凝土标号的水泥用量,系按机器捣固计算,如果用人工捣固时,每立方米混凝土应增加水泥用量25kg;材料消耗数量已包括场内运输及操作损耗在内;(4)公路水下构造物每立方米混凝土水泥用量机械捣固不应少于240kg,人工捣固不应少于265kg;(5)采用输送泵输送混凝土时,混凝土的运输与操作损耗按4%计算;(6)采用输送泵输送混凝土时,每10m3混凝土拌和与养生用水为:现浇混凝土基础 18m3 现浇混凝土上部构造 21m3现浇混凝土下部构造 18m3 预制混凝土 22m3。
普通干粉砂浆与传统砂浆分类对应表砂浆、混凝土配合比表水泥砂浆配合比表单位:立方米石灰砂浆配合比表单位:立方米混合砂浆配合比表单位:立方米混合砂浆配合比续表单位:立方米砌筑砂浆配合比表单位:立方米1、水泥强度等级与水泥标号对照表其它灰浆浆比表单位:立方米其它灰浆浆比续表单位:立方米水泥石碴(豆石)浆配合比表单位:立方米豆石砼及灰土配合比表单位:立方米水泥蛭石(珍珠岩)配合比表单位:立方米水泥焦渣配合比表单位:立方米陶粒砼配合比表单位:立方米普通砼配合比表单位:立方米普通砼配合比续表单位:立方米特种砂浆、砼配合比表单位:立方米特种砂浆、砼配合比续表1 单位:立方米特种砂浆、砼配合比续表2 单位:立方米特种砂浆、砼配合比续表3 单位:立方米特种砂浆、砼配合比续表4 单位:立方米摘自北京市建设工程概算定额建筑工程第一册土建(下册)注:(1)采用细砂配制混凝土时,每立方米混凝土的水泥用量增加4%;(2)表列各种混凝土标号的水泥用量,系按机器捣固计算,如果用人工捣固时,每立方米混凝土应增加水泥用量25kg;材料消耗数量已包括场运输及操作损耗在;(4)公路水下构造物每立方米混凝土水泥用量机械捣固不应少于240kg,人工捣固不应少于265kg;(5)采用输送泵输送混凝土时,混凝土的运输与操作损耗按4%计算;(6)采用输送泵输送混凝土时,每10m3混凝土拌和与养生用水为:现浇混凝土基础18m3 现浇混凝土上部构造21m3现浇混凝土下部构造18m3 预制混凝土22m31、根据定额配合比表得:每立方M7.5混合砂浆中,P.S32.5水泥用量0.277T,细砂1.23m3,石灰膏76kg,水0.34m3。
每立方M5.0混合砂浆中,P.S32.5水泥用量0.245T,细砂1.23m3,石灰膏107kg,水0.32m3。
2、假设材料单价如下:P.S32.5水泥450元/T;细砂60/m3;石灰膏0.2元/kg;水2元/m3。