各类混凝土、各类砂浆配合比表
- 格式:docx
- 大小:43.80 KB
- 文档页数:18
说明一、本“砼及砂浆配合比表”是依照《全国统一建筑工程基础定额》及国家颁的有关砼、砂浆配合比的标准、规程、标准进行编制的。
二、本“配合比表”中一般砼的名称划分为:半干硬性砼(塌落度为10—30mm);低塑性砼(塌落度为30—50mm);塑性砼(塌落度为50—70mm);稀砼(塌落度为70—90mm)。
防水砼按抗渗标号划分;道路砼按抗折强度划分。
三、本配合比表中砼的粗骨料按碎石、砾石别离编制,料径分为:5—10mm、5—20mm、5—40mm和5—60mm四种规格。
四、本配合比表中的细骨料按中砂料径:~,细砂料径:~,特细砂粒径:~标准划分。
五、本配合比表中的砂按干燥状态下的净砂考虑。
六、配合比材料用量,均以凝固后的密实体积计算,配制损耗已计入材料用量中,不另计算。
七、配合比基价内未包括人工、机械和用水等费用,其制作人工、机械和用水已包括在各分部子目中,不另计算。
八、配合比表中采纳的要紧材料容重:(见下页)配合比中要紧材料容重表单位:kg/m3容重=*g=kg/m³ *g,单位是牛/立方米(N/m³)瓜米石又称豆石,是一种体积很小的碎石子,一样用于地面、屋面,是建筑材料。
粒度大小跟绿豆相似,有些地址称之为石末. 在水泥工艺中可作水泥的混合材利用。
同时,是喷护混凝土的要紧骨料之一绿豆砂是直径3mm左右的。
用的最多的地址是沥清类层和坡道面层。
用于防水层的做法是炒热后均匀撒在防水层上然后压入防水层内,能够有效避免防水层热涨冷缩造成开裂。
用于坡道也是面层,起防滑做用。
碎石是由天然岩石(或卵石)经破碎、筛分而得,碎石多棱角,表面粗糙,与水泥黏结较好,拌制的混凝土拌合物流动性差,但混凝土硬化后强度较高。
砾石是风化岩石经水流长期搬运而成的粒径为2~60mm的无棱角的天然粒料石屑是轧制并筛分所得的粒径为2~10mm的粒料。
石屑又称人工砂,表面比砂粗糙,有尖锐棱角,且含有较多的粒径小于0.16 mm的石粉.屑中含有大颗粒,也含有粉粒,这种级配拌合物的强度较高,与水泥的粘结性好。
普通干粉砂浆与传统砂浆分类对应表砂浆、混凝土配合比表水泥砂浆配合比表单位:立方米石灰砂浆配合比表单位:立方米混合砂浆配合比表单位:立方米混合砂浆配合比续表单位:立方米砌筑砂浆配合比表单位:立方米1、水泥强度等级与水泥标号对照表其它灰浆浆比表单位:立方米其它灰浆浆比续表单位:立方米水泥石碴(豆石)浆配合比表单位:立方米豆石砼及灰土配合比表单位:立方米水泥蛭石(珍珠岩)配合比表单位:立方米水泥焦渣配合比表单位:立方米陶粒砼配合比表单位:立方米普通砼配合比表单位:立方米普通砼配合比续表单位:立方米特种砂浆、砼配合比表单位:立方米特种砂浆、砼配合比续表 1 单位:立方米特种砂浆、砼配合比续表 2 单位:立方米特种砂浆、砼配合比续表 3 单位:立方米特种砂浆、砼配合比续表 4 单位:立方米摘自北京市建设工程概算定额建筑工程第一册土建(下册)注:(1)采用细砂配制混凝土时,每立方米混凝土的水泥用量增加4%;(2)表列各种混凝土标号的水泥用量,系按机器捣固计算,如果用人工捣固时,每立方米混凝土应增加水泥用量25kg;材料消耗数量已包括场内运输及操作损耗在内;(4)公路水下构造物每立方米混凝土水泥用量机械捣固不应少于240kg,人工捣固不应少于265kg;(5)采用输送泵输送混凝土时,混凝土的运输与操作损耗按4%计算;(6)采用输送泵输送混凝土时,每10m3混凝土拌和与养生用水为:现浇混凝土基础18m3 现浇混凝土上部构造21m3现浇混凝土下部构造18m3 预制混凝土22m31、根据定额配合比表得:每立方M7.5混合砂浆中,P.S32.5水泥用量0.277T,细砂1.23m3,石灰膏76kg,水0.34m3。
每立方M5.0混合砂浆中,P.S32.5水泥用量0.245T,细砂1.23m3,石灰膏107kg,水0.32m3。
2、假设材料单价如下:P.S32.5水泥450元/T;细砂60/m3;石灰膏0.2元/kg;水2元/m3。
干混砂浆传统砂浆混凝土配合比表Coca-cola standardization office【ZZ5AB-ZZSYT-ZZ2C-ZZ682T-ZZT18】普通干粉砂浆与传统砂浆分类对应表砂浆、混凝土配合比表水泥砂浆配合比表单位:立方米石灰砂浆配合比表单位:立方米混合砂浆配合比表单位:立方混合砂浆配合比续表单位:立方砌筑砂浆配合比表单位:立方米1、水泥强度等级与水泥标号对照表其它灰浆浆比表单位:立方米其它灰浆浆比续表单位:立方米水泥石碴(豆石)浆配合比表单位:立方豆石砼及灰土配合比表单位:立方米水泥蛭石(珍珠岩)配合比表单位:立方米水泥焦渣配合比表单位:立方米陶粒砼配合比表单位:立方米普通砼配合比表单位:立方米普通砼配合比续表单位:立方米特种砂浆、砼配合比表单位:立方米特种砂浆、砼配合比续表 1 单位:立方米特种砂浆、砼配合比续表 2 单位:立方米特种砂浆、砼配合比续表 3 单位:立方米特种砂浆、砼配合比续表 4 单位:立方米摘自北京市建设工程概算定额建筑工程第一册土建(下册)混凝土配合比表时间:2007-6-26 10:05:48??? 来自:??? 作者:单位:1m3混凝土(1)采用细砂配制混凝土时,每立方米混凝土的水泥用量增加4%;(2)表列各种混凝土标号的水泥用量,系按机器捣固计算,如果用人工捣固时,每立方米混凝土应增加水泥用量g;?(3) 材料消耗数量已包括场内运输及操作损耗在内;(4)公路水下构造物每立方米混凝土水泥用量机械捣固不应少于240kg,人工捣固不应少于265kg;(5)采用输送泵输送混凝土时,混凝土的运输与操作损耗按4%计算;(6)采用输送泵输送混凝土时,每10m3混凝土拌和与养生用水为:现浇混凝土基础 18m3 现浇混凝土上部构造 21m3现浇混凝土下部构造 18m3 预制混凝土 22m3。
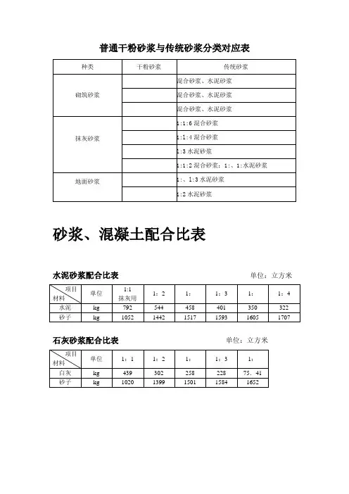
仅供参考普通干粉砂浆与传统砂浆分类对应表
砂浆、混凝土配合比表
水泥砂浆配合比表单位:立方米
石灰砂浆配合比表单位:立方米
混合砂浆配合比表单位:立方米
混合砂浆配合比续表单位:立方米
砌筑砂浆配合比表单位:立方米
1、水泥强度等级与水泥标号对照表
其它灰浆浆比表单位:立方米
其它灰浆浆比续表单位:立方米
水泥石碴(豆石)浆配合比表单位:立方米
豆石砼及灰土配合比表单位:立方米
水泥蛭石(珍珠岩)配合比表单位:立方米
水泥焦渣配合比表单位:立方米
陶粒砼配合比表单位:立方米
普通砼配合比表单位:立方米
普通砼配合比续表单位:立方米
特种砂浆、砼配合比表单位:立方米
特种砂浆、砼配合比续表 1 单位:立方米
特种砂浆、砼配合比续表 2 单位:立方米
特种砂浆、砼配合比续表 3 单位:立方米
特种砂浆、砼配合比续表 4 单位:立方米
摘自北京市建设工程概算定额建筑工程第一册土建(下册)
1、根据定额配合比表得:每立方
(1)单价:450*+60*+*130+2*=元/m3
(2)混合砂浆单价:450*+60*+*107+2*=元/m3。
普通干粉砂浆与传统砂浆分类对应表砂浆、混凝土配合比表水泥砂浆配合比表单位:立方米石灰砂浆配合比表单位:立方米混合砂浆配合比表单位:立方米混合砂浆配合比续表单位:立方米砌筑砂浆配合比表单位:立方米1、水泥强度等级与水泥标号对照表其它灰浆浆比表单位:立方米其它灰浆浆比续表 单位:立方米水泥石碴(豆石)浆配合比表 单位:立方米豆石砼及灰土配合比表单位:立方米水泥蛭石(珍珠岩)配合比表 单位:立方米水泥焦渣配合比表单位:立方米陶粒砼配合比表单位:立方米普通砼配合比续表单位:立方米特种砂浆、砼配合比表单位:立方米特种砂浆、砼配合比续表 1 单位:立方米特种砂浆、砼配合比续表 2 单位:立方米特种砂浆、砼配合比续表 3 单位:立方米特种砂浆、砼配合比续表 4 单位:立方米摘自北京市建设工程概算定额建筑工程第一册土建(下册)注:(1)采用细砂配制混凝土时,每立方米混凝土的水泥用量增加4%;(2)表列各种混凝土标号的水泥用量,系按机器捣固计算,如果用人工捣固时,每立方米混凝土应增加水泥用量25kg;) 材料消耗数量已包括场内运输及操作损耗在内;(4)公路水下构造物每立方米混凝土水泥用量机械捣固不应少于240kg,人工捣固不应少于265kg;(5)采用输送泵输送混凝土时,混凝土的运输与操作损耗按4%计算;(6)采用输送泵输送混凝土时,每10m3混凝土拌和与养生用水为:现浇混凝土基础18m3 现浇混凝土上部构造21m3现浇混凝土下部构造18m3 预制混凝土22m31、根据定额配合比表得:每立方M7.5混合砂浆中,P。
S32.5水泥用量0。
277T,细砂1。
23m3,石灰膏76kg,水0.34m3。
每立方M5.0混合砂浆中,P.S32.5水泥用量0。
245T,细砂1.23m3,石灰膏107kg,水0.32m3.2、假设材料单价如下:P.S32。
5水泥450元/T;细砂60/m3;石灰膏0。
2元/kg;水2元/m3。
则:(1)M7。
普通干粉砂浆与传统砂浆分类对应表
砂浆、混凝土配合比表
水泥砂浆配合比表单位:立方米
石灰砂浆配合比表单位:立方米
混合砂浆配合比表单位:立方米
混合砂浆配合比续表单位:立方米
砌筑砂浆配合比表单位:立方米
1
、水泥强度等级与水泥标号对照表
其它灰浆浆比表单位:立方米
其它灰浆浆比续表单位:立方米
水泥石碴(豆石)浆配合比表单位:立方米
豆石砼及灰土配合比表单位:立方米
水泥蛭石(珍珠岩)配合比表单位:立方米
水泥焦渣配合比表单位:立方米
陶粒砼配合比表单位:立方米
普通砼配合比表单位:立方米
普通砼配合比续表单位:立方米
特种砂浆、砼配合比表单位:立方米
特种砂浆、砼配合比续表1 单位:立方米
特种砂浆、砼配合比续表2 单位:立方米
特种砂浆、砼配合比续表3 单位:立方米
特种砂浆、砼配合比续表4 单位:立方米
摘自北京市建设工程概算定额建筑工程第一册土建(下册)
材料消耗数量已包括场内运输及操作损耗在内;
(4)公路水下构造物每立方米混凝土水泥用量机械捣固不应少于240kg,人工捣固不应少于265kg;
(5)采用输送泵输送混凝土时,混凝土的运输与操作损耗按4%计算;
(6)采用输送泵输送混凝土时,每10m3混凝土拌和与养生用水为:
现浇混凝土基础18m3 现浇混凝土上部构造21m3
现浇混凝土下部构造18m3 预制混凝土22m3。
普通混凝土配合比
含土量不大
1、不加钢筋的混凝土一般都低于C25,用于扩大基础、垫层;
2、普通钢筋混凝土一般都大于等于C25,小于等于C35,适用于柱、墙、小型梁、板;
3、预应力钢筋混凝土一般不小于C35,用于大型梁、板、塔;
4、超高标号混凝土一般都大于C60,用于特殊结构,如特高大厦的底部、大型桥梁的塔座等。
各种用途的建筑、各个部位、位置、需要什么型号的混凝土
各种建筑,各种结构、各个部位、位置、需要浇筑什么型号、什么要求的混凝土。
或者是各种型号的混凝土都能浇筑什么建筑、什么结构、什么位置、 1--3层为低层建筑,C25混凝土。
4--6层为多层建筑,C25混凝土 7--9层为中高层建筑,C25~C30混凝土 10--30层为高层建筑,C30~C40混凝土 30层以上称为超高层建筑。
C50混凝土超高层,高层,中高层,一般都为框剪结构,有地下室的还有抗渗混凝土。
普通干粉砂浆与传统砂浆分类对应表砂浆、混凝土配合比表水泥砂浆配合比表单位:立方米石灰砂浆配合比表单位:立方米混合砂浆配合比表单位:立方米混合砂浆配合比续表单位:立方米砌筑砂浆配合比表单位:立方米1、水泥强度等级与水泥标号对照表其它灰浆浆比表单位:立方米其它灰浆浆比续表单位:立方米水泥石碴(豆石)浆配合比表单位:立方米豆石砼及灰土配合比表单位:立方米水泥蛭石(珍珠岩)配合比表单位:立方米水泥焦渣配合比表单位:立方米陶粒砼配合比表单位:立方米普通砼配合比表单位:立方米普通砼配合比续表单位:立方米特种砂浆、砼配合比表单位:立方米特种砂浆、砼配合比续表 2 单位:立方米特种砂浆、砼配合比续表 3 单位:立方米摘自北京市建设工程概算定额建筑工程第一册土建(下册)混凝土配合比表时间:2007-6-26 10:05:48??? 来自:??? 作者:单位:1m3混凝土续上表单位:1m3混凝土续上表单位:1m3混凝土续上表单位:1m3混凝土续上表单位:1m3混凝土注:(1)采用细砂配制混凝土时,每立方米混凝土的水泥用量增加4%;(2)表列各种混凝土标号的水泥用量,系按机器捣固计算,如果用人工捣固时,每立方米混凝土应增加水泥用量25kg;?(3) 材料消耗数量已包括场内运输及操作损耗在内;(4)公路水下构造物每立方米混凝土水泥用量机械捣固不应少于240kg,人工捣固不应少于265kg;(5)采用输送泵输送混凝土时,混凝土的运输与操作损耗按4%计算;(6)采用输送泵输送混凝土时,每10m3混凝土拌和与养生用水为:现浇混凝土基础18m3 现浇混凝土上部构造21m3现浇混凝土下部构造18m3 预制混凝土22m3。
仅供参考普通干粉砂浆与传统砂浆分类对应表砂浆、混凝土配合比表水泥砂浆配合比表单位:立方米石灰砂浆配合比表单位:立方米混合砂浆配合比表单位:立方米混合砂浆配合比续表单位:立方米砌筑砂浆配合比表单位:立方米1其它灰浆浆比表单位:立方米其它灰浆浆比续表单位:立方米水泥石碴(豆石)浆配合比表单位:立方米豆石砼及灰土配合比表单位:立方米水泥蛭石(珍珠岩)配合比表单位:立方米水泥焦渣配合比表单位:立方米陶粒砼配合比表单位:立方米普通砼配合比表单位:立方米普通砼配合比续表单位:立方米特种砂浆、砼配合比表单位:立方米特种砂浆、砼配合比续表 1 单位:立方米特种砂浆、砼配合比续表 2 单位:立方米特种砂浆、砼配合比续表 3 单位:立方米特种砂浆、砼配合比续表 4 单位:立方米摘自北京市建设工程概算定额建筑工程第一册土建(下册)混凝土配合比表注:(1)采用细砂配制混凝土时,每立方米混凝土的水泥用量增加4%;(2)表列各种混凝土标号的水泥用量,系按机器捣固计算,如果用人工捣固时,每立方米混凝土应增加水泥用量25kg;材料消耗数量已包括场内运输及操作损耗在内;(4)公路水下构造物每立方米混凝土水泥用量机械捣固不应少于240kg,人工捣固不应少于265kg;(5)采用输送泵输送混凝土时,混凝土的运输与操作损耗按4%计算;(6)采用输送泵输送混凝土时,每10m3混凝土拌和与养生用水为:现浇混凝土基础18m3 现浇混凝土上部构造21m3现浇混凝土下部构造18m3 预制混凝土22m31、根据定额配合比表得:每立方M7.5混合砂浆中,P.S32.5水泥用量0.277T,细砂1.23m3,石灰膏76kg,水0.34m3。
每立方M5.0混合砂浆中,P.S32.5水泥用量0.245T,细砂1.23m3,石灰膏107kg,水0.32m3。
2、假设材料单价如下:P.S32.5水泥450元/T;细砂60/m3;石灰膏0.2元/kg;水2元/m3。
普通干粉砂浆与传统砂浆分类对应表
砂浆、混凝土配合比表
水泥砂浆配合比表单位:立方米
石灰砂浆配合比表单位:立方米
混合砂浆配合比表单位:立方米
混合砂浆配合比续表单位:立方米
砌筑砂浆配合比表单位:立方米
1
、水泥强度等级与水泥标号对照表
其它灰浆浆比表单位:立方米
其它灰浆浆比续表单位:立方米
水泥石碴(豆石)浆配合比表单位:立方米
豆石砼及灰土配合比表单位:立方米
水泥蛭石(珍珠岩)配合比表单位:立方米
水泥焦渣配合比表单位:立方米
陶粒砼配合比表单位:立方米
普通砼配合比表单位:立方米
普通砼配合比续表单位:立方米
特种砂浆、砼配合比表单位:立方米
特种砂浆、砼配合比续表1 单位:立方米
特种砂浆、砼配合比续表2 单位:立方米
特种砂浆、砼配合比续表3 单位:立方米
特种砂浆、砼配合比续表4 单位:立方米
摘自北京市建设工程概算定额建筑工程第一册土建(下册)
材料消耗数量已包括场内运输及操作损耗在内;
(4)公路水下构造物每立方米混凝土水泥用量机械捣固不应少于240kg,人工捣固不应少于265kg;
(5)采用输送泵输送混凝土时,混凝土的运输与操作损耗按4%计算;
(6)采用输送泵输送混凝土时,每10m3混凝土拌和与养生用水为:
现浇混凝土基础18m3 现浇混凝土上部构造21m3
现浇混凝土下部构造18m3 预制混凝土22m3。
普通干粉砂浆与传统砂浆分类对应表砂浆、混凝土配合比表水泥砂浆配合比表单位:立方米石灰砂浆配合比表单位:立方米混合砂浆配合比表单位:立方米混合砂浆配合比续表单位:立方米砌筑砂浆配合比表单位:立方米1、水泥强度等级与水泥标号对照表其它灰浆浆比表单位:立方米其它灰浆浆比续表单位:立方米水泥石碴(豆石)浆配合比表单位:立方米豆石砼及灰土配合比表单位:立方米水泥蛭石(珍珠岩)配合比表单位:立方米水泥焦渣配合比表单位:立方米陶粒砼配合比表单位:立方米普通砼配合比表单位:立方米普通砼配合比续表单位:立方米特种砂浆、砼配合比表单位:立方米特种砂浆、砼配合比续表 2 单位:立方米特种砂浆、砼配合比续表 3 单位:立方米摘自北京市建设工程概算定额建筑工程第一册土建(下册)混凝土配合比表时间:2007-6-26 10:05:48 来自:作者:单位:1m3混凝土续上表单位:1m3混凝土续上表单位:1m3混凝土续上表单位:1m3混凝土续上表单位:1m3混凝土注:(1)采用细砂配制混凝土时,每立方米混凝土的水泥用量增加4%;(2)表列各种混凝土标号的水泥用量,系按机器捣固计算,如果用人工捣固时,每立方米混凝土应增加水泥用量25kg;材料消耗数量已包括场内运输及操作损耗在内;(4)公路水下构造物每立方米混凝土水泥用量机械捣固不应少于240kg,人工捣固不应少于265kg;(5)采用输送泵输送混凝土时,混凝土的运输与操作损耗按4%计算;(6)采用输送泵输送混凝土时,每10m3混凝土拌和与养生用水为:现浇混凝土基础18m3 现浇混凝土上部构造21m3现浇混凝土下部构造18m3 预制混凝土22m3。
普通干粉砂浆与传统砂浆分类对应表砂浆、混凝土配合比表水泥砂浆配合比表单位:立方米石灰砂浆配合比表单位:立方米混合砂浆配合比表单位:立方米混合砂浆配合比续表单位:立方米砌筑砂浆配合比表单位:立方米1、水泥强度等级与水泥标号对照表其它灰浆浆比表单位:立方米其它灰浆浆比续表单位:立方米水泥石碴(豆石)浆配合比表单位:立方米豆石砼及灰土配合比表单位:立方米水泥蛭石(珍珠岩)配合比表单位:立方米水泥焦渣配合比表单位:立方米陶粒砼配合比表单位:立方米普通砼配合比表单位:立方米普通砼配合比续表单位:立方米特种砂浆、砼配合比表单位:立方米特种砂浆、砼配合比续表1 单位:立方米特种砂浆、砼配合比续表2 单位:立方米特种砂浆、砼配合比续表3 单位:立方米特种砂浆、砼配合比续表4 单位:立方米摘自北京市建设工程概算定额建筑工程第一册土建(下册)注:(1)采用细砂配制混凝土时,每立方米混凝土的水泥用量增加4%;(2)表列各种混凝土标号的水泥用量,系按机器捣固计算,如果用人工捣固时,每立方米混凝土应增加水泥用量25kg;材料消耗数量已包括场运输及操作损耗在;(4)公路水下构造物每立方米混凝土水泥用量机械捣固不应少于240kg,人工捣固不应少于265kg;(5)采用输送泵输送混凝土时,混凝土的运输与操作损耗按4%计算;(6)采用输送泵输送混凝土时,每10m3混凝土拌和与养生用水为:现浇混凝土基础18m3 现浇混凝土上部构造21m3现浇混凝土下部构造18m3 预制混凝土22m31、根据定额配合比表得:每立方M7.5混合砂浆中,P.S32.5水泥用量0.277T,细砂1.23m3,石灰膏76kg,水0.34m3。
每立方M5.0混合砂浆中,P.S32.5水泥用量0.245T,细砂1.23m3,石灰膏107kg,水0.32m3。
2、假设材料单价如下:P.S32.5水泥450元/T;细砂60/m3;石灰膏0.2元/kg;水2元/m3。
仅供参考普通干粉砂浆与传统砂浆分类对应表
砂浆、混凝土配合比表
水泥砂浆配合比表单位:立方米
石灰砂浆配合比表单位:立方米
混合砂浆配合比表单位:立方米
混合砂浆配合比续表单位:立方米
砌筑砂浆配合比表单位:立方米
1、水泥强度等级与水泥标号对照表
其它灰浆浆比表单位:立方米
其它灰浆浆比续表单位:立方米
水泥石碴(豆石)浆配合比表单位:立方米
豆石砼及灰土配合比表单位:立方米
水泥蛭石(珍珠岩)配合比表单位:立方米
水泥焦渣配合比表单位:立方米
陶粒砼配合比表单位:立方米
普通砼配合比表单位:立方米
普通砼配合比续表单位:立方米
特种砂浆、砼配合比表单位:立方米
特种砂浆、砼配合比续表 1 单位:立方米
特种砂浆、砼配合比续表 2 单位:立方米
特种砂浆、砼配合比续表 3 单位:立方米
特种砂浆、砼配合比续表 4 单位:立方米
摘自北京市建设工程概算定额建筑工程第一册土建(下册)
1、根据定额配合比表得:每立方M7.5
(1)M7.5单价:450*0.277+60*1.23+0.2*130+2*0.3=225.05元/m3
(2)M5.0混合砂浆单价:450*0.245+60*1.23+0.2*107+2*0.32=206.09元/m3。