各类混凝土各类砂浆配合比表
- 格式:docx
- 大小:100.82 KB
- 文档页数:14
说明一、本“砼及砂浆配合比表”是依照《全国统一建筑工程基础定额》及国家颁的有关砼、砂浆配合比的标准、规程、标准进行编制的。
二、本“配合比表”中一般砼的名称划分为:半干硬性砼(塌落度为10—30mm);低塑性砼(塌落度为30—50mm);塑性砼(塌落度为50—70mm);稀砼(塌落度为70—90mm)。
防水砼按抗渗标号划分;道路砼按抗折强度划分。
三、本配合比表中砼的粗骨料按碎石、砾石别离编制,料径分为:5—10mm、5—20mm、5—40mm和5—60mm四种规格。
四、本配合比表中的细骨料按中砂料径:~,细砂料径:~,特细砂粒径:~标准划分。
五、本配合比表中的砂按干燥状态下的净砂考虑。
六、配合比材料用量,均以凝固后的密实体积计算,配制损耗已计入材料用量中,不另计算。
七、配合比基价内未包括人工、机械和用水等费用,其制作人工、机械和用水已包括在各分部子目中,不另计算。
八、配合比表中采纳的要紧材料容重:(见下页)配合比中要紧材料容重表单位:kg/m3容重=*g=kg/m³ *g,单位是牛/立方米(N/m³)瓜米石又称豆石,是一种体积很小的碎石子,一样用于地面、屋面,是建筑材料。
粒度大小跟绿豆相似,有些地址称之为石末. 在水泥工艺中可作水泥的混合材利用。
同时,是喷护混凝土的要紧骨料之一绿豆砂是直径3mm左右的。
用的最多的地址是沥清类层和坡道面层。
用于防水层的做法是炒热后均匀撒在防水层上然后压入防水层内,能够有效避免防水层热涨冷缩造成开裂。
用于坡道也是面层,起防滑做用。
碎石是由天然岩石(或卵石)经破碎、筛分而得,碎石多棱角,表面粗糙,与水泥黏结较好,拌制的混凝土拌合物流动性差,但混凝土硬化后强度较高。
砾石是风化岩石经水流长期搬运而成的粒径为2~60mm的无棱角的天然粒料石屑是轧制并筛分所得的粒径为2~10mm的粒料。
石屑又称人工砂,表面比砂粗糙,有尖锐棱角,且含有较多的粒径小于0.16 mm的石粉.屑中含有大颗粒,也含有粉粒,这种级配拌合物的强度较高,与水泥的粘结性好。
普通干粉砂浆与传统砂浆分类对应表砂浆、混凝土配合比表水泥砂浆配合比表单位:立方米石灰砂浆配合比表单位:立方米混合砂浆配合比表单位:立方米混合砂浆配合比续表单位:立方米砌筑砂浆配合比表单位:立方米1、水泥强度等级与水泥标号对照表其它灰浆浆比表单位:立方米其它灰浆浆比续表单位:立方米水泥石碴(豆石)浆配合比表单位:立方米豆石砼及灰土配合比表单位:立方米水泥蛭石(珍珠岩)配合比表单位:立方米水泥焦渣配合比表单位:立方米陶粒砼配合比表单位:立方米普通砼配合比表单位:立方米普通砼配合比续表单位:立方米特种砂浆、砼配合比表单位:立方米特种砂浆、砼配合比续表 1 单位:立方米特种砂浆、砼配合比续表 2 单位:立方米特种砂浆、砼配合比续表 3 单位:立方米特种砂浆、砼配合比续表 4 单位:立方米摘自北京市建设工程概算定额建筑工程第一册土建(下册)注:(1)采用细砂配制混凝土时,每立方米混凝土的水泥用量增加4%;(2)表列各种混凝土标号的水泥用量,系按机器捣固计算,如果用人工捣固时,每立方米混凝土应增加水泥用量25kg;材料消耗数量已包括场内运输及操作损耗在内;(4)公路水下构造物每立方米混凝土水泥用量机械捣固不应少于240kg,人工捣固不应少于265kg;(5)采用输送泵输送混凝土时,混凝土的运输与操作损耗按4%计算;(6)采用输送泵输送混凝土时,每10m3混凝土拌和与养生用水为:现浇混凝土基础18m3 现浇混凝土上部构造21m3现浇混凝土下部构造18m3 预制混凝土22m31、根据定额配合比表得:每立方M7.5混合砂浆中,P.S32.5水泥用量0.277T,细砂1.23m3,石灰膏76kg,水0.34m3。
每立方M5.0混合砂浆中,P.S32.5水泥用量0.245T,细砂1.23m3,石灰膏107kg,水0.32m3。
2、假设材料单价如下:P.S32.5水泥450元/T;细砂60/m3;石灰膏0.2元/kg;水2元/m3。
干混砂浆传统砂浆混凝土配合比表Coca-cola standardization office【ZZ5AB-ZZSYT-ZZ2C-ZZ682T-ZZT18】普通干粉砂浆与传统砂浆分类对应表砂浆、混凝土配合比表水泥砂浆配合比表单位:立方米石灰砂浆配合比表单位:立方米混合砂浆配合比表单位:立方混合砂浆配合比续表单位:立方砌筑砂浆配合比表单位:立方米1、水泥强度等级与水泥标号对照表其它灰浆浆比表单位:立方米其它灰浆浆比续表单位:立方米水泥石碴(豆石)浆配合比表单位:立方豆石砼及灰土配合比表单位:立方米水泥蛭石(珍珠岩)配合比表单位:立方米水泥焦渣配合比表单位:立方米陶粒砼配合比表单位:立方米普通砼配合比表单位:立方米普通砼配合比续表单位:立方米特种砂浆、砼配合比表单位:立方米特种砂浆、砼配合比续表 1 单位:立方米特种砂浆、砼配合比续表 2 单位:立方米特种砂浆、砼配合比续表 3 单位:立方米特种砂浆、砼配合比续表 4 单位:立方米摘自北京市建设工程概算定额建筑工程第一册土建(下册)混凝土配合比表时间:2007-6-26 10:05:48??? 来自:??? 作者:单位:1m3混凝土(1)采用细砂配制混凝土时,每立方米混凝土的水泥用量增加4%;(2)表列各种混凝土标号的水泥用量,系按机器捣固计算,如果用人工捣固时,每立方米混凝土应增加水泥用量g;?(3) 材料消耗数量已包括场内运输及操作损耗在内;(4)公路水下构造物每立方米混凝土水泥用量机械捣固不应少于240kg,人工捣固不应少于265kg;(5)采用输送泵输送混凝土时,混凝土的运输与操作损耗按4%计算;(6)采用输送泵输送混凝土时,每10m3混凝土拌和与养生用水为:现浇混凝土基础 18m3 现浇混凝土上部构造 21m3现浇混凝土下部构造 18m3 预制混凝土 22m3。
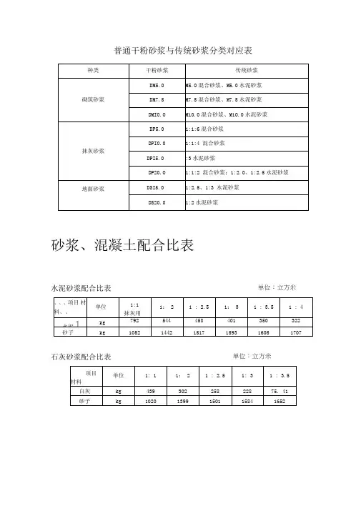
仅供参考普通干粉砂浆与传统砂浆分类对应表
砂浆、混凝土配合比表
水泥砂浆配合比表单位:立方米
石灰砂浆配合比表单位:立方米
混合砂浆配合比表单位:立方米
混合砂浆配合比续表单位:立方米
砌筑砂浆配合比表单位:立方米
1、水泥强度等级与水泥标号对照表
其它灰浆浆比表单位:立方米
其它灰浆浆比续表单位:立方米
水泥石碴(豆石)浆配合比表单位:立方米
豆石砼及灰土配合比表单位:立方米
水泥蛭石(珍珠岩)配合比表单位:立方米
水泥焦渣配合比表单位:立方米
陶粒砼配合比表单位:立方米
普通砼配合比表单位:立方米
普通砼配合比续表单位:立方米
特种砂浆、砼配合比表单位:立方米
特种砂浆、砼配合比续表 1 单位:立方米
特种砂浆、砼配合比续表 2 单位:立方米
特种砂浆、砼配合比续表 3 单位:立方米
特种砂浆、砼配合比续表 4 单位:立方米
摘自北京市建设工程概算定额建筑工程第一册土建(下册)
1、根据定额配合比表得:每立方
(1)单价:450*+60*+*130+2*=元/m3
(2)混合砂浆单价:450*+60*+*107+2*=元/m3。
普通干粉砂浆与传统砂浆分类对应表砂浆、混凝土配合比表水泥砂浆配合比表单位:立方米石灰砂浆配合比表单位:立方米混合砂浆配合比表单位:立方米混合砂浆配合比续表单位:立方米砌筑砂浆配合比表单位:立方米1、水泥强度等级与水泥标号对照表其它灰浆浆比表单位:立方米其它灰浆浆比续表 单位:立方米水泥石碴(豆石)浆配合比表 单位:立方米豆石砼及灰土配合比表单位:立方米水泥蛭石(珍珠岩)配合比表 单位:立方米水泥焦渣配合比表单位:立方米陶粒砼配合比表单位:立方米普通砼配合比续表单位:立方米特种砂浆、砼配合比表单位:立方米特种砂浆、砼配合比续表 1 单位:立方米特种砂浆、砼配合比续表 2 单位:立方米特种砂浆、砼配合比续表 3 单位:立方米特种砂浆、砼配合比续表 4 单位:立方米摘自北京市建设工程概算定额建筑工程第一册土建(下册)注:(1)采用细砂配制混凝土时,每立方米混凝土的水泥用量增加4%;(2)表列各种混凝土标号的水泥用量,系按机器捣固计算,如果用人工捣固时,每立方米混凝土应增加水泥用量25kg;) 材料消耗数量已包括场内运输及操作损耗在内;(4)公路水下构造物每立方米混凝土水泥用量机械捣固不应少于240kg,人工捣固不应少于265kg;(5)采用输送泵输送混凝土时,混凝土的运输与操作损耗按4%计算;(6)采用输送泵输送混凝土时,每10m3混凝土拌和与养生用水为:现浇混凝土基础18m3 现浇混凝土上部构造21m3现浇混凝土下部构造18m3 预制混凝土22m31、根据定额配合比表得:每立方M7.5混合砂浆中,P。
S32.5水泥用量0。
277T,细砂1。
23m3,石灰膏76kg,水0.34m3。
每立方M5.0混合砂浆中,P.S32.5水泥用量0。
245T,细砂1.23m3,石灰膏107kg,水0.32m3.2、假设材料单价如下:P.S32。
5水泥450元/T;细砂60/m3;石灰膏0。
2元/kg;水2元/m3。
则:(1)M7。
单位:立方米
单位:立方米
普通干粉砂浆与传统砂浆分类对应表
砂浆、混凝土配合比表
水泥砂浆配合比表
石灰砂浆配合比表
单位:立方米
单位:立方米
单位:立方米
混合砂浆配合比表
混合砂浆配合比续表
砌筑砂浆配合比表
1、水泥强度等级与水泥标号对照表
抹灰砂浆配合比表
其它灰浆浆比表单位:立方米
其它灰浆浆比续表单位:立方米
单位:立方米
水泥石碴(豆石)浆配合比表
单位:立方米
豆石砼及灰土配合比表
水泥蛭石(珍珠岩)配合比表
单位:立方米
水泥焦渣配合比表
单位:立方米。
普通干粉砂浆与传统砂浆分类对应表
砂浆、混凝土配合比表
水泥砂浆配合比表单位:立方米
石灰砂浆配合比表单位:立方米
混合砂浆配合比表单位:立方米
混合砂浆配合比续表单位:立方米
砌筑砂浆配合比表单位:立方米
1
、水泥强度等级与水泥标号对照表
其它灰浆浆比表单位:立方米
其它灰浆浆比续表单位:立方米
水泥石碴(豆石)浆配合比表单位:立方米
豆石砼及灰土配合比表单位:立方米
水泥蛭石(珍珠岩)配合比表单位:立方米
水泥焦渣配合比表单位:立方米
陶粒砼配合比表单位:立方米
普通砼配合比表单位:立方米
普通砼配合比续表单位:立方米
特种砂浆、砼配合比表单位:立方米
特种砂浆、砼配合比续表1 单位:立方米
特种砂浆、砼配合比续表2 单位:立方米
特种砂浆、砼配合比续表3 单位:立方米
特种砂浆、砼配合比续表4 单位:立方米
摘自北京市建设工程概算定额建筑工程第一册土建(下册)
材料消耗数量已包括场内运输及操作损耗在内;
(4)公路水下构造物每立方米混凝土水泥用量机械捣固不应少于240kg,人工捣固不应少于265kg;
(5)采用输送泵输送混凝土时,混凝土的运输与操作损耗按4%计算;
(6)采用输送泵输送混凝土时,每10m3混凝土拌和与养生用水为:
现浇混凝土基础18m3 现浇混凝土上部构造21m3
现浇混凝土下部构造18m3 预制混凝土22m3。
砂浆、混凝土配合比表水泥砂浆配合比表石灰砂浆配合比表混合砂浆配合比表混合砂浆配合比续表单位:立方米砌筑砂浆配合比表单位:立方米单位:立方米单位:立方米单位:立方米1、水泥强度等级与水泥标号对照表其它灰浆浆比表单位:立方米其它灰浆浆比续表单位:立方米水泥石碴(豆石)浆配合比表单位:立方米豆石砼及灰土配合比表单位:立方米水泥蛭石(珍珠岩)配合比表单位:立方米水泥焦渣配合比表单位:立方米粒砼配合比表普通砼配合比表单位:立方米普通砼配合比续表单位:立方米单位:立方米特种砂浆、砼配合比表单位:立方米特种砂浆、砼配合比续表 1 单位:立方米Array特种砂浆、砼配合比续表 2 单位:立方米特种砂浆、砼配合比续表 3 单位:立方米特种砂浆、砼配合比续表 4 单位:立方米单位:1m3混凝土续上表单位:1m3混凝土续上表单位:1m3混凝土续上表单位:1m3混凝土续上表单位:1m3混凝土注:(1)采用细砂配制混凝土时,每立方米混凝土的水泥用量增加4%;⑵表列各种混凝土标号的水泥用量,系按机器捣固计算,如果用人工捣固时,每立方米混凝土应增加水泥用量25kg;(3) 材料消耗数量已包括场内运输及操作损耗在内;⑷公路水下构造物每立方米混凝土水泥用量机械捣固不应少于240kg,人工捣固不应少于265kg;(5)采用输送泵输送混凝土时,混凝土的运输与操作损耗按4%计算;(6)采用输送泵输送混凝土时,每10m3混凝土拌和与养生用水为:现浇混凝土基础18m3现浇混凝土上部构造21m3现浇混凝土下部构造18m3预制混凝土 22m3。
仅供参考普通干粉砂浆与传统砂浆分类对应表砂浆、混凝土配合比表水泥砂浆配合比表单位:立方米石灰砂浆配合比表单位:立方米混合砂浆配合比表单位:立方米混合砂浆配合比续表单位:立方米砌筑砂浆配合比表单位:立方米1其它灰浆浆比表单位:立方米其它灰浆浆比续表单位:立方米水泥石碴(豆石)浆配合比表单位:立方米豆石砼及灰土配合比表单位:立方米水泥蛭石(珍珠岩)配合比表单位:立方米水泥焦渣配合比表单位:立方米陶粒砼配合比表单位:立方米普通砼配合比表单位:立方米普通砼配合比续表单位:立方米特种砂浆、砼配合比表单位:立方米特种砂浆、砼配合比续表 1 单位:立方米特种砂浆、砼配合比续表 2 单位:立方米特种砂浆、砼配合比续表 3 单位:立方米特种砂浆、砼配合比续表 4 单位:立方米摘自北京市建设工程概算定额建筑工程第一册土建(下册)混凝土配合比表注:(1)采用细砂配制混凝土时,每立方米混凝土的水泥用量增加4%;(2)表列各种混凝土标号的水泥用量,系按机器捣固计算,如果用人工捣固时,每立方米混凝土应增加水泥用量25kg;材料消耗数量已包括场内运输及操作损耗在内;(4)公路水下构造物每立方米混凝土水泥用量机械捣固不应少于240kg,人工捣固不应少于265kg;(5)采用输送泵输送混凝土时,混凝土的运输与操作损耗按4%计算;(6)采用输送泵输送混凝土时,每10m3混凝土拌和与养生用水为:现浇混凝土基础18m3 现浇混凝土上部构造21m3现浇混凝土下部构造18m3 预制混凝土22m31、根据定额配合比表得:每立方M7.5混合砂浆中,P.S32.5水泥用量0.277T,细砂1.23m3,石灰膏76kg,水0.34m3。
每立方M5.0混合砂浆中,P.S32.5水泥用量0.245T,细砂1.23m3,石灰膏107kg,水0.32m3。
2、假设材料单价如下:P.S32.5水泥450元/T;细砂60/m3;石灰膏0.2元/kg;水2元/m3。
混凝⼟、砂浆配合⽐及材料⽤量表混凝⼟、砂浆配合⽐及材料⽤量表1、混凝⼟配合⽐有关说明(1) 除碾压混凝⼟材料配合参考表外,⽔泥混凝⼟强度等级均以28d龄期⽤标准试验⽅法测得的具有95%保证率的抗压强度标准值确定,如设计龄期超过28d,按表7-1系数换算。
计算结果如介于两种强度等级之间,应选⽤⾼⼀级的强度等级。
表7-1(2) 混凝⼟配合⽐表中混凝⼟⾻料按卵⽯、粗砂拟定,如改⽤碎⽯或中、细砂,按表7-2系数换算。
表7-2注:⽔泥按重量计,砂、⽯⼦、⽔按体积计。
(3) 混凝⼟细⾻料的划分标准为:细度模数 3.19~3.85(或平均粒径1.2~2.5mm)为粗砂;细度模数 2.5~3.19(或平均粒径0.6~1.2mm)为中砂;细度模数1.78~2.5(或平均粒径0.3~0.6mm)为细砂;细度模数0.9~1.78(或平均粒径0.15~0.3mm)为特细砂。
(4) 埋块⽯混凝⼟,应按配合⽐表的材料⽤量,扣除埋块⽯实体的数量计算。
①埋块⽯混凝⼟材料量=配合表列材料⽤量×(1-埋块⽯量%)l块⽯实体⽅=1.67码⽅②因埋块⽯增加的⼈⼯见表7-3。
表7-3注:不包括块⽯运输及影响浇筑的⼯时。
(5) 有抗渗抗冻要求时,按表7-4⽔灰⽐选⽤混凝⼟强度等级。
表7-4(6) 除碾压混凝⼟材料配合参考表外,混凝⼟配合表的预算量包括搅拌场内运输及操作损耗在内。
不包括搅拌后(熟料)的运输和浇筑损耗。
(7) ⽔泥⽤量按机械拌和拟定,若系⼈⼯拌和,⽔泥⽤量增加5%。
(8) 按照国际标准(ISO3893)的规定,且为了与其他规范相协调,混凝⼟及砂浆配合⽐按强度等级表⽰。
2.纯混凝⼟材料配合⽐及材料⽤量纯混凝⼟材料配合⽐及材料⽤量见表7-7。
3.掺外加剂混凝⼟材料配合⽐及材料⽤量掺外加剂混凝⼟材料配合⽐及材料⽤量见表7-8。
4.掺粉煤灰混凝⼟材料配合⽐及材料⽤量掺粉煤灰混凝⼟材料配合⽐及材料⽤量见表7-9~表7-11。
5.碾压混凝⼟材料配合碾压混凝⼟材料配合参考表见表7-12。
普通干粉砂浆与传统砂浆分类对应表
砂浆、混凝土配合比表
水泥砂浆配合比表单位:立方米
石灰砂浆配合比表单位:立方米
混合砂浆配合比表单位:立方米
混合砂浆配合比续表单位:立方米
砌筑砂浆配合比表单位:立方米
1
、水泥强度等级与水泥标号对照表
其它灰浆浆比表单位:立方米
其它灰浆浆比续表单位:立方米
水泥石碴(豆石)浆配合比表单位:立方米
豆石砼及灰土配合比表单位:立方米
水泥蛭石(珍珠岩)配合比表单位:立方米
水泥焦渣配合比表单位:立方米
陶粒砼配合比表单位:立方米
普通砼配合比表单位:立方米
普通砼配合比续表单位:立方米
特种砂浆、砼配合比表单位:立方米
特种砂浆、砼配合比续表1 单位:立方米
特种砂浆、砼配合比续表2 单位:立方米
特种砂浆、砼配合比续表3 单位:立方米
特种砂浆、砼配合比续表4 单位:立方米
摘自北京市建设工程概算定额建筑工程第一册土建(下册)
材料消耗数量已包括场内运输及操作损耗在内;
(4)公路水下构造物每立方米混凝土水泥用量机械捣固不应少于240kg,人工捣固不应少于265kg;
(5)采用输送泵输送混凝土时,混凝土的运输与操作损耗按4%计算;
(6)采用输送泵输送混凝土时,每10m3混凝土拌和与养生用水为:
现浇混凝土基础18m3 现浇混凝土上部构造21m3
现浇混凝土下部构造18m3 预制混凝土22m3。
普通干粉砂浆与传统砂浆分类对应表
砂浆、混凝土配合比表
水泥砂浆配合比表单位:立米
灰砂浆配合比表单位:立米
混合砂浆配合比表单位:立米
混合砂浆配合比续表单位:立米
砌筑砂浆配合比表单位:立米
1、水泥强度等级与水泥标号对照表
其它灰浆浆比表单位:立米
其它灰浆浆比续表单位:立米
水泥碴(豆)浆配合比表单位:立米
豆砼及灰土配合比表单位:立米
水泥蛭(珍珠岩)配合比表单位:立米
水泥焦渣配合比表单位:立米
粒砼配合比表单位:立米
普通砼配合比表单位:立米
普通砼配合比续表单位:立米
特种砂浆、砼配合比表单位:立米
特种砂浆、砼配合比续表1 单位:立米
特种砂浆、砼配合比续表2 单位:立米
特种砂浆、砼配合比续表3 单位:立米
特种砂浆、砼配合比续表4 单位:立米
摘自北京市建设工程概算定额建筑工程第一册土建(下册)。
普通干粉砂浆与传统砂浆分类对应表砂浆、混凝土配合比表水泥砂浆配合比表单位:立方米石灰砂浆配合比表单位:立方米混合砂浆配合比表单位:立方米混合砂浆配合比续表单位:立方米砌筑砂浆配合比表单位:立方米1、水泥强度等级与水泥标号对照表其它灰浆浆比表单位:立方米其它灰浆浆比续表单位:立方米水泥石碴(豆石)浆配合比表单位:立方米豆石砼及灰土配合比表单位:立方米水泥蛭石(珍珠岩)配合比表单位:立方米水泥焦渣配合比表单位:立方米陶粒砼配合比表单位:立方米普通砼配合比表单位:立方米普通砼配合比续表单位:立方米特种砂浆、砼配合比表单位:立方米特种砂浆、砼配合比续表1 单位:立方米特种砂浆、砼配合比续表2 单位:立方米特种砂浆、砼配合比续表3 单位:立方米特种砂浆、砼配合比续表4 单位:立方米摘自北京市建设工程概算定额建筑工程第一册土建(下册)注:(1)采用细砂配制混凝土时,每立方米混凝土的水泥用量增加4%;(2)表列各种混凝土标号的水泥用量,系按机器捣固计算,如果用人工捣固时,每立方米混凝土应增加水泥用量25kg;材料消耗数量已包括场运输及操作损耗在;(4)公路水下构造物每立方米混凝土水泥用量机械捣固不应少于240kg,人工捣固不应少于265kg;(5)采用输送泵输送混凝土时,混凝土的运输与操作损耗按4%计算;(6)采用输送泵输送混凝土时,每10m3混凝土拌和与养生用水为:现浇混凝土基础18m3 现浇混凝土上部构造21m3现浇混凝土下部构造18m3 预制混凝土22m31、根据定额配合比表得:每立方M7.5混合砂浆中,P.S32.5水泥用量0.277T,细砂1.23m3,石灰膏76kg,水0.34m3。
每立方M5.0混合砂浆中,P.S32.5水泥用量0.245T,细砂1.23m3,石灰膏107kg,水0.32m3。
2、假设材料单价如下:P.S32.5水泥450元/T;细砂60/m3;石灰膏0.2元/kg;水2元/m3。
各类混凝土各类砂浆配
合比表
Company number:【0089WT-8898YT-W8CCB-BUUT-202108】
仅供参考普通干粉砂浆与传统砂浆分类对应表
砂浆、混凝土配合比表
水泥砂浆配合比表单位:立方米
石灰砂浆配合比表单位:立方米
混合砂浆配合比表单位:立方米
混合砂浆配合比续表单位:立方米
砌筑砂浆配合比表单位:立方米
1、水泥强度等级与水泥标号对照表
其它灰浆浆比表单位:立方米
其它灰浆浆比续表单位:立方米
水泥石碴(豆石)浆配合比表单位:立方米
豆石砼及灰土配合比表单位:立方米
水泥蛭石(珍珠岩)配合比表单位:立方米
水泥焦渣配合比表单位:立方米
陶粒砼配合比表单位:立方米
普通砼配合比表单位:立方米
普通砼配合比续表单位:立方米
特种砂浆、砼配合比表单位:立方米
特种砂浆、砼配合比续表 1 单位:立方米
特种砂浆、砼配合比续表 2 单位:立方米
特种砂浆、砼配合比续表 3 单位:立方米
特种砂浆、砼配合比续表 4 单位:立方米
摘自北京市建设工程概算定额建筑工程第一册土建(下册)
g;
(3) 材料消耗数量已包括场内运输及操作损耗在内;
(4)公路水下构造物每立方米混凝土水泥用量机械捣固不应少于240kg,人工捣固不应少于265kg;
(5)采用输送泵输送混凝土时,混凝土的运输与操作损耗按4%计算;
(6)采用输送泵输送混凝土时,每10m3混凝土拌和与养生用水为:
现浇混凝土基础 18m3 现浇混凝土上部构造 21m3
现浇混凝土下部构造 18m3 预制混凝土 22m3
1、根据定额配合比表得:每立方
(1)单价:450*+60*+*130+2*=元/m3
(2)混合砂浆单价:450*+60*+*107+2*=元/m3。