烟道计算式
- 格式:doc
- 大小:30.50 KB
- 文档页数:4
烟灶的风量计算公式烟灶是厨房中常见的设备,用于排出烹饪过程中产生的烟雾和油烟。
在使用烟灶的过程中,风量是一个重要的参数,它决定了烟灶的排烟效果和能耗。
因此,正确计算烟灶的风量对于厨房的环境和能源消耗都有着重要的意义。
下面我们将介绍烟灶的风量计算公式及其相关知识。
烟灶的风量计算公式通常包括以下几个参数,炉具的功率、炉具的排烟量、烟道的长度、烟道的截面积、烟道的阻力损失、风机的效率等。
其中,炉具的功率是指炉灶在工作时产生的热量,通常以千瓦(kW)为单位。
炉具的排烟量是指炉灶在工作时产生的烟雾和油烟的体积,通常以立方米/小时(m³/h)为单位。
烟道的长度是指烟道从炉具到排烟口的实际长度,通常以米(m)为单位。
烟道的截面积是指烟道横截面的面积,通常以平方米(m²)为单位。
烟道的阻力损失是指烟道在排烟过程中受到的阻力损失,通常以帕斯卡(Pa)为单位。
风机的效率是指烟灶中使用的风机的效率,通常以百分比(%)表示。
烟灶的风量计算公式可以表示为:风量 = (炉具的功率×炉具的排烟量) / (烟道的长度×烟道的截面积×烟道的阻力损失×风机的效率)。
在实际应用中,烟灶的风量计算可以根据具体的情况进行调整。
例如,如果烟道的长度较长,烟道的阻力损失较大,或者烟道中存在弯曲等情况,都会影响烟灶的排烟效果,需要对风量进行相应的调整。
此外,烟灶的风量计算还需要考虑到烟灶的使用频率、厨房的面积、烹饪的种类等因素,以确保烟灶在实际使用中能够达到良好的排烟效果。
除了烟灶的风量计算公式,烟灶的风量还可以通过实际测量和调试来确定。
在实际使用中,可以通过安装风量计或者使用烟雾测试仪等设备来测量烟灶的排烟效果,然后根据测量结果对烟灶的风量进行调整。
通过实际测量和调试,可以更准确地确定烟灶的风量,从而提高烟灶的排烟效果和能源利用率。
总之,烟灶的风量是烟灶排烟效果和能源消耗的重要参数,正确计算烟灶的风量对于厨房的环境和能源消耗都有着重要的意义。
CEMS相关测量参计算公式
1:标杆烟气流量公式:y:烟气流量:x1实测流速:x2烟道面积:x3实测温度:x4实测压力:x5实测湿度:x6当地大气压:273标态温度。
标干烟气流量计算公式:y=3600*x1*x2*[(x6+x4)/101325pa]*273/(273+x3)*(1-x5/100)
2:烟气流速环保验收指标
a:CEMS流速>10m/s时,相对误差≦±10%
b:CEMS流速≦10m/s时,相对误差≦±12%
3:CEMS流速Y计算公式
Y=x1*x2*x4+x3
X1---实际流速X2---斜率K值(默认为1)X3截距b值(默认为0)X4---速度场系数(建议设置为1.25-1.30之间)
流速相对误差=(CEMS流速-手工测量流速)/手工测量流速×100% 4:皮托管系数
见设备标识(一般默认为0.83-0.84)
5:烟气湿基换算干基
干基值=湿基值/(1-湿度%)
6:折算值计算公式
折算值=实测干基值mg*[(21-11)/(21-实测氧)]
7:过量空气系数
水泥厂1.91 电厂1.4 垃圾2.1
8:mg与PPm换算公式
PPm=Mg浓度*22.4/气体分子量
9:TOC碳氢化合物mg=12C分子量/C3H8分子量(12*3+8=44)*测量值mg*3(三个碳原子)mg=C3H4分子量(12*3+8=44)/22.4*测量值PPm 10:浓度与电流换算公式
a:实测浓度计算公式:(测量电流mA-4)/16*量程=实测浓度
b:显示浓度换算输出电流mA的计算公式:(显示值-零点值)÷(量程-零点)×16+4mA=目前测量值电流
应用部四组:王京。
算表2800KW800KW 1700KW 1. 锅炉烟气量V y (m 3/h) -烟气量2400017003200注:供应商提供烟道(囱)内径,m 1.20.40.5烟囱出口内径, m1.20.40.50.52.烟道阻力1) 烟道摩擦阻力Δh m (Pa) -29.186.751.1λ -0.030.030.03注:按附表三选取L (m) -507062d dL (m) - 1.20.40.5按照当量直径计算注释:F (m2) --U (m) --ρ (kg/m 3) - 1.34 2.34 1.34ω (m/s) - 5.9 3.8 4.52) 烟道局部阻力Δh j = ζ*ω2*ρ/2Δh j (Pa) -79.644.647.0局部阻力3.422.73.423.烟囱阻力1) 烟囱摩擦阻力Δh m (Pa) -32.025.529.7λ -0.030.030.03注:按附表三选取H (m) -553636d dL (m) - 1.20.40.5按照当量直径计算ρ (kg/m 3) - 1.34 1.34 1.34ω (m/s) - 5.9 3.8 4.52) 烟囱局部阻力Δhj (Pa) -22.718.99.7确保出口流速>2.5m/s 局部阻力Δh m = λ*H /d dL *ρ*ω2/2Δh m = λ*L/d dL *ρ*ω2/2摩擦阻力摩擦阻力系数管道长度管道当量直径。
对圆形管道,ddL为其内径;对非圆形管道,ddL=4F/U;管道截面积管道壁面的接触周界空气(烟气)密度空气(烟气)流速局部阻力按照图纸统计数量按附录五选取阻力系数Δh j = ζ*ω2*ρ/2局部阻力按照图纸统计数量按附录五选取阻力系数摩擦阻力摩擦阻力系数烟囱高度管道当量直径。
对圆形管道,ddL为其内径;对非圆形管道,ddL=4F/U;空气(烟气)密度空气(烟气)流速算表4.烟囱抽力S y = H(3459/(S y (Pa) -烟囱抽力231.4157.3157.3H (m) -烟囱高度54.036.036.0注:包含锅炉出口至烟囱进口间烟道垂直段4.5mt k (℃) -外界空气温度555注:夏季最不利工况时t pj (℃) -烟囱内烟气平均温166.5171171t y1 (℃) -烟囱入口温度180180180Δt (℃) -烟囱每米的温降0.50.50.5注:按附表四选取C p -大气压力修正系数 1.0 1.0 1.0注:按附表一选取5.引风机计算1)系统阻力ΣΔh y =(ΔhL+ΔΔhy (Pa) -烟气系统阻力213.4175.8137.4ΔhL (Pa) -炉膛负压50.00.0注:考虑出口微正压Δhg (Pa) -锅炉本体阻力0.00.00.0Δhs (Pa) -省煤气阻力0.00.00.0Δhk-y (Pa) -空气预热器烟气阻0.00.00.0Δhc (Pa) -除尘器阻力0.00.00.0注:无除尘设备Δhm (Pa) -烟道摩擦阻力29.186.751.1Δhj (Pa) -烟道局部阻力79.644.647.0Δhyc (Pa) -烟囱阻力(包括烟54.744.539.42)引风机风压(Pa)H2 =1.2*(Σ-3637C y t2烟气的温度校正系 1.73 1.73注:按附表二选取Cy烟气介质密度修正0.9650.9653) 引风机的风量(m3/h)V=1.10*V y*C t1k*C p264003740C t1y-烟气的温度校正系 1.00 2.00注:按附表二选取注释说明:供应商提供数据输入数据输出数注:锅炉鼓风机承担(通常情况下)附表一:附表五:附表一:附表二:附表二:附表三:附表三:附表四:附表四:。
烟囱计算公式范文
1.烟气排放速度计算公式:
烟气排放速度是指单位时间内从烟囱排放的烟气体积。
烟气排放速度的计算公式为:
V = (55.52 * Q * (Tg - Ta)) / (Patm * √(Ts + 273.15 + 273.15))
其中,V为烟气排放速度(m/s);
Q为烟气流量(m³/s);
Tg为烟气温度(℃);
Ta为环境温度(℃);
Patm为大气压力(Pa);
Ts为烟气中的湿度(%)。
2.烟囱的阻力计算公式:
烟囱的阻力是指烟气通过烟囱时所受到的阻力。
烟囱的阻力计算公式为:
ΔP=(0.09*H*V^2)/(D^2)
其中,ΔP为烟囱的阻力(Pa);
H为烟囱的高度(m);
V为烟气排放速度(m/s);
D为烟囱的内径(m)。
3.烟道的承重能力计算公式:
烟道的承重能力是指烟囱所能承受的最大荷载。
F=(π*D^2*σ*γ)/4
其中,F为烟道的承重能力(N);
D为烟道的内径(m);
σ为烟道材料的抗拉强度(N/m²);
γ为烟道材料的密度(kg/m³)。
以上就是烟囱计算的基本公式,可以根据实际情况进行计算。
当然,实际计算中还需要考虑更多的因素,如烟囱的材料特性、烟道的几何结构以及烟囱的热工参数等。
因此,在具体计算中还需要结合实际情况进行详细计算。
排烟管道怎样计算公式排烟管道是工业生产中常见的设备,它的设计和计算对于保证生产环境的清洁和安全至关重要。
排烟管道的计算需要考虑很多因素,比如排烟量、管道材质、管道长度、管道直径等等。
在本文中,我们将详细介绍排烟管道的计算公式和相关知识,希望能够对大家有所帮助。
一、排烟量的计算公式。
排烟量是指单位时间内排放的烟气量,通常以立方米/小时为单位。
排烟量的计算公式如下:Q = V A C。
其中,Q为排烟量,单位为m³/h;V为排烟速度,单位为m/s;A为烟气截面积,单位为m²;C为烟气浓度,单位为mg/m³。
排烟速度V的计算公式为:V = (4 Q) / (π D²)。
其中,D为排烟管道的直径,单位为m。
烟气截面积A的计算公式为:A = π D² / 4。
烟气浓度C的计算需要根据具体的烟气成分和浓度来确定,通常需要进行烟气分析实验。
通过以上公式,我们可以计算出排烟管道的排烟量,从而确定排烟管道的设计参数。
二、排烟管道的材质选择。
排烟管道的材质选择是非常重要的一步,它直接关系到排烟管道的耐高温性能、耐腐蚀性能、密封性能等。
常见的排烟管道材质有不锈钢、碳钢、玻璃钢等。
不同的材质有不同的特点和适用范围,因此在选择排烟管道材质时需要考虑到具体的使用环境和要求。
不锈钢排烟管道具有耐高温、耐腐蚀、易清洁等特点,适用于高温、腐蚀性较强的排烟环境。
碳钢排烟管道价格较低,但耐腐蚀性能较差,适用于一般的排烟环境。
玻璃钢排烟管道具有良好的耐腐蚀性能,但耐高温性能较差,适用于一般的腐蚀性较强的排烟环境。
在选择排烟管道材质时,需要综合考虑以上因素,选取最适合的材质来保证排烟管道的安全和稳定运行。
三、排烟管道的长度计算。
排烟管道的长度计算是指根据具体的使用场景和布局来确定排烟管道的长度。
排烟管道的长度需要考虑到烟气的输送距离、管道的弯曲和分支、管道的阻力损失等因素。
排烟管道的长度计算可以根据以下公式来进行:L = ∑(ΔP / ρ) (1 / (2 g) + (V / D)²)。
排烟风管尺寸计算公式
排烟风管面积的计算公式如下:
A=Q/V
其中,A为烟道面积,Q为排烟系统的风量,V为烟道的气流速度。
在实际应用中,一般根据不同场所的排烟需求,确定需要的排烟风量Q。
例如,在一般商业建筑中,排烟量可以按照每平方米3立方米来计算。
然后,根据烟道的气流速度确定烟道面积。
一般建议烟道的气流速度
为10-15米/秒。
对于排烟系统中的主排烟管道,通常选取气流速度为10
米/秒。
例如,如果需要排烟系统的风量为5000立方米/小时,且烟道的气流
速度为10米/秒,则烟道面积计算如下:
A=5000/(10*1000/3600)=5.4平方米
根据此面积,可以选取相应的烟道尺寸,例如方形风管的尺寸可以选
择2.6m×2.1m。
需要注意的是,排烟系统中的烟道尺寸还要考虑其他因素,例如矩形
风管的长度不得超过6米,通道的曲线半径等。
此外,还需要结合排烟系统的具体情况,考虑烟道内的阻力损失、管
道材料的选择等因素。
排烟系统的设计和安装通常需要由专业的工程师进行,以保证系统的正常运行。
总结起来,排烟风管尺寸的计算可根据排烟系统的风量和气流速度来
确定,需要根据实际情况进行细致的设计和选择。
烟道改造阻力数值分析
根据工艺图纸,按照实际尺寸,经Fluent软件分析后得出下列相关分析报告:
以上三图是按100%进风量计算,得出实际压损(包括烟道摩擦损失等)为:第一图(烟道进口),707Pa,917 Pa
第二图(中间弯管段),457.5Pa
第三图(风机前进风口),62.7Pa
总阻力:917+457.5+62.7=1437.2 Pa
以上三图是按75%进风量计算,得出实际压损(包括烟道摩擦损失等)为:第一图(烟道进口),707Pa,
第二图(中间弯管段),302.4Pa
第三图(风机前进风口),38Pa
总阻力:707+302.4+38=1047.4Pa
改造后,增加中间弯管段管道大小,弯管改为直管,风速降低明显,压损降低明显,但进风口,风机进口前端管路没有改变,此段压损不变,以上三图是按100%进风量计算,得出实际压损(包括烟道摩擦损失等)为:
第一图(烟道进口),687.5Pa,
第二图(中间弯管段),180.5Pa
第三图(风机前进风口),62.7Pa
总阻力:687.5+180.5+62.7=930.7Pa
注:风机前三通没有尺寸,未作分析,压降未计入烟道总压损。
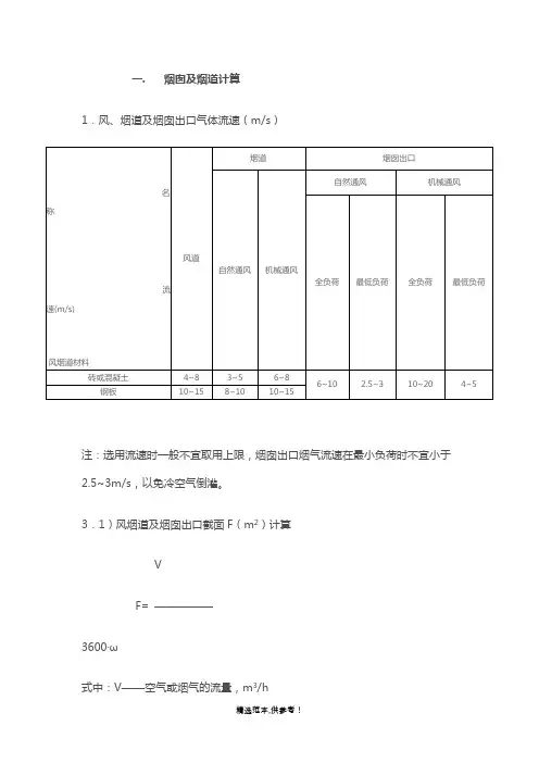
一. 烟囱及烟道计算
1.风、烟道及烟囱出口气体流速(m/s)
注:选用流速时一般不宜取用上限,烟囱出口烟气流速在最小负荷时不宜小于2.5~3m/s,以免冷空气倒灌。
3.1)风烟道及烟囱出口截面F(m2)计算
V
F= —————
3600·ω
式中:V——空气或烟气的流量,m3/h
ω——空气或烟气的流速,m/s。
2)层然炉单位容量(1t/h蒸汽或0.7MW热水)所需风、烟道及烟囱出口截面积(m2)
4.烟囱高度的规定
注:1)在烟囱周围半径200m的距离内有建筑物时,烟囱应高出最高建筑物3m以上
2)锅炉房总容量大于或等于29MW(40t/h)时,其烟囱高度应按环境影响评价要求确定,但不得低于45m。
5.各吨位锅炉烟囱上口直径推荐尺寸:。
锅炉烟气量烟尘二氧化硫量与浓度的计算
1.锅炉烟气量的计算:
烟气量(m³/h)=烟气流速(m/s)×烟道横截面积(m²)
其中,烟气流速可以通过测量烟道中烟气通过的速度来获得,烟道横
截面积可以通过横截面的尺寸来计算。
2.烟尘与二氧化硫的质量计算:
烟尘和二氧化硫的质量可以通过以下公式计算:
烟尘质量(kg/h)= 烟尘浓度(mg/m³)× 烟气量(m³/h) / 1000二氧化硫质量(kg/h)= 二氧化硫浓度(mg/m³)× 烟气量(m³/h)/ 1000
烟尘浓度和二氧化硫浓度可以通过烟气采样分析获得,并转换为毫克
/立方米的单位。
3.烟尘与二氧化硫的浓度计算:
烟尘浓度和二氧化硫浓度可以通过以下公式计算:
烟尘浓度(mg/m³)= 烟尘质量(kg/h)× 1000 / 烟气量(m³/h)二氧化硫浓度(mg/m³)= 二氧化硫质量(kg/h)× 1000 / 烟气量(m³/h)
以上公式中,烟尘质量和二氧化硫质量是通过烟尘和二氧化硫的质量
计算所得,烟气量是通过烟气量的计算所得。
总结一下,锅炉烟气量、烟尘、二氧化硫的计算需要先获得烟气流速和烟道横截面积,然后根据烟气量,结合烟尘和二氧化硫的浓度,可以计算出烟尘和二氧化硫的质量,进而计算出烟尘和二氧化硫的浓度。
这些计算对于对烟气排放进行监测和控制非常重要,以保护环境和人类健康。
Xxxxx(暂定名)【二期A物业发展项目】#楼烟道工程施工方案编制:审核:批准:编制单位:xxxxxxxxx编制时间:2009年6月14日目录一、烟道计算书 (2)1、膨胀螺栓抗拔计算 (2)2、焊缝计算 (3)3、膨胀螺栓的弯剪应力计算 (3)二、施工方法 (3)三、烟道出厂检验标志、搬运和堆放要求 (5)四、安装质量标准 (5)五、安全文明施工 (5)附件:附图:YD—001 YD—002 YD—003 YD—004 YD—005一、烟道计算书1、膨胀螺栓抗拔计算:按最大截面烟道、最大层高5.3m计算,经查:烟道每米重(最大截面烟道)为q = 66.7㎏(烟道厂家提供)。
烟道总长l = 5.3m,合计烟道总重量G = q×l =66.7×5.3m = 353.51㎏。
每个烟道下有两个支架(角铁与角铁间连接为满焊,焊缝高度≥6㎜,焊缝长度≥40㎜),支架上烟道荷载按集中荷载考虑,则每个支架承受的集中荷载为P = G/2 = 353.51/2 =176.76㎏,则其计算荷载为176.76×1.2=212.1㎏。
支架受力情况见下图:每个膨胀螺栓受力为T,支点为O,根据力矩平衡P×250 = T×166.7+T×333.4, 则T =106.06㎏,经查:每个M12膨胀螺栓的锚固值为p = 34.1KN = 3410㎏(试验室提供的2、焊缝计算本支架的焊缝采用手工焊,构件钢材为Q235钢,焊缝检验质量为一级。
角焊缝高度:最小值:h f≥1.5t1/2=1.5×61/2=3.67㎜,取6㎜;每段焊缝的计算长度:最小值l w≥40㎜;3、膨胀螺栓的弯剪应力计算本支架与墙连接采用两个M12膨胀螺栓,其强度设计值抗拉:f t=170N/㎜2,抗剪:f V=130N/㎜2;螺栓有效截面积:A C=0.843㎝2;本膨胀螺栓抗拉应力为:T/A C=1060.6/84.3=12.6N/㎜2<f t抗剪应力为:P/A C=2121/84.3=25.2N/㎜2<f V 所以,验算合格。
烟风道保温方量计算公式烟风道保温是工业设备中常见的一种保温方式,它能够有效地减少烟风道传热损失,提高设备的能效。
在进行烟风道保温时,需要计算保温材料的方量,以确保保温效果和节约材料。
本文将介绍烟风道保温方量计算公式的相关知识,并对其进行详细的解析。
烟风道保温方量计算公式的基本形式如下:V = (2πr + 2πrh) L。
其中,V表示保温材料的方量,r表示烟风道的内径,h表示保温层厚度,L表示烟风道的长度。
这个公式是根据烟风道的几何形状和保温层的厚度推导出来的,可以帮助工程师和施工人员快速准确地计算出所需的保温材料方量。
在使用这个公式进行计算时,需要注意以下几点:1. 烟风道的内径应该是指保温层的外径,即烟风道的实际内径加上两倍的保温层厚度。
这是因为保温层是包裹在烟风道外部的,所以在计算保温材料方量时需要考虑到这一点。
2. 烟风道的长度应该是指实际需要进行保温的长度,而不是整个烟风道的总长度。
在实际工程中,可能会有一些特殊情况需要排除在外,比如烟风道与其他设备的连接处、弯曲处等。
3. 保温层厚度的选择应该充分考虑到烟风道的使用环境和保温要求。
一般来说,保温层厚度越大,保温效果越好,但同时也会增加材料的使用量和成本。
因此需要综合考虑各种因素,选择合适的保温层厚度。
除了上述的基本公式之外,还有一些特殊情况需要特别注意。
比如在烟风道有支架或者其他附加设备的情况下,需要对公式进行修正,以确保计算结果的准确性。
此外,在烟风道的连接处、转角处等地方也需要进行特殊处理,以避免出现保温漏洞。
在实际工程中,烟风道保温方量计算公式是非常重要的工具。
它可以帮助工程师和施工人员快速准确地计算出所需的保温材料方量,为工程的顺利进行提供重要的支持。
同时,合理的保温材料方量计算也可以节约材料、降低成本,提高工程的经济效益。
除了烟风道保温方量计算公式之外,还有一些其他与保温相关的知识和技术需要掌握。
比如保温材料的选用、施工工艺、保温层的质量检测等等。
烟道工程量计算规则
嘿,朋友们!今天咱来好好唠唠烟道工程量计算规则。
你想想看啊,就像搭积木一样,得一块一块算清楚不是?烟道也是这个道理呀!比如说,咱先看它的长度。
那可不能瞎估摸,得从这头量到那头,精确得很呐!就像你量自己身高一样,得认真对待,不能马马虎虎呀!(哎呀,我上次量身高还踮了踮脚呢,嘿嘿)。
还有烟道的截面面积,这也很重要啊!好比说一个大箱子和一个小箱子,装的东西肯定不一样多呀。
烟道也是一样,截面大的和截面小的,工程量能一样吗?(这不是明摆着的嘛!)。
再讲讲烟道的材质,不同材质那计算起来能一样吗?就像铁和木头,性质都不一样呢!(这可比不上啊)。
咱在计算的时候可千万不能粗心大意,一旦算错了,那后面的事儿可都乱套了呀!这就跟走路一样,一步错步步错呀!(这多吓人呐!)。
我就碰到过有人马马虎虎算错了,结果工程进行到一半才发现问题,那可真是让人头疼啊!所以啊,咱可得认真对待,每一个细节都不能放过。
总的来说,烟道工程量计算规则就像是一个精准的导航,指引着我们准确地算出工程量,这样才能保证工程顺利进行,不出岔子呀!可不能小瞧它哦!。
目前新建住宅的厨房常采用集中排烟方式,该方式主要有变压式和止回阀式两种。
但根据使用情况了解到,这两种方式排烟能力普遍不足,在高层建筑中问题尤为突出。
部分住户烟气排不出去,还有的排烟系统中所有的住户厨房排烟效果均达不到要求。
对于住宅厨房排烟,以往利用的是自然通风计算方法,即忽略排油烟机静压,认为只是热压作用使得烟气从室内排至大气,各住户排油烟机的流量相等,事实并非如此。
自然通风的计算方法已不适用于现代住宅厨房排烟。
这是由于现在国内外生产的排油烟机流量大、风压高,烟气从室内经过烟道排至室外所依靠的动力主要是排油烟机提供的压力,而热压所起的作用很小。
本文利用流体动力学基本原理对住宅厨房集中排烟系统进行了理论计算,找出了影响排烟效果的因素,分析排烟系统出现排烟能力不足的原因,为更好地设计住宅厨房集中排烟系统提供理论依据。
1 集中排烟系统理论计算
图1是住宅厨房集中排烟系统示意图。
根据流体动力学原理,图1中第I层厨房烟气进入到烟道的能量的文程为:
式中pai——第i层室内空气压力,Pa;
ρy ——烟气密度,kg/m3;
υai——排油烟机进口处烟气流速,m/s;
Δpei——第i层排油烟精数全压,Pa;
pi——第i层烟道内压力,Pa;
υi1——第i层烟道内烟气平均流速,m/s;
ζ1——止回阀阻力系数,本文取ζ 2ζ/. 5;
ζhl——烟气由排烟短管流入烟道的局部阻力系数,本文取ζh1=0.0869~2.12;
qI ——第i层排油烟机流量,m/s3;
Ay——排烟短管横截面积,m2。
烟气从第i层刷至避风风帽出口处的能量方程为:
式中H0——层高,m;
g——重力加速度,m/s2;
pao——风帽出口处空气压力,Pa;
υo——风帽出口处烟气速度,m/s;
N——高层住宅楼总层数;
n——同时开机数;
λ——沿程阻力系数,本文λ=0.04;
de——烟道当量直径,m;
ζh2——烟道内烟气与排烟短管内烟气混合后的阻力系数,本文取:ζhl=0.089~2.12;
ζf——风帽阻力系数,本文取ζf=l.5。
烟气的连续性方程为:
式中A为烟道横截面积,m2。
根据文献[3],假设排油烟机的静压与流量呈线性关系,排油烟机的全压用下式表示:
式中pmax为排油烟机最大静压,Pa;qmax为排油烟机最大流量,m3/s。
对于有n台排油烟机同时运行的高层住宅厨房排烟系统,每层排油烟机的流量、全压、烟气压力及烟气流速均是未知数,整个排烟系统共有4n个未知数。
对每层厨房排烟可列出式(1)~(4)所示的4个方程,因此有4n个方程描述排烟系统。
本文应用迭代法求解由这4n个方程组成的非线性方程组。
2 计算结果分析
本文对不同的住宅厨房排烟系统进行了计算,计算参数见表1。
表1中A,B系统计算参数分别来自96沪J/T—104图集和赣99J904图集,C系统计算参数来自文献[2]。
以上各系统按同时开机户集中于下部楼层的最不利情况考虑,排油烟机最大静压290Pa,最大流量900m3/h。
图2是A,B,C3个排烟系统运行中排油烟机流量随楼层变化的曲线图。
从图中可见:对于同一系统而言,上部楼层排油烟机流量随着楼层数的降低而下降,下降的幅度逐层减小。
其原因是楼层降低时,烟道内烟气的热压虽有增加,但是烟气从室内经烟道排至大气所经过的路程加长,烟气的阻力损失增大,当阻力损失的增量远大于热压的增量时,排油烟机流量就随着楼层的降低而下降。
同时楼层降低时,烟气在烟道中的流量减小,流速变低,烟气阻力损失的增量逐层下降,故排油烟机流量随楼层数下降而衰减的幅度逐层减小。
图2中第4,3,2层排油烟机流量几乎相等。
这是因为这3层烟气阻力损失的增量与热压的增量相当。
如果烟气阻力损失的增量小于热压的增量,则排油烟机流量就出现随楼层下降而增大的现象,此现象仅可能发生在下部楼层。
如图2中各曲线第2层排油烟机流量均小于第1层排油
烟机流量。
排油烟机流量越大,越有利于厨房排烟。
因此同一住宅楼,楼层越高,厨房排烟效果越好。
比较A,B两排烟系统,楼层数和开机率相同,不同的仅是B系统的烟道截面积比A 系统大,从图2可见同层B系统排油烟机流量大于A系统排油烟机流量。
这说明烟道截面积的增大,可提高厨房排烟效果,但厨房可利用的空间减小。
所以目前一些房地产开发商为了增大厨房利用空间,将烟道截面积设计得过小,排烟系统运行时就会出现排油烟机流量很小,烟气排不出去的现象。
B,C两排烟系统,C的开机率高。
由图2可知,当烟道截面积一定时,同层排油烟机流量随着开机率上升而下降。
也就是说对于一定的排烟系统,开机率上升,图2中的曲线向左移,排烟效果减弱。
所以排烟系统在设计中应根据具体情况正确选择开机率。
96沪J/T—104图集中6层以下、7~18层、19~30层住宅楼的开机率分别取60%,50%,40%。
对于上下班时间一致,做饭时间集中的住宅楼,以上开机率显然偏低。
笔者认为江苏省住宅楼6层以下,7~9层,10~18层,19~24层,25~30层开机率分别取100%,78%,72%,71%,67%较为适宜。
评价住宅厨房排烟系统整体排烟效果应从两方面考虑,一是各层排油烟机流量均要大于250m3/h,根据小康住宅的标准,排油烟机流量高于250m3/h一般可满足厨房排烟要求;二是排油烟机流量随楼层下降而衰减的幅度越小越好。
表1中A,B,C3个系统排油烟机流量衰减幅度分别是23.2%,11.7%,18.7%。
根据上述评价标准可判断A系统中各住户厨房排烟均达不到要求,B,C系统排烟可满足要求,其中B系统整体排烟效果最好。
3 结论
住宅厨房集中排烟方式符合环保要求。
影响住宅厨房集中排烟系统排烟效果的因素有烟道面积、开机率和排油烟机性能等。
由于目前国内外各品牌排油烟机的性能相近,因此烟道面积、开机率成为决定排烟系统排烟效果的主要因素。
通过理论计算发现烟道截面积愈大,开机率愈低,排烟系统排烟效果愈好。
就同一排烟系统而言,上部楼层排烟效果优于下部楼层。
评价排烟系统整体排烟效果应从两方面考虑,一是各楼层排油烟机流量要大于250 m3小,二是排油烟机流量随楼层数下降而衰减的幅度越小越好。