幕墙铝合金立柱+型钢内芯组合构件的设计计算方法
- 格式:pdf
- 大小:166.89 KB
- 文档页数:2
各类幕墙材料造价计算规则幕墙是现代建筑设计中常用的一种构造方式,它可以为建筑物提供隔热、隔音、节能、保温、防水等多种功能。
幕墙由不同的材料组成,例如玻璃、金属、陶瓷、石材等,不同材料的成本差异很大,因此在进行幕墙设计时需要考虑价格成本因素。
一、玻璃幕墙材料造价计算规则玻璃幕墙是最常见的幕墙类型之一,它的主要构成材料为玻璃,玻璃的形状、厚度、透明度等不同,造价也会有所不同。
1、玻璃的规格与成本玻璃的厚度、规格、品牌、透光性、隔热性、防爆性等因素都会影响玻璃的价格。
在选定玻璃之后还需要考虑模板制作、隐形工程、安装和检测等因素,这些因素的加入会使得玻璃幕墙的制作成本增加。
2、结构设计与制作成本玻璃幕墙除了玻璃之外,还有铝合金、钢结构等部分,它们的规格、材质、加工难易度等因素也会影响制作成本。
因此,结构设计和材料选择是玻璃幕墙工程成本的重要决定因素。
二、金属材料幕墙造价计算规则金属材料幕墙主要由铝和不锈钢制成,成本较玻璃幕墙要高。
金属材料幕墙的主要成本来自于铝材和安装成本。
1、铝材造价计算铝材的质量、品牌、型号和规格等决定了其价格。
该成本在整个金属幕墙工程中占据了很大的比例。
2、安装成本安装金属幕墙需要经过比较复杂的安装工序,安装质量直接关系到工程质量和使用寿命。
因此,对安装工程的阶段成本要进行确切掌握,以提高整个工程的质量。
三、石材幕墙造价计算规则石材幕墙的材料以及加工成本较高,统计了近几年来的石材行情,石材的算价以及造型、雕刻的成本约有30%的增长。
1、石材料造价石材的价格较高,但它却是幕墙质量上上乘的选择,因此,经衡量之后,建议在运用石材幕墙时把石材材料成本作为工程预算的重要参考。
2、成品加工和安装成本石材幕墙需要经过精细的成品加工和安装工程以确保安全性以及美观性,成品加工和安装成本较高。
总结以上是各种幕墙相应的材料与工程造价计算规则,工程造价计算是幕墙工程中的重要环节,因此,在幕墙设计前,我们需要对各种材料的价格做出精准的评估,并根据工程需求制定预算以及采购计划,以使整个幕墙工程成本风险有所降低。
幕墙杆件(钢立柱)计算本计算按简支梁力学模型计算立柱受最大弯矩和位移。
1。
荷载计算水平面荷载设计值W s =1.8 kN/m^2水平面荷载标准值W k =1.25 kN/m^2立柱受荷载宽度过(最大幕墙分格宽)B= 1.2 m幕墙立柱受水平荷载线密度设计值:q s =1.8 kN/m^2 * 1.2 m=2.16 kN/m幕墙立柱受水平荷载线密度标准值:q k =1.25 kN/m^2 * 1.2 m=1.50 kN/m单位面积幕墙自重 g = 72 kg/m^2 (假定值)立柱受最大竖向拉力设计值计算幕墙受最大竖向拉力设计值.N =1.2 * 9.81 * 72 * 1.2 * 5 / 1000=5.09kN2。
选用立柱型材的截面特性:选用型材材质:LD31-RCS铝型材强度计算设计值: f a =215N/mm^2截面强性模量: E =206000N/mm^2X轴截面惯性矩:I xx =2869410 mm^4X轴截面抵抗矩:W xx =31631 mm^3立柱型材截面面积: A =1335.6 mm^2截面塑性发展系数:g = 1.05立柱最大分析跨度 L1 = 5 m跨中最大弯矩设计值:M max =0.125 * 2.16 * 5^2=6.75kN.m3。
立柱强度校核工业(按拉弯构件计算)校核依据f= N/A + M/g W < f gf g :立柱强度设计值 (N/mm^2)N :立柱所受最大拉力设计值M :立柱所受最大弯矩设计值A :铭合金立柱受拉截面面积g :截面塑性发展系数W :截面抵抗矩f =N/A + M/g W=5.09 * 1000 / 1335.6 + 6.75 * 10^6 / (1.05 * 31631)=207.04N/mm^2<215N/mm^2OK!4。
立柱刚度校核校核依据d max < [ d ] = L/ 250 且 <= 20mm式中:d max :最大计算挠度值d max =0.013*1.50*5000^4/(206000*2869410)=20.62 mm[ d ] :容许挠度值[ d1 ] =5000 / 250 = 20.00 mm<20.62 mm Fail![ d2 ] =20 mm<20.62 mm Fail!35601.2190481.285714。
幕墙材料计量方法知识幕墙材料计量方法学问幕墙是建筑物外围护墙的一种形式。
幕墙一般不承重,形似挂幕,又称为悬挂幕,即悬吊挂于主体结构外侧的轻质围墙。
下面由我为大家整理的幕墙材料计量方法学问,欢迎大家阅读浏览。
一、面板:面板的计量基本按面积(㎡)计算,具体如下:1、玻璃:平板按矩形面积计算,弯弧按展开矩形面积计算,飞边玻璃按外片的大片面积计算,其它除矩形或展开为矩形外的异型玻璃(含点玻、门玻璃)按最小外接矩形计算。
2、铝单板:a、按喷涂外露见光面积计算,正常范围内的折边(25㎜) 和加强筋不再另行计算面积,如超出折边范围需计算超出部分面积。
(板件的折边高度要求详见合同文件《关于江河集团铝单板加工技术规范》:板宽700㎜时,折边高度为1520㎜之间调整;板宽700㎜时折边高度为20㎜;R700㎜时,弧边折边高度为15㎜;700㎜10m时,折边高度按《关于江河集团铝单板加工技术规范》中的.A、B折边高);b、板型的定义:平板、槽形板、转角板、一般弧形板均视为平板,弧形板拱高300mm的板形及其它板形属于异形板,板件展开后长宽中最小尺寸超过1500mm的板为超宽板;3、石材:平板、L形板、槽形板及弧形板等按面积计量,根据具体合怜悯况核定倒棱、磨边、扶手、台阶等按延长米(m)计算。
4、铝塑板、阳光板、铝蜂窝板、陶板、千思板等其它面材按原材料面积(㎡)计算。
二、金属材料:1、不锈钢板、彩钢板按实际面积(㎡)计算;2、不锈钢加工件按重量(Kg)计算,即:重量=加工件实际体积(m3) * 7.93 *103Kg/ m3;3、钢材计量方法:按理论净重量(Kg)计算,即:重量=长度*线密度(参见五金手册);4、镀锌铁皮加工件的计量方法:按实际面积(㎡)计量;5、铝型材计量方法:按理论重量(Kg)计算,即:重量= 线密度(Kg/m)* 长度(m),(线密度以开模时确定的理论线密度为准);6、铁件、钢构件计量方法:按理论重量(Kg)计算(加工件上的绑扎孔、定位中心孔及螺栓孔等加工孔不予扣除),焊缝不另计算,具体计量方法如下:a) 重量按理论净重量计算,即:重量(Kg)=体积(m3)* 7.85*103Kg/ m3;b) 异形板四边形(不含)以上的按外接矩形计算,其它均按实际样子计算(切大角另议);7、钢结构计量方法:按理论净重量计算(Kg),即:重量(Kg)=体积(m3)* 7.85* 103Kg/ m3;8、型材、钢材拉弯件的计量方法:拉弯加工型材长度计量按有效弧长计算,有效弧长按延长米(m)计算,加工图需留出型材两端夹持部分,两端合计不大于1/ 2300mm,由设计出提料单并进行套材;三、辅材:1、胶:根据具体规格分别按支、组或桶计量,具体规格如下:如: 之江耐候密封胶500 ml/支或305 ml/支之江双组份结构胶198 L/组GE耐候密封胶591.5ml/支GE双组份结构胶208.2 L组DC791耐候密封胶500 ml/支DC993双组份结构胶177.9 L/组波士胶600 ml/支石材干挂胶(大力士胶)15 Kg/桶发泡剂750 ml/支(留意:发泡剂的实际使用量按膨胀55倍计算)玻璃胶300 ml/支2、双面贴计量方法:依各规格按实际延长米(m)计算;3、爱惜膜、胶带计量方法:按实际使用面积(㎡)计算;4、美纹纸计量方法:按实际面积(㎡)计算,规格有18mm*30m、36mm*30m 等;5、保温材料:如岩棉、玻璃棉、(挤塑)聚苯板按实际使用量(m)计算(长m*宽m*厚m);硅酸铝纤维板依每张规格1200mm*600mm,厚度为20、30、40mm,密度300kg/ m,实际使用量按重量(Kg)计算;玻镁板依每张规格1220mm*2440mm,厚度为5/6/8/10/12mm,按张计算;6、胶条计量方法:胶条以过磅重量(Kg)计量。
第十三章、补充其他结构计算
第一节、转角竖料结构受力分析
一、计算说明
根据图纸分格及幕墙所处的位置,我们选取了最不利的位置进行计算。
竖料选用6063-T6铝合金型材,根据建筑结构特点,幕墙竖料悬挂与主体结构之上,竖料为拉弯构件,各层接缝之间设置伸缩缝,故竖料仅验算其强度和刚度,整体稳定不需要考虑。
此次主要对西北转角处立柱校核,考虑在负风压作用下,立柱两半框将不再相互挤压,而是有相互分离的趋势,此处我司将插芯与立柱半框的螺钉调节为@300mm,同时采取措施避免了立柱分离至裂开的状况。
竖料荷载分布图及计算模型:
二、力学模型及基本假定
竖料支撑于主体支座之上,上部竖料对插入下部竖料,实际受力模型为简支梁,它将承受风荷载、地震作用、自重荷载及其他形式的荷载;水平荷载可简化为梯形荷载,竖料
自重以轴心拉力形式为集中荷载,而竖料自重简化为均布荷载。
竖料左部荷载宽度W L=1420mm
竖料右部荷载宽度W R=1500mm
该竖料左右边框均为相同的半框,偏安全考虑取W=1500mm。
计算竖料的最大计算跨度S m =2700mm
计算转角框。
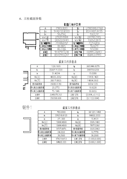
4、立柱截面参数折合成铝合金的总惯性矩:I X总=9441453+3506717+206000/70000×(576319+178934)=15170771mm45、立柱强度和刚度校核将上述立柱计算模型进行整体建模,将上述荷载作用到立柱上,采用STAAD/CHINA进行计算,如下图,计算结果见下表。
从下表可见,组合荷载作用下,立柱杆件的最大弯矩及轴力为:M=12.37 kN.m,N=3195 N因此,钢件及铝合金立柱各分配的弯矩及轴力为:M公料=12.37×9441453/15170771=7.70 kN.mN公料=3195×2983/2/(2983+783)=1265.36NM母料=12.37×3506717/15170771=2.86 kN.mN母料=3195×1326/2/(1326+618)=1089.65NM钢件1=12.37×576319×206000/70000/15170771=1.38kN.mN钢件1=3195×783/2/(2983+783)=332.14NM钢件2=12.37-7.70-2.86-1.38=0.43kN.mN钢件2=3195×618/2/(1326+618)=507.85N因此,立柱及钢件的最大应力为:σ公料max=7700000/1.05/102604+1265.36/2983=71.90N/mm2≤f=140N/mm2σ母料max=2860000/1.05/38618+1089.65/1326=71.35N/mm2≤f=140N/mm2σ钢件1max=1380000/1.05/15898+332.14/783=83.09N/mm2≤f=215N/mm2σ钢件2max=430000/1.05/7953+507.85/618=52.31N/mm2≤f=215N/mm2在标准荷载作用下,立柱杆件的最大相对位移为:(模型中以折合成铝合金的总惯性矩为截面特性)d max=11.79mm≤L/180=3800/180=21.11mm其中,L=3800mm为立柱的实际单跨跨度。
第四章、铝合金立柱计算一、计算说明选用(6063A-T5)铝型材,根据建筑结构特点,每根幕墙立柱双支在主体结构上,并处于受拉状态,立柱高度H=3900 mm,幕墙立柱计算分格宽度B 1=2050 mm ,B 2=1375 mm 。
二、力学模型(立柱A)幕墙的荷载由横梁和立柱承担。
玻璃面板将受到的水平方向的荷载,按45度角分别传递到横梁和立柱上。
横梁又将承受的荷载传递给立柱,最后由立柱将所有荷载通过预埋件传递到主体结构上。
计算简图如图。
三、荷载计算1、横梁承受的竖直方向面荷载标准值 G GK =0.45 KN/m 2设计值 G G =0.54 KN/m 22、立柱承受的水平方向面荷载标准值 q K =1.61 KN/m 2设计值 q=2.24 KN/m 23、受力最不利处立柱承受的偏心拉力设计值N=G G ·H ·B 1=0.54×3.9×2.05=4.32 KN4、立柱承受的水平线荷载标准值 q K 线=q K ·B 1=1.61×2.05=3.30 KN/m设计值 q 线=q·B 1=2.24×2.05=4.59 KN/m5、立柱所受的弯矩Ф:弯矩系数,取Ф=0.0835 由H D =3900500=0.128,查《结构静力计算手册》确定 M=Ф·q 线·H 2=0.0835×4.59×3.92=5.8 KN·m6、立柱承受水平方向的剪力经采用SM Solver (清华大学土木系)计算V A =10.45 KNV B =12.75 KNV C =6.09 KN四、立柱(A )截面参数立柱截面积 A 0=1423.5 mm 2X 轴惯性矩 I X =4.74×106 mm 4X 轴到最外缘距离 Y X =83.9 mmX 轴抵抗矩 W X =56502.4 mm 3X 轴面积矩 S X =37273.6 mm 3塑性发展系数 γ=1.05五、立柱(A )抗弯强度校核 校核依据:XW MA N γσ+=0≤f a按《玻璃幕墙工程技术规范》JGJ102-2003第6.3.7条X W M A N γσ+=0 =4.5650205.1108.55.14231032.463⨯⨯+⨯ =100.80 N/mm 2<f a =124.4 N/mm 2立柱(A )强度符合规范要求。
幕墙的结构计算书l. 荷载计算:1.1风荷载计算:计算式:Wk=ξ×βD×μs×μz×Wo(KN/m2)式中:Wk——作用于幕墙的风荷载标准值(KN/m2)ξ——放大系数。
ξ=1.0βD—一阵风系数βD=2.25μs—风荷载荷的体型系数μs=±1.5μz——风荷载荷的高度系数。
Μz=1.83Wo——基本风压值。
Wo=0.44 KN/m2计算结果:Wk=2.72 KN/m21.2自重荷载计算:幕墙单元构件自重包括:铝合金型材、玻璃(铝板)及连接件的重量:计算式:G=η1×A1+η2×A2+η3×A3(KN /m 2)式中:G —单元构件的重量(KN )η1---玻璃单位面积重量(KN /m 2)η1=0.324KN /m 2A1----单元板玻璃安装面积m 2η2---型材及连接件单位面积安装重量(KN /m 2) η2=0.147KN /m 2A2-----单元板块的面积m 2A2=3.3 m 2计算结果:G=1.544KN1.3幕墙立柱型材断面的几何特性:Jy=699.98cm 4Wy=89.14 cm 3A=27.54 cm 2Wk=2.72 KN /m 2水平分格=1.8m 支点间距=1.85m计算弯矩=3KN.m E=0.7×105 MPa (铝型材)塑性发展系数取1.051.3.1幕墙立柱的挠度计算计算式:f max =JyE L P ...384..53 计算结果:f max =1.562mm校核:f max <f=1850/180=10.287mm结论:挠度满足要求。
1.3.2幕墙立柱的强度计算:计算式:WM A N γσ+=0 计算结果:бmax =32.05MPa校核:бmax <б=84.2MPa结论:强度满足要求1.4横框的挠度、强度计算:横框的挠度计算:1.4.1横框受二个方向荷载作用,产生两个方向挠度fx 和fy 计算式:总挠度: f=22y x f f +(mm)Wk=2.72 KN /m 2 水平分格=1.8m垂直分格=1.85m ,玻璃厚度=2×6=12mm地震作用=0.1127KN /m 2 玻璃自重=1.02KN风载弯矩=1.893kN.m 自重弯矩=0.2762m 3 Jx=135.878cm 4 Wx=24.429m 3Jv=166.453cm 4 Wy=24.339 m 3计算结果:f max =4.698mm校核: f max <f=1800/180=10mm (fx=4.615mm fy=0.879mm) 结论:挠度满足要求)(1023MPa Ap -⨯=压σ1.4.2横框的强度计算:横框截面承载力的计算式: 截面承载力:YY X X W M W M γγσ+= 计算结果:бmax =73.817MPaбmax <б=84.2MPa 结论:强度满足要求1.5 幕墙转接件1.5.1连接件与幕墙立柱连接螺栓抗剪强度计算:Wk=2.72 KN /m 2 地震作用=0.113KN /m 2 板块自重=1.554 水平分格=1.8m立柱支点间距=1.8m A2-70不锈钢螺栓安装数量=6颗 螺栓孔数=6个 螺栓直径=0.010m螺栓孔总壁厚=0.006m 承压面积=0.00036 m 2抗剪面积=0.002827 m 2计算结果: τ=4.636MPa核核: τ<fs=89MPa (不锈钢材料)计算结果:螺栓抗剪强度满足要求。
幕墙的结构计算书l. 荷载计算:1.1风荷载计算:计算式:Wk=ξ×βD×μs×μz×Wo(KN/m2)式中:Wk——作用于幕墙的风荷载标准值(KN/m2)ξ——放大系数。
ξ=1.0βD—一阵风系数βD=2.25μs—风荷载荷的体型系数μs=±1.5μz——风荷载荷的高度系数。
Μz=1.83Wo——基本风压值。
Wo=0.44 KN/m2计算结果:Wk=2.72 KN/m21.2自重荷载计算:幕墙单元构件自重包括:铝合金型材、玻璃(铝板)及连接件的重量:计算式:G=η1×A1+η2×A2+η3×A3(KN /m 2)式中:G —单元构件的重量(KN )η1---玻璃单位面积重量(KN /m 2)η1=0.324KN /m 2A1----单元板玻璃安装面积m 2η2---型材及连接件单位面积安装重量(KN /m 2) η2=0.147KN /m 2A2-----单元板块的面积m 2A2=3.3 m 2计算结果:G=1.544KN1.3幕墙立柱型材断面的几何特性:Jy=699.98cm 4Wy=89.14 cm 3A=27.54 cm 2Wk=2.72 KN /m 2水平分格=1.8m 支点间距=1.85m计算弯矩=3KN.m E=0.7×105 MPa (铝型材)塑性发展系数取1.051.3.1幕墙立柱的挠度计算计算式:f max =JyE L P ...384..53 计算结果:f max =1.562mm校核:f max <f=1850/180=10.287mm结论:挠度满足要求。
1.3.2幕墙立柱的强度计算:计算式:WM A N γσ+=0 计算结果:бmax =32.05MPa校核:бmax <б=84.2MPa结论:强度满足要求1.4横框的挠度、强度计算:横框的挠度计算:1.4.1横框受二个方向荷载作用,产生两个方向挠度fx 和fy 计算式:总挠度: f=22y x f f +(mm)Wk=2.72 KN /m 2 水平分格=1.8m垂直分格=1.85m ,玻璃厚度=2×6=12mm地震作用=0.1127KN /m 2 玻璃自重=1.02KN风载弯矩=1.893kN.m 自重弯矩=0.2762m 3 Jx=135.878cm 4 Wx=24.429m 3Jv=166.453cm 4 Wy=24.339 m 3计算结果:f max =4.698mm校核: f max <f=1800/180=10mm (fx=4.615mm fy=0.879mm) 结论:挠度满足要求)(1023MPa Ap -⨯=压σ1.4.2横框的强度计算:横框截面承载力的计算式: 截面承载力:YY X X W M W M γγσ+= 计算结果:бmax =73.817MPaбmax <б=84.2MPa 结论:强度满足要求1.5 幕墙转接件1.5.1连接件与幕墙立柱连接螺栓抗剪强度计算:Wk=2.72 KN /m 2 地震作用=0.113KN /m 2 板块自重=1.554 水平分格=1.8m立柱支点间距=1.8m A2-70不锈钢螺栓安装数量=6颗 螺栓孔数=6个 螺栓直径=0.010m螺栓孔总壁厚=0.006m 承压面积=0.00036 m 2抗剪面积=0.002827 m 2计算结果: τ=4.636MPa核核: τ<fs=89MPa (不锈钢材料)计算结果:螺栓抗剪强度满足要求。
幕墙铝合金立柱+型钢内芯的设计计算方法与构造措施建议龚昌基
【期刊名称】《福建建筑》
【年(卷),期】2008(117)003
【摘要】本文就幕墙铝合金立柱内套钢芯的结构计算方法与构造措施提出建议.【总页数】3页(P34-36)
【作者】龚昌基
【作者单位】福建天正建筑工程施工图审查事务有限公司,350001
【正文语种】中文
【中图分类】TU398
【相关文献】
1.幕墙立柱优化设计计算方法续篇 [J], 龚昌基
2.幕墙“铝合金立柱+型钢内芯”组合构件的设计计算方法 [J], 宋金虎
3.插芯长度对幕墙铝合金立柱受力性能影响分析 [J], 苏铜军;肖建春;赵勇;胡天杰
4.插芯长度对幕墙铝合金立柱受力性能影响分析 [J], 苏铜军;肖建春;赵勇;胡天杰;
5.玻璃幕墙中铝合金立柱螺钉连接节点抗拉性能试验 [J], 曹曦; 王志宇; 陈杨; 王清远; 陈健; 王立忠
因版权原因,仅展示原文概要,查看原文内容请购买。
浅谈幕墙铝合金立柱截面结构优化计算发表时间:2019-08-05T16:49:34.470Z 来源:《基层建设》2019年第15期作者:康旭[导读] 摘要:在满足国家幕墙规范和业主要求对幕墙优化的基础上,通过对幕墙铝合金立柱截面结构优化计算,满足国家幕墙规范和该工程的幕墙强度要求,从而节省下来的材料为国家发展更好的经济建设。
深圳广田方特科建集团有限公司 518000摘要:在满足国家幕墙规范和业主要求对幕墙优化的基础上,通过对幕墙铝合金立柱截面结构优化计算,满足国家幕墙规范和该工程的幕墙强度要求,从而节省下来的材料为国家发展更好的经济建设。
关键词:幕墙结构;铝合金立柱;截面;结构优化;强度计算;节省材料 1.前言我国建筑行业在近些年得到较为快速的发展,特别是幕墙行业的发展,早十年幕墙行业绘图还是人工手画的,当时幕墙还是方方正正的玻璃幕墙,现在幕墙行业全用CAD和BIM来绘图建模,幕墙造型变化万千,人们对玻璃幕墙的要求不仅局限于使用,更深入到装饰艺术性、绿色节能等方面。
特别是玻璃幕墙的广泛使用,需要大量的铝合金立柱做龙骨,现在铝合金立柱设计的合理性和安全性不但被重视,而且铝合金立柱也更加重视二次优化。
这就需要我们对铝合金立柱进行准确的结构计算,即保证结构的安全性,也要保证结构的合理性,避免造成不必要的浪费。
通过对工程铝合金立柱的比较分析,对铝合金立柱截面结构优化,以优化后的铝合金立柱进行强度计算,保证结构安全的基础上,选用最合理的铝合金立柱。
2.对铝合金立柱进行比较分析以勤诚达正大城花园二期(光明新区公明街道元昇厂片区城市更新项目(05、06地块))铝合金门窗、栏杆、百叶工程为例,业主幕墙工程招标,施工单位投标响应业主的招标文件与招标图纸,施工单位根据要求做幕墙的深化设计图。
根据业主的结构优化要求;根据招标图纸的幕墙结构计算书,比较分析标准节点的铝合金立柱强度还有多少余量;再根据《JGJ 102-2003 玻璃幕墙工程技术规范》要求铝合金立柱截面主要受力部位的厚度:铝合金立柱型材截面开口部位的厚度不应小于3.0mm,闭口部位的厚度不应小于2.5mm,型材孔壁与螺钉之间直接采用螺纹受力连接时,其局部厚度尚不应小于螺钉的公称直径。
钢铝组合截面杆件的设计闭思廉李硕龚沁华深圳中航幕墙工程有限公司深圳市皇城广场1804室 518045摘要钢铝组合截面是工程中经常应用的一种截面形式。
本文对钢铝组合截面的截面特性计算以及截面验算进行简略的介绍。
关键词钢铝组合截面,钢铝叠合截面一.引言在幕墙支承结构和铝合金门窗骨架设计中,为了节省铝合金用量、降低成本,往往采用钢、铝组合截面的杆件,外露部分采用铝合金型材,隐蔽部分亦即主要受力部分采用钢型材,这样,即达到了外表美观靓丽、截面小巧而承载能力高、造价又低廉的目的。
另外,在幕墙加固工程中,钢铝组合截面也时有应用。
钢、铝组合截面的形式,一般常用的不外乎如图 1所示的两种。
其中 a所示的是将钢型材川入铝合金型材的腔内;而 b所示是钢、铝合金型材并列,二者截面一般有一个共同的对称轴。
钢、铝型材的组合方式,又可分为叠合式和组合式两种。
所谓叠合式,即钢、铝型材之间不加连接,仅仅从构造上能保证二者同时受力即可;而组合式和叠合式不同,它是在钢、铝型材之间用物理的或化学的方法将二者紧密相连的组合形式。
由于这两种截面的组合方式不同,所以在受力后的表现也不同,设计计算方法也完全不同,下面分别予以介绍。
图 1二.叠合式截面杆件的设计如图 2所示叠合式截面杆,当其在横向力作用下受弯时,杆件将发生弯曲变形。
由于钢、铝型材之间不加连接,因此,在二者接触面间无任何约束(忽略摩擦),当杆件发生弯曲变形时,在接触面间,二者会产生相互错动,受荷前在同一竖向截面内的abcd亦不在同一截面了,可见,此时的受弯杆件,已不符合“平截面的假定”条件,因此,二者已不能按一体进行计算了。
考虑到钢、铝型材受荷后,截面未脱开,二者有着共同的边界约束条件,在正常受力情况下,变形在弹性范围内,因此二者各自沿自身截面中和轴产生挠曲,且,二者产生的挠度相等。
所以:g l q q = gxg lx l I E IE 亦即,二者分配的荷载与其刚度成正比,于是有: q l =gx g lx l lxl I E I E I E q+;q g =gxg lx l gx g I E I E I E q +若以内力的形式来表达,亦可写成如下的形式: M l =gx g lx l lxl I E I E I E M+;M g=gx g lx l gx g I E I E I E M +N l =g g l l ll A E A E A E N+;N g =gg l l g g A E A E A E N +其中:M , N-----总弯矩,总轴力M l ,N l -----铝合金型材分配的弯矩,轴力 M g ,N g -----钢型材分配的弯矩,轴力A l ,A g -----铝合金型材截面面积,钢型材截面面积 据此即可对叠合式截面杆件进行设计了。
第四章、铝合金立柱计算一、计算说明选用(6063A-T5)铝型材,根据建筑结构特点,每根幕墙立柱双支在主体结构上,并处于受拉状态,立柱高度H=3900 mm,幕墙立柱计算分格宽度B 1=2050 mm ,B 2=1375 mm 。
二、力学模型(立柱A)幕墙的荷载由横梁和立柱承担。
玻璃面板将受到的水平方向的荷载,按45度角分别传递到横梁和立柱上。
横梁又将承受的荷载传递给立柱,最后由立柱将所有荷载通过预埋件传递到主体结构上。
计算简图如图。
三、荷载计算1、横梁承受的竖直方向面荷载标准值 G GK =0.45 KN/m 2设计值 G G =0.54 KN/m 22、立柱承受的水平方向面荷载标准值 q K =1.61 KN/m 2设计值 q=2.24 KN/m 23、受力最不利处立柱承受的偏心拉力设计值N=G G ·H ·B 1=0.54×3.9×2.05=4.32 KN4、立柱承受的水平线荷载标准值 q K 线=q K ·B 1=1.61×2.05=3.30 KN/m设计值 q 线=q·B 1=2.24×2.05=4.59 KN/m5、立柱所受的弯矩Ф:弯矩系数,取Ф=0.0835 由H D =3900500=0.128,查《结构静力计算手册》确定 M=Ф·q 线·H 2=0.0835×4.59×3.92=5.8 KN·m6、立柱承受水平方向的剪力经采用SM Solver (清华大学土木系)计算V A =10.45 KNV B =12.75 KNV C =6.09 KN四、立柱(A )截面参数立柱截面积 A 0=1423.5 mm 2X 轴惯性矩 I X =4.74×106 mm 4X 轴到最外缘距离 Y X =83.9 mmX 轴抵抗矩 W X =56502.4 mm 3X 轴面积矩 S X =37273.6 mm 3塑性发展系数 γ=1.05五、立柱(A )抗弯强度校核 校核依据:XW MA N γσ+=0≤f a按《玻璃幕墙工程技术规范》JGJ102-2003第6.3.7条X W M A N γσ+=0 =4.5650205.1108.55.14231032.463⨯⨯+⨯ =100.80 N/mm 2<f a =124.4 N/mm 2立柱(A )强度符合规范要求。
精心整理
幕墙工程量计算规则?幕墙工程量如何计算?
幕墙工程量计算,幕墙工程量如何计算?小蚂蚁算量工厂认为,先需要观察所需幕墙工程都包括那些项目,需要计算哪些工程量?小蚂蚁认为,幕墙工程一般都有铝型材,胶,配件,铁件,这几大类;然后按类别计算。
1密度,g/㎝
222mm ,长1m 跟小圆棒) 34照的重量,还是以计算为主。
都是用截面积乘以密度及长度来算出重量来,如36*36*3角钢可用(0.036+0.036)*0.003*7850=1.6956KG/㎡(注意换算单位)。
二、套价注意事项
工程量计算出来后,套价也要看你的经验和能力,是检查你功底的时候了,下面有一些需要注意点,小蚂蚁算量工厂自己总结的经验。
精心整理
5、最后还要加上人工费,管理费,场地费之类的取费,根据各个公司的要求不同取值不同。
6、计算出来的应该是每平方米的报价,前面提到的那些在计算的时候就到除以所选面积。
幕墙工程量计算重要的是要弄清材料类型,需要注意别漏项,计算所有的工程。
幕墙专栏摘要:在玻璃幕墙设计中,遇到层高较大,铝合金型材强度、刚度难以满足需要时,设计者往往采用“铝合金立柱+型钢内芯”组合构件来解决。
本文就该种情况下强度及挠度的计算方法进行探讨。
关键词:铝合金立柱;型钢内芯;组合构件;设计计算1 引言玻璃幕墙是由铝型材与玻璃等材料组成的建筑外围护结构。
在抗风、抗震设计中,立柱是主要的受力构件。
一般都按简支梁或连续梁模式承受水平风力、地震力和竖向自重等外部作用,并按拉弯构件计算其强度和变形。
因此合理选材,对保证玻璃幕墙具有良好的承载力、刚度及稳定性,确保其使用的安全性,无疑有着极其重要的作用。
在幕墙工程设计中,遇到层高较大,铝合金型材强度、刚度难以满足需要时,经常采用型钢内芯增强铝合金立柱在抗风压、地震、自重等荷载效应下的强度和刚度值,以满足安全和挠度的要求。
2 计算方法探讨设定组合构件的不同部件间“紧密相接”,但接触面没有抗剪能力。
由于这种方式组成的构件不是“有机”的组合在一起的,各构件所分担的部分荷载必须通过解超静定结构的方法求解,即应该满足静力平衡,力与变形的物理关系—虎克定律,不同部件间的变形协调三个条件下求解。
首先,这种组成的构件内力与变形符合虎克定律—变形与内力成正比的弹性变形范围内,其次,这种组成的构件的各部件因“紧密相接”而变形一致,满足变形协调条件,所以各部件承担的荷载是与各自的刚度成正比。
即抗弯构件按抗弯刚度EI正比分配,抗轴力构件按抗轴力刚度EF正比分配;抗剪力构件按抗剪切刚度GF正比分配;(E为弹性模量,G为剪切模量,I为截面惯性矩,F为截面面积)。
幕墙立柱均以风压和地震力作用下的抗弯为主,所以,组合构件的各部件所承担的荷载主要与抗弯刚度成正比。
外荷载(F)根据铝型材与钢型材的刚度进行分配:铝型材荷载分配系数:μ1=E1I1/EI=E1I1/(E1I1+E2I2)钢型材荷载分配系数:μ2=E2I2/EI=E2I2/(E1I1+E2I2)式中:EI=E1I1+E2I2—组合构件截面刚度E1I1—铝型材刚度E2I2—钢型材刚度知道每个构件所承担的荷载值后,就可以根据各个荷载类型的内力和挠度计算公式,叠加每个构件在各种类型荷载作用下的内力和挠度,验证其强度和挠度是否分别满足幕墙的安全和正常使用两个方面的要求。
3 工程应用实例3.1 工程概况一幕墙工程位于北京市海淀区,楼层高度(幕墙的层间高度)为H=3.6m,幕墙的分格宽度为B=1.5m,基本风压按照50年一遇考虑,ω0=0.45kN/m2,地面粗超度为C类,8度抗震设防烈度。
最危险点标高为He=100m。
立柱采用“铝合金立柱+型钢内芯”组合构件,结构如图1所示。
铝型材的材料特性及截面特征见表1,型钢的材料特性及截面特征见表2。
表1 铝型材的材料特性及截面特征牌号及状态 6063-T6 弹性模量E1/N/mm270000 抗拉屈服强度f1/N/mm2150 惯性矩Ix1/mm43673500 抵抗矩Wx1/mm346710 截面面积A1/mm2 122100 表2 型钢的材料特性及截面特征牌号 Q235 弹性模量E2/N/mm2210000 抗拉屈服强度f2/N/mm2235 惯性矩Ix2/mm4734700 抵抗矩Wx2/mm32240 截面面积A2/mm261050 经计算:风荷载标准值Wk=1.468kN/m2;y轴方向(垂直于幕墙表面)的地震作用qEy=0.27kN/m2。
3.2 刚度计算“铝合金立柱+型钢内芯”组合构件所受线荷载和作用组合值为:q=Wk×B=1.468×1.5=2.202kN/m铝型材荷载分配系数:μ1=E1I1/(E1I1+E2I2)=70000×3673500/(70000×3673500+210000×734700)=0.63钢型材荷载分配系数:μ2=E2I2/(E1I1+E2I2)=210000×73470/(70000×3673500+210000×734700)=0.37铝合金立柱所承担的荷载为:q1=μ1q=0.63×2.202=1.387kN/m型钢内芯所承担的荷载为:q2=μ2q=0.37×2.202=0.815kN/m按单跨简支梁计算,产生的挠度按下式计算:铝合金立柱f1=5q1×L4/384E1I1=5×1.387×36004/384×70000×3673500=11.60mm型钢内芯f2=5q2×L4/384E2I2=5×0.815×36004/384×210000×734700=11.60mm幕墙“铝合金立柱+型钢内芯”组合构件的设计计算方法宋金虎 山东交通职业学院a) b) c)图1“铝合金立柱+型钢内芯”组合构件结构示意图a)“铝合金立柱+型钢内芯”组合构件;b)铝合金立柱;c)型钢内芯幕墙专栏1)外显框位置等压防渗漏:对于带有显框的玻璃幕墙,可以在显框结构与玻璃之间的间隙构筑防渗漏的等压腔,如图14所示。
2)单元式玻璃幕墙的横向插接缝和纵向插接缝位置等压防渗漏:横向插接缝和纵向插接缝是幕墙防渗漏的薄弱环节,结构设计中主要应用雨屏等压原理在插接缝和纵向插接缝结构内构造出有效的等压腔。
如下图15所示。
C、玻璃幕墙防渗漏主要措施:1)设计措施:・玻璃幕墙结构设计必须确保主要受力杆件的挠度符合规范要求,如果主要受力杆件的挠度过大,将可能影响到密封胶条和胶的密封效果。
・设计时首先应考虑玻璃幕墙防渗漏构造。
对于非等压玻璃幕墙要设计出适当宽的胶缝,便于嵌缝打胶;对于等压玻璃幕墙,则须在幕墙结构内设置有效等压腔和气流孔,气流孔的尺寸必须经计算确定。
・雨屏等压原理防渗漏不是万能的。
设计中要充分考虑其它因素带来的渗漏影响,必须牢固树立“既防又排”的防渗漏设计理念。
设计时尽可能在玻璃幕墙结构内设置有效排水路径,一旦水渗进幕墙结构内可沿着排水路径流至幕墙外部。
2)材料措施:・选用品牌厂家的EPDM、Santoprene、硅橡胶等优质密封胶条,确保胶条具有足够的变形密封量及良好的耐久性。
・选用品牌厂家生产的优质耐候密封胶和玻璃胶,尽可能选用中性胶,严禁过期使用。
・注意胶之间及胶与接触铝材等材料之间的相容性,不得出现不相容现象。
・选用优质五金配件,尤其是开启部位的多点锁必须确保功能可靠,开启关闭灵活。
3)加工、组装措施:・严格控制加工、组装精度,尤其是对等压幕墙而言尤为重要。
必须用胶或薄胶垫消除金属之间拼接细小缝隙带来渗漏隐患。
・注意控制密封胶的使用环境,结构胶的施工车间要求清洁无尘,满足结构胶使用的室内温度和相对湿度要求。
4)检测措施:・按国家相关国标要求做好玻璃幕墙水密性、气密性试验,在试验过程中发现渗漏后分析其原因,并采取应对措施,这是设计、加工、组装、安装各环节质量是否过关的有效手段。
・做好现场淋水试验,查找实际安装过程中存在的质量隐患。
5)安装措施:・严禁下雨天露天进行耐候胶的施工。
・凡是需要在现场打胶密封的位置,应先将相邻铝框、玻璃或缝隙上的尘埃、油渍、松散物和其它脏物清除干净,注胶后应嵌密实,表面平整,并加强养护。
・对于等压幕墙,安装时须逐一检查室内侧横向插接缝的打胶效果,防渗漏之闭孔泡沫材、接合部气密条等是否合理或质量可靠。
6)清洁措施・清洁幕墙时,使用任何清洁方案和清洁设备都不得损坏幕墙嵌缝胶,一旦出现局部损坏,应及时补胶修补。
4 结语玻璃幕墙发生渗漏原因诸多,渗漏现象时有发生,对此无论是非等压玻璃幕墙还是等压玻璃幕墙,承包商都必须在设计、材料采购、加工组装及现场安装过程中牢牢把握玻璃幕墙防渗漏之基本原理,采取切实可行的方法排除因重力、运动能、表面张力、气流、毛细管、压力差所带来的渗漏影响,做到理论联系实际,不断探索并积累相关经验,尽量减少、甚至消除玻璃幕墙之渗漏,为社会建造出一个个优质工程。
取[f]=L/180=3600/180=20mm11.60mm≤[f]因此,刚度满足规范要求。
3.3 强度计算“铝合金立柱+型钢内芯”组合构件强度荷载组合如下:q=1.4×1×Wk+1.3×0.5×qEy=1.4×1×1.468+1.3×0.5×0.27=2.231kN/m2铝合金立柱所受线荷载为:q1=qμ1×B=2.231×0.63×1.5=2.109kN/m铝合金立柱所受线荷载为:q2=qμ2×B=2.231×0.37×1.5=1.238kN/m按单跨简支梁计算,立柱所受最大弯矩为:铝合金立柱M1=q1×L2/8=2.109×3.62/8=3.417kNm型钢内芯M2=q2×L2/8=1.238×3.62/8=2.006kNm“铝合金立柱+型钢内芯”组合构件所受轴向拉力为:N=1.5×G=2740kN(G为幕墙构件的重量,kN)铝合金立柱所受轴向拉力为:N1=μ1N=0.63×2740=1730kN型钢内芯所受轴向拉力为:N2=μ2N=0.37×2740=1010kN承载力应满足下式要求(本工程设计的立柱不承压,为只拉构件):N/A0+M/(γ・W)≤fa铝合金立柱:N1/A1+M1/(γ1・W1)=1730×103/122100+3417/(1.05×46710)=14.24N/mm2<f1=150N/mm2型钢内芯:N2/A2+M2/(γ2・W2)=1010×103/61050+2006/(1.05×2240)=17.39N/mm2<f2=235N/mm2因此,强度满足要求。
4 结语通过分析,本文提供的幕墙立柱采用“铝合金立柱+型钢内芯”组合构件时的挠度与强度计算方法,概念清晰,公式简洁,方便应用。
参考文献[1]GB/T 21086—2007 《建筑幕墙》.[2]JGJ 102—2003 《玻璃幕墙工程技术规范》.[3]GB 50429—2007 《铝合金结构设计规范》.作者简介宋金虎(1967-),男,山东潍坊人,高级工程师,副教授,研究方向:建筑幕墙,机械设计制造及机械装备技术。
上接11页。