低压配电系统中常用的型式有:IT系统、TT系统、TN系统,下面我们做分别介绍。
- 格式:doc
- 大小:449.50 KB
- 文档页数:13
低压配电系统中常用的型式有:IT系统、TT系统、TN系统,下面我们做分别介绍。
一、IT型如下图必须说明:(略)二、TT型如下图必须说明:《农村低压电力技术规程》DL/T499-2001中规范:3.4.5 采用TT系统时应满足的要求:1、采用TT系统,除变压器低压侧中性点直接接地外,中性线不得再行接地,且应保持与相线(火线)同等的绝缘水平。
2、为了防止中性线的机械断线,其截面积应满足以下要求:相线的截面积S:S≤16平方毫米中性线截面积S0:S0=S(与相线一样)相线的截面积S:16<S≤35平方毫米中性线截面积S0:S0=16相线的截面积S:S>35平方毫米中性线截面积S0:S0=S/2(相线的一半)3、电源进线开关应隔离(能断开)中性线,漏电保护器必须隔离(能断开)中性线。
4、必须实施剩余电流保护(即必须安装漏电保护开关),包括:(1)剩余电流总保护、剩余电流中级保护(必要时),其动作电流应满足:剩余电流总保护和是及时切除低压电网主干线和分支线路上断线接地等产生较大剩余电流的故障。
剩余电流总保护器的动作电流整定:总保护整定剩余电流较小的电网非阴雨季节为50mA 阴雨季节为200mA剩余电流较大的电网非阴雨季节为100mA 阴雨季节为300mA(2)剩余电流末级保护剩余电流中末级保护装于用户受电端(即终端用户,例如家庭用电,或某台用电设备),其保护范围是防止用户内部绝缘破坏,发生人身间接接触触电等而产生的剩余电流所造成的事故。
对直接接触触电,仅作为基本保护措施的附加保护。
剩余电流中末级保护应满足以下条件:Re×Iop≤Ulim式中:Re—受电设备外露可导电部分的接地电阻(Ω)Ulim—安全电压极限(正常情况下可按50V交流有效值考虑)Iop—剩余电流保护器的动作电流(A)Iop整定值:≤30mA5、配电变压器低压侧及出线回路,均应装设过电流保护,包括:短路保护和过负荷保护。
三、TN型TN系统:包括TN—C、TN—C—S、TN—S三种系统1、TN—C系统如下图必须说明:《供配电系统设计规范》GB50052-2009对低压配电系的统规范:为了保护民用建筑的用电安全,不宜采用TN—C系统。
低压配电网有三种中性点运行方式IT系统、TT系统和TN系统低压配电系统按保护接地的形式不同可分为:IT系统、TT系统和TN系统。
其中IT系统和TT系统的设备外露可导电部分经各自的保护线直接接地(过去称为保护接地);TN系统的设备外露可导电部分经公共的保护线与电源中性点直接电气连接(过去称为接零保护)。
中性点接地系统有三种:IT系统,TT系统和TN系统。
这三种接地分别为:TT系统:电源中性点直接接地IT系统:电源中性点不直接接地TN系统:电源中性点直接接地(与TT系统的区别是该接地线与电气设备的金属外壳相连接)国际电工委员会(IEC)对系统接地的文字符号的意义规定如下:第一个字母表示电力系统的对地关系:T--一点直接接地;I--所有带电部分与地绝缘,或一点经阻抗接地。
第二个字母表示装置的外露可导电部分的对地关系:T--外露可导电部分对地直接电气连接,与电力系统的任何接地点无关;N--外露可导电部分与电力系统的接地点直接电气连接(在交流系统中,接地点通常就是中性点)。
后面还有字母时,这些字母表示中性线与保护线的组合:S--中性线和保护线是分开的;O--中性线和保护线是合一的。
(1)IT系统:IT系统的电源中性点是对地绝缘的或经高阻抗接地,而用电设备的金属外壳直接接地。
即:过去称三相三线制供电系统的保护接地。
其工作原理是:若设备外壳没有接地,在发生单相碰壳故障时,设备外壳带上了相电压,若此时人触摸外壳,就会有相当危险的电流流经人身与电网和大地之间的分布电容所构成的回路。
而设备的金属外壳有了保护接地后,由于人体电阻远比接地装置的接地电阻大,在发生单相碰壳时,大部分的接地电流被接地装置分流,流经人体的电流很小,从而对人身安全起了保护作用。
IT系统适用于环境条件不良,易发生单相接地故障的场所,以及易燃、易爆的场所。
(2)TT系统:TT系统的电源中性点直接接地;用电设备的金属外壳亦直接接地,且与电源中性点的接地无关。
TT、TN、IT供电系统简介一、建筑工程供电系统建筑工程供电使用的基本供电系统有三相三线制三相四线制等,但这些名词术语内涵不是十分严格。
国际电工委员会(IEC)对此作了统一规定,称为TT 系统、TN系统、IT系统。
其中TN系统又分为TN-C、TN-S、TN-C-S系统。
下面内容就是对各种供电系统做一个扼要的介绍。
(一)工程供电的基本方式根据IEC规定的各种保护方式、术语概念,低压配电系统按接地方式的不同分为三类,即TT、TN和IT系统,分述如下。
(1)TT方式供电系统TT方式是指将电气设备的金属外壳直接接地的保护系统,称为保护接地系统,也称TT系统。
第一个符号T表示电力系统中性点直接接地;第二个符号T表示负载设备外露不与带电体相接的金属导电部分与大地直接联接,而与系统如何接地无关。
在TT系统中负载的所有接地均称为保护接地,如图1所示。
这种供电系统的特点如下。
图11)当电气设备的金属外壳带电(相线碰壳或设备绝缘损坏而漏电)时,由于有接地保护,可以大大减少触电的危险性。
但是,低压断路器(自动开关)不一定能跳闸,造成漏电设备的外壳对地电压高于安全电压,属于危险电压。
2)当漏电电流比较小时,即使有熔断器也不一定能熔断,所以还需要漏电保护器作保护,困此TT系统难以推广。
3)TT系统接地装置耗用钢材多,而且难以回收、费工时、费料。
现在有的建筑单位是采用TT系统,施工单位借用其电源作临时用电时,应用一条专用保护线,以减少需接地装置钢材用量,如图2所示。
图2图中点画线框内是施工用电总配电箱,把新增加的专用保护线PE线和工作零线N分开,其特点是:①共用接地线与工作零线没有电的联系;②正常运行时,工作零线可以有电流,而专用保护线没有电流;③TT系统适用于接地保护占很分散的地方。
(2)TN方式供电系统这种供电系统是将电气设备的金属外壳与工作零线相接的保护系统,称作接零保护系统,用TN表示。
它的特点如下。
1)一旦设备出现外壳带电,接零保护系统能将漏电电流上升为短路电流,这个电流很大,是TT系统的5.3倍,实际上就是单相对地短路故障,熔断器的熔丝会熔断,低压断路器的脱扣器会立即动作而跳闸,使故障设备断电,比较安全。
低压配电系统有三种接地形式(IT、TT、TN )系统的区别详解(注册安全工程师考点)根据现行的国家相关标准,低压配电系统有三种接地形式,即口系统、口系统、TN 系^.(1)第一个字母表示电源端与地的关系T-电源变压器中性点直接接地。
I-电源变压器中性点不接地,或通过高阻抗接地。
(2)第二个字母表示电气装置的外露可导电部分与地的关系T-电气装置的外露可导电部分直接接地,此接地点在电气上独立于电源端的接地点。
N-电气装置的外露可导电部分与电源端接地点有直接电气连接。
分别对IT系统、口系统,TN系统进行全面剖析。
一、灯系统IT系统就是电源中性点不接地,用电设备外露可导电部分直接接地的系统。
IT系统可以有中性线,但IEC强烈建议不设置中性线。
因为如果设置中性线,在IT系统中N线任何一点发生接地故障,该系统将不再是IT系统。
IT系统接线图如图1所示。
图1灯系统接线图口系统特点IT系统发生第一次接地故障时,接地故障电流仅为非故障相对地的电容电流,其值很小,外露导电部分对地电压不超过50V,不需要立即切断故障回路,保证供电的连续性;-发生接地故障时,对地电压升高1.73倍;-220V 负载需配降压变压器,或由系统外电源专供;-安装绝缘监察器。
使用场所:供电连续性要求较高,如应急电源、医院手术室等。
IT方式供电系统在供电距离不是很长时,供电的可靠性高、安全性好。
一般用于不允许停电的场所,或者是要求严格地连续供电的地方,例如电力炼钢、大医院的手术室、地下矿井等处。
地下矿井内供电条件比较差,电缆易受潮。
运用IT方式供电系统,即使电源中性点不接地,一旦设备漏电,单相对地漏电流仍小,不会破坏电源电压的平衡,所以比电源中性点接地的系统还安全。
但是,如果用在供电距离很长时,供电线路对大地的分布电容就不能忽视了。
在负载发生短路故障或漏电使设备外壳带电时,漏电电流经大地形成架路,保护设备不一定动作,这是危险的。
只有在供电距离不太长时才比较安全。
详解IT、TT、TN三种接地系统的区别电源侧的接地称为系统接地,负载侧的接地称为保护接地。
根据国际电⼯委员会规定的低压配电系统接地有IT系统、TT系统、TN系统三种⽅式。
⼩编为⼤家逐⼀介绍这三种系统。
字母含义(1)第⼀个字母表⽰电源端与地的关系:T-电源端有⼀点直接接地,I-电源端所有带电部分不接地或有⼀点通过阻抗接地。
(2)第⼆个字母表⽰电⽓装置的外露可导电部分与地的关系:T-电⽓装置的外露可导电部分直接接地,此接地点在电⽓上独⽴于电源端的接地点;N-电⽓装置的外露可导电部分与电源端接地点有直接电⽓连接IT系统:IT系统:电源变压器中性点不接地(或通过⾼阻抗接地),⽽电⽓设备外壳电⽓设备外壳采⽤保护接地。
适⽤于环境条件不良、易发⽣⼀相接地或⽕灾爆炸的场所,如10KV及 35KV的⾼压系统和矿⼭、井下的某些低压供电系统。
不适合在施⼯现场应⽤(常⽤TN-S接零保护系统),也可⽤于农村地区。
但不能装断零保护装置,因正常⼯作时中性线电位不固定,也不应设置零线重复接地。
TN系统:TN系统:电源变压器中性点接地,设备外露部分与中性线相连。
是将电⽓设备的⾦属外⽤保护零线与该中⼼点连接,称作保护接零系统。
按照中必线(⼯作零线)与保护线(保护零线)的组合事况TN系统⼜分以下三种形式:TN—C:电源变压器中性点接地,保护零线(PE)与⼯作零线(N)共⽤(简称PEN),称为三相四线制系统。
适⽤于三相负荷基本平衡场合,如果三相负荷不平衡,则PEN线中有不平衡电流,再加⼀些负适⽤于荷设备引起的谐波电流也会注⼊PEN,从⽽中性线N带电,且极有可能⾼于50V,它不但使设备机壳带电,对⼈⾝造成不安全,⽽且还⽆法取得稳定的基准电位;应将PEN线重复接地,其作⽤是当接零的设备发⽣相与外壳接触时,可以有效地降低零线对地电压。
缺陷:(1) 当三相负载不平衡时,在零线上出现不平衡电流,零线对地呈现电压,触及零线可能导致触电事故。
(2) 通过漏电保护开关的零线,只能作为⼯作零线,不能作为电⽓设备的保护零线,这是由于漏电开关的⼯作原理所决定的。
低压配电系统有三种接地形式(IT、TT、TN)系统的区别详解(注册安全工程师考点)根据现行的国家相关标准,低压配电系统有三种接地形式,即IT系统、TT系统、TN系统。
(1)第一个字母表示电源端与地的关系T-电源变压器中性点直接接地。
I-电源变压器中性点不接地,或通过高阻抗接地。
(2)第二个字母表示电气装置的外露可导电部分与地的关系T-电气装置的外露可导电部分直接接地,此接地点在电气上独立于电源端的接地点。
N-电气装置的外露可导电部分与电源端接地点有直接电气连接。
分别对IT系统、TT系统、TN系统进行全面剖析。
一、IT系统IT系统就是电源中性点不接地,用电设备外露可导电部分直接接地的系统。
IT系统可以有中性线,但IEC强烈建议不设置中性线。
因为如果设置中性线,在IT系统中N线任何一点发生接地故障,该系统将不再是IT系统。
IT系统接线图如图1所示。
图1 IT系统接线图IT系统特点IT系统发生第一次接地故障时,接地故障电流仅为非故障相对地的电容电流,其值很小,外露导电部分对地电压不超过50V,不需要立即切断故障回路,保证供电的连续性;-发生接地故障时,对地电压升高1.73倍;-220V 负载需配降压变压器,或由系统外电源专供;-安装绝缘监察器。
使用场所:供电连续性要求较高,如应急电源、医院手术室等。
IT 方式供电系统在供电距离不是很长时,供电的可靠性高、安全性好。
一般用于不允许停电的场所,或者是要求严格地连续供电的地方,例如电力炼钢、大医院的手术室、地下矿井等处。
地下矿井内供电条件比较差,电缆易受潮。
运用IT 方式供电系统,即使电源中性点不接地,一旦设备漏电,单相对地漏电流仍小,不会破坏电源电压的平衡,所以比电源中性点接地的系统还安全。
但是,如果用在供电距离很长时,供电线路对大地的分布电容就不能忽视了。
在负载发生短路故障或漏电使设备外壳带电时,漏电电流经大地形成架路,保护设备不一定动作,这是危险的。
只有在供电距离不太长时才比较安全。
低压配电系统TN、TT、IT的⽐较根据现⾏的国家标准《低压配电设计规范》(GB50054)的定义,将低压配电系统分为三种,即TN、TT、IT三种形式。
其中,第⼀个⼤写字母T表⽰电源变压器中性点直接接地;I则表⽰电源变压器中性点不接地(或通过⾼阻抗接地)。
第⼆个⼤写字母T表⽰电⽓设备的外壳直接接地,但和电⽹的接地系统没有联系;N表⽰电⽓设备的外壳与系统的接地中性线相连。
TN系统:电源变压器中性点接地,设备外露部分与中性线相连。
TT系统:电源变压器中性点接地,电⽓设备外壳采⽤保护接地。
IT系统:电源变压器中性点不接地(或通过⾼阻抗接地),⽽电⽓设备外壳电⽓设备外壳采⽤保护接地。
1、TN系统电⼒系统的电源变压器的中性点接地,根据电⽓设备外露导电部分与系统连接的不同⽅式⼜可分三类:即TN—C系统、TN—S系统、TN—C—S系统。
下⾯分别进⾏介绍。
1.1、TN—C系统其特点是:电源变压器中性点接地,保护零线(PE)与⼯作零线(N)共⽤。
(1)它是利⽤中性点接地系统的中性线(零线)作为故障电流的回流导线,当电⽓设备相线碰壳,故障电流经零线回到中点,由于短路电流⼤,因此可采⽤过电流保护器切断电源。
TN—C系统⼀般采⽤零序电流保护;(2)TN—C系统适⽤于三相负荷基本平衡场合,如果三相负荷不平衡,则PEN线中有不平衡电流,再加⼀些负荷设备引起的谐波电流也会注⼊PEN,从⽽中性线N带电,且极有可能⾼于50V,它不但使设备机壳带电,对⼈⾝造成不安全,⽽且还⽆法取得稳定的基准电位;(3)TN—C系统应将PEN线重复接地,其作⽤是当接零的设备发⽣相与外壳接触时,可以有效地降低零线对地电压。
由上可知,TN-C系统存在以下缺陷:(1)当三相负载不平衡时,在零线上出现不平衡电流,零线对地呈现电压。
当三相负载严重不平衡时,触及零线可能导致触电事故。
(2)通过漏电保护开关的零线,只能作为⼯作零线,不能作为电⽓设备的保护零线,这是由于漏电开关的⼯作原理所决定的。
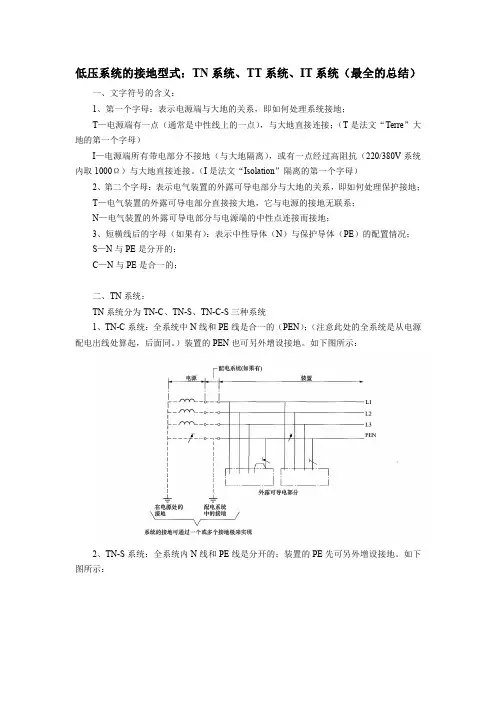
低压系统的接地型式:TN系统、TT系统、IT系统(最全的总结)一、文字符号的含义:1、第一个字母:表示电源端与大地的关系,即如何处理系统接地;T—电源端有一点(通常是中性线上的一点),与大地直接连接;(T是法文“Terre”大地的第一个字母)I—电源端所有带电部分不接地(与大地隔离),或有一点经过高阻抗(220/380V系统内取1000Ω)与大地直接连接。
(I是法文“Isolation”隔离的第一个字母)2、第二个字母:表示电气装置的外露可导电部分与大地的关系,即如何处理保护接地;T—电气装置的外露可导电部分直接接大地,它与电源的接地无联系;N—电气装置的外露可导电部分与电源端的中性点连接而接地;3、短横线后的字母(如果有):表示中性导体(N)与保护导体(PE)的配置情况;S—N与PE是分开的;C—N与PE是合一的;二、TN系统:TN系统分为TN-C、TN-S、TN-C-S三种系统1、TN-C系统:全系统中N线和PE线是合一的(PEN);(注意此处的全系统是从电源配电出线处算起,后面同。
)装置的PEN也可另外增设接地。
如下图所示:2、TN-S系统:全系统内N线和PE线是分开的;装置的PE先可另外增设接地。
如下图所示:3、TN-C-S系统:在全系统内,通常仅在低压电气装置电源进线点前N线和PE线是合一的,电源进线点后即分为两根线。
对系统的PEN线和PE线也可另外增设接地。
如下图所示:三、TT系统:电源端有一点直接与大地连接,电气装置的外露可导电部分应接到在电气上独立于电源系统接地的接地极上;特别需要注意的是,TT系统的中性线除在电源的一点作系统接地外,为防止杂散电流的产生不得在其他处再接地。
如下图所示:四、IT系统:电源端所有带电部分不接地(与大地隔离),或有一点(一般为中性点)经过高阻抗(220/380V系统内取1000Ω)与大地直接连接。
五、系统接地型式的应用:1、TN-C系统:因为N线和PE线是合并的,可以节省一根导线,比较经济。
低压配电系统接地型式与电击安全防护措施1 低电压配电系统接地型式根据国际电工委员会推荐,我国和大多数国家所接受的低电压配电系统接地型式有TN系统、TT系统、IT系统等三种[1],以下分别进行阐述。
1.1 TN系统电力系统有一点直接接地,用电设备的外露可导电部分通过保护线与接地点连接。
按中线与保护线组合的情况,又可分为三种型式:TN-S系统、TN-C系统、TN-C-S系统。
1.1.1 TN-S系统TN-S是一个三相五线的接地系统,特点是:中性线N与保护接地线PE除在变压器中性点共同接地外,两线不再有任何的电气连接。
系统正常运行时,中性线N上有不平衡电流,而保护线PE没有电流,该接地系统完全具备安全和可靠的基准电位,因此该系统明显提高了人及物的安全性。
TN-S常用于民用建筑、住宅小区等多种建筑物的接地系统。
如果计算机等电子设备没有特殊的要求时,一般都采用这种接地系统。
1.1.2 TN-C系统TN-C系统是中性线N与保护接地PE合二为一,称为PEN线。
这种接地系统虽对接地故障灵敏度高,线路经济简单,只适合用于三相负荷较平衡的场所。
1.1.3 TN-C-S系统TN-C-S系统由两个接地系统组成,第一部分是TN-C系统,第二部分是TN-S 系统,分界面在n线与pe线的连接点。
该系统一般用在建筑物的配电由公共变电所引来的场所,进户之前为TN-C系统,在进户配电箱处做重复接地,从总配电箱馈出二根线,中性线N与保护接地线PE分开引至设备,不再有电气连接,进户后变成TN-S系统。
TN-C-S系统多用于民用建筑、住宅小区等多种建筑物的接地系统。
1.2 TT系统TT系统的特点是中性线N与保护接地线PE无一点电气连接,即中性点接地与PE线接地是分开的。
用电设备的外露可导电部分,通过保护线接至大地,与电力系统接地无直接关联。
该系统在正常运行时,在中性线N带电情况下,PE线不会带电。
由于接地故障电流的大小受电源端的接地电阻和设备外壳的接地电阻之和的限制,一般情况下其电流较小,不能启动低压断路器跳闸或熔断器熔断将造成漏电设备的外壳对地电压高于安全电压,故应采用漏电保护器保护。
IT、TT、TN系统低压配电接地系统分为IT系统、TT系统、TN系统三种形式,而这三种接地方式非常容易混淆。
今天就来说说这三种系统的原理、特点和适用范围,希望能对广大的电气人有所帮助。
一、定义根据现行的国家标准《低压配电设计规范》(GB50054),低压配电系统有三种接地形式,即IT系统、TT系统、TN系统。
(1)、第一个字母表示电源端与地的关系T-电源变压器中性点直接接地。
I-电源变压器中性点不接地,或通过高阻抗接地。
(2)、第二个字母表示电气装置的外露可导电部分与地的关系T-电气装置的外露可导电部分直接接地,此接地点在电气上独立于电源端的接地点。
N-电气装置的外露可导电部分与电源端接地点有直接电气连接。
二、分别对IT系统、TT系统、TN系统进行全面剖析1、IT系统IT系统就是电源中性点不接地,用电设备外露可导电部分直接接地的系统。
IT系统可以有中性线,但IEC强烈建议不设置中性线。
因为如果设置中性线,在IT系统中N线任何一点发生接地故障,该系统将不再是IT系统。
图1 IT系统接线图IT系统特点:IT系统发生第一次接地故障时,仅为非故障相对地的电容电流,其值很小,外露导电部分对地电压不超过50V,不需要立即切断故障回路,保证供电的连续性;-发生接地故障时,对地电压升高1.73倍;-220V负载需配降压变压器,或由系统外电源专供;-安装绝缘监察器。
使用场所:供电连续性要求较高,如应急电源、医院手术室等。
IT 方式供电系统在供电距离不是很长时,供电的可靠性高、安全性好。
一般用于不允许停电的场所,或者是要求严格地连续供电的地方,例如电力炼钢、大医院的手术室、地下矿井等处。
地下矿井内供电条件比较差,电缆易受潮。
运用 IT 方式供电系统,即使电源中性点不接地,一旦设备漏电,单相对地漏电流仍小,不会破坏电源电压的平衡,所以比电源中性点接地的系统还安全。
但是,如果用在供电距离很长的情况下,供电线路对大地的分布电容就不能忽视了。
TN系统:电源变压器中性点接地,设备外露部分与中性线相连。
TT系统:电源变压器中性点接地,电气设备外壳采用保护接地。
IT系统:电源变压器中性点不接地(或通过高阻抗接地),而电气设备外壳电气设备外壳采用保护接地。
电力系统的电源变压器的中性点接地,根据电气设备外露导电部分与系统连接的不同方式又可分三类:即TN―C系统、TN―S系统、TN―C―S系统。
下面分别进行介绍。
1、TN―C系统其特点是:电源变压器中性点接地,保护零线(PE)与工作零线(N)共用。
(1)它是利用中性点接地系统的中性线(零线)作为故障电流的回流导线,当电气设备相线碰壳,故障电流经零线回到中点,由于短路电流大,因此可采用过电流保护器切断电源。
TN―C系统一般采用零序电流保护;(2)TN―C系统适用于三相负荷基本平衡场合,假如三相负荷不平衡,则PEN线中有不平衡电流,再加一些负荷设备引起的谐波电流也会注入PEN,从而中性线N带电,且极有可能高于50V,它不但使设备机壳带电,对人身造成不安全,而且还无法取得稳定的基准电位;(3)TN―C系统应将PEN线重复接地,其作用是当接零的设备发生相与外壳接触时,可以有效地降低零线对地电压。
由上可知,TN-C系统存在以下缺陷:(1)当三相负载不平衡时,在零线上出现不平衡电流,零线对地呈现电压。
当三相负载严重不平衡时,触及零线可能导致触电事故。
(2)通过漏电保护开关的零线,只能作为工作零线,不能作为电气设备的保护零线,这是由于漏电开关的工作原理所决定的。
(3)对接有二极漏电保护开关的单相用电设备,如用于TN-C系统中其金属外壳的保护零线,严禁与该电路的工作零线相连接,也不答应接在漏电保护开关前面的PEN 线上,但在使用中极易发生误接。
(4)重复接地装置的连接线,严禁与通过漏电开关的工作零线相连接。
TN-S供电系统,将工作零线与保护零线完全分开,从而克服了TN-C供电系统的缺陷,所以现在施工现场已经不再使用TN-C系统。
低压配电系统的供电方式低压配电系统按保护接地的形式不同可分为:IT系统、TT系统和TN系统。
其中IT系统和TT系统的设备外露可导电部分经各自的保护线直接接地(过去称为保护接地);TN系统的设备外露可导电部分经公共的保护线与电源中性点直接电气连接(过去称为接零保护)。
国际电工委员会(IEC)对系统接地的文字符号的意义规定如下:第一个字母表示电力系统的对地关系:T--一点直接接地;I--所有带电部分与地绝缘,或一点经阻抗接地。
第二个字母表示装置的外露可导电部分的对地关系:T--外露可导电部分对地直接电气连接,与电力系统的任何接地点无关;N--外露可导电部分与电力系统的接地点直接电气连接(在交流系统中,接地点通常就是中性点)。
后面还有字母时,这些字母表示中性线与保护线的组合:S--中性线和保护线是分开的;O--中性线和保护线是合一的。
(1)IT系统:IT系统的电源中性点是对地绝缘的或经高阻抗接地,而用电设备的金属外壳直接接地。
即:过去称三相三线制供电系统的保护接地。
IT system typesProtection againindirect contacts NIdRPEUc其工作原理是:若设备外壳没有接地,在发生单相碰壳故障时,设备外壳带上了相电压,若此时人触摸外壳,就会有相当危险的电流流经人身与电网和大地之间的分布电容所构成的回路。
而设备的金属外壳有了保护接地后,由于人体电阻远比接地装置的接地电阻大,在发生单相碰壳时,大部分的接地电流被接地装置分流,流经人体的电流很小,从而对人身安全起了保护作用。
IT系统适用于环境条件不良,易发生单相接地故障的场所,以及易燃、易爆的场所。
(2)TT系统:TT系统的电源中性点直接接地;用电设备的金属外壳亦直接接地,且与电源中性点的接地无关。
即:过去称三相四线制供电系统中的保护接地。
TT system typesProtection againindirect contacts I mA)Uc= RA xIdandUc< 50VRBIdUcRA其工作原理是:当发生单相碰壳故障时,接地电流经保护接地装置和电源的工作接地装置所构成的回路流过。
简述TN、TT、IT三种供电系统0 引言众所周知,电是一种能源,它能造福人类但如果我们使用不得当,它也会给我们带来灾害。
目前,电是我们社会的发展与进步不可缺少的能源,其重要性不言而喻,同时由于人们对电知识的缺乏、使用不当、防护措施不够完善等原因引发的人身安全和财产损失事故层出不穷.本文是在学习钮教授的《电气安全》后,仅就三种低压配电系统谈谈自己的收获与见解,希望对了解三种常见的低压配电系统有所帮助。
1 简述三种系统字母涵义根据现行的国家标准《低压配电设计规范》(GB50054)的定义,将低压配电系统分为三种,即TN、TT、IT三种形式。
其中,第一位字母(表示电力(电源)系统对地关系):I——表示电力系统所有带电部分与地绝缘或一点经阻抗接地. T ——则表示电力系统一点(通常是中性点)直接接地. 第二位字母(表示用电装置外露的金属部分对地的关系,):T ——表示电气装置的外露可导电部分直接接地(与电力系统的任何接地点无关). N -—表示电气装置的外露可导电部分通过保护线与电力系统的中性点联结。
TN系统:电源变压器中性点接地,设备外露部分与中性线相连。
TT系统:电源变压器中性点接地,电气设备外壳采用保护接地。
T系统:电源变压器中性点不接地(或通过高阻抗接地),而电气设备外壳电气设备外壳采用保护接地。
2 TN系统电力系统的电源变压器的中性点接地,根据电气设备外露导电部分与系统连接的不同方式又可分三类:即TN-C系统、TN-S系统、TN—C—S系统。
2.1 T N-C系统外露可导电部分其特点是:电源变压器中性点接地,保护零线(PE)与工作零线(N)共用.(1)它是利用中性点接地系统的中性线(零线)作为故障电流的回流导线,当电气设备相线碰壳,故障电流经零线回到中点,由于短路电流大,因此可采用过电流保护器切断电源。
TN-C系统一般采用零序电流保护;(2)TN-C系统适用于三相负荷基本平衡场合,如果三相负荷不平衡,则PEN线中有不平衡电流,再加一些负荷设备引起的谐波电流也会注入PEN,从而中性线N带电,且极有可能高于50V,它不但使设备机壳带电,对人身造成不安全,而且还无法取得稳定的基准电位;(3)TN—C系统应将PEN线重复接地,其作用是当接零的设备发生相与外壳接触时,可以有效地降低零线对地电压.由上可知,TN-C系统存在以下缺陷:(1)当三相负载不平衡时,在零线上出现不平衡电流,零线对地呈现电压。
低压配电系统中常用的型式有:IT系统、TT 系统、TN系统,下面我们做分别介绍。
一、IT型必须说明:(略)二、TT型必须说明:《农村低压电力技术规程》DL/T499-2001中规范:3.4.5 采用TT系统时应满足的要求:1、采用TT系统,除变压器低压侧中性点直接接地外,中性线不得再行接地,且应保持与相线(火线)同等的绝缘水平。
2、为了防止中性线的机械断线,其截面积应满足以下要求:相线的截面积S:S≤16平方毫米中性线截面积S0:S0=S(与相线一样)相线的截面积S:16<S≤35平方毫米中性线截面积S0:S0=16相线的截面积S:S>35平方毫米中性线截面积S0:S0=S/2(相线的一半)3、电源进线开关应隔离(能断开)中性线,漏电保护器必须隔离(能断开)中性线。
4、必须实施剩余电流保护(即必须安装漏电保护开关),包括:(1)剩余电流总保护、剩余电流中级保护(必要时),其动作电流应满足:剩余电流总保护和是及时切除低压电网主干线和分支线路上断线接地等产生较大剩余电流的故障。
剩余电流总保护器的动作电流整定:总保护整定剩余电流较小的电网非阴雨季节为50mA 阴雨季节为200mA剩余电流较大的电网非阴雨季节为100mA 阴雨季节为300mA(2)剩余电流末级保护剩余电流中末级保护装于用户受电端(即终端用户,例如家庭用电,或某台用电设备),其保护范围是防止用户内部绝缘破坏,发生人身间接接触触电等而产生的剩余电流所造成的事故。
对直接接触触电,仅作为基本保护措施的附加保护。
剩余电流中末级保护应满足以下条件:Re×Iop≤Ulim式中:Re—受电设备外露可导电部分的接地电阻(Ω)Ulim—安全电压极限(正常情况下可按50V交流有效值考虑)Iop—剩余电流保护器的动作电流(A)Iop整定值:≤30mA5、配电变压器低压侧及出线回路,均应装设过电流保护,包括:短路保护和过负荷保护。
6、PEE线的作用:当设备发生漏电时,漏电电流可以通过大地回流到变压器的中性点,可以降低带点的设备外壳电压,降低人触及设备外壳被电击的危险程度。
7、当发生单相接地故障时,接地电流通过大地流回变压器中性点,使得接地电流很大,促使线路保护器可靠动作(特别是整定值符合规范的漏电保护器)可靠动作,切断电源。
三、TN型TN系统:包括TN—C、TN—C—S、TN—S三种系统1、TN—C系统必须说明:《供配电系统设计规范》GB50052-2009对低压配电系的统规范:为了保护民用建筑的用电安全,不宜采用TN—C系统。
2、TN—C—S系统3、TN—S系统TN优缺点分析:TN-S(三相五线制)接地形式的PE线平时不通过工作电流,仅在发生接地故障时流过故障电流,其电位接近大地电位,不会干扰信息设备,不会对地打火,较为安全;缺点是需要全程设置PE线,造价较高。
TN-C-S(三相四线制)相对于TN-S(三相五线制)来说少了一根专用PE线,造价较低,由于其进入用电建筑后PE线和N线分开所以也具有TN-S的有点;但是要求PEN线的连接非常可靠,PEN线一旦断线将引发很多故障。
需要注意:NT-S系统的PE和TN-C-S系统的PEN线在同一供电范围内都是连通的,当变电所或配电系统中某一设施发生电气接地故障时,NT-S系统其故障电压会沿着PE线、TN-C-S系统其故障电压会沿着PEN线在电气设备间传导,这是TN系统共有的缺点,所以必须采取等电位措施来预防这种情况的发生。
四、关于低压配电系统选用规范:1、《农村低压电力技术规程》DL/T499-2001对低压配电系统选用规范:农村低压电网宜采用TT系统,城镇电力用户宜采用TN系统,对安全有特殊要求可采用IT 系统。
2、《供配电系统设计规范》GB50052-2009对低压配电系统选用规范:对于民用建筑的低压配电系统应采用TT、TN-S 或TN-C-S 接地型式,并进行等电位联结。
为保证民用建筑的用电安全,不宜采用TN-C 接地型式;有总等电位联结的TN-S 接地型式系统建筑物内的中性线不需要隔离;对TT 接地型式系统的电源进线开关应隔离中性线,漏电保护器必须隔离中性线。
3、《住宅设计规范》GB50096-1999(2003版)电气部分规范:本条强调了住宅供电系统设计的安全要求。
TT、TN-C-S 和TN-S 三种系统,都有专用的PE 线(接地线),是住宅中最常用可靠的接地方式;“总等电位联结”则可降低住宅楼内的接触电压,消除沿电源线路导入的对地故障电压的危害,也是防雷安全所必需。
4、《电子信息系统机房设计规范》GB50174-2008对低压配电系统选用规范:电子信息系统机房低压配电系统不应采用TN-C系统。
电子信息设备的配电应按设备要求确定。
这是因为若采用TN—C系统,会产生连续的工频电流及谐波电流对设备的干扰。
干扰来源于TN—C系统“中性导体电流”(在三相系统中由于不平衡电荷在PEN线上产生的电流)分流于PEN线、信号交换用的电缆的屏蔽层,基准导体和室外引来的导电物体之间。
而采用TN—S 系统,这种“中性导体电流”仅在专用的导体(N)线上流动,不会通过共用接地系统对设备产生干扰。
因此,在进行配电时,应保证N线(零线)与PE线(保护地线)绝缘。
当然,在实际的工程中,常由于接地方法有问题,可能导致N线与PE线接触,使系统全部或部分又转回TN—C系统,再度产生干扰故障。
五、TN-S系统简明图(目前采用最多的系统)v1.0 可编辑可修改一般要求:(1)总零线(N)线不得装设熔断器和单独的开关装置,即使通过开关,也应采用N线直通型开关;为保证N线连续可靠不间断的连接,N线导体的截面积应符合要求(参考如上TT 系统所述);N线不得再次作重复接地连接。
(2)保护线(PE)需要作重复接地连接。
(3)保护地线(PE)绝对不允许断开。
否则若有一台设备内部发生漏电而使该设备外漏不带电部分带电时,就构不成回路,保护器不会自动切断电源,同时产生严重后果:与之接同一条保护地线的其他完好设备外壳也都被动带电,引起大范围的电气设备外壳带电,造成可怕的触电威胁。
为了安全需要,这条线要做重复接地,而且接地可靠(接地电阻要符合要求)。
备注:就上图的配电系统而言,事实上【PE线】专业叫做【保护零线】,只是在现实中很少人叫做【保护零线】,而叫做【保护地线】。
现实中,我们在用电器上看到的黄绿相间的那条线,是接设备外壳的,就是接保护零线的。
因此,在简明图中我们可以看到:蓝色的零线(N线)是不经过总开关的,我们这里指的总开关也指“最终用户开关”之前的分开关,只有到达最终用户时,才允许经过开关。
这样要求的目的是避免零线断线而造成用电设备受电电压升高,导致设备故障,原本是单相供电(220V),变成两相供电(380V);绿色线(PE)线保证连续紧密不间断连接,同时作重复接地连接、首末端接地连接。
【必须注意】在配电的时候要尽可能做到三相用电负荷基本平衡。
举例说明,例如小区供电,我们以一栋6层2单元的住宅楼说明,变压器输出的三相一零分别送到该楼的总配电箱内,然后在这么分配给用户:1、2层楼用A相,2、3.层用B相,5、6层用户用C相,这么配电在理论上就基本保持供电系统的三相平衡。
也由此可知,绝对平衡是不可能的。
【小常识】在理论上,如果供电系统三相用电负荷平衡,那么总零线上是没有电流流过的,因此我们就知道了总零线的作用,即是用来流通三相供电系统的不平衡电流用的,所以,在现实中我们见到的4线供电电缆,零线要比三根火线的线径小得多;而在现实中,区民用电大多是单相用电用户,因此我们就要求零线和火线的线径一样的规格,因为火线流过多少电流,零线就流过多少电流。
【小常识】现实中,我们常常遇到一些小饭馆因为供电出了问题要我们去看看他们的供电是否合理的情况。
在检查中我们发现,这些小饭馆只用一根火线和一根零线供电(单相供电)。
要知道,随着电磁灶、空调等大功率家用电器的普及,只采用一根火线和一根零线供电是明显不够的,这么供电,要求电线线径很大,例如16平方,电线仍发热不止。
我们立即建议进行改造,改为3相供电,即3根火线(A相B相C相)1根零线和1根地线(TN-S系统5线制)供电,然后在小饭馆内再这么分配用电:全部空调用一相,饭馆内插座、照明用一相,伙房用一相(厨房用电量很大)。
v1.0 可编辑可修改关于TN-C系统是否需要安装漏电保护器的问题。
关于TN-C系统是否需要设漏电保护器的问题,在学术上有没有明确的规定,我也不大清楚。
随着电子技术和科技的发展,电子设备越来越多地被运用到了老百姓的生活中来,那么来说,对配电系统的要求也越来越高,TN-C系统将逐步地退出历史的舞台,TN-S系统将成为最稳定优越的供电系统。
对于TN-C系统要不要设漏电保护器的问题,可以具体情况具体分析,在这里只能略作解释:(1)首先我们要明确,漏电保护器不是保命器,就终端用户而言,我们安装漏电保护器(具有短路、过载和漏电三种保护功能与一体的漏电保护器,即市场上卖的:剩余电流动作断路器)的目的是:a、发生线路(设备或家用电器)过载、短路(线路或设备故障)、线路(设备或家用电器)漏电时,漏电保护器要及时自动地跳闸切断电源。
b、漏电保护器是在线路或设备(或家用电器)发生漏电时就立即自动跳闸切断电源,以保护人接触到漏电的设备而发生触电。
也就是说,当设备发生漏电后就立即跳闸,而不是要等到人去接触到漏电设备时才跳闸,这一点很重要。
因此,对于TN-S系统而言,接地线是一根很重要的保护线,要确保我们所使用的家用电器的外壳与之紧密连接,为什么要紧密连接因为这条线是让漏电电流通过的,一旦设备发生漏电,漏电电流就从这条线流回供电系统,漏电保护器才能检测到不平衡电流,才会立即跳闸切断电源;还有就是,这条线是与大地紧密连接的,因为大地电位为零,那么我们设备外壳的电位也被它拉为接近零,所以人接触到设备外壳是安全的(回顾一下欧姆定律就可以知道人为什么是安全的)。
(2)TN-C系统因为PEN线二合为一,假如设备外壳没有接地,那么设备发生漏电了,漏电保护器仍不会自动跳闸切断电源,以保护设备和人身安全,因为漏电电流又流回零线,漏电保护器没有检测到漏电存在,此时,漏电的设备外壳是带电的,一定要等到人去接触了带电的设备外壳,人被电击了(假如人是站在大地上的),漏电保护器才会跳闸(假如漏电保护器是好的,整定电流是在30毫安及以下的。
假如整定值大于30毫安的,人被电死了,还不会跳闸切断电源)。
(3)TN-C系统因为PEN线二合为一,假如设备外壳接地,就漏电保护而言,这台设备已经发生漏电,那么就无法使用漏电保护器。
因为若设备发生漏电,漏电电流一部分就流入大地,一部分流回零线(假如设备外壳按规定做接零保护的话)流入大地的泄漏电流达到漏电保护器的设定值(漏电保护器有不同的整定值,对于家用的整定为30毫安及以下),漏电保护器就动作,就会发生漏电保护器无法合闸的情况。