塔机附着验算计算书1
- 格式:doc
- 大小:113.00 KB
- 文档页数:11
塔机附着验算计算书塔机附着验算计算书计算依据:1、《塔式起重机混凝土基础工程技术规程》JGJ/T187-20092、《钢结构设计规范》GB50017-2003一、塔机附着杆参数塔机型号QTZ40(浙江建机)塔身桁架结构类型型钢塔机计算高度H(m) 30 塔身宽度B(m) 1.6 起重臂长度l1(m) 57 平衡臂长度l2(m) 12.9 起重臂与平衡臂截面计算高度h(m) 1.06 工作状态时回转惯性力产生的扭矩标准值T k1(kN·m)60工作状态倾覆力矩标准值M k(kN·m) 60 非工作状态倾覆力矩标准值M k'(kN*m)60附着杆数四杆附着附墙杆类型Ⅰ类附墙杆截面类型格构柱塔身锚固环边长C(m) 1.8附着次数N 4附着点1到塔机的横向距离a1(m) 9.5 点1到塔机的竖向距离b1(m) 9.5 附着点2到塔机的横向距离a2(m) 5.7 点2到塔机的竖向距离b2(m) 5.7 附着点3到塔机的横向距离a3(m) 5.7 点3到塔机的竖向距离b3(m) 5.7 附着点4到塔机的横向距离a4(m) 9.5 点4到塔机的竖向距离b4(m) 9.5 工作状态基本风压ω0(kN/m2) 0.2 非工作状态基本风压ω0'(kN/m2) 1塔身前后片桁架的平均充实率α00.35第N次附着附着点高度h1(m)附着点净高h01(m)风压等效高度变化系数μz工作状态风荷载体型系数μs非工作状态风荷载体型系数μs'工作状态风振系数βz非工作状态风振系数βz'工作状态风压等效均布线荷载标准值q sk非工作状态风压等效均布线荷载标准值q sk'第1次附着9 9 0.65 1.95 1.95 1.977 1.977 0.269 1.347第2次附着15 6 0.734 1.95 1.95 1.901 1.963 0.293 1.51第3次附着20 5 0.738 1.95 1.95 1.825 1.934 0.282 1.496第4次附25 5 0.751 1.95 1.95 1.798 1.944 0.283 1.53 着悬臂端30 5 0.774 1.95 1.95 1.79 1.945 0.29 1.578 Array塔机附着立面图三、工作状态下附墙杆内力计算1、在平衡臂、起重臂高度处的风荷载标准值q kq k=0.8βzμzμsω0α0h=0.8×1.79×0.774×1.95×0.2×0.35×1.06=0.16kN/m2、扭矩组合标准值T k由风荷载产生的扭矩标准值T k2T k2=1/2q k l12-1/2q k l22=1/2×0.16×572-1/2×0.16×12.92=246.607kN·m集中扭矩标准值(考虑两项可变荷载控制的组合系数取0.9)T k=0.9(T k1+ T k2)=0.9×(60+246.607)=275.946kN·m3、附着支座反力计算计算简图塔身上部第一附着点(塔身悬臂支承端)的支承反力最大,应取该反力值作为附着装置及建筑物支承装置的计算载荷。
QTZ5012塔机附着支撑杆及高强螺栓验算工程名称:施工单位:编制单位:一、工程概况该项目工地安装一台重庆桥瑞机械厂生产的QTZ5012塔机,塔身中心距建筑物7.8m,附着支撑杆与塔身的角度较小,不满足塔机说明书的规定,需重新计算。
附墙耳板座与建筑物剪力墙用M24高强螺栓夹持连接,其余采用销轴连接。
附着装置采用三杆式体系,附着支撑杆采用10φ无缝钢管。
159⨯与塔身上的附着框架采用销轴铰接。
顶升加高标准节前,应先安装附着装置,然后顶升加节,附着装置以上的塔身悬伸高度不得超过塔机使用说明书的规定高度。
二、编制依据GB/T13752 塔式起重机设计规范GB/T5031—2008 塔式起重机DBJ50—140—2012 塔式起重机安装与拆卸技术规范JGJ33-2012 建筑机械使用安全技术规程重庆桥瑞QTZ5012塔机使用说明书工程施工图三、塔机支撑杆布置及支撑杆受力验算1.计算力学模型塔机在附着状态为一多跨外伸梁,附着装置可视为支座链杆,由结构力学可知,多道连续梁在承受杆端弯矩、轴向力、横向剪力时,最上一道支座链杆(附着装置)受力最大,由上到下受力逐次递减。
只要计算出第一道附着装置的内力,以后安装第二道附着装置后,其内力与第一道相同,第一道附着的内力减小;随着附着道数的增多,始终是最上一道附着装置受力最大。
由于塔身附着处载荷小于独立状态时载荷,故不需再验算塔身强度及稳定性,只计算附着反力。
附着装置在工作状态下主要承受风载和起升平面弯矩产生的水平力,以及扭矩引起的内力。
计算多跨外伸梁的支座反力(即水平力)相当繁琐,根据我公司多次的计算对比,可简化为一端固定另一端只有一个链杆的一次超静定结构。
由于附着状态下最上一道附着受力最大,据以上力学模型可求得该处附着框水平合力为F,由该塔机使用说明书查得附着框扭矩M。
n 三杆式附着为静定体系。
当水平力和扭矩为恒定值时,各杆件的内力随水平力的方位变化而改变。
塔机起重臂在0360范围内回转,各杆件在回转过程中分别出现最大内力。
塔吊附着计算书1、附着装置布置方案根据塔机生产厂家提供的标准,附着距离一般为3~5 m,附着点跨距为7~8 m[1,2],塔机附着装置由附着框架和附着杆组成,附着框架多用钢板组焊成箱型结构,附着杆常采用角钢或无缝钢管组焊成格构式桁架结构,受力不大的附着杆也可用型钢或钢管制成。
根据施工现场提供的楼面顶板标高,按照QTZ63 系列5013 型塔式起重机的技术要求,需设4道附着装置,以满足工程建设最大高度100 m 的要求。
附着装置布置方案如图2 所示。
图1塔吊简图与计算简图塔吊基本参数附着类型类型1 最大扭矩270.00 kN·m最大倾覆力矩1350.00 kN·m 附着表面特征槽钢塔吊高度110 m 槽钢型号18A塔身宽度1645*1645*2800 mm风荷载设计值(福州地区)0.41附着框宽度 3.00 m 尺寸参数附着节点数 4 附着点1到塔吊的竖向距离 3.00 m第I层附着附着高度附着点1到塔吊的横向距离 3.00 m第8层23.45 m 附着点1到附着点2的距离9.00 m第16层46.65 m 独立起升高度40 m第24层70.85 m 附着起升高度151.2 m第31层95.95 m图2塔吊附着简图三、第一道附着计算塔机按照说明书与建筑物附着时,最上面一道附着装置的负荷最大,因此以此道附着杆的负荷作为设计或校核附着杆截面的依据。
第一道附着的装置的负荷以第四道附着杆的负荷作为设计或校核附着杆截面计算,第一道附着高度计划在第8层楼层标高为23.45米。
(一)、支座力计算附着式塔机的塔身可以简化为一个带悬臂的刚性支撑连续梁,其内力及支座反力计算如下:风荷载取值:Q = 0.41kN;塔吊的最大倾覆力矩:M = 1668.00kN;弯矩图变形图剪力图计算结果: N w = 105.3733kN ;(二)、附着杆内力计算计算简图:计算单元的平衡方程:其中:2.1 第一种工况的计算:塔机满载工作,风向垂直于起重臂,考虑塔身在最上层截面的回转惯性力产生的扭矩合风荷载扭矩。
附着计算计算书本计算书主要依据施工图纸及以下规范及参考文献编制:《塔式起重机设计规范》(GB/T13752-1992)、《建筑结构荷载规范》(GB50009-2001)、《建筑安全检查标准》(JGJ59-99)、《建筑施工手册》、《钢结构设计规范》(GB50017-2003)等编制。
塔机安装位置至附墙或建筑物距离超过使用说明规定时,需要增设附着杆,附着杆与附墙连接或者附着杆与建筑物连接的两支座间距改变时,必须进行附着计算。
主要包括附着支座计算、附着杆计算、锚固环计算。
一、支座力计算塔机按照说明书与建筑物附着时,最上面一道附着装置的负荷最大,因此以此道附着杆的负荷作为设计或校核附着杆截面的依据。
附着式塔机的塔身可以简化为一个带悬臂的刚性支撑连续梁,其内力及支座反力计算如下:风荷载标准值应按照以下公式计算:ωk=ω0×μz×μs×βz= 0.390×1.170×1.450×0.700 =0.463 kN/m2;其中ω0──基本风压(kN/m2),按照《建筑结构荷载规范》(GBJ9)的规定采用:ω0 = 0.390 kN/m2;μz──风压高度变化系数,按照《建筑结构荷载规范》(GBJ9)的规定采用:μz = 1.450 ;μs──风荷载体型系数:μs = 1.170;βz──高度Z处的风振系数,βz = 0.700;风荷载的水平作用力:q = W k×B×K s = 0.463×1.600×0.200 = 0.148 kN/m;其中 W k──风荷载水平压力,W k= 0.463 kN/m2;B──塔吊作用宽度,B= 1.600 m;K s──迎风面积折减系数,K s= 0.200;实际取风荷载的水平作用力 q = 0.148 kN/m;塔吊的最大倾覆力矩:M = 1090.000 kN·m;弯矩图变形图剪力图计算结果: N w = 60.8891kN ;二、附着杆内力计算计算简图:计算单元的平衡方程:ΣF x=0T1cosα1+T2cosα2-T3cosα3=-N w cosθΣF y=0T1sinα1+T2sinα2+T3sinα3=-N w sinθΣM0=0T1[(b1+c/2)cosα1-(α1+c/2)sinα1]+T2[(b1+c/2)cosα2-(α1+c/2)sinα2]+T3[-(b1+c/2)cosα3+ (α2-α1-c/2)sinα3]=M w其中:α1=arctan[b1/a1] α2=arctan[b1/(a1+c)] α3=arctan[b1/(a2- a1-c)]2.1 第一种工况的计算:塔机满载工作,风向垂直于起重臂,考虑塔身在最上层截面的回转惯性力产生的扭矩和风荷载扭矩。
塔吊附着计算书1、附着装置布置方案根据塔机生产厂家提供的标准,附着距离一般为3~5 m,附着点跨距为7~8 m[1,2],塔机附着装置由附着框架和附着杆组成,附着框架多用钢板组焊成箱型结构,附着杆常采用角钢或无缝钢管组焊成格构式桁架结构,受力不大的附着杆也可用型钢或钢管制成。
根据施工现场提供的楼面顶板标高,按照QTZ63 系列5013 型塔式起重机的技术要求,需设4道附着装置,以满足工程建设最大高度100 m 的要求。
附着装置布置方案如图2 所示。
图1塔吊简图与计算简图塔吊基本参数附着类型类型1 最大扭矩270.00kN·m最大倾覆1350.00 kN·m 附着表面特征槽钢力矩塔吊高度110 m 槽钢型号18A塔身宽度1645*1645*2800 风荷载设计值(福0.41mm 州地区)附着框宽度3.00 m 尺寸参数附着节点数4 附着点1到塔吊的竖向距离3.00 m第I层附着附着高度附着点1到塔吊的横向距离3.00 m第8层23.45 m 附着点1到附着点2的距离9.00 m 第16层46.65 m 独立起升高度40 m第24层70.85 m 附着起升高度151.2 m 第31层95.95 m图2塔吊附着简图三、第一道附着计算塔机按照说明书与建筑物附着时,最上面一道附着装置的负荷最大,因此以此道附着杆的负荷作为设计或校核附着杆截面的依据。
第一道附着的装置的负荷以第四道附着杆的负荷作为设计或校核附着杆截面计算,第一道附着高度计划在第8层楼层标高为23.45米。
(一)、支座力计算附着式塔机的塔身可以简化为一个带悬臂的刚性支撑连续梁,其内力及支座反力计算如下:风荷载取值:Q = 0.41kN;塔吊的最大倾覆力矩:M = 1668.00kN;弯矩图变形图剪力图计算结果: N w = 105.3733kN ;(二)、附着杆内力计算计算简图:计算单元的平衡方程:其中:2.1 第一种工况的计算:塔机满载工作,风向垂直于起重臂,考虑塔身在最上层截面的回转惯性力产生的扭矩合风荷载扭矩。
塔机附着验算计算书一、塔机附着杆参数二、风荷载及附着参数附图如下:塔机附着立面图三、工作状态下附墙杆内力计算1、在平衡臂、起重臂高度处的风荷载标准值q kq k=0.8βzμzμsω0α0h=0.8×1.695×1.206×1.95×0.2×0.35×1.06=0.237kN/m 2、扭矩组合标准值T k由风荷载产生的扭矩标准值T k2T k2=1/2q k l12-1/2q k l22=1/2×0.237×572-1/2×0.237×12.92=365.287kN·m 集中扭矩标准值(考虑两项可变荷载控制的组合系数取0.9)T k=0.9(T k1+ T k2)=0.9×(270+365.287)=571.758kN·m3、附着支座反力计算计算简图剪力图得:R E=77.975kN在工作状态下,塔机起重臂位置的不确定性以及风向的随机性,在计算支座4处锚固环截面内力时需考虑塔身承受双向的风荷载和倾覆力矩及扭矩。
4、附墙杆内力计算支座4处锚固环的截面扭矩T k(考虑塔机产生的扭矩由支座4处的附墙杆承担),水平内力N w=20.5R E=110.273kN。
计算简图:塔机附着示意图塔机附着平面图α1=arctan(b1/a1)=53.241°α2=arctan(b2/a2)=46.353°α3=arctan(b3/a3)=46.353°α4=arctan(b4/a4)=53.241°β1=arctan((b1-c/2)/(a1+c/2))=46.185°β2=arctan((b2+c/2)/(a2+c/2))=46.185°β3=arctan((b3+c/2)/(a3+c/2))=46.185°β4=arctan((b4-c/2)/(a4+c/2))=46.185°四杆附着属于一次超静定结构,用力法计算,切断T4杆并代以相应多余未知力X1=1。
一、计算书塔机附着验算(32层)计算书计算依据:1、《塔式起重机混凝土基础工程技术规程》JGJ/T187-20092、《钢结构设计规范》GB50017-2003一、塔机附着杆参数二、风荷载及附着参数第2次附着40 15 0.832 1.95 1.95 1.763 1.801 0.308 0.471 第3次附着55 15 0.922 1.95 1.95 1.755 1.792 0.339 0.52 第4次附着70 15 1.008 1.95 1.95 1.733 1.766 0.366 0.56 第5次附着85 15 1.087 1.95 1.95 1.708 1.746 0.389 0.597 第6次附着100 15 1.16 1.95 1.95 1.699 1.734 0.413 0.633 悬臂端121 21 1.254 1.95 1.95 1.686 1.728 0.443 0.681 附图如下:塔机附着立面图三、工作状态下附墙杆内力计算1、在平衡臂、起重臂高度处的风荷载标准值q kq k=0.8βzμzμsω0α0h=0.8×1.686×1.254×1.95×0.2×0.35×1.06=0.245kN/m2、扭矩组合标准值T k由风荷载产生的扭矩标准值T k2T k2=1/2q k l12-1/2q k l22=1/2×0.245×562-1/2×0.245×12.92=363.775kN·m集中扭矩标准值(考虑两项可变荷载控制的组合系数取0.9)T k=0.9(T k1+ T k2)=0.9×(269.3+363.775)=569.768kN·m3、附着支座反力计算计算简图剪力图得:R E=146.645kN在工作状态下,塔机起重臂位置的不确定性以及风向的随机性,在计算支座7处锚固环截面内力时需考虑塔身承受双向的风荷载和倾覆力矩及扭矩。
塔吊附着计算书1、附着装置布置方案根据塔机生产厂家提供的标准,附着距离一般为3~5 m,附着点跨距为7~8 m[1,2],塔机附着装置由附着框架和附着杆组成,附着框架多用钢板组焊成箱型结构,附着杆常采用角钢或无缝钢管组焊成格构式桁架结构,受力不大的附着杆也可用型钢或钢管制成。
根据施工现场提供的楼面顶板标高,按照QTZ63 系列5013 型塔式起重机的技术要求,需设4道附着装置,以满足工程建设最大高度100 m 的要求。
附着装置布置方案如图2 所示。
图1塔吊简图与计算简图塔吊基本参数附着类型类型1 最大扭矩270.00 kN·m最大倾覆力矩1350。
00 kN·m 附着表面特征槽钢塔吊高度110 m 槽钢型号18A塔身宽度1645*1645*2800 mm风荷载设计值(福州地区)0。
41附着框宽度3。
00 m 尺寸参数附着节点数 4 附着点1到塔吊的竖向距离3。
00 m第I层附着附着高度附着点1到塔吊的横向距离 3.00 m第8层23。
45 m 附着点1到附着点2的距离9。
00 m第16层46.65 m 独立起升高度40 m第24层70。
85 m 附着起升高度151。
2 m第31层95。
95 m图2塔吊附着简图三、第一道附着计算塔机按照说明书与建筑物附着时,最上面一道附着装置的负荷最大,因此以此道附着杆的负荷作为设计或校核附着杆截面的依据.第一道附着的装置的负荷以第四道附着杆的负荷作为设计或校核附着杆截面计算,第一道附着高度计划在第8层楼层标高为23.45米。
(一)、支座力计算附着式塔机的塔身可以简化为一个带悬臂的刚性支撑连续梁,其内力及支座反力计算如下:风荷载取值:Q = 0。
41kN;塔吊的最大倾覆力矩:M = 1668.00kN;弯矩图变形图剪力图计算结果: N w = 105。
3733kN ;(二)、附着杆内力计算计算简图:计算单元的平衡方程:其中:2.1 第一种工况的计算:塔机满载工作,风向垂直于起重臂,考虑塔身在最上层截面的回转惯性力产生的扭矩合风荷载扭矩。
塔吊附着计算塔机安装位置至建筑物距离超过使用说明规定,需要增长附着杆或附着杆与建筑物连接的两支座间距改变时,需要进行附着的计算。
主要包括附着杆计算、附着支座计算和锚固环计算。
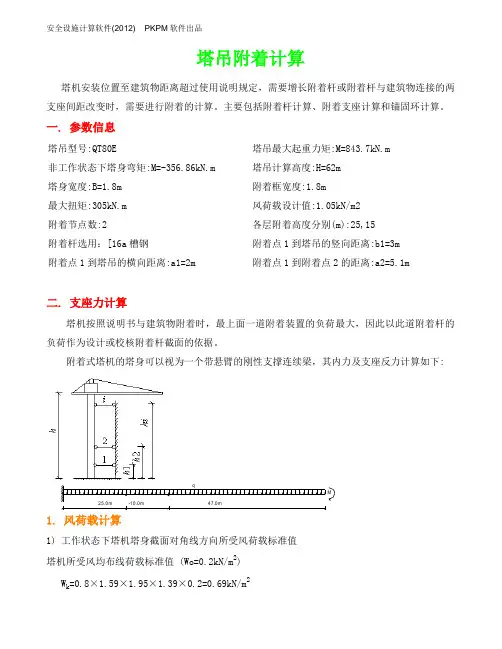
一. 参数信息二. 支座力计算塔机按照说明书与建筑物附着时,最上面一道附着装置的负荷最大,因此以此道附着杆的负荷作为设计或校核附着杆截面的依据。
附着式塔机的塔身可以视为一个带悬臂的刚性支撑连续梁,其内力及支座反力计算如下:1. 风荷载计算1) 工作状态下塔机塔身截面对角线方向所受风荷载标准值塔机所受风均布线荷载标准值 (Wo=0.2kN/m2)W k=0.8×1.59×1.95×1.39×0.2=0.69kN/m2q sk=1.2×0.69×0.35×1.8=0.52kN/m2) 非工作状态下塔机塔身截面对角线方向所受风荷载标准值塔机所受风均布线荷载标准值 (本地区 Wo=0.30kN/m2)W k=0.8×1.62×1.95×1.39×0.30=1.05kN/m2q sk=1.2×1.05×0.35×1.80=0.80kN/m2. 塔机的倾覆力矩工作状态下,标准组合的倾覆力矩标准值M k=-356.86+843.7=486.84kN.m非工作状态下,标准组合的倾覆力矩标准值M k=-356.86kN.m3. 力 Nw 计算工作状态下: N w=148.039kN非工作状态下: N w=97.012kN三. 附着杆内力计算计算简图:计算单元的平衡方程为:其中:四. 第一种工况的计算塔机工作状态下,Nw=148.04kN, 风向垂直于起重臂,考虑塔身在最上层截面的回转惯性力产生的扭矩和风荷载扭矩。
将上面的方程组求解,其中θ从0-360循环,分别取正负两种情况,分别求得各附着最大的轴压力和轴拉力:杆1的最大轴向压力为:329.45 kN杆2的最大轴向压力为:242.26 kN杆3的最大轴向压力为:218.93 kN杆1的最大轴向拉力为:329.45 kN杆2的最大轴向拉力为:242.26 kN杆3的最大轴向拉力为:218.93 kN五. 第二种工况的计算塔机非工作状态,Nw=97.01kN, 风向顺着起重臂,不考虑扭矩的影响。
塔机附着验算计算书一、塔机附着杆参数二、风荷载及附着参数塔机附着立面图三、工作状态下附墙杆内力计算1、在平衡臂、起重臂高度处的风荷载标准值q kq k=0.8βzμzμsω0α0h=0.8×2.21×1.92×1.95×0.2×0.35×0.9=0.417kN/m 2、扭矩组合标准值T k由风荷载产生的扭矩标准值T k2T k2=1/2q k l12-1/2q k l22=1/2×0.417×472-1/2×0.417×12.82=426.416kN·m 集中扭矩标准值(考虑两项可变荷载控制的组合系数取0.9)T k=0.9(T k1+ T k2)=0.9×(110+426.416)=482.774kN·m3、附着支座反力计算计算简图剪力图得:R E=83.222kN在工作状态下,塔机起重臂位置的不确定性以及风向的随机性,在计算支座3处锚固环截面内力时需考虑塔身承受双向的风荷载和倾覆力矩及扭矩。
4、附墙杆内力计算支座3处锚固环的截面扭矩T k(考虑塔机产生的扭矩由支座3处的附墙杆承担),水平内力N w=20.5R E=117.694kN。
计算简图:塔机附着平面图α1=arctan(b1/a1)=41.634°α2=arctan(b2/a2)=37.913°α3=arctan(b3/a3)=39.116°α4=arctan(b4/a4)=44.822°β1=arctan((b1-c/2)/(a1+c/2))=34.177°β2=arctan((b2+c/2)/(a2+c/2))=38.881°β3=arctan((b3+c/2)/(a3+c/2))=39.954°β4=arctan((b4-c/2)/(a4+c/2))=36.845°四杆附着属于一次超静定结构,用力法计算,切断T4杆并代以相应多余未知力X1=1。
塔机附着验算计算书计算依据:1、《塔式起重机混凝土基础工程技术规程》JGJ/T187-20092、《钢结构设计规范》GB50017-2003一、塔机附着杆参数二、风荷载及附着参数附图如下:塔机附着立面图三、工作状态下附墙杆内力计算1、在平衡臂、起重臂高度处的风荷载标准值q kq k=0.8βzμzμsω0α0h=0.8×1.695×1.206×1.95×0.2×0.35×1.06=0.237kN/m 2、扭矩组合标准值T k由风荷载产生的扭矩标准值T k2T k2=1/2q k l12-1/2q k l22=1/2×0.237×572-1/2×0.237×12.92=365.287kN·m集中扭矩标准值(考虑两项可变荷载控制的组合系数取0.9)T k=0.9(T k1+ T k2)=0.9×(270+365.287)=571.758kN·m3、附着支座反力计算计算简图剪力图得:R E=77.975kN在工作状态下,塔机起重臂位置的不确定性以及风向的随机性,在计算支座4处锚固环截面内力时需考虑塔身承受双向的风荷载和倾覆力矩及扭矩。
4、附墙杆内力计算支座4处锚固环的截面扭矩T k(考虑塔机产生的扭矩由支座4处的附墙杆承担),水平内力N w=20.5R E=110.273kN。
计算简图:塔机附着示意图塔机附着平面图α1=arctan(b1/a1)=57.291°α2=arctan(b2/a2)=52.431°α3=arctan(b3/a3)=50.505°α4=arctan(b4/a4)=55.469°β1=arctan((b1-c/2)/(a1+c/2))=51.691°β2=arctan((b2+c/2)/(a2+c/2))=51.691°β3=arctan((b3+c/2)/(a3+c/2))=49.97°β4=arctan((b4-c/2)/(a4+c/2))=49.97°四杆附着属于一次超静定结构,用力法计算,切断T4杆并代以相应多余未知力X1=1。
塔机附着验算计算书计算依据:1、《塔式起重机混凝土基础工程技术规程》JGJ/T187-20092、《钢结构设计规范》GB50017-2003一、塔机附着杆参数二、风荷载及附着参数第2次附55 24 0.922 1.95 1.95 1.755 1.912 0.339 0.647 着悬臂端121.5 21.5 1.266 1.95 1.95 1.687 1.854 0.448 0.861附图如下:塔机附着立面图三、工作状态下附墙杆内力计算1、在平衡臂、起重臂高度处的风荷载标准值q kq k=0.8βzμzμsω0α0h=0.8×1.687×1.266×1.95×0.2×0.35×1.06=0.247kN/m2、扭矩组合标准值T k由风荷载产生的扭矩标准值T k2T k2=1/2q k l12-1/2q k l22=1/2×0.247×602-1/2×0.247×142=420.394kN·m集中扭矩标准值(考虑两项可变荷载控制的组合系数取0.9)T k=0.9(T k1+ T k2)=0.9×(454.63+420.394)=787.522kN·m3、附着支座反力计算计算简图剪力图得:R E=90.87kN在工作状态下,塔机起重臂位置的不确定性以及风向的随机性,在计算支座3处锚固环截面内力时需考虑塔身承受双向的风荷载和倾覆力矩及扭矩。
4、附墙杆内力计算支座3处锚固环的截面扭矩T k(考虑塔机产生的扭矩由支座3处的附墙杆承担),水平内力N w=20.5R E=128.51kN。
计算简图:塔机附着示意图塔机附着平面图α1=arctan(b1/a1)=56.31°α2=arctan(b2/a2)=49.086°α3=arctan(b3/a3)=49.086°α4=arctan(b4/a4)=56.31°β1=arctan(b1/(a1+20.5c/2))=42.51°β2=arctan((b2+20.5c/2)/a2)=58.679°β3=arctan((b3+20.5c/2)/a3)=58.679°β4=arctan(b4/(a4+20.5c/2))=42.51°四杆附着属于一次超静定结构,用力法计算,切断T4杆并代以相应多余未知力X1=1。
塔机附着验算计算书本计算运用软件为:品茗安控信息技术生产。
本工程为珠江御景花园工程;工程建设地点位于省市。
由中建四局建设。
建筑物为10#楼,地上33层,预计110米高,故设计塔机计算高度为140米,塔机型号为QTZ80(TC5710),省建设机械集团制造。
根据现场实际情况,设有5道附墙。
本计算书主要依据施工图纸及以下规及参考文献编制:《塔式起重机设计规》(GB/T13752-1992)、《建筑结构荷载规》(GB50009-2001)、《建筑安全检查标准》(JGJ59-99)、《建筑施工手册》、《钢结构设计规》(GB50017-2003)等编制。
塔机安装位置至附墙或建筑物距离超过使用说明规定时,需要增设附着杆,附着杆与附墙连接或者附着杆与建筑物连接的两支座间距改变时,必须进行附着计算。
主要包括附着支座计算、附着杆计算、锚固环计算。
注意:所设置附墙撑杆类型、尺寸、安装高度等应严格按照此计算书中给出的相应数据制造,安装。
如有改动,此计算书作废,必须重新进行计算、验算。
附墙因不按此计算书制造、安装而产生的安全事故,本验算单位概不负责。
一、塔机附着杆参数二、风荷载及附着参数塔机附着立面图三、工作状态下附墙杆力计算1、在平衡臂、起重臂高度处的风荷载标准值q kq k=0.8βzμzμsω0α0h=0.8×2.21×1.92×1.95×0.2×0.35×1.06=0.491kN/m 2、扭矩组合标准值T k由风荷载产生的扭矩标准值T k2T k2=1/2q k l12-1/2q k l22=1/2×0.491×572-1/2×0.491×12.92=756.776kN·m 集中扭矩标准值(考虑两项可变荷载控制的组合系数取0.9)T k=0.9(T k1+ T k2)=0.9×(270+756.776)=924.098kN·m3、附着支座反力计算计算简图剪力图得:R E=106.756kN在工作状态下,塔机起重臂位置的不确定性以及风向的随机性,在计算支座6处锚固环截面力时需考虑塔身承受双向的风荷载和倾覆力矩及扭矩。
塔机附着验算计算书一、编制依据:本方案编制主要依据为:GB/T13752-1992《塔式起重机设计规范》、GB50017《钢结构设计规范》、GB/T3811-2008《起重机设计规范》和百脉QTZ型塔式起重机使用说明书。
一、工程概况项目名称:圣源地毯有限公司公租房项目,施工单位:城西二建,施工地址:西宁市城南新区,安装了塔机一台生产厂家为:山东百脉、型号为:QTZ50的塔机。
二、塔机附着杆参数三、风荷载及附着参数四、工作状态下附墙杆内力计算1、在平衡臂、起重臂高度处的风荷载标准值q kq k=0.8βzμzμsω0α0h=0.8×1.92×2.21×1.95×0.2×0.35×1.06=0.491kN/m2、扭矩组合标准值T k由风荷载产生的扭矩标准值T k2T k2=1/2q k l12-1/2q k l22=1/2×0.491×442-1/2×0.491×11.82=625.182kN·m集中扭矩标准值(考虑两项可变荷载控制的组合系数取0.9)T k=0.9(T k1+ T k2)=0.9×(454.63+625.182)=14079.812kN·m3、附墙杆内力计算支座5处锚固环的截面扭矩T k(考虑塔机产生的扭矩由支座5处的附墙杆承担),水平内力N w=20.5R E=123.311kN。
计算简图:塔机附着平面图α1=arctan(b1/a1)=73.218°α2=arctan(b2/a2)=67.418°α3=arctan(b3/a3)=67.895°α4=arctan(b4/a4)=72.752°β1=arctan((b1-c/2)/(a1+c/2))=63.546°β2=arctan((b2+c/2)/(a2+c/2))=63.197°β3=arctan((b3+c/2)/(a3+c/2))=63.758°β4=arctan((b4-c/2)/(a4+c/2))=63.077°四杆附着属于一次超静定结构,用力法计算,切断T4杆并代以相应多余未知力X1=1。
塔机附着验算计算书计算依据:1、《塔式起重机混凝土基础工程技术规程》JGJ/T187-20092、《钢结构设计规范》GB50017-2003一、塔机附着杆参数着悬臂端30 5 0.774 1.95 1.95 1.79 1.945 0.29 1.578塔机附着立面图三、工作状态下附墙杆内力计算1、在平衡臂、起重臂高度处的风荷载标准值q kq k=0.8βzμzμsω0α0h=0.8×1.79×0.774×1.95×0.2×0.35×1.06=0.16kN/m2、扭矩组合标准值T k由风荷载产生的扭矩标准值T k2T k2=1/2q k l12-1/2q k l22=1/2×0.16×572-1/2×0.16×12.92=246.607kN·m集中扭矩标准值(考虑两项可变荷载控制的组合系数取0.9)T k=0.9(T k1+ T k2)=0.9×(454.63+246.607)=631.113kN·m3、附着支座反力计算计算简图塔身上部第一附着点(塔身悬臂支承端)的支承反力最大,应取该反力值作为附着装置及建筑物支承装置的计算载荷。
剪力图得:R E=85.771kN在工作状态下,塔机起重臂位置的不确定性以及风向的随机性,在计算支座5处锚固环截面内力时需考虑塔身承受双向的风荷载和倾覆力矩及扭矩。
4、附墙杆内力计算支座5处锚固环的截面扭矩T k(考虑塔机产生的扭矩由支座5处的附墙杆承担),水平内力N w=20.5R E=121.299kN。
计算简图:塔机附着示意图塔机附着平面图α1=arctan(b1/a1)=45°α2=arctan(b2/a2)=45°α3=arctan(b3/a3)=45°α4=arctan(b4/a4)=45°β1=arctan((b1-c/2)/(a1+c/2))=39.588°β2=arctan((b2+c/2)/(a2+c/2))=45°β3=arctan((b3+c/2)/(a3+c/2))=45°β4=arctan((b4-c/2)/(a4+c/2))=39.588°四杆附着属于一次超静定结构,用力法计算,切断T4杆并代以相应多余未知力X1=1。
δ11× X1+Δ1p=0X1=1时,各杆件轴力计算:T11×sin(α1-β1)×(b1-c/2)/sinβ1+T21×sin(α2-β2)×(b2+c/2)/sinβ2-T31×sin(α3-β3)×(b3+c/2)/sinβ-1×sin(α4-β4)×(b4-c/2)/sinβ4=03T11×cosα1×c-T31×sinα3×c-1×cosα4×c-1×sinα4×c=0T21×cosα2×c+T31×sinα3×c-T31×cosα3×c+1×sinα4×c=0当N w、T k同时存在时,θ由0~360°循环,各杆件轴力计算:T1p×sin(α1-β1)×(b1-c/2)/sinβ1+T2p×sin(α2-β2)×(b2+c/2)/sinβ2-T3p×sin(α3-β3)×(b3+c/2)/sinβ+T k=03T1p×cosα1×c-T3p×sinα3×c+N w×sinθ×c/2-N w×cosθ×c/2+T k=0T2p×cosα2×c+T3p×sinα3×c-T3p×cosα3×c-N w×sinθ×c/2-N w×cosθ×c/2-T k=0δ11=Σ(T12L/(EA))=T112(a1/cosα1)/(EA)+T212(a2/cosα2)/(EA)+T312(a3/cosα3)/(EA)+12(a4/co sα4)/(EA)Δ1p=Σ(T1×T p L/(EA))=T11×T1p(a1/cosα1)/(EA)+T21×T2p(a2/cosα2)/(EA)+T31×T3p(a3/cosα3) /(EA)X1= -Δ1p/δ11各杆轴力计算公式如下:T1= T11×X1+ T1p,T2= T21×X1+T2p,T3=T31×X1+T3p,T4=X1(1)θ由0~360°循环,当T k按图上方向设置时求解各杆最大轴拉力和轴压力:最大轴拉力T1=0kN,T2=343.885kN,T3=0kN,T4=290.676kN最大轴压力T1=293.266kN,T2=0kN,T3=346.244kN,T4=0kN(2)θ由0~360°循环,当T k按图上反方向设置时求解各杆最大轴拉力和轴压力:最大轴拉力T1=293.266kN,T2=0kN,T3=346.243kN,T4=0kN最大轴压力T1=0kN,T2=343.884kN,T3=0kN,T4=290.677kN四、非工作状态下附墙杆内力计算此工况下塔机回转机构的制动器完全松开,起重臂能随风转动,故不计风荷载产生的扭转力矩。
1、附着支座反力计算计算简图剪力图得:R E=111.173kN2、附墙杆内力计算支座5处锚固环的水平内力N w=R E=111.173kN。
根据工作状态方程组Tk=0,θ由0~360°循环,求解各杆最大轴拉力和轴压力:最大轴拉力T1=39.331kN,T2=87.877kN,T3=87.879kN,T4=39.331kN最大轴压力T1=39.331kN,T2=87.877kN,T3=87.879kN,T4=39.331kN五、附墙杆强度验算塔机附着格构柱截面1、杆件轴心受拉强度验算A=4A0=4×2.76×100=1104mm2σ=N/A=346243/1104=313.626N/mm2>[f]=210N/mm2杆件轴心受拉强度验算,不满足要求,调整附墙杆材料类型,或调整附墙杆附墙位置!2、格构式钢柱换算长细比验算杆件1的计算长度:L0=(a12+b12)0.5=13435.029mm整个格构柱截面对X、Y轴惯性矩:I x=4[I0+A0(a/2-Z0)2]=4×[3.29+2.76×(100/2-1.04)2]=26476.941cm4整个构件长细比:λx=λy=L0/(I x/(4A0))0.5=1343.5029/(26476.941/(4×2.76))0.5=27.434分肢长细比:λ1=l01/i y0=50/0.7=71.429分肢毛截面积之和:A=4A0=4×2.76×100=1104mm2构件截面中垂直于X轴的各斜缀条的毛截面积之和:A1x=2A z=2×113=226mm2格构式钢柱绕两主轴的换算长细比:λ0max=(λx2+40A/A1x)0.5=(27.4342+40×1104/226)0.5=30.79附墙杆1长细比:λ01max=30.79≤[λ]=150,查规范表得:φ1=0.933满足要求!附墙杆2长细比:λ02max=21.595≤[λ]=150,查规范表得:φ2=0.965满足要求!附墙杆3长细比:λ03max=21.595≤[λ]=150,查规范表得:φ3=0.965满足要求!附墙杆4长细比:λ04max=30.79≤[λ]=150,查规范表得:φ4=0.933满足要求!附墙杆1轴心受压稳定系数:σ1=N1/(φ1A)=293266/(0.933×1104)=284.715N/mm2>[f]=210N/mm2附墙杆1轴心受压稳定系数,不满足要求。
调整附墙杆材料类型,调整附墙杆附墙位置或调整格构柱截面布置!附墙杆2轴心受压稳定系数:σ2=N2/(φ2A)=343884/(0.965×1104)=322.787N/mm2>[f]=210N/mm2附墙杆2轴心受压稳定系数,不满足要求。
调整附墙杆材料类型,调整附墙杆附墙位置或调整格构柱截面布置!附墙杆3轴心受压稳定系数:σ3=N3/(φ3A)=346244/(0.965×1104)=325.002N/mm2>[f]=210N/mm2附墙杆3轴心受压稳定系数,不满足要求。
调整附墙杆材料类型,调整附墙杆附墙位置或调整格构柱截面布置!附墙杆4轴心受压稳定系数:σ4=N4/(φ4A)=290677/(0.933×1104)=282.202N/mm2>[f]=210N/mm2附墙杆4轴心受压稳定系数,不满足要求。
调整附墙杆材料类型,调整附墙杆附墙位置或调整格构柱截面布置!3、格构式钢柱分肢的长细比验算附墙杆1钢柱分肢的长细比:λ1=71.429>0.7λ01max=0.7×30.79=21.553附墙杆1钢柱分肢的长细比,不满足要求。
请调整格构柱截面布置!附墙杆2钢柱分肢的长细比:λ2=71.429>0.7λ02max=0.7×21.595=15.116附墙杆2钢柱分肢的长细比,不满足要求。
请调整格构柱截面布置!附墙杆3钢柱分肢的长细比:λ3=71.429>0.7λ03max=0.7×21.595=15.116附墙杆3钢柱分肢的长细比,不满足要求。
请调整格构柱截面布置!附墙杆4钢柱分肢的长细比:λ4=71.429>0.7λ04max=0.7×30.79=21.553附墙杆4钢柱分肢的长细比,不满足要求。
请调整格构柱截面布置!结论和建议:1.塔身上部第一附着点(塔身悬臂支承端)的支承反力最大,应取该反力值作为附着装置及建筑物支承装置的计算载荷。
2.杆件轴心受拉强度验算,不满足要求,调整附墙杆材料类型,或调整附墙杆附墙位置!3.附墙杆1轴心受压稳定系数,不满足要求。
调整附墙杆材料类型,调整附墙杆附墙位置或调整格构柱截面布置!4.附墙杆2轴心受压稳定系数,不满足要求。
调整附墙杆材料类型,调整附墙杆附墙位置或调整格构柱截面布置!5.附墙杆3轴心受压稳定系数,不满足要求。