海信塑料件通用设计规范
- 格式:doc
- 大小:198.00 KB
- 文档页数:6
塑料件的设计规范1.材料选择:(a)根据产品的使用环境和功能要求选择合适的塑料材料,如聚乙烯(PE)、聚丙烯(PP)、聚苯乙烯(PS)等。
(b)考虑材料的物理性能,如强度、耐磨性、耐腐蚀性等。
(c)考虑材料的成本和可获得性。
2.尺寸和公差控制:(a)设计时要确保塑料件的尺寸和公差能够满足产品的装配要求。
(b)考虑到塑料件的热膨胀系数,可以在设计时进行适当的调整。
3.结构设计:(a)设计时要考虑到塑料件的结构强度,以防止在使用过程中发生断裂或变形等问题。
(b)尽量避免在塑料件上设计过多的孔和凹槽,以减少成本和生产时间。
4.制造工艺:(a)设计时要考虑到塑料件的制造工艺,以确保能够实现高效的生产。
(b)考虑到塑料件注塑成型的要求,如壁厚、缩水率等。
5.表面处理:(a)考虑到塑料件的使用环境和外观要求,在设计时可以考虑表面处理方法,如涂装、喷涂等。
(b)考虑到塑料件的耐候性,可以选择添加防紫外线(UV)剂。
6.排气和冷却:(a)设计时要确保塑料件的排气和冷却能够满足注塑成型的要求,以避免缺陷的产生。
(b)考虑到塑料件的形状和厚度变化,可以适当设计出气道和冷却系统。
7.注塑模具设计:(a)考虑到塑料件的形状、尺寸和结构,设计合适的注塑模具,以确保能够生产出符合要求的塑料件。
(b)考虑到模具的制造成本和使用寿命,可以合理选择模具材料和加工工艺。
总而言之,塑料件的设计规范是为了确保产品质量和生产效率,在材料选择、尺寸和公差控制、结构设计、制造工艺、表面处理、排气和冷却、注塑模具设计等方面提供了一些指导和标准。
通过遵守这些规范,设计师可以设计出高质量的塑料件,从而满足客户的需求。
塑料件设计规则塑料制品设计原则⼀、尺⼨,精度及表⾯精粗糙度〈⼀〉尺⼨尺⼨主要满⾜使⽤要求及安装要求,同时要考虑模具的加⼯制造,设备的性能,还要考虑塑料的流动性。
〈⼆〉精度影响因素很多,有模具制造精度,塑料的成份和⼯艺条件等。
〈三〉表⾯粗糙度由模具表⾯的粗糙度决定,故⼀般模具表⾯粗糙⽐制品要低⼀级,模具表⾯要进引研磨抛光,透过制品要求模具型腔与型芯的表⾯光洁度要⼀致 Ra 〈 0.2 um塑件圈上⽆公差要求的仍由尺⼨,⼀般采⽤标准中的8 级,对孔类尺⼨可以标正公差,⽽轴类各件尺⼨可以标负出差。
中⼼距尺⼨可以棕正负公差,配合部分尺⼨要⾼于⾮配合部分尺⼨。
⼆、脱模斜度由于塑件在模腔内产⽣冷却收缩现象,使塑件紧抱模腔中的型芯和型腔中的凸出部分,使塑件取出困难,强⾏取出会导⾄塑件表⾯擦分,拉⽑,为了⽅便脱模,塑件设计时必须考虑与脱模(及轴芯)⽅向平⾏的内、外表⾯,设计⾜够的脱模斜度,⼀般1°——1°30`。
⼀般型芯斜度要⽐型腔⼤,型芯长度及型腔深度越⼤,则斜度不减⼩。
三、壁厚根据塑件使⽤要求(强度,刚度)和制品结构特点及模具成型⼯艺的要求⽽定:壁厚太⼩,强度及刚度不⾜,塑料填充困难;壁厚太⼤,增加冷却时间,降低⽣产率,产⽣⽓泡,缩孔等。
要求壁厚尽可能均匀⼀致,否则由于冷却和固化速度不⼀样易产⽣内应⼒,引起塑件的变形及开裂。
四、加强筋设计原则:〈⼀〉中间加强筋要低于外壁 0.5 mm 以上,使⽀承⾯易于平直。
〈⼆〉应避免或减⼩塑料的局部聚积。
〈三〉筋的排例要顺着在型腔内的流动⽅向。
五、⽀承⾯塑件⼀般不以整个平⾯作为⽀承⾯,⽽取⽽代之以边框,底脚作⽀承⾯。
六、圆⾓要求塑件防有转⾓处都要以圆⾓(圆弧)过渡,因尖⾓容易应⼒集中。
塑件有圆⾓,有利于塑料的流动充模及塑件的顶出,塑件的外观好,有利于模具的强度及寿命。
七、孔(槽)塑件的孔三种成型加⼯⽅法:(1)模型直接模塑出来。
(2)模塑成盲孔再钻孔通。
塑胶件设计规范范文1.材料选择:塑胶件的材料选择应根据产品的功能和要求进行合理选择。
在选择材料时,需要考虑材料的物理性质、化学性质、热稳定性等因素,并确保材料符合产品的安全和环保要求。
2.壁厚设计:塑胶件的壁厚应根据产品的尺寸、结构和用途进行合理设计。
壁厚过薄会导致产品强度不足、变形、开裂等问题,而壁厚过厚会增加材料成本、加工难度和制品的重量。
3.强度分析:在塑胶件设计过程中,需要进行强度分析,包括静态强度和动态强度等。
通过强度分析可以预测产品在使用过程中的承载能力、破损风险等,从而为设计提供依据。
4.模具设计:对于需要进行注塑成型的塑胶件,需要进行模具设计。
模具设计应考虑产品的尺寸、结构和材料等因素,确保产品可以顺利成型,并满足精度和表面质量要求。
5.防变形设计:塑胶件在注塑成型过程中容易发生变形,因此需要进行防变形设计。
防变形设计包括合理选材、设计适当的缩水率、采用合适的冷却系统等措施。
6.表面处理:塑胶件制品的表面处理可以提高外观质量、耐磨性、抗老化性能等。
常见的表面处理方法包括喷漆、喷涂、印刷、镀铬等。
7.装配设计:塑胶件在产品装配过程中需要考虑装配的方式和工具的选择。
装配设计应尽量简化和标准化,提高装配效率和质量。
8.尺寸公差:塑胶件的尺寸公差应根据产品的要求进行合理设置。
过小的公差会增加生产成本,而过大的公差会影响产品的装配和使用性能。
9.耐用性设计:塑胶件在使用过程中需要具有一定的耐用性。
耐用性设计包括选择合适的材料、优化结构、进行耐久性测试等。
10.产品标识:塑胶件在制造过程中需要进行产品标识,包括产品型号、批次号、生产厂家等信息。
产品标识有助于产品追溯和质量控制。
请注意,以上只是一些常见的塑胶件设计规范,具体的设计规范还需根据具体产品和行业的要求来确定。
在进行塑胶件设计时,还需充分考虑产品的使用环境、工艺要求和成本等因素,确保产品的质量和可生产性。
塑料产品设计规范一、塑料及塑料模的基本概念1.1 塑料的分类及性能塑料的品种很多,可以按其组成、性质和用途等对它们进行分类。
1.1.1 依据其热性能分类按照热性能塑料可以分为热塑性塑料和热固性塑料两类。
塑料受热熔融,冷却后凝固,再次加热又可软化熔融,重新制成产品,这一过程可以反复进行多次,而材料的化学结构基本上不起变化,称之为热塑性塑料。
常用的热塑性塑料有:聚乙烯、聚丙烯、聚苯乙烯、聚氯乙烯等。
在一定温度下能变成粘稠状态,但是经过一定时间加热塑制成形后,不会因再度加热而软化熔融。
这是因为在成形过程中聚合物分子之间发生了化学反应,形成了交联网状结构,使之成为不熔的固态,所以只能塑制一次,称为热固性塑料。
常用的热固性塑料有:酚醛树脂、环氧树脂、有机硅塑料等。
1.1.2 依据其用途分类按用途不同塑料可以分为通用塑料、工程塑料和特种塑料。
一般把价格低、产量大、用途广而受力不大的,常用于制造日用品的塑料称为通用塑料。
例如:聚乙烯、聚丙烯、聚氯乙烯、酚醛、聚苯乙烯等等。
把机械强度高、刚性大的,常用于取代钢铁或有色金属材料制造机械零件或工程结构受力件的塑料称为工程塑料。
例如:聚砜、聚酰胺、聚碳酸酯、聚醚酮等等。
另外,将一些具有特殊功能的塑料,称为特种塑料。
例如:导电的聚乙炔、耐高温的聚芳砜等。
随着聚合物合成技术的发展,塑料可以通过采取各种措施来改进性能和增加强度,从而制成新颖的塑料品种。
1.2 塑料成形方法及塑料的种类1.2.1 塑料的成形方法1.注射成形:注射成形技术是据压铸原理发展起来的,是目前塑料加工中最普遍采用的方法之一。
注射成形是间歇操作,成形周期短,生产效率高,产品种类繁多,生产灵活。
其制品已占塑料制品总产量的30%以上。
注射成形的工艺原理是将颗粒状塑料原料置于塑料注射成形机内并加热熔化,通过压力作用注射到模具内定型,经过一段时间冷却后取出制品。
2.吹塑成形:吹塑成形是目前塑料成形生产的主要方法,它包括挤出吹塑,如吹塑薄膜;中空吹塑,如吹塑中空的塑料容器等。
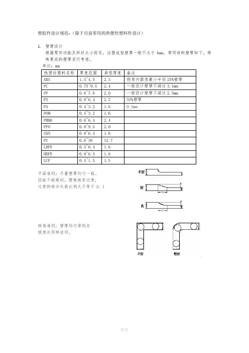
塑胶件设计规范:(限于目前常用的热塑性塑料件设计)1.壁厚设计根据零件功能及形状大小而定。
注塑成型壁厚一般不大于4mm。
常用材料壁厚如下,特殊要求的壁厚另行考虑。
单位:mm热塑性塑料名称厚度范围典型厚度备注ABS 1.5~4.5 2.5拐角内圆角最小半径25%壁厚PC0.75~9.5 2.4一般设计壁厚不超过3.1mmPP0.6~7.6 2.0一般设计壁厚不超过2.5mmPS0.8~6.4 2.250%壁厚PA0.4~3.2 1.60.5mmPOM0.4~3.2 1.6PMMA0.6~6.4 2.4PPO0.8~9.5 2.0SAN0.8~6.4 1.6PU0.6~3812.7LDPE0.5~6.4 1.6HDPE0.9~6.4 1.6LCP0.4~1.5 1.5平面准则:尽量壁厚均匀一致。
因故不能做到,需做渐变过度,过度的部分长高比例大于等于3:1转角准则:壁厚均匀原则在拐角处同样适用。
2.BOSS柱设计:(常用塑料)设计原则,首先考虑连接强度。
下表是对于一般结构件连接情况;对于重要外观件,BOSS 柱外径,在连接强度不高情况下,可以适当做小。
当连接有强度要求,又有外观要求时,需按下面参数设计,同时设计出火山口。
BOSS柱要求使用司筒顶出,斜度不大于0.25度。
说明:外径根据强度要求可以适当变化,以上值为要求说明:PC柱比ABS更容易打爆,若出现此现象,外径可适当加大材料螺钉内孔直径外径连接有效深度PP ST2.2 1.8±0.054 4.5ST 2.6 2.1±0.05 4.85ST2.9 2.3±0.05 5.56ST 3.3 2.6±0.05 6.0 6.5ST 3.5 2.8±0.05 6.57ST 3.9 3.2±0.057.2 8ST 4.2 3.4±0.057.88.5ST 4.8 3.8±0.0599.5ST 5.5 4.4±0.051011ST 6.3 5.1±0.0511.512.5ST 8 6.4±0.0514.816材料螺钉内孔直径外径连接有效深度PA6,PA66,SAN /POM ST2.2 1.8±0.054 4.5ST 2.6 2.2±0.05 4.85ST2.9 2.4±0.05 5.56ST 3.3 2.8±0.05 6.0 6.5ST 3.53±0.05 6.57ST 3.9 3.3±0.057.2 8ST 4.2 3.5±0.057.88.5ST 4.84±0.0599.5ST 5.5 4.6±0.051011 ST 6.3 5.3±0.0511.512.5ST 8 6.8±0.0514.816说明:PA6,PA66螺钉有效深度可以比上表值缩短15%。
塑料产品设计规范塑料是一种广泛应用于日常生活和工业生产中的材料。
塑料产品设计规范的主要目的是确保塑料制品在使用过程中不会出现问题,同时提供标准化的设计和制造流程。
首先,塑料产品设计规范指导着设计师如何选择适合的塑料材料。
不同的塑料材料具有不同的特性,如强度、耐热性、耐腐蚀性等。
根据产品的用途和环境条件,选择合适的塑料材料非常重要,以确保产品的稳定性和耐用性。
其次,塑料产品设计规范规定了产品的尺寸和壁厚的设计要求。
在塑料制品的设计过程中,尺寸和壁厚的选择都会对产品的性能产生重要影响。
太薄的壁厚会影响产品的强度和耐用性,而太厚的壁厚则会增加成本和材料的浪费。
另外,规范还要求产品的结构设计合理。
塑料产品的结构设计应尽量避免薄弱区域和应力集中。
通过合理的结构设计,可以提高产品的强度和稳定性,减少因材料破裂或变形而导致的损坏。
此外,配件和连接件的设计也是塑料产品设计规范的重要内容之一、配件和连接件是塑料制品的重要组成部分,必须确保其稳固和安全。
规范要求使用合适的连接方式,并对连接强度和可靠性进行要求。
最后,塑料产品设计规范还包括对塑料制品表面处理和装饰的要求。
塑料制品的表面处理可以改善产品的外观和质感,同时还可以提高表面的抗氧化、耐磨损和耐化学腐蚀性能。
在进行表面处理和装饰时,规范要求必须符合相关的环保标准,避免对环境造成污染。
总之,塑料产品设计规范对确保塑料制品的质量和使用安全非常重要。
遵守规范可以帮助设计师选择适合的塑料材料、优化产品的尺寸和结构设计以及保证配件和连接件的质量。
只有遵守规范并进行有效的质量控制,才能生产出具有高质量和可靠性的塑料产品。
海信集团公司企业标准-电视机机壳外观质量检验规范1.内容与范围规定了电视机用注塑件及二次加工件(涂覆、烫印、移印、丝印)外观质量检验规范。
适用于注塑件及二次加工件。
2.引用标准GB 2035 《塑料术语及定义》GB 11319-89 《彩色电视机用塑料件技术条件》SJ 2573 《涂料涂覆通用技术条件》3.术语3.1 熔接痕注塑件的一种线状痕迹,系由注射成型中两股料流相遇时,在其界面处未完全熔合而造成的痕迹。
3.2 缩痕注塑件在模腔内冷却凝固时,由于注塑件壁厚不均,凝固快慢不同,在注塑件表面产生的凹陷。
3.3 料流痕由于模具结构、成型工艺及材料等原因,使得塑料在模腔内受注射压力和料流速度的影响,在塑料表面上产生看的见的料流痕迹。
3.4 银丝低分子挥发物、水分等气体在注塑表面形成的银白色条纹。
3.5 白印注塑件局部受外力作用,使得部分分子结构重新排列或断裂引起注塑件表面局部发白的痕迹。
3.6 开裂注塑件局部受内应力、外部冲击或环境条件而在其表面或内部产生的裂纹。
3.7 杂色点由于原料混入了异物,塑料件成型后,在其表面出现的斑点。
3.8 拉毛(软划伤)注塑件表面因轻微的机械摩擦而产生的无光泽、无深度感的痕迹。
3.9 飞边在注塑过程中,塑料溢入模具合模及嵌拼件的间隙中,冷却后留在注塑件上的多余物。
3.10 色不均注塑件表面颜色不均匀的缺陷。
3.11 翘曲注塑件在注塑成型后,由于内应力作用,使注塑件局部或整体发生的变形。
3.12 分层层间分离的缺陷。
3.13 泛白由于环境温度、水蒸气等原因,漆膜上出现的白色雾状现象。
3.14 异色衔接两种不同的颜色,涂越边界线相互交错的现象。
3.15 拉丝由于油墨粘度太大,印刷表面上出现的丝状物。
3.16 剥离受外界或加工的影响,涂膜部分地分离底材而造成的缺陷。
3.17 附着力涂膜与底材结合的能力3.18 损伤塑料件表面上的机械划伤、碰伤或擦伤。
3.19 针孔涂装时涂膜表面上产生象针尖一样的小孔3.20 气泡塑料件在加工时,由于残留的空气或其它气体在塑料件内部或表面上所形成的泡状缺陷。
第一部份塑料制品的设计原则塑料制件主要是根据使用要求进行设计,在满足使用要求的前提下,塑件形状应尽可能地做到简化模具结构,符合成型工艺特点。
设计塑件时必须考虑以下几方面的因素。
(1)塑件的物理机械性能,如强度、刚性、韧性弹性、吸水性以及对应的敏感性。
(2)塑料的成型工艺性,如流动性。
(3)塑件形状应有利于充模流动、排气、补缩。
(4)塑件在成型后收缩情况及各向收缩差异。
(5)模具的总体结构,特别是抽芯与脱出塑件的复杂程度。
(6)模具零件的形状及其制造工艺。
塑件设计的主要内容包括塑料的形状尺寸、精度表面光洁度、壁厚、斜度、以及塑件的加强筋、支承面、孔、圆角、螺纹、嵌件等的设置。
一、塑件的尺寸和精度受塑料流动性和壁厚的影响影响精度的因素:1、模具制造精度2、塑料收缩率的波动3、模具尺寸的磨损4、工艺条件的变化5、脱模斜度制品公差留有修模余地孔类取(+)号、轴取(-)号中心距取(+、-)号二、表面光洁度制品光洁度比模具光洁度低一级,透明产品的阴阳模光洁度一致。
三、形状须有利于脱模,使模具结构简单。
四、脱模斜度,〆:0.5 1.5°硬脆性塑料脱模斜度大,收缩力大的塑件斜度大、壁厚的斜度大、有皮纹,4°6°亚光,不同的皮纹、1°6°(有纹样对照)若斜度不妨碍制品的使用,则可将斜度值取得大一些。
五、塑件壁厚及其均匀性塑料制件的壁厚对塑件的质量影响很大,壁厚过小时成型时流动阻力大,大型复杂制品就难以充满型腔。
(壁厚应尽可能一致)否则因冷却固化速度不同。
塑料壁厚的最大尺寸应满足以下有几方面的要求:1、足够的强度和刚度。
2、脱模时能经受脱模机构的冲击与震动。
3、装配时能承受紧固力。
热塑性塑料:制品壁厚增加一倍,冷却时间将增加四倍,使生产效率大大降低。
另外也影响产品质量,如易产生充气泡,缩孔,翘曲等缺陷。
热塑性塑料易于成型薄壁制件,能达至0.25mm,但一般不宜小于0.6-0.9mm,常取2-4毫米。
塑料件的设计准则壁厚 (Wall Thickness)基本设计守则壁厚的大小取决於产品需要承受的外力、是否作为其他零件的支撑、承接柱位的数量、伸出部份的多少以及选用的塑胶材料而定。
一般的热塑性塑料壁厚设计应以4mm为限。
从经济角度来看,过厚的产品不但增加物料成本,延长生产周期”冷却时间〔,增加生产成本。
从产品设计角度来看,过厚的产品增加引致产生空穴”气孔〔的可能性,大大削弱产品的刚性及强度。
最理想的壁厚分布无疑是切面在任何一个地方都是均一的厚度,但为满足功能上的需求以致壁厚有所改变总是无可避免的。
在此情形,由厚胶料的地方过渡到薄胶料的地方应尽可能顺滑。
太突然的壁厚过渡转变会导致因冷却速度不同和产生乱流而造成尺寸不稳定和表面问题。
对一般热塑性塑料来说,当收缩率”Shrinkage Factor〔低於0.01mm/mm时,产品可容许厚度的改变达 ;但当收缩率高於0.01mm/mm时,产品壁厚的改变则不应超过。
对一般热固性塑料来说,太薄的产品厚度往往引致操作时产品过热,形成废件。
此外,纤维填充的热固性塑料於过薄的位置往往形成不够填充物的情况发生。
不过,一些容易流动的热固性塑料如环氧树脂”Epox ies〔等,如厚薄均匀,最低的厚度可达0.25mm。
此外,采用固化成型的生产方法时,流道、浇口和部件的设计应使塑料由厚胶料的地方流向薄胶料的地方。
这样使模腔内有适当的压力以减少在厚胶料的地方出现缩水及避免模腔不能完全充填的现象。
若塑料的流动方向是从薄胶料的地方流向厚胶料的地方,则应采用结构性发泡的生产方法来减低模腔压力。
平面准则在大部份热融过程操作,包括挤压和固化成型,均一的壁厚是非常的重要的。
厚胶的地方比旁边薄胶的地方冷却得比较慢,并且在相接的地方表面在浇口凝固後出现收缩痕。
更甚者引致产生缩水印、热内应力、挠曲部份歪曲、颜色不同或不同透明度。
若厚胶的地方渐变成薄胶的是无可避免的话,应尽量设计成渐次的改变,并且在不超过壁厚3:1的比例下。
3.1 制品几何形状的设计在满足使用要求的前提下,对塑料制品的设计要求是,既要美观大方,又要符合塑料成型工艺的特点。
下面仅讨论翅料制品的几何形状与成型工艺、模具结构以及制品质坦的关系。
制品几何形状设计应遵循的原则如下:(1)在保证塑件的使用性能、物理、化学、介电性能与力学性能等的前提下价格低廉和成型性能较好的塑料,AVX钽电容并力求结构简单、壁厚均匀、成型方便。
(2)在设计塑件时,应考虑其模具的总体结构,使模具型腔易于设计制造,模具拍芯和推出机构简单。
(3)在设计塑件时,应考虑原料的成型工艺性,如流动性、收缩性等,塑件形状有利于模具分型、排气、补缩和冷却。
(4)在设计塑件时,应考虑其成型方法,44同的成型方法对塑件的结构有不同的要求。
3.L1 形状塑件的几何形状应尽可能保证有利于成型的原则,即在开模取出塑件时,尽可能不采蝴复杂的瓣合分型与侧抽心。
为此,塑件的内外表面形状要尽量避免旁侧凹陷部分,如图3—1、图3—2所示。
311.2脱模斜度由于边料冷却后产生收缩,会使塑件紧紧包仕模具型芯成型腔中的凸起部分,为了便于从塑件中抽出型芯或从型腔中取出塑件,防止脱模时拉伤或擦伤塑件,设计塑件时必须考虑塑件内外表面沿脱模方向均应又有足够的脱模斜度。
选择具体的脱模斜度时,应注意如下原则:(1)满足制品尺寸公差要求的前提下,脱模斜度可取得大(2)在塑料收缩率大的情况下应选用大的脱模斜度。
(3)当制品饿厚较厚时,因成型时制品的收缩量大,故也应选用较大的脱模斜度。
(4)对于较高、较大的制品,应选用较小的脱模斜度。
(5)对于高精度的制品,应选用较小的脱模斜皮。
(6)只是在制品高度很小时才允许不设计服模斜度。
(7)如果要求脱模后制品保持在型;憾一边,可有意将制品内表面的脱模斜度设计得比外表面小。
(8)如图3—3所示,取斜度的方向一般内7L以小端为基准,斜度由扩大方向取得,外形以大端为幕准,斜度内缩小方向取得。
3.L 3 壁厚塑件的壁厚与使用要求和工艺要求钉义。
塑料产品设计塑料产品的设计与其它材料如钢,铜,铝,木材等的设计有些是类似的;但是,由于塑料材料组成的多样性,结构﹑形状的多变性,使得它比起其它材料有更理想的设计特性;特别是它的形状设计,材料选择,制造方法选择,更是其它大部分材料无可比拟的.因为其它的大部分材料,其设计者在外形或制造上,都受到相当的限制,有些材料只能利用弯曲﹑熔接等方式来成形.当然,塑料材料选择的多样性,也使得设计工作变得更为困难,如我们所知,目前已经有一万种以上的不同塑料被应用过,虽然其中只有数百种被广泛应用,但是,塑料材料的形成并不是由单一材料所构成,而由一群材料族所组合而成的,其中每一种材料又有其特性,这使得材料的选择,应用更为困难.塑料制品设计原则﹕1.依成品所要求的机能决定其形状﹐尺寸﹐外观﹐材料2.设计的成品必须符合模塑原则﹐既模具制作容易﹐成形及后加工容易﹐但仍保持成品的机能塑料制品设计程序:为了确保所设计的产品能够合理而经济,在产品设计的初期,在外观设计者﹐机构工程师,制图员,模具制造者,成形厂以及材料供应厂之间的紧密合作是必须的,因为没有一个设计者,能够同时拥有如此广泛的知识和经验,而从不同的事业观点所获得的建议,将是使产品合理化的基本前提;除此之外, 一个合理的设计考虑程序也是必须的;以下将就设计的一般程序作出说明:一.确定产品的功能需求,外观.在产品设计的初始阶段,设计者必须列出对该产品的目标使用条件和功能要求;然后根据实际的考量,决定设计因子的范围,以避免在稍后的产品发展阶段造成可能的时间和费用的漏失.下表为产品设计的核对表,它将有助于确认各种的设计因子.产品设计的核对表一般资料:1.产品的功能?2.产品的组合操作方式?3.产品的组合是否是可以靠着塑料的应用来简化?4.在制造和组合上是否可能更为经济有效?5.所需要的公差?6.空间限制的考虑?7.界定产品使用寿命?8.产品重量的考虑?有否承认的规格?一.分模线之选定1.不得位于明显影响外观的位置2.开模时不形成死角(undercut)的位置3.位于模具易加工的位置4.位于成品后加工容易的位置5.位于不影响尺寸精度的位置(尺寸关系重要的部分尽量放在模具的同一边)二.斜度脱模斜度是为了便于产品从模具中脱出而设置的。
塑料件通用设计规范
(发布日期:2008-03-24)
1范围
本规范适用于空调器产品中使用的塑料件,其他产品可参考使用。
2相关标准
2.1塑料材料标准
见企业标准05原材料
2.2塑料件公差标准
QJ/T 10628-1995 塑料制件尺寸公差
3常用塑料件的材料特性及选用
3.1常用塑料件的材料名称及主要特性
a)ABS:为丙烯腈(A)、丁二烯(B)和苯乙烯(S)共聚物,具有良好的综合机械性能,易于成型,
使用温度-40℃~100℃,广泛用作外观件和一般结构件。
有耐候ABS、阻燃ABS、增强ABS、抗静电ABS,ABS/PC合金等;
b)HIPS:改性聚苯乙烯,目前已部分取代ABS材料,对放射线的抵抗力在所有塑料中最强,使用温度
-30℃~80℃,HIPS表面硬度、冲击强度、弯曲强度较ABS有轻微的降低,脆性易裂,设计时应特别注意防止开裂。
有阻燃HIPS、增强HIPS、高光HIPS;
c)PP:聚丙烯,机械性能好,特别是刚性及延展率好,耐高温,可在120℃下长期使用,耐磨性稍差,
收缩率大,易产生缩孔、凹痕、变形等缺陷,注塑件尺寸精度难保证。
有改性PP、耐候PP,PP+波纤;
d)PC:聚碳酸酯,综合性能良好,透光率高,耐高温,可在130℃下长期使用,但耐疲劳强度低,
容易开裂,常用作透明件或装饰件。
有阻燃PC、增强PC;
e)PA:聚酰胺(尼龙),机械性能优良,是一种自润滑材料,长期使用温度不超过80℃,注塑件尺寸
精度难保证,易产生缩孔、凹痕、变形等缺陷,常用作传动件和耐磨件如轴承、齿轮、凸轮、滑轮、衬套、铰链等。
f)POM:聚甲醛,机械性能优异,长期使用温度为100℃,注塑件尺寸稳定性较好,可制造较精密的
零件,能替代钢、铜、铝、铸铁等金属材料制件。
3.2材料选用:
a)外观件:选用机械性能良好、尺寸稳定性及外观质量好的塑料,有ABS、HIPS;
b)内部一般结构件:选用机械性能良好、尺寸稳定性的塑料,有ABS、PS、PP;
c)透光及装饰件:要求塑料具有较高的透光度及透明度,有ABS、PC、PVC、AS;
d)耐磨擦件:选用机械性能优良的塑料,有POM、PA;
e)电控电器结构件:要求阻燃,并具有一定的强度,有阻燃ABS、阻燃PP;
f)薄膜料:PVC、PE、PP;
g)板材和管材:PVC、PE、PP、ABS。
4塑料件设计的基本要求
4.1选择材料特性适合的塑料
a)材料的机械性能,如强度、刚性、韧性、弹性;
b)材料的热变形温度或长期使用的温度;
c)注塑成型的收缩率;
d)注塑成型的工艺性。
4.2外观质量控制
a)外观表面应平整光滑,尽量避免存在尖角边缘;
b)模具分型面避免设计在明显的外观表面;
c)外观表面内部的加强筋要严格控制,其厚度不能大于壁厚的1/2,高度取矮些(尽量不大于壁厚);
d)若外观表面具有较厚的内部结构,为了避免外观表面收缩,应将内部结构较厚的根部减薄至不大于
壁厚的1/2。
4.3确定合适的壁厚
a)满足强度、结构、安全、尺寸稳定性以及装配等要求;
b)壁厚应均匀,以减少塑料件的内应力。
通常壁厚取2~3.5mm,相邻壁厚变化不宜超过20%。
当壁厚
必须不均匀时,应平缓的斜面过渡,避免突变。
c)壁厚太薄会造成塑料件的强度和刚度不足,受力后易产生翅曲变形;
d)壁厚过大,不但会增加成本,还容易产生局部收缩、缩孔、翅曲等不良现象。
4.4增加强度
a)采用较高冲击强度和机械性能良好的塑料;
b)塑料件的壁厚不能太薄;
c)设置加强筋和增加边框;
d)消除塑料件上直角和尖角,采用圆角连接或过渡。
4.5减小变形
a)壁厚合适且均匀;
b)盒、盆、角等塑料件的上口容易变形,须设置边框加强;
c)箱体类塑料件的底部容易变形,宜用凹凸变形或加框的方法改善;
d)不对称的塑料件,因收缩不均匀、容易变形,采用近似于对称的设计能防止变形。
4.6防止开裂
a)直角和尖角改为圆角;
b)结构边缘周围加框;
c)孔与孔、孔与边壁之间应保持足够的距离,孔与孔的最小距离应不小于壁厚的2倍,孔与边壁之间
最小距离应不小于1.5~3mm(大孔取大值);
d)孔柱的高度不宜过大,孔柱外径也不宜过小。
4.7支承面的设计
a)对较大平面的支承面,不能以整个底面作为支承面,应采用边框或底脚作为支承面,一般用几个凸
起的底脚或3个以上支承点来支承;
b)当底部有加强筋时,加强筋的端面不应与支承面平齐,必须要有一定的间隙。
4.8螺孔孔径尺寸
a)装ST2.9螺钉,孔径应为Ф2.2~2.3mm;
b)装ST3.9螺钉,孔径应为Ф3.2~3.3mm;
c)脆性材料螺孔孔径取大值;
d)螺孔孔口应具有45°倒角及深0.5~1mm的沉孔。
4.9加强筋
a)尺寸不宜过大,以矮一些、多一些为好,可将大的加强筋改
成几条小的加强筋;
b)加强筋布置的方向应尽量与注塑时熔体流动的方向一致;
c)加强筋的端面不应与塑料件的支承面平齐,应留一定的间隙。
4.10尺寸精度
a)保证设计基准与定位基准和测量基准重合;
b)精度要求较高的尺寸公差,注意应包括脱模斜度;
c)标注尺寸公差时尽可能用标准《SJ/T10628-95塑料制件尺寸公差》规定的公差;
d)影响塑料件尺寸精度的因素有
(a)脱模斜度;
(b)塑料收缩率的波动;
(c)模具制造精度;
(d)注塑工艺;
(e)模具尺寸的磨损;
4.11表面粗糙度:
a)取决于模具型腔的表面粗糙度、塑料材料、成型工艺等;
b)塑料件的表面粗糙度比模具的表面粗糙度低一级;
c)通常塑料件的外表面粗糙度高于内表面;
d)透明塑料件的内外表面粗糙度应一致。
5塑料件设计的工艺性要求
5.1简化塑料件的形状
a)塑料件的形状应力求简单,有利于开模时取出塑料件;
b)便于模具制造,减少模具抽芯, 尽量避免出现侧壁凹槽或与脱模具方向不同的孔槽;
c)有利于充模流动、排气、补缩,以提高注塑工艺性;
d)塑料件上的槽不要成为薄刃和薄壁形状,以延长模具使用寿命;
e)尽量设计为对称或近似对称的外形,但这样设计在装配时可能出现反装错误,因此设计时两端的装
配定位结构应有所不同,保证不会造成装配时的反装错误;
f)塑料件上的文字、符号和花纹尽量采用凹坑凸字,凹坑深度应大于凸字的高度,凸字高度不小于
0.2mm,宽度不小于0.3mm(以0.8mm为宜)。
5.2脱模斜度
a)塑料件的内外表面,在脱模方向必须设计足够的脱模斜度;
b)脱模斜度与塑料性能、塑料件的形状大小有关,硬脆性、收缩率大、形状复杂的脱模斜度大;
c)对于精度越高、尺寸大、形状简单、容易脱模、收缩率小、壁厚越小的表面,脱模斜度应取小值;
d)脱模斜度通常为0.5°~1.5°,表面需哑光处理为2°~4°,表面需皮纹处理为4°~6°;
e)若脱模斜度不影响产品装配及使用,应将脱模斜度值取得大些;
f)塑料件外观表面、外观配合间隙、有定位配合要求、脱模面较大等处,三维设计时必须设计出脱模
斜度,以免因模具设计时才设计脱模斜度而影响外观、定位、配合、或产生装配干涉等。
5.3圆角设计
a)除特殊要求外,所有内转角尽可能设计成圆角过渡;
b)圆角半径R为塑料件壁厚的1/4~1/3,一般R≥0.5mm;
c)设计圆角有如下优点:
(a)避免应力集中,提高塑件强度;
(b)改善注塑时熔体在型腔中的流动性,有利于充满型腔;
(c)便于脱模;
(d)有利于模具制造,并能提高模具的强度和寿命。
5.4方便修模
a)尽量避免修模时补焊;
b)避免设计出现过定位和干涉等现象;
c)无配合要求的结构,要考虑到影响塑料件尺寸和精度的因素而加大配合间隙;
d)对于精密配合和紧配合的结构,也应预留适当的间隙,试模件准确测量后再修模控制其精密配合。
5.5装配工艺性
a)应充分考虑装配的可行性、可靠性及装配效率
b)互相装配的结构部位应尽量设计装配导向斜面和圆角;
c)设计合理的装配定位结构。
附加说明:本设计规范由设计中心标准化提出并归口。
本设计规范由技术研发中心负责起草。
本设计规范主要起草人:
各位同事:
表面粗糙度有关标准
1. GB/T14234-93《塑料件表面粗糙度》
2.分体室内机结构设计规范
3.通用结构设计规范
在\\10.8.7.24\设计中心\设计规范\
这些文件中有关《塑料件表面粗糙度》的标准请大家认真学习和执行,将原来标注的基准提高;
<通用结构设计规范><分体室内机结构设计规范>先参照,讨论,各位有何好的意见和建议请提出来,以便改进设计规范;
以后在二D图中有关塑料件的筋可以不标注其位置尺寸,但要标注筋的厚度和斜度。