SGB620刮板输送机
- 格式:docx
- 大小:113.79 KB
- 文档页数:8
SGB620/40T刮板输送机,刮板机工作原理技术参数SGB620/40T刮板输送机是由哪些部件组成?各种类型的刮板输送机的主要结构和组成的部件基本是相同的,它由机头、中间部和机尾部等三个部分组成。
此外,还有供推移输送机用的液压千斤顶装置和紧链时用的紧链器等附属部件。
机头部由机头架、电动机、液力偶合器、减速器及链轮等件组成。
中部由过渡槽、中部槽、链条和刮板等件组成。
机尾部是供刮板链返回的装置。
重型刮板输送机的机尾与机头一样,也设有动力传动装置,从安设的位置来区分叫上机头与下机头。
SGB620/40T刮板输送机的工作原理是什么?SGB620/40T刮板输送机的工作原理是,将敞开的溜槽,作为煤炭、矸石或物料等的承受件,将刮板固定在链条上(组成刮板链),作为牵引构件。
当机头传动部启动后,带动机头轴上的链轮旋转,使刮板链循环运行带动物料沿着溜槽移动,直至到机头部卸载。
刮板链绕过链轮作无级闭合循环运行,完成物料的输送。
SGB620/40T刮板输送机详细参数表:型号参数名称 SGW-150C SGB620/40T SGB-420/30T SGD-420/30 SGW-26 SGD-320/17B出厂长度 200米 100米 100米 100米 100米 80米输送量 250吨/时 150吨/时 80吨/时 80吨/时 70吨/时 40吨/时链速 0.868米/秒 0.86米/秒 0.86米/秒 0.88米/秒 0.86米/秒 0.59米/秒电动机型号 DSB-75 DSB-40 JDSB-30 JDSB-30 BJQO261-40T2 DZ3B-17功率 75千瓦X2 40千瓦 30千瓦 30千瓦 13千瓦X2 17千瓦转速 1480转/分 1470转/分 1470转/分 1470转/分 1460转/分 1460转/分电压 380/660伏 380/660伏 380/660伏 380/660伏 380/660伏 380/660伏液力连轴器型号 YL-450型 YOXD400S型额定功率 75千瓦 40千瓦工作液体 22#汽轮机油 22#汽轮机油注油量 14升 8升刮板链型式边双链边双链边双链中单链边双链中单链规格Ф18X64毫米Ф18X64毫米Ф14X50毫米Ф14X50毫米Ф14X50毫米Ф14X50毫米链条破断拉力≥41吨≥35吨≥25吨≥25吨≥25吨≥25吨减速机转动比 1:24.44 1:24.564 1:22.24中部槽长X宽X 高 1500X630X190 1500X620X180 1200X420X150 1200X420X150 1200X420X150 1200X420X150机器总重 87.6吨 17.6吨 10.29吨 9.56吨 9.2吨 7.34吨。
SSD-80可伸缩带式输送机煤矿用刮板机SPJ-800带式输送机边双链可弯曲刮板输送机单链可弯曲刮板输送机伸缩带式输送机绳架带式输送机TD75型通用固定带式输送机DX型钢绳芯胶带输送机刮板输送机,刮板机,输送机,矿用刮板机40t刮板机煤矿用刮板机煤矿用带式刮板机SGB620/40T刮板输送机在煤矿的生产与建设中的发展,大致经历了三个阶段。
第一阶段在30-40年代,是可拆卸的刮板输送机,它在工作面内只能直线铺设,随工作面的推进,需人工拆卸、搬移、组装。
刮板链是板式,多为单链,如V型、SGD-11型、SGD-20型等小功率轻型刮板输送机。
第二阶段是40年代前期由德国制造出可弯曲刮板输送机,它与采煤机、金属支架配合实现了机械化采煤。
这种刮板输送机咳适应底板不平凸凹凸不平和水平弯曲等条件,移设时不需拆卸,并且运煤量也有所增大,如当时的型号SGW-44型刮板输送机就是这个阶段的代表产品。
进入60年代由于液压支架的出现,为了适应综采的需要,刮板输送机发展到了第三阶段,研制出大功率铠装咳弯曲重型刮板输送机,如SGD-630/75型、SGD-630/180型等就是属于这个阶段的产品。
目前,随着采煤工作面生产能力的不断增大,SGB-420/30T刮板输送机主要发展趋势是:1、大运输量。
国外先进采煤国家已经发展到小时运输能力高达1500t(80年代)3500t(90年代)的SGB-420/30T刮板输送机。
2、长运输距离。
为了减少采区阶段煤柱的损失量,加大工作面的长度,刮板输送机的长度已经达到335米以上。
3、大功率电动机。
电动机的功率已发展到单速电机达525kW,双速电机500/250kW。
4、寿命长。
由于使用大直径圆环链,增加了刮板链的强度,延长了刮板输送机的寿命,整机过煤量高达600万吨以上。
30kg道夹板液压弯道器立式扳道器新型SGB620/40T刮板输送机刮板输送机是煤矿、化学矿山、金属矿山及电厂等用来输送物料的重要运输工具。
刮板输送机一、刮板输送机型号含义:□○△◇/◆■其中:□→输送机 S ○→刮板 G△→刮板链形式:D为中单链型,B为边双链型,Z为中双链型,N为准边双链型◇→中部槽内槽内槽宽度代号◆→驱动功率■→设计修改序号,以(A)、(B)、(C)、····依次表示如:SGB630/150(C) 边双链刮板机,槽宽630mm,驱动功率150kWSGZ880/1400(A) 中双链刮板机,槽宽880mm,双速电机总功率1400kW二、刮板输送机参数:(标准长度100m)刮板机定义:刮板输送机用刮板链牵引,在槽内运送散料的输送机叫刮板输送机。
举例:中煤牌SGB420/30T刮板输送机,系煤层工作面运输设备,严格按照煤炭行业标准《刮板输送机通用技术条件》MT/T105-93及相关标准组织实施生产。
该产品体积小,重量轻,使用维护简单,安全可靠。
基本参数:输送量80t/h 设计长度100m 链速0.88m/s 电机型号JDSB-30 额定功率30kW 额定电压380/660V 转速1470r/min中部槽尺寸(长×宽×高)mm 1200×420×150水平弯曲3°垂直弯度3°每节质量75.65kg 刮板链圆环链规格φ14×50B mm 圆环链条数 2刮板链中心距315mm 刮板间距800mm 圆环链破断负荷190KN连接环破断负荷170KN 刮板链单位质量14.2Kg/m 型式边双链减速器速比22.245 紧链型式摩檫式紧链卸载方式端卸式总重10.6TSGB620/40T刮板输送机技术参数:出厂长度100m 减速器传速比1:24.564 输送量150t/h 刮板链型式边双圆环链链速0.86m/s 规格18×64电动机型号 YBS—40 单链破断力≥343KN 功率40kW 链条数2条电压(V) 660/380 链间距(mm) 500 转速(r/min) 1470 刮板间距(mm) 1024液力偶合器型号 YOXD400 中部槽长(mm) 1500工作液体 22#汽轮机油高(mm) 1801、SGW、SGB系列刮板输送机SGB-630/150C(W)刮板输送机适用于缓倾斜开厚煤层普采工作面运输煤炭,在输送机中部槽上,可配套MDY-100W型、DY-150型、MD-170型滚筒采煤机。
DJ—800皮带运输机技术参数一、设备名称:DJ—800皮带运输机二、数量:三、主要技术参数:运输能力: 400t/h运输距离: 800m运输坡度: 0±4°储带长度: 100 m电机型号: DSB—40功率: 2 x 40kw电压: 600 / 1140v转数: 1470 r / m带速: m / m液力耦合器: YL—400传动主滚筒直径:Φ500mm托辊直径:Φ89 mm缓冲辊直径:Φ108 mm涨紧绞车: JH—8 / JH—5搭接长度: 12米四、技术要求:1、传动装置加制动器。
2、纵梁采用圆管型(吊挂落地)3、吊挂链长度为4、机尾缓冲滚采用聚氨酯材料5、H架按我方提供尺寸生6、随机配备设备易损件五、主要配件配置要求(有变动的可能)该型输送机的配套电器有真空开关QZB—120或隔爆磁力器QC83—120D,2台;磁力起动器QC83—80N(真空),1台。
皮带控制箱PJB—Ⅱ的保护系统包括:急停保护、跑偏保护、煤位保护、速度保护、超温撒水保护、烟雾保护、纵向撕裂保护。
通讯装置。
SGB620—/40T刮板输送机技术参数一、设备名称:SGB620—/40T刮板输送机二、数量:三、使用范围:SGB620—/40T刮板输送机适用中间巷道输送煤炭。
四、技术参数:输送量: 150t/h出厂长度: 100m链速:s电动机型号: DSB—40功率: 40kw转速: 1470r/min电压: 380/600v液联轴器型号: YL—400A 型额定功率: 40kw工作液体: 22号汽轮机油注油量(即在注油孔处的最大注入量): 9L刮板链型式:边双链规格: 18 x 64 mm每条链破断负荷:≥350KN减速器传动比: 1:中部槽长 x 宽 x 高 1500 x 620 x 180 mm机器总重: t五、技术要求:1、必须有煤矿用产品安全标志证书及“MA”标志2、该型输送机的配套电器有真空开关(QZB—120)或隔爆磁力器(QC83—120D)3、机器动力由电动机传递给液力联轴器经减速器带动链轮传动。
中双链刮板输送机图纸刮板输送机图纸1 SGD-280/7.5C 中单链刮板输送机图纸现图2 SGD-280/11 中单链刮板输送机图纸现图3 SGD-320/17B 中单链刮板输送机图纸现图4 SGD-320/18.5 中单链刮板输送机图纸现图5 SGD-630/220 中单链刮板输送机图纸面议6 SGD-730/320 中单链刮板输送机图纸面议7 SGD-420/22 中单链刮板输送机图纸现图8 SGD-420/30 中单链刮板输送机图纸 1200元9 SGB-420/30A 边双链刮板输送机图纸 1200元10 SGB-420/22 边双链刮板输送机图纸现图11 SGB-620/40 边双链刮板输送机图纸现图12 SGB-620/80T 弯曲刮板输送机图纸现图13 SGB-630/150C 边双链刮板输送机图纸面议14 SGB-630/150 边双链刮板输送机图纸现图15 SGB-630/180 边双链刮板输送机图纸现图16 SGB-630/220 边双链刮板输送机图纸 1800元17 SGB-630/264 中单链刮板输送机图纸面议18 SGZ-630/220 中单链刮板输送机图纸现图19 SGB-764/264 边双链刮板输送机图纸现图20 SGZ-764/264 中双链刮板输送机图纸现图21 SGZ-764/320D 中双链刮板输送机图纸现图22 SGZ-730/320 中双链刮板输送机图纸现图23 SGZ-764/400 中双链刮板输送机图纸现图24 SGZ-764/500 中双链刮板输送机图纸现图25 SGZ-764/630 中双链刮板输送机图纸现图26 SGZ-830/630 中双链刮板输送机图纸现图27 SGZ-830/750 中双链刮板输送机图纸现图28 SGZ-880/630 中双链刮板输送机图纸现图29 SGZ-880/750 中双链刮板输送机图纸现图30 SGZ-800/800 880/800 800/1000 中双链刮板输送机图纸现图31 SGZ-960/630 960/750 960/1050 中双链刮板输送机图纸现图32 SGZ -880/800 1000/1050 1000/1125 1000/1400中双链刮板输送机图纸现图33 SGZ-1000/1600 1200/1400 1200/1600 中双链刮板输送机图纸现图34 XGZ06、XGZ08、XGZ12、XGZ14铸石砌板散料刮板输送机图纸各850元35 GSR30 40 50 60 双链刮板输送机图纸各1000元36 IK921、500×1200 板式输送机图纸 500元37 HP-500 800 双道圆环链刮板输送机图纸各1000元38 HYL-B600 铸石槽箱刮板输送机图纸 1000元39 SGW-44A 刮板输送机图纸 1200元40 SGW-40T 弯曲刮板输送机图纸 1200元41 SGW-150 弯曲刮板输送机图纸 1200元42 CMS、SMS、ZMS 埋刮板输送机驱动装置架图纸 500元43 MSR-250、320、400、500 热料型埋刮板输送机图纸各600元44 800KW-111-1 胶带输送机图纸 500元45 MS-16、20、25、32、40 水平型埋刮板输送机图纸面议46 MC-16、20、25、32 垂直型埋刮板输送机图纸面议47 MZ-16Z、20Z、25Z 埋刮板输送机图纸面议48 MG-40、60、80、80A、100、100A 埋刮板输送机图纸面议49 MS-400、500 刮板输送机图纸 CAD光盘各800元50 MSR-32、40、50、60 埋刮板输送机图纸CAD光盘51 GSR-30、40、50、60 双链刮板输送机图纸52 KSⅢ型300、400、500、600中双链刮板输送机图纸一、用途及使用范围SGB420/30型弯曲刮板输送机按煤炭工业部颁布标准《工作面用刮板输送机系列型谱》设计的系列产品,主要用于煤矿井下缓倾斜薄层煤及中厚煤层采煤工作面及顺槽运输,也可用于巷道掘进迎头运输。
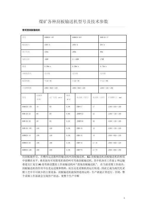
普采型刮板输送机
用刮板链牵引,在槽内运送散料的输送机叫刮板输送机。
KS刮板输送机刮板输送机的相邻中部槽在水平、垂直面内可有限度折曲的叫可弯曲刮板输送机。
其中机身在工作面1和运输巷道交汇处呈90度弯曲设置的工作面输送机叫“拐角刮板输送机”。
在当前采煤工作面内,刮板输送机的作用不仅是运送煤和物料,而且还是采煤机的运行轨道,因此它成为现代化采煤工艺中不可缺少的主要设备。
刮板输送机能保持连续运转,生产就能正常进行。
否则,整个采煤工作面就会呈现停产状态,使整个生产中断
吷嚄吺埋刮板输送机。
SGB刮板输送机使用说明书——山东中煤工矿集团zmjt01 SGB刮板输送机是煤矿井下工作面和顺槽内运送煤炭的专用设备,主要适用于一般中小煤矿的缓倾斜薄煤层、爆破采煤的工作面使用。
可用小型采煤机配套实现薄煤层工作面机械化生产,因地质条件限制而不宜使用中重型刮板输送机的中厚煤层工作面,亦可安装挡煤板在顺槽使用,但在订货时应注明。
SGB刮板输送机刮板输送机主要包括:传动装置、左挡板、右挡板、机头过渡槽、中部槽、刮板链、机尾等部分。
传动系统:SGB420/30刮板输送机动力是由电动机经柱销联轴器传递给减速器,由减速器带动链轮转动。
SGB420/40T、SGB620/40T、SGB620/80T 刮板输送机动力是由电动机传递给液力偶合器,液力偶合器经减速器带动链轮转动。
刮板输送机刮板链形式为边双链式,安装在中部槽的上下槽中,在机头和机尾处绕过链轮或滚筒,构成封闭的刮板链,链轮带动封闭的刮板链在中部槽中作闭合循环运动,将中部槽中的散粒状煤炭带走,完成运煤工作。
传动装置:1、SGB420/30型刮板输送机传动装置主要由电动机、柱销联轴器、减速器、机头架、链轮、盲轴组成。
带有法兰的连接罩将电动机、联轴器、减速器连成一个整体,减速器安装在机头架的侧面,减速器带有花键的输出轴与链轮连接,链轮的另一端与盲轴相连,紧链器装在减速器上。
联轴器由两个半联轴器加木销组成,当输送机过载时,木销损坏,联轴器脱开,使输送机停止运转。
SGB420/40T、SGB620/40T 型刮板输送机传动装置主要由电动机、液力偶合器、减速器、机头架、舌板、链轮、紧链器和盲轴等部件组成。
带有法兰的联接罩将电动机、液力偶合器、减速器连成一个整体,刮板输送机使用的液力偶合器为YOXD400型水质液力偶合器。
当输送机过载时,液力偶合器易熔塞融化,液力偶合器不再传递动力,刮板输送机停止运转。
水介质液力偶合器主要由外壳、泵轮、透平轮和辅助室内外壳组成,是靠液体传递动力的机构,它的主要作用是:a、保护电机和其它零部件:当输送机过负荷运转时,液力偶合器的泵轮与透平轮打滑,水介质温度上升,当温度超过极限时易熔保护塞的易熔合金被熔化,液体喷出,输送机停止运转,喷液后需重新充液和更换易熔保护塞;b、均衡多电动机传动系统中各电动机的负荷;c、减小启动电流;d、吸收振动,减小冲击。
中双链刮板输送机图纸刮板输送机图纸1 SGD-280/7.5C 中单链刮板输送机图纸现图2 SGD-280/11 中单链刮板输送机图纸现图3 SGD-320/17B 中单链刮板输送机图纸现图4 SGD-320/18.5 中单链刮板输送机图纸现图5 SGD-630/220 中单链刮板输送机图纸面议6 SGD-730/320 中单链刮板输送机图纸面议7 SGD-420/22 中单链刮板输送机图纸现图8 SGD-420/30 中单链刮板输送机图纸 1200元9 SGB-420/30A 边双链刮板输送机图纸 1200元10 SGB-420/22 边双链刮板输送机图纸现图11 SGB-620/40 边双链刮板输送机图纸现图12 SGB-620/80T 弯曲刮板输送机图纸现图13 SGB-630/150C 边双链刮板输送机图纸面议14 SGB-630/150 边双链刮板输送机图纸现图15 SGB-630/180 边双链刮板输送机图纸现图16 SGB-630/220 边双链刮板输送机图纸 1800元17 SGB-630/264 中单链刮板输送机图纸面议18 SGZ-630/220 中单链刮板输送机图纸现图19 SGB-764/264 边双链刮板输送机图纸现图20 SGZ-764/264 中双链刮板输送机图纸现图21 SGZ-764/320D 中双链刮板输送机图纸现图22 SGZ-730/320 中双链刮板输送机图纸现图23 SGZ-764/400 中双链刮板输送机图纸现图24 SGZ-764/500 中双链刮板输送机图纸现图25 SGZ-764/630 中双链刮板输送机图纸现图26 SGZ-830/630 中双链刮板输送机图纸现图27 SGZ-830/750 中双链刮板输送机图纸现图28 SGZ-880/630 中双链刮板输送机图纸现图29 SGZ-880/750 中双链刮板输送机图纸现图30 SGZ-800/800 880/800 800/1000 中双链刮板输送机图纸现图31 SGZ-960/630 960/750 960/1050 中双链刮板输送机图纸现图32 SGZ -880/800 1000/1050 1000/1125 1000/1400中双链刮板输送机图纸现图33 SGZ-1000/1600 1200/1400 1200/1600 中双链刮板输送机图纸现图34 XGZ06、XGZ08、XGZ12、XGZ14铸石砌板散料刮板输送机图纸各850元35 GSR30 40 50 60 双链刮板输送机图纸各1000元36 IK921、500×1200 板式输送机图纸 500元37 HP-500 800 双道圆环链刮板输送机图纸各1000元38 HYL-B600 铸石槽箱刮板输送机图纸 1000元39 SGW-44A 刮板输送机图纸 1200元40 SGW-40T 弯曲刮板输送机图纸 1200元41 SGW-150 弯曲刮板输送机图纸 1200元42 CMS、SMS、ZMS 埋刮板输送机驱动装置架图纸 500元43 MSR-250、320、400、500 热料型埋刮板输送机图纸各600元44 800KW-111-1 胶带输送机图纸 500元45 MS-16、20、25、32、40 水平型埋刮板输送机图纸面议46 MC-16、20、25、32 垂直型埋刮板输送机图纸面议47 MZ-16Z、20Z、25Z 埋刮板输送机图纸面议48 MG-40、60、80、80A、100、100A 埋刮板输送机图纸面议49 MS-400、500 刮板输送机图纸 CAD光盘各800元50 MSR-32、40、50、60 埋刮板输送机图纸CAD光盘51 GSR-30、40、50、60 双链刮板输送机图纸52 KSⅢ型300、400、500、600中双链刮板输送机图纸一、用途及使用范围SGB420/30型弯曲刮板输送机按煤炭工业部颁布标准《工作面用刮板输送机系列型谱》设计的系列产品,主要用于煤矿井下缓倾斜薄层煤及中厚煤层采煤工作面及顺槽运输,也可用于巷道掘进迎头运输。
普采型刮板输送机SGZ730/320刮板输送机该机为前部刮板输送机,中部槽采用优质合金钢铸造挡板、铲板槽帮与高强度耐磨中板焊接而成的整体结构,提高了强度,增加了可靠性,与采煤机、液压支架、转载机及电控箱装置配套。
实现回采工作面的落煤、装煤、运煤、推溜和顶板支护等工序的综合机械化采煤。
设计长度 一一一一 200m输送量 一……… 700t /h刮板链速 一一一… O .93m /s电机功率 ………… 2×160kW工作电压 ………… 660/1 140V圆环链规格 一………(p26×92mm最小破断负荷一一……850kN刮板间距 一一一一 1 104mm中部槽 …___一一 1500×730×275mm减速器传动比………… 39 737:1减速器冷却方式………… 水冷整机弯曲性能……一… 水平±1°,垂直±3。
适用于煤矿井下缓倾斜、中厚煤层回采工作面。
是高产、高效综采机械化采煤工作面理想运输设备。
等离子熔覆合金陶瓷高耐磨刮板输送机系列1、完全兼容传统刮板输送机,用户可以像使用普通刮板输送机一样安装使用,而不必花费时间去熟悉新的安装工艺;2、整机系统达到最佳配合,使整机寿命大大延长;使用寿命是普通刮板输送机的2倍以上;3、熔覆层坚硬光滑,摩擦系数小,使输送机整体运行阻力减小,能耗降低,无挤链压溜现象发生。
刮板输送机刮板机40t主要适用于中小型煤矿缓倾斜中厚层煤层普通机械化采煤工作面输送煤炭,与滚筒采煤机、单体液压支柱和金属铰接顶梁、推溜器等设备配套,以实现回采工作的落煤、装煤、运煤、支护和工作面的连续作业.KGZ 系列铸石刮板输送机XGZ 系列刮板输送机是煤炭部定产品系平顶山选煤设计研究院最新设计。
该产品设计先进,结构合理,运输量大,节约电力,安装维修方便,性能可靠,且实现了标准化,系列化,通用化。
中间槽采用全钢焊接结构,具有互换性,内衬铸石,耐磨,耐腐蚀,噪音低,阻力小。
山西晋煤集团临汾晋牛煤矿投资有限责任公司矿井兼并重组整合项目SGB620/40T刮板输送机技术规格书一、总则1.1、本规格书适用于山西晋煤集团临汾晋牛煤矿投资有限责任公司矿井兼并重组整合项目掘进工作面溜子。
它提出了该设备的功能设计性能、安装和试验等方面的技术要求。
1.2、本规格书提出的是最低限度的技术要求,并未对一切技术细节作出规定,也未充分引述有关标准和规范的条文,投标方应提供符合本规格书和有关规程、规范的优质产品。
1.3、如果投标方没有以书面形式对本规格书的条文提出异议,则意味着投标方提供的设备完全符合本规格书的要求。
如有异议,不管多么微小,都应在报价书中以对规格书的意见和同规格书的差异为标题的专门章节中加以详细描述。
1.4、投标方应保证招标方不因使用了投标方提供的设备的设计、工艺、方案、技术资料、商标、专利等而产生侵权。
若有任何侵权行为,投标方应承担由此产生的一切索赔和责任。
1.5、供方保证提供产品必须符合相关的国家和行业标准。
本技术规格书所引用的标准若与供方所执行的标准发生矛盾时,按较高的标准执行。
1.6、合同签订后,招标方有权提出因标准、规程和规范发生变化而产生的修订要求,具体事宜由供、需双方协商确定。
1.7、本规格书经供、需双方确认后作为订货合同的技术附件,与合同正文具有同等效力。
1.8、本技术规格书提出了该设备的设计选型、订货、现场安装、和现场验收等环节提出了具体的要求。
1、新版《煤矿安全规程》;2、G B 3836.1 爆炸性气体环境用电气设备第1部分通用要求;3、G B/T 4046 电气设备安全设计导则;四、使用条件:1、海拔高度:1200米;2、环境温度:最高气温+38℃,最低气温-25℃;3、空气相对湿度不超过95%(+25℃);4、在有甲烷混合气体和煤尘,具有爆炸性危险的矿井中;5、无足以腐蚀和破坏和绝缘的气体和蒸汽。
五、主要技术参数:(单部溜子)1、输送量:150吨/小时2、输送长度:100米3、链速:0.86m/s4、主电动机:2×40KW,1470r/min,1140/660(配南阳或佳木斯电机)。
DJ—800皮带运输机技术参数一、设备名称:DJ—800皮带运输机二、数量:三、主要技术参数:运输能力:400t/h运输距离:800m运输坡度:0±4°储带长度: 100 m电机型号:DSB—40功率: 2 x 40kw电压:600 / 1140v转数:1470 r / m带速: 2.0 m / m液力耦合器:YL—400传动主滚筒直径:Φ500mm托辊直径:Φ89 mm缓冲辊直径:Φ108 mm涨紧绞车:JH—8 / JH—5搭接长度:12米四、技术要求:1、传动装置加制动器。
2、纵梁采用圆管型(吊挂落地)3、吊挂链长度为2.5m4、机尾缓冲滚采用聚氨酯材料5、H架按我方提供尺寸生6、随机配备设备易损件五、主要配件配置要求(有变动的可能)该型输送机的配套电器有真空开关QZB—120或隔爆磁力器QC83—120D,2台;磁力起动器QC83—80N(真空),1台。
皮带控制箱PJB—Ⅱ的保护系统包括:急停保护、跑偏保护、煤位保护、速度保护、超温撒水保护、烟雾保护、纵向撕裂保护。
通讯装置。
SGB620—/40T刮板输送机技术参数一、设备名称:SGB620—/40T刮板输送机二、数量:三、使用范围:SGB620—/40T刮板输送机适用中间巷道输送煤炭。
四、技术参数:输送量:150t/h出厂长度:100m链速:0.86m/s电动机型号:DSB—40功率:40kw转速:1470r/min电压:380/600v液联轴器型号:YL—400A 型额定功率:40kw工作液体:22号汽轮机油注油量(即在注油孔处的最大注入量):9L 刮板链型式:边双链规格:18 x 64 mm每条链破断负荷:≥350KN减速器传动比: 1:24.564中部槽长 x 宽 x 高 1500 x 620 x 180 mm机器总重:17.6 t五、技术要求:1、必须有煤矿用产品安全标志证书及“MA”标志2、该型输送机的配套电器有真空开关(QZB—120)或隔爆磁力器(QC83—120D)3、机器动力由电动机传递给液力联轴器经减速器带动链轮传动。
刮板输送机技术要求禹州市诚德矿业有限机电科刮板输送机技术要求我矿需购进SGB620-80T型刮板输送机和SGB630-180型刮板输送机,安装巷道变化小,倾角在10°以下,对刮板输送机技术要求如下:1、技术特征2、配套用输送机用隔爆型三相异步电动机、矿用减速器、液力偶合器、矿用高强度圆环链、矿用圆环链用开口式连接环、矿用隔爆兼本质安全型磁力起动器应有安全标志,产品合格证,使用维护说明书。
矿用高强度圆环链、矿用圆环链用开口式连接环应有出厂检验报告。
3、卸载方式:机头处端卸4、电动机要求使用矿用隔爆型三相异步电动机,工作电压660V,冷却方式采用IC0141全封闭自扇冷却,绝缘等级达到F级。
5、供货方设备应正确设计和制造,符合国家有关机械、煤炭行业的标准,在正常工况下均能平稳启动和停车,安全、持续运行,无过度的应力、温升、磨损、腐蚀、老化等问题。
6、供货方在刮板输送机的设计时按照MT/T105-1993《刮板输送机技术条件》及《煤矿安全规程》等相关标准和规范的要求,进行总图及相关部件的设计,并对加工质量负责。
7、安装期间供货方免费提供技术指导。
安装单位应依照相关安装规范、安装标准进行设备的安装、调试,并对安装质量负责。
随机文件应有:刮板机总图、刮板机使用说明书、其他外购件使用说明书、基础图及施工图。
8、设备在使用过程中,如发生故障,供货方在接到通知后,24小时内赶到现场予以维修9、供货方必须提供刮板输送机的“MA”标志及相关设备的MA标志、电气设备防爆合格证、产品合格证等。
埋刮板输送机使用说明书尊敬的用户:欢迎您选用本公司生产的埋刮板输送机.埋刮板输送机虽然属于低速运行的机器,但人体接触到其中的旋转部件或直线运行部件后,仍有可能导致伤亡事故!电控装臵采用ac380v/220v供电,电机采用ac380v供电.所有电器设备的外壳应有良好的接地.所有电器设备中带电部位人体均不得直接接触,否则有触电的危险!所有输送易燃,易爆物料的输送机附近严禁烟火.这类输送机上的防爆口应定期检查,若有异常应及时修复,以减少事故隐患!本设备的运行好坏和使用寿命的长短,不仅取决于合理的设计,制造,而且还起决于正确的安装和操作.请施工(建设)单位和用户在安装的使用前认真阅读本说明书,以避免不必要的损失.目录一、安装使用说明图 (1)二、安装 (3)三、调试 (6)四、操作与维修 (8)五、故障与处理…………………………………………………………………………9 附1技术参数表..............................................................................11 附 2 轴承一览表..............................................................................11 附3主要易损件明细表 (12)一、水平型埋刮板输送机安装使用说明图过渡段一端与中间段连接, 加料口一般现场焊接,焊后应另一端与头部联接.割去加料口内部盖板头部头部有左装,右装之分,从尾部看头部,出轴在左边为左装,否则为右装,头部侧板上标有机器运行方向, 刮板链条的运行必须与此相同中间段支架头部支架上部与头部壳体焊接在一起,下部与基础焊接,尾部及中间支架的下部与基础焊接,上部用压块压住壳体.驱动装置驱动装置必须与与基础牢固联接尾部左右各有一丝杆,用于调节刮板链条的张紧程度,若刮板链条跑偏,请调节某一边的丝杆,以纠正跑偏(跑偏调节见后详细说明)1二、安装1.安装前的准备1.1 设备到厂后,应按我公司提供的《装箱单》将机器的各零部件进行清点、分类、检查,妥善保存。
11020工作面上顺槽刮板输送机安装技术措施一、工程概况根据安全生产实际情况,为满足11020工作面上顺槽掘进期间生产需要,经研究决定,由我队安装SGB620/40T刮板输送机一部,为保证施工安全高效,特编制本技术措施。
二、安装顺序1、将安装所有零部件运到安装地点,按预定安装位置排放整齐。
2、将机头按照数序安装固定在一起,然后打设点柱确保机头稳固。
3、将刮板链条穿过机头架后,然后逐个穿过槽节下链道至机尾。
链条不能互相缠绕或拧劲,圆环链焊口靠下侧,刮板和链条的连接螺栓头朝着刮板链运行方向的一侧。
4、将链条分别绕过机头、槽节、机尾链轮并在上链道将其连接,并保持链条较松的状态。
5、按设计要求将其余零部件安装齐全。
6、清除链道处的杂物,检查各部分连接、紧固是否可靠。
三、机头固定1、刮板输送机机头驱动装置安装位置处巷道顶帮必须支护完好,无漏顶、片帮等现象,底板必须平整、坚实,驱动装置与巷道之间间距大于300mm,以便于安装检修。
2、刮板输送机机头驱动装置必须采用稳固的压柱进行固定。
压柱采用直径不小于180mm的圆松木,垂直(角度不小于80°)支设在刮板机底座和巷道顶板上,压柱上部用防倒绳绑扎牢固并在顶板生根,不准使用铁丝或联网绳固定。
压柱必须打在机头架上,严禁打在减速机、电机上,严禁使用单体或钢性压柱,机头压柱不得少于4个。
3、机头压柱必须退皮,粉刷为红白相间防锈漆,间距300mm。
四、机尾固定刮板输送机机尾采用地锚固定,地锚使用2根Φ20×2400mm高强锚杆,中、快速锚固剂各一卷,垂直或略倾斜打入底板,用40T链条固定机尾,确保机尾滚筒、转动部位稳固、水平,机身平直稳固。
五、刮板机及设备的安装要求1、防爆电气设备必须符合“矿用防爆”标准的要求,入井前必须检查其“产品合格证”、“煤矿矿用产品安全标志”及安全性能;检查合格并签发入井证后,方准入井。
供电系统优化,电器开关选型符合实际需要,各种保护装置齐全,动作灵敏可靠;各种保护整定值符合设计要求;电气开关和小型电器分别按要求上板、上架,摆放位置无淋水,有足够行人和检修空间,电缆悬挂整齐、规范。
附三
SGB620(420) /40T型刮板输送机
一、使用范围
SGB620 (420) /40T型刮板输送机使用于中间巷道送输煤炭
二、型式、基本参数与技术特征
1、型式:本机属边双链刮板输送机。
2、型号含义说明:
S G B _620 / 40 匸
I 改进设计顺序
---- 电动机总功率中部槽宽
度
------------- 边双链-----
刮板
1 6
平
M” OP
应17 VOOtrl 人
A 099/08C
U|UJ/J QLn
M” 0”
(2it7-OMar)ot7-asa S/LU 98 0
山0(H
U/1 09 V 刺型朗工
:旳直甲6
MB血
圍月」用、(乙
6)、舌J板链:
型式
规格
每条链破断负荷7)、减速器传动比
8)、中部槽长X宽X 高9)、机器总重
边双链
18X 64--B
> 32t
1: 24.564 1500X 620X 180mm
17.6 t
三、组成部分、传动系统和主要组成部分的
结构型式及作用
(一)组成部分
SGB620 (420)/40T型刮板输送机采用单机驱动。
主要包括传动装置、舌V板链、机头过渡槽、右挡板、左挡板、中部槽、挡板、机尾等部分组成。
该型输送机的配套电器为隔爆磁力启动器(QZB-120 )。
(二)传动系统
机器动力由电动机传递给液力联轴器经减速器带动链轮转动。
刮板链为边双链式,装在中部槽的上下槽中,在机头和机尾处绕过链轮或滚筒,构成封闭的无极链,链轮转动带动刮板链在中部槽中运动完成输煤工作。
(三)主要组成部分的结构型式及作用
1、传动装置
传动装置主要由电动机、液力联轴器、减速器、链轮、机头架、
舌板、盲轴和紧链器等件组成。
带有法兰的联接罩将电动机、液力联轴器、减速器连成一个整体,通过减速器装在机头架的侧面,减速器带有花键的输出轴与链轮连接,链轮的另一端与盲轴相连,紧链器装在减速器上。
(1)液力联轴器
液力联轴器主要由外壳、泵轮、透平轮和辅助室外壳等所组成,是靠液体传递动力的机构。
它的作用:a.保护电机和其他零部件;当输送机过负荷时,液力联轴器的泵轮与透平轮打滑,液体温度上升,当温度超过一定极限,热保护塞的易熔合金熔化,液体喷出,输送机停止运转。
喷液体后,需重新充液体和更换热保护塞。
b.均衡多电动机传动系统中各电动机的负荷;
c.减小启动电流;
d.吸收震动,减小冲击。
(2)减速器
减速器由一对圆弧伞齿轮。
(格里森齿制),一对斜齿轮,一对直齿轮组成三级减速,总减速比为1:24.564。
第一二三轴的轴承为单列圆锥滚子轴承,第四轴为双列向心球面滚子轴承。
第一轴上的锁紧螺母用以固定轴承并保证轴承轴向游隙量为0.06-0.15毫米,第二三四轴的轴承轴向游隙量为0.2-0.4毫米。
组装时,圆弧伞齿轮的轴向位置要进行适当调整,以保证啮合侧隙和接触斑点。
轴圆弧伞齿轮的轴向位移通过调整螺母调整,大圆弧伞齿轮通过调整垫调整轴向位置。
调整好的啮合侧隙不小于0.17毫米,接触斑点沿齿长和齿高方向不小于50%。
减速机内注入150号工业齿轮油注入量为侵入大圆弧伞齿轮的1/3,以保证润滑。
(3)链轮
链轮由链轮、半滚筒等组成,用螺栓连接成一体。
(4)盲轴
盲轴主要由轴承座、滚动轴承和花键轴组成。
主要作用是支承链轮。
(五)紧链器
紧链器主要由偏心轮、外壳、闸带和制动轮组成,通过闸带抱紧制动轮来实现机器的制动,并与紧链挂钩配合,完成输送机的紧链。
紧链时,把两条紧链钩的一端分别插在机头架左右侧板的圆孔内,另一端插在刮板链条的立环中,开反车,将松弛的链条传到机头,在停车瞬间立即抱紧制动轮,制动后可将多余链子取掉并接好,取下紧链挂钩,然后将偏心轮搬到松的位置,使闸带和制动轮脱开即可正常运转,链子的张紧程度,以运转时在机头链轮下方稍有下垂为宜。
2、过渡槽
主要由两个“刀”型槽帮钢和中板焊成,是机头和中部槽的过渡连接装置。
3、刮板链及调节链
(1)刮板链
刮板链由圆环链、联结环、刮板和连接螺栓组成。
刮板为轧制型钢,带有斜面的一侧与中部槽中板接触,起刮煤作用。
联结环的凸起部分起导向作用。
(2)调节链
本机备有3、5、7、9、11、13环的调节链条,供紧链时选用。
4、挡板
挡板是用钢板焊成,起挡煤作用,可增大中部槽装载截面,挡板通过卡板与中部槽联结。
5、中部槽
中部槽由两个“刀”型槽帮钢和中板焊成,侧面可装挡板,相临两中部槽
中板相互搭接。
在水平和垂直面内允许偏转 3 °
6、机尾
机尾由机尾和机尾轴组成,是刮板链回转的导向装置。
J=。