二次深化设计管理作业指引
- 格式:doc
- 大小:1.22 MB
- 文档页数:15
国务院关于有效减轻过重作业负担和校外培训负担,促进义务教育阶段学生全面健康发展情况的报告文章属性•【公布机关】国务院,国务院,国务院•【公布日期】2022.10.28•【分类】国务院政府工作报告正文国务院关于有效减轻过重作业负担和校外培训负担,促进义务教育阶段学生全面健康发展情况的报告——2022年10月28日在第十三届全国人民代表大会常务委员会第三十七次会议上教育部部长怀进鹏全国人民代表大会常务委员会:受国务院委托,我向全国人大常委会报告有效减轻过重作业负担和校外培训负担(以下称“双减”)、促进义务教育阶段学生全面健康发展情况,请予审议。
“双减”是贯彻中央决策部署的重大教育改革,是落实教育法、义务教育法、未成年人保护法的实际举措,事关基础教育体系、教育生态和育人格局,对于全面贯彻党的教育方针、促进学生全面发展健康成长具有重要意义。
“规范校外培训机构”已写入《中共中央关于党的百年奋斗重大成就和历史经验的决议》。
习近平总书记高度重视“双减”工作,多次作出重要指示,2021年5月21日主持召开中央全面深化改革委员会第十九次会议,审议通过《关于进一步减轻义务教育阶段学生作业负担和校外培训负担的意见》(以下称《“双减”意见》),为“双减”工作提供了根本遵循。
李克强总理在去年和今年的《政府工作报告》中都提出明确要求,强调要规范校外培训,继续做好义务教育阶段减负工作。
一年多来,在各方共同努力下,“双减”工作扎实推进。
下面,我汇报三个方面的情况。
一、工作开展情况一是提高政治站位,强力统筹推进。
“双减”工作事关立德树人根本任务、事关社会主义办学方向、事关人民群众小康生活成色。
国务院坚决贯彻习近平总书记重要指示精神,把“双减”作为践行“两个维护”的重大政治任务,作为贯彻以人民为中心的发展思想、解决群众急难愁盼问题的重大民生工程,坚持依法治理、综合施策、标本兼治,全面系统抓、区分阶段抓、突出重点抓,坚决打好“双减”攻坚战,全力推动中央决策部署落到实处。
设计管理流程一、流程概述二3.1设计进度计划产品策划完成后,规划设计部应编制项目设计进度计划,经主管领导审核后,交计划管理部做为全项目运营计划的一部分。
3.2收集设计资料3.3设计任务书评审3.4设计方案评审3.5其他专项设计1)景观设计:由规划设计部负责,原则上在规划方案确定后启动。
合同预算部提出景观设计限额后,由规划设计部编制《景观设计任务书》,并按《设计供方采购及管理作业指引》确定设计单位,设计成果经相关部门评审后,报董事长审批。
2)精装设计:由规划设计部负责,原则上在建筑单体方案确定后启动。
合同预算部提出精装设计限额后,由规划设计部编制《室内装修设计任务书》,并按《设计供方采购及管理作业指引》确定设计单位,设计成果经相关部门评审后,报董事长审批。
3)卖场及样板间设计:由规划设计部负责,应按开盘时间倒排设计启动时间。
合同预算部提出设计限额后,推广销售部或商业营运部或写字楼及酒店部(按产品类型参与)提出设计风格需求和软装设想,由规划设计部编制《设计任务书》,并按《设计供方采购及管理作业指引》确定设计单位,设计成果经相关部门评审后,报董事长审批。
a)设计、施工一家:由规划设计部主导各阶段工作,项目部配合施工阶段工作。
施工完毕后,由规划设计部组织相关部门验收,验收通过后由规划设计部与推广销售部或商业营运部或写字楼及酒店部(按产品类型参与)进行卖场及样板间交接,由交接部门完成软装工作。
b)设计、施工分开:由规划设计部主导设计阶段工作,工程管理部按《采购管理流程》确定施工单位后,由项目部主导施工阶段工作。
施工完毕后,由项目部组织相关部门验收,验收通过后由项目部与推广销售部或商业营运部或写字楼及酒店部(按产品类型参与)进行卖场及样板间交接,由交接部门完成软装工作。
4)二次设计:由规划设计部负责。
对于施工图设计深度不够,或无法指导实际施工的情况,由规划设计部列出二次设计项目清单,并按《设计供方采购及管理作业指引》确定设计单位。
RF-SJ-ZY-07设计图纸及资料管理作业指引编制日期审核日期批准日期作业指引目的规范图纸治理过程中的图纸收集、发放、保管工作,明确有关部门的工作职责和工作要求。
适用范畴适用公司所有开发项目设计图纸的审批形成、接收、更新、标识、发放、执行、回收、销毁及归档治理。
定义术语设计文件:包括与设计治理有关的图纸、文本、文档。
图纸:包括政府批复的详规报建图、单体报建图、工程许可证附图、审核用的过程白图(或蓝图)、施工招标图、部品设计图、施工图、厂家二次深化设计施工图、竣工图。
文本:包括方案设计文本、初步设计文本。
文档:包括工程指令、会议纪要、传真等。
职责设计治理部/总工室负责设计图纸资料的统一归口治理;负责图纸接收及图纸审核,督促设计单位完成竣工图;负责设计文件下发治理;负责施工图前的设计图纸存档整理工作。
工程部负责施工图的接收、标识、登记、发放、回收、移交及归档治理;负责设计变更申请审批单、设计变更指令、变更图纸及工程变更指令的存档整理工作;负责工作联系单的存档整理;负责图纸会审记录单的存档整理。
行政部负责项目竣工后图纸存档整理;负责政府审批通过的报建图存档工作。
关键活动描述图纸命名原则设计图纸项目命名原则:地区名(广州可略)---总项目名(及地块名)---单体(及功能名)设计图纸项目命名示例例1:珠江新城A2-2,A2-3地块办公楼例2:花都金港城东区A1-A3栋住宅例3:海南香水湾一期独栋不墅设计图纸项目命名流程:设计治理部/总工室初定项目名称-----与销售策划部及开发中心讨论确认后作为图纸项目名称-----最后以建设工程规划许可证为准(项目建筑师负责确认及知会各专业)。
设计图纸各时期专业项目名必须完全一致。
图纸编号图纸编号治理设计任务书下达或项目正式启动时,工程名与图纸业务编号同时确定;具体由设计院图档治理员操作及治理,电子版并放在固定的服务器上供设计人员及各方查阅。
图纸编号原则:业务编号:年份该年度大项目顺序号- 单项编号;示例:0705-01、表示本项目是07年启动的,大项目顺序号是05,单项编号是01;业务编号方法:年份(如07)及该年度大项目顺序号(如05)由设计院统一确定,单项编号(如-01)由项目总负责统一规划确定并知会设计院或总工室。
RF-GC-LC-01项目工程管理流程编制日期审核日期批准日期流程目的确保项目的施工过程处于受控状态,使项目的质量、进度、安全、成本及资源得到最合理的操纵。
适用范畴适用于公司开发的项目工程治理。
定义项目工程治理:确实是为成功地实现项目目标而进行的全过程、全方位的打算、组织、操纵与和谐。
工程供方:指向本公司提供用于工程的材料、设备,以及施工服务的组织或个人,如供应商、承建商统称工程供方。
承建商:主体工程土建及安装工程承包单位;供应商:材料设备供应商。
职责工程部负责编制工程治理规划书;负责现场临建、通路、土地平坦工作,和谐通讯、通燃气、通热力等工作;负责市政配套设施的调查、设计、报批、施工、验收;负责职责范畴内的前期预备工作;负责甲供材料的供应打算治理和现场治理;负责工程质量、进度、成本和安全文明施工治理;对施工单位进行监督和治理;配合销售工作;组织材料设备验收、工程竣工验收;配合交房及入伙工作;参与开盘前的验收和竣工前内部验收。
参与工程供方的履约评估;工程督查组统筹建立工程技术标准和项目质检方案;关键活动描述项目前期预备水文地质勘测确定水文地质勘测单位;工程部组织水文地质勘测;水文地质勘测单位提供水文地质勘测成果报告,为基础设计和施工提供依据。
七通一平工程部负责组织确定项目场地七通一平工程承包商,组织施工;七通一平完毕后,对现场地势标高进行测量。
项目开工现场预备工程部负责组织总承包商进场;工程部负责向总承包商进行现场情形交底;工程部负责审核总承包商提交的现场临建施工组织设计,对其施工总平面布置、现场临水临电布置、现场机具设备配置的合理性和经济性进行检查;工程部负责检查总承包商现场预备情形,保证其满足现场CI形象要求及施工合同有关条款要求。
项目开工技术预备工程部组织首次工地会议;工程部移交场地并办理移交手续;审查总承包商提交的测量放线操纵成果和爱护措施;审查总承包商的质量治理体系、技术治理体系和质量安全保证体系;审查总承包商提供的专业分包商的资格;对承包商提供的材料构配件、设备等进行核验。
1.目的规范二次设计的操作流程,加强对此阶段各环节的监控,达到确保设计质量、进度和控制成本的目的。
2.适用范围适用于公司所有开发项目的二次深化设计管理(玻璃幕墙除外)。
3.术语和定义二次深化设计:一般指甲方(开发商)在建筑设计完成后,为达到最终实施的目的,对建筑设计方案中出于各种原因需深化项目进行的设计,常见的包括有:幕墙、门窗、智能化、综合管网及市政配套等项目。
3.1二次深化设计工作实施模型3.1.1纳入施工图设计范畴,施工图设计合同含;3.1.2纳入施工单位服务范围,工程合同含;4.职责权限4.1研发设计中心1)负责二次深化设计管理;2)组织二次深化实施单位进行设计,并监控设计工作质量及进度;3)协助确定二次深化设计实施单位;4)组织二次深化设计成果会审。
4.2成本管理中心1)提供二次深化设计成本控制目标;2)参与二次深化设计成果会审。
4.3工程管理部1)参与二次深化设计成果会审;2)组织图纸会审和技术交底。
4.4营销管理部1)参与二次深化设计成果会审。
4.5项目公司工程管理中心、营销管理中心1)参与项目公司项目的二次深化设计成果评审;2)组织项目公司项目图纸会审和技术交底。
5.流程说明5.1二次深化设计准备工作5.1.1二次深化设计开始时机:建筑施工图设计完成后。
5.1.2研发设计中心与二次深化设计单位进行前期资料设计交底。
5.1.3研发设计中心在施工图设计结束后,拟定所要进行二次深化设计的项目,编制二次深化设计工作计划,报设计总监批准(2个工作日内)。
二次设计工作计划包含但不限于以下内容:1)二次深化设计项目清单2)设计时间节点(根据工程管理中心(项目公司项目为工程技术部)提供的工程进度计划)3)设计单位选择方式4)限额要求(成本管理中心提出二次设计成本控制建议)5.1.4招标采购中心负责选择二次设计单位,研发设计中心协助,执行【设计供方管理作业指引】。
5.2二次深化设计5.2.1二次深化设计根据合同约定的内容进行设计,原则上严禁跨出规划方案的范围。
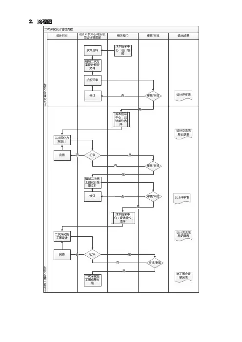
二次深化设计管理流程1.流程概况3.工作程序3.1二次方案设计准备3.1.1设计研究中心:根据需进行二次深化设计的范围和工程进度计划编制二次深化设计工作计划;3.1.2成本招标中心:根据设计研究中心提交的二次深化设计工作计划编制二次深化设计单位招采计划;编制设计限额、设计成本优化方案。
3.2编制《二次方案设计提资文件》3.2.1设计研究中心根据收集资料和二次深化设计要求编制《二次方案设计提资文件》。
3.2.2设计研究中心编制《二次深化设计方案设计提资文件》完成后,按以下程序组织评审:3.2.3设计研究中心根据评审意见修订完善《二次深化设计方案设计提资文件》,由执行总裁审批。
3.3二次深化设计方案设计成果3.3.1设计研究中心以审批通过的《二次深化设计方案设计提资文件》为依据之一。
3.3.2成本招标中心参照《招标采购管理作业指引》要求进行权限范围内设计单位的选择。
3.3.3成本招标中心将确定的《二次深化设计方案设计提资文件》发给设计单位,由设计单位完成二次深化设计方案设计。
3.3.4设计研究中心负责在设计过程与设计单位进行设计中期交流,填写《设计交流信息记录表》,及时沟通解决设计过程的问题,项目设计负责人参与交流全过程。
3.3.5设计单位根据《二次深化设计方案设计提资文件》和设计计划要求完成方案设计成果,并提交设计研究中心,设计研究中心负责初审和签收。
3.3.6设计研究中心对设计单位提交的成果经过部门内部审核通过后按照以下程序组织评审:3.3.7评审会由设计研究中心作记录,并根据评审结果填写《设计评审表》,报董事长审批。
3.3.8设计研究中心负责整理评审意见,向设计单位提交书面修改意见,并督促设计供方根据评审意见修二次深化设计方案设计成果,修订后定稿后将设计成果(连同《设计评审表》)报董事长审批。
3.3.9成本招标中心根据完成的设计方案进行造价概算,如果超出设计限额,则评审是否增加设计限额或调整设计方案。
二次深化设计管理办法1总则1.1目的规范项目二次深化设计阶段的操作流程,加强对此阶段各环节的监控,达到确保设计质量、进度和控制成本的目的。
1.2范围适用于项目一次设计中未设计或设计深度不够,不能满足招标、施工要求需进行二次深化设计的设计管理。
详见《二次深化设计管理项目明细表》1.3职责1.3.1技术部1.3.1.1各专业设计师分别负责各专业的二次深化设计管理。
1.3.1.2各专业设计师参与设计单位的筛选工作;1.3.1.3组织设计单位进行设计,监控其设计工作质量及进度;1.3.1.4负责组织完成重要设计节点的汇报工作;1.3.1.5配合合约部完成相关采购、招标工作;1.3.1.6配合成本合约部完成相关成本估算;1.3.1.7按《材料设备选型定板流程》进行材料选型定样;1.3.1.8负责提供相关的技术参数;1.3.1.9协助工程部进行施工现场技术配合工作,监督工程施工过程中得质量问题,以确保工程质量达到设计效果要求;1.3.1.10负责协助设计单位进行设计变更工作;1.3.2成本合约部1.3.2.1负责对二次深化设计单位进行招采。
1.3.2.2负责组织技术部、工程部、设计单位和施工单位进行招标答疑会。
1.3.3提供二次深化设计成本控制目标,负责对二次深化设计的成本进行控制,参与施工图图纸审查。
1.3.4工程部1.3.4.1参与二次深化设计施工图图纸审查。
1.3.5公司领导层1.3.5.1负责二次深化设计施工图成果审定。
1.3.5.2负责深化设计单位及设计费用的审批。
2工作程序2.1技术部根据需进行二次深化设计的范围和工程进度计划编制二次深化设计工作计划。
2.2成本合约部根据设计部提交的二次深化设计工作计划编制二次深化设计单位招采计划。
2.3成本合约部招采确定二次深化设计单位。
2.4技术部组织工程部、成本合约部等相关部门进行二次深化设计施工图评审,设计部汇总审查意见并填写《设计评审表》经总经理审批,技术部填写《设计交流信息记录表》发设计单位进行修改完善。
设计单位选择与管理作业指引编制 日期 2010-08-20审核 日期 2010-08-20 批准日期修订记录一、流程图二、流程概况3.工作程序3.1设计单位信息收集与选择方式确定3.1.1研发设计中心负责收集设计单位(包括设计院、设计监理和勘察单位)信息,填写《设计单位信息登记表》进入设计单位资源信息库。
3.1.2 研发设计中心根据项目节点计划编制《项目设计计划》,明确各类设计单位的选择时间及选择方式,《项目设计计划》经成本管理部审核选择方式,技术管理部总经理审批后汇总至行政人事部按【项目计划管理流程】规定编制项目总体计划,研发设计中心按确定的选择方式组织设计单位的邀标或直接委托。
3.1.3邀标和直接委托的选择方式如下:1)邀标:合同估算金额30万元(含)以上的勘察与设计单位选择;2)直接委托:合同估算金额30万元以下的勘察与设计单位选择。
3.1.4因项目进度需要或具有战略合作设计单位等原因,合同估算金额30万元(含)以上的设计单位选择需要采取直接委托方式时,必须由研发设计中心填写《免招标项目审批表》经技术管理部总经理审核,分管副总裁审批同意后方可执行。
3.2 邀标方式选择3.2.1设计单位初选:研发设计中心根据设计资源信息库及项目针对性调查情况,提出3家以上初选设计单位,及需要考察的单位名单,经技术管理部总经理审核,分管副总裁审批。
3.2.2设计单位考察:研发设计中心组织设计评标委员会对设计单位进行考察,对设计单位的组织结构、设计收费标准、项目运作方式、内部审核机制、工程实例、获奖情况、主任设计师出图质量、工地服务质量等方面进行了解,填写《设计单位考察资料信息表》、《设计师(设计院)信息登记表》(简单工程设计单位情况介绍可采用书面报告形式)。
3.2.3资格审查:研发设计中心组织成本管理部对意向单位(潜在合作单位)进行资格预审,提出建议入围单位名单,经技术管理部总经理审核,分管副总裁审批确定入围单位名单不少于三家。
二次深化设计管理办法1总则1.1目的规范项目二次深化设计阶段的操作流程,加强对此阶段各环节的监控,达到确保设计质量、进度和控制成本的目的.1.2范围适用于项目一次设计中未设计或设计深度不够,不能满足招标、施工要求需进行二次深化设计的设计管理.详见《二次深化设计管理项目明细表》1.3职责1.3.1技术部1.3.1.1各专业设计师分别负责各专业的二次深化设计管理.1.3.1.2各专业设计师参与设计单位的筛选工作;1.3.1.3组织设计单位进行设计,监控其设计工作质量及进度;1.3.1.4负责组织完成重要设计节点的汇报工作;1.3.1.5配合合约部完成相关采购、招标工作;1.3.1.6配合成本合约部完成相关成本估算;1.3.1.7按《材料设备选型定板流程》进行材料选型定样;1.3.1.8负责提供相关的技术参数;1.3.1.9协助工程部进行施工现场技术配合工作,监督工程施工过程中得质量问题,以确保工程质量达到设计效果要求;1.3.1.10负责协助设计单位进行设计变更工作;1.3.2成本合约部1.3.2.1负责对二次深化设计单位进行招采.1.3.2.2负责组织技术部、工程部、设计单位和施工单位进行招标答疑会.1.3.3提供二次深化设计成本控制目标,负责对二次深化设计的成本进行控制,参与施工图图纸审查.1.3.4工程部1.3.4.1参与二次深化设计施工图图纸审查.1.3.5公司领导层1.3.5.1负责二次深化设计施工图成果审定.1.3.5.2负责深化设计单位及设计费用的审批.2工作程序2.1技术部根据需进行二次深化设计的范围和工程进度计划编制二次深化设计工作计划. 2.2成本合约部根据设计部提交的二次深化设计工作计划编制二次深化设计单位招采计划.2.3成本合约部招采确定二次深化设计单位.2.4技术部组织工程部、成本合约部等相关部门进行二次深化设计施工图评审,设计部汇总审查意见并填写《设计评审表》经总经理审批,技术部填写《设计交流信息记录表》发设计单位进行修改完善.2.5设计单位根据《设计交流信息记录表》调整、修改完成的施工图设计,技术分管领导确定是否组织相关部门进行再次评审.修改后的设计成果报技术部,技术部预审后将设计成果提交总经理审批.2.6各专业设计师根据《材料设备选型定板流程》完成材料样板封样.2.7技术部保证施工图纸的准确性和完整性,配合成本合约部施工招标工作的进行.2.8各专业设计师参加招标相关会议,回答有关技术问题,并以书面形式记录,作为招标补充文件发放,审核投标单位材料样板.2.9图纸不全需要补充的时候,设计师联系相关设计单位补充图纸,并将设计成果交成本合约部.2.10技术部参加评标相关会议.2.11设计交底前,施工负责人应按设计图进行现场核对、熟悉施工图纸,了解设计的指导思想、设计意图、图纸和质量的要求.对图纸中的疑问、错漏、与现场不符等问题,在设计交底时间前三天以书面形式提出,并在交底时做好交底纪要.2.11由技术部负责组织设计单位、工程部、成本合约部、施工单位、监理单位进行施工图交底,技术管理人员负责对交底纪要进行解答和协调,保证在正式开工前完成全部设计补充, 并填写《施工图交底记录》,参会单位共同确认交底记录,交底纪要作为以后的施工依据,与施工图具有相同的效应.2.12工程施工必须按照施工图及有关文件进行施工,各专业设计师负责跟踪监督执行,对没有《设计变更申请审批单》而未按图施工的,及时向部门经理汇报.2.13 施工单位进场后,应按要求填报《材料/设备报审计划》,各专业设计师对施工单位提供的材料小样进行审核,做好《材料/设备审批记录表》,并请相关设计单位协助选样确认.确定的样品按《材料封样作业指引》进行封样.2.14施工过程中的设计变更按《设计变更管理制度》执行.3支持性文件3.1《材料设备选型定板流程》3.2《设计变更管理制度》3.3《材料封样作业指引》4各专业二次深化设计主控内容4.1《门窗、百页、栏杆二次深化设计主控项目》4.2《供电方案二次深化设计主控内容》4.3《供水方案二次深化设计主控内容》4.4《供气方案二次深化设计主控内容》5各专业设计技术要求主控内容5.1《入户门技术要求主控内容》5.2《电梯技术要求主控内容》附件:1.《设计评审表》2.《设计交流信息记录表》3.《施工图交底记录(一)》4.《施工图交底记录(二)》5.《深化设计管理项目明细表》6.《门窗、百页、栏杆二次深化设计主控项目》7.《供电方案二次深化设计主控内容》8.《供水方案二次深化设计主控内容》9.《供气方案二次深化设计主控内容》10.《入户门技术要求主控内容》11.《电梯技术要求主控内容》设计评审表项目名称:说明:1、本表由技术部汇总相关部门评审意见后填写;2、本表适用于公司内部、外部对设计节点图纸进行评审的记录.3、本表在项目竣工后保存2年.设计交流信息记录表注:本表适用于与设计单位进行设计信息交流的记录.施工图交底记录(一)设计图纸交底记录(二)说明:1、本表由工程部汇总相关部门评审意见后填写,经相关人员会签后发施工图设计单位进行施工图修改;2、本表在项目竣工后保存2年.深化设计管理项目明细表附件10:附件11:。
新疆维吾尔自治区小学语文学科作业设计指引(试行)一、总体目标(一)坚持育人为本,培养时代新人以习近平新时代中国特色社会主义思想为指导,全面贯彻党的教育方针,落实立德树人根本任务,遵循教育规律。
引导学生坚定理想信念、加强品德修养、厚植爱国情怀、增长知识见识、发扬奋斗精神和增强综合素质,培养德智体美劳全面发展的社会主义建设者和接班人。
(二)落实减量增效,提升核心素养通过作业改革,引导学生热爱国家通用语言文字,帮助学生掌握语文基础知识和基本技能,积累语言实践活动经验,提升语言表达能力、发展思维品质、丰富审美情趣、培养学习习惯和形成文化意识,全面提升核心素养,落实“提质减负”。
(三)强化研究管理,实现个性发展发挥作业诊断、巩固、学情分析等功能,帮助教师检测教学效果、精准分析学情、改进教学方法。
坚持因材施教,尊重学生个性特长发展,构建让不同层次学生获得最大限度发展的作业设计形态。
促进学校完善教学管理,开展科学评价,推进学校特色发展。
二、具体要求(一)控制作业时长,统筹作业总量学校要确保小学一、二年级不布置语文书面家庭作业,可在校内安排适当巩固练习;小学其他年级语文书面作业完成时间平均不超过20分钟,周末、寒暑假、法定节假日也要控制书面作业时间总量。
加强与其他学科的统筹协调,确定语文周作业和日作业的占比总量,不得挤占其他学科作业完成时间。
培养学生的作业时间观念,要求利用课后服务时间,在校内基本完成书面语文作业。
(二)优化作业内容,体现教学要求严格按照《义务教育语文课程标准》、教育部统一组织编写的小学语文统编教材要求,依据学情,优化作业设计,契合时代主旋律。
语文的基础性,决定作业设计必然要以基础知识、基本能力为主,但不能只以巩固知识点为主要目的,一味布置机械重复性作业。
设计要有针对性,应突出重点、难点。
选题要有典型性、代表性,切忌面面俱到。
要针对学生的薄弱环节,科学设计提质作业。
设计中应注重整合性,注重各册教材之间的内在联系,考虑单元内部各板块的相互关联,以及与生活或其他学科的有机联系,加强单元视角下综合作业的设计与实施。
学校作业管理制度在日常生活和工作中,我们每个人都可能会接触到制度,制度是一种要求大家共同遵守的规章或准则。
那么什么样的制度才是有效的呢?以下是作者精心整理的学校作业管理制度,欢迎阅读,希望大家能够喜欢。
学校作业管理制度1为贯彻《中共中央国务院关于深化教育教学改革全面提高义务教育质量的意见》文件要求,落实教育部等九部门《关于印发中小学生减负措施的通知》、教育部办公厅《关于加强义务教育学校作业管理的通知》和20xx年全国教育工作会“双减”精神,以及及市教委相关工作要求、《XX区义务教育阶段学科作业设计与实施指导意见》,确保“五项管理”相关政策规定落实落地,提高教育教学质量,结合我校和我部实际,制定本管理方案。
一、指导思想作业是学校教育教学管理工作的重要环节,是课堂教学活动的必要补充。
要遵循教育规律、坚持因材施教,严格执行课程标准和教学计划,发挥作业育人功能。
作业关系到学生健康成长、全面发展,是深入推进立德树人的重大举措。
二、目标要求在课堂教学提质增效基础上,切实发挥好作业育人功能,通过立德树人,落实五育融合,积极培育和践行社会主义核心价值观,充分发挥作业育人价值;通过科学合理的有效作业,帮助学生巩固知识、形成能力、培养习惯,帮助教师检测教学效果、精准分析学情、改进教学方法,促进学部完善教学管理、开展科学评价、提高教育质量。
作业设计要以提升学科课程核心素养为目标,关联真实情境,设计多种类型的作业,促进学生形成适应个人终身发展与社会发展的正确价值观念、必备品格和关键能力。
三、组织领导学部成立初中部作业工作小组:组长:XXX副组长:XXXXXX组员:XXXXXXXXXXXXXXXXXXXXXXXXXXXXXXXXX各学科组长。
作业工作小组加强作业全过程管理,每学期初要对学生作业作出规划,加强年级组、学科组作业统筹协调,合理确定各学科作业比例结构,建立作业总量审核监管和质量定期评价制度。
主要工作主要做好以下工作内容:(1)建立健全作业管理制度,将作业设计纳入教学管理,实行备课组、学科组、学部备案审核制,加强作业统筹规划和组织领导;(2)明确部门和人员职责,落实工作责任;确保作业设计、实施规范有序、提质增效;(3)指导、及时检查作业设计、布置、批改、反馈等实施情况;(4)组织开展作业设计与实施的教师培训与教研活动,定期召开会议,进行交流、总结,定期组织开展优秀作业评选与展示交流活动,努力使作业设计、实施富有成效。
双减政策下学校作业的管理制度双减政策下学校作业的管理制度(精选5篇)在日常生活和工作中,很多情况下我们都会接触到制度,制度一般指要求大家共同遵守的办事规程或行动准则,也指在一定历史条件下形成的法令、礼俗等规范或一定的规格。
什么样的制度才是有效的呢?以下是小编为大家收集的双减政策下学校作业的管理制度,欢迎大家分享。
双减政策下学校作业的管理制度篇11、为加强特种作业人员的管理工作,提高特种作业人员的安全素质,防止伤亡事故,促进校园安全,根据安全生产法、生产经营单位安全培训规定、安全生产培训管理办法、特种作业人员安全技术考核办法、特种设备作业人员监督管理办法等国家法律法规和规章,制定本制度。
2、特种作业人员指直接从事特种作业的人员。
特种作业指容易发生人员伤亡事故,对操作者本人、他人及周围设施的安全有重大危险的作业。
3、特种作业人员应具备与本种作业相应的身体条件和相应的文化程度,并且经市安全生产监督管理局(特种设备作业人员经市质量技术监督局)考核合格,取得“特种作业操作资格证”,方可独立作业。
4、电工必须负责合理、规范布设校园电源供应系统,任何部门调整、改用电源必须征得电工的同意。
5、电工必须持有上岗证,无证者不得从事接电工作。
拉接电源、安装电器设备,必须严格执行操作规程。
6、电工对学校的电器设备,必须经常检查,发现损坏、老化应及时修理,自身不能解决的要及时书面报告学校领导,请求尽快解决,严防发生触电事故。
5、电工对师生发现的报修的电器、电路,应及时前往修理,如不能修复,该暂停供电的则暂停供电,不得拖延耽误,预防发生意外事故。
6、学校放假期间,电工对全校电路状况应进行一次全面性的检查,不需用电的部位统一切断电源,确保假期安全。
双减政策下学校作业的管理制度篇2一、严格控制课外作业量。
1~2年级不留家庭作业,三年级不超过30分钟,四年级不超45分钟,五六年级作业量不超过1小时。
二、禁止留午间作业。
节假日适当增加实践性、探究性作业,要控制书面作业时间总量。
(流程管理)RFSJLC项目设计管理流程项目设计管理流程编制日期审核日期批准日期流程目的明确且规范公司的设计管理流程,保障设计成果质量和进度,确保设计工作的正确方向。
二、适用范围适用于公司下属所有项目设计管理工作。
三、职责3.1地区公司设计管理部3.1.1负责组织且协调所有项目从可研至施工图阶段的设计管理,负责对各阶段设计院/设计单位进行协调和管理,对其输出的成果进行审核,按程序报送公司评审、审批;3.1.2参和施工图会审及技术交底;3.1.3负责所有项目工程施工阶段技术配合工作;3.1.4负责所有项目的设计变更管理。
3.2区域公司设计管理部(总工室)3.2.1审核、审批所有项目的设计任务书,审核所有项目的设计成果确认单;3.2.2评审特殊重点项目的概念及规划方案设计成果。
3.3开发报建部门3.3.1负责前期报批报建;3.3.2提供本专业设计前期资料;3.3.3根据需要参和设计任务书和设计成果评审。
3.4销售策划部3.4.1配合设计管理部/总工室编制《设计任务书》,参和《设计任务书》和设计成果评审,从营销角度提出专业意见。
3.5核算部3.5.1负责投资分析阶段成本测算;3.5.2负责编制从可研阶段至施工图阶段的目标成本;3.5.3参和设计成果评审。
3.6成本监控中心3.6.1参和重大项目的设计成果评审。
3.7工程部3.7.1组织施工图会审及技术交底。
3.8其他关联部门3.8.1根据设计管理部/总工室需要提供关联基础资料;3.8.2根据设计评审规范要求,参和各阶段设计成果的评审且提供建议或意见。
四、流程图五、关键活动描述5.1设计前期阶段5.1.1输入成果,设计管理部/总工室负责收集基础资料,包括但不限于:1)用地发展部/开发中心(部)提供项目土地基础资料;2)销售策划部提供市场调研数据及产品定位初步思路;3)工程部提供现场勘察资料及工程技术规划;4)核算部提供当地建安成本数据资料。
5.1.2设计管理部/总工室根据项目总控计划节点要求和用地发展部/开发中心(部)的可研工作安排编制本阶段工作计划且负责落实。
深化设计管理总流程
深化设计管理总流程涵盖多个关键环节:
1. 设计启动阶段:明确项目目标、需求分析和设计范围,制定深化设计工作计划。
2. 初步深化设计:基于批准的基础设计方案,各专业设计师进行详细设计,包括建筑、结构、机电、装饰装修等专业图纸的绘制和完善。
3. 协同审查与优化:组织跨专业的设计协调会议,解决图纸冲突与矛盾,对设计成果进行内部审查和优化,确保设计的合理性和经济性。
4. 施工图设计阶段:在初步深化设计基础上,绘制详细的施工图纸,明确材料、构造做法及施工要求,提交业主或相关部门进行审查。
5. 设计变更管理:在施工过程中,根据现场情况及客户需求,及时进行设计变更,确保变更的有效控制和合理执行。
6. 设计成果交付与确认:提交最终版深化设计图纸,并获取业
主、施工单位等各方的签字确认,保证设计成果满足工程实施的要求。
7. 后续服务与追踪:设计团队需配合施工过程,解答施工中出现的技术疑问,必要时进行现场指导,确保深化设计意图的准确贯彻。
二次深化设计管理作业指引1总则1.1目的规范项目二次深化设计阶段的操作流程,加强对此阶段各环节的监控,达到确保设计质量、进度和控制成本的目的。
1.2范围适用于项目一次设计中未设计或设计深度不够,不能满足招标、施工要求需进行二次深化设计的设计管理。
详见《深化设计管理项目明细表》1.3职责1.3.1设计部1.3.1.1各专业设计师分别负责各专业的二次深化设计管理。
1.3.1.2各专业设计师参与设计单位的筛选工作;1.3.1.3组织设计单位进行设计,监控其设计工作质量及进度;1.3.1.4负责组织完成重要设计节点的汇报工作;1.3.1.5配合合约部完成相关采购、招标工作;1.3.1.6配合成本核算部完成相关成本估算;1.3.1.7按《材料设备选型定板流程》进行材料选型定样;1.3.1.8负责提供相关的技术参数;1.3.1.9协助工程部进行施工现场技术配合工作,监督工程施工过程中得质量问题,以确保工程质量达到设计效果要求;1.3.1.10负责协助设计单位进行设计变更工作;1.3.2合约部1.3.2.1负责对二次深化设计单位进行招采。
1.3.2.2负责组织设计部、工程部、成本核算部、设计单位和施工单位进行招标答疑会。
1.3.3成本核算部1.3.3.1提供二次深化设计成本控制目标,负责对二次深化设计的成本进行控制。
1.3.3.2参与施工图图纸审查。
1.3.4工程部1.3.4.1参与二次深化设计施工图图纸审查。
1.3.5公司领导层1.3.5.1负责二次深化设计施工图成果审定。
1.3.5.2负责深化设计单位及设计费用的审批。
2工作程序2.1设计部根据需进行二次深化设计的范围和工程进度计划编制二次深化设计工作计划。
2.2合约部根据设计部提交的二次深化设计工作计划编制二次深化设计单位招采计划。
2.3合约部招采确定二次深化设计单位。
2.4设计部组织工程部、成本核算部等相关部门进行二次深化设计施工图评审,设计部汇总审查意见并填写《设计评审表》经总经理审批,设计部填写《设计交流信息记录表》发设计单位进行修改完善。
2.5设计单位根据《设计交流信息记录表》调整、修改完的施工图设计,设计分管领导确定是否组织相关部门进行再次评审。
修改后的设计成果报设计部,设计部预审后将设计成果提交总经理审批。
2.6各专业设计师根据《材料设备选型定板流程》完成材料样板封样。
2.7设计部保证施工图纸的准确性和完整性,配合合约部施工招标工作的进行。
2.8各专业设计师参加招标相关会议,回答有关技术问题,并以书面形式记录,作为招标补充文件发放,审核投标单位材料样板。
2.9图纸不全需要补充的时候,设计师联系相关设计单位补充图纸,并将设计成果交合约部。
2.10设计部参加评标相关会议。
2.11设计交底前,施工负责人应按设计图进行现场核对、熟悉施工图纸,了解设计的指导思想、设计意图、图纸和质量的要求。
对图纸中的疑问、错漏、与现场不符等问题,在设计交底时间前三天以书面形式提出,并在交底时做好交底纪要。
2.11由设计部负责组织设计单位、工程部、成本核算部、施工单位、监理单位进行施工图交底,技术管理人员负责对交底纪要进行解答和协调,保证在正式开工前完成全部设计补充,并填写《施工图交底记录》,参会单位共同确认交底记录,交底纪要作为以后的施工依据,与施工图具有相同的效应。
2.12工程施工必须按照施工图及有关文件进行施工,各专业设计师负责跟踪监督执行,对没有《设计变更单》而未按图施工的,及时向部门经理汇报。
2.13 施工单位进场后,应按要求填报《材料/设备报审计划》,各专业设计师对施工单位提供的材料小样进行审核,做好《材料/设备审批记录表》,并请相关设计单位协助选样确认。
确定的样品按《材料封样作业指引》进行封样。
2.14施工过程中的设计变更按《设计变更管理作业指引》执行。
2.15各专业设计师组织设计单位统计汇总设计图纸质量和设计变更数量,对施工完成后的效果和施工工艺以及质量进行全面的评价总结并形成书面报告。
3支持性文件3.1《材料设备选型定板流程》3.2《设计变更管理作业指引》3.3《材料封样作业指引》4各专业二次深化设计主控内容4.1《门窗、百页、栏杆二次深化设计主控项目》4.2《供电方案二次深化设计主控内容》4.3《供水方案二次深化设计主控内容》4.4《供气方案二次深化设计主控内容》5各专业设计技术要求主控内容5.1《入户门技术要求主控内容》5.2《电梯技术要求主控内容》附件:1.《设计评审表》2.《设计交流信息记录表》3.《施工图交底记录(一)》4.《施工图交底记录(二)》5.《深化设计管理项目明细表》6.《门窗、百页、栏杆二次深化设计主控项目》7.《供电方案二次深化设计主控内容》8.《供水方案二次深化设计主控内容》9.《供气方案二次深化设计主控内容》10.《入户门技术要求主控内容》11.《电梯技术要求主控内容》设计评审表项目名称:专业阶段□二次深化设计设计单位名称参加评审人员评审意见序号内容实施方式完成时间责任人123记录人:时间:设计部经理审核意见:设计部分管副总审核意见:总经理审批意见:说明:1、本表由设计部汇总相关部门评审意见后填写;2、本表适用于公司内部、外部对设计节点图纸进行评审的记录。
3、本表在项目竣工后保存2年。
设计交流信息记录表项目名称:记录编号:专业阶段□二次深化设计设计单位名称地点时间参加人员设计信息交流内容序号内容要求完成时间1234记录人:审批人:时间:验证1 2 3 4记录人:时间:注:本表适用于与设计单位进行设计信息交流的记录。
施工图交底记录(一)工程名称建设单位施工单位监理单位设计单位建筑面积工程造价万元m2结构类型/层数交底地点承包范围交底时间图纸编号单位名称参加人姓名(签字)参加会审设计图纸交底记录(二)序号审图意见交底意见设计人员签名:(盖章)年月日记录人:说明:1、本表由工程部汇总相关部门评审意见后填写,经相关人员会签后发施工图设计单位进行施工图修改;2、本表在项目竣工后保存2年。
深化设计管理项目明细表类型材料部品名称门窗、百页、栏杆铝合金门窗及门窗五金铝合金百页铝合金玻璃栏杆景观工程景观水处理运动场地照明公共服务设施标识系统、导视系统信报箱垃圾桶井盖雕塑小品室外座椅健身娱乐健身设施儿童娱乐场运动娱乐场地运动设施建筑设备建筑附属设备电梯工程空调设计生化池机械停车设备智能化系统楼宇对讲系统,室内报警系统光纤入户系统停车管理系统电视监视系统周界围栏系统电子巡更系统小区入口人行翼闸系统背景音乐系统远程抄表系统水、电、气、通讯供水供电供气通讯门窗、百页、栏杆二次深化设计主控内容序号主控内容1 安装位置、材质要求、外观样式、颜色2 门窗开启方式、开启方向3 门窗是否满足节能设计要求4 须考虑建筑外立面的整体效果5 门窗开启扇尽量统一尺寸,利于加工6 门窗开启扇位置近空调室外机位,方便空调安装7 门窗平面图标明开启扇位置,不同位置开启扇门窗分别编号8 门窗设计性能指标: 抗风压性能、气密性能、水密性能、保温性能9 门窗主要材料选择:型材、玻璃、五金件、胶、密封胶条、发泡胶、连接件10 空调机位处百页是否考虑开启11 执行标准:国家标准、地方标准供电方案二次深化设计主控内容序号主控内容1 电源点的距离2 是否建开闭所3 供电负荷4 变压器5 电表(一户一表)6 高压、低压柜7 电缆(高压、低压)8 计量柜9 电容器自动补偿屏10 双电源切换柜11 故障测试仪12 设备标志牌13 运行模拟图版14 安全设施15 总表16 勘察设计费17 监理费18 继电保护及校验19 并网接电费20 负控装置费21 一户一表费22 分支箱建设占用费23 开闭所间隔占用费24 预存电费25 配电房供水方案二次深化设计主控内容序号主控内容1 节水点及距离2 供水管径大小345678910111213141516171819202122232425供气方案二次深化设计主控内容序号主控内容1 供气节点及距离2 供气主管管径大小345678910111213141516171819202122232425附件10:入户门技术要求主控内容序号主控内容1 安装位置、材质要求、外观样式、颜色2 开启方式、开启方向3 防盗等级要求、防火等级要求4 传热系数要求、隔音性能要求、耐腐蚀性要求5 门扇要求:材质、厚度、表面处理方式、骨架要求、填充材料要求6 门框要求:材质、厚度、表面处理方式7 铰链要求8 配置要求:猫眼、门钤、门锁9 安装要求10 执行标准:国家标准、地方标准附件11:电梯技术要求主控内容序号主控内容1 数量、位置2 额定载重(Kg)3 额定速度(m/s)4 层/站/门5 电梯井尺寸6 楼层高度7 轿厢装饰、轿门装饰、门踏板材料8 开门方式、建筑门洞尺寸9 门套型式及装饰10 电源11 功能要求12 消防要求。