用电流表电压表测电阻
- 格式:ppt
- 大小:3.61 MB
- 文档页数:15
2021年中考物理二轮复习强基训练1-电阻测量实验1、用电流表和电压表测电阻[实验器材]电压恒为3 V的电源、电压表、电流表、标有“20Ω 2 A”字样的滑动变阻器,待测电阻R x、开关、导线若干[实验原理] .[实验步骤](1)小明按如图甲所示的电路图连接电路;(2)闭合开关,发现电流表示数如图乙所示,则下一步的实验操作是:先,然后 .(3)小明测出待测电阻的阻值后,向老师汇报,老师指出他实验设计中存在着不足,其不足是 .(4)改进后,小明继续实验并将数据记录在表中,分析数据可知待测电阻的阻值为Ω;还可以初步得出:电阻一定时,通过导体的电流与导体两端的电压成 .(5)实验过程中,若小明将滑片P移到了如图丙所示位置,闭合开关,此时电流表的示数为 .2、如图所示,甲是用“伏安法”测量未知电阻R X 的实物电路图。
(1)请用笔画线代替导线,将图甲中的实物电路连接完整。
(2)闭合开关前,应将滑动变阻器的滑片移到处;闭合开关,发现电流表几乎无示数,电压表指针明显偏转,则出现的故障可能是R X。
(3)排除故障后,闭合开关,当滑片移动到某位置时,电压表示数为2.4V ,电流表示数如图乙所示,其读数为A,则未知电阻R X= _Ω。
(4)若实验中电压表损坏,利用其它的原有器材也能测出未知电阻R x 的阻值。
实验电路如图丙所示(滑动变阻器最大阻值为R0,电源电压未知且不变),请将下列相关实验步骤补充完整:①闭合开关 S,将滑动变阻器的滑片 P 移到a 端,记录电流表示数为I1;②闭合开关S,将滑动变阻器的滑片P移到,记录电流表示数I2;③写出待测电阻的表达式,R x=(用已知量和测量量符号表示)3、小芳利用图甲所示的电路测量未知电阻R x的阻值,阻值大约为5 Ω.(1)请你根据电路图,用笔画线代替导线,在图乙中完成实验电路的连接.(2)闭合开关前,应将滑动变阻器的滑片置于____(填“A”或“B”)端.(3)闭合开关,发现电压表和电流表均无示数.小芳利用另一只完好的电压表进行检测,把电压表分别接在a、b和b、c之间,电压表均有示数;接在a、c之间,电压表无示数.如果电路连接完好,只有一个元件有故障,该故障是____.(4)排除故障后,调节滑动变阻器,记录多组数据.画出了待测电阻R x的I-U图像,如图丙所示.由图像可得R x=____Ω.(5)小芳又设计了一种方案,也测出了R x的阻值.电路如图丁所示,R0为阻值已知的定值电阻,电源电压未知且恒定不变.测量步骤如下:①当开关____时,电流表读数为I1;②当开关S1、S2都闭合时,电流表读数为I2;③待测电阻R x=__.(用已知和测出的物理量符号表示)4、在测量小灯泡正常发光时的电阻的实验中,选用的电源电压为4.5V,小灯泡的额定电压为2.5 V,图6甲是未连接完整的实验电路。
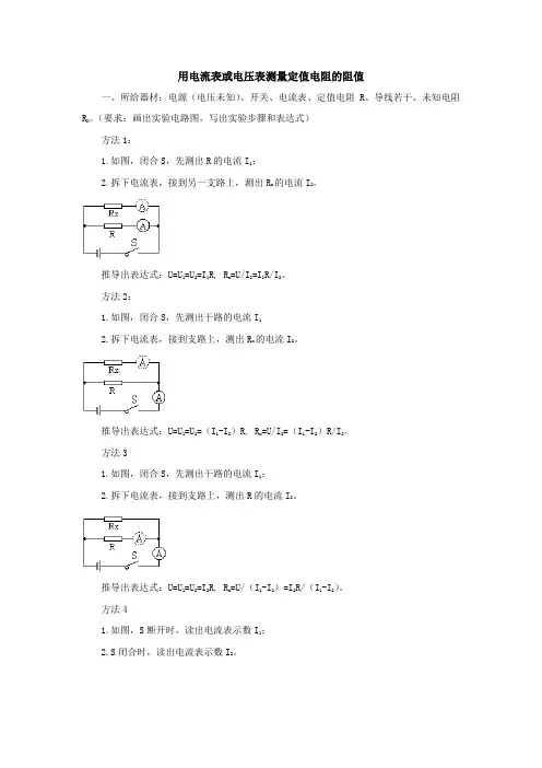
用电流表或电压表测量定值电阻的阻值一、所给器材:电源(电压未知)、开关、电流表、定值电阻R、导线若干、未知电阻R X。
(要求:画出实验电路图,写出实验步骤和表达式)方法1:1.如图,闭合S,先测出R的电流I1;2.拆下电流表,接到另一支路上,测出R x的电流I2。
推导出表达式:U=U1=U2=I1R, R x=U/I2=I1R/I2。
方法2:1.如图,闭合S,先测出干路的电流I12.拆下电流表,接到支路上,测出R x的电流I2。
推导出表达式:U=U1=U2=(I1-I2)R, R x=U/I2=(I1-I2)R/I2。
方法31.如图,闭合S,先测出干路的电流I1;2.拆下电流表,接到支路上,测出R的电流I2。
推导出表达式:U=U1=U2=I2R, R x=U/(I1-I2)=I2R/(I1-I2)。
方法41.如图,S断开时,读出电流表示数I1;2.S闭合时,读出电流表示数I2。
推导出表达式:U=U1=U2=(I2-I1)R, R x=U/I1=(I2-I1)R/I1。
方法51.如图,S断开时,读出电流表示数I1;2.S闭合时,读出电流表示数I2。
推导出表达式:U=U1=U2=I1R, R x=U/(I2-I1)=I1R/(I2-I1)。
方法61.如图,S断开时,读出电流表示数I1;2.S闭合时,读出电流表示数I2。
推导出表达式:S断开时U=I1(R x+R),S闭合时U=I2R x,所以,I1(R x+R)=I2R x,解得R x= I1R/(I2-I1)。
方法71.如图,S断开时,读出电流表示数I1;2.S闭合时,读出电流表示数I2。
推导出表达式:S断开时U=I1(R x+R),S闭合时U=I2R,所以,I1(R x+R)=I2R,解得R x= (I2-I1)R/I1。
方法81.如图,S接a时,读出电流表示数I1;2.S接b时,读出电流表示数I2。
推导出表达式:U=U1=U2=I2R,R x=U/I1=I2R/I1。
电流表和电压表 电阻的测量【基础知识梳理】 【电压表和电流表】1.电流表原理:电流表G 是根据通电线圈在磁场中受磁力矩作用发生偏转的原理制成的,且指什偏角θ与电流强度I 成正比,即θ = kI ,故表的刻度是均匀的。
2.电流表的主要参数表头内阻R g :即电流表线圈的电阻;满偏电流I g :即电流表允许通过的最大电流值,此时指针达到满偏;满偏电压U g :即指针满偏时,加在表头两端的电压,故U g =I g R g 3.电流表改装成电压表:〖方法〗 _____联一个______电阻R ,如图所示,若量程扩大n 倍(n = U /U g ),则根据分压原理,需____联的电阻值R = ______= (_________)R g ,故量程扩大的倍数越高,串联的电阻值越大。
4.电流计扩大量程:〖方法〗:______联一个_______电阻R ,如图所示,若量程扩大n倍(n =I /I g ),则根据分流原理,需要_____联的电阻值R = ______= (_________)R g ,故量程扩大的倍数越高,并联的电阻值越小。
5.例题〖例1〗一毫安表头 满偏电流为9.90 mA ,内阻约为300 Ω.要求将此毫安表头改装成量程为1 A 的电流表,其电路原理如图所示.图中A 是量程为2 A 的标准电流表,R 0为电阻箱,R 为滑动变阻器,S 为开关,E 为电源. ⑴ 完善下列实验步骤:① 将虚线框内的实物图按电路原理图连线;② 将滑动变阻器的滑动头调至 端(填“a ”或“b ”),电阻箱R 0的阻值调至零; ③ 合上开关;④ 调节滑动变阻器的滑动头,增大回路中的电流,使标准电流表读数为1 A ;⑤ 调节电阻箱R 0的阻值,使毫安表指针接近满偏,此时标准电流表的读数会 (填“增大”、“减小”或“不变”);⑥ 多次重复步骤④⑤,直至标准电流表的读数为 ,同时毫安表指针满偏. ⑵ 回答下列问题:① 在完成全部实验步骤后,电阻箱使用阻值的读数为3.1 Ω,由此可知毫安表头的内阻为__________Ω.② 用改装成的电流表测量某一电路中的电流,电流表指针半偏,此时流过电阻箱的电流为_________A .③ 对于按照以上步骤改装后的电流表,写出一个可能影响它的准确程度的因素: 。
电压表与电流表内电阻的测量作者:韦屏山来源:《中学教学参考·理科版》2012年第05期在高考物理实验考查中,电阻的测量是重点考查内容,也是热点考查内容。
而电流表、电压表内阻的测量,是电阻测量在特殊情况下的应用,也是常考的内容。
电压表、电流表内阻的测量与一般电阻的测量不同,自有它的特殊性及规律性,它们不仅是被测量的对象,同时又是测量工具。
在测量条件变化时,测量电路也可有较多的变化,可以较灵活地考查考生对电路的理解和设计电路的能力,值得我们下大力气去研究。
一、电压表内阻的测量【例1】电压表量程为,内阻~3.,现要求测其内电阻,实验室提供下列器材:待测电压表;电流表量程,内阻;电流表量程,内阻;电流表,(量程,内阻;滑动变阻器R(最大阻值,电源E(电动势,开关、导线。
(1)所提供的电流表中,应该选用 (填字母代号);(2)为了尽量减少误差,要求测量多组数据,画出符合要求的电路图。
图1分析:电流表应选,因为它与表的满偏电流最接近;测量电路如图1,若电压表、电流表的读数分别为U、I,则电压表内阻。
图1中,表也可用一个与待测电压表满偏电流差不多的内阻已知的电压表(如量程,内阻)代替,不过此时电源的电动势也要相应的调大些,以保证电表指针的偏角较大。
因为指针的偏角越小,测量的系统误差越大。
例1中,若电流表只有,同时还有两个定值电阻,如何测图2显然的量程太小。
表满偏时,表指针的偏角约为满偏的1/10,测量的系统误差较大。
可选与并联,以“放大的量程,使、表可几乎同时达到满偏。
局部电路如图2所示。
若测量时、表读数分别为U、I,表内阻为,通过的电流为,则:。
例1中,若电流表只提供了,同时提供上述两个电阻,如何测图3此时量程太大,当表满偏时,指针偏角太小;可选与表并联,让分流,以控制通过表的电流,使、表可几乎同时达到满偏,局部电路如图3所示。
若测量时、3表的读数分别为U、I,通过表的电流为,则有:--U。
可见,在电流表量程不合适时,测量电路也要作相应的改变,以保证两表几乎同时达到满偏。
十种测电阻方法归纳(一)伏安法测电阻伏安法测电阻是初中物理中一个重要的实验,本实验可以利用电压表和电流表分别测出未知电阻Rx的电压、电流,再用欧姆定律的变形公式求出Rx的阻值。
由于电压表也叫伏特表,电流表也叫安培表,所以这种用电压表、电流表测电阻的方法叫“伏安法"。
1.原理:由欧姆定律推出2.电路图:(见图1)3.器材:小灯泡(2.5V)、电流表、电压表、开关、电池阻(3V)、定值电阻(10Ω)、滑动变阻器、导线。
4.注意点:ⅰ连接电路时,开关应断开,滑动变阻器应调到最大阻值处.ⅱ滑动变阻器的作用:(1)保护电路;(2)改变小灯泡两端的电压和通过的电流。
ⅲ本实验中多次测量的目的是:测出小灯泡在不同情况(亮度)下的电阻。
5.实验步骤:(1)根据电路图把实验器材摆好。
(2)按电路图连接电路。
(在连接电路中应注意的事项:①在连接电路时,开关应断开。
②注意电压表和电流表量程的选择,“+”、“-”接线柱。
③滑动变阻器采用“一上一下”接法,闭合开关前,滑片应位于阻值最大处.)(3)检查无误后,闭合开关,移动滑动变阻器的滑片(注意事项:移动要慢),分别使灯泡暗红(灯泡两端电压1V)、微弱发光(灯泡两端电压1。
5V)、正常发光(灯泡两端电压2.5V),测出对应的电压值和电流值,填入下面的表格中。
实验次数灯泡亮度电压U/V 电流I/A 电阻R/Ω1 灯丝暗红 12 微弱发光1。
53 正常发光2。
5同时,在实验过程中,用手感受灯泡在不同亮度下的温度.随着灯泡亮度的增加,灯泡的温度升高。
(4)算出灯丝在不同亮度时的电阻。
6.分析与论证:展示的几组实验表格,对实验数据进行分析发现:灯泡的电阻不是定值,是变化的。
是什么原因使灯丝的电阻发生变化的呢?是电压与电流吗?难点突破:(我们对比一个实验如图2:用电压表、电流表测定值电阻的阻值R)发现:R是定值,不随电压、电流的变化而变化。
通过论证,表明灯丝的电阻发生改变的原因不在于电压与电流,那是什么原因造成的呢?我们在前面学过,影响电阻大小的因素有哪些?(材料、长度、横截面积和温度.) 那是什么因素影响了灯丝的电阻呢?(是温度.)温度越高,灯丝电阻越大。
第3节电阻的测量一、伏安法测电阻1、定义:用电压表和电流表分别测出电路中某一导体两端的电压和通过的电流就可以根据欧姆定律算出这个导体的电阻,这种用电压表电流表测电阻的方法叫伏安法。
U2、原理:R=I3、电路图:4、步骤:[1]、根据电路图连接电路。
连接电路时,有以下注意事项:(1)连接电路时,开关应断开;(2)滑动变阻器和两表连接时的注意事项[2]、检查电路无误后,闭合开关S ,三次改变滑动变阻器的阻值,分别读出电流表、电压表的示数,填入表格。
实验次数电压U/V 电流I/A 电阻R/Ω1U 1I 1R 12U 2I 2R 23U 3I 3R 3[3]、算出三次R 的值,最后求出三次R 的平均值【即为待测电阻的阻值】。
1233R R R R ++=备注:本实验中多次测量、求平均值的目的:减小误差。
二、讨论1、本实验中,滑动变阻器的作用:改变被测电阻两端的电压(分压),同时又保护电路(限流)。
2、测量结果偏小是因为:有部分电流通过电压表,电流表的示数大于实际通过Rx 电流。
根据IUR x =电阻偏小。
3、如图是两电阻的伏安曲线,则R 1>R 2。
三、测量小灯泡的电阻1.实验过程:(1)实验原理:R=U/I。
(2)实验器材:电源、开关、电流表、电压表、滑动变阻器、待测灯泡(2.5V)、导线若干。
(3)实验电路图:(4)实验步骤:①根据电路图连接实物电路;②将滑动变阻器的滑片P调到阻值最大处,检查电路,试触无误后,闭合开关;③调节滑动变阻器的滑片P,使阻值变小,观察电压表示数,使示数为小灯泡的标定电压值(2.5V)再读出电流表示数,观察灯泡亮度,记录表格;④调节滑动变阻器滑片P,使阻值变大,使用电压表示数为某一值(1V),观察电流表示数,灯泡的亮度,并记录入表格;⑤调节滑动变阻器滑片P,使阻值继续变大,使电压表示数为某一值(0.5V),观察电流表,灯泡的亮度记录入表格;⑥计算电阻值,填入表中;次数电压U/V电流I/A灯泡亮度电阻R/Ω1 2.52130.5⑦分析表格,总结规律。
电学实验电流表和电压表、伏安法测电阻要点一电流表与电压表的改装和使用即学即用1.如图甲是学生实验用的有两个量程的电流表刻度盘,当用“+”和“-0.6”两接线柱时,能测量的最大电流是 A,对应刻度盘上每一小格代表A,图中表针示数为A;当使用电流表的“+”和“-3”两接线柱时,对应刻度盘上每一小格代表A,图中表针示数为A.图乙为学生实验用的两个量程的电压表刻度盘,当使用较小量程时,测量电压最大值不得超过V,每小格表示 V,图中指针示数 V;若使用的是较大量程时,则表盘刻度每小格表示V,图中指针示数 V.答案对图甲:0.6 0.02 0.34 0.1 1.70 对图乙:3.0 0.1 2.20 0.5 11.0要点二伏安法测电阻即学即用2.用伏安法测金属电阻R x(约为5Ω)的值,已知电流表内阻为1Ω,量程为0.6 A,电压表内阻为几千欧,量程为3 V,电源电动势为9 V,滑动变阻器的阻值为0~6Ω,额定电流为5 A,试画出测量R x的原理图.答案见右图题型1 测量电路的选择问题【例1】用伏安法测电阻,可采用图所示的甲、乙两种接法.如所用电压表内阻为5 000Ω,电流表内阻为0.5Ω.(1)当测量100Ω左右的电阻时,宜采用电路.(2)现采用乙电路测量某电阻的阻值时,两电表的读数分别为10 V、0.5 A,则此电阻的测量值为Ω,真实值为Ω.答案(1)甲(2)20 20.08题型2 滑动变阻器接法的选择【例2】用伏安法测量一个定值电阻阻值的实验,备有器材规格如下:①待测电阻R x(约100Ω)②直流毫安表(量程0~10 mA,内阻50Ω)③直流电压表(量程0~3 V,内阻5 kΩ)④直流电源(输出电压4 V,允许最大电流1 A)⑤滑动变阻器(阻值范围0~15Ω,允许最大电流1 A)⑥电键1个,导线若干根据器材的规格和实验要求,画出正确的电路图.答案见下图题型3 电表改装问题【例3】如果两个电流表的满偏电流均为I g=3 mA,内阻R g=100Ω,欲将其改装成量程分别为3 V和15 V 的电压表,则:(1)分别串联的电阻R1和R2为多大?(2)将改装后的电压表串联后测电路中电阻的电压时,指针的偏角θ1和θ2有何关系,示数U1和U2有何关系?答案(1)900Ω 4 900Ω(2)θ1=θ 2 U1∶U2=1∶51.(2009·扬州模拟)用两个相同的小量程电流表,分别改装成了两个量程不同的大量程电流表A1、A2,若把A1、A2分别采用串联或并联的方式接入电路,如图所示,则闭合开关后,下列有关电表的示数和电表指针偏转角度的说法正确的是()A.图(a)中的A1、A2的示数相同B.图(a)中的A1、A2的指针偏角相同C.图(b)中的A1、A2的示数和偏角都不同D.图(b)中的A1、A2的指针偏角相同答案B2.某同学用伏安法测一个未知电阻,他先将电压表接a点,读得两表示数分别为U1=3.0 V,I1=3.0 mA,然后将电压表改接在b点,读得两表示数分别为U2=2.9 V,I2=4.0 mA,如图所示.由此可知电压表应接到点误差较小,测得R x的值应为Ω.答案 a 1 0003.测一个阻值约为25 kΩ的电阻,备有下列器材:A.电流表(量程100μA,内阻2 kΩ)B.电流表(量程500μA,内阻300Ω)C.电压表(量程10 V,内阻100 kΩ)D.电压表(量程50 V,内阻500 kΩ)E.直流稳压电源(电动势15 V,允许最大电流1 A)F.滑动变阻器(最大电阻1 kΩ,额定功率1 W)G.电键、导线若干(1)电流表应选 ,电压表应选 .(2)画出测量R x的原理图.答案(1) B C(2)电流表内接,分压式如右图所示4.欲用伏安法测定一段阻值约为5Ω左右的金属导线的电阻,要求测量结果尽量准确,现备有以下器材:A.电池组(3 V,内阻1Ω)B.电流表(0~3 A,内阻0.012 5Ω)C.电流表(0~0.6 A,内阻0.125Ω)D.电压表(0~3 V,内阻3 kΩ)E.电压表(0~15 V,内阻15 kΩ)F.滑动变阻器(0~20Ω,额定电流1 A)G.滑动变阻器(0~2 000Ω,额定电流0.3 A)H.开关、导线(1)上述器材中应选用的是 .(填写各器材的字母代号)(2)实验电路应采用电流表接法.(填“内”或“外”)(3)设实验中,电流表、电压表的某组示数如下图所示,图示中I= A,U= V.(4)为使通过待测金属导线的电流能在0~0.5 A 范围内改变,请按要求画出测量待测金属导线的电阻R x 的原理电路图,然后根据你设计的原理电路将下图中给定的器材连成实验电路.答案 (1)A 、C 、D 、F 、H (2)外 (3)0.482.20(4)见右图第6课时 电学设计性实验要点一 测量电阻的特殊方法即学即用1.测电流表和电压表的内阻,如果有可以作为标准的已知电阻的电表,都可以使用比例法.请分别画出你设计的用比例法测它们内阻的电路图,并说明需要测量的物理量,写出用测量量表示电表内阻的公式. 答案 电压表可显示电阻两端的电压值,电流表可显示电阻中通过的电流,所以测电流表内阻应把两电流表并联,测电压表内阻应把两电压表串联,电路图分别如下图甲、乙所示.测电流表内阻时,应调节滑动变阻器R 1,使两电流表的指针都有较大偏转,记录下两电流表的示数I 1和I 2,根据并联电路分流原理,若已知电流表A 1的内阻为r 1,则电流表A 2的内阻r 2=121r I I . 测电压表内阻时,应调节滑动变阻器R 2,使两电压表的指针都有较大偏转,记录下两电压表的示数U 1和U 2,根据串联电路分压原理,若已知电压表V 1的内阻r 1,则电压表V 2的内阻r 2=12U U r 1. 要点二 设计性电学实验即学即用2.现有一阻值R =10.0Ω的定值电阻、一个开关、若干根导线和一个电压表,该电压表表盘上有刻度但无刻度值,要求设计一个能测定某电源内阻的实验方案(已知电压表内阻很大,电压表量程大于电源电动势,电源内阻约为几欧).要求: (1)画出实验电路图.(2)简要写出完成接线后的实验步骤.(3)写出用测得的量计算电源内阻的表达式r = .答案 (1)电路图如右图所示 (2)实验步骤为:①断开开关,记下电压表偏转格数N 1 ②合上开关,记下电压表偏转格数N 2 ③利用公式r R N N N 221-计算电源内阻,式中R =10.0Ω. (3)R N N N 221-题型1 仪表的选择【例1】实验室中现有器材如右图所示有:电池E ,电动势约10 V , 内阻约1Ω;电流表A 1,量程约10 A ,内阻r 1约为0.2Ω;电流 表A 2,量程300 mA ,内阻r 2约5Ω;电流表A 3,量程250 mA ,内 阻r 3约5Ω;电阻箱R 1;最大阻值999.9Ω,最小阻值改变量为0.1Ω;滑动变阻器R 2,最大值100Ω;开关S ;导线若干.要求用下图所示的电路测量图中电流表A 的内阻.(1)在所给的三个电流表中,哪几个可以用此电路精确测出其内阻? (2)在可测的电流表中任选一个作为测量对象,在实物图上连成测量电路.(3)你要读出的物理量是 .用这些物理量表示待测内阻的计算公式是 . 答案 该题要求根据电路图设想出实验原理.属于有一定提示的设计型实验.与我们学过的伏安法测电阻相比较,这里被测电阻是电流表的内阻,它能显示出通过自身的电流,因此只要知道其上的电压就行,但没有电压表,却有另一只电流表.根据电路图可以看出,图中表A 是被测表,则其上电压就是电阻箱上电压,利用两只电流表的读数差和电阻箱上显示的阻值可以求出该电压,这样就可以求出电流表的内阻. (1)电流表A 1不能精确测出其内阻,因这时图中的电流表A ′应为A 2、A 3中的一只,这使得电流表A 1中的电流不能超过300 mA ,其指针的偏转极其微小,误差很大.而A 2、A 3可用此电路精确测出其内阻. (2)若测r 3,实物连线如下图所示.(3)根据前面的分析,要读出的物理量是A 、A ′两电流表的示数I 、I ′和电阻箱的阻值R 1,待测内阻的计算公式是r 待=1R III -'. 题型2 实物连线题【例2】为了测定电流表A 1的内阻,采用如图所示的电路.其中:A 1是待测电流表,量程为300μA ,内阻约为100Ω; A 2是标准电流表,量程是200μA ;R 1是电阻箱,阻值范围是0~999.9Ω; R 2是滑动变阻器; R 3是保护电阻;E 是电池组,电动势为4 V ,内阻不计; S 1是单刀单掷开关,S 2是单刀双掷开关.(1)根据电路上图所示,请在下图中画出连线,将器材连接成实验电路.(2)连接好电路,将开关S 2扳到接点a 处,接通开关S 1;调整滑动变阻器R 2,使电流表A 2的读数是150μA ;然后将开关S 2扳到接点b 处,保持R 2不变,调整变阻箱R 1,使电流表A 2的读数仍是150μA .若此时电阻箱各旋钮的位置如下图所示,电阻箱R 1的阻值是 Ω,则待测电流表A 1的内阻R g =Ω.(3)上述实验中,无论怎样调整滑动变阻器R 2的滑动位置,都要保证两只电流表的安全.在下面提供的四个电阻中,保护电阻R 3应选用( )A .200 k ΩB .20 k ΩC .15 k ΩD .150 k Ω(4)下面提供最大阻值不同的四个滑动变阻器供选用.既要满足上述实验要求,又要调整方便,滑动变阻器(填写阻值相应的字母)是最佳选择.A.1 kΩB.5 kΩC.10 kΩD.25 kΩ答案(1)见下图(2)86.3 86.3 (3)B (4)C题型3 数据处理问题【例3】要描绘某电学元件(最大电流不超过6 mA,最大电压不超过7 V)的伏安特性曲线,设计电路如图所示.图中定值电阻R为1 kΩ,用于限流;电流表量程为10 mA,内阻约为5Ω;电压表(未画出)量程为10 V,内阻约为10 kΩ;电源电动势E为12 V,内阻不计.(1)实验时有两个滑动变阻器可供选择:a.阻值0~200Ω,额定电流0.3 Ab.阻值0~20Ω,额定电流0.5 A本实验应选用的滑动变阻器是(填“a”或“b”).(2)正确接线后,测得数据如下表:①根据以上数据,电压表是并联在M与之间的(填“O”或“P”).②根据以上数据,在下图中画出该元件的伏安特性曲线.(3)在下图上画出待测元件两端电压U MO随MN间电压U MN变化的示意图为(无需数值).答案(1)a(2)①P ②见下图(3)见右图1.某同学使用了如下器材:电源E(电动势12 V);电压表V(量程为15 V,内阻约15 kΩ);电流表A(量程100 mA,内阻约10Ω);滑动变阻器(最大电阻为50Ω);单刀单掷开关;导线若干.测出了一个小灯泡的伏安特性曲线如图所示,已知小灯泡的额定电压为12 V.(1)请在下面的虚线方框中画出此实验电路.(2)根据设计的电路图在下图中连接实物图.(3)由小灯泡的伏安特性曲线可知小灯泡的额定功率为P额= W,小灯泡电阻的变化特性为 .答案(1)、(2)如下图所示(3)1.15(1.14~1.16)灯泡电阻随电压升高而增大(或随温度升高而增大;或电压越高时电阻增大越快).2.(2009·大同质检)现有一特殊电池,它的电动势E约为9 V,内阻r约为40Ω,已知该电池允许输出的最大电流为50 mA.为了测定这个电池的电动势和内阻,某同学利用如右图所示的电路进行实验,图中电流表的内阻R A已经测出,阻值为5Ω,R为电阻箱,阻值范围0~999.9Ω,R0为定值电阻,对电路起保护作用.(1)实验室备用的定值电阻R0有以下几种规格.A.10 ΩB.50ΩC.150 ΩD.500 Ω本实验选用哪一种规格的定值电阻最好 .(2)该同学接入符合要求的R0后,闭合开关K,调整电阻箱的阻值,读取电流表的示数,记录多组数据,作出了如下图所示的图线,则根据该同学作出的图线可求得该电池的电动势E= V,内阻r= Ω.答案(1)C (2)10 453.某实验小组在实验室中测定一节干电池的电动势和内阻,他们观察实验桌上备用的器材编号如下:A.干电池(电动势E约为1.5 V,内电阻r约为1.0Ω)B.电流表G(满偏电流3.0 mA,内阻R g=10Ω)C.电流表A(量程0~0.6 A,内阻约为0.5Ω)D.滑动变阻器R(0~20Ω,10 A)E.滑动变阻器R′(0~100Ω,1A)F.定值电阻R2=990ΩG.开关S和导线若干(1)为了能准确地进行测量,同时为了操作方便,实验中应选用的滑动变阻器是 .(填写器材编号)(2)请在虚线框内画出他们采用的实验原理图.(标注所选择的器材的符号)(3)该小组根据实验设计的原理图测得的数据如下表,为了采用图象法分析处理数据,请你在下图所示的坐标纸上选择合理的标度,做出相应的图线.(4)根据图线求出电源的电动势E= (保留三位有效数字),电源的内阻r=(保留两位有效数字).答案(1)D(2)如右图所示(3)如右图所示(4)1.47(1.46~1.48)0.82(0.80~0.90)1.在“描绘小灯泡的伏安特性曲线”实验中,使用的小灯泡标有“6 V,3 W”,其他可供选择的器材有:电压表V1(量程6 V,内阻20 kΩ);电压表V2(量程20 V,内阻60 kΩ);电流表A1(量程3 A,内阻0.2Ω);电流表A2(量程0.6 A,内阻1Ω);滑动变阻器R1(0~1 000Ω,0.5 A);滑动变阻器R2(0~20Ω,2 A);学生电源E(6~8 V);开关S及导线若干.实验中要求电压表在0~6 V范围内读取并记录下11组不同的电压值U和对应的电流值I,见下表.(1)在下面方框中画出实验所用的电路图,并注明所选器材的符号.(2)在图中,画出伏安特性曲线.如果将本题中的小灯泡接在电动势E=1.5 V,内阻r=2.0Ω的电池的两端,则小灯泡的实际功率是多少?(3)该实验画出的伏安特性曲线在电压较高段和电压较低段相比,哪段的系统误差较大?为什么?答案(1)电路图如下图所示.(2)伏安特性曲线如下图所示0.28 W(3)电压较高时,灯泡消耗的功率较大,灯丝温度高,其电阻大,由于是外接法,故这时电压表的分流较大,所以电流的测量值偏大,故系统误差较大.2.学习了“欧姆定律”以及电路的知识后,李阳同学要帮妈妈制作一个自动控温孵化器,他到电子商城买了一只标称值为220Ω的半导体热敏电阻,由于不知道该电阻的温度特性,为此,他做了如下实验.(1)在室温下(约25℃)他正确使用多用表的欧姆挡测该热敏电阻的阻值,表的示数如右图所示,可判定李阳同学测量时选用的是挡,表的读数是Ω.(2)李阳同学要通过改变热敏电阻的温度并用伏安法测热敏电阻的阻值来研究热敏电阻的温度特性,他准备了如下器材:蓄电池(电动势为6 V,内阻不计)及电键伏特表(量程为0~6 V,内阻很大)安培表(量程为0~20 mA,内阻R g=10Ω)定值电阻R0(R0=5Ω)下列图中给出四个电路,其中李阳应该选择的是 .(3)李阳同学得到的实验数据如下表请你根据这些数据在下图所示的坐标纸上画出这个热敏电阻的电阻值随温度变化的关系图象(R—t图象).(4)下图是李阳同学利用这个热敏电阻制成的孵化器温度控制电路,其中控制电路的输入端A、B内接电路可等效为一个电动势为2.0 V,内阻为100Ω的电源,当通过热敏电阻R的电流大于等于2.0 mA时,控制电路动作,输出端的开关断开,加热器停止加热.孵化小鸡时,要求孵化箱恒温在39.5℃,为此,李阳将孵化箱的最高温度设定为40℃;为使恒温箱能在40℃时控制电路动作,定值电阻R0的阻值应为Ω.答案(1)×10 260 (2)D(3)R—t图象如右图所示.(4)7553.如果某研究性学习小组在研究某种用半导体材料做的用电器件Z的导电规律时,用电压表、电流表测得其两端电压与通过其中的电流的关系如下表所示:所用的器材规格:电压表(0~3~15 V,内阻30 kΩ)电流表(0~0.6~3 A,内阻4Ω)滑动变阻器(变化范围0~10Ω)电源(6 V,内阻1Ω)用电器件Z电键;导线若干(1)在下图乙方框中画出测量电路原理图,并将下图甲中的实物连成测量电路.(2)若把用电器件Z接入图丙所示的电路中,电流表的读数为1.8 A,电源输出电压恒为3 V,电阻R的电功率为W.(3)请分析表中的数据,探究该用电器件Z的电流随电压变化的规律是什么?答案(1)见下图(2)3.24(3)观察实验数据,猜想电流随电压变化的规律是I=kU n任选两组数据可列出0.8=k ·0.8n1.25=k ·1n解得n =2,k =1.25 A/V 2也可代入其他组数据,在误差范围内,则I =1.25U 2.4.影响材料电阻率的因素很多,一般金属材料的电阻率随温度的升高而增大.如图甲是某金属材料制成的电阻R 随摄氏温度t 变化的图象,图中R 0表示0℃时的电阻.若用该电阻与电池(E 、r )、电流表R g 、滑动变阻器R ′串联起来,连接成如图乙所示的电路,用该电阻做测温探头,把电流表的电流刻度改为相应的温度刻度,就得到了一个简单的“金属电阻温度计”,使用“金属电阻温度计”前,先要把电流表的刻度值改为相应的温度刻度值,若温度t 1<t 2,则t 1的刻度应在t 2的 侧(填“左”、“右”);在标识“金属电阻温度计”的温度刻度时,需要弄清所测温度和电流的对应关系.请用E 、R 0、k (R —t 图线斜率)及题中所涉及的物理量表示所测温度t 与电流I 的关系式t = .答案 右 k r R R R k ⅠE g +'++-0 5.(1)由绝缘介质隔开的两个同轴的金属圆筒构成圆柱形电容器.如图所示,试根据你学到的有关平行板电容器电容的知识,推测影响圆柱形电容器电容的因素有 .(2)利用伏安法测量干电池的电动势和内阻,现有的器材为:干电池:电动势约1.5 V ,符号电压表:量程1 V ,内阻998.3Ω,符号电流表:量程为1 A ,符号滑动变阻器:最大阻值10Ω,符号电阻箱:最大阻值99 999.9Ω,符号单刀单掷开关1个,符号导线若干①设计测量电源电动势和内阻的电路并将它画在指定的方框内.要求在图中标出电压表、电流表的接线柱的正负.②为了满足本实验要求并保证实验的精确度,电压表量程应扩大为原量程的倍,电阻箱的阻值应为Ω.答案(1)H、R 1、R2、ε(正对面积、板间距离、极板间的介质)(2)①见右图②2 998.36.某同学对黑箱(图所示)中的一个电学元件的伏安特性进行研究,通过正确测量,他发现该元件两端的电压U ab(U ab=U a-U b)与流过它的电流I之间的变化关系有如下规律:①当-15 V<U ab<0 V时,I近似为零.②当U ab≥0时.U ab和I的实验数据见下表:(1)在图下中画出U ab≥0时该元件的伏安特性曲线.(可用铅笔作图)(2)根据上述实验事实,该元件具有的特性是 .(3)若将此黑箱接入如右图电路中,并在该电路的cd两端输入如下图(甲)所示的方波电压信号U cd,请在图下(乙)中定性画出负载电阻R L上的电压信号U ef的波形.答案(1)如下图所示(2)单向导电性(3)如下图所示7.甲同学设计了如图所示的电路测电源电动势E 及电阻R 1和R 2的阻值.实验器材有:待测电源E (不计内阻),待测电阻R 1,待测电阻R 2,电压表 (量程为1.5 V ,内阻很大),电阻箱R (0~99.99Ω),单刀单掷开关S 1,单刀双掷开关S 2,导线若干.(1)先测电阻R 1的阻值.请将甲同学的操作补充完整:闭合S 1,将S 2切换到a ,调节电阻箱,读出其示数r 和对应的电压表示数U 1,保持电阻箱示数不变, ,读出电压表的示数U 2.则电阻R 1的表达式为R 1= .(2)甲同学已经测得电阻R 1=4.8Ω,继续测电源电动势E 和电阻R 2的阻值.该同学的做法是:闭合S 1,将S 2切换到a ,多次调节电阻箱,读出多组电阻箱示数R 和对应的电压表示数U ,由测得的数据,绘出了如下图所示的RU 11-图线,则电源电动势E = V ,电阻R 2= Ω.(3)利用甲同学设计的电路和测得的电阻R 1,乙同学测电源电动势E 和电阻R 2的阻值的做法是:闭合S 1,将S 2切换到b ,多次调节电阻箱,读出多组电阻箱示数R 和对应的电压表示数U ,由测得的数据,绘出了相应的111R R U +-图线,根据图线得到电源电动势E 和电阻R 2.这种做法与甲同学的做法比较,由于电压表测得的数据范围 (选填“较大”、“较小”或“相同”),所以 同学的做法更恰当些.答案 (1)将S 2切换到br U U U 112- (2)1.43(或710) 1.2(3)较小 甲8.现要按图1所示的电路测量一节旧干电池的电动势E (约1.5 V )和内阻r (约20Ω),可供选择的器材如下:电流表A 1、A 2(量程0~500μA ,内阻约为500Ω),滑动变阻器R (阻值0~100Ω,额定电流1.0 A ),图1定值电阻R 1(阻值约为100Ω),电阻箱R 2、R 3(阻值0~999.9Ω),开关、导线若干.由于现有电流表量程偏小,不能满足实验要求,为此,先将电流表改装(扩大量程),然后再按图1电路进行测量.(1)测量电流表A 2的内阻.按图2电路测量A 2的内阻,以下给出了实验中必要的操作.A .断开S 1B .闭合S 1、S 2C .按图2连接线路,将滑动变阻器R 的滑片调至最左端,R 2调至最大D .调节R 2,使A 1的示数为I 1,记录R 2的值E .断开S 2,闭合S 3F .调节滑动变阻器R ,使A 1、A 2的指针偏转适中,记录A 1的示数I 1请按合理顺序排列实验步骤(填序号): .(2)将电流表A 2(较小量程)改装成电流表A (较大量程),如果(1)中测出A 2的内阻为468.0Ω,现用R 2将A 2改装成量程为20 mA 的电流表A ,应把R 2调为 Ω与A 2并联,改装后电流表A 的内阻R A 为 Ω.(3)利用电流表A 、电阻箱R 3测电池的电动势和内阻.用电流表A 、电阻箱R 3及开关S 按图1所示电路测电池的电动势和内阻,实验时,改变R 3的值,记录下电流表A的示数I .得到若干组R 3、I 的数据,然后通过作出有关物理量的线性图象,求得电池电动势E 和内阻r . a .请写出与你所作线性图象对应的函数关系式 .b .请在图3虚线框内坐标中作出定性图象.(要求标明两个坐标轴所代表的物理量,用符号表示)c .图中 表示E .图中 表示r .图2图3答案 (1)CBFEDA(2)12 11.7(3)a .R 3+R A =E r Ⅰ-1 b.如右图所示c .直线的斜率 纵轴截距的绝对值与R A 的差9.为了测量两节串联干电池的电动势,某同学设计了如图所示的实验电路,其中E 是待测电池组,内阻不能忽略;V 1、V 2是两只量程都合适的电压表,内阻不是很大,且未知;S 1、S 2是单刀单掷开关;导线若干.(1)请根据电路图甲,在图乙中连线,将器材连成实验电路.(2)实验需要测量的物理量是 .(3)用测出的物理量,导出串联电池组电动势的表达式是 .答案 (1)如下图所示 (2)闭合S 1,V 1的读数U 1,V 2的读数U 2.再闭合S 2,V 1的读数U 1′.(3)E =1121U U U U -'' 10.(2008·九江质检)图1所示是“用伏安法测量电阻”的实验电路图,只是电压表未接入电 路中.图2是相应的实验器材,其中待测量的未知电阻R x 的阻值约为1 k Ω,电流表量程20 mA 、内阻小于1Ω,电压表量程15 V 、内阻约1.5 k Ω,电源输出电压约12 V .滑动变阻器(甲)的最大阻值为200Ω,乙的最大阻值为20Ω.(1)在图1的电路图中把电压表接到正确位置.(2)根据图1的电路图将图2的实物连成实验电路.(3)说明本实验电路中两个滑动变阻器所起的作用有何不同?答案 (1)如右图所示 图1图2(2)如下图所示(3)滑动变阻器甲为粗调,滑动变阻器乙为细调.。
实验:用电压表和电流表测电阻教案示例之一您现在的位置:范文先生网>教案大全>物理教案>高二物理教案>实验:用电压表和电流表测电阻教案示例之一实验:用电压表和电流表测电阻教案示例之一2008-08-03高二物理教案实验:用电压表和电流表测电阻教案示例之一 (一)教学目的 1.会用伏安法测电阻。
2.培养学生严肃认真、实事求是做好实验的科学态度。
(二)实验器材:每组配备干电池三节,电压表、电流表、滑动变阻器、开关各1件,待测电阻一只(5欧或10欧,其电阻值用不透明白胶布粘封,并标以Rx字样。
要求学生暂不揭开。
),导线若干条。
(三)教学过程 1.引入新课问:请叙述欧姆定律的内容,计算公式及公式中各物理量的单位。
(学生回答略) 问:伏安法测电阻的原理和方法是什么?(学生回答略) 引出本节。
板书:〈第三节实验:用电压表和电流表测电阻〉 2.进行新课 (1)问:本实验的目的是什么?答:学会用电压表和电流表测电阻。
(2)问:实验的原理是什么?电阻两端的电压和通过它的电流,就可以根据欧姆定律计算出它的电阻。
(3)问:谁能设计一个用伏安法测定电阻的实验电路?学生板演(参见课本上的图8—1)。
教师讲评。
(4)问:用伏安法测电阻需要哪些实验器材?学生回答,接着检查和认识自己小组的实验器材。
注意认清哪个元件是待测定值电阻Rx。
(5)问:做这个实验需要哪些步骤?学生回答,教师小结:①按电路图连接电路。
连接电路时开关应是断开状态。
滑动变阻器的滑片要放在最大电阻值位置。
电压表和电流表的正负接线柱要连接正确。
电压表使用0~3伏量程,电流表使用0~0.6安量程。
②检查电路连接无误后,闭合开关;调节滑动变阻器的滑片,改变被测电阻两端的电压,观察电压表的示数为l伏、2伏和3伏时电流表的读数;将三组电压和电流的对应值填入自己设计的实验记录表格中。
③根据记录的三组实验数据分别算出未知电阻的三个值。
为了减小误差,算出电阻的平均值,作为被测电阻的阻值。
欧姆定律专题:多种方法测电阻(一)伏安法测电阻伏安法测电阻是初中物理中一个重要的实验,本实验可以利用电压表和电流表分别测出未知电阻Rx的电压、电流,再用欧姆定律的变形公式求出Rx的阻值。
由于电压表也叫伏特表,电流表也叫安培表,所以这种用电压表、电流表测电阻的方法叫“伏安法”。
1.原理:由欧姆定律推出2.电路图:(见图1)3.器材:小灯泡(2.5V)、电流表、电压表、开关、电池阻(3V)、定值电阻(10Ω)、滑动变阻器、导线。
4.注意点:ⅰ连接电路时,开关应断开,滑动变阻器应调到最大阻值处。
ⅱ滑动变阻器的作用:(1)保护电路;(2)改变小灯泡两端的电压和通过的电流。
ⅲ本实验中多次测量的目的是:测出小灯泡在不同情况(亮度)下的电阻。
5.实验步骤:(1)根据电路图把实验器材摆好。
(2)按电路图连接电路。
(在连接电路中应注意的事项:①在连接电路时,开关应断开。
②注意电压表和电流表量程的选择,“+”、“-”接线柱。
③滑动变阻器采用“一上一下”接法,闭合开关前,滑片应位于阻值最大处。
)(3)检查无误后,闭合开关,移动滑动变阻器的滑片(注意事项:移动要慢),分别使灯泡暗红(灯泡两端电压1V)、微弱发光(灯泡两端电压1.5V)、正常发光(灯泡两端电压2.5V),测出对应的电压值和电流值,填入下面的表格中。
同时,在实验过程中,用手感受灯泡在不同亮度下的温度。
随着灯泡亮度的增加,灯泡的温度升高。
(4)算出灯丝在不同亮度时的电阻。
6.分析与论证:展示的几组实验表格,对实验数据进行分析发现:灯泡的电阻不是定值,是变化的。
是什么原因使灯丝的电阻发生变化的呢?是电压与电流吗?难点突破:(我们对比一个实验如图2:用电压表、电流表测定值电阻的阻值R)发现:R是定值,不随电压、电流的变化而变化。
通过论证,表明灯丝的电阻发生改变的原因不在于电压与电流,那是什么原因造成的呢?我们在前面学过,影响电阻大小的因素有哪些?(材料、长度、横截面积和温度。
测电阻的几种典型方法一、伏安法测电阻1、定义:用电压表和电流表分别测出电路中某一导体两端的电压和通过的电流就可以根据欧姆定律算出这个导体的电阻,这种用电压表电流表测电阻的方法叫伏安法。
2、原理:I=UR3、电路图: 如图1所示4、步骤: ①根据电路图连接实物。
几个注意点:a 、连接实物时,必须注意 开关应断开;② 检查电路无误后,闭合开关S ,三次改变滑动变阻器的阻值,分别读出电流表、电压表的示数,填入表格。
③算出三次Rx 的值,求出平均值。
④整理器材。
二、伏阻法测电阻(一)常见的形式:a 、电压表和定值电阻;b 、电压表和已知最大阻值的变阻器。
(二)具体情形: 1、电压表+定值电阻(1)设计思路:该实验的关键是如何找到待测电阻的电流.因此不妨采用间接测量 的方式:只要求得已知电阻的电流即可.而这一结果可通过测已知电阻两端电压,将测得值除以已知阻值得到.电路图如图8-1所示.(2)实验原理:由欧姆定律可以得到:x x x U R I =,000UI R =,再由串联电路电流处处相等的规律有,000x x x U UR R I U ==因而只需测出已知电阻和未知电阻两端的电压即可. 总结:上面方法是运用一只电压表测量两次,再根据已知电阻计算出被测电阻的阻值.当然可以用两只电压表一次分别测出已知电阻和待测电阻两端的电压,再根据串联电路分压原理计算出被测电阻的阻值.b 、滑动变阻器 变阻(“一上一下” ) 阻值最大(“滑片远离接线柱” )串联在电路中c 、电流表 “+”接线柱流入,“-”接线柱流出量程选择:算最大电流I=URx并联在电路中 电压表 “+”接线柱流入,“-”接线柱流出 量程选择:看电源电压VARx R ′ 图12、实验改进方案(1)电压表+定值电阻实验步骤:(1)S1、S2合,电压表的示数为U1;(2)S1合,S2开电压表的示数为U2;(3)则Rx= _(U1-U2)*R0/U23、实验改进方案(1)电压表+定值电阻实验步骤:(1)S接a时电压表的示数为U1;(2)S接b时电压表的示数为U2;(3)则Rx=__(U1-U2)*R0/U2思考1:若没有定值电阻R0,有一个最大阻值为R0的滑动变阻器,能否测出待测电阻Rx 呢?(有电压表)1.电路设计2.实验步骤:(1)P到a时电压表的示数为U1;(2)P到b时电压表的示数为U2;(3)则Rx=______U2*R0/ (U1-U2)三、安阻法测电阻(一)常见的形式:a、电流表和定值电阻,b、电流表和已知最大阻值的变阻器。
九年级物理测电阻方法电阻测量的几种方法一、伏安法测电阻根据欧姆定律可得。
用电压表和电流表测出待测电阻两端的电压和通过的电流,就可以计算出电阻。
这种同时用电压表和电流表测电阻的方法称为伏安法。
1.实验器材:电压表1只、电流表1只、滑动变阻器1只、单刀开关1个、电源、导线、待测电阻 1只。
2.实验电路图如图1-1所示。
3.测量的物理量及待测电阻的表达式闭合开关S,移动滑动变阻器的滑片使电压表上有合适的读数,读出电压表的示数U和电流表的示数I,则(实际测电阻时,一般测三组读数,求出每一组读数对应的电阻,再求三个电阻值的平均值作为待测电阻的阻值)。
例1.(2014宜宾中考)电压表内阻较大,在实际电路中也有一定电流通过。
紫琪同学为了测量一电压表的(阻值已知)、内阻,她找来电源、电流表、定值电阻R1.实验器材:电流表1只、单刀开关1个、定值电阻1只、电源、导线、待测电阻 1只。
2.实验电路图如图2-1所示。
3.测量的物理量及待测电阻的表达式把电流表与定值电阻Ro串联在一起,闭合开关S,用电流表测出流过定值电阻Ro 中的电流Io;断开开关S,再把电流表与待测电阻Rx串联在一起,用电流表测出流过待测电阻Rx 中的电流Ix。
因为Ro与Rx两端的电压相等,所以Io Ro=IxRx,解得。
方法二1.实验器材:电流表1只、单刀开关2个、定值电阻1只、电源、导线、待测电阻 1只。
2.实验电路图如图2-2所示。
3.测量的物理量及待测电阻电源的表达式闭合开关S1,断开S2,测出流过定值电阻Ro中的电流Io ;闭合开关S1、S2,测出电路中的总电流I。
因为Ro与Rx两端的电压相等,所以Io Ro=(I-Io)Rx,解得。
例2.(2014北京中考)晓亮利用阻值为R的定值电阻和一块电流表测量未知电阻Rx的阻值。
他选择了满足这个实验要求的器材,并连接了部分实验电路,如图2-2-1所示。
(1)为了测出电阻Rx的阻值,请添加一根导线完成如图所示的实验电路的连接。
只有电流表或电压表时电阻测量的几种方法作者:刘卫如刘恒辉来源:《中学物理·初中》2014年第04期根据欧姆定律,只要知道了导体两端的电压U和同一时刻通过该导体的电流I,利用欧姆定律的变形公式R=UI,即可测算出导体的电阻R.测量电压要用电压表,测量电流要用电流表,这是标准的测量电阻的方法——伏安法.为了保护电路和改变电流电压值、进行多次测量,电路中还要串联一个滑动变阻器,如图1所示.伏安法测电阻是中考的常见题型,不过许多时候考题会把条件作些改动.最常见的两种情况是:变成了只有一个电流表或只有一个电压表,再加上其它已知条件(如一个阻值已知的定值电阻或一个已知最大阻值的滑动变阻器),进行实验设计,完善实验步骤,最后根据实验设计的原理,求出未知电阻Rx的表达式.下面分两种情况进行讨论:第一种情况:只有一个电流表时测未知电阻Rx的阻值1.题目:一个阻值为R0的定值电阻,电源、开关和导线若干,电源电压恒定,测量未知电阻Rx的阻值.(1)实验方案1:电路图如图2所示,实验操作步骤如下:①闭合S、S1,此时Rx被短路,读出电流表的示数I0;②闭合S、断开S1,此时R0、Rx串联,读出电流表的示数Ix;③求Rx的表达式.由于电源电压恒定,所以I0R0=Ix(R0+Rx)Rx的表达式为Rx=(I0-Ix)R0Ix.(2)实验方案2:电路图如图3所示.与图2比较,图3是把开关S1并在了R0的两端,实验操作步骤与方案1完全一样,但测量的对象发生了变化,实验操作步骤如下:①闭合S、S1,此时R0被短路,读出电流表的示数Ix;②闭合S、断开S1,此时R0、Rx串联,读出电流表的示数I;③求Rx的表达式.由于电源电压恒定,所以IxRx=I (R0+Rx).Rx的表达式为Rx=IR0Ix-I.(3)实验方案3:电路图如图4所示,实验操作步骤如下:①只闭合S1,读出电流表的示数I1;②只闭合S2,读出电流表的示数I2;③求Rx的表达式.由于电源电压恒定,所以I1R0=I2Rx,Rx的表达式为Rx=I1R0I2.第三设计方案中,开关的断开、闭合有多种变化,Rx的表达式也会各不相同,所列举的是最简单的一种.2.题目:一个已知最大阻值为R0的滑动变阻器,电源、开关和导线若干,电源电压恒定,测量未知电阻Rx的阻值.电路图如图5所示,实验操作步骤如下:①闭合开关S,把变阻器的滑片P移到a端,变阻器短路,读出电流表的示数I1;②把变阻器的滑片P移到b端,此时变阻器R0全部接入,读出电流表的示数I2;③求Rx的表达式.由于电源电压恒定,所以I1Rx=I2(Rx+ R0).Rx的表达式为Rx=I2R0I1-I2.实际上,在图2、图3、图4、图5的四种电路设计中,当电流表与定值电阻R0串联或滑动变阻器移到阻值最大的一端时与电流表的串联,都是等效于起到了一个“电压表”的作用,是变化了的“伏安法”测电阻.第二种情况:只有一个电压表时测未知电阻Rx的阻值电阻Rx的阻值.实验方案1:电路图如图6所示,实验操作步骤如下:①闭合S、S1,此时Rx被短路,读出电压表的示数U;②闭合S、断开S1,此时R0、Rx串联,读出电压表的示数U0;③求Rx的表达式.步骤①读出的电压表的示数U就是电源电压,应用伏安法原理R=UI,所以Rx的表达式为Rx=U-U0U0/R0=U-U0U0R0.(2)实验方案2:电路图如图7所示.跟图6比较,图7是把电压表并在了Rx的两端,实验操作步骤与第一种设计完全一样,但测量的对象发生了变化,实验操作步骤如下:①闭合S、S1,此时R0被短路,读出电压表的示数U;②闭合S、断开S1,此时R0、Rx串联,读出电压表的示数Ux;③求Rx的表达式.步骤①读出的电压表的示数U就是电源电压,应用伏安法原理R=UI,所以Rx的表达式为Rx=UxU-UxR0=UxU-UxR0.(3)实验方案3:电路图如图8所示,实验操作步骤如下:①把电压表并联在R0的两端,闭合S,读出电压表的示数U0;②把电压表并联在Rx的两端,闭合S,读出电压表的示数Ux;③求Rx的表达式.应用伏安法原理R=UI,所以Rx的表达式为Rx=UxU0/R0=UxU0R0.实际上,在图6、图7、图8的三种电路设计中,当电压表与定值电阻R0并联时,都是等效于起到了一个“电流表”的作用,是变化了的“伏安法”测电阻.定,测量未知电阻Rx的阻值.电路图如图9所示,实验操作步骤如下:①闭合开关S,把变阻器的滑片P移到a端,变阻器短路,读出电压表的示数U1;②把变阻器的滑片P移到b端,此时变阻器R0全部接入,读出电压表的示数U2;③求Rx的表达式.步骤①读出的电压表的示数U1就是电源电压,应用伏安法原理R=UI,所以Rx的表达式为Rx=U2U1-U2R0=U2U1-U2R0.。
7.3 学生实验:用电流表、电压表测电阻执教:园南中学曾玉琦一、教学任务分析:本节课是上教版初中物理九年级第一学期第七章第三节的内容,本节内容一共分3课时完成,本节课是第二课时。
“用电流表、电压表测电阻”是电学中的一种基本测量,是串联电路和欧姆定律变换式的具体应用;是电流表、电压表、滑动变阻器等仪器的综合应用,对培养学生的实际操作能力和加深对知识的理解都有十分重要的作用,也是后续测定小灯泡额定功率实验的基础。
学习本节课需要具备的基础知识有:电流、电压和电阻的概念;串联电路特点和欧姆定律。
通过前几节课的学习,学生已经知道了电阻的概念、欧姆定律以及串联电路的分压作用,能正确连接简单的串联电路,会正确使用电流表和电压表,这些都为本节课的学习做好了铺垫。
但由于“用电流表、电压表测电阻”实验中如何改变待测电阻两端电压,学生大部分会想到之前学过的改变串联干电池数量的方法,而忽视应用串联电路的分压作用,所以让学生想到在电路中串联一个滑动变阻器来改变待测电阻两端电压有一定困难。
本设计要求学生主动参与,经历利用滑动变阻器改变待测电阻两端电压的设计、实验过程,体验解决物理问题方法的多样性。
提高动手操作能力,进一步学会电路连接和测量技巧,在理解串联电路特点的基础上,体会串联电路的分压作用,进一步证实电阻值不随U、I的变化而变化的物理实质。
二、教学目标1、知识与技能(1)会用电流表、电压表测电阻(2)会写简单的实验报告2、过程与方法(1)在“用电流表、电压表测电阻”的实验中,进一步学会电路连接和测量技巧。
(2)经历利用滑动变阻器改变待测电阻两端电压的设计、实验过程,体验解决物理问题方法的多样性。
(3)通过“用电流表、电压表测电阻”的实验过程,经历数据的记录和运算,注意到多次测量取其平均值可以减小实验误差的科学方法。
3、情感、态度与价值观通过“用电流表、电压表测电阻”实验的数据处理过程,养成实事求是的科学态度。
三、教学重点难点重点:用电流表、电压表测电阻难点:用滑动变阻器改变待测电阻两端电压的设计四、教学资源与实验器材学生实验15组:(每组有:干电池2节,电压表、电流表、滑动变阻器、电键各1件,待测电阻1只(其电阻值用不透明白胶布粘封,并标以Rx字样。